План.
1) Назначение сцепления автомобиля ГАЗ-53А-3 3
2) Устройство сцепления автомобиля ГАЗ-53 5
3) Работа сцепления ГАЗ-53А 8
4) Регулировка сцепления 11
5) Привод сцепления 13
6) Уход за сцеплением 15
7) Неисправности сцепления и способы их устранения 20
Сцепление позволяет кратковременно разъединять двигатель и трансмиссию при переключении передач и плавно их соединять при трогании трактора или автомобиля с места.
На современных тракторах и автомобилях используют фрикционное сцепление. Работа такого сцепления основана на использовании сил трения. В качестве трущихся поверхностей используют диски, изготовленные из материала с высоким коэффициентом трения. В зависимости от передаваемого крутящего момента необходимо применять разное число трущихся элементов, поэтому сцепление может быть однодисковое, двухдисковое и многодисковое.
Сцепление автомобиля (рис. 1) сухое, однодисковое, с демпферным устройством, установлено в литом чугунном картере. Привод выключения сцепления – механический.
Техническая характеристика сцепления
Толщина ведомого диска в мм:
в свободном состоянии без нагрузки . . . . . . . . . . . . . . . . . . . 10,4-11,2
под давлением пружин . . . . . . . . . . . . . . . . . . . . . . . . . . . . . . 9,4-9,8
Диаметр ведомого диска в мм:
наружный . . . . . . . . . . . . . . . . . . . . . . . . . . . . . . . . . . . . . . . . . 280
внутренний . . . . . . . . . . . . . . . . . . . . . . . . . . . . . . . . . . . . . . . 164
Сила нажимной пружины длиной 40 мм в кГ . . . . . . . . . . . . . . . . . 62,5-68
Длина нажимной пружины в свободном состоянии
(приблизительно) в мм . . . . . . . . . . . . . . . . . . . . . . . . . . . . . . . . . . . . 61
Сила
пружины демпфера длиной 23,5 в кГ . . . . . . . . . . . . . . . . . . . 51+ 5
Длина пружины демпфера в свободном состоянии в мм . . . . . . . . 26,2 0,35
Толщина
фрикционной шайбы демпфера в мм . . . . . . . . . . . . . . . . . 2 + 0,1
Толщина
теплоизоляционных шайб нажимных пружин в мм . . . . . 3,5 + 0,25
Размеры иголок подшипников (ГОСТ 6870-54) оттяжных
рычагов выключения сцепления в мм . . . . . . . . . . . . . . . . . . . . . . . . . 1,6 х 9
Упорный подшипник выключения сцепления . . . . . . . . . . . . . . . . . . 588911
Сцепление состоит из двух частей: нажимного диска с кожухом и рычагами выключения сцепления в сборе и ведомого диска в сборе.
Штампованный кожух 6 сцепления закреплен на маховике 1 шестью центрирующими болтами (рис. 1). В кожухе имеется три точно расположенных прямоугольных окна, в которые входят обработанные выступы чугунного нажимного диска 4; таким образом обеспечивается правильная установка нажимного диска относительно кожуха сцепления, маховика и, следовательно, оси коленчатого вала двигателя. При помощи этих выступов вращение от маховика двигателя передается через кожух к нажимному диску сцепления. Нажимный диск изготовляют из серого чугуна. Поверхности трения диска и маховика тщательно шлифуют.
Ведомый диск в сборе усилием девяти пружин 7 при включении сцепления зажимается между маховиком и нажимным диском. Ведомый диск сидит на шлицах первичного вала 22 коробки передач.
Благодаря силе трения между фрикционными накладками ведомого диска и торцами маховика и нажимного диска при включении сцепления крутящийся момент двигателя передается трансмиссии автомобиля.
Для предотвращения сильного нагрева пружин при пробуксовывании сцепления во время включения и выключения между пружинами и нажимным диском ставят теплоизоляционные шайбы 5.
|
|
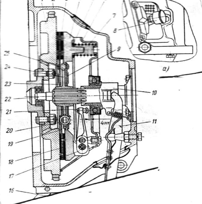
Рис. 1. Сцепление:
а — вид на масленку со стороны заднего торца сцепления;
1 — маховик; 2 — картер; 3 — фрикционная накладка ведомого диска;
4 — нажимной диск;
5–теплоизоляционная шайба; 6 — кожух сцепления; 7 — нажимная пружина; 8 — масленка подшипника; 9— пластина демпфера; 10. — муфта выключения сцепления; 11 — вилка выключения сцепления; 17 — рычаг выключения сцепления; 18— пружинящая пластина; 19—диск сцепления; 20 — пружина демпфера; 21 — регулировочный винт;
22 — первичный вал коробки передач; 23 — фрикционная шайба демпфера; 24 — ступица ведомого диска; 25 — палец
Выключающее устройство сцепления состоит из трех оттяжных рычагов 17, муфты 10 с упорным подшипников, вилки 11 и привода выключения сцепления.
Каждый оттяжной рычаг выключения сцепления при помощи пальца и игольчатого подшипника шарнирно соединен с нажимным диском сцепления, а посредством пальца с лыской и ролика, свободно помещенных в отверстии рычага, тоже шарнирно – с опорной вилкой. Опорные вилки болтами привернуты к кожуху сцепления. Такое крепление рычагов обеспечивает возможность их поворота; при этом расстояние между осями игольчатого подшипника и пальцем второго сцепления меняется. На конце большего плеча каждого рычага выключения сцепления имеется регулировочный винт 21.
При нажатии на педаль сцепления привод выключения воздействует на наружный конец вилки 11, перемещая его назад; внутренний конец вилки при этом нажимает на муфту 10 выключения сцепления, передвигая ее по направлению к маховику. Торец подшипника муфты упирается в головки винтов, ввернутых в концы рычагов выключения сцепления, которые, поворачиваясь вокруг осей пальцев, укрепленных в опорных вилках, преодолевают усилие нажимных пружин и отводят нажимной диск сцепления. Таким образом ведомый диск освобождается, а сцепление выключается. Регулировкой винтов 21 рычагов выключения сцепления, которая производится на заводе, обеспечивается одновременное соприкосновение всех трех рычагов с подшипником выключения сцепления.
При отпускании педали сцепления внутренний конец вилки выключения сцепления и муфта под действием пружин сцепления и привода отходят назад, и сцепление включается.
Упорный подшипник муфты выключения сцепления смазывается при помощи колпачковой масленки 8, укрепленной на кронштейне с правой стороны картера сцепления у вентиляционного окна. Масленка соединена гибким шлангом с муфтой, имеющей кольцевую полость и отверстия подвода смазки к подшипнику.
Нажимной диск с кожухом, пружинами и рычагами в сборе проходит статистическую балансировку. Нормальный дисбаланс (не более 36 Гсм) достигается высверливанием металла из бобышек нажимного диска.
Ведомый диск в сборе состоит из стального диска 19 сцепления, приклепанных к нему шести волнистых пружинящих пластин 18, ступицы 24 и двух фрикционных накладок 3, одна из которых приклепана к диску, а другая – к пружинящим пластинам. При включения сцепления по мере увеличения нажатия на ведомый диск эти пластины постепенно выпрямляются и при полном включении сцепления становятся плоскими и прижатыми к диску 19. Благодаря этому передаваемый крутящий момент возрастает постепенно, а сцепление включается плавно.
Демпферное устройство препятствует передачи крутильных колебаний от коленчатого вала двигателя к трансмиссии.
Основными деталями демпфера являются восемь пружин 20, помещенных в окнах ступицы 24, диска 19 и пластины 9 демпфера, и две фрикционные шайбы 23, зажатые с определенным усилием между диском и пластиной демпфера. Усилие зажатия шайб подбирают при помощи регулировочных стальных прокладок (устанавливаемых под фрикционные шайбы) таким образом, чтобы момент трения, возникающий при перемещении диска и пластины демпфера относительно ступицы, был в пределах 2-2,5 кГ. м.
Перемещение диска 19 относительно ступицы 24 ограничено четырьмя пальцами 25, которые при максимальных перемещениях диска упираются в края U-образных вырезов фланца ступицы.
Ведомый диск в сборе с фрикциоными накладками и демпферным устройством статистически балансируется установкой на диск балансировочных пластинчатых грузиков. Допустимый дисбаланс ведомого диска 18 Гсм.
При включенном сцеплении должен быть выдержан одинаковый зазор между головками винтов 21 рычагов выключения сцепления и торцом упорного подшипника, равный 4 мм. Неодинаковый зазор приводит при выключении сцепления к перекосу нажимного включения или включение с рывками, вибрациями).
В сцеплении регулируют зазор между головка винтов 21 (рис. 1) оттяжных рычагов сцепления и торцом упорного подшипника выключения сцепления, который должен быть одинаковыми для всех трех рычагов, и момент трения в демпфере. Обе регулировки производятся на заводе-изготовителе автомобилей; в процессе эксплуатации обычно нет необходимости в этих регулировках. При ремонте сцепления иногда регулируют равномерность зазора между головками винтов оттяжных рычагов и торцом упорного подшипника. Эту регулировку выполняют при помощи указанных винтов. После проведения такой регулировки винты должны быть снова закернены. В процессе эксплуатации автомобиля привод выключения сцепления обычно регулируют.
По мере износа фрикционных накладок ведомого диска расстояние между нажимным диском и маховиком уменьшается, в результате чего головки внутренних концов оттяжных рычагов сцепления, в которые ввернуты винты, отходят назад, приближаясь к упорному подшипнику, вследствие чего уменьшается первоначальный зазор. При большом износе накладок, когда этого зазора нет или он слишком мал, головки винтов рычагов касаются торца упорного подшипника, вызывая постоянную (или периодическую) работу подшипника, что может привести к его разрушению, а также к пробуксовке сцепления, повышенному износу накладок или выходу их из строя.
Для нормальной работы сцепления необходимо обеспечить зазор между головками винтов, ввернутых в концы оттяжных рычагов, и упорным подшипником, равный приблизительно 4 мм.
Регулировка указанного зазора сводится к установке свободного хода педали сцепления в пределах 35-45 мм. Свободный ход регулируется отвертыванием или завертыванием регулировочной гайки 16 (рис. 1). При удлинении тяги свободный ход педали сцепления увеличивается.
Не следует регулировать зазор при помощи винтов 21 оттяжных рычагов сцепления, так как эти винты установлены и закернены при регулировке сцепления на заводе таким образом, что они обеспечивают одновременное нажатие подшипника выключения на головки всех винтов.
