Министерство путей сообщения Российской Федерации
Сибирский государственный
Университет путей сообщения
УТВЕРЖДАЮ
Зав. Кафедрой
В. В. Решедько
"__"_____2005
Метрология, стандартизация и сертификация
Курсовая работа
Пояснительная записка
МТСС 02.СМ.4.00.00.00.ПЗ
Руководитель разработки
____И. О. Фамилия
"__"_____2005
Новосибирск, 2005
Содержание
1 Международная организация мер и весов. 3
2 Организация работ по стандартизации. 6
3 История сертификации. Структура системы информационного обеспечения в России. 9
4 Графическое изображение полей допусков и расчет параметров посадок гладких деталей. 12
5 Расчет и выбор посадки с зазором.. 16
6 Шпоночные соединения. 22
7 Расчет и выбор подшипников качения. 24
8 Расчет размерных цепей. 32
Список литературы.. 38
1 Международная организация мер и весов
Испытания и контроль качества продукции, сертификация, аккредитация метрологических лабораторий сопряжены с действиями, основанными на национальных системах измерений. При оценке соответствия продукции требованиям стандартов осуществляются измерения различных параметров, начиная от характеристик самой продукции до параметров внешних воздействий при ее хранении, транспортировке и использовании. При сертификационных испытаниях, устанавливающих соответствие товара обязательным требованиям, методика и практика измерений прямо сказываются на сопоставимости результатов, что непосредственно связано с признанием сертификата. Следовательно, метрология будет обеспечивать интересы международной торговли, если соблюдается единство измерений как необходимое условие сопоставимости результатов испытаний и сертификации продукции. Эта задача и является важнейшей в деятельности международных организаций по метрологии, благодаря усилиям которых в большинстве стран мира принята Международная система единиц физических величин (СИ), действует сопоставимая терминология, приняты рекомендации по способам нормирования метрологических характеристик средств измерений, по сертификации средств измерений, по испытаниям средств измерений перед выпуском серийной продукции. Международные метрологические организации работают в контакте с ИСО и МЭК, что соответствует более широкому международному распространению единства измерений [3].
Наиболее крупные международные метрологические организации – Международная организация мер и весов (МОМВ) и Международная организация законодательной метрологии (МОЗМ).
В
Научное направление работы этой организации – совершенствование метрической системы измерений. МБМВ постоянно совершенствует международные эталоны, разрабатывает и применяет новые и новейшие методы и средства точных измерений, создает новые и заменяет устаревшие концепции основных единиц измерений, координирует метрологические исследования в странах-членах [5].
Программы научной и практической деятельности МБМВ утверждает
Генеральная конференция по мерам и весам – высший международный орган по
вопросам установления единиц, их определений и методов воспроизведения. В ее
работе участвуют все страны, присоединившиеся к Конвенции. Генеральная
конференция собирается не реже одного раза в четыре года, первая состоялась в
В составе Международного комитета мер и весов работают 8 Консультативных комитетов, которые подготавливают материалы и решения для Генеральных конференций. Названия комитетов отражают диапазон деятельности МОМВ: комитеты по электричеству, по термометрии, определению метра, определению секунды, по единицам, по массе, фотометрии и эталонам для ионизирующих излучений. Государства – члены МОМВ представлены в комитетах своими крупнейшими научными институтами, Россия – Всероссийским научно-исследовательским институтом метрологии и Всероссийским научно-исследовательским институтом физико-технических и радиотехнических измерений.
Важным следствием участия в работе МОМВ является синхронный переход стран на новые единицы измерений или новые эталоны основных единиц. Это создает основу для взаимного признания результатов испытаний и измерений, позволяет устранить технические затруднения в международной торговле, обмене научно-технической информацией, технологией и др. Исследования по сличению лазеров пяти стран показали возможность перехода в недалеком будущем на новое определение метра.
Участие России в МОМВ положительно сказывается на сохранении позиций и международного авторитета российской метрологии и содействует процессу присоединения России к ГАТТ/ВТО и вступления в Европейский Союз.
2 Организация работ по стандартизации
Стандартизация – это деятельность, направленная на разработку и установление требований, норм, правил, характеристик как обязательных для выполнения, так и рекомендуемых, обеспечивающая право потребителя на приобретение товаров надлежащего качества за приемлемую цену, а также право на безопасность и комфортность труда.
Цель стандартизации – достижение оптимальной степени упорядочения в той или иной области посредством широкого и многократного использования установленных положений, требований, норм для решения реально существующих, планируемых или потенциальных задач.
Еще в
В
Еще в
Существенный разрыв между тем, что было, и тем, что необходимо для формирования единого рынка, подтолкнул Комиссию ЕС к разработке программы «Зеленая книга Европы» (Развитие европейской стандартизации для ускорения технической интеграции в Европе), где был изложен план перестройки и развития стандартизации на континенте. Основное в «Зеленой книге» - евростандарты должны отражать новейшие техники и технологии, а директивы – содержать эффективные меры против проникновения в Сообщество продукции, небезопасной или вредной для населения и окружающей среды [11].
Прорыв в работах по стандартизации в ЕС произошел в начале 90-х гг. Если
в
Итак, нормативную базу стандартизации ЕС составляет хорошо развитое техническое законодательство.
Техническое законодательство ЕС представлено постановлениями Совета, директивами Совета, гармонизированными европейкими стандартами.
Постановления Совета имеют прямое действие для стан – членов ЕС (без переоформления через национальное законодательство).
Директива Совета вводится через законодательные акты государств – членов ЕС, причем устанавливаются сроки ввода: начало действия и конечный срок ее введения в национальных рамках.
Гармонизированный европейский стандарт – это стандарт, обеспечивающий реализацию соответствующей директивы, и в этом случае он обязателен для применения в странах ЕС. Перечни таких гармонизированных стандартов публикуются в официальном бюллетене ЕС.
В случае отсутствия европейских стандартов, необходимых для обеспечения директивы, Комиссия ЕС дает мандат европейским организациям по стандартизации (СЕН, СЕНЭЛЕК) на разработку необходимых стандартов и финансирует эти работы.
Следует иметь в виду, что один и тот же европейский стандарт может быть обязательным, когда он направлен на обеспечение конкретной директивы, и необязательным, когда он применяется в других случаях.
Продукция, отвечающая требованиям директивы, маркируется знаком С€.
Особенность и «сила» большинства евростандартов заключаются в том, что в их основу закладывают, как правило, лучшие стандарты отдельных европейских стран. Например, широко известные своим высоким техническим уровнем стандарты Швеции по электромагнитной безопасности персональных компьютеров положены в основу единого стандарта ЕС [3].
Политика комитетов СЕН и СЕНЭЛЕК на современном этапе заключается в том, чтобы как можно чаще использовать МС ИСО и МЭК в качестве региональных. В итоге около 45% НД в рамках ЕС представляют международные стандарты, разработанные ИСО/МЭК.
3 История сертификации. Структура системы информационного обеспечения в России
Хотя термин «сертификация» стал известен в повседневной жизни и коммерческой практике сравнительно недавно, тем не менее сертификация как процедура применяется давно и термин «сертификат» известен с XIX в.
Имеются сведения о том, что производители товаров издавна гарантировали качество своих изделий, в том числе письменно, т.е. снабжали их «заявлениями о соответствии». Диапазон таких заявлений был весьма широк, он охватывал даже произведения искусства. Сохранились сведения о том, что знаменитые художники Возрождения гарантировали сохранность своих картин в течение 300 лет. И что самое интересное, такие гарантии в большинстве случаев оказались реальными.
В
метрологии сертификация давно известна как деятельность по официальной проверке
и клеймению прибора (весов, гирь). Клеймение свидетельствует о том, что прибор
удовлетворяет сертификационным требованиям по его конструктивным и
метрологическим характеристикам. Более 100 лет термин «сертификат» используется
в международной метрологической практике. Так, сопроводительный документ к полученному
Россией в
В течение нескольких столетий действуют так называемые «»классификационные организации, которые, будучи неправительственными и независимыми организациями, оценивают безопасность судов для целей их страхования. По существу, это тоже сертификация соответствия. Примером классификационной организации является Регистр Ллойда – авторитетнейшая а наше время международная организация, которая имеет представительства в 127 странах мира и в течение двух столетий остается мировым лидером сертификационных организаций [5].
В России
также есть классификационная организация – Морской Регистр, созданный в
Сертификация
в России начала проводиться в
Предшественницей российской сертификации была сертификация в СССР отечественной экспортируемой продукции. Первоначально она проводилась в зарубежных центрах и ее обязательность фактически устанавливалась не отечественными законами, а законодательством тех стран, куда товары поставлялись из СССР.
В
В
Вместе с тем в СССР осуществлялась оценка соответствия продукции установленным требованиям в других формах: аттестация по категориям качества; государственная приемка продукции; государственные испытания (им подвергалось около 30 % продукции, аттестованной по категориям качества); государственный надзор зп стандартами [3].
В России после ликвидации СССР аттестация продукции по категориям качества, государственные испытания и государственная приемка продукции были официально отменены.
4 Графическое изображение полей допусков и расчет параметров посадок гладких деталей
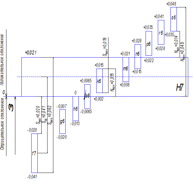
Основные характеристики сопряжений в системе отверстия приведены в таблице 4.1.
Таблица 4.1 – Основные характеристики сопряжений в системе отверстия 30JT7, мм
|
Характеристики |
Условные обозначения |
Посадки |
||
|
|
|
|
||
|
Номинальный размер |
Dн=dн |
30,000 |
30,000 |
30,000 |
|
Предельные размеры отверстия |
Dmax Dmin |
30,021 30,000 |
30,021 30,000 |
30,021 30,000 |
|
Предельные размеры вала |
dmax dmin |
29,980 29,959 |
30,015 30,002 |
30,048 30,035 |
|
Допуск отверстия |
TD |
0,021 |
0,021 |
0,021 |
|
Допуск вала |
Td |
0,021 |
0,013 |
0,013 |
|
Предельные зазоры |
Smax Smin |
0,062 0,020 |
0,019 - |
- - |
|
Предельные натяги |
Nmax Nmin |
- - |
0,015 - |
0,048 0,014 |
|
Средний зазор |
Sср |
0,041 |
0,002 |
- |
|
Средний натяг |
Nср |
- |
- |
0,031 |
|
Допуск посадки с зазором переходной с натягом |
ТПS ТПП ТПN |
0,042 - - |
- 0,034 - |
- - 0,034 |
Схема полей допусков для посадок в системе отверстия представлена на рисунке 4.1.

Рисунок 4.1 – Схема полей допусков для посадок в системе отверстия 30JT7
Основные характеристики сопряжений в системе вала приведены в таблице 4.2.
Таблица 4.2 – Основные характеристики сопряжений в системе вала 30JT7, мм
|
Характеристики |
Условные обозначения |
Посадки |
||
|
|
|
|
||
|
Номинальный размер |
Dн=dн |
30,000 |
30,000 |
30,000 |
|
Предельные размеры отверстия |
Dmax Dmin |
30,073 30,040 |
30,010 29,977 |
29,952 29,919 |
|
Предельные размеры вала |
dmax dmin |
30,000 29,979 |
30,000 29,979 |
30,000 29,979 |
|
Допуск отверстия |
TD |
0,033 |
0,033 |
0,033 |
|
Допуск вала |
Td |
0,021 |
0,021 |
0,021 |
|
Предельные зазоры |
Smax Smin |
0,094 0,040 |
0,031 - |
- - |
|
Предельные натяги |
Nmax Nmin |
- - |
0,023 - |
0,081 0,027 |
|
Средний зазор |
Sср |
0,067 |
0,004 |
- |
|
Средний натяг |
Nср |
- |
- |
0,054 |
|
Допуск посадки с зазором переходной с натягом |
ТПS ТПП ТПN |
0,054 - - |
- 0,054 - |
- - 0,054 |
Схема полей допусков для посадок в системе вала представлена на рисунке 4.2.

Рисунок 4.2 – Схема полей допусков для посадок в системе вала 30JT7
5 Расчет и выбор посадки с зазором
Среднее удельное давление в подшипнике скольжения (ПС) р, Па определим по формуле
, (5.1)
где F – нагрузка на шейку вала, Н;
d – номинальный диаметр ПС, м;
l – длина ПС, м.
Подставляя числовые значения в формулу (5.1) получим
.
Значение характеристического произведения
, м определим по формуле
, (5.2)
где h – толщина масляного слоя в рабочем режиме ПС;
S – зазор в ПС, м;
– угловая
скорость, рад/с;
– динамическая
вязкость масла,
.
Угловую скорость
, рад/с определим по формуле
, (5.3)
где n – частота вращения вала, об/мин.
Масло марки Турбинное 22 имеет динамическую вязкость
[7].
Подставляя числовые значения в формулу (5.3) получим
.
Подставляя числовые значения в формулу (5.2) получим
.
Из опытных данных известно, что оптимальный тепловой режим работы ПС наступает при
. (5.4)
Значение оптимального зазора определим по формуле
. (5.5)
Подставляя числовые значения в формулу (5.5) получим
.
Подставляя числовые значения в формулу (5.4) получим
.
Расчетный зазор определим по формуле
, (5.6)
где
– шероховатость
поверхности отверстия и вала, м.
Шероховатость поверхности отверстия определим
[1]
Шероховатость поверхности вала определим
[1]
Подставляя числовые значения в формулу (5.6) получим
.
Выбор посадки с зазором произведем из условия
. (5.7)
Средний зазор, выбранный стандартной посадкой,
должен быть близким к
расчетному. Отклонение допускается не более ![]()
. (5.8)
Подставляя числовые значения в формулу (5.8) получим
;
.
Жидкостное трение в ПС может быть обеспечено при условии
; (5.9)
. (5.10)
Подставляя числовые значения в формулу (5.10) получим
.
Условие
соблюдается.
Выбранная посадка
![]()
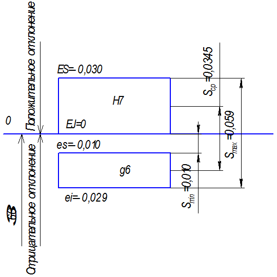
Посадка с зазором в системе отверстия (предпочтительная посадка), допуск отверстия TD=0,030 мм, допуск вала Td=0,019 мм, разная точность изготовления деталей, зазоры Smax=0,059 мм, Smin=0,010 мм, Sср=0,0345 мм, допуск посадки с зазором TПS=0,049 мм.

Рисунок 5.1 – Схемы расположения полей допусков посадки 60Н7/g6
Выбор средств измерения представлен в таблице 5.1.
Таблица 5.1 – Выбор средств измерения
|
Размер, мм |
Допуск размера, мкм |
Допускаемая погрешность измерения, мкм |
Средство измерения (СИ) |
Предельная допускаемая погрешность СИ, мкм |
|
60Н7(+0,030) |
30 |
9 |
Скоба СИ-50-100 ГОСТ11098-75 |
|
|
|
19 |
15 |
Нутрометр НИ 50-100-1 ГОСТ868-82 |
|
6 Шпоночные соединения
Размеры выбранной шпонки представлены в таблице 6.1[7].
Таблица 6.1 – Размеры шпонки
|
Деталь |
Элемент |
Услов- ное обо-значение |
Номиналь-ный размер, мм |
Допуск |
Отклоне-ния, мм |
Примечания |
|
Шпонка призмати-ческая |
Ширина |
b |
18,0 |
18h9 |
0 -0,043 |
Основной вал |
|
Высота |
h |
11,0 |
11h11 |
0 -0,110 |
||
|
Длина |
l |
100,0 |
100h14 |
0 -0,870 |
||
|
Вал |
Ширина паза |
b |
18,0 |
18N9 |
0 -0,043 |
Посадочный размер |
|
Глубина паза |
|
7,0 |
|
+0,200 0 |
||
|
Длина паза |
L |
100,0 |
100H15 |
+1,400 0 |
||
|
Втулка |
Ширина паза |
b |
18,0 |
18Js9 |
+0,021 -0,021 |
Посадочный размер |
|
Глубина паза |
|
4,4 |
|
+0,200 0 |
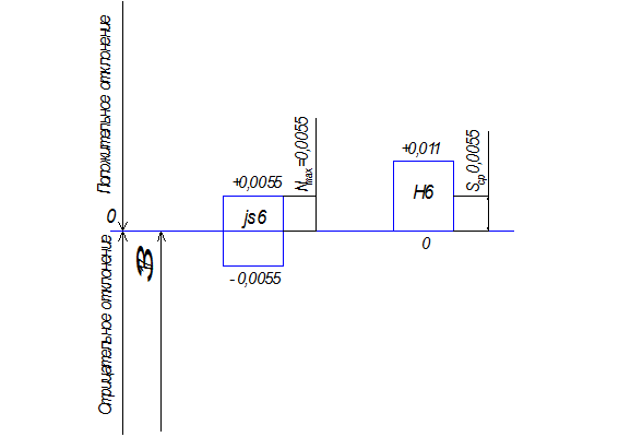
Схема полей допусков посадок шпонки в пазы вала и втулки представлены на рисунке 6.1.

Рисунок 6.1 – Схема полей допусков посадок шпонки в пазы вала и втулки
Выбор средств измерения представлен в таблице 6.2 [7].
Таблица 6.2 – Выбор средств измерения
|
Размер, мм |
Допуск размера, мкм |
Допускаемая погрешность измерения, мкм |
Средство измерения (СИ) |
Предельная допускаемая погрешность СИ, мкм |
|
18h9(-0,043) |
43 |
10 |
Скоба СР-25 ГОСТ 11098-75 |
|
|
|
43 |
10 |
Скоба СИ-50 ГОСТ 11098-75 |
|
7 Расчет и выбор подшипников качения
Интенсивность радиальной нагрузки р, кН/м, на посадочной поверхности циркуляционно нагруженного (вращающегося) кольца определим по формуле
, (7.1)
где F – заданная радиальная нагрузка на опору, кН;
b – рабочая ширина посадочного места ПК, м;
k1 – динамический коэффициент посадки, определимый характером нагрузки;
k2 – коэффициент, учитывающий ослабление посадочного натяга за счет тонкостенной втулки или полого вала;
k3 – коэффициент неравномерности распределения радиальной нагрузки между рядами тел катания.
Рабочую ширину посадочного места ПК b, м определим по формуле
, (7.2)
где В – ширина ПК, м;
r – радиус закругления, м.
При нормальном режиме работы (циркуляционное нагружение с перегрузкой до 150%) значение динамического коэффициента посадки принимаем равным 1.
k1=1 [7].
Коэффициент, учитывающий ослабление посадочного натяга за счет тонкостенной втулки или полого вала принимаем равным 1 при сплошном вале и толстостенном корпусе.
k2=1 [7].
Коэффициент неравномерности распределения радиальной нагрузки между рядами тел катания принимаем равным 1 для однорядного радиального ПК.
k3=1 [8]
.
.
По величине р с учетом класса точности ПК и вида нагружения определим поле допуска вала [1].
Посадка ПК на вал – ![]()
Посадка ПК в корпус – ![]()
Схема расположения полей допусков посадок ПК в отверстие корпуса (в системе вала) представлена на рисунке 7.1.
Рисунок 7.1 – Схема расположения полей допусков посадок ПК в
отверстие корпуса (в системе вала)
Схема расположения полей допусков посадок ПК на вал (в системе отверстия) представлена на рисунке 7.2.
Рисунок 7.2 – Схема
расположения полей допусков посадок ПК на
вал корпуса (в системе отверстия)
Основные характеристики подшипниковых посадок в корпус и на вал представлены в таблице 7.1 [7].
Таблица 7.1 – Основные характеристики подшипниковых посадок в корпус и на вал
|
Характеристики |
Условные обозначения |
Посадки |
|
|
|
|
||
|
Номинальный размер, мм |
Dн=dн |
40,000 |
17,000 |
|
Предельные размеры отверстия, мм |
Dmax Dmin |
40,012 39,988 |
17,011 17,000 |
|
Предельные размеры вала, мм |
dmax dmin |
40,000 39,984 |
17,0055 16,9945 |
|
Допуск отверстия, мм |
TD |
0,024 |
0,011 |
|
Допуск вала, мм |
Td |
0,016 |
0,011 |
|
Предельные зазоры, мм |
Smax Smin |
0,028 - |
0,0165 - |
|
Предельные натяги, мм |
Nmax Nmin |
0,012 - |
0,0055 - |
|
Средний зазор, мм |
Sср |
0,008 |
0,0055 |
|
Средний натяг, мм |
Nср |
- |
- |
|
Допуск посадки, мм переходной с натягом |
ТПП ТПN |
0,040 |
0,022 |
Среднее значение исходного зазора между телами катания и дорожками колец ПК до его установки определим по формуле
, (7.3)
где Smax – максимальное значение исходного радиального зазора ПК;
Smin – минимальное значение исходного радиального зазора ПК.
Подставляя числовые значения в формулу (7.3) получим
![]()
Величину диаметральной деформации беговой дорожки при посадке с натягом внутреннего кольца ПК определим по формуле
, (7.4)
где Nэф – эффективный натяг, м;
d – внутренний диаметр ПК, м;
d0 – приведенный функциональный диаметр беговой дорожки внутреннего кольца ПК, м.
Эффективный натяг определим по формуле
, (7.5)
где Nmax – максимальный натяг посадки на вал, м.
Подставляя числовые значения в формулу (7.5) получим
![]()
Приведенный функциональный диаметр беговой дорожки внутреннего кольца ПК определим по формуле
(7.6)
Подставляя числовые значения в формулу (7.6) получим
![]()
Подставляя числовые значения в формулу (7.4) получим
![]()
Величину диаметральной деформации беговой дорожки при посадке с натягом наружного кольца ПК определим по формуле
, (7.7)
где D0 – приведенный средний диаметр беговой дорожки наружного кольца ПК, м.
D – наружный диаметр, м.
Приведенный функциональный диаметр беговой дорожки наружного кольца ПК определим по формуле
. (7.8)
Подставляя числовые значения в формулу (7.8) получим
![]()
, (7.9)
где Nmax – максимальный натяг посадки на отверстие, м.
Подставляя числовые значения в формулу (7.9) получим
![]()
Подставляя числовые значения в формулу (7.7) получим
![]()
Рабочий (посадочный) зазор ПК после его установки с натягом на вал и в корпус определим по формуле
, (7.10)
где S1 – исходный средний зазор, м.
Подставляя числовые значения в формулу (7.10) получим
![]()
Проверим правильность расчета. Необходимо, чтобы выполнялось условие
. (7.11)
Подставляя числовые значения в формулу (7.11) получим
![]()
Условие соблюдается, значит посадка подшипников вала и втулки выбраны верно.
8 Расчет размерных цепей
Схема линейной размерной цепи представлена на рисунке 8.1.

Рисунок 8.1 – Схема линейной размерной цепи
Размер неуказанного звена определим по формуле
, (8.1)
где А0 – номинальный размер замыкающего (исходного)звена, м;
m – количество увеличивающихся звеньев;
n – количество уменьшающих звеньев.
По условию
![]()
![]()
Подставляя числовые значения в формулу (8.1) получим
![]()
![]()
Установление квалитета точности размеров РЦ.
Принцип полной взаимозаменяемости при решении РЦ обеспечивается при условии [10]
, (8.2)
где
– допуск
замыкающего звена, м;
– сумма допусков увеличивающихся звеньев, м;
– сумма допусков уменьшающихся звеньев, м.
Допуск любого звена определим по формуле
, (8.3)
где ai – количество единиц допуска;
– единица допуска.
Подставляя допуск каждого составляющего звена РЦ в формулу получим
(8.4)
Единица допуска для размеров от 1 до 500мм
i1=1,56
i2=1,86
i3=0,73
i4=1,86
i5=0,9
i6=1,31
i7=0,73 [7].
По условию задания все размеры имеют одну и ту же степень точности, тогда
(8.5)
(8.6)
![]()
По ГОСТ 25346-89 установим ближайший соответствующий рассчитанному среднему количеству единиц допуска
А1 ![]()
А2 ![]()
А3 ![]()
А5 ![]()
А6 ![]()
А7 ![]()
Верхнее отклонение компенсирующего звена определим по формуле
. (8.7)
Подставляя числовые значения в формулу (8.7) получим
![]()
![]()
Нижнее отклонение компенсирующего звена определим по формуле
. (8.8)
Подставляя числовые значения в формулу (8.8) получим
![]()
![]()
![]()
Проверим правильность расчетов следующим образом
ТА0 =
ТА1 =
ТА2 =
ТА3 =
ТА4 =
ТА5 =
ТА6 =
ТА7 =
![]()
![]()
Расчет произведен верно.
Редуктор в сборе представим на рисунке 8.2.

Рисунок 8.2 – Редуктор в сборе. Сборочная размерная цепь.
Список литературы
1 Анухин В.И. Допуски и посадки. М.: Питер, 2003. 208 с.
2 Абрамов В.А. Сертификация продукции и услуг. М., 2000. 182 с.
3 Димов Ю.В. Метрология, стандартизация и сертификация, М.: Питер, 2004. 432 с.
4 Исаев Л.К., Малинский В.Д. Метрология и стандартизация в сертификации. М.: ИПК Издательство стандартов, 1996. 169с.
5 Крылова Г.Д. Основы стандартизации, сертификации, метрологии. М.: ЮНИТИ, 1998. 465 с.
6 Лифиц И.М. Основы стандартизации, метрологии и управления качеством товаров. М.: ТОО «Люкс-арт». 1994. 168 с.
7 Палей М.А., Романов А.Б., Брагинский В.А. Допуски и посадки. Справочник в 2 томах. М.: Политехника, 2001. 1184 с.
8 Попов Ю.П., Кузнецова И.А. Метрология, стандартизация и сертификация, М.: Форум, 2003. 256 с.
9 Радченко Л.А. Основы метрологии, стандартизации и сертификации. М.: Дашков и Ко, 2005. 320 с.
10 Соломахо В.Л., Цитович Б.В. Основы стандартизации, допуски, посадки и технические измерения, М.: Дизайн Про, 2004. 296 с.
11 Чижикова Т.М. Стандартизация, сертификация, метрология: Учебное пособие. – М.: Колос, 2002. 354 с.