Министерство путей сообщения Российской Федерации
Сибирский государственный
Университет путей сообщения
УТВЕРЖДАЮ
Зав. Кафедрой
В. В. Решедько
"__"_____2005
Метрология, стандартизация и сертификация
Курсовая работа
Пояснительная записка
XXXX.XXXXXX.037ПЗ
Руководитель разработки
____И. О. Фамилия
"__"_____2005
Новосибирск, 2005
Содержание
1 Перспективы развития метрологической деятельности в Российской Федерации. 3
2 Виды стандартов. 6
3 Госстандарт России. Структура. Деятельность в области сертификации. 9
4 Графическое изображение полей допусков и расчет параметров посадок гладких деталей. 12
5 Расчет и выбор неподвижной посадки. 16
6 Шпоночные соединения. 27
7 Расчет и выбор подшипников качения. 29
8 Расчет размерных цепей. 36
Приложение А.. 41
1 Перспективы развития метрологической деятельности в Российской Федерации
При использовании системы измерений принципиально важно знать степень соответствия информации о измеряемой величине. С этой целью для каждой системы измерений вводятся и нормируются определенные метрологические характеристики (MX). Метрологические характеристики — это характеристики свойств средства измерений, оказывающие влияние на результат измерения и его погрешности. Характеристики, устанавливаемые нормативно-техническими документами, называются нормируемыми, а определяемые экспериментально — действительными. Номенклатура MX, правила выбора комплексов нормируемых MX для средств измерений и способы их нормирования определяются стандартом ГОСТ 8.009-84 "ГСИ. Нормируемые метрологические характеристики средств измерений".
Метрологические характеристики позволяют:
• определять результаты измерений и рассчитывать оценки характеристик инструментальной составляющей погрешности измерения в реальных условиях применения;
• рассчитывать MX каналов измерительных систем, состоящих из ряда средств измерений с известными MX;
• производить оптимальный выбор системы измерений, обеспечивающих требуемое качество измерений при известных условиях их применения;
• сравнивать системы измерений различных типов с учетом условий применения. [2]
При разработке принципов выбора и нормирования средств измерений необходимо придерживаться ряда положений, изложенных ниже.
1. Основным условием возможности решения всех перечисленных задач является наличие однозначной связи между нормированными MX и инструментальными погрешностями. Эта связь устанавливается посредством математической модели инструментальной составляющей погрешности, в которой нормируемые MX должны быть аргументами. При этом важно, чтобы номенклатура MX и способы их выражения были оптимальны. Опыт эксплуатации различных систем измерений показывает, что целесообразно нормировать комплекс MX, который, с одной стороны, не должен быть очень большим, а с другой — каждая нормируемая MX должна отражать конкретные свойства системы измерений и при необходимости может быть проконтролирована.
2. Нормирование MX средств измерений должно производиться исходя из единых теоретических предпосылок. Это связано с тем, что в измерительных процессах могут участвовать системы измерений, построенные на различных принципах.
3. Нормируемые MX должны быть выражены в такой форме, чтобы с их помощью можно было обоснованно решать практически любые измерительные задачи и одновременно достаточно просто проводить контроль СИ на соответствие этим характеристикам.
4. Нормируемые MX должны обеспечивать возможность статистического объединения, суммирования составляющих инструментальной погрешности измерений. [5]
При косвенных измерениях результат определяется на основании измерений величин, связанных с измеряемой величиной известной зависимостью. При этом в качестве примеров рассматривались случаи, когда закономерная зависимость выражалась строго математически. Однако строгая закономерность зависимости между величинами может быть неизвестна, хотя и известно, что такая зависимость существует. Например, известно, что электродвижущая сила термопары зависит от температуры. Определить эту зависимость на основании известных нам законов физики мы не можем даже для одной и той же пары металлов. На эту зависимость влияют малейшие отклонения в составах сплавов и технология их обработки. В этих случаях нужную нам зависимость мы можем определить методом совместных измерений. И не только определить, но и исследовать, и изучить постоянство и воспроизводимость этой зависимости влияния на нее внешних воздействий. Когда зависимость одной величины от другой будет нам хорошо известна, мы имеем возможность измерять нужную нам величину на основании измерений других величин, связанных с измеряемой известной зависимостью.[8]
Описанные измерения следует также отнести к косвенным измерениям как одну из его разновидностей. Разновидностью косвенных измерений является также случай нахождения значения измеряемой величины путем прямых измерений компонентов известной формулы, определяющей ее зависимости от этих компонентов. Эта разновидность косвенных измерений относится к случаю нахождения значения измеряемой величины по ее зависимости от других величин, определяемой путем совместных измерений. Вторая разновидность косвенных измерений может рассматриваться так же, как измерение путем преобразования измеряемой величины в другую, по природе своей существенно отличающуюся от измеряемой, но связанную с ней устойчивой зависимостью.
В Российской Федерации метрологическая деятельность должна и будет развиваться. В связи с тем, что многие заводы остановились, выпуск продукции сократился, поэтому метрологическая деятельность утратила свою сущность. За нарушения метрологических правил введена ответственность. С развитием экономики, с запуском в производство своей отечественной продукции метрология будет играть очень важную роль.
2 Виды стандартов
Стандартизация – это деятельность, направленная на разработку и установление требований, норм, правил, характеристик как обязательных для выполнения, так и рекомендуемых, обеспечивающая право потребителя на приобретение товаров надлежащего качества за приемлемую цену, а также право на безопасность и комфортность труда.
Цель стандартизации – достижение оптимальной степени упорядочения в той или иной области посредством широкого и многократного использования установленных положений, требований, норм для решения реально существующих, планируемых или потенциальных задач.
Основополагающий стандарт - нормативный документ, содержащий общие или руководящие положения для определенной области. Обычно он используется либо как стандарт, либо как методический документ, на основе которого могут разрабатываться другие стандарты.
Терминологический стандарт - нормативный документ, содержащий определения терминов, примеры их применения и т.д. [11]
Стандарт на методы испытаний - нормативный документ, устанавливающий методики, правила, процедуры различных испытаний и связанных с ними действий (например, отбор образца для проверки).
Стандарт на продукцию - нормативный документ, содержащий требования к продукции, которые обеспечивают соответствие продукции ее назначению. Данный стандарт может быть полным или неполным. Полный стандарт на продукцию устанавливает также правила отбора образцов для испытаний, порядок проведения испытаний и т.д. Неполный стандарт на продукцию содержит часть требований к продукции (например, только требования к правилам поставки и др.).
Стандарт на процесс (услугу) - нормативный документ, содержащий требования соответственно к процессу (например, к технологии производства) или услуге (например, оказание услуг в области автотранспорта, банковского обслуживания и т.д.).
Стандарт на совместимость - нормативный документ, устанавливающий требования к совместимости как продукта в целом, так и его отдельных частей. Данный вид стандарта может быть разработан на целую систему (например, на системы очистки воздуха, системы сигнализации и др.).
Стандарт с открытыми значениями - нормативный документ, содержащий перечень характеристик, которые конкретизируются в договорных отношениях (т.к. в некоторых ситуациях требования определяются поставщиками, а в других - потребителями).
Методическое положение - нормативный документ, содержащий методику, способ осуществления процесса, операции, с помощью которой достигается соответствие требованиям нормативного документа.
Описательное положение - нормативный документ, содержащий описание конструкции, состава исходных материалов, размеров деталей и частей изделия.
Государственные стандарты содержат требования к продукции, работам и услугам, потребности в которых имеют отраслевой характер. Эти стандарты принимает Госстандарт России, а если они относятся к области строительства, архитектуры, промышленности строительных материалов - Госстрой России. В государственных стандартах содержатся обязательные и рекомендательные требования.[9]
К обязательным требованиям относятся:
- безопасность продукта, услуги, процесса для здоровья человека, окружающей среды, имущества, а также производственная безопасность и санитарные нормы;
- техническая и информационная совместимость и взаимозаменяемость изделий;
- единство методов контроля и единство маркировки.
Отраслевые стандарты разрабатываются применительно к продукции определенной отрасли. Их требования не должны противоречить обязательным требованиям государственных стандартов, а также правилам и нормам безопасности, установленным для отрасли. Данные стандарты принимаются государственными органами управления, которые несут ответственность за соответствие отраслевых стандартов требованиям государственных. Отраслевые стандарты регламентируют:
- продукция, процессы и услуги, применяемые в отрасли
- правила, касающиеся организации работ по отраслевой стандартизации
- типовые конструкции изделий отраслевого применения
- правила метрологического обеспечения в отрасли.
Стандарты предприятий разрабатываются и применяются самим предприятием Стандарты предприятий регламентируют:
- деятельность составляющих частей организации
- управление производством
- качество производимой продукции
- общие технологические нормы процесса производства продукции.
Стандарты общественных объединений (научно-технических обществ, инженерных обществ и т.д.) разрабатываются на принципиально новую продукцию, процессы или услуги, передовые методы испытаний, нетрадиционные технологии и способы управления производством.[10]
3 Госстандарт России. Структура. Деятельность в области сертификации
Государственное управление стандартизацией в Российской Федерации, включая координацию деятельности государственных органов управления Российской Федерации, взаимодействие с органами власти республик в составе Российской Федерации, краев, областей, автономной области, автономных округов, городов, с общественными объединениями, в том числе с техническими комитетами по стандартизации, с субъектами хозяйственной деятельности, осуществляет Государственный Комитет Российской федерации по стандартизации и метрологии (Госстандарт России). Работы по стандартизации в области строительства организует Государственный комитет по строительной, архитектурной и жилищной политике России (Госстрой России).
Госстандарт России формирует и реализует государственную политику в области стандартизации, осуществляет государственный контроль и надзор за соблюдением обязательных требований государственных стандартов, участвует в работах по международной (региональной) стандартизации, организует профессиональную подготовку и переподготовку кадров в области стандартизации, а также устанавливает правила применения международных (региональных) стандартов, правил, норм и рекомендаций по стандартизации на территории Российской Федерации.[2]
Государственным стандартам присваиваются обозначения, состоящие из индекса «ГОСТ (ОСТ, СТП)…», порядкового (регистрационного) номера и двух последних цифр года утверждения стандарта, отделенных от номера знаком тире, например ГОСТ 3975-95. Порядковый номер стандарту присваивается соответствующим органом по стандартизации (Госстандарт России). При пересмотре стандарта его порядковый номер сохраняется, но цифры года заменяются цифрами года утверждения пересмотренного стандарта.
Текст стандарта излагается на русском языке. При изложении содержания стандартов, исходят из следующих основных требований: стандарт должен содержать нормы и требования, необходимые для его применения в соответствии с назначением и областью распространения; он не должен повторять полностью или частично содержание действующих стандартов; в случае необходимости приводятся ссылки на эти стандарты; в комплексах стандартов на одноименные и взаимосвязанные объекты обеспечивать единство терминологии, одинаковую последовательность изложения и единое построение вводной и основной частей стандартов.
Правила, нормы, требования и методы, регламентируемые в стандартах, должны быть полностью увязаны с соответствующими правилами, нормами и требованиями, установленными другими стандартами, относящихся к данному объекту стандартизации, должны основываться на современных достижениях науки, техники и технологии, учитывать условия использования продукции, выполнения работ и оказания услуг, условия и режимы труда и не должны нарушать положений, установленных актами законодательства Российской Федерации.
Подзаголовок стандарта указывает вид стандарта или аспект стандартизации. Он уточняет и дополняет, в случае необходимости, наименование стандарта.
Вводная часть вводится в стандарт только в случае необходимости уточнения объекта стандартизации (области распространения стандартов) и (или) аспекта стандартизации; при этом вводной части не дается заголовок, и она не нумеруется.[6]
Основная часть стандарта излагается в зависимости от вида и содержания стандарта в виде: таблиц или сочетания чертежей, схем, диаграмм и таблиц; текста или сочетания текста, чертежей, схем, диаграмм и таблиц.
Разделы и подразделы основной части стандартов имеют заголовки, которые кратко отражают содержание разделов и подразделов; пункты, как правило, заголовков не имеют.
В основной части стандарта могут быть приведены ссылки на разделы, подразделы, пункты, формулы, иллюстрации, таблицы, приложения основной части этого же стандарта; на другие стандарты; на информационные приложения данного стандарта.
При этом формулировка ссылки должна исключать возможность использовать данные информационного приложения как обязательные требования, и поэтому ссылка должна указывать только на наличие информационного материала.
В обоснованных случаях в информационных приложениях к стандартам допускается давать пояснения или описания взаимосвязи с другими документами.
Нормативные документы по стандартизации на продукцию и услуги, подлежащие в соответствии с законодательством обязательной сертификации, должны содержать требования, по которым осуществляется обязательная сертификация, методы контроля на соответствие этим требованиям, правила маркировки продукции и услуг, требования к информации о сертификации, включаемой в сопроводительную документацию.
4 Графическое изображение полей допусков и расчет параметров посадок гладких деталей
Основные характеристики сопряжений в системе отверстия приведены в таблице 4.1.[7]
Таблица 4.1 - Основные характеристики сопряжений в системе отверстия 90JT6, мм
|
Характеристики |
Условные обозначения |
Посадки |
||
|
|
|
|
||
|
Номинальный размер |
Dн=dн |
90,000 |
90,000 |
90,000 |
|
Предельные размеры отверстия |
Dmax Dmin |
90,022 90,000 |
90,022 90,000 |
90,022 90,000 |
|
Предельные размеры вала |
dmax dmin |
89,988 89,973 |
90,018 90,003 |
90,066 90,051 |
|
Допуск отверстия |
TD |
0,022 |
0,022 |
0,022 |
|
Допуск вала |
Td |
0,015 |
0,015 |
0,015 |
|
Предельные зазоры |
Smax Smin |
0,049 0,012 |
0,019 - |
- - |
|
Предельные натяги |
Nmax Nmin |
- - |
0,018 - |
0,066 0,029 |
|
Средний зазор |
Sср |
0,0305 |
0,0005 |
- |
|
Средний натяг |
Nср |
- |
- |
0,0475 |
|
Допуск посадки с зазором переходной с натягом |
ТПS ТПП ТПN |
0,037 - - |
- 0,037 - |
- - 0,037 |
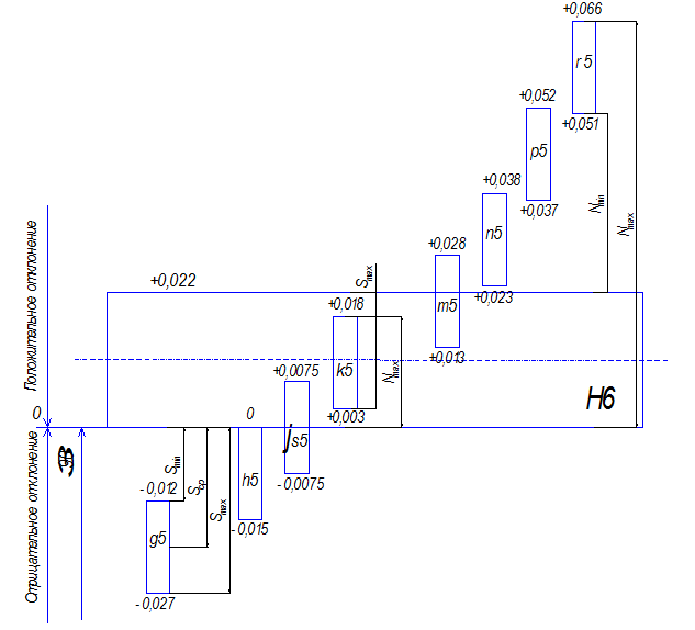
Схема полей допусков для посадок в системе отверстия представлена на рисунке 4.1.

Рисунок 4.1 – Схема полей допусков для посадок в системе отверстия 90JT6
Основные характеристики сопряжений в системе вала приведены в таблице 4.2.[7]
Таблица 4.2 – Основные характеристики сопряжений в системе вала 90JT6, мм
|
Характеристики |
Условные обозначения |
Посадки |
||
|
|
|
|
||
|
Номинальный размер |
Dн=dн |
90,000 |
90,000 |
90,000 |
|
Предельные размеры отверстия |
Dmax Dmin |
90,126 90,072 |
90,010 89,975 |
89,942 89,907 |
|
Предельные размеры вала |
dmax dmin |
90,000 89,978 |
90,000 89,978 |
90,000 89,978 |
|
Допуск отверстия |
TD |
0,054 |
0,035 |
0,035 |
|
Допуск вала |
Td |
0,022 |
0,022 |
0,022 |
|
Предельные зазоры |
Smax Smin |
0,148 0,072 |
0,032 - |
- - |
|
Предельные натяги |
Nmax Nmin |
- - |
0,025 - |
0,093 0,036 |
|
Средний зазор |
Sср |
0,110 |
0,0035 |
- |
|
Средний натяг |
Nср |
- |
- |
0,0645 |
|
Допуск посадки с зазором переходной с натягом |
ТПS ТПП ТПN |
0,076 - - |
- 0,057 - |
- - 0,057 |
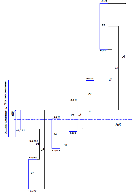
Схема полей допусков для посадок в системе вала представлена на рисунке 4.2.

Рисунок 4.2 – Схема полей допусков для посадок в системе вала 90JT6
5 Расчет и выбор неподвижной посадки
Схема неподвижного соединения представлена на рисунке 5.1.
Рисунок 5.1 – Схема
неподвижного соединения
Удельное давление в поверхности сопряжения деталей, необходимое для передачи крутящего момента p, Па определяем по формуле
, (5.1)
где Mкр – крутящий момент, Нм;
l – длина контакта сопрягаемых поверхностей, м;
d – номинальный диаметр сопряжения, м;
n – коэффициент запаса прочности соединения;
f – коэффициент трения сопрягаемых материалов.
Коэффициент запаса прочности соединения принимает равным 1,1.
Коэффициент трения сопрягаемых материалов принимаем равным 0,1.
n=1,1;
f=0,1.
![]()
Необходимый наименьший расчетный натяг соединения толстостенных цилиндрических деталей Nmin определяем по формуле
, (5.2)
где [Pmin] – значение наименьшего функционального давления в поверхности сопряжения «вал-втулка» необходимого для передачи крутящего момента, Па;
d – номинальный диаметр сопряжения, м;
ED, Ed – модули упругости для материалов втулки и вала, Па;
CD, Cd – коэффициенты Ляне для втулки и вала.
Принимаем значение наименьшего функционального давления в поверхности сопряжения «вал-втулка» необходимого для передачи крутящего момента равным удельному давлению в поверхности сопряжения деталей [Pmin] = 6,65*106Па.
Модули упругости для материалов втулки и вала принимаем равными ED=Ed=2*1011 Па.
Коэффициенты Ляне для втулки и вала определяем по формулам
; (5.3)
; (5.4)
где
– модули упругости
для материалов втулки и вала, Па;
d1, d2 – геометрические данные неподвижного соединения, м;
Модули упругости для материалов втулки и вала принимаем равными 0,3.
![]()
Подставляя числовые значения в формулы (5.3) и (5.3) получим


По формуле (5.2) определим наименьший расчетный натяг соединения толстостенных цилиндрических деталей
![]()
Наименьший функциональный натяг [Nmin], м определим по формуле
, (5.5)
где Nmin – наименьший расчетный натяг, м;
jш – поправка, учитывающая смятие неровностей поверхностей деталей при сборке, м;
jt – поправка, учитывающая влияние изменения линейных размеров материалов деталей за счет разницы температур работы и сборки, м;
jц – поправка, учитывающая ослабление натяга из-за центробежных сил, м;
jп – поправка, вносимая повторной запрессовкой, м.
Принимаем, что первичная сборка (jп = 0) деталей из стали осуществляется при температуре работы соединения (jt = 0), а влияние центробежных сил при d < 500мм несущественно (jц = 0).[3]
Поправку, учитывающую смятие неровностей поверхностей деталей при сборке jш определим по формуле
, (5.6)
где RzD – шероховатость поверхности отверстия, м;
Rzd – шероховатость поверхности вала, м.
RzD = 20*10-
Rzd = 10*10-
![]()
Наименьший функциональный натяг по формуле (5.5) получим
![]()
Предельно допустимое давление в поверхности отверстия PmaxD и предельно допустимое давление в поверхности вала Pmaxd определим по формулам
(5.7)
(5.8)
где
– пределы текучести материалов втулки и вала,
Па;
d, d1, d2 – геометрические исходные данные неподвижного соединения, м.
Для стали 35 – пределы текучести материалов втулки и вала будут равны 315*106 Па.

Подставляя числовые значения в формулы (5.7) и (5.8) получим


Наибольшее функциональное давление [Pmax] выбирается равным меньшему из двух значений PmaxD и Pmaxd.
[Pmax] = 107,2*106 Па.
Наибольший допустимый натяг неподвижной посадки [Nmax] определим по формуле
, (5.9)
где Nmax – наименьший расчетный натяг, м;
jуд – коэффициент, учитывающий увеличение натяга на торцах охватывающей поверхности, м;
jш – поправка, учитывающая смятие неровностей поверхностей отверстия и ваала, м;
jt – поправка, учитывающая изменение натяга при рабочей температуре, м.
Принимаем jt = 0 и jуд = 1, так как температура сборки и работы сборочной единицы одна, а увеличение натяга на торцах не существенно.[3]
Поправку, учитывающую смятие неровностей поверхностей деталей при сборке jш определим по формуле
, (5.10)
где RzD – шероховатость поверхности отверстия, м;
Rzd – шероховатость поверхности вала, м.
RzD = 20*10-
Rzd = 10*10-
![]()
Наибольший расчетный натяг Nmax определим по формуле
(5.11)
![]()
По формуле (5.9) наибольший допустимый натяг неподвижной посадки
![]()
По функциональным предельным значениям натягов выбираем неподвижную посадку, удовлетворяющую условиям
; (5.12)
, (5.13)
где
и
– предельные значения натягов стандартной (выбранной)
посадки, м
, (5.14)
где
– допуск натяга, м;
– допуск стандартного натяга, м.
По ГОСТ 25347-82 выбираем предпочтительную посадку с натягом в системе отверстия[1]
![]()
Допуск отверстия TD=0,087мм, допуск вала Td=0,054мм. Натяги
,
. ![]()
;
.
![]()
![]()
Запас прочности эксплуатации стандартной посадки Б, м определим по формуле
(5.15)
![]()
Запас прочности сборки стандартной посадки Г, м определим по формуле
(5.16)
![]()
Проверка
Правильность выбора посадки с натягом проверим на неразрушаемость деталей при сборке.[4] Наибольшее удельное давление, возникающее в поверхности сопряжения, при наибольшем натяге выбранной стандартной посадки определим по формуле
, (5.17)
где К – коэффициент величины смятия шероховатости при запрессовке
К=0,6

Наибольшее значение напряжений в поверхности отверстия и вала после сборки деталей определяем по формулам
; (5.18)
; (5.19)



При сборке детали не разрушаются, если соблюдаются условия
(5.20)

Усилие запрессовки деталей определим по формуле
, (5.21)
где
– коэффициент трения при повторной запрессовке.
![]()
![]()
Выбор средств измерения представлен в таблице 5.1.
Таблица 5.1 – Выбор средств измерения
|
Размер, мм |
Допуск размера, мкм |
Допускаемая погрешность измерения, мкм |
Средство измерения (СИ) |
Предельная допускаемая погрешность СИ, мкм |
|
90Н9(+0,087) |
87 |
20 |
Нутрометр НИ 50-100-1 ГОСТ868-82 |
|
|
|
54 |
12 |
Скоба СИ-50-100 ГОСТ11098-75 |
|
Рисунок 5.2 – Схемы полей допусков с натягом: а) рассчитанной;
б) выбранной стандартной
6 Шпоночные соединения
Размеры выбранной шпонки представлены в таблице 6.1.[7]
Таблица 6.1 – Размеры шпонки
|
Деталь |
Элемент |
Услов- ное обо-значение |
Номиналь-ный размер, мм |
Допуск |
Отклоне-ния, мм |
Примечания |
|
Шпонка призмати-ческая |
Ширина |
b |
36,0 |
36h9 |
0 -0,062 |
Основной вал |
|
Высота |
h |
20,0 |
20h11 |
0 -0,130 |
||
|
Длина |
l |
100,0 |
100h14 |
0 -0,87 |
||
|
Вал |
Ширина паза |
b |
36,0 |
36h9 |
0 -0,062 |
Посадочный размер |
|
Глубина паза |
|
12,0 |
|
+0,200 0 |
||
|
Длина паза |
L |
100,0 |
100H15 |
+1,4 0 |
||
|
Втулка |
Ширина паза |
b |
36,0 |
36P9 |
-0,026 -0,088 |
Посадочный размер |
|
Глубина паза |
|
8,4 |
|
+0,200 0 |
Схема полей допусков посадок шпонки в пазы вала и втулки представлены на рисунке 6.1.

Рисунок 6.1 – Схема полей допусков посадок шпонки в пазы вала и втулки
Выбор средств измерения представлен в таблице 6.2.[7]
Таблица 6.2 – Выбор средств измерения
|
Размер, мм |
Допуск размера, мкм |
Допускаемая погрешность измерения, мкм |
Средство измерения (СИ) |
Предельная допускаемая погрешность СИ, мкм |
|
36h9(-0,062) |
36 |
5 |
Штангельциркуль ШЦ 10-50-1 ГОСТ868-82 |
|
|
|
36 |
5 |
Скоба СИ-50-100 ГОСТ11098-75 |
|
7 Расчет и выбор подшипников качения
Интенсивность радиальной нагрузки р, кН/м, на посадочной поверхности циркуляционно нагруженного (вращающегося) кольца определим по формуле
, (7.1)
где F – заданная радиальная нагрузка на опору, кН;
b – рабочая ширина посадочного места ПК, м;
k1 – динамический коэффициент посадки, определяемый характером нагрузки;
k2 – коэффициент, учитывающий ослабление посадочного натяга за счет тонкостенной втулки или полого вала;
k3 – коэффициент неравномерности распределения радиальной нагрузки между рядами тел катания.
Рабочую ширину посадочного места ПК b, м определим по формуле
, (7.2)
где В – ширина ПК, м;
r – радиус закругления, м.
При тяжелеем режиме (перегрузки до 300%, сильные удары и вибрация) значение динамического коэффициента посадки принимаем равным 1,8.
k1=1,8
Коэффициент, учитывающий ослабление посадочного натяга за счет тонкостенной втулки или полого вала принимаем равным 1 при сплошном вале и толстостенном корпусе.
k2=1
Коэффициент неравномерности распределения радиальной нагрузки между рядами тел катания принимаем равным 1 для однорядного радиального ПК.[8]
k3=1
![]()
![]()
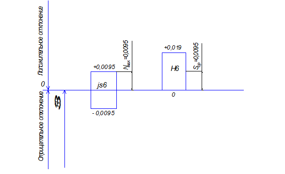
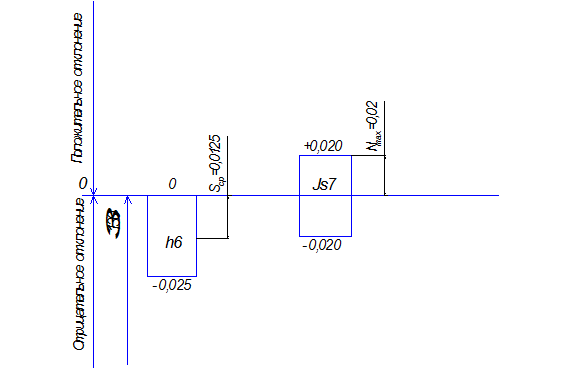
По величине р с учетом класса точности ПК и вида нагружения определим поле допуска вала.[1]
Посадка ПК на вал – ![]()
Посадка ПК в корпус – ![]()
Схема расположения полей допусков посадок ПК в отверстие корпуса (в системе вала) представлена на рисунке 7.1.
Рисунок 7.1 – Схема расположения полей допусков посадок ПК в
отверстие корпуса (в системе вала)
Схема расположения полей допусков посадок ПК на вал (в системе отверстия) представлена на рисунке 7.2.
Рисунок 7.2 – Схема
расположения полей допусков посадок ПК на
вал корпуса (в системе отверстия)
Основные характеристики подшипниковых посадок в корпус и на вал представлены в таблице 7.1.[7]
Таблица 7.1 – Основные характеристики подшипниковых посадок в корпус и на вал
|
Характеристики |
Условные обозначения |
Посадки |
|
|
|
|
||
|
Номинальный размер, мм |
Dн=dн |
130,000 |
60,000 |
|
Предельные размеры отверстия, мм |
Dmax Dmin |
130,020 129,980 |
60,019 60,000 |
|
Предельные размеры вала, мм |
dmax dmin |
130,000 129,975 |
60,0095 59,9905 |
|
Допуск отверстия, мм |
TD |
0,040 |
0,019 |
|
Допуск вала, мм |
Td |
0,025 |
0,019 |
|
Предельные зазоры, мм |
Smax Smin |
0,045 - |
0,0285 - |
|
Предельные натяги, мм |
Nmax Nmin |
0,020 - |
0,0095 - |
|
Средний зазор, мм |
Sср |
0,0125 |
0,0095 |
|
Средний натяг, мм |
Nср |
- |
- |
|
Допуск посадки, мм переходной с натягом |
ТПП ТПN |
0,065 |
0,038 |
Среднее значение исходного зазора между телами катания и дорожками колец ПК до его установки определяем по формуле
, (7.3)
где Smax – максимальное значение исходного радиального зазора ПК;
Smin – минимальное значение исходного радиального зазора ПК.
![]()
Величину диаметральной деформации беговой дорожки при посадке с натягом внутреннего кольца ПК определим по формуле
, (7.4)
где Nэф – эффективный натяг, м;
d – внутренний диаметр ПК, м;
d0 – приведенный функциональный диаметр беговой дорожки внутреннего кольца ПК, м.
Эффективный натяг определим по формуле
, (7.5)
где Nmax – максимальный натяг посадки на вал, м.
![]()
Приведенный функциональный диаметр беговой дорожки внутреннего кольца ПК определим по формуле
(7.6)
![]()
![]()
Величину диаметральной деформации беговой дорожки при посадке с натягом наружного кольца ПК определим по формуле
, (7.7)
где D0 – приведенный средний диаметр беговой дорожки наружного кольца ПК, м.
D – наружный диаметр, м.
Приведенный функциональный диаметр беговой дорожки наружного кольца ПК определим по формуле
(7.8)
![]()
, (7.9)
где Nmax – максимальный натяг посадки на отверстие, м.
![]()
![]()
Рабочий (посадочный) зазор ПК после его установки с натягом на вал и в корпус определим по формуле
, (7.10)
где S1 – исходный средний зазор, м.
![]()
Проверим правильность расчета. Необходимо, чтобы выполнялось условие
(7.11)
![]()
Условие соблюдается, значит посадка подшипников вала и втулки выбраны верно.
8 Расчет размерных цепей
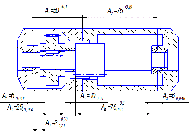
Схема линейной размерной цепи представлена на рисунке 8.1.

Рисунок 8.1 – Схема линейной размерной цепи
Размер неуказанного звена определим по формуле
, (8.1)
где А0 – номинальный размер замыкающего (исходного)звена, м;
m – количество увеличивающихся звеньев;
n – количество уменьшающих звеньев.
![]()
![]()
![]()
![]()
Установление квалитета точности размеров РЦ.
Принцип полной взаимозаменяемости при решении РЦ обеспечивается при условии [10]
, (8.2)
где
– допуск
замыкающего звена, м;
– сумма допусков увеличивающихся звеньев, м;
– сумма допусков уменьшающихся звеньев, м.
Допуск любого звена определим по формуле
, (8.3)
где ai – количество единиц допуска;
– единица допуска.
Подставляя допуск каждого составляющего звена РЦ в формулу получим
(8.4)
Единица допуска для размеров от 1 до 500мм
i1=1,56
i2=1,86
i3=0,73
i4=1,86
i5=0,9
i6=1,31
i7=0,73
По условию задания все размеры имеют одну и ту же степень точности, тогда
(8.5)
(8.6)
![]()
По ГОСТ 25346-89 установим ближайший соответствующий рассчитанному среднему количеству единиц допуска
А1 ![]()
А2 ![]()
А3 ![]()
А5 ![]()
А6 ![]()
А7 ![]()
Верхнее отклонение компенсирующего звена определим по формуле
(8.7)
![]()
![]()
Нижнее отклонение компенсирующего звена определим по формуле
(8.8)
![]()
![]()
![]()
Проверим правильность расчетов следующим образом
ТА0 = 800 мкм;
ТА1 = 160 мкм;
ТА2 = 190 мкм;
ТА3 = 48 мкм;
ТА4 = 200 мкм;
ТА5 = 84 мкм;
ТА6 = 70 мкм;
ТА7 = 48 мкм.
![]()
![]()
Расчет произведен верно.
Редуктор в сборе представим на рисунке 8.2.

Рисунок 8.2 – Редуктор в сборе. Сборочная размерная цепь.
Приложение А
(справочное)
Библиография
[1] Анухин В.И. Допуски и посадки. М.: Питер, 2003, 208с.
[2] Абрамов В.А. Сертификация продукции и услуг. М., 2000.
[3] Димов Ю.В. Метрология, стандартизация и сертификация, М.: Питер, 2004, 432с.
[4] Исаев Л.К., Малинский В.Д. Метрология и стандартизация в сертификации. М.: ИПК Издательство стандартов, 1996-169с.
[5] Крылова Г.Д. Основы стандартизации, сертификации, метрологии. М.: ЮНИТИ, 1998, 465 с.
[6] Лифиц И.М. Основы стандартизации, метрологии и управления качеством товаров. М.: ТОО «Люкс-арт». 1994-168 с.
[7] Палей М.А., Романов А.Б., Брагинский В.А. Допуски и посадки. Справочник в 2 томах. М.: Политехника, 2001, 1184с.
[8] Попов Ю.П., Кузнецова И.А. Метрология, стандартизация и сертификация, М.: Форум, 2003, 256с.
[9] Радченко Л.А. Основы метрологии, стандартизации и сертификации. М.: Дашков и Ко, 2005, 320с.
[10] Соломахо В.Л., Цитович Б.В. Основы стандартизации, допуски, посадки и технические измерения, М.: Дизайн Про, 2004, 296с.
[11] Чижикова Т.М. Стандартизация, сертификация, метрология: Учебное пособие. – М.: Колос, 2002


