Содержание
1.Кривошипный шатунный механизм [1]. 2
1.1 Назначение и принцип действия. 2
1.2 Взаимозаменяемость маховика. 3
1.3 Правила подбора поршней и шатунов по массе. 3
2.Распределительный вал КамАЗ – 740.10 [2]. 4
2.1 Материал и конструкция. 4
2.2 Фиксация вала от осевых перемещений. 4
3. Система смазки ЗМЗ-511 [3]. 5
3.1 Назначение системы. 5
3.2 Схема смазки привода. 6
4. Система питания ЗМЗ-4062.10 [3]. 7
4.1 Устройство и принцип действия. 7
5. Стартерная аккумуляторная батарея [1]. 8
5.1 Назначение и устройство 6СТ-60ЭМ. 8
5.2 Конструктивные отличия 6СТ-60ЭМ и 6СТ-55АЗ. 8
5.3 Схема межаккумуляторных соединений. 8
Литература. 9
1.Кривошипный шатунный механизм [1].
1.1 Назначение и принцип действия.
Коленчатый вал – стальной, изготовлен горячей штамповкой, упрочнен азотированием или закалкой токами высокой частоты шатунных и коренных шеек. Он имеет пять коренных опор и четыре шатунные шейки. Внутренние полости шеек закрыты заглушками. В полостях масло подвергается дополнительной центробежной очистке. Полости шатунных шеек сообщаются наклонными отверстиями с поперечными каналами в коренных шейках.
На носке и хвостовике коленчатого вала установлены шестерня привода масляного насоса и ведущая шестерня в сборе с масло отражателем. Выносные противовесы съёмные, закреплены на валу прессовой посадкой.
Осевые перемещения коленчатого вала ограничены четырьмя сталеалюминиевыми полукольцами, установленными в проточках задней коренной опоры так, чтобы сторона с канавками прилегала к упорным торцам вала, а усик кольца входил в паз на крышке заднего коренного подшипника.
Хвостовик коленчатого вала уплотнен резиновым самоподжимным сальником, установленным в картере моховика.
Моховик из серого специального чугуна закреплен болтами на заднем торце коленчатого вала и зафиксирован двумя штифтами и установочной втулкой. Зубчатый венец служит для пуска двигателя стартером. Число зубьев венца моховика 113.
Шатуны – стальные двутаврового сечения. Шатун окончательно обработан в сборе с крышкой, поэтому крышки шатунов не взаимозаменяемы. На каждой шатунной шейке коленчатого вала установлено по два шатуна.
1.2 Взаимозаменяемость маховика.
Взаимозаменяемость маховика возможна только при строгом соблюдении массы маховика и способа крепления его, обозначенные в паспорте. При несоблюдение этих условий или неправильной фиксации моховика возможны сильные радиальные биения коленчатого вала, вследствие чего происходит вывод из строя подшипников – опор коленчатого вала, колец поршней и т. д. Устанавливать маховики с других марок двигателей не рекомендуется.
1.3 Правила подбора поршней и шатунов по массе.
Поршни и шатуны подбираются по массе следующим образом:
Для лучшего уравновешивания двигателя поршни к нему подбирают одинаковой массы. С этой целью на днище поршня, кроме указания группы по размеру, выбивают соответственно метку группы по массе. Разница массы поршней, подбираемых для одного двигателя, не должна превышать для двигателей разных марок 2-8 г.
Для достижения хорошей уравновешенности двигателя шатуны, так же как и поршневую группу, для данного двигателя подбирают одинаковой массы и с соответствующим распределением ее между нижней и верхней головками. У карбюраторных двигателей разных марок допускаемая разница в массе шатунов составляет 6-8 г.
2.Распределительный вал КамАЗ – 740.10 [2].
2.1 Материал и конструкция.
Распределительный вал выполнен из стали, установлен в развале блока на пяти подшипниках скольжения. Поверхности кулачков и опорных шеек цементированы и закалены токами высокой частоты. Подшипник задней опоры представляет собой втулку из биметаллической ленты (сталь-бронза), запрессованную в съемный чугунный корпус. Аналогичные втулки, запрессованные в поперечные перегородки блока, служат подшипниками для остальных опор вала.
2.2 Фиксация вала от осевых перемещений.
Осевое перемещение распределительного вала ограничено корпусом подшипника, в торцы которого упираются с одной стороны ступица шестерни, с другой – упорный бурт задней опорной шейки вала.
Корпус подшипника задней опоры закреплен на блоке тремя болтами.
3. Система смазки ЗМЗ-511 [3].
3.1 Назначение системы.
Система смазывания комбинированная: под давлением, разбрызгиванием и самотеком. Масло, находящееся в масляном картере двигателя, через маслоприемник засасывается в масляной насос. Из него масло под давлением подается по каналам в блоки в масляный фильтр полнопоточной очистки, оттуда в главную масляную магистраль двигателя. Из главной масляной магистрали масло по каналам в блоки цилиндров поступает к коренным подшипникам коленчатого вала и опорам распределительного вала. По сверлениям в коленчатом валу масло от коренных подшипников поступает в полости шатунных шеек и через сверления в шатунных шейках – к шатунным подшипникам. В полостях шатунных шеек масло проходит дополнительную очистку за счет центробежных сил.
От второй и четвертой опор распределительного вала масло по каналам в блоке и головках поступает в оси коромысел. Далее по канавкам во втулках коромысел к верхним наконечникам штанг.
Упорный фланец распределительного вала смазывается через лыску и отверстие в передней опоре распределительного вала. Шестерни привода – через трубку из главной магистрали. Привод распределителя зажигания, масляного насоса и его шестерни смазываются маслом, поступающим из полости, расположенной между пятой опорной шейкой распределительного вала и заглушкой в блоке цилиндров.
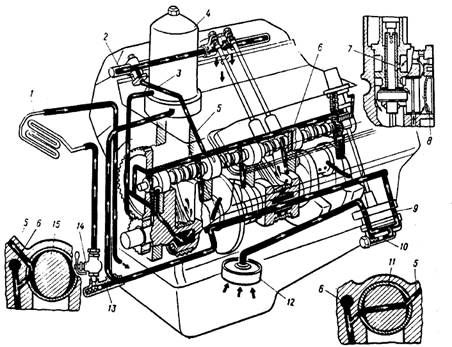
3.2 Схема смазки привода.

Схема системы смазывания:
1— масляный радиатор; 2 — полость оси коромысел; 3 — канал 8 головке цилиндров; 4 — масляный фильтр; 5 — канал в блоке цилиндров; 6 — главная масляная магистраль; 7 — отверстие в корпусе привода распределителя; 8 — полость; 9 — масляный насос; 10 — редукционный клапан; 11— четвертая шейка распределительного вала; 12 — маслоприемник; 13— предохранительный клапан; 14 — краник масляного радиатора; 15 — вторая шейка распределительного вала
3.3 Смазка привода датчика распределителя.
Из главной магистрали масло поступает к подшипникам коленчатого и распределительного валов. Из переднего подшипника распределительного вала масло по трубке подается на распределительные шестерни, затем в привод датчика распределителя, а через отверстие – на упорный фланец. Из заднего подшипника распределительного вала масло проходит в полую ось коромысел и верхние наконечники штанг толкателей.
4. Система питания ЗМЗ-4062.10 [3].
4.1 Устройство и принцип действия.
В систему питания входят бензиновый бак, бензиновый фильтр-отстойник, бензиновый насос, карбюратор, бензинопроводы, впускная и выпускная трубы, глушитель.
Бензиновый насос диафрагменного типа приводится в действие от эксцентрика, укрепленного на распределительном валу. Насос имеет рычаг для ручной подкачки бензина в карбюратор перед пуском двигателя
5. Стартерная аккумуляторная батарея [1].
5.1 Назначение и устройство 6СТ-60ЭМ.
Для питания потребителей и пуска двигателя с помощью стартера на автомобиле установлена аккумуляторная батарея 6-СТ-60ЭМ, которая состоит из шести последовательно соединенных аккумуляторов. Моноблок батареи разделен перегородками на шесть банок. Каждый аккумулятор состоит из пяти положительных и шести отрицательных пластин. Между пластинами установлены сепараторы. Зазор между крышками и баком заполнен уплотнительной мастикой. Каждая банка батареи заполнена электролитом, который состоит из раствора серной кислоты и дистиллированной воды.
5.2 Конструктивные отличия 6СТ-60ЭМ и 6СТ-55АЗ.
Отличие 6СТ-60ЭМ и 6СТ-55АЗ заключается в том, что различна номинальная емкость – 60 А*ч и 55 А*ч соответственно. Материал моноблока 6СТ-60ЭМ – эбонит, материал сепараторов – мипласт.
В марке 6СТ-55АЗ буква З обозначает, что батарея сухозаряженная.
5.3 Схема межаккумуляторных соединений.
![]() |
![]()
+ -
Литература.
1. Дмитриевский А.В. Бензиновые двигатели.
2. Куняев Н.А. Автомобили КамАЗ.
3. Кагодин В. И. Устройство и техническое обслуживание грузовых автомобилей.
