Министерство путей сообщения РФ
Сибирский государственный университет путей сообщения
Кафедра «Механизация путевых, погрузочно – разгрузочных и строительных работ»
Расчет механизма подъема груза
контейнерного перегружателя
Контрольная работа №1
По дисциплине «Прикладная механика»
|
Домашний адрес: |
Студент: |
|
Новосибирск, |
|
|
|
Шифр: |
|
|
|
2004 г.
СОДЕРЖАНИЕ
1 ИСХОДНЫЕ ДАННЫЕ......................................................................... 3
2 .КИНЕМАТИЧЕСКАЯ СХЕМА И ЕЁ ОПИСАНИЕ........................... 4
3 ВЫБОР ЭЛЕКТРОДВИГАТЕЛЯ И КИНЕМАТИЧЕСКИЙ РАСЧЕТ 7
4 ВЫБОР И ПРОВЕРКА ШПОНОК........................................................ 9
5 ВЫБОР МУФТЫ.................................................................................. 11
6 ВЫБОР ТОРМОЗА.............................................................................. 12
ЛИТЕРАТУРА......................................................................................... 13
1 ИСХОДНЫЕ ДАННЫЕ
Вес поднимаемого груза G=40,2 кН;
Скорость поднимания
=10 м/мин;
Высота подъема груза Н=12,0 м;
Режим работы механизма ПВ=40%;
Коэффициент е=16;
Коэффициент запаса Кз=5.
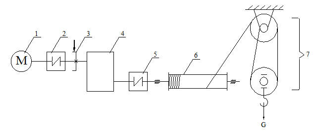
2. КИНЕМАТИЧЕСКАЯ СХЕМА И ЕЁ ОПИСАНИЕ
1 – электродвигатель
2 – МУВП
3 – тормоз
4 – редуктор
5 – МУВП
6 – барабан
7 – грузозахватное устройство
Рисунок 1
Грузозахватное устройство состоит из крюковой подвески и набора канатных блоков (полиспаст)
Полиспаст – механизм служащий для изменения силы и скорости поступательного движения. Полиспасты бывают двух типов:
1) Силовые, предназначенные для увеличения силы и уменьшения скорости подъема грузов (рисунок 2);
Рисунок 2
2) Скоростные, предназначенные для уменьшения силы и увеличения скорости подъема грузов (рисунок 3).
Рисунок 3
1.1 Кратность полиспаста – это отношения числа ветвей гибкого элемента (каната) на который распределяется вес поднимаемого груза к числу ветвей этого элемента, идущих на барабан.
Кратность полиспаста: а=2/1=2.
2 ВЫБОР ЭЛЕКТРОДВИГАТЕЛЯ И КИНЕМАТИЧЕСКИЙ РАСЧЕТ
Для подъема груза с постоянной скоростью необходимая статическая мощность определяется по формуле, кВт:
,
(1)
где
- вес поднимаемого груза, кН;
=0,05
- вес грузозахватного
устройства;
![]()
- общий КПД механизма:
![]()
, (2)
где
- КПД редуктора;
n – число степеней редуктора;
- КПД барабана;
- КПД полиспаста:
![]()
. (3)
Для применения формулы (3) положим, что КПД канатных
блоков
; как установили ниже, кратность полиспаста.
Тогда формула (3) даст

Общий КПД равен
.
Необходимая для подъема груза статистическая мощность равна
Вт.
Выбираем электродвигатель крановой серии MTKF 112-6 со следующими характеристиками:
1) мощность на валу Рд=9 кВт;
2) частота вращения nд=840 мин-1;
3) диаметр выходного конца вала d=40 мм.
Необходимое разрывное усилие в канате Fp, кН:
Fp³SбКз, (5)
где Sб - усилие в набегающем на барабан канате, кН:
.
(4)
Подставим исходные значения в формулу (4):
кН;
Fp=14,65×5=73,24 кН.
Диаметр каната выбирается в зависимости от разрывного усилия Fp. Выбираем канат двойной свивки типа ЛК-3 конструкции 6х25 (1+6+6+12)+1о.с. по ГОСТ 7665 (диаметр каната dк=8,1 мм; допускаемое разрывное усилие не менее 31900 Н; маркировочная группа – 1568 МПа).
Диаметр барабана лебедки D, мм:
D³dке, (6)
где с – коэффициент, значение которого зависит от типа подъемного устройства и режима работы механизма подъема груза.
D = 8,1×16 =129,6 мм » 130 мм.
Частота вращения вала барабана лебедки nб, об/мин:
nб=
; (7)
nб=
мин -1.
Общее передаточное отношение редуктора i:
i=
; (8)
i=
=17,14»18.
Далее, по результатам расчетов выбираем редуктор цилиндрический горизонтальный двухступенчатый типа РЦ1-150А (передаточное число – 5,6; частота вращения быстроходного вала – 1000 мин -1; мощность на быстроходном валу – 17,3кВт).
Частота вращения ведомого вала:
nт=
; (9)
nт=
=150
об/мин.
Вращающие моменты на валах
Вращающий момент на ведущем валу редуктора:
,
(10)
где
- частота вращения
1-го вала, рад/с:
;
(11)
=87,96
рад/с;
=102,3 Нм;
Вращающий момент на ведомом вале Т2 определяется по формуле:
Т2=Т1×i×hр; (12)
Т2=102,3×5,6×0,95=544,28 Нм.
3 ВЫБОР И ПРОВЕРКА ШПОНОК
3.1 Для соединения валов с деталями, передающими вращение, применяют главным образом призматические шпонки. Размеры сечения призматической шпонки выбираются в зависимости от диаметра вала. Длину шпонки назначают по длине ступицы насаживаемой детали (на 5-10 мм меньше) из ряда стандартных значений.
Проверке подлежит одна шпонка на быстроходном валу - под полумуфтой, другая – под полумуфтой выходного конца вала.
Выбранная шпонка проверяется по напряжениям смятия узких граней. Условие прочности:
,
(13)
где Т – вращающий момент, Н×мм;
d – диаметр вала в месте установки шпонки, мм;
lр – рабочая длина шпонки, мм;
h – высота шпонки, мм;
t – глубина шпоночного паза, мм;
=100…120 МПа - допускаемое напряжение смятия при стальной
ступице и спокойной нагрузке.
При диаметре вала 40 мм сечение первой шпонки b´h = 12х8 мм; глубина паза t=5 мм, рабочая длина lр=125 мм.
=13,6 МПа.
значительно выше 
Вторая шпонка имеет те же параметры:
=23 МПа.
Тихоходный вал: диаметр d=85 мм; сечение шпонки 25х14мм; рабочая длина шпонки lр=125 мм.
=74,1 МПа.
Условие (13) выполняется.
4 ВЫБОР МУФТЫ
В данной работе не предусматривается проектирование муфт для соединения валов, их выбор осуществляется из числа стандартных, с учетом особенностей эксплуатации привода и при необходимости последующей проверки её основных элементов на прочность.
Основной характеристикой для выбора муфты является номинальный вращающий момент Т, установленный стандартом. Муфты выбирают по большему диаметру концов соединяемых валов и расчетному моменту Тр:
Тр=Т×К1×К2, (14)
где К1 – коэффициент, учитывающий степень ответственности механизма;
К2 - коэффициент, учитывающий режим работы механизма.
Тр1=102,3×1,3×1=133 Нм;
Тр2=555,74×1,3×1=722 Нм.
Между электродвигателем и редуктором выбираем муфту МУВП-6 (момент, передаваемый муфтой, наибольший Т=0,70 кНм, диаметр расточки под вал d= (35¸55) мм, диаметр тормозного шкива DT=320 мм).
Между редуктором и барабаном лебедки выбираем муфту МУВП по ГОСТ 21424 (номинальный крутящий момент – 1 кНм). 6 ВЫБОР ТОРМОЗА
Механизмы грузоподъемных машин должны быть снабжены надежными тормозами, обеспечивающими в механизмах подъема остановку груза и удержание его в подвешенном состоянии.
На грузоподъемных кранах тормоз лебедки подъема груза устанавливают на быстроходном валу редуктора, используя ведомую полумуфту в качестве тормозного шкива.
Тормозной расчетный момент определяется из условия надежного удержания груза на весу в статическом состоянии с выбранным коэффициентом запаса торможения:
Трт =К×Тст , (53)
где Трт – расчетный тормозной момент;
К – коэффициент запаса торможения;
Тcт – статический момент торможения:
; (54)
=235,6 Нм;
Трт =2,0×235,6=271,2 Нм.
Выбираем тормоз колодочный электромагнитный ТКТ-500 (наибольший тормозной момент - 500 Нм; диаметр тормозного шкива – 300 мм).
ЛИТЕРАТУРА
1.Проектирование механических передач: Учебно-справочное пособие для втузов/С.А. Черновский, Г.А. Снесарев, Б.С. Козинцев и др. М. Машиностроение, 1984. 580с.
2.СТП СГУПС 01.01.2000. Курсовой и дипломный проект. Требования к оформлению. Новосибирск, 2000. 45с.


