4. Релейная защита
4.1. Защита блока генератор - трансформатор
4.1.1. Общие положения
Основной задачей построения релейной защиты энергоблоков является обеспечение ее эффективного функционирования при любых видах повреждений, предотвращение развития повреждения и значительных разрушений защищаемого оборудования, а также предотвращения нарушений устойчивости в энергосистеме.
В соответствии с [9] для блоков генератор - трансформатор с генераторами мощностью более 10 МВт должны быть предусмотрены устройства релейной защиты от следующих видов повреждений и ненормальных режимов работы:
Таблица 4.1
Виды повреждений и ненормальных режимов работы [13]
|
1 |
От многофазного короткого замыкания в обмотке статора генератора и на его выводах |
Продольная дифференциальная защита |
|
2 |
От к.з. между витками одной фазы в обмотке статора генератора |
Односистемная поперечная дифференциальная токовая защита |
|
3 |
От однофазных замыканий на землю в обмотке статора генератора |
Защита на реле тока нулевой последовательности |
|
4 |
От асинхронных режимов при потере возбуждения генератора |
Защита на реле сопротивления |
|
5 |
От всех видов к.з. в обмотках трансформатора и на ошиновке |
Дифференциальная защита трансформатора |
|
6 |
От замыканий внутри кожуха трансформатора, сопровождающихся выделением газа, и от понижения уровня масла |
Газовая защита |
|
7 |
От симметричных к.з. и перегрузок |
Блок защиты БЭ 1103 |
|
8 |
От внешних не симметричных к.з. и перегрузок |
Защита обратной последовательности на блоках реле БЭ 1101 |
4.2. Расчет уставок защит
Исходные данные
Таблица 4.2
Параметры турбогенератора [5]
|
Тип |
Sном, МВ×А |
Uн, кВ |
Iн, А |
xd, о.е. |
x’d, о.е. |
x’’d, о.е. |
cos j |
|
ТЗФП – 63 –2У3 |
78,75 |
10,5 |
4380 |
2,18 |
0,224 |
0,153 |
0,8 |
Таблица 4.3
Параметры трансформатора [5]
|
Тип |
Sном, МВ×А |
Uном вн кВ |
Uном нн кВ |
DРхх кВт |
DРкз кВт |
Uk % |
Ixx % |
|
ТРДН – 63000/110 |
63 |
115 |
10,5 |
50 |
245 |
10,5 |
0,5 |
Таблица 4.4
Параметры трансформаторов тока [5]
|
Тип |
Uном, кВ |
I1ном, А |
I2ном, А |
Коэффициент трансформации |
|
ТФЗМ – 110 – У1 |
110 |
600 |
5 |
120 |
|
ТШ – 20 – 10000/5 |
20 |
10000 |
5 |
2000 |
4.2.1. Продольная дифференциальная защита
Защита выполняется трехфазной, трехрелейной с реле типа ДЗТ-11/5, имеющим рабочую обмотку wраб=144 витка. Схема включения реле представлена на рисунке 4.1. Для защиты используются трансформаторы тока, установленные на линейных выводах генератора.

Рис. 4.1. Схема включения реле ДЗТ-11/5
Максимальное значение первичного тока небаланса Iнб.max.рас в установившемся режиме протекания через трансформаторы тока внешнего максимального тока Iвнеш.рас.max:
Iнб.max.рас=kодн×e×Iвнеш.рас.max,
где:
kодн=1 – коэффициент однотипности трансформаторов тока;
e=0,1 – полная погрешность трансформаторов тока.
Iвнеш.рас.max определяется максимальным током внешнего КЗ:
Iвнеш.рас.max=
=
28627
А;
Iнб.рас.max=1×0,1×28627=2863 А
Коэффициенты трансформации трансформаторов тока со стороны:
Фазных выводов – 10000/5;
Линейных выводов – 5000/5.
Токовые цепи со стороны нулевых выводов включены на половину витков дифференциальной обмотки, а со стороны фазных выводов – на все витки этой обмотки.
Токи срабатывания реле:
Iс.р.=
,
где: Fср – м.д.с. срабатывания реле, равная 100.
Для цепи стороны нулевых выводов:
Iс.р.=
=1,39 А;
Iс.з.=
=1390 А;
Для цепи стороны фазных выводов:
Iс.р.=
=0,7 А;
Iс.з.=
=1390 А;
Число витков тормозной обмотки:
28,8
витка
где: tga - тангенс угла наклона касательной, проведённой из начала координат к тормозной характеристике реле ДЗТ-11/5; tg=0,75
Целое число витков тормозной обмотки:
![]()
Чувствительность рассматриваемой защиты не проверяется, так как она обеспечивается с большим запасом.
4.2.2. Поперечная дифференциальная токовая защита
Для защиты от витковых замыканий в обмотке статора с двумя параллельными ветвями применяют односистемную поперечную дифференциальную защиту, реагирующую на разность суммарных токов трех фаз в указанных параллельных ветвях. Схема защиты представлена на рисунке 4.2.

Рис. 4.2. Поперечная дифференциальная защита
Эта защита реагирует на замыкания между ветвями одной фазы, между ветвями разных фаз и между витками одной ветви.
Защита выполняется на токовом реле типа РТ-40 с фильтром высших гармоник.
Ток срабатывания защиты при проектировании, принимается:
Iсз=0,2×Iг.ном=0,2×4380=876 А.
Ток срабатывания реле:

где kI - коэффициент трансформации трансформатора тока принимается равным 1500/5.
2,92 А
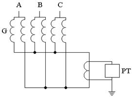
4.2.3. Защита от замыкания на землю в обмотке статора турбогенератора, на реле тока нулевой последовательности ЗЗГ-2
Исходя из того что генератор работает в блоке с трансформатором, то принимаем защиту типа ЗЗГ-2. Она состоит из органа напряжения нулевой последовательности первой гармоники, и блок третьей гармоники, реагирующий на производную по времени при возрастании напряжения на выводах генератора.
Орган первой гармоники представляет собой максимальное реле напряжение с фильтром высших гармоник, пропускающим только напряжение первой гармоники. Наличие фильтра позволяет существенно улучшить отстройку защиты от напряжения нулевой последовательности, появляющегося на выводах генератора при к.з. на землю на стороне ВН блока, за счет имеющейся емкостной связи между обмотками ВН и НН трансформатора блока. Защищает до 900 обмотки статора генератора со стороны его линейных выводов.
Блок третьей гармоники состоит из пускового, измерительного и исполнительного органов. Защита включается на напряжение цепи 3U0 трансформатора напряжения на линейных выводах генератора.
Расчёт уставок защиты сводится к определению параметров срабатывания указательных органов.
Определение уставки органа первой гармоники (реле напряжения):

где: U0 – максимальное значение напряжения нулевой последовательности на выводах генератора при однофазном к.з. за трансформатором блока;
k- коэффициент, учитывающий распределение напряжения по обмотке ВН трансформатора блока, при заземленной нейтрали k=0,5 ; при изолированной k=1;
СМ0 – емкость между обмотками ВН и НН одной фазы трансформатора блока;
СТ – емкость одной фазы обмотки НН трансформатора на землю;
СГ – емкость одной фазы обмотки статора генератора на землю.
В связи со сложностью определения емкости СМ0 и СТ они могут быть измерены при наладочных испытаниях блока.
Ёмкость СГ определяют по данным заводов – изготовителей генераторов.
Схема включения устройства защиты ЗЗГ-2 представлена на рисунке 4.3.

Рис. 4.3. Схема включения устройства защиты ЗЗГ – 2
1ТН, – трансформаторы напряжения; 1АВ – автоматический выключатель; 1Р – рубильник; 1 – орган первой гармоники; 2 – блок третьей гармоники.
Напряжение Uог на реле защиты:
Uог, вт= Uог/ku,в
где: Uог – напряжение нулевой последовательности на выводах генератора на стороне ВН блока при однофазном замыкании на землю;
ku,В – коэффициент трансформации трансформатора напряжения, установленного со стороны линейных выводов генератора.
Уставка на реле напряжения:
где: Кн – коэффициент надежности, принимается равным 1,3;
Uог,вт – напряжение нулевой последовательности на выводах генератора при однофазном к.з. за трансформатором блока.
Следует иметь ввиду, что при малых уставках на реле напряжения чувствительность органа первой гармоники может быть чрезмерно высокой. Это может приводить к излишним срабатываниям защиты, например при увлажнении изоляторов в токопроводах, не представляющим непосредственной опасности для генератора. Поэтому устанавливать уставку менее 10В не рекомендуется.
Блок третьей гармоники не имеет регулируемых уставок, и расчётная проверка его действия не требуется.
4.2.4. Защита от потери возбуждения
Защита, реагирующая на сопротивление на выводах генератора, выполняется с помощью реле сопротивления с круговой характеристикой.
Для предотвращения срабатываний реле при нарушениях синхронизма его круговая характеристика смещается. Это смещение принимается равным:
0,09
с тем, чтобы обеспечить срабатывание реле при асинхронном режиме турбогенератора с полной нагрузкой и замкнутой накоротко обмоткой ротора.
Диаметр окружности характеристики принимается равным:
2,4
Угол максимальной чувствительности:
![]()
Для отстройки от срабатываний при нарушении динамической устойчивости и асинхронном ходе в системе защита выполняется с выдержкой времени 1 - 2 с.
Для защиты
от потери возбуждения используется второе реле сопротивления комплекта КСР-2
(на первом выполняется дистанционная защита от симметричных КЗ). Оно включается
на разность токов
и напряжение
.
Для предотвращения излишних срабатываний при внешних несимметричных КЗ в ее выходной цепи предусматривается блокировка от сигнального органа ступенчатой токовой защиты обратной последовательности.
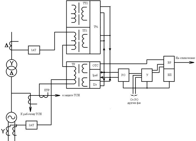
4.2.5. Продольная дифференциальная защита трансформатора на реле типа ДЗТ-21
Защита
ДЗТ-21 предусматривается на трансформаторах блоков в качестве основной защиты
от всех видов КЗ. Обладает высокой чувствительностью
благодаря применению
для отстройки от токов включения сочетания время – импульсного принципа и
торможения током второй гармоники. Комплектно с защитой ДЗТ-21 могут
поставляться два типа автотрансформаторов для расширения диапазона выравнивания
токов плеч защиты.
Схема защиты представлена на рисунке 4.4.

Рис. 4.4. Структурная схема защиты ДЗТ-21.
РО – реагирующий орган; ПТР – промежуточный трансформатор тока; ТР – трансреактор; ТТ1, ТТ2 – промежуточные трансформаторы тока; ОТС – дифференциальная отсечка; I2т – торможение током второй гармоники; ВР – выходные реле; БП – блок питания; У – усилитель; 1Ат, 2Ат – автотрансформаторы для дополнительного выравнивания тока.
Расчет защиты начинается с определения номинальных токов защищаемого трансформатора во вторичных цепях трансформаторов тока по выражению:
,
где
- номинальный ток
трансформатора;
- коэффициент схемы;
- коэффициент
трансформации трансформаторов тока.
С целью
компенсации фазового сдвига первичных токов выбираем схемы соединения измерительных
трансформаторов: треугольник со стороны высшего напряжения kсх=
и звезду со стороны
низшего напряжения kсх=1.
Коэффициенты трансформации трансформаторов тока:
ТФЗМ-110-У1 – kт115=600/5; ТШ-20-10000/5 – kт10,5=10000/5; для стороны собственных нужд принимаем трансформатор тока ТШЛ – 10 с kт10,5СН=5000/5.
Первичные номинальные токи на сторонах защищаемого трансформатора:
316,3
А;
3464,1
А;
3464,1
А;
Индексы 115 и 10,5 указывают сторону, к которой относится рассчитываемая величина.
Вторичные токи в плечах защиты:
4,6
А;
1,7
А;
3,5
А.
За основную принимаем сторону 115 кВ, на которой осуществляется регулировка напряжения.
Для плеча
защиты со стороны 115 кВ выбираем ответвление трансреактрора № 2 с
, а для плеча защиты со стороны СН выбираем ответвление № 5 с
так как
[9].
Расчётный ток ответвления автотрансформатора на неосновной стороне 10,5 кВ:
Iотв10,5расч.неосн=IномВнеосн
=1,7 А.
Так как
значение
для плеча защиты 10,5
кВ выходит за пределы диапазона номинальных токов трансформатора тока (2,5 - 5
А) более чем на 0,5 А, то в этом плече необходима установка повышающего
автотрансформатора АТ-31 с
, номер используемого ответвления автотрансформатора
, номер ответвления к которому подключается реле №отв.реле
1-10. Номинальный ток используемого ответвления автотрансформатора тока, к которому
подключается реле
, номер ответвления трансреактора
.
Расчётный ток ответвления промежуточного трансформатора тока цепи торможения:
Iотв.расч.торм=
=4,595 А.
где: kт – коэффициент трансформации автотрансформатора:
,
где
- номинальный ток
ответвления, присоединяемого к защите.
0,37
Для стороны 115 кВ Iотв.расч.торм=4,6 А.
Для стороны 10,5 кВ СН Iотв.расч.торм=3,5 А.
Номинальный ток принятого ответвления приставки и промежуточных трансформаторов реле:
Для стороны 115 кВ: 5 А, №отв 1;
Для стороны 10,5 кВ: 3,75 А, №отв 2;
Для стороны 10,5 кВ СН: 5 А, №отв 1.
Для
трансформатора тока принимаем уставку начала торможения
:
При этом Iторм.нач.п.= Iном=316,3 А.
Оцениваем оптимальность выбора трансформаторов:
Коэффициент совпадения дифференциальной цепи:
=1;
=1;
=1,001.
Коэффициент совпадения тормозной цепи:
=1,09;
=1,071;
=1,088.
Составляющая тока небаланса, обусловленная погрешностью трансформаторов тока:
,
где:
- коэффициент, учитывающий
переходный процесс;
- коэффициент
однотипности трансформаторов тока;
- относительное
значение полной погрешности трансформаторов тока;
=15,82
А.
Составляющая тока небаланса, обусловленная регулированием напряжения защищаемого трансформатора и соответствующего началу торможения:
=316,3×0,16=50,61 А.
Составляющая тока небаланса, обусловленная несовпадением расчётных токов и номинальных токов используемых ответвлений, соответствующих началу торможения:
.
=0,316 А.
Ток небаланса соответствующий началу торможения:
Iнб.торм.нач.=
+
+
15,82+50,61+0,316=66,75
А.
Первичный номинальный ток срабатывания защиты при отстройке от расчётного первичного тока небаланса:
Iс.з.min³kотс×Iнб.торм.нач;
где:
kотс – коэффициент отстройки, kотс=1,5;
Iс.з.min=1,5×66,75=100,13 А.
Отстройка от тока небаланса переходного режима внешнего к.з.:
Iс.з.min³0,3×Iном;
Iс.з.min=0,3×316,3=110,71 А;
Относительный минимальный ток срабатывания реле при отсутствии торможения:

=0,655 А.
Составляющая тока небаланса, обусловленная погрешностью трансформаторов тока, соответствующая максимальному току, проходящему через трансформатор:
![]()
=6658 А,
Составляющая тока небаланса, обусловленная регулированием напряжения защищаемого трансформатора и соответствующего максимальному току:
=33290×1×0,16=5326,4 А.
Составляющая тока небаланса, обусловленная несовпадением расчётных токов и номинальных токов используемых ответвлений, соответствующих максимальному току:
.
=33,257 А.
Ток небаланса соответствующий максимальному току:
Iнб.расч.=
+
+
6658+5326,4+33,257=12017,7
А.
Коэффициент торможения:

=0,54
Первичный ток срабатывания отсечки по условию отстройки от максимального первичного тока небаланса:
![]()
=9987 А,
Iнб.расч.= 9987+5326,4+33,257=15346,7 А.
Iс.з.отс.расч=kотс×Iнб.расч=1,5×15346,7=23020,1 А;
Уставка токовой отсечки:
=1912,2 А.
Уставка
принимается равной
1912,2
А.
Исходя из расчёта токов короткого замыкания, следует что чувствительность защиты обеспечивается с большим запасом.
4.2.6. Газовая защита
В качестве газовой защиты используется реле типа РГЧЗ-66. Газовое реле содержит два элемента - сигнальный и отключающий. Сигнальный элемент срабатывает при повреждениях, сопровождающихся слабым газообразованием после накопления определенного объема газа в реле. При значительном повреждении, вызывающем бурное выделение газа, повышается давление внутри бака и создается переток масла в сторону расширителя, воздействующий на отключающий элемент. Последний срабатывает при превышении заданной скорости потока масла. При этом газ из бака трансформатора попадает в газовое реле и вызывает срабатывание сигнального элемента позже действия отключающего элемента.
Устройство реле РГЧЗ-66 представлено на рисунке 4.5.

Рис. 4.5. Устройство реле РГЧЗ-66.
1,2 – чашечки сигнального и отключающего элементов; 3 – пружина; 4 – контакт чашечки сигнального элемента; 5 – подвижной контакт отключающего элемента; 6 – пластина; 7,8 – экраны; 9 – смотровое окно с делениями; 10 – кран для отбора проб газа и выпуска его из реле.
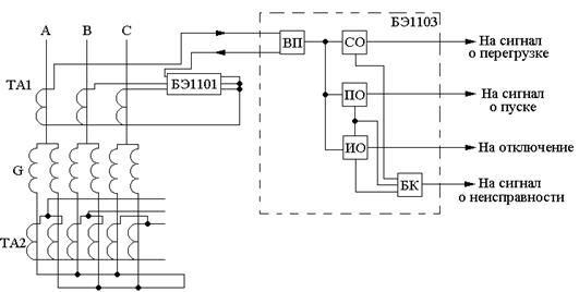
4.2.7. Защита от симметричных перегрузок
Для защиты генераторов от симметричных нагрузок применяется блок защиты БЭ1103. БЭ1103 включается в одну из фаз вторичных цепей трансформаторов тока нулевых или фазных выводов генератора. Характеристика интегрального органа БЭ1103 соответствует перегрузочным характеристикам обмотки статора генератора.
Структурная схема блока защиты представлена на рисунке 4.6.

Рис. 4.6. Структурная схема БЭ1103
ВП – входной преобразователь тока; СО – сигнальный орган, срабатывающий с фиксированной выдержкой времени при увеличении относительного тока статора выше значения уставки срабатывания органа; ПО – пусковой орган, срабатывающий без выдержки времени при увеличении относительного тока статора выше значения уставки срабатывания органа и осуществляющий пуск интегрального органа; ИО – интегральный орган, срабатывающий от тока статора с выдержкой времени tср; БК – блок контроля, осуществляющий функциональный и тестовый контроль блока защиты.
Органы Iсигн и Iпуск блока защиты имеют уставки срабатывания по относительному току статора, определяемому по формуле:
,
и регулируемые дискретно в
диапазоне 1¸1,35
с минимальной ступенью регулирования не более 0,06. Коэффициент возврата
органов Iсигн
и Iпуск не
ниже 0,98. Уставка выдержки времени Iсигн регулируется дискретно в диапазоне
сек с минимальной
ступенью регулирования не более 0,25 сек.
Интегральный орган блока защиты имеет плавную регулировку коэффициента В в диапазоне от 0,8 до 1,0 и плавно ступенчатую регулировку коэффициента С в диапазоне от 3 до 50. Поставляется блок с настройкой значений коэффициентов В=0,91 и С=19,2 .
Выдержка времени интегрального органа определяется как:
.
Интегральный орган БЭ1103 имитирует процесс охлаждения генератора после устранения перегрузки по экспоненциальному закону. При этом промежуток времени, за который перегрев обмотки статора снижается от максимально допустимой величины до 0,135 от этой величины, условно называется временем « полного охлаждения» и равняется (600±90) с.
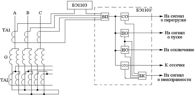
4.2.8. Защита от несимметричных перегрузок генератора с интегрально – зависимой характеристикой времени
Защита предназначена для предотвращения повреждения генератора при перегрузке токами обратной последовательности, вызванных несимметричной нагрузкой в нормальном режиме, либо ненормальными режимами работы системы (обрывы фаз, недоотключение одной – двух фаз выключателя и т.п.), либо при внешнем к.з.
Защита выполняется с помощью интегрального и сигнального органов блок-реле БЭ1101. Структурная схема приведена на рисунке 4.7.

Рис. 4.7. Структурная схема БЭ1101
ВП – входной преобразователь тока; СО – сигнальный орган; ПО – пусковой орган; ИО – интегральный орган; ОТО – орган токовой отсечки; БК – блок контроля.
Входной преобразователь, выделяет из входного тока составляющие обратной последовательности I2. Основной узел входного преобразователя – фильтр токов обратной последовательности.
Сигнальный орган, срабатывает с фиксированной выдержкой времени при увеличении тока I2* выше значения, определяемого уставкой, и при увеличении тока I2* сверх длительно допустимого.
Пусковой орган, срабатывает без выдержки времени при увеличении тока I2* выше длительно допустимой его величины, определяемой уставкой, и осуществляющий пуск интегрального органа.
Ток I2* определяется как:
,
где: I2 – ток обратной последовательности в первичной цепи генератора.
Интегральный орган, срабатывает с выдержкой времени, определяемой выражением:
,
где: А – постоянная генератора, численно равная допустимой длительности несимметричного режима для данного типа генератора при I2*=1 в секциях.
Интегральный орган учитывает накопление тепла в обмотке ротора в процессе перегрузки и охлаждение ротора после устранения перегрузки. Орган реализует зависимую выдержку времени на срабатывание от значения тока обратной последовательности и выполняет функции ближнего и дальнего резервирования.
Интегральный орган воздействует на отключение блока от сети, в которой находится причина недопустимой перегрузки генератора токами обратной последовательности. При этом собственные нужды продолжают питаться от генератора.
Орган токовой отсечки, срабатывает с фиксированной выдержкой времени при увеличении тока I2* выше величины, определяемой уставкой. ОТО осуществляет функции резервирования защит, смежных с генератором элементов.
Блок защиты БЭ1101 включается во вторичные цепи фаз А, В и С трансформаторов тока, установленных со стороны нейтрали или фазных выводов генератора. Величины допустимых токов I2* для разных генераторов приводятся в заводской документации и в ПУЭ.