3. Электрическая часть
3.1. Выбор главной схемы электрических соединений
Главная схема электрических соединений – это совокупность основного электрооборудования (генераторы, трансформаторы, линии), сборных шин, коммутационной и другой первичной аппаратуры со всеми выполненными между ними в натуре соединениями. [4]
Проектирование главной схемы включает в себя: выбор генераторов, выбор структурной схемы и схемы электрических соединений распределительного устройства, расчет токов короткого замыкания и выбор средств по их ограничению, а так же выбор электрических аппаратов и проводников.
На проектируемой ТЭЦ предполагается установка трех турбогенераторов типа ТЗФП – 63 – 2У3. Система возбуждения – статическая тиристорная, система охлаждения – воздушная по трёхконтурной схеме, отличается от ТВФ повышенным КПД, маневренностью, перегрузочной способностью. П – сопряжение генератора с паровой турбиной.
Паспортные данные генераторов приведены в таблице 3.1.
Таблица 3.1
Паспортные данные турбогенератора. [5]
|
Тип |
Рн, МВт |
Sн, МВ×А |
Uн, кВ |
Cosj |
КПД |
Xd’’, о.е. |
Xd’, о.е. |
|
Т3ФП – 63 – 2У3 |
63 |
78,75 |
10,5 |
0,8 |
98,5 |
0,153 |
0,224 |
Продолжение табл. 3.1.
|
Хd, о.е. |
Х2, о.е. |
Х0, о.е. |
Тdо, с |
Цена, т.руб. |
|
1,199 |
0,186 |
0,088 |
8,85 |
268 |
3.1.1. Выбор вариантов структурной схемы
Структурная электрическая схема зависит от состава оборудования, распределение генераторов и электрической нагрузки между распределительными устройствами различных напряжений и связей между ними.
Вследствие того, что местная нагрузка составляет менее 30% суммарной мощности генераторов ТЭЦ, то структурную схему ТЭЦ рекомендуется строить на блочном принципе, а питание местной нагрузки и собственных нужд осуществлять путем ответвлений от генераторов с установкой реакторов или понижающих трансформаторов. [7]
В качестве вариантов структурных схем принимаем:
Вариант 1 – схема смешанного вида, где два генератора присоединяются к генераторному распределительному устройству, а третий подключён к РУ высшего напряжения по блочной схеме (рис. 1).
Вариант 2 – схема, в которой генераторы подключены к РУ ВН через трансформаторы по блочной схеме (рис. 2).
Рис. 3.1. Структурная схема. Вариант 1.

Рис. 3.2. Структурная схема. Вариант 2.
3.1.2. Выбор числа и мощности трансформаторов
Выбор номинальной мощности трансформатора связи производят с учетом его нагрузочной способности. В общем случае условие выбора мощности трансформатора имеет вид:
Sрасч=Sном × kп,
где Sрасч – расчетная мощность, МВ×А;
Sном – номинальная мощность, МВ×А;
kп=1,4 − коэффициент допустимой перегрузки.
По ГОСТу 14209 − 85 коэффициент допустимой перегрузки трансформатора определяется исходя из предшествующего режима работы трансформатора, температуры окружающей среды.
Вариант 1.
Выбор мощности трансформатора связи ведем из условия максимального перетока мощности по обмотке. Сначала определяем полную мощность:
Мощность генератора:
Sг=Рг/cosj=60/0,8=75 МВ×А;
Мощность собственных нужд (принимаем 10% от Руст):
Sсн=Рсн/cosjсн=6/0,87=6,9 МВ×А;
Мощность местной нагрузки:
Sмн=Pмн/cosjн=50/0,87=57,47 МВ×А.
Нормальный режим:
Sпер = 2×Sг - Sсн - Sмн= 2×75 – 13,8 – 57,47 =78,73 МВА;
Аварийный режим:
Sперав = Sг - Sсн - Sмн= 75 – 13,8 – 57,47 = 3,73 МВА;
Расчётная мощность трансформаторов с учётом перегрузки:
Sрасч.ТС=
=56,236 МВА;
Принимаем к установке 2 трансформатора: ТРДН-63000/110
Трансформатор блока Г3-Т3:
Sрасч£Sбл.т.
Sрасч = Sном г – Sсн
Sрасч = 75 – 6,9 = 68,1 МВА;
Принимаем трансформатор ТДЦ – 80000/110
Так как в цепи отходящих линий предполагается установка линейных реакторов, то предварительно определяем их количество по максимальному току присоединения, и номинальному току реактора:
Iмах=
=3,16 кА.
n=Iмах/Iном.р.=3160/1000=3,16;
Предварительно принимаем 3 реактора.
Вариант 2.
Трансформаторы блоков:
Sрасч = Sном г – Sсн – Sмн
Sрасч = 75 – 6,9 – 19,16 = 48,94 МВА;
Принимаем трансформатор ТРДН – 63000/110
Паспортные данные приведены в таблице 3.2.
Таблица 3.2
Паспортные данные трансформаторов [5]
|
Тип |
Sном, МВ×А |
Uном вн кВ |
Uном нн кВ |
DРхх кВт |
DРкз кВт |
Uk % |
Ixx % |
|
ТДН – 80000/110 |
80 |
115 |
10,5 |
58 |
310 |
10,5 |
0,45 |
|
ТРДН – 63000/110 |
63 |
115 |
10,5 |
50 |
245 |
10,5 |
0,5 |
3.1.3. Технико-экономическое сравнение вариантов структурной схемы ЭС
Технико-экономическое сравнение вариантов – является завершающим этапом приближенного расчета вариантов схем. Оно позволяет из технически равноценных вариантов определить наиболее экономичный.
При технико-экономическом сравнении вариантов структурной схемы, отдельно по каждому варианту, оценивается совокупность стоимостных показателей – капиталовложений, годовых потерь энергии, годовых издержек на ремонт и обслуживание, а так же ущерб от ненадежности данного варианта структурной схемы.
Технико-экономическое сравнение вариантов структурной схемы производится по минимуму приведенных затрат:
З=рн×К+И+У,
где:
рн = 0,12 –
нормативный коэффициент эффективности капиталовложений,
;
К – капиталовложения, руб;
И – годовые издержки, руб/год;
У – возникающий ущерб, руб.
3.1.3.1. Расчет капиталовложений.
Расчёт капиталовложений привожу в виде таблицы:
Таблица 3.3
|
Наименование |
Цена 1шт. тыс. руб. |
Вариант 1 |
Вариант 2 |
||
|
Кол-во |
åЦена, тыс. руб. |
Кол-во |
åЦена, тыс. руб. |
||
|
ТРДН – 63000/110 |
100 |
2 |
200 |
3 |
300 |
|
ТДЦ – 80000/110 |
113 |
1 |
113 |
– |
– |
|
Выключатель 110 кВ |
26 |
3 |
78 |
3 |
78 |
|
Выключатель 10 кВ |
1,2 |
6 |
7,2 |
3 |
3,6 |
|
Реактор |
2,92´3 |
4 |
35,04 |
3 |
26,28 |
|
Ячейки КРУ |
2 |
3 |
6 |
5 |
10 |
|
|
|
åКвл 1 |
439,24 |
åКвл 2 |
417,88 |
3.1.3.2. Расчет ежегодных расходов
Годовые эксплуатационные расходы определяются как:
И = Иа + Ио + Ипот;
где:
Иа = а×К/100 – амортизационные отчисления, а=6,4 % – норма амортизации;
Ио= b∙К − (для станции b=8,4%) – издержки на обслуживание электроустановки (руб/год);
Ипот = b× DWпот – издержки обусловленные потерей электроэнергии;
b – удельные затраты на возмещение потерь, руб/кВтч;
DWпот - годовые потери электроэнергии, кВтч/год.
По рис 4.1 и 4.2 [7], определяю, что для времени максимальных нагрузок Тmax=6500 ч время максимальных потерь t=4500 ч, удельные затраты на возмещение потерь равны b = 0,006 руб/кВт×ч.
С учётом того, что турбины выводятся в ремонт два раза в год, время ремонта турбины ПТ – 60 составляет 20 дней, время работы турбин составляет:
Траб=8760 – 2×24×20=8184 часа.
Годовые потери электроэнергии в группе двухобмоточных трансформаторов определяю через время максимальных потерь:
DWт = Pх×
(8184 – Тр) + Pk×
× t ;
где:
Тр – длительность простоя трансформатора из-за планового ремонта, ч/год;
Pх - потери мощности холостого хода, кВт;
Pk - потери мощности короткого замыкания, кВт;
Smax - максимальная мощность нагрузки трансформатора, МВА;
Sном - номинальная мощность трансформатора, МВА.
Вариант 1.
Годовые потери в трансформаторах связи определяю по формуле:
DWт1пот=2×
=1,676×106
кВт×ч/год;
Годовые потери энергии в блочном трансформаторе:
DWт2 пот=
58×8156+310×
= 1,484×106 кВт×ч/год;
åDWт пот=(1,676+1,484) ×106=3,16×106 кВт×ч/год
Следовательно:
Ипот = 0,006×3,16×106= 18,96 тыс.руб/год.
Иа = 6,4×439,24/100 = 28,11 тыс. руб.
Ио= 2/100×439,24=8,78 тыс. руб.
И = 18,96+28,11+8,78 = 55,85 тыс. руб.
Вариант 2.
Годовые потери в блочных трансформаторах:
DW=3×
= 3,219 кВт×ч/год;
Следовательно:
Ипот = b× DWпот = 0,006×3,219=19,31 тыс.руб/год.
Иа = 6,4×417,88/100 = 26,74тыс. руб.
Ио=2/100×417,88=8,36 тыс. руб.
И = 19,31+26,74+8,36= 53,7 тыс. руб.
3.1.3.3. Расчет ущерба из-за отказа основного оборудования
Расчёт составляющей ущерба не производим т.к. ущерб от недоотпуска в обоих вариантах одинаков.
3.1.3.4. Определение оптимального варианта структурной схемы
Результаты расчетов технико-экономических показателей вариантов структурной схемы, для наглядности, сведены в таблицу 3.4.
Таблица 3.4
Технико-экономические показателей вариантов структурной схемы ТЭЦ
|
Показатели вариантов |
единица измерения |
Вариант 1 |
Вариант 2 |
|
К |
тысяч рублей |
439,24 |
417,88 |
|
0,12×К |
тысяч рублей/год |
52,71 |
50,15 |
|
И |
тысяч рублей /год |
55,85 |
53,7 |
|
З |
тысяч рублей /год |
108,56 |
103,85 |
|
З |
% |
104,54 |
100 |
Как видно из таблицы 3.4, приведенные затраты первого варианта на 4,5% больше чем для второго варианта, но не превышают 5%, делаем вывод, что варианты равноэкономичны. Но так как вариант 2 является более надежным, и более перспективным с точки зрения нагрузки на генераторном напряжении, то для дальнейшего проектирования, принимается вариант 2.
3.2. Выбор схемы распределительного устройства 110 кВ
По заданию на проектирование мощность местной нагрузки составляет Рм.н=50 МВт, нагрузка собственных нужд Рсн=18 МВТ, остальная мощность, выдается в систему.
Приняв сечение проводов ЛЭП Fпр=185мм2 находим ток одной линии:
Iлэп=Fпр×jэк=185×1=185 А;
где:
jэк=1 - экономическая плотность тока.
Суммарный ток через все линии ЭП:
IS = Ротп/(
×Uном×
cos j)=112/(
×110×0,87)=0,68 кА;
где:
Ротп=Рген-Рс.н.-Рм.н.=180-50-18=112 МВт.
Ротп – мощность отпускаемая в систему и потребителям 110 кВ.
Определяем количество ЛЭП необходимых для связи с системой и передачи мощности потребителям 110 кВ.
n= IS / Iлэп=680/185=3,68 округляем в большую сторону » 4
Принимаем две двухцепных линии электропередач.
К сборным шинам распределительного устройства 110 кВ, кроме ЛЭП присоединяются 3 силовых трансформатора, следовательно, общее число присоединений равно 7. Применяем схему две рабочих системы шин с обходной системой шин.
Условия строительства и климатические данные позволяют выполнить распределительное устройство 110 кВ открытым (ОРУ).
План и разрезы ОРУ-110 кВ приведены в графической части дипломного проекта.
Схема распределительного устройства приведена на рисунке 3.

Рис. 3.3. Схема ОРУ 110 кВ.
3.3. Выбор схемы собственных нужд ТЭЦ.
Потребители СН делятся на блочные и общестанционные. Блочные потребители питаются от ТСН блоков, а общастанционная нагрузка равномерно распределяется между блоками.
Напряжение сети собственных нужд на проектируемой ТЭЦ принимается равным 6/0,4 кВ.
Питание собственных нужд выполняется подключением ТСН между генератором и блочным трансформатором, со стороны повышающего трансформатора.
Распределительное устройство собственных нужд 6 кВ выполняется с одной секционированной системой сборных шин, блоки имеют по одной секции на котёл.
Рабочие трансформаторы собственных нужд (ТСН) ТЭЦ присоединяются к шинам генераторного напряжения.
Число РТСН при наличии генераторных выключателей 2, причём один в виде складского резерва.
Так как РУ 10 кВ выполнено по блочной схеме, резервный ТСН присоединяется отпайкой от блока.

Рис 3.4. Схема собственных нужд 6 кВ.
Питание потребителей собственных нужд 0,4 кВ осуществляется через трансформаторы собственных нужд 6/0,4 кВ, от секций РУ с.н. 6 кВ проектируемой ТЭЦ.
На основании вышеизложенного, проектируется схема собственных нужд ТЭЦ, которая приведена на рисунке 3.4.
3.3.1. Выбор трансформаторов собственных нужд ТЭЦ
Номинальная мощность рабочих трансформаторов собственных нужд (ТСН) выбирается в соответствии с их расчетной нагрузкой, при этом перегрузка рабочих ТСН – недопустима.
Номинальная мощность резервного трансформатора собственных нужд принимается равной ТСН.
Перечень и мощности нагрузок собственных нужд блока 63 МВт даны в таблице 3.5, согласно [3].
Таблица 3.5
Нагрузка собственных нужд пылеугольного блока 63 МВт.
|
Наименование |
Нагрузка |
|
|
количество |
мощность, кВ×А |
|
|
Блочная нагрузка |
||
|
Мельница |
2 |
392 |
|
Дымосос |
1 |
400 |
|
Конденсатный насос |
1 |
200 |
|
Насос сливной |
1 |
52 |
|
Трансформатор 6/0,4 кВ |
1 |
1000 |
|
Циркуляционный насос |
1 |
320 |
|
Вентилятор дутьевой |
1 |
230 |
|
Пусковой маслонасос |
1 |
440 |
|
Питательный электронасос |
1 |
900 |
|
Общестанционная нагрузка |
||
|
Дробилка молотковая |
1 |
800 |
|
Вагоноопрокидыватель |
1 |
96 |
|
Трансформатор 6/0.4 |
1 |
1000 |
|
Компрессор |
1 |
100 |
|
|
Итого |
5930 |
В соответствии с таблицей 3.5, расчетная нагрузка собственных нужд блока 63 МВт равна:
Sрасч= SS =5930 кВ×А;
Номинальная мощность рабочего ТСН:
Sном ³ Sрасч;
Выбираю рабочий ТСН типа ТМНС – 6300/10.
Расчетная нагрузка трансформаторов собственных нужд 6/0,4 кВ определяется по формуле:
Sрасч=0,7P1+0,35P2+0,15P3+0,85P4,
где:
P1 - суммарная мощность постоянно работающих двигателей, кВт;
P2 - суммарная мощность периодически работающих двигателей, кВт;
P3 - суммарная мощность мелких двигателей, кВт;
P4 - суммарная мощность отопления и обогрева, кВт.
Для пылеугольного блока 63 МВт, мощности указанных групп электродвигателей по [8] равны:
P1=750 кВт, P2=890 кВт, P3=470 кВт, P4=100 кВт.
таким образом:
Sрасч=0,7×750+0,35×890+0,15×470+0,85×100=992 кВт.
В соответствии с расчетной нагрузкой, выбираю трансформатор собственных нужд 6/0,4 кВ типа ТМС – 1000/6,3
Паспортные данные выбранных трансформаторов собственных нужд приведены в таблице 3.6.
Таблица 3.6
Паспортные данные трансформаторов собственных нужд [5]
|
Тип |
Sном, кВ×А |
Uном вн кВ |
Uном нн кВ |
DРхх кВт |
DРкз кВт |
Uk % |
Ixx % |
|
ТМНС – 6300/10 |
6300 |
10,5 |
6,3 |
8 |
46,5 |
8 |
0,8 |
|
ТМС – 1000/6,3 |
1000 |
6,3 |
0,4 |
2,2 |
12,2 |
8 |
1,4 |
3.4. Расчет токов короткого замыкания.
Расчет токов короткого замыкания необходим для выбора электрооборудования, аппаратов, шин, кабелей, а так же определения необходимости ограничения токов короткого замыкания.
Согласно рекомендации [7], в данном дипломном проекте за расчетный вид короткого замыкания принято трехфазное короткое замыкание.
Для удобства результаты расчета токов короткого замыкания сведены в таблицу 3.7. Расчет токов трехфазного короткого замыкания приведён в приложении 1 данного дипломного проекта. Расчётная схема приведена на рисунке 3.5.

Рис. 3.5. Расчётная схема.
Для удобства результаты расчета токов короткого замыкания сведены в таблицу 3.7.
Таблица 3.7.
Сводная таблица расчёта токов КЗ
|
Точки к.з. |
Источники |
Iп0 , кА |
iу , кА |
Iпt , кА |
iаt , кА |
Вк ,кА2×с |
|
К-1 |
Генераторы 1,2,3 |
4,84 |
11 |
11,95 |
0,84 |
4,22 |
|
Система |
11,95 |
27,16 |
4,41 |
0,34 |
25,72 |
|
|
Суммарный ток |
16,79 |
38,16 |
16,36 |
1,18 |
29,94 |
|
|
К-2 |
Генератор Г1 |
29,85 |
82,78 |
22,99 |
26,12 |
418,88 |
|
Генераторы 2,3 + система |
33,29 |
93,31 |
33,29 |
29,13 |
520,8 |
|
|
К-3 |
Суммарный ток |
22,38 |
61,97 |
22,38 |
22,36 |
205,44 |
|
К-4 |
Генераторы + система |
6,95 |
16,88 |
6,95 |
0,68 |
10,16 |
|
Двигатели |
3,79 |
8,84 |
1,21 |
0,73 |
3,16 |
|
|
Суммарный ток |
10,74 |
25,72 |
8,16 |
1,41 |
13,32 |
3.5. Выбор основного электротехнического оборудования и токоведущих частей.
3.5.1. Выбор выключателей и разъединителей.
Выбор выключателей производится в соответствии с ГОСТ – 687 – 94:
Выбор и проверка выключателей осуществляется по следующим условиям [6]:
|
− по напряжению установки; |
Uном³Uуст |
|
− по длительному току; |
Iном ³Imax |
|
− на симметричный ток отключения; |
Iотк.ном.³Iпt |
|
− на отключение апериодической составляющей тока к.з. |
iа.ном.³iаt |
|
− отключающая способность по полному току; bн %− нормированное значение содержания апериодической составляющей в отключенном токе; |
³ |
|
− на электродинамическую стойкость; |
Iдин³Iпо |
|
− на электродинамическую стойкость; |
iдин ³iу |
|
− на термическую стойкость. |
Iтерм2×tтерм³Bк |
Выбор и проверка разъединителей производится по следующим условиям:
|
− по напряжению установки; |
Uном ³Uуст |
|
− по длительному току; |
Iном³Imax |
|
− на электродинамическую стойкость; |
iдин³iу |
|
− на термическую стойкость. |
Iтерм2×tтерм³Bк |
Выбор основного электротехнического оборудования проводится в табличной форме. [4]
Выбор выключателей и разъединителей на 110 кВ.
В связи с невозможностью перегрузки блочного трансформатора ток максимального режима равен току нормального режима:
Imax=
=330,66 А.
Таблица 3.8.
|
Расчетные данные |
Данные выключателя ВМТ-110Б-40/2000 УХЛ1 |
Данные разъединителя РДЗ-110/1000 |
|
Uуст=110 кВ |
Uном = 110 кВ |
Uном = 110 кВ |
|
Imax=330,66 А |
Iном=2000 А |
Iном=1000 А |
|
Iпt = 16,36 кА |
Iотк.ном.=40 кА |
- |
|
iat = 1,18 кА |
ia.ном.=Ц2·bн·Iотк.ном/100=Ц2·40·40/100=22,63кА |
- |
|
Ц2·Iпt+iat=24,32 кА |
Ц2·Iотк.ном.·(1+bн/100)=Ц2·40·(1+40/100)=79,196 кА |
- |
|
Iпо=16,79 кА |
Iдин=40 кА |
- |
|
iу=38,16 кА |
iдин = 102 кА |
iдин=80 кА |
|
Вк=29,94 кА2·с |
Iтерм.2·tтерм.=502·3=7500 кА2×с |
Iтерм.2·tтерм.=402·3=4800 кА2×с |
ВМТ-110Б-40/2000 УХЛ1 – выключатель маломасляный трехполюсный, привод пружинный типа ППрК, предназначен для установки в районах с умеренно-холодным климатом.
РДЗ-110/1000 – разъединитель двухколонковый с заземляющими ножами.
Выбор генераторного выключателя и разъединителя на 10,5 кВ:
Таблица 3.9
|
Расчетные данные |
Данные выключателя МГУ – 20 – 90/6300 У3 |
Данные разъединителя РВРЗ-20/8000 - М |
|
Uуст=10,5 кВ |
Uном = 20 кВ |
Uном = 20 кВ |
|
Imax=4340 А |
Iном=6300 А |
Iном=8000 А |
|
Iпt=22,99 кА |
Iотк.ном.=90 кА |
- |
|
iat = 26,12 кА |
ia.ном.=Ц2·bн·Iотк.ном/100=Ц2·20·90/100=25,46 кА |
- |
|
Ц2·Iпt+iat=58,63 кА |
Ц2·Iотк.ном.· (1+bн/100)=Ц2·90· (1+30/100)= 165,46 кА |
- |
|
Iпо=29,85 кА |
Iдин=105 кА |
- |
|
iу=82,78 кА |
iдин = 300 кА |
iдин=315 кА |
|
Вк=418,88 кА2·с |
Iтерм.2·tтерм.=902·4=32400 кА2·с |
Iтерм.2·tтерм.=1252·4=62500 кА2·с |
МГУ-20-90/6300 У3 – маломасляный генераторный выключатель, для утсановки в районах с умеренным климатом.
РВРЗ-20/8000-М – разъединитель для внутренней установки, рубящего типа, с заземляющими ножами.
Выбор выключателя и разъединителя в схеме собственных нужд 6,3 кВ.
В схеме с.н. предполагается установка КРУ с выключателями ВЭ-6-40/1600 У3.
Ток одной секции с.н.:
Imax = Pсекции/(
·Uном·cosj)
= 992/(
·6,3·0,87) = 104,5 А.
Выбор сведён в таблице 3.10.
Таблица 3.10
|
Расчетные данные |
Данные выключателя ВЭ-6-40/1600 У3 |
|
Uуст = 6,3 кВ |
Uном = 6 кВ |
|
Imax = 104,5 А |
Iном = 1600А |
|
Iпt = 8,16 кА |
Iотк.ном.= 40 кА |
|
iat = 1,41 кА |
ia.ном.=Ц2·bн·Iотк.ном/100=Ц2·20·40/100 = 11,31кА |
|
Iпо = 10,74 кА |
Iдин = 40 кА |
|
iу = 25,72 кА |
iдин = 128 кА |
|
Вк= 13,32 кА2с |
Iтерм.2·tтерм.=402·4=6400 кА2·с |
ВЭ-6-40/1600У3 – выключатель электромагнитный, для установки в районах с умеренным климатом.
3.5.2. Выбор линейных реакторов в цепи линий местной нагрузки
Максимальный ток одной ветви реактора определяется из мощности местной нагрузки и количества присоединений:
Imax
= S1л / (
×Uн) = 9,58×103/
×10,5 = 526,76 А;
где S1л=Sмн/nл=57,47/6=9,58 МВА
nл – кол-во присоединений

Рис. 3.6. Схема подключения местной нагрузки.
Ток термической стойкости кабеля:
Iтер =
,
где С = 90 А×с1/2/мм2 - функция от Uном, типа и материала жил кабеля;
s = 95 мм2 - сечение жилы кабеля;
tоткл = 0,095 с - время отключения к.з.;
Та = 0,003 с - постоянная времени затухания апериодической составляющей тока к.з.
Iтер =
= 27311,97
А;
За наименьший ток принимаем Iтер кабеля.
Результирующее сопротивление без реактора:
Хрез = Uср/
×Iпоå
= 10,5/
×63,14
= 0,1
Ом;
где Iпоå=Iпос(к2)+Iпог(к2)=33,29+29,85=63,14 кА.
Требуемое сопротивление цепи к.з. из условия обеспечения номинальной отключающей способности выключателя:
Хрез треб
= Uср/
×Iтер = 10,5/
×27,3
= 0,22
Ом;
Требуемое сопротивление реактора:
Хр треб = Хрез треб – Хрез = 0,22 – 0,1 = 0,12 Ом;
Выбираем реактор РБДГ – 10 – 2500 – 0,25 У3 с параметрами:
Uном = 10 кВ; Iном = 2150 А;
Хр = 0,25 Ом; imax = 49 кА; Iтер = 19,3 кА; tтер = 8 с.
Результирующее сопротивление цепи с учетом реактора:
Х’рез = Хрез + Хр = 0,1 + 0,25 = 0,35 Ом;
Фактическое значение Iпо:
Iпо = 10,5/
×0,35
= 17,32
кА.
Проверка стойкости реактора в режиме к.з.
Электродинамическая стойкость: iу < iдин
iу
=
×Iпо×kу =
×17,32×1,96
= 48,01
кА< 49 кА – выполняется.
Термическая стойкость:
Завод гарантирует время термической стойкости tтер = 8 с и среднеквадратичный ток термической стойкости Iтер = 19,3 кА.
Условие:
Вк зав = 19,32 × 8 = 2979,9 > Вк расч = Iпо2 × (tотк + Та) = 17,322 × (0,08 + 0,23) = 92,99 кА2×с - выполняется.
Остаточное U на шинах ГРУ при к.з. за реактором:
Uост% =
=
=75 % > (55-60)%
Потеря напряжения:
Duр%
=
=
= 1,13 %.
Duр% < 2% удовлетворяет условию.
На присоединениях местной нагрузки предполагается установка КРУ с выключателями ВЭ-6-40/1600 У3.
Выбор выключателя и разъединителя в цепи местной нагрузки:
Таблица 3.11
|
Расчетные данные |
Данные выключателя ВЭ-10У-31,5/1600 У3 |
Данные разъединителя РВРЗ-10/2000 – У3 |
|
Uуст=10 кВ |
Uном = 10 кВ |
Uном = 10 кВ |
|
Imax=526,76 А |
Iном=1600 А |
Iном=2000 А |
|
Iпt=22,38 кА |
Iотк.ном.=31,5 кА |
- |
|
iat = 22,36 кА |
ia.ном.=Ö2 ·bн·Iотк.ном/100=Ö2·31,5·50/100= 22,27 кА |
- |
|
Ц2·Iпt+iat=54,01 кА |
Ö2·Iотк.ном.·(1+bн/100)=Ö2·31,5·(1+50/100)=66,82 кА |
- |
|
Iпо=22,38 кА |
Iдин=31,5 кА |
- |
|
iу=61,97 кА |
iдин =80 кА |
iдин=85 кА |
|
Вк=205,44 кА2·с |
Iтерм.2·tтерм.=31,52·3=2976,7 кА2·с |
Iтерм.2·tтерм.=31,52·1=992,2 кА2·с |
3.6. Выбор шин и связей между элементами
3.6.1. На напряжение 110 кВ
Ошиновку 110 кВ выполняем гибкими проводами типа АС [7].
Сборные шины выбираются по допустимому току при максимальной нагрузке на шинах, равный току наиболее мощного присоединения: Imax£Iдоп
Как было сказано выше, блочный трансформатор не может быть нагружен больше, чем мощность генератора, поэтому:
Imax = ImaxТС = 63 /(
×110×0,8)=0,41
кА
Принимаем гибкий провод АС-240/32 ; Iдоп=605 А;
Проверку на схлестывание не производим т.к. Iпо(3) = 15,83 кА < 20 кА [9].
Проверка на термическое действие токов КЗ не производится, т.к. шины выполняются голыми проводами на открытом воздухе [9].
Проверка на корону может не производиться, т.к. было установлено, что при напряжении установки 110 кВ и сечении проводов более 70 мм2 провода не коронируют [9].
Выбор гибких токопроводов от выводов ТС 110 кВ до сборных шин.
Токоведущие части от выводов трансформатора 110 кВ до сборных шин выполняется гибкими токопроводами.
Их сечение выбирается по экономической плотности тока [4].
qэ=Iнорм / jэк = 410/1=410 мм2.
Принимаем провод АС-450/56
Проверка по допустимому току:
Imax=410 А < Iдоп=910 А.
Проверка на термическое действие токов КЗ не производим, т.к. применены голые провода на открытом воздухе.
Проверка на корону не производится, т.к. провод имеет сечение больше 70 мм2 .
3.6.2. На напряжение 10,5 кВ
Токоведущие части от выводов генератора до распределительного устройства генераторного напряжения выполняется, пофазно-экранированым токопроводом типа ГРТЕ-10-8550-250. [4]
Проверка выбранного токопровода приведена в таблице 3.12.
Таблица 3.12
Расчетные и каталожные данные
|
Расчетные данные |
Каталожные данные токопровода ГРТЕ-10-8550-250 |
Условия выбора |
|
Uуст=10,5 кВ |
Uном=10,5 кВ |
Uуст £ Uном |
|
Iг=4330 А |
Iном=5140 А |
Iг £ Iном |
|
iу=52,4 кА |
Iдин=250 кА |
iу £ iдин |
Комплектация токопровода ГРТЕ-10-8550-250:
- трансформатор напряжения типа ЗНОМ-10,
- встроенный трансформатор тока типа ТШ-20-10000/5,
- тип опорного изолятора ОФР-20-375с.
Все токоведущие части РУ-10,5 кВ, включая сборные шины, выполняются жесткими голыми алюминиевыми шинами коробчатого сечения. [4]
Выбор производится по допустимому току:
Imax=Рм.н/(
×Uном×cosj×0,95)=16667/(
×10,5×0,87×0,95)=1108,83 А.
Предварительно принимаются шины алюминиевые, коробчатого сечения по [5] типа 2(75´35´5,5) мм, сечением 2х695 мм2, Iдоп=2670 А.
Таким образом, условие:
Imax=1109 £ Iдоп=2670 А – соблюдается.
Сборные шины проверяются на термическую стойкость:
суммарный ток Iп0=46,02 кА, тогда:
Вк=Iп02×(tотк+Та)=46,022×(4 + 0,185)=8863,162 кА2с,
где:
tотк=4 с. по [9],
Та=0,185 - для сборных шин 10 кВ, [4].
Минимальное сечение по условию термической стойкости:
qmin=1000×
/с =1000×
/ 90 =1046,04 мм2
следовательно, условие
qmin=1046 мм2 £ qш=2´695=1390 мм2 – соблюдается.
Проверка сборных шин на механическую прочность.
Шины коробчатого сечения обладают большим моментом инерции, поэтому расчет производится без учета колебательного процесса в механической конструкции. При расположении шин в вершинах прямоугольного треугольника расчетная формула имеет вид: [6]
sрасч=
=8,66
МПа;
условие:
sрасч=8,66 МПа £ sдоп=75 МПа, [9] - выполняется, выбранные шины проходят по условию механической прочности.
3.6.3. Выбор токоведущих частей РУ С.Н. - 6 кВ.
Сечение шин принимается по наибольшему току самого мощного рабочего трансформатора собственных нужд 6 кВ:
Iтсн=Sтсн/(
×Uном)=6300/(
×6,3)=577,35 А.
По таблице 7.2 [5] принимаются алюминиевые двухполосные шины сечением 159 мм2.
Проверка шин на термическую стойкость:
температура шин до короткого замыкания:
Jн=J0+(Jдоп.дл - J0 ном)Imax/Iдоп=25+(70-25) ×577,35/855=55,39 °С,
где:
J0=25 °С - температура окружающей Среды,
Jдоп.дл - длительно допустимая температура проводника,
Iдоп=4000 А - длительный допустимый ток для выбранных шин.
по рис. 3.45 [4], определяется, что
fн=60 °С - показатель характеризующий состояние проводника к моменту начала короткого замыкания.
По таблице 3.13 [4] определяем значение коэффициента k, учитывающего удельное сопротивление и эффективную теплоемкость проводника:
k=1,054 мм2°С/(А2×С)10-2, тогда:
fк=fн+К×Вк/q=60+1,054×5,25/159=60,035 °С
где:
Вк=Iп02(tотк+Та)=6,912×0,11=5,25 кА2с,
по рис. 3,45 [4], для fк=60 °С, температуры шин после короткого замыкания Jн=85 °С, что меньше допустимой температуры для алюминиевых шин Jдоп=200 °С. [4]
3.7. Выбор измерительных трансформаторов
3.7.1. Выбор трансформаторов тока
Трансформаторы тока (ТТ) предназначены для уменьшения первичного тока до значений удобных для измерения, а так же для отделения цепей измерения и автоматики от первичных цепей высокого напряжения.
Выбор трансформаторов тока производится:
|
- по напряжению установки |
Uуст £ Uном. тт |
|
- по току |
Imax £ I1 ном , Iнорм £ I1 ном |
|
- по конструкции и классу точности |
|
|
- по электродинамической стойкости |
iу £ |
|
- по вторичной нагрузке |
Z2 £ Z2 ном |
Электродинамическая стойкость шинных ТТ определяется устойчивостью самих шин, поэтому шинные ТТ по этому условию не проверяются. [6]
Выбор трансформаторов тока в цепи линии связи с системой.
Вторичная нагрузка и перечень приборов, присоединяемых к трансформатору тока дана в таблице 3.13.
Таблица 3.13
Вторичная нагрузка трансформатора тока
|
Приборы |
Тип |
Нагрузка по фазам, ВА |
||
|
А |
В |
С |
||
|
Амперметр |
Э-379 |
0,5 |
0,5 |
0,5 |
|
Ваттметр |
Д-335 |
0,5 |
- |
0,5 |
|
Варметр |
Д-335 |
0,5 |
- |
0,5 |
|
Счетчик активной энергии |
СА3-И675 |
2,5 |
- |
2,5 |
|
Счётчик реактивной энергии |
СР4-И676 |
2,5 |
- |
2,5 |
|
Итого |
|
6,5 |
0,5 |
6,5 |
По [5] принимается к установке трансформатор тока типа ТФЗМ-110Б-1 с фарфоровой изоляцией, с обмотками звеньевого типа, маслонаполненный.
Сравнение расчетных и каталожных данных трансформатора тока приведены в таблице 3.14.
Таблица 3.14
Сравнение расчетных и каталожных данных трансформатора тока
|
Расчетные данные |
Каталожные данные |
|
Uуст=110 кВ |
Uном=110 кВ |
|
Imax=410 А |
Iном=600 А |
|
iу=35,98 кА |
iдин=126 кА |
|
Класс точности 0,5 |
Класс точности 0,5 |
|
S2=6,5 ВА |
S2н=30 ВА |
|
Вк=28,44 кА2с |
I2тер* tтер =682*3=13872 кА2с |
S2н=I2н2×r=52×1,2=30 ВА.
где:
r=1,2 Ом - номинальное сопротивление в данном классе точности.
Определяем сопротивление проводов:
Zпров=Z2н - rприб.-Zк =Z2н - Sпр/I2н2-Zк=1,2-6,5/52-0,1=0,84 Ом;
длина соединительных проводов с алюминиевыми жилами (r=0,0283) принимается по [10] и равна:
lрасч=100 м,
тогда, сечение соединительных проводов:
q=r×lрасч/Zпров=0,0283×100/0,84=3,37 мм2;
Принимаем кабель АКВРГ с жилами 4 мм2 , тогда Rпр определим как:
Zпр=
=0,707 Ом
Тогда вторичная нагрузка определится как:
Z2=Rпр+Rприб.+Rк=0,707+0,26+0,1 = 1,067 Ом.
Z2<Z2 ном; трансформатор тока принимается к установке.
На генераторном напряжении 10,5 кВ устанавливается трансформаторы тока типа ТШ-20-10000/5, встроенный в токопровод ГРТЕ-10-8550-250. [5]
3.7.2. Выбор трансформаторов напряжения.
Трансформатор напряжения (ТН) предназначен для понижения первичного напряжения до напряжения вторичных цепей измерения и релейной защиты.
Выбор трансформаторов напряжения производится:
|
- по напряжению установки |
Uуст £ Uном |
|
-по схеме соединения обмоток |
|
|
-по классу точности |
|
|
- по вторичной нагрузке |
|
Вторичная нагрузка трансформатора напряжения сборных шин 110 кВ приведена в таблице 3.15.
Таблица 3.15
Перечень приборов подключаемых к трансформатору напряжения
|
Прибор |
Тип |
S одной обмотки ВА |
Число обмоток |
cos j |
sin j |
Число приборов |
Рпотр Вт |
Qпотр ВА |
|
Ваттметр |
Д-335 |
1,5 |
2 |
1 |
0 |
1 |
3 |
0 |
|
Варметр |
Д-304 |
1,5 |
2 |
1 |
0 |
1 |
3 |
0 |
|
Счетчик активной мощности со стопором |
И-675 |
2 |
2 |
0,38 |
0,925 |
2 |
21,0 |
19,5 |
|
Счетчик реактивной мощности со стопором |
И-676 |
3 |
2 |
0,38 |
0,925 |
2 |
31,6 |
29,2 |
|
Вольтметр |
Э-335 |
2 |
1 |
1 |
0 |
1 |
2 |
0 |
|
Вольтметр регистрирующий. |
Н-344 |
10 |
1 |
1 |
0 |
1 |
10 |
0 |
|
Частотомер |
Э-372 |
3 |
1 |
1 |
0 |
1 |
3 |
0 |
|
Частотомер регистр. |
Н-397 |
7 |
1 |
1 |
0 |
1 |
7 |
0 |
|
Фиксатор импульсного действия |
ФИП |
3 |
1 |
1 |
0 |
1 |
3 |
0 |
|
ИТОГО: |
83,6 |
48,7 |
S2е =
=96,7 ВА
Согласно номинального напряжения 110 кВ и вторичной нагрузки выбираем трансформатор напряжения НКФ-110-58 ( Uном=110 кВ , S2 ном =400 ВА ).
Т.о. S2е < Sном ;
Uуст=Uном.

Рис. 3.7 Схема соединения обмоток TV
Для соединения тр-ра напряжения с приборами принимаем контрольный кабель АКРВГ с сечением жил 2,5 мм2 по условию механической прочности [4], номинальное напряжение обмоток:
Uв=110000/
, В; U2=100/
, В; U2 доп=100, В.

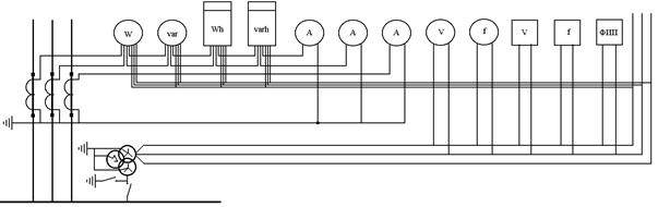
Рис. 3.8. Схема подключения измерительных приборов на сборных шинах 110 кВ.
Таблица 3.16
Сравнение расчетных и каталожных данных
|
Расчетные данные |
Каталожные данные ТН |
|
Uуст=110 кВ |
Uном=110 кВ |
|
Класс точности 0,5 |
Класс точности 0,5 |
|
S2нагр=120,6 ВА |
S2ном=400 ВА |
На генераторное напряжение 10,5 кВ устанавливается трансформатор напряжения типа ЗНОМ-10, встроенный в токопровод ГРТЕ-10-8550-250. [5]
3.8. Выбор разрядников.
Для защиты от перенапряжений вызываемых ударами молний, несимметричными короткими замыканиями, предусматривается установка ограничителей перенапряжений подключаемых к сборным шинам 110 кВ. Выбор производится по номинальному напряжению. [4]
На ОРУ-110 кВ принимается к установке ОПН-110У1. [4]
Для защиты силовых трансформаторов, предусматривается:
- со стороны 110 кВ, ограничители напряжения ОПН-110У1,
- со стороны генераторного напряжения, разрядники типа РВМ-15У1.
Для защиты от перенапряжений оборудования 6 кВ, принимаются разрядники типа РВО-6У1.
3.9. Выбор источника оперативного тока.
В качестве источника оперативного тока на проектируемой ТЭЦ используется установка постоянного тока, с аккумуляторными батареями, для питания цепей управления, автоматики, аварийного освещения, а также механизмов собственных нужд станции. АБ выбирают по необходимой емкости, уровням напряжения в аварийном режиме и схеме присоединения к шинам.
Выбор аккумуляторных батарей.
Потребителями АБ являются:
- постоянно включенная нагрузка - аппаратуры устройств управления, блокировки, сигнализации и релейной защиты, а так же постоянно включенная часть аварийного освещения;
- временная нагрузка, которая возникает при исчезновении переменного тока во время аварийного режима;
- кратковременная нагрузка длительностью не более 5 с, которая создается токами включения и отключения приводов выключателей.
Так как в нормальном режиме АБ работает в режиме постоянного подзаряда, то расчетной нагрузкой для нее, является аварийная ситуация, когда батарея несет на себе всю аварийную нагрузку.
Длительность аварийного режима на ТЭЦ tав=0,5 часа. [11]
Каждая АБ имеет свое подзарядное устройство, для заряда предусматривается один общестанционный агрегат.
Подсчет нагрузки на АБ сведен в таблицу 3.17.
Таблица 3.17
Расчетная нагрузка на аккумуляторную батарею
|
Вид потребителя |
Кол-во электроприемников |
Параметры эл. приемников |
Расчетные нагрузки, А |
|||||
|
Ном. мощность, кВт |
Ном ток, А |
Расчетный ток длит режима, А |
Пусковой ток, А |
Аварийный режим до 30 мин |
Толчок тока в начале аварийного режима |
Наибольший толчковый ток (в конце разряда) |
||
|
Постоянная нагрузка |
- |
- |
- |
20 |
- |
20 |
20 |
20 |
|
Аварийное освещение |
- |
- |
- |
160 |
- |
160 |
- |
160 |
|
Приводы выключателей: ВЭ |
2 |
- |
58 |
- |
- |
- |
116 |
- |
|
Связь |
1 |
7,2 |
38 |
30 |
100 |
30 |
100 |
30 |
|
Эл д/т аварийного маслонасоса генератора |
1 |
8 |
43,5 |
40 |
130 |
160 |
- |
160 |
|
Эл д/т аварийного маслонасоса смазки подшипников турбины |
2 |
14 |
73,5 |
73 |
184 |
292 |
- |
292 |
|
ИТОГО: |
- |
- |
- |
- |
- |
662 |
236 |
662 |
Т.к. мощность ЭС меньше 200 МВт, следовательно принимаем одну АКБ. Батарея будет работать в режиме постоянного подзаряда в схеме с элементным коммутатором. Расчетная длительность аварийной нагрузки 0,5 ч. Номинальное напряжение на шинах установки 230 В. Расчетная температура электролита +25оС.
Число основных элементов в батарее:
nо = Uш/Uпз = 230/2,15 =108 ,
где:
nо — число основных элементов в батарее;
Uш - напряжение на шинах;
Uпз - напряжение на элементе в режиме подзаряда (2,15 В).
В режиме заряда при максимальном напряжении на элементе 2,7 В к шинам присоединяется:
nmin = 230/2,7 = 85 элементов,
В режиме аварийного разряда при напряжении на элементе 1,75 В, а на шинах не ниже номинального (220 В).
n = 220/1,75 = 125 элементов,
где:
n – общее число элементов батареи.
К элементному коммутатору присоединяется:
n = n – nmin= 125 – 85 = 40 элементов.
Типовой номер батареи N выбирается по формуле:
N
,
где Iав— нагрузка установившегося получасового (часового) аварийного разряда, А;
1,05 — коэффициент запаса;
j — допустимая нагрузка аварийного разряда = 25 A/N, приведенная к первому номеру аккумуляторов в зависимости от температуры электролита. Определяется по кривой:
N > (1,05×662)/25 =28,
Выбранный аккумулятор СК-28 проверяем по току аварийного кратковременного разряда:
46×N > Iав,кр;
где 46 – коэф, учитывающий допустимую перегрузку;
46×28 = 1288 > 662
Окончательно принимаем СК-28.
Проверяем отклонение напряжения при наибольшем толчковом токе:
Iр(N=1) = Iт max /N = 662/28 = 23,6.
По кривым определяем напряжение на АКБ равным 90%. Если принять потерю напряжения в соединительном кабеле равной 5%, то напряжение на приводах будет 85%. По таблице допустимое отклонение напряжения на электромагнитах включения составляет 80 – 110 %, таким образом, принятые аккумуляторы обеспечивают необходимое напряжение.
Подзарядное устройство в нормальном режиме питает постоянно включенную нагрузку и подзаряжает батарею. Согласно ГОСТ 825 – 73 ток подзаряда должен быть 0,03×N, но, учитывая возможные продолжительные разряды, этот ток принимают равным 0,15×N, тогда:
Iпз > 0,15×N + Iп = 0,15×28 + 20 = 24,2 А;
где Iп – ток постоянно включенной нагрузки.
Напряжение подзарядного устройства 2,2×nо = 2,2 × 108 = 238 В.
Выбираем подзарядное устройство ВАЗП-380/260-40/80.
Подзаряд добавочных элементов: Iпз = 0,05×N = 0,05×28 = 1,4 А.
Напряжение Uпз = 2,2× (n-108) = 2,2 × 17 = 37,4 В.
Выбираем автоматическое подзарядное устройство типа АРН-3, которое поставляется комплектно с панелью автоматического регулирования U типа ПЭХ-9045-00А2.
Зарядное устройство:
Iз = 5N + Iп = 5 × 28 + 20 =160 А;
Uз = 2,75×n = 2,75 × 125 = 343,75 В.
Выбираем зарядный агрегат из генератора постоянного тока П-91: Рном = 48 кВт; Uном = 270/360 В; Iном = 1589 А и асинхронного двигателя типа А2-82-4: Рном = 55 кВт.