Содержание
1 Архитектурно строительная часть
1.1 Общая характеристика объемно-планировочных решений
1.2 Генплан
1.3 Конструктивные решения зданий
1.4 Наружная и внутренняя отделка помещений
1.5 Инженерное оборудование здания
2 Расчетно-конструктивная часть
2.1 Плита перекрытия ПК 51.12
2.2 Лестничный марш ЛМФ 39.12.17
3 Строительно-производственная часть
3.1 Технологическая карта
3.2 Календарный план
3.3 Стройгенплан
3.4 Охрана окружающей среды и труда
4 Экономическая часть
4.1 Сводный сметный расчет
4.2 Объектная смета
4.3 Ведомость объемов и стоимости работ
4.4 Локальная смета
4.5 Расчет стоимости выполненных работ в текущих ценах с учетом налогов и отчислений
4.6 Экономическое обоснование принятых конструктивных решений
1 Архитектурно-строительная часть
1.1 Характеристика здания. ТЭП
Проектируемое здание имеет сложную конфигурацию в плане с размерами в осях 22.2´19.6м. Несущими являются продольные и поперечные стены здания.
Здание имеет 2 этажа. Высота этажа 3,3 м. Здание без подвала. При пожаре эвакуация людей из здания будет осуществляться по лестничной клетке. Здание бескаркасное, конструктивная схема здания с продольным и поперечным расположением несущих стен. Пространственная жёсткость обеспечивается за счёт плит перекрытий и их анкеровки.
В проектируемом здании предусмотрены системы отопления, вентиляции, горячего и холодного водоснабжения. Источником теплоснабжения является котельная через наружные тепловые сети.
Проектируемое здание располагается в городе Бобруйске.
По долговечности здание относится ко 2-ой степени, т.к. в нем запроектированы стены из кирпича и срок службы 50 лет. По огнестойкости здание относится ко 2-ой степени, т.к. в нём запроектированы стены из кирпича, перегородки из газоселикатных блоков и кирпича, перекрытие из сборного железобетона, т.е. из несгораемых металлов.
Класс сооружения 2-ой.
V=Азастр×h, где
h-высота здания
А застр – площадь застройки
V-строительный объем
Азастр=316,85 м2
V=316,8м2 × 7.83 = 2481 м3.
К1=Араб./Аобщ. , где
А раб - рабочая площадь
Аобщ – общая площадь т.е. сумма площадей рабочих и подсобных помещений.
К1-планировочный коэффициент.
К1=213.89м2/318.68м2 = 0,68
К2=V/А общ, где
V-строительный объем
К2-объемно планировочный коэффициент
К2=2481м3 / 318,68м2 = 7,8
1.2 Генеральный план
Здание размещается на участке со спокойным рельефом. Кроме него на участке расположены: супермаркет, кинотеатр и автостоянка. Разрывы между зданиями запроектированы с учетом санитарных и противопожарных норм по СНиП 11-60-75. Ширина дорог 6 м, проездов 3,5м, тротуаров 1м. Выполнена координатная привязка здания к осям по строительной геодезической сети.
Для озеленения участка территории применяются лиственные деревья, газонная трава, кустарники и цветочные клумбы.
Технико-экономические показатели к генплану
А уч – площадь участка.
А уч=13950 м2
А застр – Площадь застройки.
А застр =316,85м2.
А дор – Площадь дорог и площадок.
А дор=3207 м2 .
А оз – площадь озеленения.
А оз=Ауч-Азастр-Адор=413950-1988,56-3207=8754,44м2.
К з – плотность застройки.
Кз =Аз/Ауч×100%= 14,25%
К оз- коэффициент озеленения.
К оз=Аоз/Ауч×100%=42,76 %
Кдор- коэффициент дорог и площадок.
К дор = Адор/Ауч×100%= 42,99%
Определение отметок
Черные отметки - отметки, которые имеют углы здания до начала застройки.
Hчер=Hмлгор+m/d*0.5
Точка А расположена на горизонтали со значением равным 119.50 м., следовательно черная отметка этой точки ровна отметке горизонтали -119.50м.
Рисунок 1.1 – Схема генплана к расчёту чёрных и красных отметок
НАч =185.0м
НБч =185.0 + 0.5*2.55/4 =185.32м
НВч =185.0 + 0.5*3.6/4 =185.45м
НГч =185.0 + 0.5*1.1/4 =185.12м
Наибольшую чёрную отметку принимаем за красную НВкр =НВч =185.45м, уклон ί =002
НБкр =185.45 – 12.33*0.02 =185.21м
НГкр =185.45 – 31.6*0.02 =184.82м
НАкр =184.82 – 13.08*0.02 =184.56м
Нпола =ΣНкр/4
Нпола =740.04/4 =185.01м
1.3 Конструктивные решения зданий
Фундаменты
Выбор типа фундаментов, определение глубины заложения и размеров подошвы произведены в соответствии с инженерно-геологическими исследованиями площадки строительства. Основанием фундаментов является песок.
Конструктивные решения разработаны в соответствии с СНБ 2000 «Основания фундаментов зданий и сооружений». Работы должны выполнятся с учётом требований СНиП 3.02.01-83 «Правила производства работ».
Фундаменты запроектированы сборные железобетонные ленточные. Глубина заложения фундаментов – 1500мм. Отметка подошвы – 2400мм.
Ширина плит ленточных фундаментов назначена конструктивно:
- под несущие внутренние стены - 1200мм
- под несущие наружные стены - 1000мм
- под самонесущие стены - 800мм
- под стены лестничной клетки - 800мм
Всего запроектировано 2 типов размеров плит.
Плиты ленточных фундаментов укладывать на тщательно спланированную и утрамбованную поверхность основания.
Монолитные участки выполнять из бетона класса С16/20
Монтаж стен подземной части здания следует выполнять из бетонных блоков на свежем, выровненном по рамке цементном растворе марки 100 класса С16/20 с тщательным заполнением всех горизонтальных и вертикальных швов. Монолитные участки стен подземной части выполняются из бетона марки 100 класса С16/20. Блоки стен подвалов под внутренние стены запроектированы шириной 400мм, под наружные стены запроектирован шириной 600 мм.
Горизонтальная гидроизоляция на отметке -0.600 выполняется из одного слоя гидроизоляционного материала «ИЗОПЛАСТ ХФ ПП2», по выровненной цементным раствором марки 100 поверхности толщиной 100мм.
Для защиты фундамента от поверхностных вод по периметру здания выполняется отмостка из бетона С16/20 шириной 1000мм, толщиной 80мм, по песчаному основанию 100мм. уклон 3-5%.
Стены. Спецификация и ведомость перемычек
В проектируемом здании выполнены стены толщиной 530мм из облегченной кладки с ячеисто-бетонными блоками.
Кладка выполняется из стандартного силикатного полнотелого кирпича с размерами 250*120*65мм., сплошной кладки. Толщина внутренних стен 380мм.
Во внутренних стенах для санузлов предусмотрены вентиляционные шахты(каналы) размерами 140*140мм. Участки стен в местах прохода вентеляционных каналов армировать двумя продольными стержнями диаметром 5 S500 с приваркой поперечных стержней с шагом 100мм, минуя отверстия вентиляционных каналов. В процессе возведения кирпичных стен и перегородок, крепления дверных и оконных коробок, осуществляется при помощи распорных дюбилей. не менее 2-ух по высоте. Над проёмами в стенах уложены сборные ж/б перемычки по слою цементного раствора
М50.
Таблица 1.2 Спецификация перемычек
| Марка. |
Схема сечения. |
| 1 |
2 |
| ПР1 |
 |
| ПР2 |
 |
| ПР3 |
 |
| ПР4 |
 |
| 1 |
2 |
| ПР5 |
 |
| ПР6 |
 |
| ПР7 |
 |
| ПР8 |
 |
| ПР9 |
 |
| ПР10 |
 |
| 1 |
2 |
| ПР11 |
 |
| ПР12 |
 |
Таблица 1.3 – Спецификация элементов перемычек
| Поз. |
Обозначение |
Наименование |
Количество
наэтаж
|
Всего. |
Масса
кг.
|
Примечание.
(бетонм3)
|
| 1 |
2 |
| 1 |
Серия
1.038.1-1
выпуск 1
|
2ПБ22-3-2 |
23 |
23 |
46 |
92 |
C
16/20
|
| 2 |
3ПБ25-8-2 |
5 |
5 |
10 |
162 |
| 3 |
2ПБ16-2-2 |
18 |
12 |
30 |
65 |
| 4 |
2ПБ19-3-2 |
20 |
15 |
35 |
81 |
| 5 |
3ПБ21-8-2 |
4 |
4 |
8 |
137 |
| 6 |
2ПБ13-1-2 |
22 |
27 |
49 |
54 |
| 7 |
3ПБ16-37-2 |
6 |
6 |
12 |
102 |
| 8 |
3ПБ18-37-2 |
1 |
1 |
2 |
119 |
Перегородки
Перегородки межкомнатные запроектированы газосиликатные толщиной 100мм. Швы между перегородками, стенами и потолками тщательно заделываются раствором для обеспечения необходимой звукоизояции в помещениях. В санузлах запроектированы перегородки из кирпича толщиной 120 и 65мм.
Перекрытия
В здании запроектированы сборные железобетонные перекрытия из многопустотных плит толщиной 220мм.
Железобетонные плиты необходимо укладывать на свежеуложенный и выровненный слой цементного раствора М100 толщиной не более 20 мм. Открытые пустоты железобетонных плит, опирающихся на наружные стены, заделывают лёгким бетоном класса С16/20 на глубину 150 мм. Зазор между торцами плит и кладкой в наружных стенах следует заполнять ячеисто-бетонной крошкой с проливкой цементным раствором М100. Швы между плитами заполняются бетоном класса С1620 на мелком заполнителе. Необходимые отверстия для пропуска сетей инженерного оборудования допускается пробивать по месту в плитах размером 150´150мм. Отверстия должны попадать в пустоты плит, не задевая арматуры. После монтажа плит перекрытия каждого этажа выполняется их анкеровка между собой и со стенами с последующим бетонированием анкеров бетоном класса С16/20. Плиты анкеруют арматурой 6мм
Лестница
В здании запроектированы лестницы основного назначения из сборных Ж/Б лестничных маршей и площадок, расположенными в лестничных клетках, ограждаемой капитальными стенами.
Ж/Б лестничные марши и площадки выбирают по каталогу на основании расчета. Ширина лестничного марша 1200 мм , лестничной площадки 1500 и 1000мм. Зазор между лестничными марами 200мм для свободного пропуска пожарного шланга.
Расчет размеров лестничной клетки
А=а+200+а=1200+200+1200=2600мм, где а-ширина лестничного марша.
Высота марша: h=hэт/2=3300/ 2 =1650 мм.
Количество подступенков: n=h/150=1650 /150 = 11 шт.
Число проступей: n= 11 шт.
Длина горизонтальной проекции марша: Lм=3520 мм.
Ограждение на лестницах устраиваются металлические с деревянными поручнями. Стойки ограждения привариваются к закладным деталям марша. Высота ограждения лестницы составляет 900 мм. Перед входом в здание устраивается бетонная лестница.
Кровля.
В здании запроектирована скатная кровля из металлочерепицы. Металлочерепица марки: МП МОНТЕРРЕЙ (высота профиля – 39мм, толщина листа – 0,5мм, длина профилированного листа – до 8м). Угол наклона стропил <=30°.
Кровля выполняется в облегченном варианте. В качестве стропил применяются доски 150·50мм сбитые друг с другом по всей длине с помощью бобышек такого же сечения. Таким образом конечный размер стропил 150·150мм; Подкос – 100·100мм. Также применяют затяжки для придания дополнительной жесткости кровле – бруски 150·50мм; Обрешетка из брусков 100·32мм с шагом 350мм; Стропильная система скрепляется с помощью гвоздей К.5.0·150.
Крепление металлочерепицы выполняют самонарезающими шурупами RА 4,8·6 в перегибе волны профиля ниже поперечной канавки. Расход: 5-6 шурупов на м2, крепление края на каждой второй волне. Монтаж же самой черепицы начинают с торца двускатной кровли (с точки соприкосновения скатов и скоса вальмовой крыши).
В здании предусмотрен организованный водоотвод атмосферных осадков в виде подвесных желобов и водосточных труб.
Полы. Экспликация полов
В помещениях здания принимаются следующие типы полов:
-санузел – плиточный
-помещения персонала – паркетные
-каридоры, тамбуры – мазаичные
-помещения обслуживания – плиточный
Таблица 1.4 – Экспликация полов
| Помещения |
Тип пола |
Схема пола |
Элементы и их толщина |
М2 |
| 1,2,10 |
Мозаичный |
 |
Покрытие мозаичное 35
Стяжка 40
Гидроизоляция
Утеплитель легкий бетон 200
Слой бетона 100
Песчаная подсыпка 600
Естественный грунт
|
74,34 |
3,4,5,6,7,8,
9,11,13,14
|
Плиточный |
 |
Керамическая плитка 13
Прослойка из цем.-песч. р-ра 15
Стяжка 40
Гидроизоляция
Утеплитель легкий бетон 200
Слой бетона 100
Песчаная подсыпка 600
Естественный грунт
|
127,94 |
| 12 |
Паркетные |
 |
Паркетная доска22
Слой фанеры
Стяжка 40
Гидроизоляция
Утеплитель легкий бетон 200
Слой бетона 100
Песчаная подсыпка 600
Естественный грунт
|
10,66 |
| 15,16,19,26 |
Мозаичный |
 |
Покрытие Мозаичное 35
Стяжка 40
Плита Ж/Б 220
|
67,65 |
17,18,20,
21,22
|
Плиточный |
 |
Керамическая плитка 13
Стяжка из цем.-песч. р-ра 20
Слой гидроизоляции
Стяжка из цем.-песч. р-ра 20
Плита Ж/Б 220
|
99,67 |
| 23 |
Паркетные |
 |
Паркетная доска22
Слой фанеры
Стяжка из цем.-песч. р-ра 20
Плита Ж/Б 220
|
13,26 |
| 24,25 |
Плиточный |
 |
Плитка керамическая 13
Бетонная стяжка 40
Гидроизоляция
Слой бетона для создания уклона
Плита Ж/Б 220
|
25,16 |
| Чердак |
Бетонный |
 |
Стяжка 40
Утеплитель 360
Пароизоляция 1слой
Плита Ж/Б
|
275,02 |
До устройства полов выполнить монтаж скрытых инженерных коммуникаций. Полы в санузлах выполнять ниже уровня полов основных помещений, на лестничной клетке и коридорах подъезда – выше уровня основных помещений.
Окна и двери. Спецификация элементов заполнения проемов
Естественное освещение помещений обеспечивается через окна. В здании приняты окна ПВХ с тройным стеклопакетом.
Входные двери двупольные. Коробка усиленная, навеска на три петли. По периметру дверной коробки устраивается пенополиуретановая уплотняющая прокладка. Внутренние двери помещения имеют обвязанное полотно, дверные коробки без прогонов. Навеска на две петли. Расход дюбелей на установку двери – 6шт.
Таблица 1.5 – Спецификация элементов заполнения проемов
| Поз. |
Обозначение |
Наименование |
Количество на этаж |
| 1 |
2 |
Всего |
| Окна |
| ОК1 |
СТБ 1108-98 |
ОП3С 16-16ПГ |
7 |
7 |
14 |
| ОК2 |
ОП3С 16-13ПГ |
3 |
4 |
7 |
| ОК3 |
ОП3С 16-10ПГ |
3 |
4 |
7 |
| Двери |
| 1 |
--- |
ДНДГ 21-15 |
1 |
- |
1 |
| 2 |
СТБ 1138-98 |
ДВДГ 21-12 |
1 |
1 |
2 |
| 3 |
--- |
ДВДО 21-9 |
4 |
2 |
6 |
| 4 |
--- |
ДВДГ 21-9 |
7 |
9 |
16 |
| 5 |
--- |
ДВДГ 21-7 |
2 |
4 |
6 |
| 6 |
СТБ 939-93 |
БДР 21-9 |
1 |
- |
1 |
1.4 Наружная и внутренняя отделка здания
Внешняя отделка здания заключается в расшивке швов. Цоколь отделан улучшенной штукатуркой. Внутри здания стены, перегородки и откосы оштукатуриваются. На лестничной клетке, в общих коридорах и помещениях бытового обслуживания стены окрашиваются масляной краской на высоту 1,7м от пола, остальное расстояние окрашивается известковой краской; помещения персонала оклеиваются обоями по заранее оштукатуренным стенам. Потолки в здании окрашиваются водными составами. Двери покрываются двумя слоями масляной краски. Радиаторы отопления окрашиваются под тон стен два раза масляной краской.
| Наименование помещений |
Вид отделки элементов интерьеров |
Примеч |
| Потолок |
Площ., м2 |
Стены и перегородки |
Площ., м2 |
Панели |
Площ., м2 |
| 1-11,13-22,26 |
Окраска на водной основе |
369,6 |
Окраска |
781,1 |
- |
- |
| 12,23 |
Окраска на водной основе |
23,97 |
Оклейка обоями |
136,8 |
- |
- |
| 24,25 |
Окраска на водной основе |
25,16 |
Облицовка плиткой |
122,3 |
- |
- |
1.5 Инженерное оборудование здания
Проект разработан в соответствии со СНиП 2.04.01-85 «Внутренний водопровод и канализация зданий», СНиП 2.08.02-89 «Общественные здания и сооружения».
Монтаж санитарно-технических систем должен производится в строгом соответствии со СНиП 3.05.01-85 «Внутренние санитарно-технические системы».
Отопление – центральное от наружных тепловых сетей. Система отопления однотрубная с нижней разводкой. Система отопления предполагается с автоматическим пуском тепла, вертикальная с чугунными нагревательными приборами типа МС-140 и прокладкой магистральных трубопроводов в подвале. Установка запорной арматуры предусматривается: на вводах, у основания стояков, на подводках к санитарно-техническим приборам.
Водопровод – хозяйственно-бытовой от наружной сети. Система внутреннего водопровода выполнена из металлических труб диаметром 32 мм. Отвод хозяйственных стачных вод предусматривается во внешнюю канализацию через выпуски диаметром
100 мм. Внутренняя канализационная сеть проектируется из чугунных труб по ГОСТ 69.42.3-80 диаметром 100 мм.
Электроснабжение – от наружной сети напряжением 380/220 В.
Слаботочные устройства – радио, телефон.
Устройства связи – радиотрансляция, телетрансляция.
Освещение – естественное через окна и искусственное от люминесцентных ламп.
Вентиляция – приточно-вытяжная, приток с механическим побуждением, вытяжка – естественная.
Таблица 1.7 – Спецификация основных сборных индустриальных элементов
| Поз. |
Обозначение |
Наименование |
Кол. |
Масса, кг |
Прим., Vбет. |
| Плиты перекрытия |
| 1 |
Серия Б1.041.1-3 |
ПК72.12 |
22 |
3200 |
2.16 |
| 2 |
Серия 1.141-3 в1 |
ПК51.12 |
4 |
1800 |
1.33 |
| 3 |
Серия 1.141-1 в1 |
ПК60.12 |
26 |
2100 |
1.57 |
| 4 |
Серия Б1.041.1-3 |
ПК60.15 |
8 |
2800 |
1.97 |
| 5 |
Серия Б1.041.1-3 |
ПК56.15 |
2 |
2600 |
1.85 |
| 6 |
Серия 88Р10.2-1 |
ПК30.12 |
2 |
1080 |
0.78 |
| 7 |
Серия Б1.041.1-3 |
ПК30.15 |
6 |
1425 |
0.97 |
| Лестничные площадки |
| 1 |
Серия 1.252.1-4 |
ЛПФ 28.11-5 |
2 |
1100 |
0,438 |
| 2 |
Серия 1.252.1-4 |
ЛПФ 14.11-3 |
2 |
985 |
0,325 |
| Лестничные марши |
| 2 |
Серия 1.151.1-6 |
2ЛМФ39.12.17 |
4 |
1520 |
0,607 |
| Фундаментные подушки |
| 1 |
Серия Б1.0112.1-1.99 |
ФЛ12.24-1-4 |
9 |
2060 |
0,82 |
| 2 |
Серия Б1.0112.1-1.99 |
ФЛ12.12-1-4 |
1 |
0,78 |
0,31 |
| 3 |
Серия Б1.0112.1-1.99 |
ФЛ10.24-1-4 |
16 |
1,38 |
0,55 |
| 4 |
Серия Б1.0112.1-1.99 |
ФЛ10.12-1-4 |
5 |
0,65 |
0,26 |
| 5 |
Серия Б1.0112.1-1.99 |
ФЛ8.24-1-4 |
18 |
1,15 |
0,46 |
| 6 |
Серия Б1.0112.1-1.99 |
ФЛ8.12-1-4 |
15 |
0,5 |
0,2 |
| Фундаментные блоки |
| 7 |
Б1.016.1-1 в1.98 |
ФБС24.4.6 |
31 |
1300 |
0.543 |
| 8 |
Б1.016.1-1 в1.98 |
ФБС24.5.6 |
49 |
1630 |
0.679 |
| 9 |
Б1.016.1-1 в1.98 |
ФБС12.4.6 |
17 |
640 |
0.265 |
| 10 |
Б1.016.1-1 в1.98 |
ФБС12.5.6 |
36 |
790 |
0.331 |
| Плиты вент. шахт |
| 1 |
Б1.134-7вып.1 |
ВП-З |
2 |
240 |
0,095 |
Экспликация помещений
| № |
Наименование |
Площадь м2 |
| 1 |
Помещения для посетителей |
56.85 |
| 2 |
Бюро обслуживания |
6.01 |
| 3 |
Ремонт часов |
6.3 |
| 4 |
Ремонт сложной бытовой техники |
23.56 |
| 5 |
Женский зал парикмахерской |
19.72 |
| 6 |
Помещение мытья и окраски волос |
8.92 |
| 7 |
Подсобная, кладовая |
9.62 |
| 8 |
Мужской зал парикмахерской |
10.36 |
| 9 |
Изготовление и ремонт обуви |
17.68 |
| 10 |
Кладовая |
11.48 |
| 11 |
Помещение звукозаписи |
7 |
| 12 |
Комната персонала |
10.66 |
| 13 |
Электрощитовая |
3.5 |
| 14 |
Венткамера, тепловой узел |
21.28 |
| 15 |
Кладовая инвентаря |
3.75 |
| 16 |
Коридоры, тамбуры |
13.05 |
| 17 |
Изготовление одежды и головных уборов |
26.36 |
| 18 |
Примерочная кабина |
4.6 |
| 19 |
Кладовые |
12.2 |
| 20 |
Зал фотосъемки для документов |
17.68 |
| 21 |
Зал для групповой съемки |
37.4 |
| 22 |
Помещение для обработки фотоматериалов |
13.63 |
| 23 |
Контора |
13.26 |
| 24 |
Гардеробные с душевыми |
20.06 |
| 25 |
Уборные |
5.1 |
| 26 |
Коридоры |
38.65 |
2 Расчетно-конструктивная часть
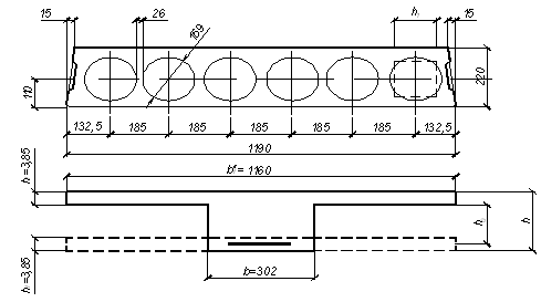
2.1 Расчет железобетонной плиты перекрытия ПК 51.12.
Исходные данные.
По степени ответственности здание относится ко второму классу (коэффициент надежности по назначению конструкций γn=0,95.). По условиям эксплуатации ХО. Номинальные размеры плиты B=1,2м,L=5,1м. Конструктивные размеры Lк=5,08м, Bк=1,19м. Плита с предварительным напряжением изготовлена из бетона класса С20/25 с рабочей арматурой S800, натягиваемой электротермическим способом на упоры форм.
Подсчет нагрузок на 1м2 перекрытия.
Таблице 2.1 – Подсчет нагрузок на 1м2 перекрытия
| Вид нагрузки |
Нормативная нагрузка кН/м2 |
Частный коэффициент безопасности по нагрузке γf |
Расчётная нагрузка кН/м2 |
Постоянная
1. Стяжка цементно-песчаная.
0,02·20 кН/м3
2. Утеплитель.
0,3 · 4 кН/м3
3. Пароизоляция.
0,003·6 кН/м3
4. Ж/б плита.
0,11·25 кН/м3
|
0,4
1,2
0,018
2,75
|
1,35
1,35
1,35
1,15
|
0,54
1,62
0,024
3,71
|
| Итого постоянная |
gк=4,37 |
gd=5,89 |
| Временная |
qк=0,7 |
1,5 |
qd=1,05 |
| Полная нагрузка |
gк+qк=5,07 |
gd+qd=6,94 |
Расчетная нагрузка на 1 м длины плиты при ширине B=1,2м.
(gd + qd ) = 6,94 кН/м2 · 1,2м = 8,33 кН.
Определение расчетного пролета панели.
Рисунок 2.1 - Определение расчетного пролета leff
leff = 5200 - (200+190) + · 135 + · 135 = 4000 мм = 4,9м.
Определение расчетной схемы панели и максимальных расчетных усилий Msd,max, Vsd,max .
Максимальный изгибающий момент:
Мsd.max = (2.1)
Мsd.max= = 25 кН∙ м
Максимальная поперечная сила:
Vsd,max = (2.2)
Vsd.max= = 20,41 кН∙м.
Рисунок 2.2 - Расчетная схема панели и эпюры “Msd” и ”Vsd”.
Определение размеров расчетного (эквивалентного) сечения.
Рисунок 2.3 – Действительное и расчетное поперечное сечение плиты
Для получения расчетного (эквивалентного) сечения круглые пустоты панели заменяются на квадратные равной площади со стороной квадрата равной:
h1 = 0,9 ∙ в = 0,9 ∙ 159 = 143,1 мм. h’f = = = 38,45 мм = 3,845 см;
bw = b’f – n ∙ h1 = 1460 – 6 ∙ 143,1 = 601,4мм = 60,14 см.
Расчет рабочей арматуры.
Расчетное сечение тавровое, геометрические размеры которого показаны на ри-сунке 2.6. Бетон тяжелый класса С20/25, для которого fsk = 20МПа.
fсd = = = 13,33 МПа.
где γс – частный коэффициент безопасности для бетона.
Рабочая арматура класса S800, для которой fpk = 800 МПа, fpd = 640 МПа (таблица 6.6)[1]. Расчет рабочей арматуры плиты производится исходя из методики расчета изгибаемых элементов по альтернативной модели в предположении прямоугольной эпюры распределения напряжений в сжатой зоне бетона. Для то-го, чтобы определить случай расчета необходимо установить нахождение нейтральной оси, проверив выполнение условие 2.15:
М’f ≥ Мsd.max (2.3)
где М’f - изгибающий момент, воспринимаемый полкой таврового сечения и определяемый по формуле:
М’f = α ∙ fсd ∙ b’f ∙ h’f ∙(d – 0,5∙ h’f ) (2.4)
где в = h – c = 220 - 30 = 190мм.
c= ccov + (2.5)
c= 20 +
ccov – минимальный защитный слой бетона для условий эксплуатации ХО.
¢ - предполагаемый максимальный диаметр арматуры.
Для тяжелого бетона принимаем α = 0,85.
М’f = 0,85 ∙ 13,33 ∙ 1160 ∙ 38,5 ∙ (190 – 0,5∙ 38,5) = 86,4∙106 Н∙мм = 86,4кН∙м.
Так как условие 2.15 выполняется, то нейтральная ось располагается в полке, и сечение рассчитываем как прямоугольное с шириной b’f . Определяем значение коэффициента αm :
αm = (2.6)
αm = =0,05; при найденном значении αm определяем ξ и η:
ξ = 0,107, η = 0,963.
Значение граничной относительной высоты сжатой зоны сечения ξlim, при кото-ром предельное состояние элемента наступает одновременно с достижением в рас-тянутой арматуре напряжения равного расчетному сопротивлению, определяем по формуле:
ξlim = (2.7)
где ω – характеристика сжатой зоны бетона, определяемая:
ω = kc – 0,008 ∙ fсd (2.8)
где k – коэффициент, принимаемый для тяжелого бетона 0,85;
ω = 0,85 – 0,008 ∙ 13,33 = 0,743.
σsc,u – предельное напряжение в арматуре сжатой зоны сечения, принимаемое равным 500Н/мм2;
σ s,lim – напряжение в арматуре, определяемое при наличии напрягаемой арматуры по формуле:
σ s,lim = fpd + 400 – σpm,t – ∆ σpm,t (2.9)
где σpm,t = γsp ∙ σ0,max (2.10)
где σ0,max – величина предварительного напряжения в арматуре. В соответствии с указаниями пункта 9.8 предварительное напряжение σ0,max= (0,5…0,9) ∙ fpk следует
назначить с учетом допустимых отклонений p, таким образом, чтобы выполнялось условие:
σ0,max + p ≤ 0,9 ∙ fpk (2.11)
σ0,max - p ≥ 0,3 ∙ fpk
где p – максимально допустимое отклонение значение предварительного на-пряжения, вызванное технологическими причинами.
При электротермическом способе натяжения арматуры:
p = 30 + (2.12)
где l – длина натягиваемого стержня (расстояние между наружными гранями упоров), м.
p = 30 + = 100,59 МПа.
Принимаем значение σ0,max = 0,7 ∙ 800 = 560 МПа.
560 + 100,59 = 660,59 МПа < 0,9 ∙ 800 = 720 МПа.
560 – 100,59 = 459,41 МПа > 0,3 ∙ 800 = 240 МПа.
Следовательно, требования выполняются.
γsp – коэффициент точности натяжения арматуры, определяемый:
γsp = 1 - ∆ γsp (2.13)
∆ γsp = 0,5  ≥ 0,1 (2.14)
где np = 4 – число напрягаемых стержней.
∆ γsp = 0,5  = 0,13
γsp = 1 – 0,13 = 0,87; σpm,t = 0,87 ∙ 560 = 487,2 МПа.
∆ σpm,t – напряжение от неупругих относительных деформаций напрягаемой армату-ры, определяемое:
∆ σpm,t = - 1200 ≥ 0 (2.15)
∆ σpm,t = - 1200 = - 58,1, принимаем ∆ σpm,t = 0.
σs,lim = 640 + 400 – 487,2 – 0 = 552,8 МПа.
ξlim = = 0,547;
ξ = 0 < ξlim = 0,555, следовательно, fpd при расчете требуемой арматуры необ-ходимо принимать с коэффициентом γsn, определяемым:
γsn = η - (η - 1) ∙ ≤ η (2.16)
где η – коэффициент, принимаемый для арматуры класса S800 равным 1,15.
γsn = 1,15 - (1,15 - 1) ∙ = 1,24 > η = 1,15 принимаем γsn = η = 1,15.
Требуемая площадь сечения напрягаемой арматуры:
Asp= (2.17)
Asp= = 176,36 мм2;
По таблице сортамента принимаем 4 стержня диаметром 10 мм, для которых Asp= 314 мм2 > As,min= = = 86,07 мм2. Где pmin = 0,15% по таблице 11.1.[1].
Уточняем значение рабочей высоты сечения d:
d = h – c = 220 - (20 + ) = 195мм.
2.1.7. Определение геометрических характеристик приведенного сечения.
Рисунок 2.4 – Приведенное сечение плиты
Отношение модулей упругости:
αЕ = (2.18)
где Есm,n = 0,9 ∙ 32 ∙ 103 МПа – модуль упругости бетона класса С20/25 марки П2 по удобоукладываемости, подвергнутого тепловой обработке (таблица 6.2).
Еs = 20 ∙ 104 МПа – модуль упругости для напрягаемой арматуры.
Еs1 = 20 ∙ 104 МПа – модуль упругости для ненапрягаемой арматуры.
αЕ = = 6,94; αЕ1 = = 6,94.
Площадь приведенного сечения:
Аred = Ас + αЕ ∙Аsp + αЕ1 ∙Аsc (2.19)
где Ас = 1160 ∙ 38,5 +1160 ∙ 38,5 + 302 ∙ (220 - 38,5 - 38,5) = 132,51∙103 мм2.
Аsс = 101 мм2 – площадь поперечного сечения 8 продольных стержней диаметром 4 мм класса S500 сетки С-1 марки ∙1140 ∙ 5030 ∙ по ГОСТ 8478-81.
Аred = 132,51∙103+6,94∙314+6,94∙101=135,39∙103 мм2.
Статический момент площади приведенного сечения относительно его нижней грани:
Sred = Sс + αЕ ∙Ssp + αЕ1 ∙Ssc (2.20)
Sс = b’f ∙ h’f ∙( h – 0,5∙ h’f ) + bf ∙ hf ∙ 0,5∙ hf + bw ∙ ( h – h’f – hf ) ∙ 0.5 ∙ h (2.21)
Sс =1160∙38,5∙(220–0,5∙38,5)+1190∙38,5∙0,5∙38,5+302∙(220–38,5 –38,5)∙0,5∙220 = =14,6∙103 мм3.
Ssp = Аsp ∙ с = 314 ∙ 25 = 7850 мм3;
Ssс = Аsс ∙ (h –c1) = 101 ∙ (220 – 17) = 19998 мм3;
Sred = 14,6 ∙106 + 6,94 ∙ 7850 + 6,94∙19998 = 14,79∙106 мм3;
Расстояние от нижней грани до центра тяжести приведенного сечения:
y0 = (2.22)
y0 = = 109,24мм < 110мм.
Момент инерции приведенного сечения относительно оси центра тяжести:
Ired= Iс + αЕ ∙ Ssp ∙ y12 + αЕ1 ∙ Asc ∙ y22 (2.23)
где
Iс=
(2.24)
Iс =
y1 = y0 – c = 109,24 – 25 = 84,24 мм; y2 = h0 – y0 – c1 = 220 – 109,24 – 17 = 93,76 мм.
Ired = 7,57 ∙ 108 +6,94 ∙ 314 ∙ 84,242 + 6,94 ∙ 101 ∙ 93,762 = 7,79 ∙108мм2.
Определение потерь предварительного напряжения.
Начальное растягивающее напряжение не остается постоянным, а с течением времени уменьшается независимо от способа натяжения арматуры на упоры или бетон.
Согласно норм, все потери предварительного напряжения разделены на две группы:
- технологические потери (первые потери в момент времени t = t0);
- эксплуатационные потери (вторые потери в момент времени t > t0).
Технологические потери
Потери от релаксации напряжений арматуры. При электротермическом спо-собе натяжения арматуры:
∆ Pir = 0,03 ∙ σ0,max ∙ Asp (2.25)
∆ Pir = 0,03 ∙ 560 ∙ 314 = 5,28 кН.
Потери от температурного перепада, определяемого как разность температур натянутой арматуры в зоне нагрева и устройства, воспринимающего усилие натя-жения при нагреве бетона, следует рассчитывать для бетонов классов от С12/15 до С30/37 по формуле:
∆P∆Т = 1,25 ∙ ∆Т ∙ Asp
где ∆Т – разность между температурой нагреваемой арматурой и неподвижных упоров (вне зоны прогрева), воспринимающих усилия натяжения. При отсутствии точных данных допускается принимать ∆Т = 650С.
∆P∆Т = 1,25 ∙ 65 ∙ 314 = 25,52 кН. (2.26)
Потери от деформации анкеров, расположенных в зоне натяжных устройств ∆PA. При электротермическом способе натяжения арматуры ∆PA = 0.
Потери, вызванные проскальзыванием напрягаемой арматуры в анкерных ус-тройствах ∆Psl. При натяжении арматуры на упоры ∆Psl не учитываются.
Потери, вызванные деформациями стальной формы ∆Pf, в расчете не учиты-ваются, т.к. они учитываются при определении полного удлинения арматуры.
Потери, вызванные трением арматуры о стенки каналов или о поверхность бетона конструкций ∆Pμ(х). При изготовлении конструкций с натяжением арматуры на упоры будут ∆Pμ(х) отсутствовать.
Потери, вызванные трением напрягаемой арматуры об огибающие приспосо-бления ∆Pμ(х), также не учитываются при данном методе натяжения арматуры.
Потери, вызванные упругой деформацией бетона ∆Pс, при натяжении на упоры определяется:
∆Pс = αЕ ∙ pp ∙ (2.27)
где pp = = = 0,0024;
zcp – расстояние от центра тяжести напрягаемой арматуры до центра тяжести приведенного сечения.
zcp = y0 – c = 109,24 – 25 = 84,24 мм;
Pос – усилие предварительного напряжения с учетом потерь, реализованных к мо-менту обжатия бетона:
Pос = σpm,t ∙ Asp - ∆Pir - ∆P∆Т (2.28)
Pос = - 5,28 – 25,52 = 122,18 кН;
∆Pс = 6,94 ∙ 0,0024 ∙ =4,56 кН.
Усилие предварительного обжатия Pm,0 к моменту времени t = t0, действующее непосредственно после передачи усилия предварительного обжатия на конструк-цию, должно быть не более:
Pm,0 = σpm,0 ∙ Asp ≤ 0,75 ∙ fpk ∙ Asp (2.29)
Величину Pm,0 определяют (как для элементов с натяжением арматуры на упоры):
Pm,0 = P0 - ∆P0 - ∆Pir - ∆PA - ∆Pμ(х) - ∆Pf (2.30)
Pm,0 = – 4,56–5,28 - 0 – 25,52 – 0 – 0 = 117,62кН < 0,75 ∙ 800 ∙314 = 188,4 кН; - условие выполняется.
Эксплуатационные потери (потери в момент времени t > t0).
Реологические потери, вызванные ползучестью и усадкой бетона, а также дли-тельной релаксацией напряжений в арматуре определяются:
∆Pt (t) = ∆σp,c ∙ Asp (2.31)
где ∆σp,c – потери предварительного напряжения, вызванные ползучестью, усад-кой и релаксацией напряжений на расстоянии «х» от анкерного устройства в момент времени «t».
∆σp,c = (2.32)
где - ожидаемое значение усадки бетона к моменту времени «t», определя-емое по указаниям СНБ 5.03.01-02.
= + (2.33)
где - физическая часть усадки при испарении из бетона влаги, определяемая по таблице 6.3 СНБ 5.03.01-02, при = и RH = 50%.
= -0,645 ∙ 10-3;
- химическая часть усадки обусловленная процессами твердения вяжущего:
= βas ∙ εc,a,∞
где εc,a,∞ = -2,5 ∙ (fсk - 10) ∙ 10-6 ≤ 0 (2.34)
εc,a,∞ = -2,5 ∙ (20 - 10) ∙ 10-6 = -25 ∙ 10-6 ≤ 0
βas = 1 - e(-0,2∙t 0,5), так как t = 100 суток, то βas = 1 – 2,71(-0,2∙t 0,5) = 0,865;
= 0,865 ∙ (-25∙10-6 ) = -21,625 ∙ 10-6 ; = -0,645∙10-3 - 21,625∙10-6=-666∙10-6.
- коэффициент ползучести бетона за период времени от t0 до t, определенные по указаниям подраздела 6.1 или по приложению Б СНБ. определяем по номо-грамме, показанной на рисунке 6.1 а при RH = 50%.
h0 = (2.35)
где u – периметр поперечного сечения элемента.
u = 2 ∙ (b’f + bf) + 2∙ h - 2 ∙ bw = 2 ∙ (1190+ 1190) + 2∙ 220 - 2 ∙ 302 = 4596 мм.
= 5,6.
σcp – напряжение в бетоне на уровне центра тяжести в напрягаемой арматуре, от, практически, постоянной комбинации нагрузок, включая собственный вес.
σcp = (2.36)
σcp = = 2,7 МПа.
σcp,0 – начальное напряжение в бетоне на уровне центра тяжести напрягаемой арматуры от действия усилия предварительного обжатия (с учетом первых потерь) в момент времени t = t0:
σcp,0 = (2.37)
σcp,0 = = 1,76 МПа.
∆σpr – изменение напряжений в напрягаемой арматуре в расчетном сечении, вы-званные релаксацией арматурной стали. Допускается определять по таблицам 9.2 и 9.3 [1] в зависимости от уровня напряжений . Принимаем = .
- напряжения в арматуре, вызванные натяжением (с учетом первых потерь в момент времени t = t0) и действием практически постоянной комбинации нагру-зок:
= + σcp (2.38)
= + 2,7 = 377,29 МПа; для = = 0,47.
Для третьего релаксационного класса арматуры потери начального предварите-льного напряжения составляют 1,5% (таблица 9.2), тогда
∆σpr = ∙ = ∙ 560 = 8,4 МПа.
В формуле 2.38 сжимающие напряжения и соответствующие относительные де-формации следует принимать со знаком « + ».
Так как αp ∙ ∙ (σcp + σcp,0) = 6,59 ∙ 5,6 ∙ (-2,7+ 1,76) = -34,7 < 0, поэтому указанное произведение принимаем в формулу 2.32 равным нулю.
σp,с = = 120,17 Н/мм2.
Подставляем в формулу 2.31:
∆Pt (t0) = 120,17 ∙ 314 = 37,73 кН.
Среднее значение усилия предварительного обжатия Pm,t в момент времени t>t0 (c учетом всех потерь) при натяжении арматуры до упора следует определять по фо-рмуле:
Pm,t = Pm,0 - ∆Pt (t) (2.39)
но не принимать больше, чем это установлено условиями 2.52:
Pm,t ≤ 0,65 ∙ fpk ∙ Asp (2.40)
Pm,t ≤ P0 - 100 ∙ Asp
Pm,t = 117,62 – 37,73 = 79,89 кН < 0,65 ∙ 800 ∙ 314 = 163,28 кН;
Pm,t = 79,89 кН < 487,2 ∙ 314– 100 ∙ 314 = 123,34 кН.
Условие 2.40 выполняется.
Расчет плиты по сечении наклонному к продольной оси.
Поперечная сила от полной расчетной нагрузки Vsd= 20,41 кН с учетом коэффи-циента γn= 0,95: Vsd1= Vsd ∙ γn = 20,41 ∙ 0,95 = 19,37 кН.
Расчет производится на основе модели наклонных сечений.
Проверить прочность плиты по наклонной полосе между наклонными трещина-ми в соответствии с условием:
Vsd ≤ Vrd,max (2.41)
Vrd,max = 0,3 ∙ ηω1 ∙ ηс1 ∙ fсd ∙ bw ∙ в (2.42)
ηω1 = 1+ 5 ∙ αЕ ∙ psw ≤ 1,3 (2.43)
Отношение модулей упругости:
αЕ = (2.44)
где Есm,n = 0,9 ∙ 32 ∙ 103 МПа – модуль упругости бетона класса С20/25 марки П2 по удобоукладываемости, подвергнутого тепловой обработке.
Еs = 20 ∙ 104 МПа – модуль упругости арматуры.
αЕ = = 6,94;
psw = (2.45)
= 113 мм2 – площадь сечения четырех поперечных сечений диаметром 6 мм из арматуры класса S240.
bw = 302 мм – ширина ребра расчетного сечения.
S ≤ , S ≤ 150 мм – шаг поперечных стержней каркаса Кр-1 плиты.
S ≤ = 110 мм, принимаем S = 100 мм.
psw = = 0,0037 > psw,min = 0,0009; psw,min определено по таблице 11.2 СНБ 05.03.01-02.
ηω1 = 1 + 5 ∙ 6,94 ∙ 0,0037 = 1,13 < 1,3.
ηс1 – коэффициент определяемый по формуле:
ηс1 = 1 – β4 ∙ fсd (2.46)
где β4 – коэффициент, принимаемый для тяжелого бетона равным 0,01;
ηс1 = 1 – 0,01 ∙ 13,33 = 0,867
Vrd,max = 0,3 ∙ 1,13 ∙ 0,867 ∙ 13,33 ∙ 302 ∙ 195 = 230,72 кН.
Vsd1 = 19,35 кН < Vrd,max = 230,72 кН.
Следовательно, прочность по наклонной полосе между наклонными трещинами обеспечена.
Определим поперечную силу, воспринимаемую бетоном и поперечной арматурой:
Vrd = 2 (2.47)
- коэффициент, принимаемый для тяжелого бетона равным 2,0, учитывает влияние вида бетона;
- коэффициент, учитывающий влияние сжатых полок в тавровых и двутавро-вых элементах и определяется:
= 0,75 ≤ 0,5 (2.48)
При этом b’f - bw ≤ 3h’f : 1160-302 = 858мм > 3 ∙ 38,5 = 115,5мм.
Для расчета принимаем b’eff - bw = 115,5мм.
= 0,75 ∙ = 0,076 < 0,5.
η N - коэффициент, учитывающий влияние продольных сил:
η N =0,1∙ ≤ 0,5 (2.49)
Для предварительно напряженных элементов N cd подставляем усилие предва-рительного обжатия: N cd = Pm,t 79,89 кН.
fсtd = = = 1,0;
= 1,5 МПа – по таблице 6.1 СНБ 05.03.01-02.
η N =0,1∙ = 0,136< 0,5; 1+ ηf + ηN = 1+ 0,076 + 0,136 = 1,212 < 1,5.
- усилие в поперечных стержнях на единицу длины элемента:
= (2.50)
где = 157 МПа – расчетное сопротивление поперечной арматуры по таблице 6.5 СНБ 05.03.01-02.
= = 177,4 Н/мм2; Vrd = 2 = 140,54 кН.
Следовательно, прочность на действие поперечной силы по наклонной трещине обеспечена.
Расчет монтажных петель.
Монтажные петли расположены на расстоянии 350 мм от торца плиты. Нагрузка от собственного веса плиты составит:
P = G ∙ ∙ (2.51)
где G – собственный вес плиты;
= 1,15 – коэффициент безопасности по материалу;
= 1,4 – коэффициент динамичности при монтаже.
G = g ∙ S (2.52)
S – площадь плиты;
g = 2,75 кН/м2 – собственный вес 1м2 плиты;
G = 2,75 ∙ 5,08 ∙ 1,19 = 16,62 кН.
P = 16,62 ∙ 1,15 ∙ 1,4 = 26,76 кН.
В соответствии с указаниями норм при подъеме плоских изделий за 4 петли масса изделия считается распределенной на 3 петли, тогда:
P1 = (2.53)
P1 = = 8,92 кН.
Определяем требуемую площадь поперечного сечения одной плиты из стали класса S240, для которой fyd = 218 МПа.
Ast = (2.54)
Ast = = 40,92 мм2;
Принимаем арматуру диаметром 14 мм с Ast = 153,9 мм2 класса S240 (с учетом усилия, приходящегося при подъеме на одну петлю).
2.2 Расчёт лестничного марша марки ЛМФ 39.12.17
По степени ответственности здание относится к классу 2 (коэффициент надежности по назначению конструкции =0.95), по условиям эксплуатации – Х0
Исходные данные
Ширина лестничного марша – 1,2м, длина – 3,913м, угол наклона марша =27°, =0,891.
Бетон тяжелый класса С20/25, расчетное сопротивление сжатию которого ( =1,5 – частичный коэффициент безопасности для бетона), расчетное сопротивление растяжению = = =1,0МПа
определяется по таблице 6.1[1].
Рабочая арматура S400, арматура сетки и каркасов Кр-2, Кр-3 S500(провол.), расчетное сопротивление растяжению арматуры S400 =365 МПа (табл.6.5[1]); расчетное сопротивление проволочной арматуры класса S500 растяжению =410 МПа (табл.6.5[1]).
Модуль упругости арматуры =20·104МПа (п.6.2.1.4[1]).
Собственный вес марша составляет = =3,08 .
При расчете лестничный марш рассматривается как балка таврового сечения на двух опорох.
Определение нагрузок и усилий
Таблица 5.1-Нагрузки на 1м2 горизонтальной проекции марша
| Вид нагрузки и подсчет |
Нормативная нагрузка,
кН/м2
|
Коэффициент надежности по нагрузке |
Расчетная нагрузка,
кН/м2
|
1.Постоянная
собственный вес марша ограждения и поручни
|
3,08
0,2
|
1,35
1,35
|
4,16
0,27
|
| Итого |
=3,28 |
=4,43 |
| 2.Переменная |
=3,0 |
1,5 |
=4,5 |
| Полная |
+ =6,28 |
+ =8,93 |
Нагрузка на 1 метр длины марша, действующая по нормали к его оси:
( + )· ·cos (2.55)
8,93кН/м2·1,2м·0,891=9,55/м.
Рисунок 5.1-Определение расчетного пролета

= -98-2· · (2.56)
Где =90мм – величина опирания марша на консольные выступы лобового ребра лестничных площадок.
=3913мм-98-2· ·90=3725мм=3,725м.
Расчетная схема и эпюры изгибающих моментов и поперечных сил показаны на рисунке 5.2
Рисунок 5.2 Расчетная схема и эпюры
и
= =16,56кН·м
= =17,79кН
2.2.3 Определение размеров расчетного сечения
Рисунок 5.3-Действительное и расчетное сечение марша
Ширина ребра расчетного сечения
=2· =220мм.
Толщина сжатой полки =30мм, высота расчетного сечения =187мм. Ширина полки расчетного таврового сечения принимается в соответствии с указаниями п.7.1.2.7[1]:
< +2· · (2.57)
<220+2· ·3725=1462мм.
< +2·6· , если >0,1 (2.58)
=30мм>0,1·187мм=18,7см
<220+2·6·30=580мм.
Принимаем =580мм.
Расчет растянутой рабочей арматуры
Для сечения с одиночным армированием проверяем условие, определяющее положение нейтральной оси. Предполагаем, что нейтральная ось проходит по нижней грани полки, и определяем область деформирования для прямоугольного сечения с шириной 
ξ=β= (2.59)
Принимая с=30мм, определяем рабочую высоту сечения d=187-30=157мм.
ξ=β= =0,191>0,167,
где ξ=0,167- верхний предел для области деформирования 1а.
С учетом того, что ξ<0,259 (0,259-верхний предел для области деформирования 1б), можно сделать вывод о том, что сечение находится в области деформирования 1б.
По формулам таблицы 6.6[1] находим величину изгибающего момента, воспринимаемого бетоном, расположенным в пределах высоты полки.
=(1,14·ξ-0,57· -0,07)·α· · · (2.60)
=(1,14·0,191-0,57·0,1912-0,07)·0,85·13,33·580·1572=
=(0,218-0,0208-0,07) ·0,85·13,33·580·1572=20,61кН·м.
Поскольку выполняется условие
< , нейтральная ось расположена в пределах полки. В связи с этим дальнейший расчет производим как прямоугольного сечения, имеющего размеры b= =580мм, d=157мм.
Определяем:
= (2.61)
= =0,102;
По таблице 6.7[2] при =0,102 находим, что сечение находится в области деформирования 1а и η=0,939.
Находим величину требуемой площади растянутой арматуры
= =308мм2. (2.62)
По таблице сортамента арматуры принимаем два стержня диаметром 14мм S400 ( =308мм2).
Расчет прочности сечения, наклонного к продольной оси
Расчет выполняем на основе расчетной модели наклонных сечений. При расчете железобетонных элементов с поперечной арматурой должна быть обеспечена прочность по наклонной полосе между наклонными трещинами по формуле 5.9
< =0,3· · · · ·d (2.63)
Где - коэффициент, учитывающий влияние хомутов, нормальных к продольной оси элемента, и определяемый по формуле 5.10.
=1+5· · <1,3 (2.64)
Здесь = ;
=20·104МПа
=39 ГПа (табл. 6.2 СНБ 5.03.01-02 для бетона марки Ж3 по удобоукладываемости и естественного твердения)
Для бетона, подвергнутого тепловой обработке,
=0,9·0,9·39ГПа=35,1ГПа=35,1·103МПа.
= =5,7
= (2.65)
=57мм2 – площадь поперечного сечения двух поперечных стержней диаметром 6мм класса S240.
По конструктивным требованиям норм (п.11.2.21 СНБ5.03.01-02) на приопорных участках длиной 0,25l поперечную арматуру устанавливаем с шагом S≤0,5h и S≤150мм.
На остальной части марша поперечную арматуру устанавливаем конструктивно с шагом S=200мм.
= =0,0029> =0,0009
( - табл. 11.2 СНБ 5.03.01-02)
=1+5·5,7·0,0029=1,08<1,3;
- коэффициент, определяемый по формуле 5.12
=1-β4· (2.66)
здесь β4=0,01 для тяжелого бетона;
- в МПа (Н/мм2)
=1-0,01·13,33=0,867
=0,3·1,08·0,867·13,33·220·157=129кН> =17,79кН·1,0=17,79кН,
прочность по наклонной полосе между наклонными трещинами обеспечена.
По формуле 5.13 определяем поперечное усилие , воспринимаемое бетоном и поперечными стержнями.
=2· (2.67)
Где - коэффициент, учитывающий влияние вида бетона принимаемый для тяжелого бетона равным 2,0.
=0,75· ≤0,5 (2.68)
где ≤ +3 , =580мм> +3 =220+3·30=310мм.
Для расчета принимаем =310мм.
=0,75· =0,06<0,5;
- коэффициент, учитывающий влияние продольных сил.
=0, так как продольные силы в данном случае отсутствуют.
1+ + =1+0,06+0=1,06<1,5;
- усилие в хомутах на единицу длины элемента, определяемое по формуле 5.15
= (2.69)
где =157 МПа- расчетное сопротивление поперечной арматуры класса S240
(табл. 6.5 СНБ 5.03.01-02);
= =99,43 Н/мм
= =67,6кН> =17,79кН, прочность лестничного марша на действие по наклонной трещине обеспечена.
Для армирования полки лестничного марша принимаем сварную сетку марки
С-1 1140xL по ГОСТ 8478-81
Поперечные ребра марша армируем конструктивно с помощью каркасов Кр-2 с продольными стержнями диаметром 5мм проволочной арматуры класса S500, поперечными стержнями диаметром 4мм класса S500.
3 Строительно-производственная часть
3.1 Технологическая карта
Каждое строительство должно быть обеспечено проектной документацией по производству строительных работ, которая основывается на передовом опыте и новейших достижениях строительной науки и техники и предусматривает повышения уровня производительности труда и механизации, сокращение трудоёмкости и снижения стоимости работ.
Проекты производства работ разрабатываются по рабочим чертежам подготовительного и основного периодов строительства зданий и сооружений или пусковых комплексов. При этом в основу ППР закладываются решения, принятые ПОС, с учётом местных организационно-технических условий. В ППР на все основные виды строительно-монтажных работ составляются технологические карты, которые являются основными документами технологического проектирования строительных процессов.
Технологические карты разрабатываются с целью обеспечения наиболее рациональных технологий и организации строительных процессов, способствующих повышению производительности труда, улучшению качества и снижению стоимости строительно-монтажных работ. Они служат основанием для выписки нарядов-заданий рабочим.
Технологическими картами регламентируются сроки выполнения и технологическая последовательность отдельных строительных процессов. При разработке технологических карт и выборе метода производства работ определяющую роль играет назначения здания или сооружения, его объёмно-планировочные и конструктивные характеристики.
В строительстве различают 3 вида технологических карт:
1.Типовая технологическая карта, не привязанная к строящемуся объекту и местным условиям строительства;
2.Типовая технологическая карта, привязанная к возводимому зданию или сооружению, но не привязанная к местным условиям строительства;
3.Типовая технологическая карта, привязанная к возводимому зданию или сооружению, и к местным условиям строительства;
Технологическая карта состоит из 4 разделов:
1) Область применения
2) Организация и технология строительного процесса
3) Технико-экономического показателя
4) Материально-технических ресурсов.
На возводимое здание принимаю типовую технологическую карту, привязанную к возводимому зданию или сооружению, но не привязанную к местным условиям строительства. Технологическая карта будет разрабатываться на нулевой цикл под дом быта на 15 рабочих мест без подвала. Длина здание составляет 22200мм, а ширина 19600мм. Пространственная жёсткость в здании обеспечивается капитальными продольными и поперечными стенами, а так же анкеровкой плит перекрытия и заделкой стыков лёгким бетоном. Высота этажей составляет 3300мм, класс здания-2, степень огнестойкости-2. Высота подвала составляет 2400мм. Фундаменты монтируются сборные ж/б, ленточные. В узлах и стыках укладывается арматурная сетка. Грунт – песок, глубина заложения фундамента – 1,5 м.
Область применения технологической карты.
В технологической карте мы рассматриваем технологию процесса по нулевому циклу. В неё будут входить следующие виды работ:
2.1Срезка растительного слоя.
Срезка осуществляется бульдозером средней мощности, челночным способом. Бульдозер движется вдоль короткой стороны здания, срезая растительный слой толщиной 0,1м.
2.2 Планировка площадки.
Планировка площадки осуществляется для достижения горизонтальной плоскости на строительной площадке. При планировании территории под горизонтальную плоскость, требуется определить отметку планировки, исходя из условия равенства объёмов выемки и насыпи, т.е. нулевого баланса земляных масс.
2.3 Разработка траншей.
Разработка траншей включает в себя подсчёт земляных работ. Основным принципом определения объёмов работ является расчленение земляного массива на элементарные участки. Границами элементарных участков земляного полотна являются характерные точки продольного профиля. Все объёмы земляных работ подсчитывают для плотного (естественного) состояния грунта.
2.4 Подчистка траншей.
Подчистка дна траншей производится для достижения полной горизонтальности на дне котлована и траншеи. Она может выполняться как механизированным способом, так и вручную, в зависимости от площади разрабатываемой выемки типа грунта. Для точного выхода на проектную отметку используют нивелир.
2.5 Установка фундаментных подушек и фундаментных блоков.
Производится гусеничным краном, дифференцированным методом, способом наращивания.
2.6 Устройство опалубки.
Установка и приемка опалубки, распалубливание монолитных конструкций, очистка и смазка производятся по проекту производства работ.
2.7 Бетонирование.
Бетонные смеси следует укладывать в бетонируемые конструкции горизонтальными слоями одинаковой толщины без разрывов с последовательным направлением укладки в одну сторону во всех слоях.
2.8 Нанесение гидроизоляции.
Гидроизоляция выполняется для того, чтобы предохранить конструктивные элементы здания от разрушения под воздействием влаги.
2.9 Обратная засыпка.
Обратную засыпку котлованов и пазух фундамента осуществляется поперечными проходками бульдозера с неповоротным отвалом. Работа бульдозера должна сочетаться с уплотнением грунта.
2.10 Уплотнение грунта.
Уплотнение грунтов является одной из ответственейших технологических операций при строительстве различных объектов. Оно основано на сближении частиц грунта, в результате чего уменьшается его пористость и сжимаемость, повышается плотность.
Следовательно, в технологической карте будут рассмотрены следующие виды работ:
1.Срезка растительного слоя
2.Планировка площадки
3.Разработка траншей
4.Подчистка дна траншей
5.Установка фундаментных подушек и фундаментных блоков
8.Нанесение гидроизоляции
11.Обратная засыпка
12.Уплотнение грунта
Технология и организация строительного процесса.
Определение номенклатуры и подсчёт объёмов работ
Наименование
работ
|
Эскиз |
Формулы
расчёта
|
Объём
работ
|
Приме-
чание
|
| 1.Срезка расти-тельного слоя |
 |
Vср = (a+20)(b+20)∙0,2; |
Vср=258,89м3 |
2. Планировка
площадки
|
 |
F = (a+20)(b+20)∙n; |
F =1451,94м2 |
n=2 |
3. Разработка
траншей под фундамент
|
 |
Vт = Н/6∙(f1+f2+4∙f0);
f1 = c∙d;
F2 = a∙b
f0 = (f1+ f2)/2.
|
Vтр=4521,4м3 |
Н=1,5 |
| 4. Подчистка дна траншей |
 |
Vк= a∙b∙hпод |
Vк=22,3м3 |
hпод = 0,1– 0,15 |
| 5. Монтаж и ус- тановка фунда-ментных поду-шек |
 |
n=68 шт; |
| 6. Монтаж и ус-тановка фунда-ментных блоков |
 |
n=133 шт; |
| 7. Нанесение гидроизоляции |
 |
FГ=l∙b∙2 |
FГ = 44,31м2 |
| 8. Обратная за-сыпка и утрам-бовка |
 |
Vоб.з. = (Vк+Vпод)-Vф |
Vобз=321,58м3 |
Ведомость объёмов работ
| Наименование работ |
Единица
измерения
|
Объёмы работ |
| на захв. |
на здан. |
| 1. Срезка растительного слоя |
м3 |
258,89 |
258,89 |
| 2. Планировка площадки |
м2 |
1451,94 |
1451,94 |
| 3. Разработка траншей |
м3 |
766,49 |
766,49 |
| 4. Подчистка траншей |
м3 |
22,3 |
22,3 |
| 5. Монтаж и установка фундаментных подушек |
шт. |
68 |
68 |
| 6. Монтаж и установка фундаментных блоков |
шт. |
133 |
133 |
| 7. Выполнение гидроизоляции |
м2 |
44,31 |
44,31 |
| 8. Обратная засыпка котлованов |
м3 |
321,58 |
321,58 |
| 9. Утрамбовка грунта |
м3 |
321,58 |
321,58 |
Выбор методов производства работ.
На данный проект выбран поточный метод строительства. Технологический процесс возведения объекта разделяется на ряд составляющих процесса, что требует меньше времени, чем при последовательном методе и меньших потреблений материально-технических ресурсов, чем при параллельном. Однако требует чёткой взаимоувязки всех выполняемых простых и сложных строительных процессов.
Земляные работы будут производиться механизированным способом при использовании одноковшового экскаватора с обратной лопатой, бульдозера и гусеничного крана.
Монтаж строительных конструкций будет производиться методом наращивания. Этот способ состоит в последовательном монтаже элементов конструкции начиная с расположенных снизу, последовательно устанавливая их один на один на другой.
Калькуляция трудовых затрат и заработной платы.
Калькуляция трудовых затрат и заработной платы составляется на основе номенклатуры работ, объемов работ и данных ЕНиРа. Данная калькуляция в технологической карте необходима для составления почасового графика производства работ. Почасовой график составляется на одну захватку с учетом максимального совмещения процессов во времени. Основным назначением почасового графика является как определение общего срока работ, так и продолжительность каждого процесса в отдельности, а так же определение последовательности и взаимосвязи всех работ.
| № п/п ЕНиР |
Наименование работ |
Ед. изм. |
Объем |
Состав звена |
Трудоемкость |
Заработная плата |
на
единицу
|
на весь объем |
на
единицу
|
на весь объем |
| Е2-1-5 |
Срезка растите-льного слоя |
100 м3 |
0,26 |
Машинист 6р-1 |
1,5 |
8,34 |
1,59 |
8,82 |
| Е2-1-5 |
Планировка
площадки
|
1000 м2 |
14,52 |
Машинист 6р-1 |
0,21 |
2,91 |
0,223 |
3,09 |
| Е2-1-11 |
Разработка грунта под траншеи |
100 м3 |
45,22 |
Машинист 6р-1 |
3 |
44,13 |
2,73 |
40,16 |
| Е2-1-36 |
Подчистка дна котлована |
1000 м2 |
0,02 |
Машинист 6р-1 |
0,28 |
0,021 |
0,254 |
0,019 |
| Е4-1-1 |
Монтаж фунда-ментных поду-шек |
шт |
68 |
Монтажники
4р-1;3р-1;2р-1
Машинист 6р-1
|
0,78
0,26
|
98,28
32,76
|
0,554
0,276
|
69,8
34,78
|
| Е4-1-1 |
Монтаж фунда-ментных блоков |
шт |
133 |
Монтажники
4р-1;3р-1;2р-1
Машинист 6р-1
|
0,78
0,26
|
32,92
107,64
|
0,554
0,276
|
229,36
114,26
|
| Е11-38 |
Устройство го-зонтальной гид-роизоляции |
100 м2 |
0,44 |
Гидроизоли-ровщики
4р-1; 2р-2
|
8 |
14,08 |
5,72 |
10,07 |
| Е2-1-34 |
Обратная засы-пка |
100 м3 |
3,21 |
Машинист 6р-1 |
0,38 |
1,22 |
0,403 |
1,3 |
Нормативные ссылки
1) Руководящий документ в строительстве РДС 1.03.02.-2003.”Техническая документация при производстве строительно-монтажных работ, состав порядок разработки, согласование и утверждение технологических карт”. Министерство строительства и архитектуры Республики Беларусь. Минск 2003.
2) СНиП 3.03.01-87 “Несущие и ограждающие конструкции” Москва Стройиздат 1987г.
3) ЕНиР Сборник 1 “Внутрипостроечные транспортные работы”, Москва Прейскурантиздат 1987г.
4) ЕНиР Сборник 4 “Монтаж сборных и устройство монолитных ж/б конструкций” Москва Прейскурантиздат 1987г.
5) СНиП 3-4-80* “Техника безопасности в строительстве” Москва Стройиздат 1987г.
Характеристика применяемых материалов в строительстве.
- фундаментные подушки Серия Б.1.0112.1-1.99 СТБ 1067-97 хранятся на открытом складе в штабелях на подкладках.
- фундаментные блоки Б 1.016.1-1 СТБ 1067-97 хранятся на открытом складе в штабелях на подкладках.
- рубероид РПК-350(ГОСТ 10923) хранится под навесом не более, чем в 2 яруса.
- опалубка (СТБ 1110-98) хранятся на открытом складе в штабелях.
- бетон (ГОСТ 10180) транспортируется на объект в автобетоносмесителях, хранение не предусмотрено.
- раствор цементо-известковый М50 СТБ 1307-02, транспортируется на объект в автобетоносмесителях, доставляется на рабочее место в ящиках стреловым краном;
Определение численного и профессионально-квалифицированного состава бригад
| № п/п |
Профессия |
Разряд |
Количество человек |
| 1 |
Машинист бульдозера |
6 |
1 |
| 2 |
Машинист экскаватора |
6 |
1 |
| 3 |
Машинист гусеничного крана |
6 |
1 |
| 4 |
Монтажники |
2 |
1 |
| 3 |
1 |
| 4 |
1 |
| 5 |
Гидроизолировщики |
2 |
1 |
| 4 |
1 |
| 6 |
Такелажник |
3 |
1 |
| 7 |
Бетонщики |
2 |
1 |
| 4 |
1 |
| 8 |
Плотники |
2 |
1 |
| 3 |
1 |
| 4 |
1 |
Контроль качества при разработке выемок
| Этапы работ |
Состав контроля (что проверяется) |
Метод контроля (объем) |
Кто проверяет, сроки контроля, документация |
| Подготови-тельные работы |
Выполнение вертикальной планировки поверхности строительной площадки (при необходимости).
Выноска разбивочных осей и надежно-сть их крепления.
Выполнение работ по отводу поверхно-стных и подземных вод с помощью временных или постоянных устройств (при необходимости)
|
Визуальный
Измерительный
Визуальный
|
Мастер (прораб), геодезист в про-цесссе произво-дства работ. Журнал произво-дства работ. |
| Устройство котлованов и траншей |
Величина недоборов в котловане.
Мероприятия по недопущению промер-зания грунтов.
Мероприятия по предохранению грун-тов основания от подтопления подземными и поверхностными водами
|
Измерительный, выборочный.
Регистрационный, выборочный.
Регистрационный, выборочный.
|
Мастер (прораб), геодезист эпизодически. Акт скрытых Ра-бот. Журнал про-изводства работ. |
| Приемка работ |
Размеры котлована в плане.
Отметка дна котлована (траншеи).
Угол откоса котлована (траншеи).
Угол въезда-выезда из котлована.
Соответствие грунтов указанным в отчете об инженерно-геологическим изысканиям.
Нарушение естественной структуры грунта при ручной срезке недоборов.
Наличие переборов и нарушения естественной структуры грунта при ручной срезке.
Коэффициент уплотнения грунта (в случаях, когда проектом предусмотрено доуплотнение грунтов естественного основания).
|
Измерительный, сплошной.
Измерительный, выборочный.
Тоже
Тоже
Тоже
Визуальный, сплошной
Тоже
Измерительный, выборочный.
|
Комиссия из представителей заказчика, под-рядчика, проект-ной организации и организации, выполнявшей инженерно-гео-логические изыс-кания. Акт прие-мки с приложе-нием: материа-лов испытаний грунтов; акта скрытых работ; журнал произво-дства работ. |
| Контрольно-измерительный инструмент: нивелир, теодолит, рулетка, шаблон крутизны откосов |
| Измерительный контроль по ГОСТ 26433 |
Контроль качества при монтаже ленточных фундаментов
| Этапы работ |
Состав контроля (что проверяется) |
Метод контроля (объем) |
Кто проверяет, сроки контроля, документация |
| Подготови-тельные работы |
Проверить:
- наличие документа о качестве;
- качество поверхности и внешнего вида блоков, точность их геомет-рических размеров;
- перенос основных осей фундаментов на обноску;
- подготовку фундаментных блоков к монтажу, в том числе очистку опорных поверхностей от загрязнений и наледи;
- наличие акта освидетельствования работ по подготовке основания под фундамент, наличие заключения о кА-честве и состоянии грунтов (при необ-ходимости);
- готовность основания к монтажу фун-дамента
|
Визуальный
Измерительный, сплошной
Измерительный
Визуальный, сплошной
Регистрационный, сплошной
Визуальный, сплошной
|
Мастер (прораб), геодезист в проце-ссе выполнения работ. Паспорта (сертификаты). Журнал произво-дства работ. Акт освидетельствования скрытых работ |
| Установка фундамент-ных блоков |
Контролировать:
- установку фундаментных блоков, соответствие их положения в плане и по высоте требованиям проекта;
- плотность примыкания подошвы фундамента к поверхности основания;
- заполнение швов цементным раст-вором согласно требованиям проекта;
- плотность примыкания элементов фундамента друг к другу;
- отметку верха конструкции фундаме-нта
|
Измерительный, сплошной.
Визуальный, сплошной
Тоже
Визуальный, сплошной.
Измерительный, сплошной
|
Мастер (прораб), геодезист в проце-ссе выполнения работ. Журнал производства Ра-бот. |
| Приемка выполнен-ных работ |
Проверить:
- отклонение от вертикали плоскостей блоков стен;
- отклонение осей фундаментных бло-ков относительно разбивочных осей;
- отклонение отметок верхних опорных поверхностей элементов фундаментов от проектных.
|
Измерительный, сплошной.
Тоже
Измерительный, каждый элемент.
|
Комиссия с учас-тием заказчика, подрядчика, прое-ктной организа-ции (при необхди-мости). Акт прие-мки с приложени-ем актов на скры-тые работы; Жур-нал производства работ и исполни-тельной геодезии-ческой схемы |
| Контрольно-измерительный инструмент: отвес, рулетка металлическая, линейка металлическая, уровень, правило, нивелир |
Контроль качества при опалубочных работах
| Этапы работ |
Состав контроля (что проверяется) |
Метод контроля (объем) |
Кто проверяет, сроки контроля, документация |
| Подготови-тельные работы |
Проверить:
- наличие документа о качестве на опа-лубку;
- наличие ППР на установку и приемку опалубки;
- качество подготовки и отметки несу-щего основания;
- наличие и состояние крепежных эле-ментов, средств подмащивания;
|
Визуальный
Визуальный
Визуальный,
измерительный, всей поверхнос-ти и всех отме-ток.
Визуальный, всего объема
|
Мастер (прораб), До начала работ. Документ о качес-тве, ППР. Общий журнал работ |
| Сборка опалубки |
Контролировать:
- соблюдение порядка сборки щитов опалубки, установки крепежных элеме-нтов, средств подмащивания, заклад-ных элементов;
- плотность сопряжения щитов опалуб-ки между собой с ранее уложенным бе-тоном;
- соблюдение геометрических размеров и проектных наклонов плоскостей опалубки;
- надежность крепления щитов опалуб-ки;
|
Технический ос-мотр регистра-ционной, всех элементов
Измерительный всех элементов
Измерительный всех элементов
Технический осмотр, всех щи-тов
|
Мастер (прораб), геодезист. В про-цессе производст-ва работ. Общий журнал работ. |
| Приемка опалубки |
Проверить:
- соответствие геометрических разме-ров опалубки проектным;
- положение опалубки относительно разбивочных осей в плане и по верти-кали, в т.ч. обозначение проектных от-меток верха бетонируемой конструк-ции внутри поверхности опалубки;
- правильность установки и надежность крепления пробок и закладных деталей, а также свей системы в целом.
|
Измерительный, всех элементов
Измерительный,сплошной
Измерительный,сплошной
|
Мастер (прораб), работник службы качества, предста-витель технадзора заказчика. После окончания работ акт приемки выпо-лненых работ. Об-щий журнал работ |
| Контрольно-измерительный инструмент: отвес, строительный нивелир, теодолит, линейка и рулетка металлические. |
Контроль качества при укладке бетонной смеси
| Этапы работ |
Состав контроля (что проверяется) |
Метод контроля (объем) |
Кто проверяет, сроки контроля, документация |
| Подготови-тельные работы |
Проверить:
- наличие актов на ранее выполненные скрытые работы;
- документ о качестве материалов;
- правильности установки и надежно-сть закрепления опалубки, поддержива-ющих лесов, креплений и подмостей;
- подготовленность всех мехонизмов и приспособлений, обеспечивающих производство бетонных работ;
- чистоту основания или ранее уложен-ного слоя бетона и внутренней поверх-ности опалубки;
- наличие на внутренней поверхности опалубки смазки;
- состояние арматуры и закладных деталей(наличие ржавчины, масла и т.д.) соответствие положения установ-ленных арматурных изделий проектному;
- выноску проектной отметки верха бе-тонирования на внутренней опалубке;
|
Визуальный
Визуальный
Технический ос-мотр всех элеме-нтов
Визуальный,
всех механизмов.
То же, всей по-верхности
То же, всей по-верхности
Технический ос-мотр, измерите-льный, всех эле-ментов
Измерительный, всех отметок
|
Мастер (прораб) до начала работ. Акт осведетельст-вования скрытых работ. Общий жу-рнал работ |
| Укладка бе-тонной сме-си |
Контролировать:
- качество бетонной смеси;
- состояние опалубки;
- высоту сбрасывания бетонной смеси, толщину укладываемой бетонной смеси, шаг перестановки глубинных вибраторов, глубину их погружения, продолжительность вибрирования, правильность выполнения рабочих швов;
- температурно-влажностный режим твердения бетона;
- фактическую прочность бетона и сроки распалубки;
|
Лабораторный, (до укладки в ко-нструкцию) каж-дой партии. Тех-нический осмотр всей поверхности
Измерительный 2 раза за смену
Измерительный 2 раза за смену
Измерительный,выборочные ко-нтрольные обра-зцы.
|
Мастер (прораб), инженер стройла-боратории. В про-цессе производст-ва работы. Протоколы испы-таний. Общий жу-рнал работ. |
| Приемка опалубки |
Проверить:
- фактическую прочность бетона;
- качество поверхности конструкций;
- геометрические размеры, соответствие конструкции рабочим чертежам, а также отверстий, каналов, проемов, закладных деталей.
|
Лабораторный Визуальный, всей поверхности
Измерительный,каждый элемент конструкции
|
Мастер (прораб), инженер стройлаборатории, представитель технадз-ра заказчика. После окончания работ. Геодезическая исполнительная схема. Протокол испытаний. Общий журнал работ |
| Контрольно-измерительный инструмент: отвес строительный, нивелир, теодолит, линейка и рулетка. |
Контроль качества и приёмка гидроизоляционных работ
| Этапы работ |
Состав контроля (что проверяется) |
Метод контроля (объем) |
Кто проверяет, сроки контроля, документация |
| Подготови-тельные работы |
Проверить (входящий контроль):
- готовность основания к устройству гидроизоляции (заделка стыков между сборными элементами, наличие температурных швов в стяжке, прочность, ровность поверхности, качество обработки мест сопряжений поверхностей);
- вид и качество изоляционных материалов (паспорта, сертификаты, соответствие заложенным в проекте требованиям и нормативно-технической документации)
|
Визуальный, измерительный, 5 измерений на 70 – 100 м2
Визуальный, измерительный, лабораторный (партиями)
|
Мастер (прораб), технадзор заказчи-ка, представитель генподрядчика. Акт на скрытые работы, общий журнал Ра-бот. Мастер (про-раб), работник лабо-ратории |
| Устройство гидроизоля-ции |
Проверять (операционный контроль):
- чистоту и влажность поверхности пе-ред огрунтовкой;
- качество рабочих изоляционных сос-тавов;
- качество огрунтовки поверхности;
- чистоту и влажность поверхности пе-ред нанесением слоев приклеивающих (изолирующих) составов;
- температуру окружающей среды, поверхности основания, изоляционных рабочих составов перед нанесением;
- качество рулонных материалов;
- соблюдение технологических и технических требований в процессе выполнения работ (последовательность, технологические перерывы, равномерность нанесения, количество и толщина слоев, нахлестка полотнищ, обработка мест примыканий, прочность приклеивания, обеспечение сохранности изоляции и уход за ней)
|
Визуальный, измерительный (периодически, не менее 4 раз в смену), лабораторный (один раз на 2-3-х сменную потребность в изоляционных составах)
Измерительный (перед началом работы)
Визуальный, измерительный
Тоже (постоянно в процессе работы)
|
Мастер (прораб) постоянно, работники службы качества, лаборатории, технического надзора – периодически. Общий журнал работ, акты на скрытые работы (промежуточные законченные этапы) |
Этапы работ
|
Состав контроля (что проверяется) |
Метод контроля (объем) |
Кто проверяет, сроки контроля, документация |
| Приемка выполнен-ных работ |
Проверить (приемочный контроль):
- соответствие изоляции требованиям проекта (примененные материалы, способ устройства, количество слоев, направление расположения полотнищ и т.д.)
- прочность сцепления изоляции с по-верхностью основания, слоев рулонной изоляции между собой (не менее 0,5 МПа);
- качество устройства примыканий изо-ляции (дополнительные слои, величина нахлестки полотнищ, крепление изоля-ции к конструкциям);
- надежность заполнения стыков сборных элементов уплотняющими прокладками, качество их зачеканки;
- качество поверхности изоляции (не допускаются: пузыри, вздутия, воздушные мешки, потеки, наплывы, разрывы, вмятины, проколы, губчатое строение)
|
Визуальный, технический осмотр |
Мастер (прораб), работники службы качества, технадзора, заказчика. Общий журнал работ, акт приемки |
| Контрольно-измерительный инструмент: рейка 2-хметровая, рулетка, линейка металлическая, щуп, термометр, влагомер, молоток |
| Прочность сцепления определяется по 5 измерениям на каждые 70 – 100 м покрытия. Разрыв приклеенных материалов должен происходить внутри рулонного полотна, при простукивании поверхности изоляции не должен изменяться характер звука |
Материально-технические ресурсы
| № п.п |
Наименование |
Коли-чество |
Ед. изм. |
№ ГОСТ |
| 1.Машины и механизмы |
| 1. |
Бульдозер |
1 |
Шт. |
ДЗ-18 |
| 2. |
Экскаватор |
1 |
Шт. |
ЭО-6111 |
| 3. |
Гусеничный кран |
1 |
Шт. |
КС-5363 |
| 4. |
Автосамосвал |
1 |
Шт. |
ЗиЛ ММ3555 |
| 5. |
Электротрамбовка |
1 |
Шт. |
ИЭ-450 |
| 6. |
Электросварочный аппарат |
1 |
Шт. |
ТС-500 |
| 2.Инструменты и приспособления |
| 1. |
Нивелир |
1 |
Шт. |
Н-10 |
| 2. |
Теодолит |
1 |
Шт. |
Т-15 |
| 3. |
Нивелирная рейка |
2 |
Шт. |
длина 3м |
| 4. |
Метр стальной |
3 |
Шт. |
СтБ 2438-82 |
| 5. |
Рулетка |
3 |
Шт. |
РС-20 |
| 6. |
Строительный уровень |
2 |
Шт. |
СтБ 7947-71 |
| 7. |
Отвес |
4 |
Шт. |
СтБ 7948-71 |
| 8. |
Лопата растворная |
4 |
Шт. |
СтБ 7682-83 |
| 9. |
Монтажный лом |
2 |
Шт. |
СтБ 2483-84 |
| 10. |
Строп 4-хветвевой |
1 |
Шт. |
ИСК 215000 |
| 11. |
Ящик для раствора |
2 |
Шт. |
----- |
| 12. |
Строительные каски |
19 |
Шт. |
----- |
| 13. |
Осевые струны |
450 |
м |
диаметр 1мм |
| 3.Материалы и конструкции |
| 1. |
Фундаментные подушки |
68 |
Шт. |
Серия Б.10112.1-1.99 |
| 2. |
Фундаментные блоки |
133 |
Шт. |
Б 1.016.1-1 |
| 6. |
Рубероид |
176,04 |
м2 |
РПК-350 |
Технико-экономические показатели
| № п.п |
Наименование показателей |
Ед. изм. |
Значения |
| 1. |
Трудоёмкость на весь объем |
чел-день |
71,38 |
| 2. |
Трудоёмкость на единицу измерения |
 |
0,03 |
| 3. |
Выработка на одного рабочего в смену |
 |
32,38 |
| 4. |
Затраты машинного времени |
маш.-см. |
31,2 |
| 5. |
Затраты энергоресурсов |
топливо |
кг |
1893 |
| смазка |
151,4 |
3.2 Календарный план
Исходные данные для проектирования.
Исходные данные для проектирования ДП.
1. Рабочие чертежи зданий и сооружений.
2. Технологическая карта на нулевой цикл.
3. Локальные сметы.
4. Объектная смета. Сводка затрат.
5. СНиП часть 4 «Сметные нормы».
6. Методические указания по проектированию ДП.
Нормативная продолжительность строительства определяется по СНиП «Нормы продолжительности и сдачи строительства предприятий, зданий и сооружений» (Тнорм. 6 месяцев).
Выбор и обоснование методов производства работ основных видов СМР.
1. Подготовительный период и нулевой цикл.
Работы подготовительного периода продолжаются 6 дней. Внутриплощадочные подготовительные работы включают в себя: устройство временных ограждений строительной площадки, устройство временных зданий и сооружений, прокладка сетей временного водопровода, энергоснабжения.
Срезка растительного слоя и планировка строительной площадки производится бульдозером ДЗ-18, с мощностью двигателя 108 л.с., в одну сторону поперек участка. Разработка котлована под ленточные фундаменты производится экскаватором ЭО-3322А, с емкостью ковша 0,5 м3. Рабочий цикл экскаватора состоит из: капания, погрузки в отвал. Подчистка дна котлована производится бульдозером. Устройство фундаментов производится при помощи гусеничного крана КС-8162.
Обратная засыпка производится бульдозером ДЗ-18 и вручную. Уплотнение грунта производится вручную пневмотрамбовками, через 200-400 мм. В процессе работы, контролируют плотность грунта. Одновременно с работой, связанной с возведением фундаментов, производится работа по устройству вводов строящегося здания.
2. Основной период. Надземная часть.
Возведение надземной части выполняется, начиная с кладки стен. Возведение стен ведется бригадой каменщиков. Плиты перекрытия и лестничные марши и площадки монтируются самоходным краном КС-8162. Работы ведутся в две смены.
Строповку выполняют 2-хветвевым стропом за монтажные петли.
3. Специальный и отделочный цикл.
Санитарно-технические и электромонтажные работы выполняются в два этапа.
3.1. Устройство скрытой электропроводки.
3.2. Навеска сантехнических приборов производится после штукатурных работ.
Также как и электромонтажные, слаботочные работы, сантехнические работы, отделочные – ведутся отделочными субподрядчиками.
Штукатурные работы выполняют при помощи штукатурной станции.
Окраска стен ведется водными составами и производится по предварительно подготовленной поверхности. Окраска производится механизированным способом при помощи краскопультов.
Масляная окраска производится волосяными кистями и меховыми валиками.
Завершающим этапом является устройство отмостки.
Благоустройство территории заключается в разбивке газонов, посадке деревьев и кустарников. Устройство пешеходных дорожек.
3.2.3. Определение номенклатуры работ. Разбивка работы на циклы.
1. Подготовительный период, нулевой цикл.
1.1. Устройство временных зданий и сооружений.
1.2. Срезка растительного слоя и планировка.
1.3. Разработка траншей под фундаменты.
1.4. Устройство фундаментов.
1.5. Устройство гидроизоляции.
1.6. Обратная засыпка пазух.
1.7. Прокладка наружных сетей и устройство вводов.
2. Надземная часть.
2.1. Кладка стен с укладкой перемычек.
2.2. Монтаж сборных конструкций.
2.3. Устройство перегородок.
2.4. Установка оконных блоков.
2.5. Установка дверных блоков.
2.6. Устройство кровли.
2.7. Устройство полов в подвале.
3. Специальный цикл.
3.1. Сантехмонтаж.
3.2. Электромонтаж.
3.3. Слаботочные работы.
4. Отделочный цикл.
4.1. Остекление проемов.
4.2. Штукатурные работы.
4.3. Устройство паркетных полов.
4.4. Устройство плиточных полов.
4.5. Облицовочные работы.
4.6. Окраска водными составами
4.7. Окраска масляными составами.
4.8. Оклейка стен обоями.
4.9. Прочие работы.
4.10. Устройство отмостки.
4.11. Благоустройство и озеленение.
Подсчет объемов работ.
Подсчет объемов земляных работ
Наименование
работ
|
Эскиз |
Формулы
расчёта
|
Объём
работ
|
Приме-
чание
|
| 1.Срезка расти-тельного слоя |
 |
Vср = (a+20)(b+20)∙0,2; |
Vср=258,89м3 |
2. Планировка
площадки
|
 |
F = (a+20)(b+20)∙n; |
F =1451,94м2 |
n=2 |
3. Разработка
траншей под фундамент
|
 |
Vт = Н/6∙(f1+f2+4∙f0);
f1 = c∙d;
F2 = a∙b
f0 = (f1+ f2)/2.
|
Vтр=1451,9м3 |
Н=1,5 |
| 4. Подчистка дна траншей |
 |
Vк= a∙b∙hпод |
Vк=22,3м3 |
hпод = 0,1– 0,15 |
| 5. Монтаж и ус- тановка фундаментных подушек |
 |
n=68 шт; |
| 6. Монтаж и ус-тановка фунда-ментных блоков |
 |
n=133 шт; |
| 7. Нанесение гидроизоляции |
 |
FГ=l∙b∙2 |
FГ = 44,31м2 |
| 8. Обратная за-сыпка и утрам-бовка |
 |
Vоб.з. = (Vк+Vпод)-Vф |
Vобз=321,58м3 |
Подсчёт объёмов кирпичной клади
| Ось |
Длина
l м
|
Высота
H м
|
Площ. Брутто
Fбр. М2
|
Проёмы |
Sнетто
м2
Fn
|
Толщ.
стены
|
Объём
кладки
|
Ширина
b
|
Высота
H’
|
S блока
Fбл
|
Кол.
шт.
|
Общ. S
F общ.
|
| А-А |
3,66 |
10,12 |
37,04 |
--- |
--- |
--- |
--- |
--- |
37,04 |
0,53 |
19,64 |
| Б-Б |
22,84 |
10,12 |
231,34 |
1,5
1,5
1,2
|
3,1
2,1
2,1
|
4,65
3,15
2,52
|
9
1
1
|
19,2 |
212,14 |
0,53 |
112,4 |
| В-В |
--- |
--- |
--- |
--- |
--- |
--- |
--- |
--- |
--- |
--- |
--- |
| Г-Г |
22,86 |
7,98 |
182,42 |
0,9
1,5
|
2,1
2,1
|
1,89
3,15
|
3
1
|
5,95 |
176,47 |
0,38 |
67,06 |
| Д-Д |
1,2 |
10,12 |
12,14 |
--- |
--- |
--- |
--- |
--- |
12,14 |
0,53 |
6,44 |
| Е-Е |
7,06 |
10,12 |
71,04 |
--- |
--- |
--- |
--- |
--- |
71,04 |
0,53 |
6,44 |
| Ж-Ж |
15,66 |
10,12 |
158,48 |
1,8 |
3,1 |
5,58 |
5 |
27,9 |
130,58 |
0,53 |
69,2 |
| 1-1 |
11,6 |
10,12 |
117,39 |
1,2
0,9
|
3,1
2,1
|
3,72
1,89
|
1
1
|
5,61 |
111,78 |
0,53 |
59,24 |
| 2-2 |
0,67 |
10,12 |
6,78 |
--- |
--- |
--- |
--- |
--- |
6,78 |
0,53 |
3,59 |
| 2-2 |
5,61 |
7,98 |
44,77 |
0,75 |
2,1 |
1,575 |
1 |
1,575 |
43,195 |
0,38 |
16,41 |
| 3-3 |
12,42 |
7,98 |
99,11 |
0,75 |
2,1 |
1,575 |
1 |
1,575 |
97,54 |
0,38 |
37,06 |
| 4-4 |
--- |
--- |
--- |
--- |
--- |
--- |
--- |
--- |
--- |
--- |
--- |
| 5-5 |
12,42 |
7,98 |
99,11 |
0,75
1,8
|
2,1
2,1
|
1,575
3,78
|
2
1
|
3,13
3,78
|
92,2 |
0,38 |
35,04 |
| 6-6 |
0,67 |
10,12 |
6,78 |
--- |
--- |
--- |
--- |
--- |
6,78 |
0,53 |
3,59 |
| 7-7 |
0,37 |
10,12 |
3,74 |
--- |
--- |
--- |
--- |
--- |
3,74 |
0,53 |
1,99 |
| 8-8 |
9,8 |
10,12 |
99,176 |
1,2
1,8
|
3,1
3,1
|
3,72
5,58
|
2
2
|
18,6 |
80,576 |
0,53 |
42,7 |
| ∑445,76 |
Подсчёт площади полов
| N |
Наименование помещений |
Площадь полов(м2) |
В том числе |
| n/n |
Мазаич-ный |
Керамич.
плитка
|
Керамич.
плитка
|
Паркетный |
Полы по
грунту
|
По пере-
крытию
|
| 1 |
1-23 |
142 |
---- |
227,61 |
23,92 |
212,94 |
180,58 |
| 2 |
Сан. узелы |
---- |
25,16 |
---- |
---- |
4,2 |
20,96 |
| 3 |
Лестничные площадки |
---- |
----- |
29,37 |
---- |
---- |
29,37 |
| ∑142 |
∑25,16 |
∑256,98 |
∑23,92 |
∑217,14 |
∑230,91 |
Подсчёт перегородок
№
п/п
|
Длина
l, м
|
Выс
H, м
|
Sбрутто
Fбр, м
|
Проёмы |
Fн |
Кол.
шт.
|
Общая площадь |
| B, м |
H, м |
Fбл,м2 |
N |
Fобщ. |
Газоси-ликат |
Кирпич |
| 1 |
5,58 |
3 |
16,74 |
- |
- |
- |
- |
- |
16,74 |
1 |
16,74 |
- |
| 2 |
6,88 |
3 |
20,64 |
0,9 |
2,1 |
1,89 |
2 |
2,73 |
17,91 |
1 |
17,91 |
- |
| 3 |
2,5 |
3 |
7,5 |
- |
- |
- |
- |
- |
7,5 |
1 |
7,5 |
- |
| 4 |
5,61 |
3 |
16,83 |
0,9 |
2,1 |
1,89 |
1 |
1,89 |
14,94 |
1 |
14,94 |
- |
| 5 |
4,5 |
3 |
13,5 |
0,9 |
2,1 |
1,89 |
2 |
2,73 |
10,77 |
1 |
10,77 |
- |
| 6 |
9,5 |
3 |
28,5 |
0,9 |
2,1 |
1,89 |
2 |
2,73 |
25,77 |
2 |
51,54 |
- |
| 7 |
9,6 |
3 |
28,8 |
0,9 |
2,1 |
1,89 |
2 |
2,73 |
26,06 |
1 |
26,06 |
- |
| 8 |
9 |
3 |
27 |
0,9 |
2,1 |
1,89 |
2 |
2,73 |
24,27 |
1 |
24,27 |
- |
| 9 |
2,6 |
3 |
7,8 |
0,9 |
2,1 |
1,89 |
1 |
1,89 |
5,91 |
1 |
5,91 |
- |
| 10 |
11,6 |
3 |
34,8 |
0,9 |
2,1 |
1,89 |
3 |
5,67 |
29,13 |
1 |
29,13 |
- |
| 11 |
1,6 |
3 |
4,8 |
0,7 |
2,1 |
1,47 |
1 |
1,47 |
3,33 |
6 |
- |
19,98 |
| 12 |
3,8 |
3 |
11,4 |
- |
- |
- |
- |
- |
11,4 |
2 |
- |
22,8 |
| 13 |
2,9 |
3 |
8,7 |
- |
- |
- |
- |
- |
8,7 |
1 |
- |
8,7 |
| ∑230,6 |
∑51,5 |
Подсчёт площади окон
| № |
Марка
блока
|
Размер |
Площадь
блока
|
Кол-во
штук
|
Общая площадь |
Площадь
остеклен
|
Площадь
откосов
|
Кол.
Прибор
|
| ширина |
высота |
| 1 |
ОПЗС16-16ПГ |
1600 |
1600 |
2,56 |
14 |
35,84 |
35,84 |
73 |
17 |
| 2 |
ОПЗС16-13ПГ |
1300 |
1600 |
2,08 |
7 |
14,56 |
14,56 |
37 |
15 |
| 3 |
ОПЗС16-10ПГ |
1000 |
1600 |
1,6 |
7 |
11,2 |
11,2 |
23 |
13 |
| ∑61,6 |
∑133 |
Подсчет площади дверей
| Марка блока |
Размеры |
Площадь
блока
|
Кол
штук
|
Общая площ. |
Площадь
остекления
|
Площадь
откосов
|
Кол-во
Прибор.
|
| ширина |
высота |
До3м |
более |
| ДНДГ 21-15 |
1500 |
2100 |
3,15 |
1 |
3,15 |
----- |
----- |
1,2 |
1 |
| ДВДГ 21-12 |
1200 |
2100 |
2,52 |
2 |
5,1 |
----- |
----- |
2,2 |
2 |
| ДВДО 21-9 |
900 |
2100 |
1,89 |
6 |
11,34 |
----- |
----- |
6,2 |
6 |
| ДВДГ 21-9 |
900 |
2100 |
1,89 |
16 |
30,24 |
----- |
----- |
16,2 |
16 |
| ДВДГ 21-7 |
700 |
2100 |
1,47 |
6 |
8,82 |
----- |
---- |
6,2 |
6 |
| БДР 21-9 |
900 |
2100 |
1,89 |
1 |
1,89 |
----- |
---- |
1,2 |
1 |
| ИТОГО |
∑60,52 |
---- |
∑65,4 |
Подсчет площади штукатурки
Наимено-
вание по-
мещений
|
Стены и перегородки |
Откосы |
| Fбр=P*h |
Проемы |
Кол. эт
и комн
|
Потолок |
| a*h |
кол |
Fбр |
∑fбр |
Fнетто |
| Помещения для посетителей |
48,36 |
0,9·2,1
1,5·1,8
1,2·2,1
1,5·2,1
|
4
1
1
1
|
1,89
4,65
2,52
|
14,73 |
33,63 |
336,3 |
--- |
2·1,404
2·1,482
|
| Бюро обслуживания |
67,38 |
1,2·1,8
1,8·1,8
1,5·2,1
|
1
1
1
|
2,16
3,24
3,15
|
8,15 |
59,23 |
592,3 |
--- |
1,248
1,404
1,482
|
| Ремонт часов |
31,572 |
1,8·1,5
0,9·2,1
|
1
1
|
2,7
1,89
|
4,59 |
26,98 |
269,88 |
--- |
1,326
1,326
|
| Ремонт сложной бытовой техники |
58,32 |
0,9·2,1
1,8·1,8
|
3 |
1,89
3,24
|
5,67 |
52,65 |
526,5 |
--- |
1,326
1,404
|
| Женский зал парикмахерской |
56,52 |
1,5·1,8
0,9·2,1
|
1
1
|
2,7
1,89
|
4,59 |
51,93 |
519,3 |
--- |
1,326 |
| Помещение мытья и окраски волос |
39 |
0,9·2,1
1,2·1,8
|
1
1
|
1,89
2,6
|
4,4 |
34,59 |
345,9 |
--- |
1,248 |
| Подсобная, кладовая |
37,87 |
1,8·1,8
0,9·2,1
|
1
1
|
3,24
1,89
|
5,13 |
32,73 |
327,3 |
--- |
1,248
1,404
|
| Мужской зал парикмахерской |
55,2 |
0,9·2,1
1,5·2,1
1,8·1,8
|
2
1
|
3,78
3,15
3,24
|
10,17 |
45,03 |
450,3 |
--- |
1,404 |
| Изготовление и ремонт обуви |
42,66 |
0,9·2,1
1,2·1,8
|
1
1
|
1,89
2,16
|
4,05 |
38,61 |
386,1 |
--- |
1,248 |
| Кладовая |
41,46 |
0,9·2,1
1,8·1,8
|
1
1
|
1,89
3,24
|
5,13 |
36,33 |
363,3 |
--- |
1,404 |
| Помещение звукозаписи |
76,26 |
1,8·1,8
1,5·2,1
|
1
1
|
3,24
3,15
|
6,39 |
69,87 |
698,7 |
--- |
2,808
1,482
|
| Комната персонала |
46,26 |
1,8·1,8
0,9·2,1
|
1
1
|
3,24
1,89
|
5,13 |
41,13 |
411,3 |
--- |
1,404 |
| Электрощитовая |
23,4 |
0,9·2,1 |
1 |
1,89 |
1,89 |
21,51 |
215,1 |
--- |
---- |
| Венткамера, тепловой узел |
40,08 |
1,8·1,8
0,9·2,1
|
1
1
|
3,24
1,89
|
5,13 |
34,95 |
349,5 |
--- |
1,404 |
| Кладовая инвентаря |
41,04 |
1,8·1,8
0,9·2,1
|
1
1
|
3,24
1,89
|
5,13 |
35,96 |
359,6 |
--- |
1,404 |
| Коридоры, тамбуры |
31,8 |
0,9·2,1 |
1 |
1,89 |
1,89 |
29,91 |
299,1 |
--- |
1,326 |
| Изготовление одежды и головных уборов |
54,6 |
0,9·2,1
0,9·2,1
1,8·1,8
|
1
1
1
|
1,89
1,89
3,24
|
6,57 |
48,03 |
480,3 |
--- |
1,326
1,404
|
| Примерочная кабина |
39 |
1,8·1,8
0,9·2,1
|
1
1
|
3,24
1,89
|
5,13 |
33,87 |
338,7 |
--- |
1,404
---
|
| Кладовые |
48,01 |
0,9·2,1 |
3 |
1,89 |
5,67 |
42,34 |
423,4 |
--- |
--- |
| Зал фотосъемки для документов |
26,4 |
0,9·2,1 |
1 |
1,89 |
1,89 |
24,51 |
245,1 |
--- |
--- |
| Зал для групповой съемки |
65,7 |
0,9·2,1
0,7·2,1
1,5·1,8
|
2
1
1
|
3,78
1,47
2,7
|
7,95 |
57,35 |
573,5 |
--- |
1,274
1,326
|
| Помещение для обработки фотоматериалов |
27,6 |
1,5·2,1
0,9·2,1
|
2
1
|
3,15
1,89
|
5,04 |
22,57 |
225,7 |
--- |
2·1,482 |
| Контора |
28,2 |
0,9·2,1 |
4 |
1,89 |
7,56 |
20,64 |
206,4 |
--- |
3,98 |
| Гардеробные с душевыми |
24,6 |
1,2·1,8
0,9·2,1
|
1
1
|
2,16
1,89
|
4,05 |
20,54 |
205,4 |
--- |
1,248·2 |
| Уборные |
74,52 |
1,2·1,8
1,5·1,8
1,8·1,8
0,9·2,1
|
1
1
1
2
|
2,16
2,7
3,24
1,89
|
11,88 |
62,64 |
626,4 |
--- |
1,248
1,326
1,404
|
| Коридоры |
34,32 |
1,2·2,1 |
1 |
3,15
1,89
|
5,04 |
29,28 |
292,8 |
--- |
1,482 |
| ∑9682,08 |
∑54,9 |
Подсчет молярных работ
Наимено-
вание помещен.
|
Водная окрас. |
Масляная окраска |
Оклей-ка стен обоя-ми |
Облицов-ка стен плиткой |
| стены |
Потолки |
Окна |
Двери |
| F бл |
Кп |
fокр |
fбл |
Кп |
fокр |
| Каридор |
804,3 |
304,9 |
36 |
2,8 |
100,8 |
100,2 |
2,6 |
260,52 |
---- |
32,4 |
| Помещ. бытового обслуживан |
---- |
1255,2 |
133,5 |
2,8 |
373,8 |
469,2 |
2,1 |
985,32 |
2984,1 |
---- |
| Ванная и туалет |
--- |
150 |
--- |
--- |
--- |
88,2 |
2,7 |
238,14 |
---- |
872,3 |
| Лестничная клетка |
521,94 |
205,8 |
18 |
2,8 |
50,4 |
61,56 |
2,4 |
147,74 |
---- |
---- |
| ∑1326 |
∑1915,95 |
∑525 |
∑1631,7 |
∑2984 |
∑904,7 |
Технологические расчеты.
Ведомость трудозатрат и машиносмен
Табл
СНБ
|
Наименование работ |
Ед. изм |
Объем |
Трудоемкость работ |
Потребление в машинах |
На ед.
(чел. час.)
|
Всего (чел. час.) |
Всего (чел. дн.) |
На ед.
(маш. час.)
|
Всего (маш. час.) |
Всего (маш. дн.) |
| Установка врем. зданий и сооружений |
% |
3 |
17,9 |
3,63 |
Е
1-24-1
|
Срезка раст. слоя |
1000м3 |
0,258 |
16,73 |
4,31 |
0,53 |
16,73 |
4,31 |
0,53 |
Е
1-30-1
|
Планировка площадки |
1000м2 |
1,452 |
0,6 |
0,87 |
0,11 |
0,6 |
0,87 |
0,11 |
Е
1-11-1
|
Разработка траншей в отвал |
1000м3 |
0,53 |
27,02 |
14,32 |
1,79 |
9,93 |
5,26 |
0,65 |
Е
1-16-1
|
С погрузкой в автосамосвал |
1000м3 |
0,18 |
35 |
6,3 |
0,78 |
15,29 |
2,75 |
0,34 |
Е
1-38-1
|
Подчистка дна транш. бульдозером |
1000м3 |
0,015 |
709,68 |
10,65 |
1,33 |
78,9 |
1,18 |
0,14 |
Е
1-38-1
|
В ручную |
1000м3 |
0,007 |
709,68 |
4,96 |
0,62 |
- |
- |
- |
Е
7-1-1
|
Монтаж фундаментных подушек |
100
шт
|
0,68 |
123,48 |
83,96 |
10,49 |
28,94 |
19,67 |
2,45 |
Е
7-1-1
|
Монтаж фундаментных блоков |
100
шт
|
1,33 |
123,48 |
164,22 |
20,52 |
28,94 |
38,49 |
4,8 |
Е
8-4-3
|
Устройство горизонтальной гидроиз. |
100
м2
|
0,44 |
39,49 |
17,35 |
2,17 |
7,33 |
3,22 |
0,403 |
Е
1-71-1
|
Обратная засыпка пазух бульдозером |
1000
м2
|
0,3 |
1,53 |
0,45 |
0,05 |
1,53 |
0,45 |
0,05 |
Е
1-71-1
|
Обратная засыпка пазух вручную |
1000
м2
|
0,021 |
1,53 |
0,03 |
0,004 |
1,53 |
0,03 |
0,004 |
| Прокладка наружных сетей и вводов |
% |
15,4 |
Е
8-6-1
|
Кладка наружных стен |
м3 |
325,23 |
7,87 |
2559,5 |
319,94 |
0,71 |
230,91 |
28,86 |
Е
8-6-7
|
Кладка внутренних стен |
м3 |
155,57 |
7,63 |
1186,9 |
148,37 |
0,71 |
110,45 |
13,80 |
Е
7-44-10
|
Укладка перемычек |
100 шт |
1,92 |
31,98 |
61,4 |
7,67 |
10,52 |
20,19 |
2,52 |
Е
7-15-2
|
Монтаж плит перекрытия |
100 шт |
0,3 |
486,05 |
145,81 |
18,22 |
115,4 |
34,62 |
4,32 |
Е
7-21-3
|
Монтаж лестничных маршей |
100 шт |
0,04 |
517,29 |
20,69 |
2,58 |
109,8 |
4,39 |
0,549 |
Е
7-21-1
|
Монтаж лестничных площадок |
100 шт |
0,04 |
314,03 |
12,56 |
1,57 |
76,23 |
3,04 |
0,38 |
Е
7-14-1
|
Монтаж плит покрытия |
100 шт |
0,4 |
63,37 |
25,34 |
3,16 |
4,21 |
1,68 |
0,21 |
Е
8-14-1
|
Монтаж перегородок из газосел. блоков |
100 м2 |
2,3 |
203,74 |
468,6 |
58,57 |
7,06 |
16,23 |
2,02 |
Е
8-14-3
|
Монтаж кирпичных перегородок |
100 м2 |
0,51 |
168,58 |
85,97 |
10,74 |
5,84 |
2,97 |
0,37 |
Е
10-16-1
|
Установка окон из ПВХ |
100 м2 |
0,62 |
269,6 |
167,15 |
20,89 |
10,59 |
6,56 |
0,82 |
Е
10-23-1
|
Монтаж дверных блоков |
100 м2 |
0,6 |
160,89 |
96,53 |
12,06 |
21,02 |
12,61 |
1,57 |
Е
12-19-1
|
Устройство кровли из металлочерепицы |
100
м2
|
3,19 |
177,81 |
567,2 |
70,9 |
3,41 |
10,9 |
1,36 |
Е
10-73-1
|
Монтаж стропильной системы |
100
м2
|
3,19 |
87,39 |
278,77 |
34,84 |
3,18 |
10,14 |
1,2 |
Е
12-55-1
|
Устр-во примыканий к вытяж. каналам |
100м |
0,105 |
570,0 |
59,9 |
7,5 |
65,0 |
6,8 |
0,85 |
Е
12-17-1
|
Устройство выравнив стяжки |
100
м2
|
4,71 |
42,45 |
199,9 |
24,9 |
4,06 |
19,1 |
2,4 |
Е
12-14-1
|
Устройство теплоизоляции |
м3 |
18,84 |
6,5 |
122 |
15,3 |
0,6 |
113 |
1,4 |
Е
12-15-1
|
Устройство пароизоляции |
100 м2 |
4,71 |
20,9 |
98,4 |
12,3 |
4,01 |
18,8 |
2,4 |
Е
12-53-1
|
Устройство водост. желобов |
100 м |
1,02 |
43,34 |
44,2 |
5,5 |
15,8 |
16,1 |
2 |
Е
12-56-1
|
Устройство слуховых окон |
шт |
3 |
6,98 |
20,94 |
2,61 |
3,07 |
21,42 |
2,67 |
| Сантехника |
% |
6 |
103,22 |
7,26 |
| Электромонтаж |
% |
3 |
51,61 |
3,63 |
| Слаботочные работы |
% |
2 |
34,4 |
2,42 |
Е
15-51-1
|
Улучш. штукатурка стен иперегородок |
100
м2
|
16,92 |
105,14 |
1778,8 |
222,4 |
4,32 |
73,09 |
9,1 |
Е
15-56-1
|
Штукатурка откосов |
100
м2
|
1,07 |
297,3 |
318,11 |
39,8 |
1,93 |
2,06 |
0,25 |
Е
11-34-1
|
Настил паркетных полов |
100
м2
|
0,24 |
51,5 |
12,36 |
1,545 |
12,47 |
3,01 |
0,37 |
Е
11-36-1
|
Устройство мазаичных полв |
100
м2
|
1,42 |
61,26 |
87,01 |
10,87 |
0,9 |
1,27 |
0,2 |
Е
11-47-3
|
Полы плиточн. по цем стяжке |
100
м2
|
2,81 |
158 |
443,9 |
55,49 |
2,8 |
7,86 |
0,98 |
Е
15-18-1
|
Облицовка стен плиткой |
100
м2
|
1,02 |
308,9 |
315,07 |
39,38 |
0,39 |
0,39 |
0,05 |
Е
15-16-10
|
Водная окраска потолков |
100
м2
|
4,18 |
57,0 |
238,26 |
29,78 |
0,89 |
3,72 |
0,46 |
Е
15-16-4
|
Масляная окраска дверей |
100
м2
|
1,2 |
139,2 |
167,04 |
20,88 |
0,05 |
0,06 |
0,007 |
Е
15-17-2
|
Покрытие полов лаком |
100
м2
|
0,24 |
18,48 |
4,43 |
0,55 |
- |
- |
- |
Е
15-75-1
|
Оклейка стен обоями |
100
м2
|
1,37 |
50,5 |
69,18 |
8,64 |
0,15 |
0,2 |
0,02 |
Е
1-164-1
|
Разраб.грунта под отмостку |
100м3 |
0,16 |
200,6 |
32,1 |
4,0 |
- |
- |
- |
Е
11-2-3
|
Устройство подсыпки под отмостку |
м3 |
15,9 |
4,9 |
77,9 |
9,7 |
- |
- |
- |
Е
11-19-1
|
Устройство отмостки |
100
м2
|
1,06 |
41,15 |
43,6 |
5,4 |
2,78 |
2,92 |
0,4 |
Е
8-27-1
|
Устройство крылец |
м2 |
15,7 |
2,56 |
40,2 |
5 |
0,14 |
2,2 |
0,28 |
| Озеленение |
% |
3 |
51,61 |
3,63 |
| ∑ |
Лимитно-комплектовочная ведомость
| Наименование работ |
Единица
измерения
|
Объём |
| 1. Бетон тяжёлый |
м3 |
63,021 |
| 2.Раствор цементный |
м3 |
328,703 |
| 3.Конструктивные элементы вспомогательного назначения m ≤50 кг с преобладанием профильного проката, собираемого из 2-х и более деталей, с отверстиями и без отверстий, соединённые на сварке |
т |
0,395 |
| 4.Электроды диаметром 6 мм Э42 |
т |
0,1894 |
| 5.Мастика морозостойкая битумно-масляная МБ-50 |
т |
2,033 |
| 6.Топливо дизельное из малосернистых нефтей |
т |
0,245 |
| 7.Рубероид подкладочный с пылевидной посыпкой РПП-300А |
м2 |
320,2 |
| 8.Кирпич керамический рядовой полнотелый обыкновенный М100 |
1000шт |
441,425 |
| 9.Вода |
м3 |
545,926 |
| 10.Бетон лёгкий В 12,5 |
м3 |
419,807 |
| 11.Пробки деревянные |
м3 |
4,054 |
| 12.Поковки из квадратных заготовок массой 1,8 кг |
т |
0,104 |
| 13.Гвозди строительные |
кг |
121,925 |
| 14.Бруски обрезные хвойных пород длиной 4-6,5м, шириной 75-150мм, толщиной 40-75 мм, 3 сорта |
м3 |
0,457 |
| 15.Толь ТВК 350 |
м2 |
684,1 |
| 16.Прокат для армирования ж/б конструкций |
т |
0,426 |
| 17.Песок для строительных работ природный |
м3 |
52,07 |
| 18.Рогожа |
м2 |
0,0059 |
| 19.Раствор строительный отделочный, тяжелый известковый в отношении 1:3 |
м3 |
23,314 |
| 20.Гипсовые вяжущие Г-3 |
т |
5,628 |
| 21.Шурупы с полукруглой головкой 8*100мм |
т |
0,097 |
| 22.Пакля пропитанная |
кг |
356,1 |
| 23.Смола каменно - угольная для дорожного строительства |
т |
0,076 |
| 24.Доски обрезные хвойных пород длиной 4-6,5м, шириной 75-150мм, толщиной 25 мм, 3 сорта |
м3 |
0,246 |
| 25.Дрова разделанные длиной 1м, осина, ольха |
м3 |
0,047 |
| 26.Сталь углеродистая обыкновенного качества общего назначения полуспокойная Ст3 СП толщиной 9-12 мм |
т |
0,034 |
| 27.Поковки для конструкций связи |
кг |
121,54 |
| 28.Асбест хризолитовый марки К-6-30 |
т |
0,021 |
| 29.Битумы нефтяные строительные марки БН 90/10 |
т |
0,441 |
| 30.Битумы нефтяные строительные марки БН 70/30 |
т |
0,086 |
| 31.Мука андезитовая кислотоупорная марки А |
т |
0,347 |
| 32.Бензин автомобильный АИ-98, АИ-95”Экстра”, АИ-93 |
т |
0,143 |
| 33.Ветошь |
кг |
14,084 |
| 34.Смазка оконная на олифе |
т |
0,198 |
| 35.Олифа комбинированная К-2 |
т |
0,425 |
| 36.Стекло листовое площадью до 1м2, 1 группы толщ 3 мм марки М 6 |
м2 |
494,05 |
| 37. Стекло листовое площадью до 4м2, 1 группы толщ 6 мм марки М 6 |
м2 |
73,14 |
| 38.Шнур резиновый прямоугольного сечения 5-10 мм2 вкл. |
кг |
0,621 |
| 39.Прокладки резиновые (пластина техническая прессованая) |
кг |
35,19 |
40.Раствор отделочный тяжелый цементно-известковый, при-
готовленный в построечных условиях состав 1:1:6
|
м3 |
137,228 |
| 41.Сетка проволочная тканая с квадратными ячейками №05 без покрытия |
м2 |
260,546 |
| 42. Раствор строительный отделочный тяжелый известковый 1:2,5 |
м3 |
7,521 |
| 43.Бумага для шлифовальных шкурок влагопрочная ОВ-120 |
1000 м2 |
0,023 |
| 44.Пемза шлаковая марки 600, фракция от 5 до 10 мм |
м3 |
0,094 |
| 45.Шпатлёвка клеемасляная |
т |
0,988 |
| 46.Краски сухие для внутренних работ |
т |
0,0066 |
| 47.Дисперсия поливинилацетатная не пластифицированная марки Д50Н |
кг |
996,32 |
| 48.Щебень из природного камня для строительных работ марки 400 |
м3 |
3,124 |
| 49.Керасин для технических целей марок К-1,К-2 |
т |
0,082 |
| 50.Мастика битумная кровельная горячая |
т |
0,074 |
| 51.Опилки древесные |
м3 |
0,842 |
| 52. Плитки керамические для внутренней облицовки стен гладкие |
м2 |
841,65 |
| 53.Известь строительная негашёная комовая, сорта 1 |
т |
0,225 |
| 54.Шпатлёвка масляная |
т |
0,874 |
| 55.Краска цветная, готовая к применению для внутренних работ МА-25 голубая, оранжево-бежевая |
т |
0,5485 |
| 56.Краски масляные и алкидные: белила цинковые |
т |
0,003 |
| 57.Щебень из гравия марки Др18 |
м3 |
0,046 |
| 58.Доски обрезные из березы, липы длиной 2-3,75м толщ. 25, 32, 40мм 1сорта |
м3 |
0,0026 |
| 59.Битумы строительные для кровельных работ |
т |
0,211 |
| 60.Смеси асфальтовые |
м3 |
0,36 |
| 61.Мастика герметизирующая |
т |
21,004 |
| 62.Гвозди 1,2*20мм |
кг |
0,0023 |
| 63.Шурупы саморезы 4,8*28 |
шт |
4239,9 |
| 64.Краска (аэрозоль) 400мл |
шт |
6,73 |
| 65.Гвозди строительные с плоской головкой 3,5*35 |
кг |
0,0098 |
| 66.Краски сухие для внутренних работ |
т |
0,0066 |
| 67.Олифа для улучшенной окраски |
т |
0,185 |
| 68.Лаги для полов антисептированные |
м3 |
13,095 |
| 69.Доски для покрытия пола антисептированные шириной без гребня от 64 до 100мм |
м3 |
45,994 |
| 70.Плитка керамическая “Грэс” |
м2 |
366,68 |
| 71.Сухая смесь для кладочных работ “Забудова” |
т |
1,78 |
| 72.Рубероид наплавляемый |
м2 |
17,204 |
| 73.Битум нефтяной |
т |
0,027 |
| 74.Клей КМЦ (для наклейки обоев) |
т |
0,0597 |
| 75.Бумага ролевая |
т |
0,219 |
| 76.Обои обыкновенного качества |
100 м2 |
33,719 |
Определение состава бригад, сменности, продолжительности работ.
Численный состав бригад зависит от характеристики работ и их объема. Состав бригад на возведение объекта применяется согласно почасовому графику. Каждая бригада должна быть комплексной.
Сменность работ принимается самостоятельно. Такие работы как срезка растительного слоя, планировка площадки, рытье котлована под фундаменты, устройство фундаментов, а также весь надземный цикл и штукатурные работы в две смены из-за дороговизны эксплуатации машин. Все остальные кроме кровли и остекления – на выбор, а указанные выше – в одну смену.
Ведение работ в две смены позволяет снизить плановую трудоемкость, продолжительность работ в календарных днях.
Продолжительность каждого вида работ определяется по формуле:
Т = Qпл /Р*См (дн), где
Qпл – трудоемкость работ по плану в человекоднях.
Р– количество человек в смену.
См–сменность работ
В тех работах, которые выполняются с помощью ведущей машины, продолжительность работ считается по машиносменам.
Соблюдение технологической последовательности работ.
Все работы, включенные в календарный план, выдержаны в строгом технологическом порядке, все работы не нарушают требований технологии и охраны труда.
Возведение вышележащих конструкций производится только после окончательного закрепления выверки в проектном положении предыдущих конструкций.
До начала отделочных работ все оконные проемы заполняются, устраивается кровля, остекляются переплеты.
Установка различных электросетей и сантехнических приборов производят до начала штукатурных работ. Причем, навеска сантехоборудования производится до начала окраски. Причем водная окраска предшествует масляной.
Строгая последовательность выполнения работ обеспечивает высокое качество работ, а так же снижает затраты материалов и трудоемкость.
Возведение объекта производится после окончательного выполнения работ с фундаментами и землей.
Специальные работы выполняются после надземного цикла.
ТЭП к календарному плану
Наименование
показателей
|
Единица
измерения
|
Значение |
Формула
подсчета
|
1.Продолжительность строительства
2.Строительный объем
3.Полезная жилая площадь
4.Сметная стоимость
5.Стоимость 1м3 здания
6.Стоимость 1 м2 полезной площади
7.Трудоемкость работ
8.Выработка
9.Трудоемкость на 1м3 здания
10. Трудоемкость на 1м2
11.Среднее количество рабочих
12.Коэфициент сменности
13.Коэфициент совмещенности работ
|
---
м3
м2
руб.
руб.
руб.
чел.-дн.
чел.-дн.
чел.-дн
чел.-дн.
чел.
---
---
|
76
3330,9
658,97
191331
57,4
290,5
12,09
4,75
24,03
18
1,27
1,38
|
Кн=
V=ABH
F-площадь всех жилых помещений
С-объектная смета
Сv=
СF=
∑QПЛ - тр-ть по плану из календарного плана
В=
qv=
qf=
A=
Ксм=
а1=1; а2=2
∑t1=247; ∑t2=108
Ксов= ,∑t=355,Тпл=169
|
3.3 Стройгенплан
Исходные данные для проектирования стройгенплана. Условия осуществления строительства.
1. Генплан и ТЭП к нему.
2. Календарный план строительства.
3. График движения рабочих.
4. График завоза и расхода материалов.
5. График работы основных строительных машин.
Строящееся здание – Дом быта на 15 рабочих мест.
Район строительства г. Бобруйск.
Грунт в районе строительства – крупный песок. Габариты здания 22,2м х 19м. Высота здания 12,1м. При производстве работ используются следующие механизмы: бульдозер, экскаватор, самоходный кран, автосамосвал и штукатурная станция.
Строительные материалы складируются как в закрытых, так и в открытых складах.
Строительная площадка, оборудованная прожекторами, снабжена водой и электроэнергией – от существующих местных сетей. Доставка материалов производится автотранспортом.
Расчет складских помещений
К-ции,
м-лы
|
Ед.
изм.
|
Общ.
потре-
бность
Qобщ
|
Продол-
жит. ук-ладки
Т
|
Суточ-
ный расход
Qсут=
Qобщ/Т
|
Запас хране-ния в днях
n
|
К-т не-равно-
мерно-
сти по-
ступл.
α
|
К-т не-равно-
мерно-
го по-
треблен.
k
|
Запас на складе
Qзап
|
Норма хр-ния
на 1м2
пл-ди
склада
q
|
Полезн.
пл-дь
склада
F= Qзап/q
|
К-т ис-
польз.
пл-ди
склада
β
|
Полез.
Пл-дь склада
S=F/ β
|
Размер
склада
(м2)
|
Вид склада |
1Кирпич
и блоки
|
1000
шт.
|
768,9 |
40 |
19,2 |
3 |
1,1 |
1,3 |
82,37 |
0,7 |
117,67 |
0,65 |
181,03 |
14*13 |
Откр. |
2Плиты
перекры-
тия
|
м3 |
558,8 |
5 |
111,76 |
1 |
--- |
--- |
111,76 |
0,75-0,95 |
149 |
0,6-0,7 |
248,3 |
16*16 |
Откр. |
3Лестн.
марши и
площ-ки
|
м3 |
18,17 |
5 |
3,63 |
1 |
--- |
--- |
3,63 |
0,5-0,6 |
7,26 |
0,6-0,7 |
11,17 |
3*4 |
Откр. |
4Окон.
блоки
|
м2 |
193 |
4 |
48,25 |
3 |
1,1 |
1,3 |
207 |
45 |
4,6 |
0,35-
0,4
|
11,5 |
3*4 |
Закр. |
5Дверн.
блоки
|
м2 |
366 |
7 |
52,3 |
3 |
1,1 |
1,3 |
224,37 |
44 |
5,1 |
0,5-0,6 |
8,5 |
3*3 |
Под
навес.
|
6Металло
черепица
|
м2 |
673 |
15 |
44,87 |
3 |
1,1 |
1,3 |
192,5 |
125-200 |
1,54 |
0,5-0,6 |
2,8 |
2*1,5 |
Под
навес.
|
Открытый склад – 440,5 м2
Закрытый склад – 11,5 м2
Под навесом – 11,3 м2
Расчет временных зданий.
Nmax=50 чел.
Nс=50*12/100=6чел.
Nобщ.=50+6=55 чел.
Расчет площадей временных зданий
Временные
здания
|
Количество
работающих
|
Нормативный показатель |
Требуемая
площадь
|
Характеристика и размеры планируемого здания |
| 1 |
2 |
3 |
4 |
5 |
1. Контора
прораба
|
6 |
4 |
24 |
9*2,7*2,7 Передвижной
420-01-03 23м2
|
2. Красный
уголок
|
55 |
0.75 |
41,25 |
9*3*3 (2 шт.) Передвижной
ГОСС К-4 24м2
|
| 3. Гардероб |
50 |
0,5-0,7 |
25 |
10*3,2*3 Передвижной
ГК-10 28м2
|
| 4. Здание для отдыха и обогрева рабочих |
50 |
1,1 |
55 |
7,4*3*2,8 (3 шт.) Передвижной
310-00 20м2
|
| 5. Душевая |
50 |
0,43 |
21,5 |
9*3*3 Передвижной
ГОСС Д-6 28м2
|
| 6. Сушилка для одежды и обуви |
50 |
0,2 |
10 |
8*2,8*2,5 Передвижной
ВС-8 28м2
|
| 7. Уборная мужская |
33 |
0,12 |
3,96 |
2,7*2*2,8 Передвижной
494-4-43 4м2
|
| 8. Уборная женская |
17 |
0,12 |
1,8 |
2,7*2*2,8 Передвижной
494-4-43 4м2
|
| 9. Столовая |
16 |
0,8 |
13,6 |
9*3*3 Передвижной
ГОСС-20 28м2
|
| 10. Навес для отдыха |
55 |
1 |
55 |
----- |
| 11. Щит со средствами пожаротушения |
55 |
1 |
55 |
----- |
12.Фонтанчик для
питья
|
55 |
1 |
55 |
----- |
| 13. Мусоросборник |
55 |
1 |
55 |
----- |
Расчет временного водоснабжения
| Виды потребления воды |
Ед.
изм.
|
Количество в смену |
Норма потребления на единицу измерения |
Расход воды |
1.Производственные нужды
1.1.Штукатурные работы
1.2.Молярные работы
1.3.Заправка автомобилей
|
м2
м2
шт
|
270,15
629,7
6
|
6
1
500
|
1620,9
629,7
4500
|
| ∑6750,6 |
2.Хозяйственно-бытовые нужды
2.1.Душевые
2.2.Столовая
2.3Фонтанчик
|
чел.
чел.
чел.
|
50
17
50
|
50
15
2
|
2500
255
100
|
| ∑2855 |
| 3.Пожарные нужды |
--- |
--- |
--- |
10 |
| ∑ 10 |
Полная потребность в воде составит: Qобщ.=Qпр.+Qдуш.+Qхоз.
Расход воды на производственные нужды:
Qпр=1.2* =0,35 л/с
Qхоз.= =0,037 л/с
Qдуш.= =0,278 л/с
Qобщ.= Qпр+ Qхоз.+ Qдуш.=0,35+0,037+0,278=0,665 л/с
Рассчитываем диаметр водопровода по формуле:
D= = 35,69 = 35,69 =23,76
U=1.5 м/с ;
Принимаем трубу с условным проходом 25 мм и наружным диаметром 26,8мм.
Расчет временного энергоснабжения
Наименование
потребителя
|
Ед.
изм.
|
Кол-во |
Потребляемая мощность по норме |
Общая потребительская мощность (кВт) |
1.Силовая электроэнергия
1.1.Башенный кран
1.2.Виброрейка
1.3.Подъемник
1.4.Растворонасос
1.5.Штукатурная станция
|
шт
шт
шт
шт
шт
|
1
1
1
1
1
|
41,2
0,6
2,8
2,2
22
|
34
0,6
2,8
2,2
22
∑41,8
|
2.Технологические нужды
2.1.Сварочный трансформатор
|
шт |
1 |
25 |
25
∑25
|
3.Внутреннее освещение
3.1.Контора прораба
3.2.Бытовые помещения
3.3.Закрытый склад
3.4.Навес
|
м2
м2
м2
м2
|
23
228
11,5
11,3
|
0,075
0,078
0,015
0,003
|
1,725
17,784
0,173
0,034
∑19,716
|
4.Наружное освещение
4.1.Производсто
монтажных работ
4.2.Открытые склады
4.3.Освещение дорог
4.4.Охранное освещение
|
100м2
100м2
км
км
|
5,63
4,405
0,264
0,311
|
0,3
0,05
5
3,5
|
1,689
0,22
1,32
1,089
∑4,318
|
Определяем мощность трансформатора.
Рр=α(∑К1С*Рс/cosφ+∑К2С*Рt/ cosφ+∑К3С*Роб+∑К4С)=
=1,1(41,8*0,3/0,7+25*0,35/0,4+19,716*0,8+4,318)=65,87 кВт
Принимаем комплексную трансформаторную подстанцию КГП мощностью 63 кВт. Габаритные размеры 1,5*1,9*2,7м.
Мероприятия по обеспечению сохранности материалов, изделий, конструкций и оборудования.
Наибольшие потери материалов и конструкций на строительной площадке исходят из неправильной организации транспортных, погрузочно-разгрузочных работ и неправильного складирования материалов. Поэтому основным путем обеспечения сохранности конструкций и материалов является правильная организация этих видов работ.
Важную роль играет правильное складирование материалов на строительной площадке и на складах.
3.4 Охрана труда и окружающей среды
Мероприятия по технике безопасности при выполнении определенных видов СМР.
Перед началом производства земляных работ в местах расположения действующих подземных коммуникаций должны быть разработаны и согласованы с организациями, эксплуатирующими эти коммуникации, мероприятия по безопасным условиям труда, а расположение подземных коммуникаций на местности обозначено соответствующими знаками или надписями. Производство земляных работ в зоне действующих подземных коммуникаций следует осуществлять под непосредственным руководством прораба или мастера, а в охранной зоне кабелей, находящихся под напряжением, или действующего газопровода, кроме того, под наблюдением работников электро- или газового хозяйства. Запрещается установка и движение строительных машин и автомобилей, а также складирование материалов в пределах призмы обрушения выемок без креплений. Для прохода рабочих в котлован следует установить стремянки шириной 0,6м с перилами. Погрузка грунта на автосамосвалы должна производится со стороны заднего или бокового борта.
Перед началом монтажных работ руководитель монтажа, бригадир и все монтажные звенья должны быть ознакомлены с проектом производства работ. До начала монтажа конструкции должны быть очищены от мусора. Запрещается подъем сборных железобетонных конструкций, не имеющих монтажных петель или меток, обеспечивающих их правильную строповку и монтаж. Не допускается нахождение людей под монтируемыми элементами конструкций и оборудования до установки их в проектное положение. Строповку конструкций следует производить инвентарными стропами. Способы строповки должны исключать возможность падения или скольжения.
При перемещении и подаче на рабочее место грузоподъемными кранами кирпича следует применять поддоны, контейнеры, исключающие падение груза при подъеме. Не допускается кладка наружных стен толщиной 0,75м в положении стоя на стене. Не допускается кладка стен зданий последующего этажа без установки несущих конструкций междуэтажного перекрытия, а также площадок и маршей в лестничных клетках. Все отверстия в перекрытиях должны быть ограждены или закрыты щитами. Проемы в наружных стенах в которых не установлены оконные или дверные блоки должны быть заграждены.
Допуск рабочих к выполнению кровельных работ разрешается после осмотра прорабом или мастером совместно с бригадиром исправности несущих конструкций крыши и ограждений. Не допускается выполнение кровельных работ во время тумана, исключающего видимость в пределах фронта работ, грозы и ветра скоростью 15м/с и более.
При производстве штукатурных работ с применением растворонасосных установок необходимо обеспечить двустороннюю связь оператора с машинистом установки. Для просушивания помещений строящихся зданий и сооружений при невозможности использования отопления следует применять воздухонагреватели. При их установке следует выполнять требования правил пожарной безопасности. Запрещается обогревать и сушить помещения жаровнями и другими устройствами, выделяющими в помещение продукты сгорания топлива.
При приготовлении малярных составов на строительной площадке необходимо использовать для этих целей помещения, оборудованные вентиляцией, не допускающей превышения предельно допустимых концентраций вредных веществ в воздухе рабочей зоны. Помещения должны быть обеспечены безвредными моющими средствами и теплой водой.
Места, над которыми производятся стекольные работы, необходимо ограждать. До начала стекольных работ надлежит визуально проверить прочность и исправность оконных переплетов. Подъем и переноску стекла к месту его установки нужно производить с применением соответствующих безопасных приспособлений или в специальной таре.
Противопожарные меры на строительной площадке.
При выполнении изоляционных работ с применением огнеопасных материалов следует обеспечить защиту рабочих от термических и химических ожогов.
Запрещается использовать битумные мастики температурой выше 180°С.
При перемещении битумной мастики вручную следует применять металлические бачки, имеющие форму усеченного конуса, обращенного широкой частью вниз с плотно закрывающимися крышками. Возле котла для варки и разогрева мастики должны быть средства пожаротушения.
3.5. ТЭП к стройгенплану
№
п/п
|
Наименование |
Единицы
измерения
|
Величена
показателя
|
Примечания |
| 1 |
Площадь строительной
площадки
|
м2 |
1527,6 |
Fстр |
| 2 |
Площадь застройки
проектируемого здания
|
м2 |
529,9 |
Fзаст |
| 3 |
Площадь застройки временных зданий и сооружений |
м2 |
226 |
Fвр |
| 4 |
Протяженность временных дорог |
км |
0,234 |
Ширина дороги 3,5 м |
| 5 |
Протяженность временного водопровода |
м |
58,2 |
Диаметром 25мм |
| 6 |
Протяженность воздушной осветительной линии |
м |
282 |
Высота подвески 7м |
| 7 |
Протяженность временной электросиловой линии |
м |
66,64 |
Подземный кабель |
| 8 |
Протяженность забора |
м |
311,27 |
Высота 2м |
| 9 |
Компактность:
Коэффициент К1
Коэффициент K2
|
%
%
|
1,17
0,82
|


|
4 Экономическая часть
4.1 Сводный сметный расчет строительства 2-этажного
дома быта на 15 рабочих мест
Составлено в ценах 1991г. Стоимость 292,2 тыс. руб.
Наименование
глав, объектов, работ и затрат
|
Стоимость, тыс.руб. |
Трудо-ём-
кость,
тыс.
чел-
час
|
| ОЗР |
ЭММ |
Мате-
риалы
|
НР |
ПН |
Обо-
ру-
дова-ние
|
Про-чие |
Все-
го
|
| 2 |
3 |
4 |
5 |
6 |
7 |
8 |
9 |
10 |
11 |
Глава1
Подготовка тер-ритории строите-льства (2%)
|
0,5 |
0,12 |
1,85 |
0,64 |
0,92 |
- |
- |
4,27 |
0,37 |
Глава2
Основные объекты
строительства
|
26,91 |
5,94 |
92,55 |
32,2 |
45,49 |
- |
- |
213,4 |
18,4 |
Глава3
Объекты подсобного и
обслуживающего
назначения
|
- |
- |
- |
- |
- |
- |
- |
- |
- |
Глава4
Объекты энергетического
снабжения
|
- |
- |
- |
- |
- |
- |
- |
- |
- |
Глава5
Объекты транспортного
строительства
|
- |
- |
- |
- |
- |
- |
- |
- |
- |
Глава6
Наружные сети и
сооружения (5%)
|
1,35 |
0,29 |
4,6 |
1,61 |
2,29 |
- |
- |
10,7 |
0,92 |
Глава7
Благоустройство и озеленение территории (2%)
|
1,35 |
0,29 |
4,6 |
1,61 |
2,29 |
- |
- |
10,7 |
0,92 |
| Итого по главе 1-7 |
30,11 |
6,64 |
103,6 |
36,06 |
51,29 |
- |
- |
239,1 |
20,6 |
Глава8
Временные здания и сооружения (5,3%)
|
0,67 |
0,38 |
2,14 |
- |
- |
- |
- |
3,2 |
0,54 |
Глава9
Прочие работы и затраты.
|
- |
- |
- |
- |
- |
- |
- |
- |
- |
| Зимнее удор-ние (3,9%) |
0,8 |
0,6 |
1,05 |
- |
- |
- |
- |
2,45 |
0,85 |
| Единовременные затраты за выслугу лет |
3,68 |
3,68 |
| Средства на воз-мещение затрат, связанных с под-вижным характе-ром работ в строительстве |
- |
- |
- |
- |
- |
- |
- |
- |
- |
Средства на ор-ганизованный набор рабочих
(4%)
|
1,47 |
- |
- |
- |
- |
- |
- |
1,47 |
- |
Средства на пре-мирование за ввод в действие
объектов в срок (14,74%)
|
- |
- |
- |
- |
- |
- |
- |
6,61 |
- |
| Итого по главе 9 |
7,42 |
0,6 |
1,05 |
- |
- |
- |
6,61 |
15,68 |
0,85 |
| Итого по главе 1-9 |
38,2 |
7,62 |
106,8 |
36,06 |
51,29 |
- |
6,61 |
257,9 |
21,9 |
Глава10
Содержание ди-рекции строя-щегося предпри-ятия и авторский надзор.
|
- |
- |
- |
- |
- |
- |
- |
- |
- |
На содержание единых заказчи-ков (для жилых
домов, объектов соц.-культурной сферы и комму-нального хоз-ва (1,74%)
|
- |
- |
- |
- |
- |
- |
6,7 |
6,7 |
- |
| На содержание дирекции строя-щегося предпри-ятия (1,5%) |
- |
- |
- |
- |
- |
- |
3,87 |
3,87 |
- |
| На содержание технадз. заказ-чика (68,8%) |
- |
- |
- |
- |
- |
- |
2,7 |
2,7 |
- |
На проведение авторского над-
зора (0,196%)
|
- |
- |
- |
- |
- |
- |
0,52 |
0,52 |
- |
Глава12
Проектные и изыскательные работы (5%)
|
- |
- |
- |
- |
- |
- |
12,89 |
12,89 |
- |
Итого по
главе 1-12
|
38,2 |
7,62 |
106,8 |
36,06 |
51,29 |
- |
33,29 |
284,6 |
21,9 |
Резервные средства на
непредвиденные работы и затраты (2%)
|
0,76 |
0,15 |
2,14 |
0,72 |
1,03 |
- |
0,67 |
5,69 |
0,44 |
Средства на соз-дание фонда развития строи-
тельной науки (1%)
|
- |
- |
- |
- |
- |
- |
1,9 |
1,9 |
- |
| Всего по сводно-му сметному расчёту |
38,96 |
7,77 |
108,9 |
35,78 |
52,32 |
- |
35,8 |
292,2 |
22,34 |
| Возвратные суммы (15%) |
- |
- |
- |
- |
- |
- |
- |
0,48 |
- |
4.2 Объектная смета №1 на строительства 2-этажного
Дома быта на 15 рабочих мест
В базисных ценах 1991г. Сметная стоимость 213,4 тыс. руб.
Нормативная трудоемкость 18,4 чел-час.
| Наименование работ |
Стоимость, тыс. руб. |
Трудоем-кость тыс. чел-час |
| ОЗР |
Эксплу-атация машин |
Мате-риалы |
Наклад-ные расхо-ды |
Пла-новые накоп-ления |
Обо-ру-до-ва-ние |
Про-чие |
Всего |
В т.ч.
заработ-ная пла-та
|
| Общестроитель-ные работы |
24,88 |
5,41 |
83,55 |
28,56 |
39,349 |
191,33 |
16,66 |
| 1,52 |
| Отопление и вентиляция |
0,7 |
0,2 |
3,18 |
1,28 |
2,26 |
7,69 |
0,7 |
| 0,7 |
| Водопровод и канализация |
0,48 |
0,12 |
2,37 |
0,96 |
1,69 |
5,74 |
0,46 |
| 0,4 |
| Газо и пароснабжение |
0,36 |
0,1 |
1,54 |
0,6 |
1,09 |
3,71 |
0,28 |
| 0,037 |
| Электромонтаж-ные работы |
0,3 |
0,08 |
1,19 |
0,5 |
0,8 |
2,87 |
0,19 |
| 0,03 |
| Слаботочные работы |
0,19 |
0,05 |
0,8 |
0,3 |
0,6 |
2,03 |
0,139 |
| 0,018 |
| Всего по смете: |
26,91 |
5,94 |
92,55 |
32,2 |
45,79 |
213,4 |
18,4 |
| 2,7 |
4.3 Ведомость объёмов и стоимости работ
| № |
Наименование разделов |
ОЗР
руб.
|
ЭММ
руб.
|
ПЗ
руб.
|
НР
руб.
|
ПН
руб.
|
Всего
сметная
стоимость
руб.
|
Удельный
вес стоимости
раздела в
тоимости
СМР
|
| 1 |
2 |
3 |
4 |
5 |
6 |
7 |
8 |
9 |
| 1 |
Земляные работы |
128 |
579 |
719 |
666,7 |
918,39 |
2304,1 |
1,24 |
| 2 |
Фундаменты |
643 |
496 |
2145 |
1074,1 |
1479,6 |
4698,7 |
2,53 |
| 3 |
Стены и перегородки |
8853 |
2385 |
38448 |
10597,4 |
18495,2 |
67540,6 |
36,38 |
| 4 |
Покрытия и перекрытия |
845 |
394 |
16105 |
1168,4 |
1609,5 |
18882,9 |
10,17 |
| 5 |
Кровля |
3472 |
1080 |
16340 |
4292,5 |
5913 |
26545,5 |
14,29 |
| 6 |
Двери |
52 |
2 |
140 |
50,92 |
70,15 |
261,07 |
0,14 |
| 7 |
Окна |
126 |
1 |
430 |
119,8 |
164,97 |
714,77 |
0,38 |
| 8 |
Полы |
2863 |
135 |
27597 |
2827,1 |
3894,4 |
34318,5 |
18,48 |
| 9 |
Отделочные работы |
7595 |
272 |
11078 |
7418,6 |
10219,2 |
28715,8 |
15,47 |
| 10 |
Лестницы |
22 |
45 |
52 |
63,2 |
87,03 |
202,2 |
0,11 |
| 11 |
Прочие |
283 |
21 |
793 |
286,7 |
394,9 |
1474,6 |
0,79 |
| 24882 |
5410 |
113847 |
28565,4 |
43246,3 |
185658,7 |
99,98 |
4.4 Локальная смета №1
Общестроительные работы на 2-этажного дома быта на 15 рабочих мест.
Составлено в базисных ценах 1991г. Сметная стоимость 191331 тыс. руб.
Основание: чертежи АС Нормативная трудоемкость 16658,8 чел-час.
| № |
Обоснова-ние |
Наименование видов работ и ресурсов |
Кол-во
Ед.изм
|
Трудоёмкость |
| Стоимость ед.изм. / всего , руб. |
| Заработная плата рабочих |
Эксплуатация машин и механизмов |
Материальные ресурсы |
Общая стоимость |
рабочих
чел-час.
|
машини-стов
маш-час
|
| Всего |
В т.ч. зарплата машиниста |
| 1 |
2 |
3 |
4 |
5 |
6 |
7 |
8 |
| А. Подземная часть |
| Раздел 1-Земляные работы |
| 1 |
Е1-24-1 |
Разработка грунта бульдозерами мощностью 79(108) кВт (л.с) грунт 1 группы. |
0,095
1000 м3
|
0,00
0,00
|
99,88
9,0
|
30,78
3,0
|
0,00
0,00
|
99,88
9,0
|
0,00
0,00
|
16,73
1,59
|
| 2 |
Е1-30-1 |
Планировка площадки бульдозером мощностью 59 кВт,грунт 2 группы. |
0,636
1000 м2
|
0,00
0,00
|
3,58
2,0
|
11
1,0
|
0,00
0,00
|
3,58
2,0
|
0,00
0,00
|
0,6
0,38
|
| 3 |
Е1-11-1 |
Разработка грунта в отвал экскаваторами «драглайн» с ковшом V=2,5м3,грунт 1 группы. |
1,57
1000 м3
|
11,38
18
|
161,26
252
|
38,83
61
|
0,00
0,00
|
172,64
270
|
7,16
11,2
|
19,86
31,05
|
| 4 |
E1-16-1 |
Разработка грунта с погрузкой на автосамосвалы экскаваторами с ковшом V=0,5м3,грунт 2 группы. |
0,832
1000м3
|
14,26
12
|
210,62
175
|
53,04
44
|
0,33
0,248
|
225,21
187
|
8,26
6,87
|
26,74
22,2
|
| 5 |
Е1-38-1 |
Срезка недобора грунта в выемках ,грунт 1 группы. |
0,069
1000 м3
|
993,98
68
|
653,68
45
|
162,24
11
|
4,28
0,3
|
1651,94
114
|
630,7
44
|
78,98
5
|
| 6 |
Е1-38-1 |
Подчистка дна котлована вручную. |
0,015
1000 м3
|
993,98
15
|
0
0
|
0
0
|
0
0
|
1651,94
25
|
0
0
|
0
0
|
| 7 |
Е1-71-1 |
Засыпка котлована бульдозерами мощностью 30 кВт при перемещении грунта до5м |
0,785
1000м3
|
0,00
0,00
|
98,62
77
|
3,98
3
|
0,00
0,00
|
98,62
77
|
0,00
0,00
|
1,53
0,286
|
| 8 |
Е1-166-1 |
Засыпка вручную пазух котлованов и ям, грунт 1 группы. |
0,03
1000м3
|
219,66
7
|
0,00
0,00
|
0,00
0,00
|
0,00
0,00
|
219,66
7
|
150,45
4,51
|
0,00
0,00
|
| 9 |
Е1-134-1 |
Уплотнение грунта пневмотрамбовками грунт 1 группы. |
0,27
100м3
|
30,48
8
|
67,83
18
|
22,35
6
|
0,00
0,00
|
98,31
27
|
18,36
4,96
|
17,85
4,8
|
| 10 |
ЕТС310-10 |
Отвоз грунта на расстояние 10 км. |
1,63
т
|
0,00
0,00
|
0,75
1
|
0,15
1
|
0
0,00
|
0,75
1
|
0
0,00
|
0,2
0,32
|
| ИТОГО по разделу 1 |
| 128 |
579 |
130 |
2 |
719 |
71,54 |
65,63 |
| Раздел 2-Фундаменты |
| 11 |
Е7-1-1 |
Укладка блоков и плит ленточных фундаментов, при глубине котлована до 4м, массой до 0,5т |
2,51
100 шт
|
156,94
409
|
185,94
485
|
57,76
151
|
0,00
0,00
|
342,88
895
|
94,54
246,74
|
28,94
75,53
|
| 12 |
С401-0002 |
Стоимость ленточных фундаментов, V до 0,2 |
0,56
м3
|
73,15
41
|
73,15
41
|
| 13 |
147-3 |
Стоимость стержневой арматуры А - III |
42,77
кг
|
0,43
18
|
0,43
18
|
| 14 |
147-22 |
Стоимость проволочной арматуры Вр-I |
30,55
кг
|
0,59
18
|
0,59
18
|
| 15 |
147-2 |
Стоимость стержневой арматуры А - I |
42,77
кг
|
0,41
17
|
0,41
17
|
| 16 |
С401-0002 |
Стоимость ленточных фундаментов |
0,56
м3
|
73,15
41
|
73,15
41
|
| 17 |
147-2 |
Стоимость стержневой арматуры А - I |
6,11
кг
|
0,41
2
|
0,41
2
|
| 18 |
Е8-4-3 |
Гидроизоляция стен фундаментов горизонтальная оклеечная в 2 слоя рубероида |
1,14
100 м2.
|
52,72
60
|
9,86
1
|
3,94
5
|
388,64
443
|
451,22
492
|
31,72
36,2
|
2,76
3,11
|
| 19 |
Е8-4-5 |
Гидроизоляция стен фундаментов боковая оклеечная повыравненной поверхности |
1,27
100м2
|
137,38
174
|
7,30
10
|
2,25
3
|
344,18
437
|
488,86
621
|
73,94
93,9
|
1,51
1,92
|
| ИТОГО по разделу 2 |
| 643 |
496 |
159 |
1017 |
2145 |
376,8 |
80,56 |
| ИТОГО по подземной части |
| 771 |
1075 |
289 |
1019 |
2864 |
448,3 |
146,19 |
| Б. Надземная часть |
| Раздел 3-Стены и перегородки |
| 20 |
Е8-20-801 |
Кладка наружных стен из кирпича |
262,1
1 м3
|
15,79
4139
|
4,27
1119
|
1,07
280
|
40,19
10534
|
60,25
15792
|
9,39
2461,1
|
0,6
157,3
|
| 21 |
Е8-20-501 |
Кладка внутренних стен из кирпича |
177,6
м3
|
19,17
3405
|
5,55
986
|
1,37
243
|
41,31
7337
|
66,03
11727
|
11,25
1998
|
0,77
136,7
|
| 22 |
Е8-7-1 |
Кладка перегородок |
3,65
100 м2
|
0,00
0,00
|
0,00
0,00
|
0,00
0,00
|
0,00
0,00
|
0,00
0,00
|
0,00
0,00
|
0,00
0,00
|
| 23 |
Е7-11-1 |
Кладка перемычек до 0,7 т |
0,54
100 м2
|
197,50
106
|
259,00
140
|
65,75
36
|
5,94
3
|
462,44
249
|
155,05
63,7
|
37,16
20,1
|
| 24 |
С402-0278 |
Стоимость перемычек |
3840
м
|
2
7680
|
2
7680
|
| ИТОГО по разделу 3 |
| 8853 |
2385 |
589 |
27211 |
38448 |
5237,9 |
332 |
| Раздел 4-Покрытие и перекрытие |
| 25 |
Е7-15-2 |
Установка панелей перекрытия |
1,07
100 м.
|
796,78
797
|
299,4
344
|
108,78
116
|
807,99
865
|
1904,17
2037
|
417,6
446,8
|
68,45
73,24
|
| 26 |
Е7-21-1 |
Установка площадок массой более 1 т. |
0,03
100шт
|
437,97
13
|
456,89
14
|
108,92
3
|
39,85
1
|
934,
28
|
253,75
7,6
|
60,28
1,8
|
| 27 |
С408-0005 |
Стоимость лестничных площадок |
0,2
м2
|
19,01
4,0
|
19,01
4,0
|
| 28 |
С404-0001 |
Стоимость панелей перекрытия |
1584
м2
|
8,75
13860
|
8,75
13860
|
| 29 |
Е7-53-6 |
Монтаж козырьков |
0,04
100шт
|
1193,4
48
|
1258,29
50
|
300,74
12
|
76,68
4,0
|
2528,37
102
|
700,35
18,02
|
166,13
6,0
|
| 30 |
С408-0027 |
Стоимость козырьков |
0,9
100шт
|
104,46
94
|
104,46
94
|
| 31 |
147-22 |
Стоимость стержневой арматуры А - III |
13,75
кг
|
0,43
6,0
|
0,43
6,0
|
| 32 |
147-22 |
Стоимость проволочной арматуры Вр-I |
1,92
кг
|
0,59
1,0
|
0,59
1,0
|
| 33 |
147-21 |
Стоимость стержневой арматуры А - I |
4,38
кг
|
0,4
5
|
0,4
5
|
| 34 |
Е7-21-1 |
Установка лестничных маршей массой более 1т. без сварки |
0,02
100шт
|
437,97
9
|
456,89
9
|
108,92
2
|
39,85
1
|
934,71
19
|
25,375
5,07
|
60,28
1,2
|
| 35 |
С408-0003 |
Стоимость лестничных маршей |
0,02
100шт
|
23,34
1,0
|
23,34
1,0
|
| ИТОГО по разделу 4 |
| 845 |
394 |
128 |
14835 |
16105 |
464,8 |
79,24 |
| Раздел 5-Кровля |
| 36 |
Е12-19-1 |
Устройство кровли из металлочерепицы |
3,19
100м2.
|
312,52
997
|
22,8
73
|
5,96
19
|
3265,72
10418
|
3601,04
11487
|
174,4
556
|
3,41
10,88
|
| 37 |
Е12-55-1 |
Отделка вентканалов с установкой вентрешетки для кровли из металлочерепицы |
0,105
100м2.
|
1151,4
121
|
5,2
1,0
|
1,95
1,0
|
274,12
29
|
1430,72
150
|
570
59,85
|
0
0
|
| 38 |
Е12-15-1 |
Устройство пароизоляции |
4,71
100м2
|
34
160
|
6,84
32
|
2,32
11
|
139,26
656
|
180,1
848
|
19,45
91,6
|
1,54
7,25
|
| 39 |
Е12-14-1 |
Устройство теплоизоляции |
188,4
м3
|
9,4
1770
|
3,81
718
|
1,03
34
|
0
0
|
13,21
2489
|
5,91
1113
|
0,6
113
|
| 40 |
Е12-17-1 |
Устройство цементной стяжки |
4,71
100 м2.
|
62,65
295
|
27,61
130
|
1,03
34
|
0
0
|
13,21
2489
|
5,91
1113
|
0,6
113
|
| 41 |
Е12-12-1 |
Ограждение кровли металлическими перилами |
1,03
100м
|
16,09
17
|
5,23
5
|
0,99
1,0
|
260,8
269
|
282,12
290
|
9,32
9,59
|
0,569
0,58
|
| 42 |
Е12-56-1 |
Устройство слуховых окон |
4
шт
|
14,1
56
|
0,22
1,0
|
0,07
1,0
|
8,12
8
|
181,51
185
|
27,53
28,08
|
15,81
16,13
|
| 43 |
Е12-53-1 |
Устройство водосточных воронок |
1,02
100м2.
|
55,61
56
|
117,78
120
|
29,56
30
|
1032,61
444,02
|
1260,05
541,82
|
112,00
48,16
|
1,00
0,43
|
| ИТОГО по разделу 5 |
| 3472 |
1080 |
291 |
11789 |
16340 |
1516,28 |
166,96 |
| Раздел 6-Полы |
| 44 |
Е11-34-1 |
Устройство полов из паркетной доски |
6,33
100м2.
|
90,86
5,76
|
15,23
98
|
1,96
12
|
2620,4
16587
|
2726,4
17258,1
|
50,09
317,1
|
1,41
8,92
|
| 45 |
С203-35-100 |
Устройство плинтуса |
110,9
м
|
0,52
1098
|
0,52
1098
|
| 46 |
Е11-27-3 |
Устройство покрытий из плитки |
7,79
100м2
|
285,39
2223
|
4,84
38
|
2,99
23
|
834,24
6439
|
1124,47
8760
|
167,48
1301,6
|
2,15
16,75
|
| 47 |
Е11-36-1 |
Устройство полов из линолеума |
0,62
100м2.
|
105,51
65
|
2,02
1
|
1,25
1
|
667,89
414
|
775,4
481
|
60,36
37,42
|
0,9
0,56
|
| ИТОГО по разделу 6 |
| 2863 |
135 |
36 |
24598 |
27597 |
1659,12 |
26,23 |
| Раздел 7- Двери. |
| 48 |
Е15-206-1 |
Остекление дверей |
0,21
100 м2.
|
| 50 |
2,23
1,0
|
1,38
1,0
|
403,06
85
|
642,22
135
|
142,73
29,97
|
0,99
0,21
|
| 49 |
Е15-206-1 |
Остекление балконных дверей |
0,02
100м2.
|
86,0
2
|
1,31
1
|
0,81
1
|
171,36
3
|
258,67
5
|
51,81
1,03
|
0,58
0,012
|
| ИТОГО по разделу 7 |
| 52 |
2 |
2 |
88 |
140 |
31,0 |
0,222 |
| Раздел 8- Окна. |
| 50 |
С101-90200 |
Остекление окон в деревянных переплетах |
1,15
100м2
|
109,33
126
|
1,28
1,0
|
0,79
1,0
|
263,41
303
|
374,02
430
|
66,99
77,03
|
0,57
0,66
|
| ИТОГО по разделу 8 |
| 126 |
1,0 |
1,0 |
303 |
430 |
77,03 |
0,66 |
| Раздел 9-Отделочные работы |
| 51 |
Е15-51-1 |
Улучшенная штукатурка стен |
16,92
100 м2.
|
176,23
2982
|
14,43
244
|
9,17
155
|
71,25
1206
|
261,91
44,32
|
100,82
1705,9
|
4,32
73,09
|
| 52 |
Е15-65-1 |
Штукатурка плоских поверхностей оконных и дверных откосов по бетону и камню |
1,07
100 м2.
|
496,78
532
|
4,34
5
|
2,68
3
|
134,32
144
|
635,44
680
|
295,35
316,02
|
1,93
2,07
|
| 53 |
Е15-166-10 |
Окраска потолков водными составами |
8,33
100 м2.
|
101,77
848
|
2,0
17
|
1,24
10
|
104,07
867
|
207,84
1731
|
56,1
467,3
|
0,89
7,4
|
| 54 |
Е15-165-4 |
Улучшенная окраска колером масляным разбавленным по дереву заполнений дверных проёмов |
3,3
100 м2.
|
243,15
802
|
0,11
1,0
|
0,07
1,0
|
74,01
244
|
317,27
1047
|
139,10
459,03
|
0,05
0,17
|
| 55 |
Е15-165-5 |
Улучшенная окраска колером масляным разбеленым по дереву заполнений оконных проёмов |
2,92
100 м2.
|
363,41
1061
|
0,11
1,0
|
0,07
1,0
|
71,89
210
|
435,42
1271
|
207,90
607,1
|
0,05
0,15
|
| 56 |
Е15-165-3 |
Покрытие полов лаком |
6,32
100 м2.
|
34,74
220
|
0
0
|
0
0
|
26,24
166
|
60,98
385
|
18,41
116,4
|
0
9,26
|
| 57 |
Е15-251-1 |
Оклейка стен обоями |
13,16
100м2
|
87,40
1150
|
0,34
4
|
0,21
3
|
28,65
377
|
116,39
1532
|
50,00
658
|
0,15
1,97
|
| ИТОГО по разделу 9 |
| 7595 |
272 |
173 |
3214 |
11078 |
4329,7 |
84,85 |
| Раздел 10-Разные работы |
| 58 |
Е1-164-1 |
Разработка грунта под отмостку |
0,16
100 м2.
|
302,5
48
|
0
0
|
0
0
|
0
0
|
302,5
48
|
200,6
32,09
|
0
0
|
| 59 |
Е8-27-1 |
Устройство крыльца с входной площадкой |
12,6
м2
|
3,85
48
|
1,09
14
|
0,27
3
|
4,80
60
|
9,74
123
|
2,42
30,5
|
0,14
1,76
|
| 60 |
Е11-2-3 |
Устройство подсыпки под отмостку |
15,9
1000м2
|
7,52
120
|
0,00
0,00
|
0,00
0,00
|
26,3
418
|
33,82
538
|
4,9
77,9
|
0,00
0,00
|
| 61 |
Е11-19-1 |
Устройство покрытия асфальтобетонного |
1,06
1000м2
|
63,19
67
|
6,21
7
|
3,84
4
|
10,14
11
|
79,54
84
|
38,39
40,69
|
2,76
2,93
|
| ИТОГО по разделу 10 |
| 283 |
21 |
7 |
489 |
793 |
181,18 |
4,69 |
| Лестницы |
| 22 |
45 |
5 |
7 |
52 |
12,67 |
3,0 |
| ВСЕГО по объекту |
| 24882 |
5410 |
1521 |
83553 |
113847 |
13958,0 |
844,04 |
| Основная заработная плата |
24882 |
| Эксплуатация машин и механизмов |
5410 |
| в т.ч зарплата машиниста |
1521 |
| Материальные ресурсы |
83553 |
| Накладные расходы |
28565,4 |
| Начисления на трудоёмкость за счёт НР |
1856,8 |
| Начисления на зарплату за счёт НР |
9569,4 |
| Итого с накладными расходами |
151981,8 |
| Плановые накопления |
39349,3 |
| ВСЕГО ПО СМЕТЕ |
191331,1 |
| Сметная зарплата |
35972,4 |
| Нормативная трудоёмкость |
16658,8 |
4.5 Расчет стоимости выполненных работ в текущих ценах на февраль 2007г. с учетом налогов и отчислений на строительства 2-этажного дома быта на 15 рабочих мест. в текущих ценах 2007г.
| № п/п |
Наименование затрат |
Позиция сводного сметного расчета |
Индекс перерасчета в текущих ценах |
Формула расчета |
Затраты, млн. руб. |
| 1 |
2 |
3 |
4 |
5 |
6 |
| 1 |
Зарплата |
38,2 |
1127,318 |
38,2* 1127,318/1000 |
43,06 |
| 2 |
ЭМиМ |
7,62 |
2075,989 |
7,62*2075,989/1000 |
15,81 |
| 3 |
Материалы |
106,8 |
2303,454 |
106,8*2303,454/1000 |
246,01 |
| 4 |
Нр |
36,06 |
1097,906 |
36,06*1097,906/1000 |
39,59 |
| 5 |
Пн |
51,29 |
586,004 |
51,29*586,004/1000 |
30,06 |
| 6 |
Итого Ссмр: |
374,52 |
| 7 |
Резерв средств на непредвиденные работы и затраты |
Ссмр*0,8*0,02 |
5,99 |
| 8 |
Итого с резервом: |
374,52+5,99 |
380,51 |
| 9 |
Средства на создание фонда развития строительной науки |
380,51*1% |
3,81 |
| 10 |
Итого Ссмр: |
380,51+3,81 |
384,32 |
| 11 |
Налоги и отчисления |
384,32*0,2 |
76,86 |
| 11.1 |
Отчисления в фонд социальной защиты населения |
76,86*0,35 |
26,9 |
| 11.2 |
Отчисления в фонд занятости |
76,86*0,05 |
3,84 |
| 11.3 |
Отчисления в инновационный фонд |
(374,52-30,06)*0,0025 |
0,86 |
| 11.4 |
Итого налогов и отчислений |
26,9+3,84+0,86 |
31,6 |
| 11,5 |
Итого с налогами и отчислениямит |
384,32+31,6 |
415,92 |
| 11,6 |
Земельный и экологический налог |
условно расчитывается |
- |
| 11,7 |
Отчисления в целевые фонды |
384,32*0,025/0,975 |
9,85 |
| 11,8 |
Отчисления в фонд поддержки с/х производителей и дорожные фонды |
(415,92+9,85)*0,02/0,98 |
8,69 |
| 11,9 |
Итого налогов и отчислений |
31,6+9,85+8,69 |
50,14 |
| 11,10 |
Налоги на добавленную стоимость |
НДС для жилья не считаем |
| 11,11 |
Всего налогов |
31,6+9,85+8,69 |
50,14 |
| 12 |
Всего цена заказчика |
50,14+384,32 |
434,46 |
4.6 Экономическое обоснование конструктивного решения
Вспомогательная таблица
| № |
Обоснование |
Наименование видов работ и ресурсов |
кол-во ед. изм. |
Затраты труда на ед.изм. всего чел.час |
| Стоимость ед. изм./всего руб. |
| Эксплуатация машин |
Материальные ресурсы |
Общая стоимость |
рабочих |
машинистов |
| Всего |
В т.ч. зарплата машиниста |
| 1 |
2 |
3 |
4 |
5 |
6 |
7 |
8 |
| Вариант-1 |
| 1 |
Е11-34-1 |
Устройство полов из паркетных досок |
6,33
100м2
|
90,86
575
|
15,23
96
|
1,96
12
|
2620,4
16587
|
2726,4
17258
|
50,09
317,1
|
1,41
8,92
|
| Итого по вариант1 |
| 575 |
96 |
12 |
16587 |
17258 |
317,1 |
8,92 |
| Итого на 100м2 |
| 90,8 |
15,17 |
1,9 |
2620,4 |
2726,04 |
50,09 |
1,41 |
| Вариант-2 |
| 1 |
Е11-35-1 |
Устройство полов из паркетных щитов |
6,93
100 м2
|
266,73
1688,4
|
14,65
92,7
|
1,6
10,13
|
3392,99
21477,6
|
3674,97
23258,8
|
141,88
898,1
|
1,15
7,28
|
| Итого по вариант 2 |
| 1688,4 |
92,7 |
10,13 |
21477,6 |
23258,8 |
898,1 |
7,28 |
| Вариант 2 на 100м2 |
| 266,73 |
14,65 |
1,6 |
3392,99 |
3674,97 |
141,88 |
1,15 |
Исходные данные
| Показатели |
Ед.изм |
полы |
полы |
| Доски паркетные |
Доски паркетные |
| 1 |
2 |
3 |
4 |
5 |
| 1 |
Объём мероприятия |
100м2 |
6,33 |
6,33 |
табл3.1 |
| 2 |
Норматив накладных расходов |
% |
94,3 |
94,3 |
Метод.указания |
| 3 |
Затраты труда |
чел.дни |
6,26 |
17,73 |
табл.3.1гр7/8 |
| 4 |
Себестоимость работ |
руб. |
2779,5 |
3843,88 |
табл.3.3 |
| 5 |
Удельные капитальные вложения |
руб. |
137,6 |
113,2 |
табл.3.4 |
Стоимость работ на 100 м2
| Показатели |
полы |
Обоснование |
| Доски паркетные |
Паркетные щиты |
| 1 |
2 |
3 |
4 |
| Себестоимость работ |
2779,5 |
3843,88 |
п1+п2 |
| Прямые затраты |
2726,4 |
3674,37 |
т3,1гр6 |
| материалы |
2620,4 |
3392,99 |
т3,1гр5 |
| ОЗР |
90,8 |
266,73 |
т3,1гр2 |
| ЭММ |
15,17 |
14,65 |
т3,1гр3 |
| НР в т.ч. зависящие от: |
53,08 |
169,51 |
п2,1+п2,2+п2,3 |
| ОЗР |
13,62 |
40,01 |
п1,2*0,15 |
| Трудоёмкость работ |
3,8 |
10,64 |
т3,2(затр.тр.)*0,6 |
| Продолжительность работ |
35,66 |
118,86 |
т3,2(нНр/100)* 0,5*(гр1,2+гр1,3) |
Удельные капитальные вложения
| Показатели |
полы |
Обоснование |
| Доски паркетные |
Паркетные щиты |
| КС-8162 |
КС-8162 |
| 1 |
2 |
3 |
4 |
| Иновационно-расчётная стоимость |
324,324 |
324,324 |
1,98*17400 |
| Календарное количество м-см. в году |
412,5 |
412,5 |
3200/8 |
| Количество маш.смен.. для выполнения работ |
0,175 |
0,144 |
т3,1гр8/8 |
| Удельные капиталовложения |
137,6 |
113,2 |
п1/п2*п3 |
Определяем приведенные затраты по формуле:
Пi=(Сi+Еn*Кi)*V,
П1=(2779,5+0,2*137,6)*6,33=17768,4
П2=(3843,88+0,2*113,2)*6,33=24475,07
Экономический эффект:
Э кон = Пmax-Пmin=24475,07-17768,4=6706,7 руб.
Экономический эффект при устройстве паркетных полов из досок вместо паркетных щитов составил: 6706,7 руб.
4.7 Экономическое обоснование выбора механизма
Использование бульдозера ДЗ-18 вместо ДЗ 694А.А при производстве подготовительных работ
1) Определяю трудоемкость работ:
Т’м-см = Т”м-см = = =24.25(м-см);
2) Определяю себестоимость единицы механизированного процесса:
Сед.пр.1= = = 1,36 (руб/м2)
Сед.пр.2= = 1,39 (руб/м2)
3) Удельные капитальные влажения:
К1 = = 0,99;
К2 = 0,99;
4) Экономический эффект:
Эо=(-0,03+0,15*0)*635,5 = -19,07 = 19,07
Поэтому принимаем бульдозер ДЗ-18, как наиболее выгодный.
Экономическая эффективность сокращения срока строительства
Эу=0,5*НР*(1- ),
где НР – накладные расходы по итогу объектной сметы (руб.)
Тпл – Срок строительства по сетевому графику (дни)
Тп – продолжительность строительства объекта по СНиП 1.04.03-85 (дни)
Эу=0,5*32,2*(1- )=4,19 руб.
Определение степени снижения стоимости СМР
Ксс= *100%
где Сстр – стоимость общестроительных работ по объектной смете
Эобщ=Экон+Эмех+Эу=6706,7+19,07+4,19 = 6729,96 (руб.);
Кcc= 6729,96/213400*100% = 3,15%
4.8 Расчет технико-экономических показателей
Составлено в ценах
| № |
Наименование показателей |
Единицы измерения |
Расчёт |
Размер показателя |
| 1 |
Цена заказчика |
млн.руб |
Расчёт цены заказчика |
434,46 |
| 2 |
Площадь застройки |
м2 |
По наружному обводу здания |
525,89 |
| 3 |
Жилая площадь |
м2 |
658,97 |
| 4 |
Общая площадь |
м2 |
Площадь пола квартир |
793,94 |
| 5 |
Строительный объём |
м3 |
S*h |
5521,85 |
| 6 |
Планировочный коэффициент |
% |
п3/п4 |
0,83 |
| 7 |
Объёмный коэффициент |
% |
п5/п3 |
8,38 |
| 8 |
Общая сметная стоимость объекта |
тыс.руб. |
Объектная смета гр10 |
213,4
234081,23
|
| 9 |
В т.ч. общестроительных работ |
тыс.руб. |
Объектная смета гр10 п1. |
191,33
209872,36
|
| 10 |
Стоимость 1м3 строительного объёма здания |
тыс.руб. |
0,04
42,39
|
| 11 |
Стоимость 1м2 общей площади |
тыс.руб. |
0,27
294,83
|
| 12 |
Всего затрат труда на возведение объекта |
чел.дн. |
объектная смета |
2300 |
| 13 |
В т.ч. на общестроительные работы |
чел.дн. |
объектная смета |
2082,5 |
| 14 |
Затраты труда на 1м3 строительного объёма здания |
чел.дн. |
п.12/п.5 |
0, 042 |
| 15 |
Затраты труда 1м2 общей площади |
чел.дн. |
п.12/п.4 |
2,9 |
| 16 |
Выработка по общестроительным работам на 1 чел.день |
тыс.руб. |
п.9/п.13 |
0,09
100,78
|
| 17 |
Коэффициент снижения себестоимости |
% |
Ксс |
3,15 |
| 18 |
Нормативная продолжительность строительства |
месяц |
СНиП1.04.03-85 |
9 |
| 19 |
Плановая продолжительность строительства |
месяц |
Календарный план |
6 |
|