Курсовая работа: Расчет и проектирование стальных конструкций балочной клетки
|
Название: Расчет и проектирование стальных конструкций балочной клетки Раздел: Рефераты по строительству Тип: курсовая работа | |||||||||||||||||||||||||||||||||||||||||||||||||||
Министерство образования Российской Федерации Государственное образовательное учреждение высшего профессионального образования КУБАНСКИЙ ГОСУДАРСТВЕННЫЙ ТЕХНОЛОГИЧЕСКИЙУНИВЕРСИТЕТ Кафедра строительных конструкций и гидротехнических сооружений "Расчет и проектирование стальных конструкций балочной клетки" Краснодар 2008 Содержание1. Выбор схемы балочной клетки2. Расчет балок настила и сравнение вариантов3. Расчет и конструирование главной балки3.1 Расчетная схема. Расчетные нагрузки и усилия 3.2 Расчетная схема и усилие в главной балке 3.3 Подбор сечения главной балки 3.4 Изменение сечения главной балки 3.5 Проверка общей устойчивости балки 3.6 Проверка местной устойчивости сжатого пояса и стенки 3.7 Расчет поясных швов главной балки 3.8 Конструирование и расчет опорной части балки 3.9 Конструирование и расчет укрупнительного стыка балки 4. Расчет и конструирование колоны4.1 Подбор сечения сплошной колоны балочной площадки 4.2 Конструирование и расчет оголовки колоны 4.3 Конструирование и расчет базы колоны Список литературы1. Выбор схемы балочной клетки
Рисунок 1. Этажное сопряжения балки2.1 Компоновка балочной клетки В зависимости от заданной нагрузки
где n 0 = l н /f = 150 – норма прогиба;
|
|||||||||||||||||||||||||||||||||||||||||||||||||||
| Расчетные величины и формулы | Результаты расчета | |||
| Вариант 1 | Вариант 2 | |||
| Балка настила | Вспомогательная балка | |||
| Толщина настила, см | 1,1 | 1,1 | ||
| Нормативная нагрузка от веса настила gn , кН/м2 | 1·1·0,011·78,5 = 0,86 | 1·1·0,011·78,5 = 0,86 | ||
| 1,02 (0,86+) 1 = | 1,02 (0,86+) 1 = | 1,02 (0,86+) = | ||
| 1,02 (0,86·1,05+ ·1,2) 1= | 1,02 (0,86·1,05+ ·1,2) 1= | 1,02 (0,86·1,05+ ·1,2) = | ||
| Сечение | I № | I № | I № | |
| Wx , см3 | ||||
| Ix , см4 | ||||
| Масса 1 п.м, кг/м | ||||
![]() |
||||
3. Расчет и конструирование главной балки
3.1 Расчетная схема. Расчетные нагрузки и усилия
Нагрузку на главную балку при передаче ее через 5 и более балок настила можно считать равномерно распределенной. Расчетная схема и эпюры усилий даны на рисунке 4. Постоянная нагрузка (вес настила, балок настила и вспомогательных балок) найдена при сравнении вариантов. Собственный вес главной балки может приниматься приближенно в размере 2–3% от нагрузки на нее. Грузовая площадь заштрихована на рисунке 5.

![]()
Рисунок 4 – Расчетная схема и усилия в главной балке

Рисунок 5 – К определению нагрузки на главную балку
4.2 Расчетная схема и усилие в главной балке
Высоту главной балки h
гб
целесообразно назначать близкой к оптимальной и кратной 100 мм при соблюдении условия
(см. рис. 1). Минимальная высота определяется из условия обеспечения предельного прогиба
при полном использовании расчетного сопротивления материала по формуле
![]()
. (3.1)
Оптимальная высота определяется по формуле

При этом гибкость стенки ![]()
Погонная нагрузка с учетом собственного веса (2%) и веса настила кН/м2
кН/м;
кН/м;
Расчетные усилия
кН·м;
кН·м.
Требуемый момент сопротивления
см3
.
Расчетное сопротивление стали С245 при толщине поясных листов до 20 мм составляет
кН/см2
.
При этажном сопряжении балок настила (рисунок 1, а)
см.
Минимальная высота (по жесткости)
см.
Задаемся гибкостью стенки
. Тогда
см.
Принимаем h= м, что больше hmin , меньше hmax и близко к hopt .
При расчете с учетом пластических диформаций, задаемся с1 =1,1
см3
см
3.3 Подбор сечения главной балки
Находим толщину стенки пологая, что tf =2 cм, hw =h‑2 tf = -2·2= см
а)
.
см = мм;
= 1,21 см = 12 мм.
Принимаем
мм.
Находим требуемую площадь поясов
:
см4
;
см4
;
см4
;
см2
;
см.
Принимаем пояса из листа 550×20 мм. При этом
см2
.
;
;
.
Таким образом, рекомендации выполнены. Принятое сечение балки показано имеет характеристики.

Рисунок 7 – Принятое сечение балки
Геометрические характеристики сечения:
см4
,
см3
.
Проверка прочности:
МПа
Недонапряжение составляет:
![]()
![]()
Проверки прогиба балки не требуется, так как принятая высота
м больше, чем
м.
3.4 Изменение сечения главной балки
Принимаем место изменения сечения на расстоянии 2,3 м от опор, т.е. приблизительно 1/6l , как показано на рисунке 8.
![]()

Рисунок 8 – Изменение сечения по длине
Находим расчетные усилия:
![]()
кН·м;
кН.
Подбираем сечение, исходя из прочности стыкового шва нижнего пояса. Требуемый момент сопротивления равен:
см3
.
Для выполнения стыка принята полуавтоматическая сварка без физического контроля качества шва.
см4;
см4
;
см2
.
см.
Принимаем поясной лист 300×20 мм.
Геометрические характеристики измененного сечения:
см;
см4
;
см3
;
см3
– статический момент пояса (3.7)
см3
. – статический момент половины сечения
Проверка прочности по максимальным растягивающим напряжениям в точке А по стыковому шву (рис. 9).

Рисунок 9 – К расчету балки в месте изменения сечения
кН/см2
<
кН/см2
![]()
Наличие местных напряжений, действующих на стенку балки, требует проверки на совместное действие нормальных, касательных и местных напряжений в уровне поясного шва и под балкой настила по уменьшенному сечению вблизи места изменения ширины пояса. Так как под ближайшей балкой настила будет стоять ребро жесткости, которое воспринимает давление балок настила, передачи локального давления в этом месте на стенку не будет,
.
Поэтому приведенные напряжения проверяем в месте изменения сечения на грани стенки (точка Б), где они будут наибольшими:
кН/см2
;
кН/см2
;
кН/см2
<
кН/см2
.=27.6 кН/см2
Проверка прочности опорного сечения на срез (по максимальным касательным напряжениям в точке В):
кН/см2
<
кН/см2
Проверка прочности стенки на местное давление балок настила по формуле:
кН/см2
<
кН/см2
,
Где
кН,
кН/м
м;
см
b= 14,5 см – ширина полки балки настила I№36 из сортамента;
см – толщина полки главной балки;
см – толщина стенки главной балки.
Таким образом, прочность принятого уменьшенного сечения главной балки обеспечена.
3.5 Проверить общую устойчивость балки
Устойчивость балок проверять не требуется, если выполняются следующие условия:
– нагрузка передается через сплошной жесткий настил, непрерывно опирающийся на сжатый пояс балки и надежно с ним связанный, в частности, железобетонные плиты или стальной лист;
– при отношении расчетной длины балки
(расстояние между точками закрепления сжатого пояса от поперечных смещений) к ширине сжатого пояса «b» не более
(3.7)
Коэффициент
принимается равным 0,3 при учете пластических деформаций. При отсутствии пластических деформаций
. тогда;
>
.
Следовательно, устойчивость балки можно не проверять.
3.6 Проверка местной устойчивости сжатого пояса и стенки
Устойчивость сжатого пояса при отсутствии пластических деформаций обеспечивается выполнением условия:
, где ![]()
.
В рассмотренном примере устойчивость обеспечена.
Расставим ребра жесткости и проверим местную устойчивость стенки.

Рисунок 10 – Расстановка ребер жесткости. Расчетные усилия для проверки устойчивости стенки
Ребра жесткости принимаем односторонние шириной
мм
и толщиной
мм.
В отсеке №1 стенка работает в упругой стадии и проверка устойчивости выполняется по формуле

Расчетные усилия принимаем приближенно по сечению
м,
м,
,
под балками настила.
кН·м;
кН;
кН/см2
;
кН/см2
; (по 3.6)
кН/см2
;

; ![]()
Предельное значение
находим критические напряжения
и ![]()
кН/см2
;
кН/см22250
кН/см2
Проверяем устойчивость стенки отсека №1 по формуле (3.14):

Устойчивость стенки обеспечена.
В отсеке №2 расположено место изменения сечения, поэтому эпюра sх
имеет скачок. Средние напряжения в пределах наиболее напряженного участка отсека (расчётного) длиной
мм можно найти, разделив площадь эпюры sx
на длину участка
. Однако в настоящем примере приближённо примем средние напряжения для проверки устойчивости по сечению x
=
3,5 м, учитывая, что уменьшенное сечение находится близко к краю отсека и мало влияет на устойчивость стенки.
кН×м;
кН;
кН/см2
;
кН/см2
;
кН/см2
;

; ![]()
Находим критические напряжения ![]()
кН/см2
;
кН/см2
;
кН/см2
.
Проверяем устойчивость стенки отсека №2:

Устойчивость стенки обеспечена.
Проверяем устойчивость стенки отсека №3
кН×м;
кН;
кН/см2
;
кН/см2
;
кН/см2
;

; ![]()
Находим критические напряжения ![]()
кН/см2
;
кН/см2
;
кН/см2
.
Проверяем устойчивость стенки отсека №3:

Устойчивость стенки обеспечена.
Проверяем устойчивость стенки отсека №4
кН×м;
кН;
кН/см2
;
кН/см2
;
кН/см2
;

; ![]()
Находим критические напряжения ![]()
кН/см2
;
кН/см2
;
кН/см2
.
Проверяем устойчивость стенки отсека №4:

Устойчивость стенки обеспечена.
3.7 Расчет поясных швов главной балки
Поясные швы примем двусторонними, так как
. Расчет выполняем для наиболее нагруженного участка шва у опоры под балкой настила. Расчетные усилия на единицу длины шва составляют
кН/см;
кН/см.

1 – сечение по металлу шва;
2 – сечение по металлу границы сплавления
Рисунок 11 – К расчету поясных швов
Сварка автоматическая, выполняется в положении «в лодочку» сварочной проволокой Св‑08Га. Для этих условий и стали С245 находим
кН/см2
;
кН/см2
;
![]()
.
Принимаем минимальный катет шва
мм. (см. табл. 6 прил. Б)
Проверяем прочность шва:
кН/см2
<
кН/см2
;
по металлу границы сплавления
кН/см2
<
кН/см2
;
Таким образом, минимально допустимый катет шва достаточен по прочности.
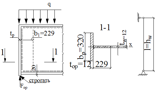
3.8 Конструирование и расчет опорной части балки

Рисунок 13 – Вариант опорной части балки
Ребро крепится к стенке полуавтоматической сваркой в углекислом газе сварочной проволокой Св‑08Г2С. Размер выступающей части опорного ребра принимаем 20 мм. Из условия смятия находим
см2
;
Ширину опорного ребра
принимаем равной ширине пояса уменьшенного сечения балки:
. Тогда:
см.
Принимаем ребро из листа 300×14 мм.
Площадь
см2
>
см2
.
Проверяем устойчивость опорной части
см;
см4
; (моментом инерции участка стенки шириной
пренебрегаем ввиду малости)
см2
;

![]()
По таблице 16 прил. Б находим путем интерполяции
кН/см2
<Ry
=24 кН/см2
.
Проверяем местную устойчивость опорного ребра
см;


![]()
Подбираем размер катета угловых швов по формуле:
откуда
см = 7 мм, где
![]()
![]()
кН/см2
;
кН/см2
;
Проверку по металлу границы сплавления делать не нужно, так как
. Принимаем
мм.
3.9 Конструирование и расчет укрупнительного стыка балки

Рисунок 14 – Схема монтажного стыка на высокопрочных болтах
Принимаем болты диаметром 20 мм из стали 40Х «Селект», отверстия диаметром 23 мм. Тогда
кН/см2
, Abn
= 2,45 см2
. Способ подготовки поверхности – газопламенный без консервации, способ регулирования натяжения – по углу поворота гайки. Для этих условий коэффициент трения μ = 0,42, регулятор натяжения gh
=1,02. Тогда расчетное усилие на один болт
Qbh
=
=
0,7
×
110
×
2,45
×
0,42/1,02 = 77,7 кН.
Стык поясов перекрываем накладками из стали С245 сечением 550×12 с наружной и 2×260×12 с внутренней стороны поясов. При этом суммарная площадь сечения накладок
см2
, что несколько больше площади сечения поясов.
Усилие в поясах
кН.
Требуемое количество болтов в стыке поясов
Принимаем 18 болтов. Ставим их, как показано на рис. 14, в соответствии с требованиями
Стык стенки перекрываем парными накладками из листа t
=10 мм. Болты ставим в двух вертикальных рядах с каждой стороны стыка на расстоянии в ряду a
=100 мм (максимально допустимое расстояние
мм. Число болтов в ряду 16 шт.
мм. Момент, приходящийся на стенку, равен
кН×м;

Проверяем прочность болтового соединения на сдвиг
кН.
4. Расчет и конструирование колонны
4.1 Подбор сечения сплошной колоны балочной площадки
В соответствии с заданием принимаем сплошное сечение колонны. Принимаем шарнирное закрепление концов колонны (коэффициент μ=1). Материал – сталь класса С235, лист t = 4÷20 мм. Ry = 23 кН/см2 .
Геометрическая длина колонны равна отметке верха настила (из задания) за вычетом толщины настила t
н
,
высоты балки настила и главной балки h
г.б.
, с учетом выступающей части опорного ребра 2 см, заглубления колонны ниже отметки чистого пола на 0,6 м. с учетом μ=1 составляет
м.
Усилие в колонне
кН.

Рисунок 17 – К определению расчетной длины колонны
Определяем ориентировочную требуемую площадь сечения по формуле (4.1) при
gс
= 1
см2
Проектируя колонну с гибкостью, равной примерно l=60, найдём наименьшие размеры h иbf
см
см
Поскольку ширину колонны bf
не рекомендуется принимать больше высоты h
, а толщину стенки принимают обычно
мм и толщину поясов
, то компонуем сечение колонны с
см.
Принимаем:
пояса – 2 листа 420×15 мм, площадью 2Af =2×42×1,5=126,0 см2
стенка – 1 лист 460×10 мм, площадью Aw =4,6×1.0=46.0см2 , рис. 18
Площадь сечения колонны
см2
.
![]()
![]()

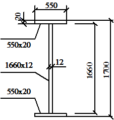
Рисунок 18 – Сечение сплошной колонны
Находим геометрические характеристики принятого сечения:

см4
;
см;
см.
Гибкость колонны в обоих направлениях будет соответственно равна:

![]()
По большей из гибкостей находим коэффициент продольного изгиба
(табл. П.Б.16) и проверяем устойчивость стержня колонны
кН/см2
<Ry
=23 кН/см2
.
Недонапряжение составляет
< 5%
Местная устойчивость стенки стержня колонны обеспечена. Таким образом, подобранное сечение удовлетворяет требованиям общей и местной устойчивости и может быть выполнено с помощью автоматической сварки.
Поперечные ребра не требуются т.к.
.
4.2 Конструкция и расчет оголовка колонны
Принимаем плиту оголовка толщиной t
пл
= 25 мм и размерами 530x420 мм. Давление главных балок передается колонне через ребро, приваренное к стенке колонны четырьмя угловыми швами Д. Сварка полуавтоматическая, в углекислом газе, проволокой Св‑08Г2С,
кН/см2
,
кН/см2
, β
f
=
0,7 β
z
=1,0.
Принимаем ширину ребер 200 мм, что обеспечивает необходимую длину участка смятия
мм. Толщину ребер находим из условия смятия
см=25 мм.

Рисунок 21 – Оголовок колонны
Принимаем tp = 25 мм. Длину ребра lр находим из расчета на срез швов Д его прикрепления. Примем kf =10 мм. Тогда
см.
Принимаем lp
=51 см. При этом условие
см выполнено. Шов Е принимаем таким же, как и шов Д. Проверяем стенку на срез вдоль ребра
кН/см2
>Rs
=13,3 кН/см2
.
Необходимо устройство вставки верхней части стенки. Принимаем ее толщину t
вст
=25 мм, а длину
мм.
кН/см2
<Rs
=13,3 кН/см2
.
Торец колонны фрезеруем после ее сварки, поэтому швы Г можно не рассчитывать По табл. 6 прил. Б принимаем конструктивно минимально допустимый катет шва kf = 7мм. Стенку колонны у конца ребра укрепляем поперечными ребрами, сечение которых принимаем 100x8 мм.
4.3 Конструкция и расчет базы колонны
Определяем требуемую площадь плиты из условия смятия бетона
,
где
. Значение коэффициента g зависит от отношения площадей фундамента и плиты. (принимать g
=1,2.) Для бетона класса В15 R
пр
= 0,7 кН/см2
. – расчетное сопротивление бетона на смятие R
см.б
=g×R
пр
=
1,2 × 0,7=0,84 кН/см2
см2
.

Рисунок 22 – База колонны
Принимаем плиту размером 650×560 мм. Тогда
см2
кН/см2
<R
см.б

Рисунок 24 – Схема участка плиты 2 Рисунок 25 – Схема участка плиты 3
Находим изгибающие моменты на единицу длины d = 1 см на разных участках плиты.
Участок 1 рассчитываем как балочную плиту, так как отношение сторон b/a=460/203 = 2,26 > 2
кН×см/см.
Участок 2 (консольный) рис 24:
кН×см/см.
Участок 3 работает так же, как консольный, так как отношение сторон 420/80=5,25>2. Свес консоли на 20 мм больше, чем на участке 2 для размещения анкерных болтов.
кН×см/см
Толщину плиты подбираем по наибольшему моменту M1 , M2 , M3 из условия
.
Момент сопротивления полоски плиты шириной d=1 см равен
, откуда, учитывая, что дли стали C235 при
мм
кН/см2
,
см = 32 мм.
Принимаем tпл = 35 мм.
Прикрепление траверсы к колонне выполняем полуавтоматической сваркой в углекислом газе сварочной проволокой Св‑08Г2С. Соответствующие характеристики:
кН/см2
,
кН/см2
, b
f
=0,7,b
z
=1,0.
Расчет выполняем по металлу шва, так как
(3,2<4,08) Учитывая условие
находим требуемую величину катета шва kf
из условия
см = 9,2 мм.
Принимаем kf
= 10 мм. При этом требуемая длина шва составит
мм., поэтому высоту траверс принимаем 600 мм.
Крепление траверсы Кf =8 мм принимаем конструктивно, так как применен фрезеровочный торец колоны.
Список рекомендуемой литературы.
1. Металлические конструкции /Под ред. Ю.И. Кудишин. Академия 2006. – 680 с.
2. Узлы балочных площадок: Метод. указ. / Моск. инж.-строит. ин-т им. В.В. Куйбышева. – М.: ШСИ, 1980. – Ч. 1.




.