Реферат: Пассивные LC-фильтры и активные RC-фильтры
|
Название: Пассивные LC-фильтры и активные RC-фильтры Раздел: Рефераты по коммуникации и связи Тип: реферат |
БЕЛОРУССКИЙ ГОСУДАРСТВЕННЫЙ УНИВЕРСИТЕТ ИНФОРМАТИКИ И РАДИОЭЛЕКТРОНИКИ Кафедра ЭТТ РЕФЕРАТ На тему: "ПАССИВНЫЕ LC-ФИЛЬТРЫ И АКТИВНЫЕ RC-ФИЛЬТРЫ" МИНСК, 2008 Фильтры на ПЗС относятся к дискретно – аналоговым: в них входной сигнал сначала дискретизируется во времени, т.е. представляется совокупностью выборок (отсчетов), а затем выбором в аналоговой форме соответствующим образом обрабатывается. Фильтры подразделяются на трапеверсальне, рекурсивные, кроемфторы. Траневерсальные фильтры (ТФ) представляют собой ЛЗ с отводами, определенные весовые коэффициенты. Взвешенные сигналы всех отводов суммируются.
Структурная схема ТФ. Совокупность весовых коэффициентов определяет импульсную характеристику фильтра, т.е. его входной сигнал при воздействии на вход единичного импульса. Если на вход поступает произвольный сигнал
которое представляет собой выражение функции свертки входного сигнала с совокупностью весовых коэффициентов. Здесь
где N – число разрядов,
Учитывая, что
здесь
Видно, что при заданном Корреляторы предназначены для реализации свертки двух аналоговых сигналов. Структурная схема коррелятора на ПЗС содержит две ЛЗ с отводами, подключенными к умножителям. Выходы умножителей отдельных разрядов суммируются. Первый входной сигнал вводится в первую ЛЗ и хранится там. Затем во вторую ЛЗ вводится второй сигнал, сигналы соответствующих отводов перемножаются, суммируются и на выходе последовательно формируются выборки свертки двух сигналов. С функциональной точки зрения корреметор эквивалентен транфереальному фильтру (ТФ) с изменяемыми (программируемыми) весовыми коэффициентами. Наиболее просто осуществить программирование весовых коэффициентов, при котором они принимают два значения t1. В такой схеме входные сигналы параллельно вводятся в ПЗС – элементы и хранятся в них. Дальнейшее развитие фильтров на ПЗС происходят в направлении расширения их функциональности и внутриприталической интеграции внешнего электронного обрамления, причем такие структуры являются, по существу аналоговыми процессорами. Электромеханические и пьезоэлектрические фильтры. Физические основы работы электромеханических, пьезоэлектрических и акустоэлектронных фильтров. Резонансные контуры, входящие в состав электрических фильтров, трудно сделать высокостабильными, высокодобротными и в то же время малогабаритными, поэтому, не смотря на простоту их изготовления и возможность выбора вида частотной характеристики при увеличении числа контуров, эти фильтры используются ограниченно. Указанные обстоятельства обусловили появление фильтров, основанных на принципе механических упругих колебаний и механического резонанса. Широкое применение таких фильтров объясняется тем, что скорость распространения упругих колебаний в твердом теле примерно в 100 тыс. раз меньше скорости распространения электромагнитных волн. Это позволяет использовать очень компактные механические резонаторы с распределенными параметрами, обладающие чрезвычайно малыми потерями, т.е. весьма высокой добротностью, достигающей 103…104. Однако для применения этих фильтров в электронной аппаратуре необходим переход от электрических колебаний и сигналов, действующих в цепях этой аппаратуры, к акустическим (упругим) колебаниям в механических резонаторах и последующий переход от акустических к электрическим. Для этого преобразования используются известные из физики эффекты взаимодействия электрических или магнитных полей и механических деформаций и напряжений, например пьезоэффект и магнитострикционный эффект. Особенности и свойства таких преобразователей существенно зависят от того, какой эффект при этом используется. Часто название эффекта, на котором основано преобразование, применяется при классификации фильтров. Например, различают пьезокерамические, пьезокварцевые, магнитострикционные фильтры и т.д. Полагая, что преобразования электрических колебаний в механические и обратно произведены, рассмотрим физическую сущность фильтрации в механических системах. Как известно из радиотехники, колебания и резонансы могут возникать в цепях с сосредоточенными (LC-фильтры) и с распределенными (длинные линии) параметрами. Аналогично обстоит дело и при механических колебаниях. Они могут появляться в системах с сосредоточенными параметрами, например, в механических системах, имеющих массу (груз) и упругость (пружину). Однако такие системы обладают низкой резонансной частотой колебаний и не могут использоваться для создания фильтров на радиочастотах. Их изучение имеет большое значение для исследования действия механических возмущений на конструкции РЭА и ее элементы, а также для амортизации. Механические колебания возникают и в системах с распределенными параметрами. Простейшими механическими с распределенными параметрами являются брусок, пластина, стержень, струна, диск и т.д. Для выяснения физической сущности механического резонанса остановимся на простейших механических продольных объемных колебаниях, которые возникают и распространяются в стержнях. Анализ распространения упругих волн приводит к волновому уравнению
где U – переменное напряжение (деформация); t – время; x – координата; vупр – скорость распространения волны в материале. В стержнях из упругих материалов, какими являются металлы, используемые в резонаторах, скорость распространения объемной продольной волны
где E – модуль упругости; ρ – плотность материала. В связи с конечной скоростью распространения упругих колебаний вдоль стержня можно ввести понятие длины акустической волны
Длина упругой волны в металле на радиочастоте составляет несколько миллиметров. При длине бруска lбр=λа /2 наступает резонанс и затухание колебаний в этом случае мало. Если колебания возбуждаются внешней силой, то напряжения и деформации будут максимальны. Если для примера взять распределение упругости напряжений и деформаций в резонирующем бруске, то края бруска в процессе колебаний перемещаются, в то время как центр бруска, в котором наблюдаются наибольшие внутренние напряжения, остается в покое. Пользуясь соотношением lбр=λа /2, можно от длины волны перейти к резонансной частоте. Тогда получим
Кроме основной резонансной частоты могут наблюдаться резонансы на кратных частотах (гармониках), когда на длине стержня укладывается целое число m полуволн. В механических фильтрах используются изгибные, продольные, крутильные, поперечные, сдвиговые и поверхностные (волны Рэлая и Лява) волны. Деформации волн и направления их распространения приведены на рис.1, где а) – изгибное, б) – продольное, в) – поперечное, г) – крутильное и д) – поверхностное колебания. Стрелками показаны деформации и направления распространения волны; λа – длина волны, которая определяется следующими скоростями распространения: vизг, vпр, vпоп, vкр, vпов. Эти скорости зависят от свойств материалов, в основном, от модуля упругости Е и плотности материала ρ. Скорости для каждого вида колебаний различны и могут отличаться в два раза.
Рис.1 В пьезоэлектрических фильтрах механические колебания возбуждаются в результате пьезоэффекта, но эти колебания в другие резонирующие элементы не передаются. Эффект фильтрации достигается вследствие того, что механический резонанс изменяет электрические характеристики цепи преобразователя электрических колебаний в механические. Основной положительной особенностью фильтров на поверхностных акустических волнах является то, что их изготовление основывается на технологии микроэлектроники (формирование пленок с разными свойствами). По этому широкое развитие получило новое направление, относящееся к функциональной микроэлектронике, известное как актустоэлектроника. Рассмотрим работу магнитострикционных преобразователей. Из физики известен эффект Джоуля, который состоит в том, что если некоторые ферромагнитные тела поместить в магнитное поле, то происходит намагничивание, сопровождающееся возникновением внутренних механических сил в теле. В результате меняются его геометрические размеры.
Рис.2 Пример приближенной эквивалентной схемы электромеханического фильтра приведен на рис.2, где L1 и C1 – эквивалентные параметры резонатора, а C2 – эквивалентные связи. Число звеньев и степень связи, полученные при электрическом расчете, реализуются при конструировании фильтра. При конструировании резонаторов необходимо определить их материал и геометрические размеры, а вид колебаний выбирается заранее. Пьезокварцевые и пьезокерамические фильтры. Значительно большие возможности дают такие принципы преобразования электрических колебаний в механические или такие принципы связей элементов электрических цепей с механическими резонаторами, при которых активные потери при преобразовании получаются малыми. Такими особенностями обладают преобразователи, в которых вследствие пьезоэффекта происходит возбуждение упругих механических колебаний. В этих преобразователях получается своеобразный конденсатор, к обкладкам которого подается напряжение переменного тока. Схема замещения пьезоэлектрического резонатора, содержащая кроме С0 ветвь LCRр, отображающую действие резонатора, а также зависимость модуля сопротивления |Z|, полученную экспериментально с учетом потерь, и зависимость реактивного сопротивления х резонатора при отсутствии потерь приведены на рис.3. Частота fp соответствует частоте последовательного резонанса между индуктивностью L и емкостью С: fp=1/2π
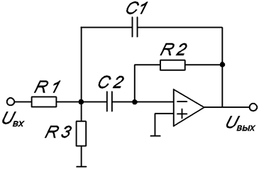
Рис.3 Активные фильтры Принцип действия фильтров RC. Устройства фильтрации, в которых используются контуры LC, по принципу действия являются пассивными, т.е. предполагается, что для их функционирования не требуется усилительных активных элементов. Усиление производится отфильтрованного сигнала в другом блоке. Развитие активных элементов и микросхем позволило использовать их как составную часть устройств фильтрации. Такие микросхемы получили название операционных усилителей (ОУ). Основные особенности ОУ: высокий коэффициент усиления, минимальное смещение нуля и температурный дрейф; небольшая потребляемая мощность; небольшая стоимость. Например операционный усилитель К140УД7 имеет коэффициент усиления 50 000, входной ток менее 200 мкА, ЭДС смещения нуля менее 4 мВ, максимальное входное напряжение 11 В, ток потребление менее 2,8 мА, входное сопротивление более 0,4 МОм, частота среза 0,8 МГц, сопротивление нагрузки 1 кОм. Наиболее широко применяются полосовые активные фильтры, в схему которых включены резисторы и конденсаторы (активные RC-фильтры). Если в схемах с ОУ характеристики обратной связи изменяются с частотой, то могут быть получены устройства, коэффициент передачи которых изменяется с частотой.
Рис.4 Таким образом, ОУ, охваченный цепью обратной связи, выполняет функции, аналогичные функциям колебательного контура. Простейшая схема полосового фильтра с такой обратной связью при использовании одного ОУ дана на рис.4. Частота квазирезонанса
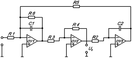
Полосовые активные RC-фильтры на трех ОУ. Работа фильтра с тремя ОУ несколько отличается от работы фильтра с одним ОУ. Можно показать, что часть схемы (рис.5), включающих в свой состав два ОУ (ОУ2 и ОУ3), создает эффект взаимодействия тока и напряжения, эквивалентный индуктивности (гиратор). Индуктивность гиратора определяется по формуле
При этом в цепь обратной связи включен контур, состоящий из элементов: катушки индуктивности L1, резистора R5 и конденсатора С2. Чем больше сопротивление резистора R5, тем больше добротность эквивалентного контура, тем уже полоса пропускания. Активные RC-фильтры обычно проектируются на заводах изготовителях РЭА.
Рис.5 ЛИТЕРАТУРА1. Рычина Т.А., Зеленский А.В. Устройства функциональной электроники и электрорадиоэлементы: Учебник для вузов. - М: Радио и связь. -2005. 2. Ефимов И.Е., Козырь И.Я., Горбунов Ю.И. Микроэлектроника. -М.: Высшая школа. - 2007. 3. Свитенко В.И. Электрорадиоэлементы. - М: Высшая школа. -2007. |

. (4) 



