Реферат: Поляризационная структура излученного сигнала, принятого сигнала. Когерентное объединение (накопление) сигнала в поляризационных каналах
|
Название: Поляризационная структура излученного сигнала, принятого сигнала. Когерентное объединение (накопление) сигнала в поляризационных каналах Раздел: Рефераты по коммуникации и связи Тип: реферат | ||||||||
БЕЛОРУССКИЙ ГОСУДАРСТВЕННЫЙ УНИВЕРСИТЕТ ИНФОРМАТИКИ И РАДИОЭЛЕКТРОНИКИ кафедра ЭТТ РЕФЕРАТ на тему: « Поляризационная структура излученного сигнала, принятого сигнала. Когерентное объединение (накопление) сигнала в поляризационных каналах » МИНСК, 2008 Поляризационная структура излученного сигнала Векторное электромагнитное поле, в отличие от скалярного акустического поля, имеет поляризационную структуру. Это означает, что в фиксированной точке пространства конец вектора напряженности электрического Эллиптически поляризованная волна (наиболее общий случай) может быть разложена на две ортогонально поляризованные составляющие, каждая из которых характеризуется своей амплитудой и фазой:
Каждая пара ортогонально поляризованных векторов Комплексные амплитуды
Комплексные амплитуды
Рис. 1. Годограф вектора напряженности электрического поля
Рис.2. Эллиптический поляризационный базис [ Рис. 3. Линейный (а) и круговой (б) поляризационные базисы [ Меняя амплитуду и фазу, т.е. управляя амплитудой и фазой Поляризационная структура принятого сигнала При анализе поляризационной структуры принятого сигнала (отраженного сигнала, мешающих излучений и метающих отражений) следует учитывать два явления: деполяризацию и декорреляцию поляризационной структуры. Под деполяризацией понимается изменение поляризационной структуры отраженного (рассеянного сигнала), т.е. изменение эллиптичности и ориентации годографа результирующего вектора напряженности электрического поля
рассеяния .Рис. 4. Результирующая эллептически поляризованная волна, сформированная из составляющих с круговой (а) и линейной (б) поляризацией. представляющей собой совокупность четырех комплексных коэффициентов отражения для двух ортогонально поляризованных составляющих рассеянного поля (первый индекс коэффициента) при двух ортогонально поляризованных составляющих облучающей волны (второй индекс коэффициента) в некотором поляризационном базисе [ Преобразование поляризационного состояния волны при отражении (рассеянии) может быть представлено: - в сокращенной матричной форме
- в развернутой матричной форме
- в алгебраической форме
где Поскольку возможно бесконечное множество различных поляризационных базисов [
когда коэффициенты отражения для перекрестных компонент равны нулю Рассмотрим несколько примеров поляризационных матриц рассеяния. Пример 1. Поляризационная матрица рассеяния вибратора (рис. 2.10.5.) в линейном базисе (с горизонтальной и вертикальной поляризацией ортов):
где Пример 2. Поляризационная матрица рассеяния сферы в любом базисе:
Пример 3. Поляризационная матрица рассеяния вибратора (рис. 5) в наклоненном линейном базисе, один из ортов которого параллелен оси вибратора, т.е. в собственном поляризационном базисе:
Таким образом, вибратор является в общем случае объектом рассеяния, изменяющим поляризационную структуру облучающей волны. Объекты рассеяния радиоволн, обладающие деполяризующими свойствами, называются анизотропными в поляризационном смысле. Таких объектов -подавляющее большинство. Сфера является объектом рассеяния, не изменяющим поляризационную структуру облучающей волны. Такие объекты называются изотропными в поляризационном смысле. Изотропными являются любые осесимметричные объекты, еслиих ось симметрии совпадает с направлением на систему. Для изотропных объектов
Рис. 2.10.5. Вибратор
Рис. 6. Поворот базиса в плоскости поляризации Однако в большинстве случаев предполагается наблюдение обеих волн с какой-то одной стороны (со стороны РЛС или объекта). При этом направление вращения вектора поля отраженной волны меняется на противоположное по сравнению с падающей волной. Эта условность, конечно, не может изменить представления об изотропности (в поляризационном смысле) объекта наблюдения. Теперь обратимся ко второму явлений при отражении электромагнитной волны - декорреляции ее поляризационной структуры. Прежде всего отметим, что отраженная волна является линейным преобразованием падающей волны, причем свойства этого линейного преобразования определяются поляризованной матрицей рассеяния:
Данное обстоятельство свидетельствует о том, что четыре компоненты отраженного сигнала, соответствующие двум взаимно ортогональным поляризациям на прием при двух взаимно ортогональных поляризацияхна излучение
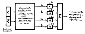
являются сильно коррелированными, т.е., функционально линейно зависимыми, если соответствующие комплексные амплитуды взаимно ортогональных по поляризации составляющих падающего поля Напротив, если объект наблюдения имеет нежесткую или "мягкую" конструкцию, например, совокупность пространственно распределенных элементарных отражателей, когда положение в пространстве одних отражателей не зависит от расположения других и эти отражатели являются анизотропными в поляризационном смысле, то приведенные выше четыре компоненты рассеянного поля В случае поляризационно изотропных отражателей, обладающих свойством осевой симметрии по направлению на РЛС, две компоненты рассеянного поля Таким образом, при анализе корреляционных свойств ортогонально поляризованных составляющих отраженного (рассеянного) сигнала или мешающих отражений следует учитывать во взаимосвязи ряд факторов: - степень жесткости конструкции объекта наблюдения, - степень поляризационной изотропности элементарных отражателей, из которых состоит объект наблюдения; - степень коррелированности комплексных амплитуд Принципы поляризационной обработки сигналов на фоне помех Под поляризационной обработкой понимается некоторый способ объединения поляризационных каналов многоканальной по поляризации системы. Принципы поляризационной обработки можно сформулировать на основании общих принципов пространственно-временной обработки: - подавление помех путем междуканального вычитания коррелированных ортогонально поляризованных составляющих мешающих колебаний (излучений и отражений; - накопление сигнала путем междуканального сложения (когерентного или некогерентного) коррелированных ортогонально поляризованных составляющих отраженного сигнала. Когерентное объединение (накопление) сигнала в поляризационных каналах. Основой когерентного объединения сигнала в поляризационных каналах многоканальной по поляризации РЛС является его сильная межканальная корреляция, характерная для объектов наблюдения с жесткой конструкцией. При этом оптимальная процедура объединения сигналов с разных каналов сводится ких взвешенному когерентному накоплению (рис. 7). Максимально возможная эффективность когерентного поляризационного объединения сигналов определяется числом поляризационных каналов :
Полный поляризационный прием подразумевает наличие четырех поляризационных составляющих принятого сигнала Неполный поляризационный прием подразумевает наличие двух поляризационных составляющих принятого сигнала : нечетных Некогерентное объединение (накопление) сигнала в поляризационных каналах.
Оптимальная процедура некогерентного объединения сигналов с разных каналов сводится к их взвешенному некогерентному накоплению (рис.8).
Рис. 7. Схема когерентного объединения сигнала в поляризационных каналах. Рис. 8. Схема некогерентного объединения сигнала в поляризационных каналах. Максимально возможная эффективность некогерентного объединения поляризационных каналов уступает когерентному. ЛИТЕРАТУРА 1. Охрименко А.Е. Основы извлечения, обработки и передачи информации. (В 6 частях). Минск, БГУИР, 2004. 2. Девятков Н.Д., Голант М.Б., Реброва Т.Б.. Радиоэлектроника и медицина. –Мн. – Радиоэлектроника, 2002. 3. Медицинская техника, М., Медицина 1996-2000 г. 4. Сиверс А.П. Проектирование радиоприемных устройств, М., Радио и связь, 2006. 5. Чердынцев В.В. Радиотехнические системы. – Мн.: Высшая школа, 2002. 6. Радиотехника и электроника. Межведоств. темат. научн. сборник. Вып. 22, Минск, БГУИР, 2004. |




.
.
,
,
.
.



