Контрольная работа: Применение операционных усилителей
|
Название: Применение операционных усилителей Раздел: Рефераты по коммуникации и связи Тип: контрольная работа | |||||||||||||||||||||||||||||||||||||||||||||||||||||||||||||||||||||||
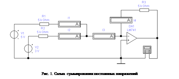
Министерство образования и науки РФ Дальневосточный Государственный Технический Университет (ДВПИ им. Куйбышева) Институт Радиоэлектроники Информатики и Электротехники ЭЛЕКТРОНИКА "ПРИМЕНЕНИЕ ОПЕРАЦИОННЫХ УСИЛИТЕЛЕЙ" Владивосток 2010 г. Цель работы: Ознакомиться с применением ОУ для сложения двух постоянных, двух переменных, постоянного и переменного напряжений, дифференцирования и интегрирования входных сигналов. Для исследования был использован ОУ LM741. 1. Суммирование постоянных напряжений моделировалось на схеме рис.1.
А. При UВХ1 = 5В и UВХ2 = 3В измерены: I1 =1мА; I2 =0,6мА; I3 =1,6мА; I4 =1,6мА; UВЫХ =-8В. В. По значениям номиналов схемы рассчитаны: I1 = U1 / R1 = 1мА; I2 = U2 / R2 =0,6мА; Iос = UВЫХ / R3 =1,6мА; Iос = I1 + I2 = 1,6мА; U* ВЫХ = - (UВХ 1 ∙ R3 / R1 + UВХ 2 ∙ R3 / R2 ) = - 8В. Измеренное значение UВЫХ соответствует расчетному значению U* ВЫХ . 2. Суммирование постоянного и переменного напряжений моделировалось на схеме рис.2., осциллограммы напряжений приведены на
рис.6.3 А. При UВХ≈ = 1В; UВЫХ≈ = 1В (фаза сдвинута на 1800 ); UВЫХ= = - 1В; расчетные значения этих величин: U* ВЫХ≈ = 1В; U* ВЫХ= =-1В.
В. При UВХ≈ = 1В и R2 =2,5 кОм измеренное значение UВЫХ≈ = 1В (фаза сдвинута на 1800 ), а постоянная составляющая UВЫХ= = 2В (рис.4). Расчетные значения этих величин: U* ВЫХ≈ = UВХ1 ∙ R3 / R1 = 1В; U* ВЫХ= = - UВХ2 ∙ R3 / R2 = - 2В;
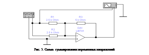
3. Суммирование переменных напряжений исследовалось по схеме рис.5.
При UВХ≈ = 1В; UВЫХ≈ = 4В (фаза сдвинута на 1800 ); UВЫХ= = - 4В;
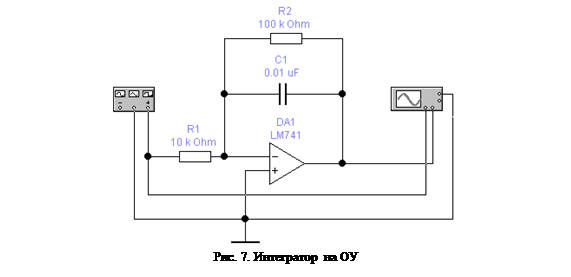
расчетные значения этих величин: U* ВЫХ≈ = UВХ ∙ R3 / R1 + R3 / R1 = 4В, что соответствует результатам измерений. 4. Переходной процесс в интеграторе исследовался по схеме рис.7 На вход схемы подавались импульсы прямоугольной формы частотой 1 кГц.
Скорость изменения выходного напряжения (по осциллограмме рис.8) VU ВЫХ = 10В/мс. 5. Влияние амплитуды входного сигнала на переходный процесс в интеграторе показан на рис.9.
VU ВЫХ = 20В/мс, что в два раза больше, чем в предыдущем эксперименте, то есть скорость изменения выходного напряжения интегратора пропорциональна амплитуде входного сигнала.
6. Влияние параметров схемы на переходный процесс в схеме интегратора А. При R1 = 5 кОм скорость изменения выходного сигнала увеличивается:
VU ВЫХ = 20В/мс, что в 2 раза больше, чем в эксперименте по п.4 и равно значению в предыдущем эксперименте. В. При С1 = 0,02 мФ скорость изменения выходного сигнала (рис.11) уменьшается: VU ВЫХ = 5В/мс, что в 2 раза меньше, чем в эксперименте по п.4.
Результаты измерений по п.4 - п.6 сведены в таблицу 1. Таблица 1 Результаты экспериментов со схемой интегратора
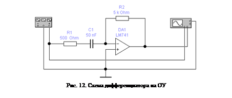
7. Переходный процесс в схеме дифференциатора на ОУ исследовался по схеме рис.12, полученные осциллограммы представлены на рис.13.
А. Скорость изменения входного напряжения (по осциллограмме рис.13) VU ВХ = 4В/мс. В. UВЫХ = - R2 ∙C1 ∙ ∆ UВХ / ∆t= - R2 ∙C1 ∙VU ВХ = - 1В, что соответствует экспериментальным данным, показанным на рис.13. 8. Для исследования влияния частоты входного напряжения, ее значение увеличено вдвое - 2 кГц (рис.14), следовательно, и скорость изменения входного напряжения (при той же амплитуде сигнала) увеличилась вдвое.
А. VU ВХ = 8В/мс. Амплитуда выходного сигнала, также увеличилась вдвое (рис.14) в сравнении с предыдущим экспериментом (рис.13). В. UВЫХ = - R2 ∙C1 ∙ ∆ UВХ / ∆t= - R2 ∙C1 ∙VU ВХ = - 2В, что соответствует экспериментальным данным, показанным на рис.6.14. 9. Влияние сопротивления обратной связи (R2 ) на выходное напряжение дифференциатора, которое в эксперименте увеличено до 10кОм.
А. Скорость изменения входного напряжения (рис.15) аналогична эксперименту по п.7 (рис.13) - VU ВХ = 4В/мс В. UВЫХ = - 2В, что соответствует экспериментальным данным, показанным на рис.14 и в 2 раза больше, чем в эксперименте по п.7 (рис.13). 10. Влияние емкости конденсатора схемы (С1 ) на выходное напряжение дифференциатора, которое в эксперименте увеличено до 100нФ. А. Скорость изменения входного напряжения (рис.16) аналогична эксперименту по п.7 (рис.13) и п.9 (рис.15) - VU ВХ = 4В/мс.
В. UВЫХ = - R2 ∙C1 ∙ ∆ UВХ / ∆t= - R2 ∙C1 ∙VU ВХ = - 2В, что соответствует экспериментальным данным, показанным на рис.14 и рис.15 и вдвое больше, чем в эксперименте по п.7 (рис.13). Таблица 2 Результаты экспериментов со схемой дифференциатора
Выводы В результате проделанной работы с использованием средств моделирования программного комплекса "ElectronicsWorkbench" ознакомлены с применением ОУ для сложения двух постоянных, двух переменных, постоянного и переменного напряжений, дифференцирования и интегрирования входных сигналов. Экспериментальные данные, полученные в работе, подтверждены аналитическими расчетами. |















