Курсовая работа: Разработка модели триггерного устройства на базе микросхем типа К564 с последующим использованием выходов
|
Название: Разработка модели триггерного устройства на базе микросхем типа К564 с последующим использованием выходов Раздел: Рефераты по коммуникации и связи Тип: курсовая работа | ||||||||||||||||||||||||||||||||||||||||||||||||||||||||||||||||||||||||||||||||||||||||||||||||||||||||||||||||||||||||||||||||||||||||||||||||||||||||||||||||||||||||||||||||||||||||||||||||||||||||||||||||||||||||||||||||||||||||||||||||||||||||||||||||||||||||||||||||||||||||||||||||||||||||||||||||||||||||||||||||||||||||||||||||||||||||||||||||||||||||||||||||||||||||||||||||||||||||||||||||||||||||||||||||||||||||||||||||||||||||||||||||||||||||||||||||||||||||||||||||||||||||||||||||||||||||||||||||||||||||||||||||||||||||||||||||||||||||||||||||||||||||||||||||||||||||||||||||||||||||||||||||||||||||||||||||||||||||||||||||||||||||||||||||||||||||||||||||||||||||||||||||||||||||||||||||||||||||||||||||||||||||||||||||||||||||||||||||||||||||||||||||||||||||||||||||||||||||||||||||||||||||||||||||||||||||||||||||||||||||||||||||||||||||||||||||||||||||||||||||||||||||||||||||||||||||||||||||||||||||
Московский Государственный Технический Университет им. Н. Э. Баумана Калужский филиал Кафедра ЭИУ2-КФ «Компьютерные системы и сети» Курсовая работа «Разработка модели триггерного устройства на базе микросхем типа К564 с последующим использованием выходов»по курсу «Основы автоматизации проектирования» Калуга, 2008 Техническое заданиеВведениеКонструкторская частьПроектирование триггера Этап абстрактного синтезаЭтап структурного синтезаПроектирование печатной платыТехнологическая частьОбщие сведения о системе P-CADСоздание условно-графического обозначения элементовРазработка посадочного места элементовСоздание библиотеки компонентов Моделирование триггера. Временная диаграмма работы Моделирование дополнительного элемента-счетчика К564ИЕ9 Разработка принципиальной электрической схемыПроектирование печатной платы Литература Техническое задание Разработать триггер, характеристическая таблица состояний которого приведена в таблице:
В качестве ЭЗЯ используется RS-триггер, выполненный в базисе И-НЕ. Триггер изменяет состояние выхода при переходе сигналов “С”, Х1 , Х2 : 01 – то есть по положительному фронту, при этом: a) триггер устанавливать в соответствующее состояние переходом сигнала “С”. Временное соотношение появления сигналов “С”, Х1 , Х2 показано на временной диаграмме “а”; b) триггер устанавливать в соответствующее состояние переходами сигналов Х1 и Х2 при наличии сигнала “С” (то есть С=1) в соответствии с временной диаграммой “b”. c)
“a”“b рис.1 Введение Общая методика схемотехнического проектирования триггеров. Часто разработчику требуется триггер со специальными функциями, которым не удовлетворяют имеющиеся в наличии триггеры, то есть возникает задача проектирования произвольного триггерного устройства. Проектирование триггера будем осуществлять с использованием канонического метода синтеза. Канонический метод структурного синтеза применительно к триггерам позволяет свести задачу их синтеза к задаче структурного синтеза комбинационных схем. Результатом канонического метода структурного синтеза является система логических уравнений, выражающая зависимость сигналов функций возбуждения элементарных ЗЯ (hR , hS ) от сигналов на входе триггера и сигналов с выхода ЗЯ. Метод включает в себя следующие процедуры этапов абстрактного и структурного синтеза: Этап абстрактного синтеза: 1.Выбор элементарной ЗЯ, на которой реализуется триггер. 2.Определение характеристической таблицы для выбранной ЗЯ. 3.Составление первичной таблицы переходов. 4.Сокращение первичной таблицы переходов. 5.Составление граф-схемы переходов. 6.Кодирование внутренних состояний триггера. 7.Составление обобщенной таблицы переходов триггера во времени. Этап структурного синтеза триггера: 1.Получение и минимизация функций возбуждения ЗЯ. 2.Составление структурной схемы триггера. Конструкторская часть Проектирование первого триггера осуществляется по условию, т.е. триггер устанавливать в соответствующее состояние переходом сигнала С. Одновременное изменение сигналов С и любого из Х запрещено. Этап абстрактного синтезаТип ЭЗЯ : В качестве ЭЗЯ задан RS-триггер, выполненный в базисе И-НЕ.Характеристическая таблица функций возбуждения RS-триггераПолная таблица состояний триггера будет иметь вид: Таблица 1
По полученной таблице состояний триггера табл.1 определим характеристическую таблицу функций возбуждения триггера (Табл.2). Число строк этой таблицы равно 4, а количество столбцов (для функций возбуждения) равно числу логических входов триггера. Из полной таблицы переходов найдём значения для hS и hR , которые вызывают переход триггера из состояния 0 в состояние 0. Комбинация состояния 00 встречается три раза. Эта комбинация возможна при сигналах: 00, 01, 10. Переменная R принимает произвольное значение (0 или 1), и переменная S принимает произвольное значение(0 или 1). Переход триггера из состояния 0 в состояние 1 происходит один раз при сигнале 11, то есть R=1, а S=1. Переход триггера из состояния 1 в состояние 0 происходит два раза при сигнале 00, 11. Переход триггера из состояния 1 в состояние 1 происходит два раза при сигналах: 01, 10. Подставим полученные значения R и S в таблицу и получим окончательную таблицу возбуждения RS-триггера в базисе И-НЕ. Характеристическая таблица функций возбуждения RS-триггера в выбранном базисе имеет следующий вид: Таблица 2
Составление первичной таблицы переходовТак как всего может быть 8 наборов сигналов СХ1 Х2 , в первичной таблице будет 8 столбцов и 16 строк с устойчивыми состояниями. На первом шаге этапа в первичную таблицу переходов заносим все устойчивые состояния, соответствующие всем наборам входных сигналов. Прежде чем находить переходы между устойчивыми состояниями, которые совершает триггер при изменении состояния входов, введём понятие действующего (эффективного) сигнала С, Х1
и Х2
( В данном случае, действующим сигналом является переход 10 на любом входе. Обозначим действующие сигналы через
Кроме того, имеет место условие, что одновременное изменение сигнала C с сигналами Х1 и Х2 недопустимо. Далее, в соответствии с таблицей 1, заполняем первичную таблицу переходов: Таблица 3
Сокращение первичной таблицы переходовСокращённая таблица переходов получается из первичной таблицы с помощью объединения строк с совместимыми состояниями. Состояния называются совместимыми, если значения входов для этих строк одинаковы, а номера состояний, записанные в соответствующих столбцах, совпадают или друг с другом, или с фиктивными состояниями “Ф” (для не полностью определённых цифровых автоматов). При объединении строк (состояний) необходимо придерживаться следующих правил: а) если объединяются одинаковые номера состояний в скобках и без них, то результирующее состояние должно быть в скобках; б) если объединяются фиктивные состояния и состояния, соответствующие какому-либо номеру, то в строке сокращённой таблицы пишется этот номер. В общем случае объединение строк можно произвести различными способами. При проектировании триггеров следует рассмотреть все возможные способы объединения строк и получить различные структурные и принципиальные схемы триггеров, из которых выбирают те, которые обеспечивают наилучшее значение параметров. Обозначив каждую группу состояний любым номером состояния из группы совместимых состояний (например, номерами первых состояний) и заменяя на них остальные совместимые с ними состояния, получаем конечную сокращённую таблицу переходов. Сокращённая таблица переходов будет иметь следующий вид: Таблица 4
Граф-схема переходовГраф переходов составляется в соответствии с сокращённой таблицей переходов 4. Из табл. 4 видно, что, находясь в первом состоянии, равным 1, триггер не меняет его, если входной набор СХ1 Х2 =000, 001, 010, 100, 101, 110, 111 и меняет на 2 набор при наборах СХ1 Х2 =011. Таким образом, граф-схема переходов имеет вид:
Кодирование внутренних состояний триггераДля кодирования внутренних состояний табл.5 необходимы две ЭЗЯ с переменными Q1 и Q2 , выражающими одновременно внутренние переменные триггерного устройства. Известно, что когда две (или более) внутренние переменные одновременно изменяются в течение перехода из одного состояния в другое, то говорят, что имеет место состязания между изменяющимися переменными. Если желаемое состояние зависит от последовательности изменений переменных, то имеет место критическое состязание, приводящее к сбоям. Способ кодирования, устраняющий состязания, называется противогоночным . При соседнем кодировании состояний, состязания всегда отсутствуют. Здесь любые два последовательных состояния кодируются наборами, отличающимися состояниями лишь одной ЭЗЯ. Проведём соседнее кодирование внутренних состояний так, как показано на графе переходов (в знаменателе). Обобщённая таблица переходов триггера во времениОбобщённая таблица переходов составляется с использованием граф-схемы переходов (Табл. 5) имеет вид: Таблица 5
Представлением триггерного устройства обобщённой таблицей переходов во времени заканчивается этап абстрактного синтеза. Этап структурного синтеза.Получение и минимизация функций возбуждения ЭЗЯСоставляем карты Карно для hS 1, hR 1, hS 2, hR 2,
Составление функциональной схемы триггерного устройства
Рис. 2 Структурная схема триггера. Проектирование печатной платыРазработанный триггер реализован на микросхемах серии К564. Размеры посадочных мест под данные микросхемы зависят от габаритных и установочных размеров корпусов микросхем. Исходные размеры взяты по ГОСТ 17467-72. Все использованные микросхемы реализованы в корпусах типа 301ПЛ14, имеющих следующие размеры:
Счетчик реализован в корпусе типа 201.16-6
Параметры сопряжения микросхем серии К564:
Технологическая часть Общие сведения о системе P-CAD Система P-CADпредставляет собой интегрированный пакет программ, предназначенный для проектирования многослойных печатных плат (ПП) радиоэлектронных средств (РЭС). Она адаптирована к операционной среде Windows и использует все настройки и возможности последней. P-CAD включаетвсебяследующиепрограммныемодули: P-CAD Library Executive, P-CAD Schematic, P-CAD PCB, P-CAD Autorouters, Symbol Editor, Pattern Editor, InterPlace PCS, Relay, Signal Integrity. Утилита Library Executive (Администраторбиблиотек) состоитизпрограммы Library Manager (Менеджербиблиотек), редакторасимволовэлементов Symbol Editor иредакторапосадочныхмест Pattern Editor электрорадиоэлементов (ЭРЭ) наПП. P-CADSchematic — графический редактор электрических схем. Он предназначен для разработки электрических принципиальных схем и может применяться для создания условных графических обозначений (УГО) отдельных ЭРЭ (файлы с расширением .sch). P-CADPCB — графический редактор ПП. Предназначен для проектирования конструкторско-технологических параметров ПП. К ним относятся: задание размеров ПП, ширина проводников, величина зазоров, размер контактных площадок, диаметр переходных отверстий (ПО), задание экранных слоев, маркировка, размещения ЭРЭ, неавтоматическая трассировка проводников и формирование управляющих файлов технологическим оборудованием. P-CADAutorouters предназначен для автоматической трассировки проводников ПП. Включает два автотрассировщика: программу QuickRoute для проектирования рисунка ПП не очень сложных электрических схем и бессеточный трассировщик Shape-RasedRouter, предназначенный для проектирования многослойных ПП с высокой плотностью расположения ЭРЭ. SymbolEditor — редактор символов элементов (файлы с расширением .sym). Предназначен для создания условных графических обозначений символов ЭРЭ электрических схем. PatternEditor — редактор посадочных мест (файлы с расширением .pat). Предназначен для разработки посадочных мест для конструктивных ЭРЭ на ПП. Создание условно-графического обозначения элементов Создание условно-графического обозначения элементов производится в соответствие с ГОСТ. Для автоматизации данного этапа разработки используется редактор SymbolEditor, входящий в пакет программ P-Cad 2002. Для реализации спроектированного триггера были созданы следующие компоненты: - 6ИЛИ – для К564ЛН3:
Рис 3. УГО элемента К564ЛН3. - 2И-НЕ – для К564ЛА7:
Рис 4. УГО элемента К564ЛА7. - 3И-НЕ для К564ЛА9:
Рис 5. УГО элемента К564ЛА9. - 4И-НЕ для К564ЛА8:
Рис 6. УГО элемента К564ЛА8. - 6НЕ для К564ЛН2:
Рис 7. УГО элемента К564ЛН2. Разработка посадочного места элемента Графический редактор P-CADPatternEditorимеет набор команд, позволяющих создавать и редактировать посадочные места для установки ЭРЭ на печатных платах. Программа работает с файлами отдельных посадочных мест (.pat) и библиотек (.lib). Посадочное место (ПМ) — это комплект конструктивных элементов печатной платы, предназначенный для монтажа отдельного ЭРЭ. В него входят в различных сочетаниях контактные площадки (КП), металлизированные отверстия, печатные проводники на наружных слоях и гладкие крепежные отверстия. Кроме этого ПМ может включать в себя параметры защитной и паяльной масок, элементы маркировки и графические элементы сборочного чертежа. Каждый из этих элементов должен располагаться в специальном слое. Для этого в PatternEditor предусмотрена возможность смены текущего слоя печатной платы. На этом этапе были созданы посадочные места для микросхем К564 со штыревыми выводами. Посадочные места для микросхем имеют следующий вид:
Рис 8. Пример штыревого посадочного места. Создание библиотеки компонентов При проектировании печатных плат необходимы сведения о схемных образах ЭРЭ и посадочных местах для них. Программы размещения и трассировки должны иметь информацию о соответствии каждого конкретного вывода условного графического обозначения выводу в корпусе элемента. В версии P-CAD 2001 эта работа выполняется автоматически программой LibraryExecutive(Администратор библиотек). Для этого соответствующие данные заносятся в так называемые упаковочные таблицы, указывающие основные характеристики используемых ЭРЭ. В программе предусмотрены эффективные приемы работы, аналогичные приемам программных продуктов MicrosoftOffice. Эта программа не является графическим редактором. Она лишь сводит введенную ранее графическую информацию в единую систему — библиотечный элемент, в котором сочетаются несколько образов представления элемента: образ на схеме, посадочное место и упаковочная информация. Для создания нового компонента необходимо запустить программу и выполнить команду Component New, а затем выбрать нужную библиотеку, в которую ранее были записаны УГО и ПМ. В появившемся окне необходимо указать всю требуемую информацию по создаваемому компоненту. Далее нужно выбрать посадочное место для создаваемого компонента и указать УГО, которое будет использоваться для обозначения на схемах вентилей данного компонента. Кнопки «Pins View», «Pattern View» и «Symbol View» используются для открытия окон редактирования соответствующих параметров компонентов. Число вентилей в данной микросхеме указывается в поле «NumberofGates», а префикс нумерации компонента – в поле «RefdesPrefix». Для создания таблицы выводов «Pins View» необходимо заполнить таблицу информацией, взятой из технической документации для текущего компонента. Расшифровка таблицы: 1. В столбцы Pad# (номера контактных площадок корпуса компонента) и Pin Des (позиционные номера выводов компонентов на схеме) вносится одна и та же информация о порядке их нумерации. 2. В столбце Sym Pin# указывается номер вывода символа в соответствующей секции символа компонента. 3. В столбец Pin Name вводят имена выводов в каждой секции. 4. В столбцы Gate Eq и Pin Eq вводят данные о логической эквивалентности секций и выводов соответственно. 5. В столбце Gate # указывается номер секции (вентиля), в которую назначен вывод символа. 6. В столбце Elec Type указывается тип вывода, используемый при поиске ошибок в схемах электрических принципиальных: · Unknown — вывод, не имеющий определенного типа; · Passive — пассивный вывод; · Input — входной вывод; · Output – выходной вывод; · Power — вывод питания или «земли». После выполнения всех указанных выше операций для создания интегрированного образа компонента необходимо выполнить команду Component/Validate для проверки согласованности всех данных компонента и, в случае отсутствия ошибок, сохранить компонент в текущей библиотеке командой Component Save As.
Рис.9 Пример окна создания компонента. Для функционирования триггера были созданы библиотечные элементы микросхем и других необходимых элементов для схемы включения, которые были рассчитаны и выбраны в зависимости от количества микросхем нашего триггерного устройства. Моделирование триггера. Временная диаграмма работы Для моделирования работы триггера необходимо: 1. Создать библиотеку компонентов. 2. Создать и добавить в нее моделируемые компоненты. 3. Вменю «Edit» программы «Library Executive» выбратьпункт Component Attr».
Рис 10. Пример описания свойств элемента. 4. Последовательно добавить и заполнить поля таблицы. 5. Поле SimType должно содержать значение SIMCODE(A) для цифровых устройств. 6. Поле SimModel должно содержать название модели устройства. 7. Поле SimFile содержит путь к файлу модели. Его можно указать с использованием макроса {model_path}, это позволит сделать путь относительным. 8. Поле SimPins содержит информацию о ножках компонента. Она вводится в таком формате: 9. <номер_вентиля1>:[<пин1> <пин2><пин3>…<>]…<номер_вентиляN>:[<пин1> <пин2> <пин3>…<>] 10. Поле SimNetlist может содержать ключи: %D – описатель устройства (Devicedesignator); 11. %M – имя модели. Между ними вставляется две пары квадратных скобок, в которых указываются номера ножек, указанных в поле SimPins по порядку. Во второй паре квадратных скобок указываются те же ножки, но пропускается вторая и добавляются номера ножек выходов. 12. Затем последовательно добавляются поля с именами SimField1, 2, 3 и т.д. В них указываются следующие данные: 13. Propagation = - время распространения сигнала; 14. Loading и Drive = - нагрузочная способность ножек компонента; 15. Current = - потребляемый ток; 16. PWRValue = - напряжение питания; 17. GNDVALUE = - напряжение «нуля»; 18. VILValue = - входное напряжение уровня «нуля»; 19. VIHValue = - входное напряжение уровня «единицы»; 20. VOLValue = - выходное напряжение уровня «нуля»; 21. VOHValue = - выходное напряжение уровня «единицы». Для работы модели компонента необходимо создать два файла. Первый файл (с расширением txt) содержит в себе текст модели компонента, второй – реквизиты модели. Для запуска симуляции необходимо создать принципиальную схему моделируемого устройства:
Рис 11. Принципиальная электрическая схема моделируемого триггера. подключить к входам источники сигналов (для каждой цепи задать порт), в пункте меню Simulate выбрать Setup. После этого запустится симулятор и откроется окно настроек моделирования. Для начала симуляции необходимо задать необходимые настройки и нажать кнопку RunAnalisys.
Рис 12. Окно настроек моделирования. После чего модуль Mixed Signal Circuit S imulator выполнит компиляцию схемы и, если не будет обнаружено ошибок, на экран будет выведена временная диаграмма:
Рис 13. Временная диаграмма работы триггера. Моделирование дополнительного элемента-счетчика К564ИЕ9 Счетчики Счетчиком называется ОЭ (электронный узел), обеспечивающий выполнение микрооперации счета сигналов (импульсов), поступающих на его вход. Счетчики выполняются на триггерах и логических элементах, количество и тип которых определяется назначением счетчика. В общем случае счетчик имеет М устойчивых состояний. Под действием входных сигналов счетчик, установленный в начальное состояние, изменяет его и сохраняет до тех пор, пока на вход не поступит следующий сигнал. Каждому состоянию счетчика соответствует порядковый номер 0, I. 2, ..., М. Если в момент времени ti счетчик находится в i-м состоянии, то оно определяет число поступивших на счетчик сигналов. Таким образом, счетчик осуществляет преобразование числоимпульсного (унитарного) кода в позиционный двоичный код. При подаче на вход счетчика М считываемых сигналов, на выходе его возникает сигнал переполнения, а счетчик возвращается в начальное состояние, т.е. счет единичных сигналов осуществляется в нем по модулю М (или с периодом счета Тn = М.) В ЭВМ счетчики используются для образования последовательности адресов команд, для счета количества циклов выполнения операций, в преобразователях информации из непрерывной формы в дискретную и т.п. В зависимости от способа кодирования различают счетчики с позиционным (единичным, двоичным, троичным и т.д.), комбинированным позиционным и непозиционным (код Грея) кодированием. В счетчиках с позиционным кодированием числовое выражение текущего состояния определяется формулой: yi
= где n - количество разрядов; wк - вес к-го разряда; Qк - логическое значение разряда, определяемое состоянием соответствующего триггера. На практике в основном используются счетчики с позиционным кодированием. По целевому назначению счетчики бывают простые (суммирующие и вычитающие) и реверсивные. На простые счетчики сигналы поступают с одним знаком, т.е. эти счетчики имеют переходы от состояния к состоянию только в одном направлении. Суммирующий счетчик предназначен для выполнения счета в прямом направлении, т.е. для сложения. С подачей очередного единичного сигнала на вход показание счетчика увеличивается на единицу. Вычитающий счетчик предназначен для выполнениясчета единичных сигналов в режиме вычитания. Каждый счетный сигнал, поступивший на вход такого счетчика, уменьшает его показания на единицу. Реверсивные счетчики предназначены для работы в режиме сложения и вычитания. В зависимости от способа организации счета счетчики подразделяются на асинхронные и синхронные. В асинхронных счетчиках сигнал от каскада к каскаду передается естественным путем в различные интервалы времени в зависимости от сочетания входных сигналов. В синхронных счетчиках сигналы от каскада к каскаду передаются принудительным путем при помощи тактовых сигналов, По способу организации цепей переноса между каскадами различают счетчики с последовательным, сквозным (параллельным), групповым и частично групповым переносом. Основными характеристиками счетчика являются: - модуль счета - период счета или коэффициент пересчета; - разрешающая способность; - время регистрации; - емкость счетчика. Модуль счета (М) характеризует число устойчивых состояний счетчика, т.е. предельное число входных сигналов которое может сосчитать конкретный счетчик. Разрешающая способность - это минимально допустимый период следования входных сигналов, при котором еще обеспечивается надежная работа счетчика. Чем больше частота поступления счетных сигналов, тем больше быстродействие счетчика. Время регистрации (Тр ) - интервал времени между моментами поступления входного сигнала и окончания самого длинного переходного процесса в схеме счетчика. Емкость счетчика (N) определяется максимальным числом единичных сигналов, которое может быть зафиксировано на счетчике. Эта характеристика зависит от основания системы счисления и числа каскадов. (N=2n ). Счетчик К564ИЕ9 Микросхема К564ИЕ9— четырехразрядный счетчик-делитель на восемь Джонсона. Назначение выводов ИС К564ИЕ9
Условно-графическое обозначение ИС К564ИЕ9:
Основой счетчика Джонсона является кольцевой сдвигающий регистр, у которого имеется одна перекрестная связь, обеспечивающая инверсную перезапись информации в один из разрядов регистра при прямой перезаписи информации во всех остальных разрядах. Важными свойствами счетчиков Джонсона являются их высокое быстродействие и простота дешифрации состояний. Быстродействие определяется временем установки одного разряда, а дешифрация состояний осуществляется с помощью двухвходовых ЛЭ И. В качестве одного разряда счетчика используется тактируемый M-S-триггер типа D с непосредственным входом установки L. Триггер состоит из двух триггеров: основного М и вспомогательного S. Запись информации в триггер осуществляется последовательно, сначала в основной (при отсутствии тактового импульса), затем во вспомогательный (по тактовому импульсу). Счетчик осуществляет счет от положительного фронта тактового сигнала С при напряжении низкого уровня на входе разрешения Е. При высоком уровне напряжения на входе Е происходит блокировка счета. Счетчик осуществляет счет также от отрицательного фронта сигнала Е при высоком уровне напряжения по входу С. Функциональная схема ИС:
В процессе работы счетчика на выходе переноса CR формируется последовательность импульсов со скважностью Q=2 и частотой, равной /вк /8. Обнуление счетчика происходит при подаче уровня Н на вход установки нуля R , при этом выходы 0 и CR принимают состояние высокого уровня, а все остальные выходы —состояние низкого уровня. При работе микросхемы сначала происходит последовательная запись уровня Н во все разряды, начиная с первого, затем первый разряд переходит в состояние L ипроисходит обратный процесс последовательное заполнение всех разрядов счетчика уровнем L . Дешифрация состояния счетчика производится с помощью восьми двухвходовых схем И — НЕ, при этом напряжение Н имеется всегда лишь на одном из выходов 0—7. В ИС К564ИЕ9 используется восьмеричный код Джонсона, который отличается от двоичного и двоично-десятичного кода тем, что, когда счетчик переходит к следующему логическому состоянию, меняется только одна логическая переменная. Таблица истинности ИС К564ИЕ9:
Для счетчика создаётся, как и для всех элементов, УГО, посадочное место и библиотечный элемент. Посадочное место будет несколько иным из-за количества ножек = 16.
Рис. 14 Штыревое посадочное место для счетчика ИС К564ИЕ9 При моделировании данного счетчика в качестве входных сигналов С, Е, R используются значения C, Q2, HR2. Временные диаграммы работы счетчика будут иметь вид:
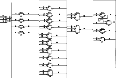
Рис 15. Временные диаграммы работы счетчика. Разработка принципиальной электрической схемы Графический редактор P-CADSchematicпредназначен для разработки электрических принципиальных схем с использованием условных графических обозначений элементов. При этом УГО ЭРЭ могут извлекаться из соответствующей библиотеки или создаваться средствами самой программы. Если не разрабатывается узел печатной платы, то при вычерчивании схем берутся УГО элементов, не связанные с их конструктивной базой. Такая схема может использоваться как иллюстративный материал. При возникновении необходимости разработки ПП ее надо дополнить соответствующей конструкторско-технологической информацией. При выполнении проекта с разработкой узла ПП схема должна формироваться из библиотечных элементов, которые включают полную информацию о конструктивных особенностях ЭРЭ и их посадочных местах на ПП.
Рис 16. Принципиальная электрическая схема. Комплекс временных диаграмм работы триггерного устройства и счетчика К564ИЕ9:
Рис 15 .Временные диаграммы работы триггерного устройства и счетчика К564ИЕ9. Проектирование печатной платы Графический редактор PCAD РСВ предназначен для выполнения работ, связанных с технологией разработки и конструирования узлов печатных плат. Он позволяет упаковывать схемы на плату, задавать размеры ПП, ширину проводников и величину индивидуальных зазоров для разных проводников, задавать размеры контактных площадок и диаметры переходных отверстий, экранные слои. Редактор позволяет выполнять маркировку ЭРЭ, их размещения, неавтоматическую трассировку проводников и формировать управляющие файлы для технологического оборудования. Система PCAD 2002 включает две программы автоматической трассировки печатных проводников, которые вызываются из редактора PCADPCB.Это трассировщики QuickRoute и ShapeBasedRouter. Программа QuickRoute реализует сеточную технологию (GridBased) и пригодна для быстрой разработки не очень сложных ПП, включающих не более 4х слоев металлизации. По сравнению с другими эта программа менее эффективна и работает только в дюймовой системе. Трассировщик ShapeBasedRouter основан на бессеточной технологии (ShapeBased) и реализует принципы оптимизации нейронных сетей. Программа предназначена для трассировки многослойных ПП (до 30 слоев) с высокой плотностью размещения ЭРЭ и реализует такие алгоритмы, которые стремятся получить 100% трассировки соединений. Работает программа в автоматическом, интерактивном и ручном режимах. Пример трассировки при помощи трассировщика QuickRoute:
Рис 18. Пример трассировки при помощи трассировщика QuickRoute . 1. Преснухин Л.Н., Воробьёв Н.И., Шишкевич А.А. Расчёт элементов цифровых устройств. М., Высшая школа, 1991. 2. Угрюмов Е.П. Проектирование элементов и узлов ЭВМ. М., Высшая школа, 1987. 3. Иванов С.Р., Черников А. С. Синтез статических триггеров. МУ к КР по курсу “Схемотехника ЭВМ и систем". М., 1987. 4. Табарин Б.В., Якубовский С.В., Справочник по интегральным микросхемам. М., «Энергия», 1980 5. Пухальский Г. И., Новосельцева Т. Я. Проектирование ДУ на интегральных микросхемах. М., «Радио и связь», 1990 |
||||||||||||||||||||||||||||||||||||||||||||||||||||||||||||||||||||||||||||||||||||||||||||||||||||||||||||||||||||||||||||||||||||||||||||||||||||||||||||||||||||||||||||||||||||||||||||||||||||||||||||||||||||||||||||||||||||||||||||||||||||||||||||||||||||||||||||||||||||||||||||||||||||||||||||||||||||||||||||||||||||||||||||||||||||||||||||||||||||||||||||||||||||||||||||||||||||||||||||||||||||||||||||||||||||||||||||||||||||||||||||||||||||||||||||||||||||||||||||||||||||||||||||||||||||||||||||||||||||||||||||||||||||||||||||||||||||||||||||||||||||||||||||||||||||||||||||||||||||||||||||||||||||||||||||||||||||||||||||||||||||||||||||||||||||||||||||||||||||||||||||||||||||||||||||||||||||||||||||||||||||||||||||||||||||||||||||||||||||||||||||||||||||||||||||||||||||||||||||||||||||||||||||||||||||||||||||||||||||||||||||||||||||||||||||||||||||||||||||||||||||||||||||||||||||||||||||||||||||||||






















