Дипломная работа: Разработка пульта проверки входного контроля
|
Название: Разработка пульта проверки входного контроля Раздел: Рефераты по коммуникации и связи Тип: дипломная работа | |||||||||||||||||||||||||||||||||||||||||||||||||||||||||||||||||||||||||||||||||||||||||||||||||||||||||||||||||||||||||||||||||||||||||||||||||||||||||||||||||||||||||||||||||||||||||||||||||||||||||||||||||||||||||||||||||||||||||||||||||||||||||||||||||||||||||||||||||||||||||||||||||||||||||||||||||||||||||||||||||||||||||||||||||||||||||||||||||||||||||||||||||||||||||||||||||||||||||||||||||||||||||||||||||||||||||||||||||||||||||||||||||||||||||||||||||||||||||||||||||||||||||||||||||||||||||||||||||||||||||||||||||||||||||||||||||||||||||||||||||||||||||||||||||||||||||||||||||||||||||||||||||||||||||||||||||||||||||||||||||||||||||||||||||||||||||||||||||||||||||||||||||||||||||||||||||||||||||||||||||||||||||||||||||||||||||||||||||||||||||||||||||||||||||||||||||||||||||||||||||||||||||||||||||||||||||||||||||||||||||||||||||||||||||||||||||||||||||||||||||||||||||||||||||||||||||||||||||||||||||||||||||||||||||||||||||||||||||||||||||||||||||||||||||||||||||||||||||||||||
|
Введение 1 Постановка задачи 2 Анализ существующего способа проверки АЭ и ПИ 3 Структурная схема проверки АЭ и ПИ с использованием проверочной аппаратуры 4 Функциональная схема проверки АЭ и ПИ 5 Описание электрической принципиальной схемы пульта проверки 6 Описание электрической схемы цифро-аналового преобразователя 7 Расчет параметров в схеме датчика крена 8 Расчет параметров схемы ЦАП 9 Методика проверки 10 Конструкторско-технологическая часть 11 Организационно-экономическая часть 12 Охрана труда и окружающей среды Заключение Список используемой литературы Приложение А Приложение Б Приложение В Приложение Г В связи с усложнением бортовой аппаратуры противотанковых управляемых ракет, применением в ней сложной цифровой и микропроцессорной схемотехники, возрастают требования к контрольно – проверочной аппаратуре, обеспечивающей качественную проверку параметров аппаратуры электронной (АЭ) и приемника излучения (ПИ) на входном контроле. Назревшей необходимостью является разработка новых методов и средств проверки, исключающих выше перечисленные недостатки. В дипломном проекте проведена разработка пульта проверки входного контроля и методики контроля, позволяющих провести проверку АЭ и ПИ по параметрам, обеспечивающим идентичность проверок как отдельно, так и в составе ракеты. 1 Постановка задачиТребуется разработать пульт входного контроля аппаратуры электронной АЭ и приемника излучения ПИ изделий 9М133 (далее по тексту пульт проверки), отвечающий следующим требованиям: - должна осуществляться проверка сквозного динамического коэффициента АЭ и ПИ на частотах вращения ракеты; - в качестве имитатора вращения использовать имеющийся датчик крена гирокоординатора; - должна осуществляться проверка цифровых выходов АЭ по каналам Y и Z; - при проверках максимально использовать имеющиеся контрольно-измерительные средства и приспособления, применяемые для проверок изделия 9М133; - время проверки ПИ и АЭ не более 1 минуты. 2 Анализ существующего способа проверки АЭ и ПИВ настоящее время для контроля АЭ ПБА3.031.082 и ПИ ПБА2.029.001 используется достаточно сложная по устройству аппаратура, а ТУ на проверку включает множество пунктов от осмотра внешнего вида до контроля отдельных параметров. Однако, при установке их в изделие возможны случаи, когда АЭ(ПИ) не удовлетворяют требованию, предъявляемому к изделию, которые возникают из-за различия методик проверок АЭ(ПИ) и АЭ(ПИ) в составе изделия. Для устранения указанного недостатка возникла необходимость применения методики проверки АЭ и ПИ на входном контроле, идентичной методике проверки бортовой аппаратуры управления изделия 9М133. Работоспособность бортовой аппаратуры управления в составе изделия 9М133 определяется по сквозному динамическому коэффициенту. Данный коэффициент характеризует совместную работу АЭ и ПИ в составе ракеты по отработке электромагнитом рулевого привода управляющих сигналов с выхода АЭ в зависимости от сигнала, поступающего на вход ПИ от контрольно-проверочной аппаратуры изделия 9М133. 3 Структурная схема проверки АЭ и ПИ с использованием проверочной аппаратурыВо время преддипломной практики были изучены состав и электрические соединения составных частей изделия 9М133, а также контрольно-проверочная аппаратура, применяемая для проверки изделия, и с учетом этого была разработана структурная схема соединений для проверки АЭ и ПИ с использованием проверочной аппаратуры. Данная схема представлена в графической части и на рисунке 1. И включает в себя: - проверочную аппаратуру; - приемник излучения; - аппаратуру электронную; - отсек рулевого привода; - источники питания. Проверочная аппаратура предназначена для коммутации сигналов ПИ, АЭ, ОРП, источников питания и задания контрольных сигналов, подаваемых на вход ПИ, обработки сигналов с выхода АЭ и выдачи результатов проверки – «годен» или «отказ». Отсек рулевого привода являются составной частью изделия и служит реальной нагрузкой для АЭ. Данная схема отображает общий подход к проверке АЭ и ПИ на входном контроле как в составе изделия.
4 Функциональная схема проверки АЭ и ПИВ соответствии с техническим заданием была разработана функциональная схема соединений для проведения проверок для изделия 9М133 с использованием имеющихся средства контроля и измерения 15С01. Данная функциональная схема представлена в графической части. Проверочная аппаратура представлена в виде двух составных частей – КПА 15С01 и пульта проверки. В КПА входит модуль измерения, предназначенный для формирования тестовых сигналов, подаваемых на излучатель, сигналов ФД1, ФД2. Модуль управления служит для контроля выхода на режим бортовой батареи (контроль +12В), контроль сигналов управления Вых1, Вых2, поступающих с АЭ. ОЗУ КПА запоминает определенные параметры сигналов и сравнивает с заложенными в ее ПЗУ эталонными значениями. Модуль согласования КПА – для осуществления передачи выходных сигналов с КПА ФД1, ФД2, а также литеры L1 и инвертирования L4, питания ±12В на пульт проверки, сигналов Вых1,Вых2, контроль +12В на КПА. Излучатель – для формирования лазерного излучения. Посредством него на приемник передаются команды изменения координат с проверочной аппаратуры. Набор светофильтров предназначен для изменения уровня мощности излучателя на входе приемника излучения. Пульт проверки осуществляет коммутацию электрических сигналов, поступающих с АЭ, ПИ, ОРП и КПА. Для запитки КПА требуется четыре источника ±12В, один ±5В и один источник ±50В для питания излучателя. Для проверки АЭ и ПИ используются поочередно два ОРП. Вольтметр предназначен для контроля напряжения с выхода АЭ. Аппаратура электронная и приемник излучения является составной частью бортовой аппаратуры управления ракеты. Бортовая аппаратура управления предназначена для приема модулированного излучения лазера, преобразования его в электрический сигналы, формирования сигнала, определяющего координаты относительно оси луча, преобразования координат из неподвижной системы координат в систему, связанную с ракетой, преобразования электрических сигналов управления в механические перемещения рулей. Помимо аппаратуры электронной и приемника излучения в состав аппаратуры управления ракеты входят следующие составные части: гирокоординатор (ГК), бортовая батарея (ББ) и отсек рулевого привода (ОРП). АЭ предназначена для преобразования кодовой последовательности информационных импульсов, поступающих с ПИ. АЭ формирует релейный сигнал, скважность которого в каждую четверть оборота ракеты по крену определяет величину команд управления по тангажу и курсу, усиливает его по мощности и выдает два противофазных сигнала на управление одноканальным двухпозиционным рулевым приводом ракеты. В соответствии с величиной угловой скорости вращения ракеты по крену и временем с момента старта ракеты, АЭ программно изменяет величину команд, подаваемых на рулевой привод. Кроме того, АЭ осуществляет изменение начальной фазировки сигналов управления в зависимости от положения ракеты на пусковой установке. В случае прерывания информационного сигнала, АЭ запоминает последние координаты ракеты до момента появления информационного сигнала, прием при отсутствии сигнала на время более 1,5 секунды обе координаты обнуляются. Преобразование команд управления в отклонения рулей по курсу и тангажу происходит в бортовой аппаратуре ракеты следующим образом. После входа ракеты в луч, расположенный на борту ракеты ПИ вырабатывает электрический сигнал U (см. рис. 4.1) пропорциональный отклонению h изделия от оси луча. В формирователе команд АЭ U корректируется, суммируется с независимыми от отклонения h программными командами и с помощью опорного сигнала Uг , вырабатываемого ГК соответственно крену ракеты g, преобразуется в одноканальный сигнал V, управляющий работой двухпозиционного релейного рулевого привода РП. Отклонение руля на угол в вызывает перемещение ракеты Р к оси луча.
Рисунок 4.1 – Формирование команд управления и преобразование их в отклонение ракеты по курсу и тангажу Для контроля параметров бортовой аппаратуры изделия в контрольно-проверочной аппаратуре заложен следующий способ. Формируют электрический сигнал, имитирующий отклонение изделия относительно точки прицеливания по определенному закону, преобразовывают его в электромагнитное излучение и подают на вход приемного тракта изделия. Одновременно с заданием сигнала, поступающего на вход приемного тракта, формируют сигнал, имитирующий вращение изделия по углу крена на траектории, и подают его на датчик крена изделия. Сравнивают текущие величины команд управления на рулевом приводе с расчетными значениями команд, соответствующим сигналу, имитирующего отклонения изделия относительно точки прицеливания по определенному закону, и по результатам сравнения производят оценку работы бортовой аппаратуры изделия. В изделии для создания опорных сигналов, по которым в АЭ происходит преобразование команд управления из измерительной системы координат в систему, связанную с вращающей по крену ракетой предназначен гирокоординатор (ГК), представляющий собой трехстепенной свободный гироскоп с пружинным разгоном ротора и оптронным датчиком крена. В проверочной аппаратуре имитация вращения датчика крена осуществляется с помощью генератора и ключевого устройства. Сигналы ФД1,ФД2 (см. «Эпюры сигналов» и рисунок 4.2) имеют форму меандр. При этом сигнал ФД1 опережает ФД2 на 90°.
Рисунок 4.2 – Сигналы ФД1, ФД2 Сигнал ИКООР. представляет собой посылки координатных импульсов (см. граф. часть «Эпюры сигналов» и рис.4.3). Данный сигнал от КПА поступает на излучатель, сигнал с выхода излучателя поступает на приемник излучения.
Рисунок 4.3 – Координатные импульсы Информация о координатах Y, Z (об отклонениях по курсу и тангажу) заключена в длительности интервалов от t1 до t2. А различие Y, Z по литерным интервалам L1, L2 – длительностям между импульсами в паре. Определение координат производится по среднему значению длительностей первого и последнего в посылке интервалов времени между парными импульсами, соответствующими началу и концу посылки. Концом посылки является пара, после которой отсутствует сигнал данной литеры в течении времени более (0.125 – 0.5) мс. Команда К – закон изменения длительностей координатных интервалов t, t1, t2, с учетом изменения частот fФД в интервале от 2,9 до 17,4 Гц (см. «Эпюры сигналов» и рисунок 4.4).
Рисунок 4.4 – Закон изменения координат Переключение частот применяется в связи с изменением частоты вращения ракеты в процессе полета по зависимости 2,9 Гц – 5,8 Гц – 7,2 Гц – 17,4 Гц – 2,9 Гц. Таким образом, на АЭ поступает информация о координатах Y, Z, опорный сигнал об изменении положения ракеты по крену – ФД1, ФД2, и, кроме того, при формировании команд управления Вых1, Вых2 должна учитываться компенсация веса по координатам Z. Компенсация веса необходима для уравновешивания силы тяжести, при чем, в начале полета она должна быть большой величины, с увеличением скорости ракеты она уменьшается, когда же скорость ракеты падает, компенсация веса снова увеличивается. Сигналы управления с отработкой компенсации веса и без учета изменения координат показаны на рисунке 4.5 и в графической части «Эпюры сигналов».
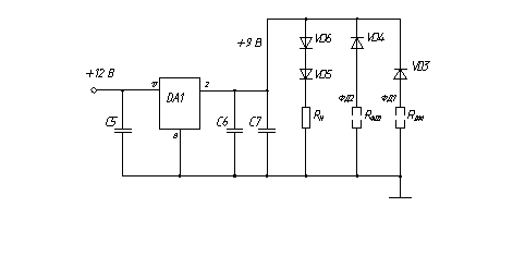
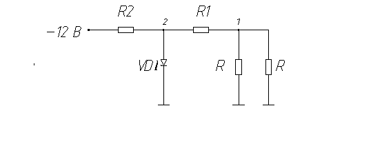
Рисунок 4.5 – Сигналы управления Вых 1, Вых 2 и их параметры, которые запоминает КПА Данные сигналы являются двухполярными и противофазными, и, как видно из рисунка 4.5, ОЗУ КПА запоминает положительную полуволну одного из сигналов и затем микропроцессор сравнивает ее величину с заложенными в ПЗУ величинами. Кроме того, АЭ должна отрабатывать такие сигналы, как установка литеры 1(L1) и литеры 2 (L2), а также L4 (инвертирование/ неинвертирование). Установка литеры 1 и литеры 2 предназначена для приема изделием информационного сигнала от своей ПУ при одновременной работе двух ПУ по двум целям (перекрестная стрельба). В этом случае на первой ПУ при работе с L1 производят закоротку входа АЭ по цепи L1, а при работе с L2 на второй ПУ вход по цепи L1 находится в обрыве. Команда установки L4 (закоротка входа АЭ по цепи L4) производится только при работе с боевой машины в случае крепления изделия на установке с разворотом продольной оси на 180°. в этом случае АЭ формирует сигналы Вых 1, Вых 2 со сдвигом фазы на 180° для компенсации разворота изделия. Сигнал «контроль +12В» обеспечивает проверку выхода бортовой батареи на режим. За время не менее 0,4 с напряжение батареи должно достигнуть значения не менее 10,9В, т.к. это наименьшее напряжение, при котором может работать АЭ. 5 Описание электрической принципиальной схемы пульта проверкиЭлектрическая схема пульта проверки приведена в графической части ПП. 000.Э3. Разъемы Х1, Х2 относятся к АЭ и ПИ соответственно, А1 – цифро-аналоговый преобразователь, А2 – датчик крена, Х3 – разъем, соединяющий пульт проверки с КПА, Х6, Х7 относятся к двум отсекам рулевых приводов. Конденсаторы С1…С4 предназначены для фильтрации источника питания. Стабилизатор напряжения DA1, реализованный на микросхеме К142ЕН8А, стабилизирует напряжение с ±12В до ±9В, необходимого для работы датчика крена. Тумблер SA1 предназначен для подачи питания. Причем после завершения проверки и выключения SA1 автоматически происходит соединение с ОРП2, а ОРП1,который был подключен во время проверки отключается. Следующая проверка будет проводиться с ОРП2. Переключение отсеков рулевых приводов обеспечивается переключением реле К1…К3. Конденсаторы С8…С10 за время проверки (с момента включения SA1) заряжаются и в момент выключения SA1 разряжаются на К1…К3 соответственно, реле переключаются. Тумблер SA2 предназначен для возможности замера напряжения открытого и закрытого ключа, а также тока утечки ключа датчика оборотов. Вольтметр подключается к зажимам ХS5, ХS6. При нажатии переключателя SA3 (6 раз) и соответственно заряда конденсатора С11 имитируется отсчет 6 оборотов ракеты. После шестого нажатия должен загореться светодиод «-12В МР». Отсчет шести оборотов ракеты необходимо обеспечивать, для того, чтобы сигнал на заряд конденсаторов ПИМов с датчика оборотов пошел после достижения ракетой расстояния порядка 100м от места пуска. Зажимы ХS1, XS2 предназначены для снятия сигналов Y, Z с аналоговых выходов ЦАП. 6 Описание электрической схемы цифро-аналового преобразователяЦифро-аналоговый преобразователь реализован на двух микросхемах типа К572ПА1А, и вне ОУ на микросхеме 1401УД2А. Микросхема умножающего ЦАП типа К572ПА1 является универсальным структурным звеном для построения микроэлектронных ЦАП, АЦП и управляемых кодом делителей тока. Благодаря малой потребляемой мощности, достаточно высокому быстродействию, возможности реализации полного двух- и четырехквадратного умножения, небольшим габаритам ЦАП К572ПА1 находит широкое применение в различной аппаратуре. Все ее элементы выполнены в одном кристалле. Данная микросхема предназначена для преобразования 10-разрядного прямого параллельного двоичного кода на цифровых входах в ток на аналоговом выходе, который пропорционален значениям кода и (или) опорного напряжения. В состав ИС ЦАП К572ПА1 входят прецизионная поликремневая резисторная матрица (РМ) типа R – 2R, усилители-инверторы (УИ) для управления токовыми ключами, токовые двухпозиционные ключи. Двоичный закон распределения токов в ветвях РМ соблюдается при условии равенства потенциалов выходов 1 и 2 микросхемы. Это обеспечивается подключением выхода 1 к инвертирующему входу ОУ, охваченного отрицательной обратной связью. Неинвертирующий вход ОУ соединяется с выходом 2 и с шиной аналоговой земли. При этом осуществляется преобразование тока на выходе 1 в пропорциональное ему напряжение на выходе ОУ. Резистор Rо.с определяет значение коэффициента преобразования и напряжения в конечной точке шкалы. Для достижения стабильности основных параметров преобразования при воздействии внешних факторов резистор обратной связи Rо.с = R размещен на кристале микросхемы. При использовании источника опорного напряжения (ИОН) UИОН = 10,24 В с внутренним резистором Rо.с значение Uвых ОУ = 10,24 В, а шаг квантования, т. е. расчетное приращение выходного напряжения при изменении входного кода на единицу младшего разряда, h = 10 мВ. Номинальное значение выходного тока составляет 1 мА, а фактическое может изменяться в пределах от 0,5 до 2 мА. Значения основных параметров ИС зависят в первую очередь от точности соблюдения отношения Rо.с / R = 1 и R / 2R = 0,5 для всех звеньев РМ. Преобразователь К572ПА1 допускает работу при напряжении питания в диапазоне от 5 до 17 В и изменении опорного напряжения в пределах ±17 В. Использование внешнего ОУ предполагает правильный его выбор, исходя из точностных и скоростных свойств преобразователя. Для сохранения точности ЦАП следует использовать ИС ОУ с напряжением смещения не более 5 мВ (т.е. 0,5 МР). Желательно также, чтобы время установления ОУ не превышало 2 – 5 мкс. В качестве внешнего ОУ, на основании использования двух микросхем ЦАП, была выбрана микросхема серии К1401 представляющая собой сборку, состоящую из четырех ОУ. Микросхема К1401УД2А имеет напряжение питания от 3 до ±16,5 В; Iвых = 2…10 мА, Uвых = 2,5…12,5 В. Схема электрическая принципиальная цифро-аналогового преобразователя представлена в графической части ПП.020 Э3. Напряжение питания данной схемы ±12 В (Е1 = +12 В, Е2 = - 12 В). Опорное напряжение UR = – 2 В микросхем ЦАП, которое получается делением напряжения источника питания Е1 = - 12 В делителем, реализованном на R1,R2 и VD1,. Электрические сигналы с аппаратуры электронной А1 (Y0 – Y4; Z0 – Z4) в виде двоичного кода поступают на цифровые входы микросхем ЦАП DD1, DD2, при чем младшие разряды (МР) микросхем ЦАП соединены с общим проводом. Двоичный код с выходов А1 Y5, Z5 поступает на инверсные входы ОУ DA1.3, DA1.4, выполняющих роль инверторов и используемых в данной схеме для уменьшения количества микросхем, выходные сигналы с данных ОУ поступают на цифровые входы 4 (СР) DD1, DD2. Выходы 1 (J1 ) DD1, DD2 соединены с инверсными входами ОУ DA1.1, DA1.2 выходы 2 (J2 ) DD1, DD2 – с не инверсными входами ОУ DA1.1, DA1.2. Включение резисторов R3, R4, с питанием 5 В обеспечивает смещение напряжений на выходах DA1.1, DA1.2 от (2, 0) до (-1, +1). Конденсаторы C1, C2, включенные в выходные цепи DA1.1, DA1.2, образуют фильтр. Выходные сигналы DA1.1, DA1.2 (Y, Z) являются аналоговыми. 7 Расчет параметров в схеме датчика кренаДля работы данного датчика необходим стабилизатор напряжения, стабилизирующий напряжение на уровне +9В. Данный стабилизатор реализован на микросхеме К142ЕН8А. Электрическая схема соединений стабилизатора и датчика крена приведена на рисунке 7.1. Входное напряжение +12В подается на вывод 17 стабилизатора напряжения DA1, с вывода 2 DA1 снимается напряжение + 9В, которое является входным для датчика крена, реализованном на светодиодах VD5,VD6 и фотодиодах VD4,VD3. При чем в цепь VD1,VD2 включено нагрузочное сопротивление RН , нагрузкой VD3,VD4 являются резисторы RФД1 и RФД2 соответственно, которые находятся в аппаратуре электронной. Конденсаторы С5…С7 включены в цепь DA1 для защиты стабилизатора от самовозбуждения при перепадах входного напряжения.
Рисунок 7.1 – Датчик крена. Схема электрическая Так как необходимо обеспечить ток через резисторы RФД1 и RФД2 IR фд1 = IR фд2 = 50мкА, для поддержания фронтов и спадов выходных импульсов токов светодиодов, (а соответственно и характеристик ФД1 и ФД2), принимаем ток через резистор RН IR н = 50мА. Рассчитаем сопротивление RН , при условии, что падение напряжения на светодиодах VD1,VD2 UVD 1 = UVD 2 = 1,8 В. UR н = Uвх – (UVD 5 + UVD 6 ), (7.1) RН
= где UR н – падение напряжения на резисторе RН ,В; Uвх – входное напряжение датчика крена, равное + 9В; UVD 5 ,UVD 6 – прямое падение напряжения на светодиодах VD5,VD6, равное 1,8В; IR н – ток, протекающий через резистор Rн , равный 50мА. UR н = 9 – (1,8+ 1,8) = 5,4В RН
= Рассчитаем мощность резистора RН по следующей формуле: Р = IR н * UR н , (7.3) Р = 50*10-3 *5,4 = 0,27 Вт. Следовательно, выбираем резистор RН типа С2-33Н-0,5-110 Ом ± 5%-А-Д-В. Согласно схеме ПП.000 Э3 RН = R9. Рассчитаем сопротивления RФД1 и RФД2 . RФД1
= RФД2
= IR = IR фд 1 = IR фд 2 , (7.5) где IR 1 – ток, равный токам через резисторы RФД1 ,RФД2 , равный 50 мкА. RФД1
= RФД2
= 8 Расчет параметров схемы ЦАПРассчитаем делитель напряжения, обеспечивающий опорное напряжение ЦАП UR = – 2 В, реализованный на стабилитроне VD1 и резисторах R1,R2. Электрическая схема делителя представлена на рисунке 8.1.
Рисунок 8.1 – Делитель напряжения. Схема электрическая В соответствии с рисунком 8.1 в т. 1 UR = – 2 В. Известно, что резистор РМ R= 10,24 кОм, и по закону Кирхгофа имеем: IR1 = IR + IR , (8.1) где IR 1 – ток, протекающий через резистор R1, мА; IR – ток, протекающий через резистор R резисторной матрицы ЦАП, мА. Ток IR рассчитаем по формуле (8.2): IR
= где UR – напряжение на резисторе R РМ, В; R – резистор РМ, кОм. IR
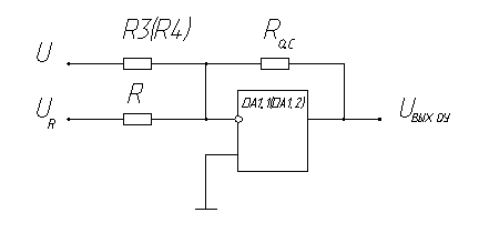
= В соответствии с формулой (8.1) определим IR 1 . IR 1 = 2*0,2 = 0,4 мА. Так как необходимо понизить напряжение с Е1 = – 12 В до UR = – 2, в качестве опорного элемента выбираем стабилитрон 2С170А с напряжением стабилизации UVD = 7 В. Для дальнейших расчетов необходимо знать ток Iст стабилитрона, при котором нормируется напряжение стабилизации, для 2С170А Iст = 10 мА. Тогда по закону Кирхгофа в т.2 имеем: IR2 = IR1 + Iст . , (8.3) где IR 2 – ток, протекающий через резистор R2,мА; Iст. - ток стабилитрона 2С170А, при котором нормируется напряжение стабилизации UVD = 7 В, мА. IR 2 = 0,4 + 10 = 10,4 мА. Тогда можем рассчитать сопротивление R2: R2 = R2 = Далее рассчитаем сопротивление R1: R1 = U2 = Е1 - UVD , (8.6) где U2 – падение напряжения на резисторе R1, равное 5В. R1 = Рассчитаем мощность R1, R2 по формуле (8.7): РR1(R2) = U2 *IR1(R2) , (8.7) PR1 = 5*0,004 = 0,02 Вт PR2 = 5*10,4*10 = 0,052 Вт Из стандартного ряда сопротивлений выбираем сопротивления R1 С2-29-0,125-12,4кОм ± 1% -А-В, R2 С2-33Н-0,125-510 ОМ ± 5% -А-Д-В. Для того, чтобы на выходах DA1.1, DA1.2 сместить напряжение на 1 В, в схему включены резисторы R3, R4. Расчет их номиналов поясняет схема, приведенная на рисунке 8.2.
Рисунок 8.2 Так как напряжение на выходах DA1.1, DA1.2 необходимо сместить на 1В, то ток, протекающий через резистор R3(R4), определим из выражения (8.8): IR
3(
R4)
= где IR 3( R4) – ток, протекающий через резистор R3(R4), мА. Зная, что IR = 0,2 мА, получим из выражения (8.8) ток IR 3( R4) : IR
3(
R4
)
= Определим значение R3(R4) из выражения (8.9): R3(R4) = где U – напряжение питания резисторов R3(R4), в соответствии с рисунком 8.2, равное 5 В. R3(R4) = Рассчитаем мощность R3(R4) по формуле (8.10): РR3(R4) = IR3(R4) * U, (8.10) РR3( R4) = 0,1*10-3 *5 = 0,005 Вт Выбираем R3(R4) = 50,5 кОм (С2-29-0,125-50,5 кОм). 9 Методика проверки9.1 Общие указания 9.1.1 Сборочные единицы приемник и аппаратура электронная должны иметь: - целостность упаковки и наличие (сохранность) пломб ОТК и ПЗ; - сопроводительную документацию, удостоверяющую их соответствие техническим условиям и конструкторской документации; - клеймо ОТК 1 и представителя заказчика (свидетельство о приемке). 9.1.2 Проверкам, приведенным в настоящем разделе, подвергаются все поставляемые сборочные единицы. 9.1.3 Все проверки проводятся в нормальных климатических условиях, которые характеризуются следующими значениями: - температура воздуха от 15 до 35 °С; - относительная влажность воздуха от 45 до 80%; - атмосферное давление от 645 до 795 мм рт. ст. 9.1.4 Соблюдать меры защиты от статического электричества согласно инструкциям, действующим на предприятии и разработанным на основе ОСТ 92-1615-74. 9.1.5 Электрические проверки должны проводиться на аттестованных рабочих местах лицами, прошедшими аттестацию и изучившими правила эксплуатации используемых приборов, правила техники безопасности при работе с электрооборудованием. 9.1.6 По методике п.9.4 проверяются одновременно приемник и аппаратура электронная. Допускается в случае необходимости заменять одну из сборок технологической. В случае проведения входного контроля только приемников, проверки по п.п.9.4.9.- 9.4.13 (проверка работы блокировки) не проводить. 9.1.7 Допускается проведение проверок по п. 9.4 без перерывов на остывание пневмораспределителей отсеков рулевых приводов (ОРП). Через каждые 200 проверок следует проверять ОРП. 9.1.8 На импульсных источниках питания (типа Б5-46,Б5-48) выставить максимальный ток стабилизации. 9.1.9 При проверках по п. 9.4 входы вольтметра должны быть отключены от заземления. 9.1.10 Контрольно-измерительная аппаратура должна быть проверена, а нестандартное оборудование – аттестовано. 9.1.11 Перечень контрольно-измерительной аппаратуры, используемой при проверках электрических параметров, приведен в таблице 9.1. Таблица 9.1
9.1.12 Перечень нестандартного оборудования приведен в таблице 9.2. Таблица 9.2
9.1.13 Сборочные единицы, прошедшие все проверки и соответствующие данным требованиям, маркируются. 9.2 Подготовка рабочего места для проведения электрических проверок 9.2.1 Собрать рабочее место согласно функциональной схеме, приведенной в графической части. 9.2.2 Установить тумблер SA1 на пульте проверки в положение ВКЛ. 9.1.3 Установить на источниках питания ИП1 – ИП4 напряжение от 11 до 13 В; на ИП5 – от 5 до 5.5 В; на ИП6 – от 49.5 до 50.5 В. 9.2.4 Включить источники питания. 9.2.5 Подготовить к работе пульт проверки КПА. а) установить на входном зрачке приемника, мощность излучения (P0 ) в пределах (0.6-1.1)*10-6 Вт, при этом измеритель мощности должен быть без объектива. б) включить вольтметр, подготовить его к работе согласно техническому описанию на него. в) установить технологическую аппаратуру электронную в контактное устройство (КУ) согласно методике установки аппаратуры электронной. Аппаратура с технологическим разъемом подключается к кабелю №5 без контактного устройства. г) на пульте КПА нажать кнопку «ЗАПУСК» и регулировкой выходного напряжения ИП1 и ИП2 установить между гнездами «0 В-ОС» и «-12 В-ОС» напряжение минус (12±0.5) В, а между гнездами «0 В-ОС» и «+12В-ОС» напряжение (12±0.5) В, нажать кнопку «СБРОС». д) отсоединить технологическую сборку. 9.3 Методы проверок 9.3.1 Проверка комплектности сборочной единицы (приемника). а) проверить целостность упаковки, наличие и сохранность пломб ОТК и ПЗ. б) в комплект поставки должны входить: - приемник; - паспорт; - упаковка. в) проверить правильность оформления паспорта приемника. 9.3.2 Проверка внешнего вида маркировки и клеймения сборочной единицы (приемника). а) извлечь приемник излучения (ПИ) из упаковки. б) проверить наличие клейм ОТЗ и ПЗ на приемнике. в) проверить маркировку; она должна содержать наименование ПИ, заводской номер и дату изготовления. 9.3.3 Проверка комплектности сборочной единицы (аппаратуры электронной). а) проверить целостность упаковки, наличие и сохранность пломб ОТК и ПЗ. б) в комплект поставки должны входить: - аппаратура электронная; - паспорт; - упаковка. в) проверить правильность оформления паспорта аппаратуры. 9.3.4 Проверка внешнего вида, маркировки и клеймения сборочной единицы (аппаратуры электронной). а) извлечь аппаратуру электронную (АЭ) из упаковки. б) проверить наличие клейм ОТК и ПЗ на аппаратуре. в) проверить маркировку; она должна содержать наименование АЭ, заводской номер и дату изготовления; место и способ нанесения должны соответствовать сборочному чертежу. г) проверить внешний вид на соответствие сборочному чертежу. 9.4 Проверка электрических параметров приемника и аппаратуры электронной. Проверки проводятся на подготовленном рабочем месте. 9.4.1 Подключить проверяемую АЭ к контактному устройству по методике установки аппаратуры электронной в контактное устройство. Методика установки аппаратуры электронной в контактное устройство- установить контактное устройство (КУ) на ровную горизонтальную поверхность; - вывинтить 2 винта, удерживающих прижимную планку на КУ; - снять прижимную планку; - разместить аппаратуру электронную (АЭ) над отверстием в металлическом основании КУ, совместив выводы АЭ с контактными площадками КУ (первый вывод с первой контактной площадкой); - установить прижимную планку с винтами над контактными площадками; - прижать планку рукой и завинтить винты, не допуская перекоса планки; 9.4.2 Подключить проверяемый приемник к разъему ПИ пульта. 9.4.3 Установить тумблер SA1 на пульте в положение ВКЛ. 9.4.4 Установить тумблер SA2 на пульте в положение «1». 9.4.5 Нажать кнопку «ЗАПУСК» пульта КПА. 9.4.6 По окончании работы программы на пульте КПА должен гореть индикатор «НОРМА». 9.4.7 На пульте КПА нажать кнопку «СБРОС». 9.4.8 Установить тумблер SA1 на пульте в положение «ВЫКЛ». Действия, совершаемые по п.п.9.4.9 -9.4.12, необходимо завершить в течение 35 с после нажатия кнопки «ЗАПУСК» на пульте, т.к. питание на проверяемые сборки подается на 35 с; в случае необходимости повторного включения питания нажать кнопки «СБРОС» и «ЗАПУСК». 9.4.9 На пульте КПА нажать кнопку «ЗАПУСК» – показания вольтметра должны быть от минус 0.01 до 0.01 В. 9.4.10 Нажать 6 раз кнопку SA3 на пульте, контролируя показания вольтметра после каждого нажатия – они должны быть от минус 0.01 до 0.01 В до шестого нажатия, а после шестого должен загореться светодиод «-12 В МР». 9.4.11 Установить тумблер SA2 на пульте в положение «2» - показания вольтметра должны быть от 0.3 до 1.1 В. 9.4.12Нажать еще 10 раз кнопку SA3 на пульте, контролируя показания вольтметра после каждого нажатия – они должны быть от 0.3 до 1.1 В. 9.4.13 На пульте нажать кнопку «СБРОС». 9.4.14 Отсоединить приемник и АЭ. Примечание – По окончании каждой проверки по п. 9.4 автоматически происходит переключение между двумя, подключенными к пульту отсеками рулевого привода (ОРП). 9.5 Контрольно-проверочная аппаратура Контрольно-проверочная аппаратура (КПА) предназначена для контроля специзделия 9М133 для работы при следующих условиях эксплуатации: - температура окружающего воздуха от плюс 10 до плюс 35 ° С; - относительная влажность воздуха при температуре плюс 25 ° С должна быть не более 80%; - атмосферное давление от 85 106 кПа ( от 720 до 780 мм рт. ст.). 9.5.1 Основные технические данные и характеристики КПА 9.5.1.1 Питание КПА осуществляется от четырех источников постоянного тока: Е1 = +12 В +3,5 В -1,0 В Е2 = - 12 В +1,0 В - 3,5 В Е3 = +(5 - 5,5) В Е4 = + 50В ±1 В (питание излучателя) два дополнительных источника (Е5 и Е6) могут использоваться для питания специзделия независимо от КПА. Е5 = +12 В +3,5 В - 1,0 В Е6 = - 12 В +1,0 В - 3,5 В Потребляемый КПА ток по цепям: Е1 – не более 200 мА (не более 3 А при контроле специзделия); Е2 – не более 200 мА (не более 2,5 А ); Е3 – не более 1А; Е4 – не более 100 мА; Е5 – не более 3А; Е6 – не более 2,5А. В качестве источников напряжения используются стандартные источники питания. 9.5.1.2 КПА осуществляет формирование двух сигналов ФД1 и ФД2 (СД1 и СД2) с периодом: 344,83 мс ± 0,35 мс; 172,41 мс ± 0,17 мс; 138,89 мс ± 0,14 мс; 57,47 мс ± 0,06 мс. Форма сигналов – меандр. ФД1 на 90° С опережает ФД2. 9.5.1.3 КПА осуществляет формирование и подачу на специзделие релейных команд: ЛИТЕРА, ИНВЕРТИРОВАНИЕ. 9.5.1.4 КПА осуществляет формирование импульсных световых сигналов: - с фиксированной величиной команды К = 0; - с фиксированной величиной команды К = +0,25; - с величиной команды, изменяющейся от К = -1,0 до К = +1,0 по синусоидальному ступенчатому закону с частотой 0,25Гц ± 0,025 *10-2 Гц и периодом дискретизации 20,8 мс ± 0,0208 мс. 9.5.1.5 КПА осуществляет контроль наличия сигнала «Выход батареи на режим» (параметр 12В) и при контроле специзделия в процессе ПИ при достижении плюсовой секции бортовой батареи напряжения 11+0,2 В происходит запуск КПА. 9.5.1.6 КПА осуществляет контроль величины команды на выходе специзделия. Контроль проводится в нечетные периоды сигнала ФД1. Точки контроля и допуски на значения величины команд представлены в ТУ на КПА. 9.5.1.6 Контроль специзделия с помощью КПА осуществляется автоматически с индикацией «НОРМА»/«ОТКАЗ» по параметрам: 12В, «КОМАНДА». Индикатор «ОТКАЗ» будет включен, если в результате проверки выявлено более пяти отказавших точек. 9.5.1.7 Выходная импульсная мощность излучателя не менее 0,5* 10 -2 Вт, длительность по уровню 0,5*Uи м п в пределах 70 – 110 нс, при этом обеспечивается мощность излучения на входе приемника излучения специзделия (на входном отверстии изделия) в диапазоне 1*10 –6 Вт – 8 *10 –3 Вт. Указанный диапазон устанавливается с помощью сменных светофильтров. 9.5.2 Состав комплекта КПА указан в таблице 9.3. Таблица 9.3
9.5.3 Порядок работы с КПА 9.5.3.1 Назначение органов управления. На передней панели КПА расположены: - тумблер «ВКЛ/КПА» с индикатором «ПИТ», предназначенный для включения и выключения КПА; - тумблер «ОТЛАДКА»/«РАБОТА», предназначенный для установки двух режимов работы. Режим «ОТЛАДКА» используется только при настройке КПА; - тумблер «СК»/«КОНТРОЛЬ», предназначенный для установки двух режимов работы: самоконтроля КПА и контроля изделия; - тумблер «ПИ»/«ПСИ», предназначенный для установки двух режимов работы: ПИ – режим контроля изделий при периодических испытаниях, ПСИ – режим контроля изделий при приемо-сдаточных испытаниях; - тумблер «–Т0 »/«+Т0 », предназначенный для установки двух режимов работы: «-Т0 » – режим контроля изделий при отрицательных температурах; «+Т0 » – режим контроля изделий при положительных температурах; - тумблер «ВКЛ»/«КОНТР.ПИТ.», предназначенный для включения и выключения контроля напряжений ± 12 В, питающих изделие; - тумблер «Р2»/«Р1», предназначенный для переключения двух режимов индикации команд: индикация только значений, вышедших за поле допуска, и индикации всех измеренных значений; - тумблер «ФД»/«СД», предназначенный для переключения двух режимов управляющих сигналов: «ФД» и «СД»; - кнопка «ЗАПУСК» и индикатор, предназначенные для включения режима контроля изделия или «СК» КПА. Включенный индикатор свидетельствует о подключении изделия к источникам питания; - кнопка «СБРОС», предназначенная для установки режима готовности КПА к контролю; - индикатор «ГОТОВ», предназначенный для контроля готовности КПА к проверке; - индикатор «ОТКАЗ 12В», предназначенный для фиксации отсутствия сигнала «Выход батарей на режим»; - индикаторы «–y», «-z», «y», «z», «КОМАНДА», «NФД », «НОРМА», «ОТКАЗ» предназначенные для фиксации результатов контроля величины команд по периодам ФД; - кнопки «+»/«-» и соответствующие им индикаторы, предназначенные для возможности поочередного фиксирования всех измеренных значений команд на одном индикаторе. - На задней панели КПА расположены: - разъем ИП, предназначенный для подключения питающих напряжений; - разъем ОТЛАДКА, предназначенный для настройки КПА; - разъем, предназначенный для подстыковки изделия; - высокочастотный излучатель, предназначенный для подстыковки излучателя; - гнезда, предназначенные для визуального контроля выходных сигналов изделия и сигналов КПА с помощью стандартной измерительной аппаратуры. - тумблер 6ИП/4ИП, предназначенный для работы КПА от четырех или от шести источников питания. 9.5.3.2 Исходное положение органов управления В исходном состоянии органы управления должны находиться в следующем положении: - тумблер «ВКЛ»/«КПА» – в положении КПА; - тумблеры «СК»/«КОНТР», «ПИ»/«ПСИ», «-Т0 »/«+Т0 », «Р2»/«Р1», «ФД»/«СД», «6ИП»/«4ИП» – в положении, соответствующем выбранному режиму работы; - тумблер «ВКЛ»/«ФД» – в положении «ФД», если тумблер «ФД»/«СД» - в положении «ФД», и в положении «ВКЛ», если тумблер «ФД»/«СД» - в положении «СД». Установка указанного тумблера в положение «ВКЛ» при установленном в положении «ФД» тумблера «ФД»/«СД» производится только в случаях специально оговоренных; - тумблер «ВКЛ»/«КОНТР.ПИТ.» – в положении «ВКЛ». Установка указ0анного тумблера в положение «КОНТР.ПИТ.» производится только в том случае, когда необходимо произвести запитку изделия напряжениями питания выше тех, которые указаны в п.п.4.2.1 при работе от четырех источников питания; - тумблер «ОТЛАДКА»/«РАБОТА» – в положении «РАБОТА». Установка указанного тумблера в положение «ОТЛАДКА» осуществляется только при настройке и ремонте КПА. Установка КПА в необходимый режим работы в соответствии с положением органов управления осуществляется только при включении питания и после нажатия кнопки «СБРОС». Установка режимов Р1 или Р2 допускается в любое время работы. 9.5.3.3 Проверка работоспособности КПА в режиме самоконтроля - собрать схему проверки; - установить органы управления в соответствии с п.4.3.2, тумблер «СК»/«КОНТР»; - установить в положение «СК»; - включить источники питания Е1, Е2, Е3 предварительно установив на них соответственно Е1 = +12В ± 1В; Е2 = -12В ± 1В; Е3 = +(5 – 5,5) В. ВНИМАНИЕ! При выключенном тумблере «ВКЛ/КПА» КПА потребляет по цепям +12В и –12В около 100мА за счет схемы контроля напряжений питания; - установить тумблер «ВКЛ/КПА» в положение ВКЛ. При этом должны загореться индикаторы «ПИТ» и «ГОТОВ». При включении питания КПА возможны кратковременные выключения любого индикатора; - нажать кнопку «ЗАПУСК». При этом индикатор «ГОТОВ» выключится, а включится вначале индикатор «9М133», затем индикатор «ОТКАЗ» 12В; - примерно через 40 с индикатор «9М133» выключится, а включатся индикаторы «НОРМА» и «–Y». Цифровые индикаторы должны при этом показывать: «NФД » – 001, «КОМАНДА» – 43,10 ± 0,01; - для повторного цикла необходимо предварительно нажать кнопку «СБРОС» (или выключить и вновь включить тумблер «ВКЛ/КПА»). 10 Конструкторско-технологическая часть10.1 Разработка печатной платы управления В данном разделе рассматривается разработка печатной платы на персональном компьютере с помощью системы автоматизированного проектирования P-CAD. 10.1.1 Выбор системы проектирования. Внедрение в инженерную практику методов автоматизации проектирования позволяет перейти от традиционного макетирования разрабатываемой аппаратуры к ее моделированию с помощью персональных компьютеров (ПК). Кроме того, с помощью ПК возможно осуществить цикл сквозного проектирования, включающий в себя: – синтез структуры и принципиальной схемы устройства; – анализ его характеристик в различных режимах с учетом разброса параметров компонентов; – синтез топологии, включая размещение элементов на плате или кристалле и разводку соединений; – верификацию топологии; – выпуск конструкторской документации. Для большинства устройств их структура и принципиальная схема в существенной степени зависят от области применения и исходных данных на проектирование, что создает большие трудности при синтезе принципиальной схемы с помощью ПК. Поэтому обычно первоначальный вариант схемы составляется инженером «вручную» с последующим моделированием и оптимизацией на ПК. Топология печатной платы (ПП) разрабатывается после завершения схемотехнического моделирования. На этом этапе проектирования осуществляется размещение элементов на ПП и трассировка соединений. Наиболее успешно разрабатываются ПП цифровых устройств, где вмешательство человека в процесс синтеза топологии сравнительно невелико. Разработка аналоговых устройств требует гораздо большего участия человека в процессе проектирования, коррекции и при необходимости в частичной переделке результатов автоматизированного проектирования. Основная сложность при разработке аналоговой аппаратуры заключается в автоматизации синтеза топологии и обеспечении взаимодействия программ моделирования схем и синтеза топологии. Кроме того, достаточно формализовать многочисленные дополнительные требования к аналоговым устройствам, например, требование электромагнитной совместимости компонентов и др. Заключительным этапом разработки является верификации топологии. На нем проверяются соблюдение технологических норм, соответствие топологии исходной принципиальной схеме, а также рассчитываются электрические характеристики схемы с учетом паразитных параметров, присущих конкретной конструкции. Приведем краткий обзор наиболее известных комплексов программ автоматизированного проектирования ПП на ПК. Один из самых простых пакетов программ конструкторского проектирования – пакет smARTWORK фирмы «WintekCorp.», который включает в себя графический редактор двухсторонней ПП, программу ручной и автоматической трассировки соединений и программу выдачи чертежей на плоттер. Большими функциональными возможностями обладает пакет «OrCADSystemCorp.», в котором имеется графический редактор принципиальных схем и ПП, а также программы моделирования цифровых устройств и трассировки соединений (однако программа автоматического размещения компонентов отсутствует). Привлекательность этому пакету придают удобный графический редактор и возможность перекодирования списка соединений схемы в формат таких программ, как P-CAD, Pspice и др. Система PersonalLogical фирмы «SaisySystemCorp.» позволяет проектировать цифровые устройства, включая микропроцессоры, контроллеры и устройства памяти. Большие успехи достигнуты в создании САПР цифровых устройств на базе программируемых логических матриц (ПЛМ). Разработка ПЛМ возможна с помощью системы P-CAD и последних разработок фирмы «OrCADSystemCorp.». Известны также и отечественные разработки «МАГИСТР-П», «Минск ПК», «ГРИФ», «ГРОТЕСК» и ряд других. Для проектирования ПП была выбрана одна из самых мощных систем автоматизированного проектирования на ПК – система P-CAD фирмы «PersonalCADSystem». В нее входят редакторы принципиальных схем и многослойных ПП, программы моделирования цифровых устройств, автоматического размещения компонентов на ПП и трассировки соединений, выдачи чертежей на принтер, плоттер, фотопостроитель, выдачи данных на сверлильные станки с ЧПУ, а также вспомогательные сервисные программы. Доработка чертежей, созданных в системе P-CAD, в соответствии с требованиями ЕСКД осуществлялась в пакете машинной графики AutoCAD фирмы «Autodesk». 10.1.2 Функциональные возможности и структура системы проектирования P – CAD (2001) Система P – CAD позволяет выполнить следующие проектные операции: – создание условных графических обозначений элементов принципиальной электрической схемы (УГО) и их физических образов (конструктивов); – графический ввод чертежа принципиальной электрической схемы и конструктивов проектируемого устройства; – одно- и двухстороннее размещение разногабаритных элементов с планарными и штырьевыми площадками на поле ПП с печатными шинами питания в интерактивном и автоматическом режимах; – ручную и автоматическую трассировку печатных проводников произвольной ширины в интерактивном режиме; – размещение межслойных переходов; – автоматизированный контроль результатов проектирования ПП на соответствие принципиальной электрической схемы и конструкторско-технологическим ограничениям; – автоматическую коррекцию электрической принципиальной схемы по результатам размещения элементов на ПП (после эквивалентной перестановки компонентов или их выводов); – полуавтоматическую коррекцию разработанной ПП по изменениям, внесенным в принципиальную электрическую схему; – выпуск конструкторской документации (чертеж электрической принципиальной схемы, сборочный чертеж) и технологической информации (фотошаблоны и файлы данных для сверления отверстий с помощью станков с ЧПУ) на проектируемую ПП. Программный комплекс системы P-CAD 2001 включает в себя взаимосвязанные пакеты программ. В состав входят: - SymbolEditor – редактор условных графических обозначений элементов принципиальной электрической схемы; - PatternEditor – редактор физических образов компонентов РЭА; - LibraryExecutive – программа создания библиотек компонентов; - Schematic – редактор электрических принципиальных схем; - PCB – программа для создания чертежа печатной платы; - P – CADShapeRoute – автоматический трассировщик плат. 10.1.3 Процесс проектирования печатной платы Процесс проектирования ПП состоит из нескольких этапов. На каждом из них используется отдельные модули системы P-CAD. Перейдем к систематическому описанию основных этапов проектирования ПП. Этап 1. Создание условных графических обозначений элементов принципиальной электрической схемы. Этап 2. Создание физических образов компонентов РЭА. Этап 3. Создание библиотеки компонентов РЭА. Этап 4. Создание чертежа принципиальной электрической схемы, составление списков электрических связей схемы и проверка схемы. Этап 5. Размещение компонентов на ПП вручную или автоматически и интерактивно с помощью программы. Этап 6. Трассировка соединений с помощью программы P – CADShapeRoute. Этап 7. Работа со вспомогательными программами (утилитами) для верификации ПП, сопоставление чертежей принципиальных электрических схем и ПП и внесение в них изменений. Этап 8. Выпуск конструкторской и технологической документации. 10.1.4 Создание чертежа печатной платы. Перед размещением компонентов на ПП необходимо с помощью программы РСВ: – нарисовать форму ПП; – нарисовать поле трассировки; – разместить размеры и другие компоненты, расположение которых должно быть зафиксировано; – присвоить позиционные обозначения зафиксированным компонентам; – установить элементы крепления; – нанести барьеры трассировки; Программа РСВ создает барьеры, запрещающие программе P – CADShapeRoute трассировать в автоматическом режиме проводники и располагать переходные отверстия в определенных областях ПП. Необходимость в этом возникает в случае, если по технологическим требованиям на части ПП не могут размещаться ни проводники, ни переходные отверстия. Различаются два типа барьеров: барьеры для проводников и барьеры для переходных отверстий. Барьеры для проводников запрещают программе размещать проводники и переходные отверстия в области, ограниченной барьером. Барьеры для переходных отверстий запрещают программе размещать переходные отверстия в отмеченной области, но допускают прокладку в них проводников. Автоматизированное получение топологии (трассировки) ПП – один из ответственных этапов проектирования РЭА. Непосредственно перед запуском программы трассировки производится настройка пакета на определенные параметры, совокупность которых образует стратегию трассировки. Настраиваемые параметры условно разделяются на следующие группы: 1. Настройка самого пакета автотрассировки: – задание числа пар слоев; – выбор шага сетки (1,25 мм); – выбор типа алгоритма трассировки; – задание числа итераций (число проходов программы) и т.д. 2. Приведение в соответствие типов используемых контактов и графических образов контактных площадок. 3. Выбор ширины трассируемых проводников (0,5мм) и минимального расстояния между ними (0,3 мм). После завершения формирования стратегии запускается программа трассировки. В соответствии с заданной стратегией просматриваются и выбираются связи, ведется поиск пути их соединения, проводится связь. Неразведенные связи оставляются до следующего прохода программы, в котором идет просмотр оставшихся неразведенными связей и ведется попытка их соединить. Пользователь может на экране наблюдать работу программы. Результат автоматической трассировки ПП с помощью программы P – CADShapeRoute представлен в графической части на чертежах ПП 011, ПП 021. В результате проектирования были разработаны две двухсторонние ПП, имеющие габаритные размеры 112,5х132,5 мм и 92,5х75 мм. 10.2 Технологический процесс изготовления печатной платы Под технологичностью конструкции понимают такое свойство определенных узлов и деталей изделия, которое позволяет изготовить это изделие с наименьшими затратами. Технологичность конструкции включает в себя: - возможность применения в новом изделии стандартных и унифицированных частей. - возможность применения автоматизации и механизации при изготовлении изделия. - наименьшую трудоемкость изготовления изделия. Изготовление печатной платы производится печатным способом. При серийном производстве любой электрической схемы лучше пользоваться печатным монтажом. Печатная плата представляет собой твердую пластину из непроводящего материала с тонкими медными линиями, являющимися схемными проводниками. Несмотря на то, что ранние печатные схемы считались малонадежными, технологические процессы создания материалов для печатной схемы и производства законченных плат достигли в настоящее время такого уровня, что изготовление печатной схемы практически не представляет проблемы. Печатные платы являются самой надежной техникой монтажа и, как правило, используются в компьютерах, в космических аппаратах, в военной электронной технике. Печатный монтаж технологически совершеннее навесного. Установка и пайка элементов на печатной плате поддается автоматизации, что ведет к уменьшению стоимости изделия. Печатный монтаж имеет повышенную надежность, хорошую повторяемость параметров монтажа, что уменьшает продолжительность пайки, и соединение получается наиболее герметичным. Процесс изготовления печатной платы ведется комбинированным позитивным методом. При этом методе диэлектрик защищен от воздействия агрессивных сред (растворов) сплошным слоем фольги, что обеспечивает сцепление проводников с изоляционным основанием более качественно, чем у других методов. Метод позволяет изготовлять печатные платы с повышенной плотностью монтажа и высокими электрическими параметрами. Недостаток метода состоит в некотором ухудшении свойств материала подложки в результате воздействия химических веществ в процессе травления фольги. В целом метод рекомендуется для изготовления печатных плат для аппаратуры, работающей в жестких климатических условиях эксплуатации. Изготовление печатной платы начинается с того, что, имея комплект плакатов рабочего размера, вычерчивают непрозрачный рисунок из треков и контактных площадок, требуемых по схеме. Эти плакаты обычно выполняют непосредственно на пленке, используя фото-графопостроитель, управляемый ЭВМ, или лазерный графопостроитель, работающий по описанию схемы, разработанной с помощью системы автоматизированного проектирования (САПР). Для самых простых схем используют односторонние платы, в которых все дорожки делаются на нижней стороне, а на верхней располагают схемные элементы. Для более сложных схем используют двухсторонние ПП. В двухсторонних платах используют металлизированные переходные отверстия, которые являются чистыми проводниками между соответствующими контактными площадками, расположенные по разные стороны панели. Обе стороны платы печатной схемы (обычно это пластина толщиной 2мм из так называемого FR-4, огнеупорного стекловолокна, пропитанного эпоксидной смолой) покрывают медью. На первой стадии сверлятся отверстия либо по трафарету, либо на автоматическом сверлильном станке, настроенном по размерам фотопозитива, полученного с помощью фотоплотера. Отверстия затем металлизируются насквозь путем комбинированного многослойного осаждения меди, благодаря чему создаются непрерывные проводящие соединения с одной стороны платы на другую. Следующая стадия заключается в создании слоя твердого «резиста», наносимого на обе стороны платы всюду, кроме тех участков, где согласно схеме фольга должна остаться. При этом поступают так: - плату покрывают светочувствительным слоем (обычно это тонкая клейкая «сухая пленка»); - экспонируют светом через полноразмерный фотопозитив, положенный сверху; - химически «проявляют» пленку (как в обычной фотографии), чтобы закрепить экспонированные участки. Этот этап аналогичен фотографическому процессу «фиксирования» с последующим удалением неэкспонированных участков, которые в точности соответствуют линиям плаката. Эти линии, в конечном счете, должны стать схемными дорожками. Затем плату с рисунком из резиста, защищающего участки, с которых медную фольгу нужно будет удалить, погружают в ванну с расплавленным припоем. В итоге все нужные участки рисунка из фольги, включая внутреннюю поверхность отверстий, оказывается покрытыми слоем припоя. Затем резист снимается химическим способом, оголяя удаленную медную фольгу, и плату обрабатывают составом, травящим медь, после чего остается требуемый рисунок из меди и металлизированные отверстия, покрытые припоем. Очень важно выполнить процедуру, называемую «плавление припоя». Она состоит в том, что плата нагревается до температуры плавления тонкого слоя металла покрытия, что уничтожает крошечные металлические волоски – «усики» (остающиеся после подрезающего действия травления). Платы, прошедшие оплавление припоя, превосходны и с точки зрения «набивки» компонентами. Затем контакты разъемных соединений покрывают золотом гальваническим методом. Конечный процесс изготовления платы заключается в нанесении «паяльной маски». Маска наносится сплошным слоем на всю плату и закрывает все участки с фольгой, кроме контактных площадок. В процессе последующей распайки это сильно снижает тенденцию к растеканию припоя и образованию мостиков между близко расположенными проводящими дорожками. Это также делает плату устойчивой к влажности и механическим повреждениям. Материалы для паяльной маски могут применяться в трафаретной печати («жидкая маска») или в вышеупомянутом методе с фоторезистом, используемым для создания схемного рисунка из фольги («сухая маска»). При промышленном изготовлении платы заполнение ее компонентами и пайка типа «волной» может производиться автоматически. Однако можно паять и компоновать панели в ручную. Полный технологический процесс описан в ОСТ 410.054-223. 1.Изготовление заготовки фольгированного диэлектрика. 2.Выполнение базовых отверстий. 3.Подготовка поверхностей заготовок фольгированного диэлектрика. 4.Получение рисунков схемы на заготовке печатной платы. 5.Нанесение светочувствительного раствора на поверхность заготовки. 6.Сушка. 7.Нанесение второго слоя светочувствительного раствора. 8.Сушка. 9.Проверка качества нанесения светочувствительного раствора. 10. Экспонирование изображения рисунка. 11. Проявление рисунка. 12. Окраска изображения. 13. Промывка. 14. Проверка качества проявления. 15. Химическое задубливание. 16. Промывка. 17. Сушка. 18. Температурное задубливание. 19. Проверка качества и точности выполнения рисунка схемы. 20. Нанесение лака. 21. Зачистка поверхности. 22. Промывка. 23. Декопирование. 24. Промывка. 25. Сушка. 26. Нанесение слоя лака. 27. Сушка. 28. Нанесение слоя лака. 29. Сушка. 30. Проверка качества нанесения лака. 31. Сверление отверстий. 32. Химическое меднение. 33. Обезжиривание печатной платы. 34. Промывка. 35. Протравливание поверхности меди на торцах контактной площадки. 36. Промывка. 37. Декопирование. 38. Промывка. 39. Сенсибилизация поверхности заготовок. 40. Промывка. 41. Активизирование. 42. Промывка. 43. Химическое меднение. 44. Промывка. 45. Проверка качества слоя меди в отверстиях. 46. Удаление масла. 47. Оплавливание. 48. Проверка качества слоя меди в отверстиях. 49. Отработка печатных плат по контуру. 50. Маркировка. 51. Контроль. Сборочные чертежи печатных плат представлены в графической части ПП.010 СБ, ПП.020 СБ. Сборочный чертеж пульта проверки представлен в графической части ПП.000 СБ. Плата печатная поз.1 расположена над платой печатной поз.2 датчиком крена поз.3 внутри основания поз.8. Платы крепятся к основанию посредством втулок поз.12 винтами поз.31 и гайками поз.38, датчик крена – винтами поз.27. Крышка крепится к основанию посредством втулок поз.10 винтами поз.33. Сбоку основания расположены разъемы Х3,АЭ и ПИ поз.44, а также вилка поз.46 (Х4) и через провода поз.52, расположенные в трубке поз.55, соединены с платами печатными поз.25 (Х6,Х7). На крышке поз.9 расположены тумблеры поз.43 (SA1,SA2), переключатель поз.41 (SA3), светодиод поз.4, а также зажимы поз.48,49 (XS1…XS6). 11 Организационно-экономическая частьСоставление и расчет сетевого графика выполнения дипломного проекта Будем исходить из того, что на дипломное проектирование студенту отводится четыре месяца. Этот период продолжительностью порядка 120 календарных дней является самым ответственным этапом вузовского обучения. Для удобства планирования выполнения дипломного проекта составляется сетевой график.
Рисунок 11.1. Сетевой график Для составления сетевого графика необходимо определить его основные временные параметры: ранние и поздние сроки наступления событий По выполненным расчётам составляется картотека событий (Таблица 11.1) и картотека работ (Таблица 11.2). Таблица 11.1 Картотека событий
На основании рассчитанных числа исполнителей и продолжительности этапов и видов работ строится сетевой график выполнения ОКР, результаты расчётов приведены в таблице Таблица 11.2 Картотека работ
Критический путь - это путь от исходного события сети до завершающего, имеющий наибольшую продолжительность. Его величина определяет сроки выполнения всего комплекса работ. Изменение продолжительности любой работы, лежащей на критическом пути, соответственно удлиняет или сокращает срок наступления завершающего события. В сети таких путей может быть не один, а несколько. В крупных сетях работ критического пути около 5% общего количества. Следовательно, сокращение только 5% работ сказывается на продолжительности всей разработки. Упрощенная оценка средней продолжительности работы
где Для каждого события в сетевом графике существуют два срока свершения: ранний - Ранний срок свершения события - это срок, необходимый для выполнения всех работ, предшествующих данному событию, т.к. это событие свершится только тогда, когда будут выполнены все работы, для которых оно является конечным (рисунок 2).
Рисунок 11.2. События и работы
Поздний срок свершения события - это такой срок, превышение которого вызовет аналогичную задержку наступления завершающего события графика. Поэтому расчет поздних сроков свершения событий осуществляется после нахождения критического пути по принципу, представленному на рис.3.
Рисунок 11.3. События и работы
Резерв времени события
Полный резерв времени работы
Важным свойством этого резерва является то, что он может быть распределен между работами, лежащими на следующем пути, т.е. он является резервом всего последующего пути. Свободный резерв времени работы
Резервы времени работы позволяют маневрировать сроками начала и окончания работ, устанавливая наиболее благоприятные сроки выполнения работы с точки зрения рациональной загрузки ресурсов, выделяемых на достижение конечной цели. Резервами работ можно пользоваться также для выявления критического пути. Представляя цепную связь работ, он проходит по работам, не имеющим резервов. Одними из важнейших операций при анализе рассчитанных параметров сетевого графика являются определение коэффициентов напряженности работ и вероятности свершения завершающего события в заданный срок. Коэффициент напряженности работы
где через работу
совпадающего с критическим путем. Чем ближе коэффициент напряженности к 1, тем сложнее выполнить данную работу в установленные сроки. Чем ближе коэффициент напряженности к 0, тем большим относительным резервом обладает максимальный путь, проходящий через данную работу. При необходимости оптимизации сетевого графика в первую очередь следует использовать резервы работ, имеющих минимальные коэффициенты напряженности. Существует несколько методов расчета параметров сетевого графика, из ручных методов наиболее удобным является табличный. Для приведенного ранее примера расчет параметров сетевого графика представлен в табл. 11.3. Таблица 11.3 Расчет параметров сетевого графика
Следовательно, длина критического пути равна 115,5 дня. Критический путь при этом проходит через события 0 ® 1 ® 2 ® 3 ® 8 ® 9 ® 11 ® 12 ® 13 ® 14 ® 15 ® 16 ® 17 ® 18 ® 19 ® 20 ® 23 ® 24 ® 25. Затраты на выполнение работ составляют 5134 рублей. Расчет вероятности наступления завершающего события в заданный срок совершенно необходим, когда установленный директивный срок Вероятность
где
где
n = 20 - число работ критического пути;
Для величины Оптимизация сетевого графика в зависимости от полноты решаемых задач может быть разделена на частную и комплексную. Видами частной оптимизации являются: минимизация стоимости всего комплекса работ при заданном времени выполнения проекта (табл. 11.4), минимизация времени выполнения разработки при заданной ее стоимости. Комплексная оптимизация - это нахождение оптимума в соотношениях величин затрат и сроков выполнения проекта.(табл. 11.5). При использовании метода "время-стоимость" предполагают, что уменьшение продолжительности работы пропорционально возрастанию ее стоимости. Самый очевидный вариант частной оптимизации сетевого графика с учетом стоимости предполагает использование резервов времени работ. Продолжительность каждой работы, имеющей резерв времени, увеличивают до тех пор, пока не будет исчерпан этот резерв или пока не будет достигнуто верхнее значение продолжительности При этом стоимость выполнения проекта равная до оптимизации
уменьшится на величину
Продолжительность каждой работы целесообразно увеличить на величину такого резерва, чтобы не изменить ранние (ожидаемые) сроки наступления всех событий сети, т.е. на величину свободного резерва времени Таблица 11.4 Оптимизация параметров сетевого графика по снижению затрат на проектирование
Следовательно, длина критического пути равна 115,5 дням. Критический путь при этом проходит через события 0 ® 1 ® 2 ® 3 ® 4 ® 8 ® 9 ® 11 ® 12 ® 13 ® 14 ® 15 ® 16 ® 17 ® 18 ® 19 ® 20 ® 23 ® 24 ® 25. Затраты на выполнение работ составляют 5021,5 рубля. Таблица 11.5 Оптимизация параметров сетевого графика по снижению времени на проектирование
Следовательно, длина критического пути равна 92 дням. Критический путь при этом проходит через события 0 ® 1 ® 2 ® 3 ® 4 ® 8 ® 9 ® 11 ® 12 ® 13 ® 14 ® 15 ® 16 ® 17 ® 18 ® 19 ® 20 ® 23 ® 24 ® 25. Затраты на выполнение работ составляют 5884 рубля. Минимизация времени выполнения разработки совершенно необходима, если при анализе вероятности наступления завершающего события в заданный срок получают Таблица 11.6 Комплексная оптимизация параметров сетевого графика
Следовательно, длина критического пути равна 92 дням. Критический путь при этом проходит через события 0 ® 1 ® 2 ® 3 ® 4 ® 8 ® 9 ® 11 ® 12 ® 13 ® 14 ® 15 ® 16 ® 17 ® 18 ® 19 ® 20 ® 23 ® 24 ® 25.. Затраты на выполнение работ составляют 5571,5 рубля. Проведением оптимизации сетевого графика стадия составления исходного плана заканчивается. Далее начинается стадия оперативного управления ходом работ, когда в службу сетевого планирования поступает с определенной периодичностью информация о фактическом ходе смоделированного процесса. Производятся перерасчеты графика и разрабатываются мероприятия по ликвидации возникших от него отклонений. Таким образом, в целом сетевой график позволяет наиболее рационально построить план работы, установить строгую последовательность и очередность в выполнении всех необходимых операций и действий. С помощью сетевого графика можно с достаточной точностью определить сроки свершения каждого события и, следовательно, срок достижения результата - завершающего события; оптимизировать использование выделяемых ресурсов; организовать контроль, наблюдение и управление действиями ответственных исполнителей с помощью ЭВМ. 12 Охрана труда и окружающей средыОхрана труда - это система законодательных актов, социально-экономических, организационных, технических, гигиенических и лечебно-профилактических мероприятий и средств, обеспечивающих безопасность, сохранение здоровья и работоспособности человека в процессе труда. Полностью безопасных и безвредных производств не существует. Задача охраны труда - сведение к минимуму вероятности поражения или заболевания работающего с одновременным обеспечением комфорта при максимальной производительности труда. Необходимо подчеркнуть, что охрана труда обычно рассматривается в узком смысле и ограничивается изучением факторов производственной среды, оказывающих влияние на работоспособность человека в процессе труда. В условиях постоянного развития техники такой подход сужает профилактические возможности охраны труда. Повсеместная электрификация хозяйства и быта, развитие транспорта, широкое внедрение машин и механизмов способствует созданию опасности для людей, находящихся вне сферы производства. Не являясь формально производственными, такие опасности нередко по существу имеют непосредственную связь с тем или иным производством. Поэтому следует отметить, что безопасность труда - это безопасность всех компонентов процесса труда, т.е. людей, участвующих в труде, предметов труда, средств производства и продуктов труда. Именно продукты труда - машины, механизмы, различные предметы быта - часто становятся источниками опасностей. Это усугубляется тем, что выпускаемая предприятиями техника психологически воспринимается как абсолютно безопасная. Поэтому вопросы охраны труда необходимо рассматривать в широком смысле, имея в виду все моменты процесса труда и его стадий. 12.1 Анализ опасных и вредных факторов при проектировании Конструирование пульта входного контроля аппаратуры электронной и приемника излучения специзделия осуществляется с применением персонального компьютера с соответствующим программным обеспечением. Эксплуатация ПЭВМ связана с воздействием на работающего таких вредных и опасных факторов, как повышенная температура окружающей среды, недостаток естественного освещения, недостаточная освещенность рабочей зоны, электрический ток, статическое электричество, шум, повышенный уровень электромагнитного, ультрафиолетового и инфракрасного излучений. Многие сотрудники лаборатории связаны с воздействием таких психофизических факторов, как умственное перенапряжение, напряжение зрительных и слуховых анализаторов, монотонность труда, эмоциональные перегрузки. Воздействие указанных неблагоприятных факторов приводит к снижению работоспособности, вызванной развивающимся утомлением. Появление и развитие утомления связано с изменениями, возникающими в процессе работы в центральной нервной системе, с тормозными процессами в коре головного мозга. Так при длительной работе за видеомонитором, у человека возникает повышенная утомляемость и головная боль. Длительное нахождение человека в зоне комбинированного воздействия различных неблагоприятных факторов может привести к профессиональным заболеваниям, например, ухудшение зрения, бессонница. 12.2 Мероприятия по уменьшению и устранению вредных и опасных факторов 12.2.1 Шум на рабочем месте В соответствии с ГОСТ 12.1.003 – 83 /2/ допустимые значения уровней звукового давления и уровней звука, создаваемого ПЭВМ не должны превышать значений, представленных в таблице 12.1: Таблица 12.1 – Уровни звукового давления
Шум создается вентиляционной системой ПЭВМ и печатающим устройством. Сократить время работы на принтере невозможно по двум причинам: - сократить количество выходной документации не представляется возможным; - сокращение работы принтера ведет к неэффективному использованию дорогостоящего оборудования. Поэтому необходимо либо применить малошумящее оборудование, либо произвести облицовку помещения звукопоглощающим материалом. 12.2.2 Организация рабочего места. Производственные здания и помещения должны обеспечивать наиболее благоприятную производственную обстановку и устранять пожарную опасность. Пространственная организация рабочего места должна обеспечивать следующие требования: 1. Cоблюдение санитарно-гигиенических требований и требований безопасности; 2. Соответствие пространственных соотношений между элементами рабочего места и биомеханическими, физиологическими и физическими возможностями работающего; 3. Возможность выполнения основных и вспомогательных операций в рабочем положении, соответствующем специфике трудового процесса, в рациональной рабочей позе с применением наиболее эффективных приёмов труда; 4. Свободное перемещение рабочего по оптимальной траектории; 5. Достаточную площадь для размещения оборудования, инструментов и средств контроля. В соответствии с СН 245 – 71 ("Санитарные нормы проектирования промышленных предприятий"), СанПиН 2.2.2.542 – 96 /18/ объём помещений должен быть таким, чтобы на каждого работающего приходилось не менее 15 м 3 , а площадь - не менее 4,5 м 2 ; в помещениях оборудованных ЭВМ необходимый объём помещений должен быть таким, чтобы на каждого работающего приходилось не менее 20 м 3 , а площадь - не менее 6 м 2 . Так как проектирование устройства проводилось в помещении оборудованном ЭВМ, то должны использоваться последние данные (V = 20 м3 , S = 6 м 2 ). Схема размещения рабочих мест с ПЭВМ должна учитывать расстояния между мониторами: - в направлении тыла одного и экрана другого монитора - 2 м; - между боковыми поверхностями - 1,2 м. Дверь должна открываться наружу, чтобы в случае массового движения из помещения двери не являлись препятствием для выхода. Помещение (площадь, объём) должно соответствовать количеству работающих и размещённому в них комплексу технических средств. В лаборатории одновременно работают четыре человека в смену. В лаборатории размещены пять столов, четыре стула, четыре системных блока и монитора и один принтер. План помещения с размещенным в нем оборудованием приведен на рисунке 12.1.
Рисунок 12.1 – План помещения с размещенным оборудованием Принимая во внимание, что приведенное оборудование с мебелью занимает объем примерно: V = 4 · 1,5 · 0,8 · 1 + 4 · 0,5 · 0,5 · 0,5 + 4 · 0,5 · 0,5 · 0,7 + 1 · 1 ·1+ 0,8 · 0,5 · 0,З = 7,12 м3 и площадь: S = 4 · 1,5 · 1 + 4 · 0,5· 0,5 + 1 · 1 = 8 м2 , размер помещения выбран 6x6x4. Общая площадь пола: F = 6 · 6 = 36 м2 . Общий объем помещения: V=6· 6· 4=144 м3 . Тогда на каждого человека будет приходиться площади помещения:
А объем помещения:
Из расчетов видно, что выбранные габариты помещения соответствуют нормам. Для обеспечения естественного освещения предусмотрено наличие двух окон. Для предотвращения поступления в помещение лишнего тепла и попадания прямых солнечных лучей на экраны монитора, окна должны выходить на север, либо на восток, В соответствии с СанПиН 2.2.2.542-96 /18/, стены и потолок окрашены в светлые тона матовой и полуматовой фактуры. 12.2.3 Микроклимат на рабочем месте Одним из необходимых условий здорового и высокопроизводительного груда является обеспечение чистоты воздуха и нормальных метеорологических условий в рабочей зоне помещений. Метеорологические условия, или микроклимат, в производственных условиях определяются следующими факторами: 1. Температурой воздуха – t; 2. Относительной влажностью – j; 3. Скоростью движения воздуха на рабочем месте – v. 4. Интенсивность теплового облучения. В помещении лаборатории на рабочих местах параметры микроклимата, согласно ГОСТ 12.1.005-88 /3/ для категории работ 1а устанавливают оптимальные нормы температуры - в холодные периоды года +22 ¸ +24 °С, в теплые периоды времени года +23 ¸+25 °С, температура воздуха может колебаться в пределах от 20 до 24 °С в холодные периоды года и от 22 до 26 °С в теплые периоды; относительной влажности воздуха 40 ¸ 60 % и скорости движения воздуха не более 0,1 м/с. Поскольку, в лаборатории происходит небольшое выделение тепла от работающего оборудования, предусмотрено наличие естественной вентиляции. В помещении лаборатории имеются два окна по 2 м высотой на расстоянии 0,8 м от пола. В каждом имеется форточка размером 0,3 ´ 0,6 м. Для создания благоприятных микроклиматических условий в холодный период года помещение оборудовано батареями парового отопления. Расход воздуха для проветривания помещения:
где L – объем приточного воздуха, м3 /ч; с – теплоемкость воздуха, принимается 1,005 кДж/кг°С; rн – плотность приточного воздуха, принимается 1,2 кг/ м3 ; ty , tп – температура уходящего и приходящего воздуха, °С; Qизб – теплоизбытки, кДж/ч. В помещении лаборатории имеются избытки: Qизб = Qоб + Qл + Qосв + Qрад , (12.2) где Qоб – выделение теплоты от оборудования; Qл – поступление тепла от людей; Qосв - поступление тепла от электрического освещения; Qрад - поступление тепла от солнечной радиации. Выделение тепла от оборудования: Qоб = 3600 · N · ψ1 · ψ2 , (12.3) где ψ1 – коэффициент использования установочной мощности, принимается 0,7; ψ2 – коэффициент одновременности работы, принят 0,85; N – суммарная установочная мощность оборудования. Для данной лаборатории суммарная установочная мощность оборудования, равна сумме установочной мощности четырех ПЭВМ и одного принтера: N = 250 · 4 + 200 = 1200 Вт или 1,2 кВт. Qоб = 3600 · 1,2 · 0,7 · 0,85 = 2570,4 кДж/ч. Поступление тепла от людей: Qл = n ·q, (12.4) где n – количество людей, работающих в помещении; q – количество тепла, выделяемого одним человеком, принимается 120 ккал/ч (502,8 кДж/ч). Qл = 4 · 503 = 2012 кДж. Тепловыделения от электрического освещения: Qосв = 3600 · N · К1 · К2 , (12.5) где N – суммарная мощность светильников, кВт; К1 – коэффициент, учитывающий способ установки светильников, принят 0,35; К2 - коэффициент, учитывающий особенности светильников, принят 1,3. Qосв = 3600 · 0,6 · 0,35 · 1,3 = 968 кДж/ч. Тепло поступающее от солнечной радиации: Qрад = g · F · C · К1 · К2 , (12.6) где g – количество тепла, выделяемое промышленным и солнечным светом на широте 56°, при времени работы с 8 до 19 часов, равно 35 ккал/(ч·м2 ) или 146,65 кДж/(ч·м2 ); F – суммарная площадь окон в помещении, для данного помещения 8 м2 ; С – коэффициент отражения стекла, принимается равным 0,8; К1 – коэффициент загрязнения атмосферы, принимается равным 0,7; К2 – коэффициент загрязнения стекла, принимается равным 0,8. Qрад = 147 · 8 · 0,8 · 0,7 · 0,8 = 525,6 кДж/ч. Таким образом, в соответствии с формулами расход воздуха:
12.2.4 Освещение рабочего места гСистематическое использование мониторов и одновременная работа с документами, а так же ввод данных в ЭВМ, требует значение освещенности 300– 500 лк. В качестве источников общего освещения должны использоваться люминесцентные лампы типа ЛБ-40, а светильники общего освещения следует располагать над рабочими поверхностями в равномерно-прямоугольном порядке. Пульсация используемых люминесцентных светильников не должна превышать 5 % Высота от нижней части светильника до рабочей поверхности: h= 4-0,8 = 3,2 м. Индекс помещения, учитывающий геометрию помещения:
где a и b – длина и ширина помещения, м; h – высота подвеса над рабочей поверхностью, м.
В лаборатории, согласно СанПиН 2.2.2.542-96 /18/, обеспечиваются следующие величины коэффициентов отражения рn , рс , рр : – для потолка (рn ) 70 %; – для стен (рс ) 30 %; – для рабочей поверхности (рр ) 10%. Так как высота подвеса h достаточно высока, выбираем светильник с кривой силой света (КСС) М типа ЛПО-36 с лампами типа ЛБ-40. Коэффициент светового потока определяется индексом помещения, коэффициентами отражения, типом КСС источника света, и в соответствии с СанПиН 2.2.2.542-96 /18/, h = 0,4. Необходимый поток каждого светильника:
где Е - нормативное значение освещенности, лк; S - площадь помещения, м2 ; К3 - коэффициент запаса; N - число светильников в ряду; n - число рядов; h - коэффициент использования светового потока. Согласно СанПиН 2.2.2.542-96 /18/ К3 = 1,5; Z =1,1 и для светильника ЛПО– 36, состоящего из двух ламп ЛБ - 40 Фс = 6240 лм. Из формулы (12.8) число светильников в ряду:
Для светильников ЛПО-36 оптимальный коэффициент равномерности освещения Z = 1,1, тогда расстояние между рядами светильников: L = Z · h = 1,1 · 3,2 = 3,5 м. Расстояние между стенами и крайними рядами светильников: l = (0,3...0,5) · L = 0,4 · 3 = 1,25. Следовательно, количество рядов светильников:
Расположение светильников показано на рисунке 12.2
Рисунок 12.2 – Расположение светильников в лаборатории 12.2.5 Требования к организации и оборудованию рабочих мест Основными составляющими рабочего места пользователя является рабочий стол и рабочий стул. Одноместный стол, которым оборудовано помещение, изготовлен из пластика, поверхность которого имеет матовый цвет и не создает бликов. Согласно требованию СанПиН 2.2.2.542-96 /18/ – не регулируемая высота рабочей поверхности стола составляет 725 мм; – размеры рабочей поверхности стола: длина 1400 мм, ширина 800 мм; – пространство для ног высотой 600 мм, шириной – 500 мм, глубиной на уровне колен – 450 мм и на уровне вытянутых ног – 650 мм. Стул оборудован подъемно-поворотным механизмом по высоте и углам наклона сиденья и спинки. Конструкция стула обеспечивает: – ширину и глубину поверхности сиденья 420 мм; – поверхность сиденья с закругленным передним краем; – высоту поверхности сиденья регулировать в пределах 400 – 500 мм и угол наклона вперед до 15 градусов и назад до 5 градусов; – высоту опорной поверхности спинки 320 мм, ширину 400 мм и радиус кривизны горизонтальной плоскости – 400 мм; – угол наклона спинки в вертикальной плоскости в пределах 0±30 градусов; – регулировку расстояния спинки от переднего края сиденья в пределах 260 – 400 мм; – стационарные подлокотники длиной 260 мм и шириной 70 мм; – регулировка подлокотников по высоте над сиденьем в пределах 200 – 260 мм и внутреннего расстояния между подлокотниками в пределах 350 – 500 мм. Для обеспечения безопасности и эргономичности ПЭВМ большое значение имеет видеомонитор, который отвечает следующим требованиям. Размер экрана 35 см по диагонали, расстояние от глаз оператора до экрана около 60 см. Монитор поддерживает частоту кадровой развертки не ниже 85 Гц, что устраняет мерцание, ведущее к усталости глаз. Видеомонитор оборудован поворотной площадкой, позволяющей перемещать ВДТ в горизонтальной и вертикальной плоскостях в пределах 130 – 220 мм и изменять угол наклона экрана в пределах 10 – 15°. Эти показатели удовлетворяют СанПиН 2.2.2.542-96 /18/. 12.2.6 Обеспечение электробезопасности Производственное помещение, оборудованное ПЭВМ, относится к помещениям без повышенной опасности в соответствии с ПУЭ, так как это сухое, с нормальной температурой воздуха помещение, с токонепроводящими полами и отсутствием возможности одновременного прикосновения к корпусу ПЭВМ и металлическим конструкциям, имеющим соединение с землей. ЭВМ можно отнести к первому классу электротехнических изделий по способу защиты человека от поражения электрическим током, т.к. ее корпус сделан из токонепроводящей пластмассы, а ЭВМ имеет вилку с заземляющим контактом. Оборудование в помещении питается от трехфазной сети переменного тока напряжением 220/380 В частотой 50 Гц. Для обеспечения безопасности обслуживающего персонала и нормальной работы ПЭВМ должно быть предусмотрено защитное заземление. Произведем расчет искусственных заземлителей, размещенных в однородной земле. Грунт вокруг здания, где расположена лаборатория - суглинок. Здание расположено во второй климатической зоне. Согласно ПУЭ наибольшее допустимое значение сопротивления заземляющего устройства для данного случая составляет Rдоп = 4 Ом. Удельное электрическое сопротивление грунта r на участке, где будут расположены заземлители, для суглинка r = 100 Ом·м. Для заземления стационарных электроустановок наибольшее распространение получили групповые искусственные заземлители, размещённые в земле на определённой глубине. Они представляют собой систему вертикальных электродов, параллельно соединённых между собой горизонтальным проводником связи. Определим сопротивление одиночного вертикального электрода (стальной стержень диаметром 12 мм) по формуле:
где rl - расчетное удельное сопротивление;
t - расстояние от поверхности земли до центра электрода, определяется как t=t0
+ Расчетное удельное сопротивление определяется как rl = r · ψ, (12.10) где r - удельное электрическое сопротивление земли, для суглинка r = 100 Ом · м; ψ- коэффициент сезонности, при длине вертикального электрода 3 м ψ = 1,5; rl =100 · 1,5=150 Ом · м. Тогда сопротивление одиночного вертикального электрода
Ориентировочное количество n вертикальных электродов определим следующим образом. Найдем произведение коэффициента использования вертикальных электродов hв
на их количество n по формуле hв
n = Rв
/ Rдоп
= 53/4 = 13,25. При отношении расстояния между соседними электродами к их длине, а/ Рассчитаем длину горизонтального проводника связи по формуле: L = 1,05 · (n-1) · a = 1,05 · (17-1) · 6 = 101 м. Сопротивление горизонтального проводника связи в виде стальной полосы шириной b = 0,04 м, соединяющего верхние концы электродов, определим по формуле:
где r2 = r · ψ = 100 · 3 = 300 Ом · м,
Результирующее сопротивление искусственного группового заземления рассчитаем по формуле:
где hг – коэффициент использования электрода hг = 0,6.
Данное значение сопротивления RИ соответствует требованиям ПУЭ (3,2<4Ом). 12.2.7 Электромагнитное излучение на рабочем месте В соответствии с СанПиН 2.2.2.542-96 /18/ временные уровни электромагнитных полей, создаваемых ПЭВМ на рабочих местах пользователей не должны превышать значений, указанных в таблице 12.2: Таблица 12.2 – Уровни электромагнитных полей 12.3 Пожарная безопасность в помещениях с вычислительной техникой. В современных ЭВМ, которыми оборудованы рабочие места в лаборатории, очень высока плотность размещения элементов электронных микросхем. В непосредственной близости друг от друга располагаются соединительные провода, коммутационные кабели. При протекании по ним электрического тока выделяется значительное количество теплоты, что может привести к повышению температуры отдельных узлов до 80 ¸ 100 °С. При этом возможно оплавление изоляции соединительных проводов, их оголение, и как следствие, короткое замыкание, которое сопровождается искрением, ведет к недопустимым перегрузкам элементов электронных схем. Последние, перегреваясь, сгорают с разбрызгиванием искр. Напряжение к электроустановкам подается по кабельным линиям, которые представляют собой особую пожарную опасность. Наличие горючего изоляционного материала, вероятных источников возгорания в виде электрических искр и дуг, разветвленность и труднодоступность, делает кабельные линии местом наиболее вероятного возникновения и развития пожара. Здание, в котором размещается проектно-конструкторская лаборатория, в соответствии с НПБ 105-95 /12/ относится к категории пожарной опасности Д и имеет степень огнестойкости II. Процесс горения прекращается, если: 1) очаг горения изолируется от воздуха; 2) концентрация кислорода снижается до предельного значения (для большинства веществ до 12-15 %); 3) горящие вещества охлаждаются ниже темпера-тур самовоспламенения, воспламенения; 4) осуществляется интенсивное ингиби-рование (торможение скорости химической реакции в пламени) и в некоторых других случаях. Различают первичные, стационарные и передвижные средства пожаротушения. К первичным средствам пожаротушения относятся огнетушители. Огнетушители бывают химические пенные (ОХП-10, ОХПВ-10 и другие), углекислотные (ОУ-2, ОУ-5, ОУ-8), углекислотно-бромэтиловые (ОУБ-3, ОУБ-7), порошковые (ОПС-6, ОПС-10). В данном помещении применяются углекислотные и порошковые огнетушители. Помещение лаборатории оснащено пожарной сигнализацией ПС – Л1 на базе автоматических тепловых извещателей РИД – 1. 12.4 Охрана окружающей среды В процессе работы в данном помещении лаборатории никаких вредных веществ, сточных вод не выделяется, поэтому мероприятия по охране окружающей среды не проводятся. В данном дипломном проекте рассматривались вопросы разработки пульта входного контроля аппаратуры электронной и приемника излучения. Проведен анализ существующего способа проверки АЭ и ПИ. Разработана структурная и функциональная схемы проверки. Приведено краткое описание принципа формирования сигналов управления ракетой. Разработаны электрические принципиальные схемы пульта проверки и ЦАП. Рассчитаны электрические параметры в схеме датчика крена и цифро-аналового преобразователя. Приведена методика проверки АЭ и ПИ. Проведена разработка печатных плат пульта проверки и ЦАП на персональном компьютере с использованием системы автоматизированного проектирования P – CAD 2001. Приведены общие сведения о программе. Представлены этапы проектирования печатной платы. Описан процесс изготовления печатной платы. Приведено описание сборочного чертежа пульта проверки. В результате проделанной работы был спроектирован пульт входного контроля АЭ и ПИ, полностью соответствующий техническому заданию. Список используемой литературы1. Аппаратура электронная. Технические условия. ПБА3.031.082 ТУ. 2. ГОСТ 12.1.003 – 83. Шум. Общие требования. 3. ГОСТ 12.1.005 – 88. Общие санитарные требования к воздействиям рабочей зоны. 4. ГОСТ 23587 – 96. Монтаж электрический радиоэлектронной аппаратуры и приборов. Технические требования к разделке монтажных проводов и креплению жил. 5. ГОСТ 23751 – 86. Платы печатные. Основные параметры конструкции. 6. ГОСТ 29137 – 91 Формовка выводов и установка изделий электронной техники на печатные платы. Общие требования и нормы конструирования. 7. Игумнов Д.В., Королев Г.В., Громов И.С. Основы микроэлектроники - М.: Высш. шк., 1991. – 254 с.: ил. 8. Интегральные микросхемы: Справочник / Б.В. Тарабрин, Л.Ф. Лунин, Ю.Н. Смирнов и др.; Под ред. Б.В. Тарабрина. – М.: Радио и связь, 1983. – 528 с. 9. Исакин Методический вариант выполнения дипломного проектирования. – Тула.: ТулГУ. 10. КПА. Паспорт. 15С01 – 9М133.000 ПС. 11. Мальцева Л.А. и др. Основы цифровой техники. – М.: Радио и связь, 1986. – 128 с. 12. НПБ 105-95. Определение категорий помещений по взрывоопасности и пожароопасности. 13. ОСТ 4.010.030 – 81. Установка элементов. 14. ОСТ 92 – 1725 – 81. Провода ленточные. Технические требования при монтаже в соединители и на печатные платы. 15. Охрана труда в машиностроении: Учебник для машиностроительных ВУЗов/ Е.Я. Юдин, С.В. Белов, С. К. Баланцев и др. Под ред. Е.Я. Юдина, С.В. Белова – 2-е изд. перераб. и доп., 1983. – 72 с. 16. Полупроводниковые приборы: Диоды, тиристоры, оптоэлектронные приборы. Справочник/ А.В. Баюков, А.Б. Гитцевич, А.А. Зайцев и др.; Под общ. ред. Н.Н. Горюнова. – М.: Энергоиздат, 1982. – 744 с., ил. 17. Приемник излучения. Технические условия. ПИ ПБА2.029.001 ТУ. 18. СанПиН 2.2.2.542 – 96. Санитарные правила и нормы. 19. СНИП 31-03-2001. Производственные здания. 20. Средства защиты в машиностроении: Расчет и проектирование: Справочник/ С.В. Белов, А.Ф. Козьяков, О.Ф. Партолин и др. Под ред. С.В. Белова. – М.: Машиностроение, 1989. – 368с.: ил. 21. Хорвиц П., Хилл У. Основы схемотехники. – М.: Мир, 1986. – 342 с. 22. Четвертков И.И. и др. Конденсаторы: Справочник. – М.: Радио и связь, 1993. – 392 с. 23. Цифровые и аналоговые интегральные микросхемы: Справочник / С.В. Якубовский, Л.И. Ниссельсон, В. И. Кулешова и др.; Под ред. С.В. Якубовского. – М.: Радио и связь, 1990. – 496 с. |
|||||||||||||||||||||||||||||||||||||||||||||||||||||||||||||||||||||||||||||||||||||||||||||||||||||||||||||||||||||||||||||||||||||||||||||||||||||||||||||||||||||||||||||||||||||||||||||||||||||||||||||||||||||||||||||||||||||||||||||||||||||||||||||||||||||||||||||||||||||||||||||||||||||||||||||||||||||||||||||||||||||||||||||||||||||||||||||||||||||||||||||||||||||||||||||||||||||||||||||||||||||||||||||||||||||||||||||||||||||||||||||||||||||||||||||||||||||||||||||||||||||||||||||||||||||||||||||||||||||||||||||||||||||||||||||||||||||||||||||||||||||||||||||||||||||||||||||||||||||||||||||||||||||||||||||||||||||||||||||||||||||||||||||||||||||||||||||||||||||||||||||||||||||||||||||||||||||||||||||||||||||||||||||||||||||||||||||||||||||||||||||||||||||||||||||||||||||||||||||||||||||||||||||||||||||||||||||||||||||||||||||||||||||||||||||||||||||||||||||||||||||||||||||||||||||||||||||||||||||||||||||||||||||||||||||||||||||||||||||||||||||||||||||||||||||||||||||||||||||||
Рисунок 1.1 – Структурная схема проверки.








,
(11.1)
(11.2)
, (11.6)
= 1,32; (11.8)
, = 4,6824; (11.9)

м2
,
м3
.
, (12.1)
, (12.8)
.
, (12.9)
Ом.
, (12.11)
Ом.
, (12.12)
Ом.