Курсовая работа: Разработка устройства, предназначенного для формирования импульсных сигналов с заданным периодом и скважностью - ШИМ-регулятор
|
Название: Разработка устройства, предназначенного для формирования импульсных сигналов с заданным периодом и скважностью - ШИМ-регулятор Раздел: Рефераты по коммуникации и связи Тип: курсовая работа | ||||||||||||||||||||||||||||||||||||||||||||||||||||||||||||||||||||||||||||
Реферат Пояснительная записка состоит из 30 страниц, на которых, помимо основного текста, размещены 8 таблиц, 12 рисунков. При написании использовано 9 источников, среди которых как книги, так и страницы Интернет. УПРАВЛЕНИЕ, СХЕМОТЕХНИКА, МИКРОЭЛЕКТРОНИКА, АЛГОРИТМИЗАЦИЯ, ПРОГРАММИРОВАНИЕ. В курсовом проекте разработано устройство, предназначенное для формирования импульсных сигналов с заданным периодом и скважностью - ШИМ-регулятор. Разработана принципиальная электрическая схема устройства, написана программа управления ШИМ-регулятором через LPTпорт ЭВМ, произведена сборка и макетирование. В проекте подробно описаны выбранные элементы схемы и рассказано о принципах работы ШИМ – регулятора. Содержание Введение 1 Описание ШИМ-регулятора 1.1 Классификация видов ШИМ 1.2 Применение широтно-импульсной модуляции 2 Выбор элементной базы 2.1 Микросхема КР580ВИ53 2.2 Микросхема К155АП5 2.3 Микросхема К155АГ3 3 Схема макета 3.1 Схема принципиальная электрическая 3.2 Таблица контактов 4 Программа управления 4.1 Логика работы Заключение Приложение А Введение До внедрения цифового широтно-импульсного модулирования (ШИМ) использовался аналоговый ШИМ. При аналоговой реализации ШИМ, сигналы получаются путем сравнения треугольного несущего сигнала и сигнала, подлежащего модуляции. Для трехфазных систем необходимы три независимых канала ШИМ: по одному на каждую фазу. Входами такого ШИМ устройства являются заданные фазные напряжения. В разомкнутых частотно-управляемых ЭП эти напряжения формируются на основе принятого закона частотного управления, в замкнутых ЭП - формируются с помощью контроллера. При цифровой реализации широтно-импульсной модуляции в качестве несущего колебания используется периодическая последовательность прямоугольных импульсов, а информационным параметром, связанным с дискретным модулирующим сигналом, является длительность этих импульсов. Периодическая последовательность прямоугольных импульсов одинаковой длительности имеет постоянную составляющую, обратно пропорциональную скважности импульсов, то есть прямо пропорциональную их длительности. Пропустив импульсы через ФНЧ с частотой среза, значительно меньшей, чем частота следования импульсов, эту постоянную составляющую можно легко выделить, получив постоянное напряжение. Если длительность импульсов будет различной, ФНЧ выделит медленно меняющееся напряжение, отслеживающее закон изменения длительности импульсов. Таким образом, с помощью ШИМ можно создать несложный ЦАП: значения отсчетов сигнала кодируются длительностью импульсов, а ФНЧ преобразует импульсную последовательность в плавно меняющийся сигнал. При работе с приводом может потребоваться управлять его скоростью. В простейшем случае это можно делать вставив транзистор (управляемое сопротивление) между источником фиксированного напряжения и приводом. Однако такой способ при управлении мощными приводами приводит к выделению большой тепловой мощности на транзисторе-сопротивлении. ШИМ использует транзисторы(могут быть и др. элементы) не в активном, а в ключевом режиме, т. е. транзистор всё время или разомкнут (выключен), или замкнут (находится в состоянии насыщения). В первом случае транзистор имеет бесконечное сопротивление, поэтому ток в цепи не течёт, и, хотя всё напряжение питания падает на транзисторе, т.е. КПД=0%, в абсолютном выражении выделяемая на транзисторе мощность равна нулю. Во втором случае сопротивление транзистора крайне мало, и, следовательно, падение напряжения на нём близко к нулю — выделяемая мощность так же мала. В данном случае была поставлена задача разработать ШИМ - регулятор на основе программируемого таймера серии КР580, чтобы регулировать ширину импульса. Такое устройство обеспечивает сохранность транзистора и экономичность. 1 Описание ШИМ-регулятора 1.1 Классификация видов ШИМ В общем случае все виды ШИМ основаны на изменении длительности импульсов равной амплитуды, следующих через равные интервалы времени в соответствии с принятым законом формирования напряжения. Законы формирования, общие для любого метода модуляции, определяются функцией построения (модулирующим сигналом). На основании литературных данных целесообразно распределить разновидности ШИМ по степеням соответствия параметров импульсов значениям модулирующего сигнала согласно основным признакам (рисунок1).
Рисунок. 1. Классификация видов ШИМ Следует отметить, что в связи с развитием методов формирования синусоидальных напряжений, трапецеидальная ШИМ уже почти вытеснена синусоидальной. Двуполярная ШИМ характеризуется постоянным действующим значением выходного напряжения, поэтому регулирование значения основной гармоники сопровождается перераспределением энергии в спектре. Однополярная ШИМ дает лучший гармонический состав, действующие значения напряжения при этом меньше, чем в двуполярном варианте. Современные ЭП строятся с использованием микроконтроллеров (МК), с помощью которых реализуется и ШИМ. В связи с этим вводится новый термин - тактовая частота ШИМ Fт, которая определяется точностью аппроксимации несущего Fн и модулирующего Fм сигналов. Как правило, соотношения между ними выбираются следующими: Fн і n3Fм (n=2, 3, 4,...) и Fт і m2Fн (m=3,4,5,...) Независимо от того, какая разновидность ШИМ используется, ее реализация на МК принципиально возможна двумя способами: традиционный (формирование выходных напряжений осуществляется в результате постоянного сравнения модулирующего и несущего сигналов) и табличный (полностью рассчитывается заранее и заносится в ПЗУ, из которого затем считывается). При реализации ШИМ традиционным способом приходится использовать либо универсальные мощные (развитая система команд и высокое быстродействие) микроконтроллеры, либо специализированные, относительно дорогие контроллеры (где алгоритм реализуется аппаратно - программно). Реализация сложных алгоритмов ШИМ традиционным способом затруднена на универсальных МК большим объемом программы, а на специализированных - возможностями архитектуры конкретного типа МК. Специализированные МК, ориентированные на применение в электроприводах, имеющие аппаратную поддержку ШИМ выпускаются такими фирмами как MOTOROLA (68HC705MC4, 68HC708MP16), INTEL (8xC196MC/MD/MH), TEXAS INSTRUMENTS, и другими [2,3]. ШИМ - генераторы МК этого типа имеют от двух до шести независимых каналов и управляются несколькими (3-24) программно доступными регистрами. ШИМ - генераторы позволяют реализовывать синхронизацию каналов, формирование "мертвого" времени, его компенсацию, выравнивание импульсов по фронту или по центру, встроенные защиты от неисправностей, некоторые другие функции. Частоту несущего сигнала можно регулировать от 8 МГц до 125 Гц. В последнее время вместо встроенных ШИМ - генераторов микроконтроллеры оснащаются более универсальными средствами, которые, в том числе, реализуют и алгоритмы ШИМ. В контроллерах MOTOROLA (68HC16Y1, MC68336) это так называемый таймерный сопроцессор TPU (Timer Processor Unit), в изделиях INTEL (8xC196NP/NU) это интегрированный процессор событий EPA (Event Processor Array). В обоих случаях имеется в виду многоканальный таймер с очень гибкой схемой управления, полуавтономной от ядра контроллера. Программирование и TPU, и EPA осуществляется либо полностью, либо с использованием стандартных подпрограмм, в числе которых имеется и ШИМ с аналогичными указанным выше параметрами. Все перечисленные МК ориентированы на реализацию двуполярной ШИМ, которая, как указывалось, не позволяет получить наилучший гармонический состав выходного напряжения. Достоинства табличного способа заключаются в том, что он позволяет реализовать любые алгоритмы ШИМ с высокой несущей частотой с помощью микроконтроллеров, весьма бедных в функциональном отношении. Тем не менее, этот способ не нашел широкого применения из-за следующих причин. Обычно табличная ШИМ подразумевает поочередное считывание с частотой Fт того из массивов ПЗУ, который в настоящий момент соответствует заданным выходным параметрам. В результате, для реализации такой табличной ШИМ необходимо не менее 64 кБ (Fмmax = 60 Гц; диапазон регулирования (0.5-120)% дискретность регулирования примерно 0.5%). Этим практически исчерпываются возможности дешевых 8-разрядных МК. Еще одна трудность - плавное регулирование тактовой частоты ШИМ при изменении частоты модулирующего сигнала. Здесь, как правило, применяется управляемый напряжением генератор, либо целочисленный 16-разрядный предварительный делитель, сигнал с которого вводится в МК. Предлагается новый способ табличной реализации ШИМ, свободный от указанных недостатков. Необходимо отметить, что число всех возможных сочетаний состояний вентилей АИН равно 27 (обычно не превышает 12). В связи с этим предлагается "индексная" (в отличие от описанной выше "линейной") табличная ШИМ, которая реализуется по следующим принципам. Сначала составляется нумерованный массив с допустимыми сочетаниями состояний вентилей АИН. Назовем его массивом состояний. Затем обычным способом рассчитываются массивы для всех частот модулирующего сигнала. После этого в каждом массиве, соответствующем конкретной частоте Fм, сохраняются только строки (с сохранением исходной нумерации), в которых происходит переключение, все остальные строки удаляются. Из этих "сокращенных" массивов составляются индексные массивы, которые содержат номера шагов (периода тактовой частоты ШИМ на периоде модулирующего сигнала), на которых происходят переключения и соответствующий индекс массива состояний. Индексные массивы и массив состояний записываются в ПЗУ, после чего ШИМ осуществляется обычным способом. Алгоритм работы предлагаемой ШИМ приведен на рисунке 2.
Рисунок. 2. Алгоритм работы индексной ШИМ Индексно - табличная реализация ШИМ требует существенно меньшего объема памяти, чем традиционная. Например, для получения указанных выше параметров (Fмmax = 60 Гц; диапазон регулирования (0.5-120)% дискретность регулирования примерно 0.5%) индексная ШИМ требует менее 11кБ. Экономия объема памяти позволяет довести соотношение Fт/Fн до 40 (тактовая частота ШИМ Fт примерно 48кГц) и, тем самым, увеличить точность аппроксимации несущего и модулирующего сигнала не менее, чем в 4 раза. Таким образом, предлагаемая индексно - табличная ШИМ позволяет получить высокие показатели АИН и всего привода в целом, используя дешевые 8-разрядные микроконтроллеры. Тем более, все резервы этого класса МК еще не использованы, т.к. выпускаемые сейчас высокоскоростные модификации МК семейства MCS-51 (например, 80C3x0 фирмы DALLAS SEMICONDUCTOR) работают в 8.25 раза быстрее младших моделей этого семейства (КР1830ВЕ31). 1.2 Применение широтно-импульсной модуляции (ШИМ)Широтно-импульсная модуляция, рассматриваемая в следующих примерах, используется в разных задачах - от формирования звукового сигнала и управления яркостью светодиодов до управления скоростью вращения электромотора. Все эти задачи основываются на базовом принципе ШИМ-сигнала - чем больше скважность импульсов, тем больше среднее значение напряжения (рисунок 3). Зависимость среднего напряжения от величины скважности является линейной: VСР = скважность х Vмакс
Рисунок. 3. Зависимость среднего значения напряжения от скважности ШИМ Выбор частоты ШИМ: Частота ШИМ зависит от различных факторов. При увеличении частоты увеличиваются потери на переключение, емкость и индуктивность нагрузки влияет на изменение формы сигнала. Поэтому в микромощных устройствах следует выбирать минимально возможную частоту ШИМ, а в схемах с емкостной или индуктивной нагрузкой выбирать частоту исходя из анализа схемы. 1. Управление электродвигателямиШИМ применяется для управления двигателями в импульсном режиме. По характеристикам двигателя необходимо подобрать значение частоты ШИМ, чтобы обеспечить оптимальные характеристики электропривода. При выборе задающей частоты важным критерием являются акустические шумы, создаваемые двигателем при работе. Коллекторные двигатели могут создавать звуковой шум на частотах от 20 Гц до 4 кГц. Для исключения этого нежелательного эффекта нужно выбирать частоту выше 4 кГц. На таких частотах акустического шума уже не будет, так как механические части имеют более низкие резонансные частоты. 2. Светодиоды и устройства освещенияШИМ часто используется для изменения яркости световых приборов. Эффект мерцания может быть заметен на частотах ниже 50 Гц, поэтому на практике частота ШИМ выбирается около 100 Гц или выше. 3. Формирование аналогового сигнала
Рисунок. 4. Формирование аналогового сигнала с помощью ШИМ и ФНЧ Выход ШИМ может применяться для цифро-аналогового преобразования с помощью нескольких внешних элементов. Преобразование ШИМ-сигнала в аналоговый осуществляется на основе фильтра ФНЧ (рис. 18). Для исключения появления в выходном сигнале нежелательных гармоник необходимо, чтобы частота модуляции (FPWM) была намного выше, чем частота выходного сигнала (FBW): FPWM =К x FBW, причем, чем больше значение К, тем меньше гармоник. Для расчета фильтра применяется следующая формула: RC=1/(2πFBW) Выбрав значение емкости С, вычисляют значение резистора R. Подавление частоты ШИМ в выходном сигнале определяется выражением: -10 x log[1 + (2πFPWMRC)2] (дБ) Если подавление недостаточное, то увеличивают коэффициент К, увеличивая тем самым частоту модуляции. 4. Управление яркостью светодиодов Для изменения яркости светодиодов можно использовать ШИМ. Для этого на выход подключается светодиод через резистор, ограничивающий максимальный ток. Изменяя скважность импульсов с помощью регистра в широких пределах (00...FF), можно менять яркость свечения. Необходимо отметить, что частота ШИМ должна быть не менее 100 Гц для устранения мерцания. 2 Выбор элементной базы 2.1 Микросхема КР580ВИ53 Микросхема КР580ВИ53 относится к микропроцессорному комплекту серии КР580, который предназначен для построения широкого класса цифровых устройств, контроллеров, микроЭВМ и микропроцессорных систем различного назначения. Большая функциональная насыщенность, достаточно высокое быстродействие и средняя потребляемая мощность обеспечивают этому комплекту наибольшую распространенность применения. Особенностью комплекта являются фиксированные разрядность (8 разрядов) и система команд (совместима с микроЭВМ СМ1800), что однозначно определяет структуру устройств, построенных на его основе. Микросхемы КР580ГФ24, КР580ВК28, КР580ВК38, КР580ИР82, КР580ИР83, КР580ВЛ86, КР580ВЛ87 комплекта выполнены по биполярной технологии ТТЛШ, остальные — по nМОП-технологии. Всё микросхемы, входящие в МПК КР580, предназначены для работы в диапазоне температур —10... + 70 °С. Микросхема КР580ВИ53 представляет собой устройство, формирующее программно-управляемые временные задержки (таймер) и содержит три независимых идентичных канала: 0, 1, 2. Каждый канал может работать в одном из шести основных режимов (режим 0—режим 5), иметь двоичный или двоично-десятичный тип счета, задаваемый программно путем предварительной записи в регистр режима каждого канала управляющего слова. Структурная схема КР580ВИ53представлена на рисунке 5.
Рисунок 5 Рассмотрим назначение основных узлов. Схема выбора канала формирует сигналы управления каналами 0, 1, 2 внутренними и внешними передачами данных, приемом управляющих слов. Буфер канала данных состоит из восьми двунаправленных формирователей, имеющих на выходе состояние «Выключено», и осуществляет сопряжение таймера с шиной данных МП. Через буфер канала осуществляется запись управляющего слова в регистры режима и параметров счета в счетчики каждого канала. Схемы каналов 0, 1, 2 идентичны и содержат регистры режима, схемы управления, схемы синхронизации и счетчики. Регистр режима предназначен только для записи информации. Он принимает и хранит управляющее слово, код которого задаст режим работы канала, определяет тип счета и последовательность загрузки данных в счетчик. Схема управления канала синхронизирует работу счетчика и в соответствии с запрограммированным режимом и работу капала с работой МП. Схема синхронизации канала формирует серию внутренних тактовых импульсов определенной длительности, которая зависит от внешней частоты синхронизации CLK и определяется внутренними времязадающими цепями схемы. Максимальная частота внешних сигналов синхронизации CLK не более 2,6 МГц. Счетчик канала представляет собой 16-разрядный счетчик с предустановкой, работающий на вычитание в двоичном или двоично-десятичном коде. Максимальное число при счете равно 216 при работе в двоичном коде или 104 при работе в двоично-десятичном коде. Счетчики каналов независимы друг от друга и могут иметь различные режимы работы и типы счета. Запуск счета в каждом канале, его останов и продолжение осуществляются по соответствующему сигналу GATE «Разрешение канала». Режимы работы (0—5) отличаются порядком формирования выходного напряжения па выводе OUT по окончании отсчета числа, загруженного в счетчик, по отношению к управляющему сигналу GATE. В режиме 0 (прерывания терминального счета) на выходе канала формируется напряжение высокого уровня после отсчета числа, загруженного в счетчик. Сигнал GATE обеспечивает начало счета, его прерывание (при необходимости) и продолжение счета. Перезагрузка счетчика во время счета прерывает текущий счет и возобновляет его по новой программе. В режиме 1 (работы ждущего мультивибратора) на выходе канала формируется отрицательный импульс длительностью τ=TCLK·n, где TCLK —период тактовых импульсов; n — число, записанное в счетчик. Запуск ждущего мультивибратора осуществляется положительным фронтом сигнала GATE. Каждый положительный фронт этого сигнала запускает текущий счет или перезапускает счетчик сначала. Перезагрузка счетчика во время счета не влияет на текущий счет. В режиме 2 (генерации частоты) таймер выполняет функцию делителя входной частоты CLK на n. При этом длительность положительной части периода равна TCLK·(n—1), а отрицательной TCLK. Перезагрузка счетчика во время счета не влияет на текущий счет. Режим 3 (генерации меандра) аналогичен режиму 2, при этом длительность положительного и отрицательного полупериодов для четного числа n равна TCLK·n/2. Для нечетного числа n длительность положительного полупериода равна TCLK·n/2, а отрицательного TCLK·(n-1)/2. В режиме 4 (программного формирования одиночного строба) па выходе канала формируется импульс отрицательной полярности длительностью τ=Tclk после отсчета числа, загруженного в счетчик. По сигналу GATE и после перезагрузки счетчика работа канала в режиме 4 аналогична режиму 0. В режима 5 (аппаратного формирования одиночного строба) на выходе капала формируется импульс отрицательной полярности длительностью τ=Tclk после отсчета числа, загруженного в счетчик. Назначение выводов КР580ВИ53 приведено в таблице 1. Таблица 1. Назначение выводов КР580ВИ53
Перечисленные выше режимы работы проиллюстрированы на рисунке 6.
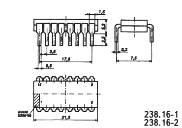
Рисунок 6. Режимы работы Программируемый таймер интервалов KP 580 B И53 Число каналов ............ ………………………..….. 3 Число разрядов каждого канала ……………..…..16 Разрядность шины данных ……………………...8 Число программируемых режимов работы …..…..6 Максимальный счет при работе счетчиков в - двоичного счета ……………………………………210 - двоично-десятичного счета ………………………104 Тактовая частота, МГц ………………………….….<2,6 Потребляемая мощность, мВт ……………………..700 2.2 Микросхема К1533АГ3 Микросхема К1533АГ3 представляет собой сдвоенный одновибратор с возможностью повторного запуска. Содержит 156 интегральных элементов. Внутренняя структура, условное обозначение приведены на рис. 7, а состояния работы К1533АГ3 даны в табл. 2. Каждый из мультивибраторов представляет собой триггер с двумя выходами Выходной импульс можно оборвать, подав на вход сброса Если мультивибратор К1533АГ3 запущен, то выходной импульс можно продолжить (перезапустить), подав на вход Если два ждущих мультивибратора микросхемы К1533АГ3 включить по кольцевой схеме, то получим автогенератор (автомультивибратор). Корпус у К1533АГ3 типа 238.16-1 представлен на рис. 10, масса корпуса не более 2 г. Основные электрические параметры микросхемы приведены в табл. 3. Таблица. 2. Состояния работы микросхемы К1533АГ3
Рисунок. 7. Структура, условное графическое обозначение и цоколевка микросхемы К1533АГ3
Рисунок. 8. Схемы подключения времязадающих элементов
График зависимости
Рисунок. 9. Корпус микросхемы К1533АГ3 Основные электрические параметры микросхемы К1533АГ3 представлены далее в таблице 3. Таблица. 3. Основные электрические параметры микросхемы К1533АГ3
2.3 Микросхема K 155АП5 Микросхема представляет собой восьмиразрядный буфер . Используется в для разрешения/запрещения передачи данных с линий В на линии А. Логика работы микросхемы определяется поданными на контакты 1 и 19 сигналами. В процессе выполнения курсового проекта были задействованы контакты 1 и 19 следующим образом: на контакт 19 подавался нуль (контакт заземлялся), а на контакт 1 подавался либо нуль для запрещения передачи, либо единица для разрешения. Вид микросхемы представлен на рисунке.10.
Рисунок 10 3 Схема макета 3.1 Схема принципиальная электрическая. На рисунке 11 представлена разработанная принципиальная электрическая схема.
Рисунок 11. Принципиальная электрическая схема Номиналы резисторов и конденсаторов: R1, R2……….1Ком; R3, R4……….6,8Ком; C1, C2, C5…...0,15 пФ; С3, С4………..220пФ. 3.2 Таблицы контактов Далее в таблицах 4-8 представлены таблицы контактов.
Таблица 4 .Контакты DD 1
Таблица 5.Контакты X
Таблица 6.Контакты DD2
Таблица 7.Контакты DD3
Таблица 8.Контакты LPT 4 Программа управления 4.1 Логика работы Программа осуществляет управление ШИМ-регулятором через LPT порт ЭВМ. Для доступа к порту используются адреса 378H, 379H и 37AH. По адресу 378H осуществляется запись в регистр Data, по адресу 379H- в регистр Status и по адресу 37AH – в регистр Control. В нашем случае, так как предполагается чтения из порта, а только запись в порт, то регистр Status не используется. Регистр Data используется для передачи байта в программируемый таймер-счётчик, а биты 0,1 и 2 регистра Control для выставления строба записи и выбора режима записи в таймер-счётчик. На рисунке 12 изображены контакты LPT порта и их принадлежность тому или иному регистру.
Рисунок 12 Для формирования на выходе ШИМ- регулятора импульсов с заданной скважностью и периодом, таймер-счётчик КР580ВИ53 был запрограммирован в режим работы 2 и 1 – соответственно таймер-счётчик 1 и 0 . Таймер-счётчик 2 не использовался. В режиме 2 таймер выполняет функцию делителя входной частоты CLK на n. Таким образм мы получаем импульсы с определённым периодом и подаём их на вход таймера-счётчика 0, который работает в режиме 1, то есть в режиме программируемого мультивибратора. В результате на выходе таймера-счётчика 0 мы получаем импульсы с заданным периодом и скважностью. Для реализации данного алгоритма была написана программа. Теакт программы представлен в приложении А. Заключение В результате проделанной работы были получены знания в области макетирования и сборке платы ШИМ-регулятора, также были получены теоретические знания в области микропроцессорных средств. Была разработана электрическая схема ШИМ – регулятора и программа для управления через LPT порт ЭВМ. По результатам проделанной работы можно сделать вывод, что ШИМ – регулятор достаточно прост с точки зрения схемотехнического решения, а значит экономичен как с точки зрения элементной базы, так и с точки зрения денежных затрат. У него высокий коэффициент полезного действия и он упрощает работу транзистора, тем самым, обеспечивая его сохранность. Эти достоинства делают предпочтительным применение ШИМ – регулятора там, где необходима надёжность и простота реализации. Приложение А Текст программы programlpt; uses dos,crt; var addr_d,addr_c: word; e:integer; in_t,in_tau:byte; input_t,input_tau: String; procedure set_kanal_0(value: byte);{процедураустановкирежимаработысчётчика-таймера 0} var PSW_strobe_0: byte; PSW_strobe_1: byte; N0_strobe_0: byte; N0_strobe_1: byte; psw_set: byte; begin PSW_strobe_1:=7;{00000111} PSW_strobe_0:=6;{00000110} N0_strobe_1:=1;{00000001} N0_strobe_0:=0;{00000000} psw_set:=50;{00110010} {set mode} Port[addr_c]:=PSW_strobe_1; Port[addr_d]:=psw_set; Port[addr_c]:=PSW_strobe_0;Port[addr_c]:=PSW_strobe_1; {data => 8253} Port[addr_d]:=value; Port[addr_c]:=N0_strobe_0;Port[addr_c]:=N0_strobe_1; end; procedure set_kanal_1(value: byte); {процедураустановкирежимаработысчётчика-таймера 1} var var PSW_strobe_0: byte; PSW_strobe_1: byte; N1_strobe_0: byte; N1_strobe_1: byte; psw_set: byte; begin PSW_strobe_1:=7;{00000111} PSW_strobe_0:=6;{00000110} N1_strobe_1:=3;{00000011} N1_strobe_0:=2;{00000010} psw_set:=116;{01110100} {set mode} Port[addr_c]:=PSW_strobe_1; Port[addr_d]:=psw_set; Port[addr_c]:=PSW_strobe_0;Port[addr_c]:=PSW_strobe_1; {data => 8253} Port[addr_d]:=value; Port[addr_c]:=N1_strobe_0;Port[addr_c]:=N1_strobe_1; end; begin {считывание адреса LPT порта} addr_d:=MemW[$0040:$0008]; {вычисление адреса регистра ControlLPT порта} addr_c:=addr_d+2; whiletruedobegin {считывание значений скважности и периода в цикле} write('Период [q - для выхода]: '); readln(input_t); if input_t='q' then break; val(input_t,in_t,e); set_kanal_1(in_t); write('Скважность [q - длявыхода]: '); readln(input_tau); if input_tau='q' then break; val(input_tau,in_tau,e); set_kanal_0(in_tau); writeln('=========================================='); end;{цикл выполняется до тех пор, пока не введена буква q} end. |







