Лабораторная работа: Расчет оконечного каскада передатчика
|
Название: Расчет оконечного каскада передатчика Раздел: Рефераты по коммуникации и связи Тип: лабораторная работа | ||||||||||
Федеральное агентство по образованию Государственное образовательное учреждение высшего профессионального образования Новгородский государственный университет имени Ярослава Мудрого Кафедра “Радиосистем” Расчетная работа по учебной дисциплине“Формирование и генерирование сигналов” Проверил: _______________Голик Ф. В. “_____”______________2005г. Выполнил: Студент гр. 2012 ____________Швейкин Е.Ю. “_____”______________2005г. 1 Исходные данные В задании нам заданы такие основные параметры расчета предварительного и оконечного каскадов передатчика на биполярных транзисторах: - диапазон рабочих частот от 9 до 15 МГц ; - мощность излучаемого сигнала – 10 Вт; - режим работы усилительного каскада - класса А. 3 Предварительный расчёт При проектировании усилителя его необходимо рассчитывать на максимальную мощность, но необходимо также учесть потери в выходной колебательной системе, а также и потери в антенно-фидерном устройстве. Таким образом, для вычисления мощности, которую необходимо обеспечить на выходе оконечного каскада, необходимо знать КПД выходной колебательной системы и антенно-фидерного устройства, которые мы положим равными 0.9. Таким образом, полная мощность, которая должна быть обеспечена, на выходе оконечного каскада вычисляется по формулам: Pок1 = Pmax + Pmax*(1 – КПДвкс) = 12.5 Вт(1); 4 Расчёт оконечного каскада Исходные данные для расчёта ОК: fв = 15 МГц (верхняя граничная частота); fн = 9 МГц (нижняя граничная частота); Мощность – 10 Вт Режим класса А. Схема оконечного каскада представлена на рисунке 1
Рисунок 1 -Схема оконечного каскада. По верхней граничной частоте и номинальной мощности подбираем подходящий транзистор, нам подходит транзистор 2Т903А. Параметры транзистора 2Т903А: rнас = 1Ом – сопротивление насыщения; rб = 2Ом – сопротивление материала базы; rэ = 0 Ом – сопротивление в цепи эмиттера; Rуэ = 100 Ом – сопротивление утечки эмиттерного перехода; Еотс = 0.7 В – напряжение отсечки; h21оэ = 15коэффициент усиления по току; fT = 130 МГц – граничная частота усиления по току; Ск = 50 пФ – барьерная емкость коллекторного перехода; Ска =10 пФ – барьерная емкость активной части коллекторного перехода; Сэ = 350 пФ – барьерная емкость эмиттерного перехода; Lэ = 0.1 нГн – индуктивность эмиттера; Lб = 20 нГн – индуктивность базы; Uкдоп = 55 В – предельное напряжение на коллекторе; Ебэдоп = 4 В – обратное постоянное напряжение на эмиттерном переходе; Iк0доп = 3 А – постоянная составляющая; Iкдоп = 8 А – допустимый ток коллектора. Результат расчёта входной (базовой) цепи:
Результаты расчёта коллекторной цепи:
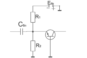
5 Расчёт предоконечного каскада Исходные данные для расчёта ПОК: fв = 15 МГц (верхняя граничная частота усилителя); fн =9 МГц (нижняя граничная частота усилителя); По верхней граничной частоте и номинальной мощности подбираем подходящий транзистор, нам подходит транзистор 2Т921А.
Рисунок 2 -Схема предоконечного каскада. Параметры транзистора 2Т921А:
Результат расчёта входной (базовой) цепи:
Результаты расчёта коллекторной цепи:
6 Расчёт цепи межкаскадного соединения В качестве цепи межкаскадного соединения, между оконечным и предоконечным каскадами, возьмём ФНЧ - трансформатор. Схема трансформатора приведена на рис.3. Исходные данные для расчёта МКС: fв =15 МГц (верхняя граничная частота усилителя); fн =9 МГц (нижняя граничная частота усилителя); Rг =48 Ом (выходное сопротивление предыдущего каскада); Rн =18 Ом (входное сопротивление последующего каскада); а = 0.043 (допустимая неравномерность коэффициента передачи по мощности). После выполнения расчётов получились следующие номиналы элементов:
Схема цепи межкаскадного соединения приведена на рис.3.
Рис.3. Схема цепи межкаскадного соединения. 7 Расчёт выходной колебательной системы Исходные данные для расчёта ВКС: fв =15 МГц (верхняя граничная частота усилителя); fн =9 МГц (нижняя граничная частота усилителя); Rн = 50 Ом (сопротивление нагрузки); Rвх =10.6Ом (сопротивление предыдущего каскада); Pвх =12.5 Вт (мощность на входе ВКС); Pдоп =0.012 Вт (допустимая мощность высших гармоник); КБВн = 0.9 (допустимое значение коэффициента бегущей волны нагрузки); КБВвх = 0.7 (допустимое значение коэффициента бегущей волны на входе ВКС); При проектировании выходных колебательных систем, устанавливаемых после оконечного каскада усилителя, на первом плане стоит обеспечение заданной фильтрации высших гармоник. Заданную фильтрацию гармоник, в первую очередь наиболее интенсивной – второй и третьей. Выходная колебательная система должна обеспечить в рабочем диапазоне частот усилителя при заданном уровне колебательной мощности и высоком КПД. Для выбора типа выходной колебательной системы необходимо вычислить коэффициент перекрытия рабочего диапазона, который вычисляется по формуле:
так как полученный коэффициент перекрытия по частоте Kf =1.67, то для фильтрации высших гармоник ВКС можно выполнить в видеодного широкодиапазонного не перестраиваемого фильтра. При расчёте получим, что для реализации фильтра с заданными параметрами потребуется один шестизвенный фильтр. Номинальные значения элементов фильтра равны:
Схема фильтра приведена на рисунке 3.
Рисунок 3-Схема выходной колебательной системы. 6 Заключение Разработанный мною усилитель соответствует параметрам моего варианта: - обеспечивает на выходе ВКС требуемую мощность (10Вт); - работает в заданном диапазоне частот (от 9 до 15 МГц) 7 Список использованной литературы 1. Шумилин М. С. Проектирование транзисторных каскадов передатчиков; - Москва: Радио и связь, 1987; 2. Шахгильдян В. В. Проектирование радиопередающих устройств, - Москва: Радио и связь, 1993; 3. Благовещенский М.В. Радиопередающие устройства., М.: "Радио и связь", 1982. |











