Курсовая работа: Расчет разностного усилителя (вычитателя) на ОУ
|
Название: Расчет разностного усилителя (вычитателя) на ОУ Раздел: Рефераты по коммуникации и связи Тип: курсовая работа | ||
Запорожская государственная инженерная академия ФЭЭТ Кафедра «Электронные системы» Пояснительная записка к курсовому проекту По дисциплине: Аналоговая схемотехника На тему: “Расчет разностного усилителя (вычитателя) на ОУ” Выполнила: ст. гр. ЭС-05-2д Киричек Е.В. Запорожье 2008 РЕФЕРАТ Страниц-29, рисунков- 8, источников литературы-4. В курсовом проекте рассматривается разностный усилитель. Курсовой проект состоит из двух частей. В первой части рассчитываем параметры разностного усилителя на операционных усилителях. Во второй части разрабатываем компенсационный стабилизатор напряжения. Коэффициент усиления, операционный усилитель, повторитель напряжения, вычитатель, транзистор, компенсационный стабилизатор, источник сигнала, сопротивление, разностный усилитель. СОДЕРЖАНИЕ Введение 1. Операционный усилитель 1.1 Общие сведения 1.2 Структурная схема операционного усилителя 1.3 Разностный усилитель 2. Компенсационный стабилизатор 2.1 Выбор и анализ структурной схемы 3. Расчет схемы электрической принципиальной разностного усилителя 3.1 Исходные данные 4. Расчет компенсационного стабилизатора напряжения Анализ ошибок Заключение Список источников Приложение 1 Приложение 2 ВВЕДЕНИЕ Обмен информацией в электронных системах происходит с помощью сигналов. Многие электронные устройства, используемые в быту и на производстве требуют определенных параметров напряжения на входе, отличных от параметров сети. Для создания нужного напряжения и используют стабилизаторы напряжения, один из которых требуется разработать во второй части проекта. Стабилизатор разрабатывается на базе стандартных аналоговых элементов, выпускающихся серийно и может использоваться для работы с широким спектром устройств, требующих напряжения, укладывающегося в его выходной диапазон. Носителями сигналов могут быть разные физические величины – токи, напряжения, световые волны. Выделяют аналоговые и дискретные сигналыДискретные сигналы проще хранить и обрабатывать, они более стойкие к помехам. Поэтому дискретные сигналы чаще используют на практике, чем аналоговые, так как аналоговое преобразование сигналов является необходимым этапов обработки информации и мощности этих сигналов. Для сигналов, имеющих информационную сущность, такая последовательность преобразования с аналоговыми сигналами на входе и выходе и цифровыми на промежуточном этапе. Для сигналов, имеющих энергетическую сущность, аналоговое преобразование является единственно возможным. Поэтому, в зависимости от особенностей сигналов, существует три группы преобразований: 1) преобразования, связанные с обработкой гармонических сигналов; 2) преобразование с генерацией сигналов; 3) нелинейные “вычислительные” преобразования. Полностью вытеснить аналоговую технику цифровая не сможет, потому что физические процессы, от которых электронная система получает информацию, имеют аналоговую природу. 1. ОПЕРАЦИОННЫЙ УСИЛИТЕЛЬ 1.1 Общие сведения Операционный усилитель (ОУ) – унифицированный многокаскадный усилитель постоянного тока, удовлетворяющий следующим требованиям к электрическим параметрам: коэффициент усиления по напряжению стремится к бесконечности ( входное сопротивление стремится к бесконечности ( выходное сопротивление стремится к нулю ( если входное напряжение равно нулю, то выходное напряжение также равно нулю ( бесконечная полоса усиливаемых частот ( История названия операционного усилителя связана с тем, что подобные усилители постоянного тока использовались в аналоговой вычислительной технике для реализации различных математических операций, например суммирования, интегрирования и др. В настоящее время эти функции хотя и не утратили своего значения, однако составляют лишь малую часть списка возможных применений ОУ. Являясь, по существу, идеальным усилительным элементом, ОУ составляет основу всей аналоговой электроники, что стало возможным в результате достижений современной микроэлектроники, позволившей реализовать достаточно сложную структуру ОУ в интегральном исполнении на одном кристалле и наладить массовый выпуск подобных устройств. Все это позволяет рассматривать ОУ в качестве простейшего элемента электронных схем подобно диоду, транзистору и т.п. Следует отметить, что на практике ни одно из перечисленных выше требований к ОУ не может быть удовлетворено полностью. Достоверность допущений об идеальности свойств в каждом конкретном случае подтверждается сопоставлением реальных параметров ОУ и требований к разрабатываемым электронным средствам (ЭС). Параметры ОУ можно разделить на следующие группы. Входные параметры, определяемые свойствами входного дифференциального каскада: · напряжение смещения нуля Uсм , значение которого определяется неидентичностью напряжений Uбэ0 транзисторов входного дифференциального каскада, и его температурный дрейф ΔUсмΔT; · входной ток инверирующего I- вх и неинвертирующего входа I+ вх , а также средний Iвх.ср и разностный Iвх.разн входной ток (ток баз транзисторов в режиме покоя входного дифференциального каскада) и температурный дрейф разностного входного тока ΔIвх.разн /ΔT; · максимальное входное дифференциальное Uвх.диф. мах и синфазное Uвх.сс. мах напряжения; · входное дифференциальное сопротивление Rвх.оу , т.е. сопротивление между входами ОУ для малого дифференциального входного сигнала, при котором сохраняется линейность выходного напряжения; · входное синфазное сопротивление Rвх.сф. , т.е. сопротивление, равное отношению напряжения, поданного на оба входа ОУ, к току входов. Передаточные параметры: · коэффициент усиления по напряжению Коу определяемый отношением изменения выходного напряжения к вызвавшему это изменение дифференциальному входному сигналу Коу = Uвых /Uвх.диф ; · коэффициент ослабления синфазного сигнала Косс определяемый отношением коэффициента усиления дифференциального сигнала в схеме на ОУ к коэффициенту усиления синфазного сигнала Косс = Коу / Коу.сс . Он характеризует способность ослаблять (не усиливать) сигналы, приложенные к обоим входам одновременно; · граничная частота fгр – частота на которой коэффициент усиления уменьшается в (1/2)1/2 раз по отношению к максимальному значению коэффициенту усиления. Эта частота соответствует уменьшению коэффициента усиления на –3дБ, при задании коэффициента усиления в логарифмическом масштабе. Для ОУ АЧХ коэффициента усиления которого приведена на рис.1 граничная частота fгр =10Гц; · частота единичного усилия f1 т. е. частота, при которой Коу =1. Для ОУ АЧХ коэффициента усиления которого приведена на рис.1 частота единичного усиления f1 =106 Гц. Граничная частота fгр , частота единичного усиления f1 и коэффициент усиления по напряжению Коу для ОУ с внутренней коррекцией связаны соотношением f1 = fгр Коу . · запас устойчивости по фазе на частоте единичного усиления φзап , характеризует устойчивость ОУ. φзап =1800 – |φ1 |, где φ1 – фазовый сдвиг на частоте f1. Положительный запас устойчивости по фазе является показателем устойчивости ОУ. Для получения максимально быстрого отклика на импульсный входной сигнал и одновременно исключения звона или неустойчивости желательно иметь запас устойчивости по фазе порядка 450 . Для ОУ фазово-частотная характеристика, которого приведена на рис.1 φ1 =900 , а φзап =900 . Выходные параметры, определяемые свойствами выходного каскада ОУ: · выходное сопротивление Rвых ; · максимальный выходной ток Iвых.мах , измеряемый при максимальном выходном напряжении, или минимальное сопротивление нагрузки Rн.мин ; · максимальное выходное напряжение в диапазоне линейного усиления. Для большинства типов ОУ величина Uвых.мах =( Еп – 1,5)В, что составляет примерно - 10 В. Переходные параметры: · скорость нарастания выходного напряжения Vu.вых- максимальная скорость изменения во времени напряжения на выходе ОУ (В/мкс) при подаче на вход большого сигнала; · время установления выходного напряжения tуст время за которое выходное напряжение достигает свое стационарное значение с заданной точностью. · напряжение питания ± Еп ; · потребляемый ток Iпот . · потребляемая мощность. Мощность (без нагрузки) потребляемая операционным усилителем. Важной характеристикой ОУ является его амплитудная (передаточная) характеристика. Она приведена на рис.3 – Uвых =f (Uвх+ , Uвх- ). Кривая 1 соответствует выходному напряжению при входном напряжении на инвертирующем входе и нулевом напряжении на неинвертирующем входе, т.е. Uвых =f(Uвх- )|Uвх+= 0 . Кривая 2 – Uвых = f(Uвх+ )|Uвх-= 0 . По амплитудной характеристике можно определить Коу =Uвых /Uвх , и Uсм – напряжение смещения – это постоянное напряжение на входе при котором выходное напряжение равно нулю, т.е. ОУ - сбалансирован, Uсдв – напряжение сдвига - это постоянное напряжение на входе, когда Uвх- = Uвх+ = 0. Типовые значения: Коу=104 ¸107 ; Uсм = 5...20 мВ. При упрощенном анализе схем, содержащих ОУ, удобно пользоваться понятием "идеального ОУ", для которого: 1. Коу = ∞ ; 2. Rвх – входное сопротивление = ∞ ; 3. Rвых – выходное сопротивление = 0 Ом; 4. Uвых
= 0 при Uвх-
= Uвх+
= 0 т.е. ОУ сбалансирован; 5. Из параметров идеального ОУ следует, что его входы виртуально замкнуты т.е. Uвх- = Uвх+ , а Rвх =∞. Это утверждение следует из того, что при Коу = ∞ напряжение Uвых = Коу (Uвх+ - Uвх- ) всегда конечно и по значению меньше напряжения питания Еп , что может иметь место только в том случае когда выполняется условие (Uвх+ - Uвх- )= 0 или (Uвх+ =- Uвх- ). Реально идеальных ОУ не существует. Однако параметры реальных ОУ, с точки зрения погрешностей создаваемых ими, близки к идеальным. Это позволяет использовать понятие идеального ОУ, что существенно упрощает анализ схем, содержащих ОУ. Обычно в устройствах содержащих ОУ он используется не самостоятельно, а с элементами внешней обратной связи, которые целиком определяют его передаточную и частотную характеристику. В действительности при расчете схем содержащих ОУ следует учитывать конечные значения Rвх оу , Rвых оу и полосы пропускания. Так номиналы резисторов, подключаемые к выводам ОУ, должны удовлетворять очевидным неравенствам Rmin ≥ 10 Rвых оу , Rmax ≤Rвх оу /10. (1) Номиналы емкостей, с одной стороны должны быть значительно больше паразитных емкостей схемы. С другой стороны, эти емкости не должны быть большими, так как при этом увеличиваются габариты устройства и потери в конденсаторах.
Рис.1.1. Для низкочастотных устройств (фильтров) частота единичного усиления должна удовлетворять неравенству f1 оу ≥ f0 Ко ; для высокочастотных устройств (фильтров) неравенство оказывается еще более жестким f1 оу ≥ 100f0 Ко , здесь f0 – граничная частота устройства; Ко – коэффициент усиления устройства в полосе пропускания. Операционные усилители, выполняемые в виде монолитных ИМС, можно классифицировать следующим образом. 1. По типу транзисторов, используемых во входных каскадах: – ОУ на биполярных транзисторах, имеющие малое напряжение смещения нуля, но значительные входные токи и сравнительно невысокое входное сопротивление (~ 106 Ом); – ОУ с полевыми транзисторами на входе, в которых достигаются высокое входное сопротивление (~109 – 1012 Ом) и малые входные токи, но возрастает напряжение смещения нуля. 2. По выходной мощности: – стандартные ОУ, которые отдают в нагрузку с сопротивлением Rн=2 кОм номинальную выходную мощность ~50 мВт; – мощные ОУ с выходной мощностью от единиц до нескольких десятков ватт; – микромощные ОУ, в которых мощность, потребляемая в режиме покоя, очень мала (~10-6 Вт). 3. По области применения: – ОУ общего применения, характеризуемые низкой стоимостью, малыми размерами, широким диапазоном напряжения питания, защищенным входом и выходом, не очень высокой частотой f1 ; – специальные ОУ, которые, в свою очередь, разделяются на прецизионные, измерительные, электрометрические, программируемые ОУ и т.п. Параметры некоторых типов ОУ могут изменяться за счет введения частотной коррекции и токового программирования. Частотная коррекция может быть введена в схему ОУ при его изготовлении. Это, так, называемые ОУ с внутренней коррекцией. На рис.1, приведена АЧХ ОУ с внутренней коррекцией. Как известно, такая форма АЧХ обеспечивает устойчивость схем на ОУ при любом требуемом коэффициенте усиления, что достигается за счет существенного ухудшения частотных свойств ОУ. В случае широкого спектра усиливаемого сигнала частотные свойства ОУ накладывают ограничения на значение коэффициента усиления, который можно получить в схеме усилителя, используя данный ОУ. Например, если верхняя граничная частота единичного усиления составляет f1 = 106 Гц, то максимально возможное усиление в схеме усилителя на ОУ, на частоте 104 Гц, имеющем АЧХ, приведенную на рис.1, составит 40 дБ. При этом следует иметь в виду, что в диапазоне частот от 25 Гц до 50 кГц глубина Р отрицательной обратной связи в схеме усилителя будет уменьшаться и при f1 = 10 кГц составит Р = 1. Использование внешних корректирующих элементов позволяет, как правило, обеспечить устойчивую работу ОУ в требуемом диапазоне изменения коэффициента усиления при меньшем ухудшении частотных свойств, но приводит к усложнению схемы усилителя. 1.2 Структурная схема операционного усилителя Операционный усилитель – это аналоговая интегральная схема, снабженная, как минимум, пятью выводами. Ее условное графическое изображение приведено на рисунке 1. Два вывода ОУ используются в качестве входных, один вывод является выходным, два оставшихся вывода используются для подключения источника питания ОУ. С учетом фазовых соотношений входного и выходного сигналов один из входных выводов (вход 1) называется неинвертирующим, а другой (вход 2) – инвертирующим.
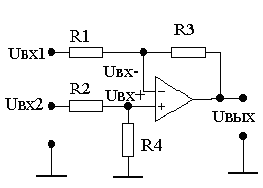
Рис.1.2 Рис.1.3 1.3 Разностный усилитель На основе ОУ выполнен разностный (дифференциальный) усилитель, схема на рис.4. Это усилитель, в котором выходное напряжение пропорционально разности входных сигналов Uвх2 и Uвх1 (рис.4). Установим связь между входными и выходными сигналами этой схемы, учитывая что R1 = R2 и R3 = R4 . Поскольку для идеального ОУ Uвх- = Uвх+ = U2 R4 /(R2 +R4 ) и Iвх = Iос где Iвх =(Uвх+ - Uвх- )/ R3 , то выражение связывающее выходное и входное напряжения примет вид Uвых =R4 /R2 (Uвх2 -Uвх1 ) . (2) Идеальный разностный усилитель при подаче на оба входа одинаковых напряжений, т.е. Uвх1 = Uвх2 , имеет на выходе напряжение равное нулю. Такие входные напряжения называются синфазными Ucc . В общем случае синфазный сигнал представляет собой среднее значение двух входных напряжений, т.е. Ucc = (Uвх1 + Uвх2 )/2. Если Uвх1 =-Uвх2 , то Ucc = 0. Разность двух входных напряжений называется дифференциальным сигналом Uдс =Uвх2 -Uвх1 . Поскольку усилитель разности усиливает только разностный (дифференциальный) сигнал, то такой усилитель часто называют дифференциальным усилителем.Дифференциальный операционный усилитель – универсальный и наиболее широко применяемый тип ОУ. Чтобы уменьшить затраты, выпускают специализированные усилители, имеющие ограниченную область применения из-за того что присутствует всего один вход, но в них лучшее сочетание функциональных возможностей стоимости.
Рис.1.4 Разностный усилитель – это усилитель в котором выходное напряжение пропорционально разности входных сигналовUвх1 и Uвх2 . Разностный усилитель на ОУ является совокупностью инвертирующего и неинвертирующего усилителей.Uвых разностного усилителя: Uвых = Коу (Uвх+ - Uвх- ) (3) Для частного случая при R2 = R3 получаем: Uвых = Uвх2 – Uвх1 (4) Это выражение объясняет происхождение названия и назначение разностного усилителя. Если подать на оба входа разностного усилителя одинаковое напряжение, то на выходе получим напряжение равное нулю, такие входные напряжения называют синфазнымиUсс. Синфазный сигнал это среднее значение двух входных напряжений. Uсс = (Uвх1 + Uвх2 )/2 (5) Если напряжение входа один равняется напряжению входа 2 которое отрицательное, то напряжение синфазного сигнала равно нулю. Разностный усилители часто называют дифференциальным из-за того что усилитель разности усиливает только разностный (дифференциальный) сигнал. Дифференциальным сигналом называется разность двух входных напряжений. Uдс = Uвх2 – Uвх1. Синфазный сигнал в разностном усилителе на ОУ при одинаковой полярности входных напряжений увеличивает ошибку усилителя. Недостатками рассмотренного усилителя мы можем отнести трудность в регулировании коэффициента усиления и разную величину входных сопротивлений. Помехи на входах синфазны, поэтому не усиливаются, а ошибка увеличивается и уменьшить её можно, если выбрать ОУ с полевыми транзисторами или использовать различные схемные решения. Входные сопротивления по входам определяется Rвх.инв. = R1 + Rвх.оу * Rос /Rвх.оу (1+ Киоу )+Rос (6) Rвх.неинв. = Rвых.оу /γос =Rвых.оу /Киоу *Ки инв. (7) что ведет к ошибке Uвых Uвых.ош = Uсм .(1 + |Ки инв .|)+ Iраз.Тос max *Rос , (8) Можно значительно уменьшить, выбрав ОУ с полевыми транзисторами или использовать другие схемные решения. Коэффициент передачи дифференцирующего усилителя определяется: К(jω ) = Uвых / Uвх =jωτ = К(ω) е jφ(ω) где К(ω) = ωτ – амплитудно-частотная характеристика; φ(ω) = π/2 – фазово-частотная характеристика коэффициента передачи. Выходное напряжение определяется: Uвых = - Ки инв * Uвх1 + К и неинв. * Uвх2 * R3 /R3 + R2 = -Rос /R1 * Uвх1 + R1 + Rос / R1 * R3 /R3 + R2 * Uвх2 ; (9) Помехи на входах синфазны, поэтому не усиливаются. К'инв. = Кинв -1/2ˆ Кинв. (10) К'неинв. = Кнеинв +1/2ˆ Кнеинв. (11) тогда коэффициент ослабления синфазного сигнала Кос.сф = (1 + Кu )Кu /ˆ Кu . (12) 2. КОМПЕНСАЦИОННЫЙ СТАБИЛИЗАТОР Стабилизатором напряжения называется устройство, поддерживающие автоматически и с требуемой точностью напряжение на нагрузке при изменении дестабилизирующих факторов в обусловленных пределах. Основным источником питания электронных устройств в настоящее время являются выпрямительные устройства, преобразующие переменный ток в ток одного направления, называемый выпрямленным. Постоянное напряжение или ток, получаемые от выпрямителей, по различным причинам могут изменяться, что может нарушить нормальную работу различных устройств, питание которых осуществляется от выпрямительных устройств. Основным причинами нестабильности является изменение напряжения сети и изменение тока нагрузки. Для обеспечения постоянного напряжения на сопротивлении нагрузки применяют стабилизаторы напряжения. Существует два принципиально разных метода стабилизации напряжения: параметрический и компенсационный. Сущность компенсационного метода стабилизации сводится к автоматическому регулированию выходного напряжения. В компенсационных стабилизаторах производится сравнение фактической величины входного напряжения с его заданной величиной и в зависимости от величины и знака рассогласования между ними автоматически осуществляется корректирующее воздействие на элементы стабилизатора, направленное на уменьшение этого рассогласования. 2.1 Выбор и анализ структурной схемы Основными параметрами, характеризирующими стабилизатор, являются: 1. Коэффициент стабилизации, представляющий собой отношение относительного изменения напряжения на входе к относительному изменению напряжения на выходе стабилизатора. Kсти = DUвх / Uвх : DUвых / Uвых , (13) где: Uвх и Uвых - номинальное напряжение на входе и выходе стабилизатора. DUвх и DUвых - изменение напряжений на входе и выходе стабилизатора. Коэффициенты стабилизации служат основными критериями для выбора рациональной схемы стабилизации и оценки ее параметров. 2. Выходное сопротивление, характеризующее изменение выходного напряжения при изменении тока нагрузки и неизменном входном напряжении. Rвых = DUвых / DIвых , при Uвх = const. (14) 3. Коэффициент полезного действия, равный отношению мощности в нагрузке к номинальной входной мощности. h = Uвых ´ Iвых / Uвх ´ Iвх . (15) 4. Дрейф (допустимая нестабильность) выходного напряжения. Временной и температурный дрейф характеризуется величиной относительного и абсолютного изменения выходного напряжения за определенный промежуток времени или в определенном интервале температур. Схемы компенсационных стабилизаторов постоянного напряжения бывают последовательного (рис.2.1) и параллельного (рис.2.2) типов.
Рис. 2.1.
Рис.2.2. Различие приведенных схем состоит в следующем. В последовательных стабилизаторах напряжение на регулирующем элементе возрастает при увеличении напряжения на нагрузке, а ток приблизительно равен току нагрузки. В параллельных стабилизаторах напряжение на регулирующем элементе не зависит от входного напряжения, а ток находится в прямой зависимости от напряжения на нагрузке. Стабилизаторы параллельного типа имеют невысокий КПД и применяются сравнительно редко. Для стабилизации повышенных напряжений и токов, а также при переменных нагрузках обычно применяются стабилизаторы напряжения последовательного типа. Их недостатком является то, что при коротком замыкании на выходе к регулирующему элементу будет приложено все входное напряжение. Это обстоятельство необходимо учитывать при эксплуатации стабилизатора. 2.2 Разработка принципиальной электрической схемы В соответствии с выбранной структурной схемой (рис.2.1) составляем приблизительную схему компенсационного стабилизатора напряжения. После проведения расчета, данная схема будет доработана. Только после полного расчета режимов работы и выбора элементов можно составить окончательный вариант схемы электрической принципиальной компенсационного стабилизатора напряжения. 3. РАСЧЕТ СХЕМЫ ЭЛЕКТРИЧЕСКОЙ ПРИНЦИПИАЛЬНОЙ РАЗНОСТНОГО УСИЛИТЕЛЯ
Рис.3.1 Схема вычитателя РАСЧЕТНАЯ ЧАСТЬ 3.1 Исходные данные Тип ОУ К140УД9
Rн = 15кОм;
Расчет выходного каскада. 1. Величину резистора обратной связи [Ом]:
2. Учитывая согласованное включение каскада принимаем[Ом]:
Отсюда
определяем
3. Определяем величину резистора
4. Так как для расчета
5. Определяем коэффициенты усиления по входам
6. Входные сопротивления по входам
7. Корректируем величину
8. Определяем входные токи [А]:
где
9. Так как симметричный вход создан двумя неинвертирующими усилителями ОУ
где a-коэффициент деления потенциометра, а =0,2 – 0,5 10. Коэффициент ослабления синфазного сигнала
где
11. Найдем изменение
где
12. Определим ошибку выходного напряжения от дестабилизационных факторов [В]:
Дрейф, приведенный ко входу усилителя
13. Определим относительное изменение коэффициента усиления при изменении температуры на
где обычно для ОУ охваченных ОС
14. Определим общую статическую погрешность вычитателя:
где
4. РАСЧЕТ СХЕМЫ ЭЛЕКТРИЧЕСКОЙ ПРИНЦИПИАЛЬНОЙ КОМПЕНСАЦИОННОГО СТАБИЛИЗАТОРА. РАСЧЕТ КОМПЕНСАЦИОННОГО СТАБИЛИЗАТОРА НАПРЯЖЕНИЯ 4.1Выбираем транзисторКТ343В h21 =40 Uкэ нас =0,7 В Uкэ мах =5 В Рк мах =0,25 Вт In =50 mA 4.2 Рассчитываем величину балластного сопротивления Rб : Rб
= где ток через стабилитрон лежит в пределах Ic т мах <IVD < Ic т м in –Iб , Iб ≈Iэ / h21 =0.03/40=0,00075 (А),а UVD =Uвых –Uэб =5.4–0,7=4.7 (В) Режим работы транзистора выбираем так, чтобы он был не полностью открыт напряжением Uэб =0,7 В. Выбираем стабилитрон 1N4757A: Ic т мах =90 мА Ic т м in =10 мА Uст =50 В rдиф =30 Ом Учитывая условие Ic т мах <IVD < Ic т м in –Iб : IVD =50 мА , тогда Rб =(5.4-4.7)/(0.05+0.00075)= 13.79 (Ом) 4.3 Вычисляем максимальное рабочее напряжение Uкэ p и максимальную мощность которую должен рассеивать транзистор Pк p Uкэ p =Uвх – UVD =5.4-4.7= 0.7 В Pк p = Uкэ p ·Iн мах где Iн мах = Iн имп , с учетом того, что Iн имп – это ток нагрузки, изменение которого в импульсе Iнимп =0.045 А , тогда Pк p =0,7*0.045=0.0315 Вт и т. к. условие Pк p < Рк мах выполняется с семикратным запасом, то это свидетельствует о применимости выбранного транзистора. Кстб =dUвх /Uвх :dUвых /Uвых = 0,54/5,4=10 Анализ ошибок Качество работы разностного усилителя во многом зависит от разброса параметров электронных компонентов, входящих в его состав. Во многом это связано с невозможностью изготовления компонентов с одинаковыми параметрами. Сильное влияние на разброс параметров оказывает колебания температуры окружающей среды и температуры мощности рассеивания этих элементов. С целью уменьшения колебаний параметров от температуры мощности рассеивания для элементов высокой мощности устанавливаются радиаторы. Заключение Курсовой проект выполнен в соответствии с заданием на проектирование, и полученные результаты удовлетворяют требованиям действующих ГОСТов на радиоаппаратуру. По результатам проверки и анализа работы схемы видно, что данная схема отличается высокой работоспособностью. В данный момент наиболее перспективно использование разностных усилителей на базе ИМС, так как это снижает затраты на монтаж, уменьшает энергоемкость стабилизатора, уменьшает его габаритные размеры, что сказывается на стоимости устройства. В данной схеме возможно установить элементы индикации о состоянии регулирующего элемента, о перегрузке компенсационного стабилизатора, о наличии питающего напряжения. Кроме вышеперечисленного возможно установить в схеме тепловую защиту регулирующего элемента. При выборе элементной базы производился сравнительный анализ отечественного и импортного ассортимента радиоэлементов. Анализ проводился по качественным, технологическим и экономическим показателям. В большинстве случаев предпочтение было отдано в пользу отечественных компонентов. Список источников 1. Карпенко П.Ф. Источники питания. Схемотехника компенсационных стабилизаторов напряжения. Методические указания. - Краснодар: изд.КПИ, 1992. 2. Горбачёв Г.Н., Чаплыгин Е.Е. Промышленная электроника. - М.: Энергоатомиздат, 1998. 3. Хоровиц П., Хилл У. Искусство схемотехники: в 3-х томах: Т. 1. Пер. с англ. –4-е изд. перераб. и доп. – М.: Мир, 1993. 4. Аналоговая схемотехника. Методические указания по курсовому проектированию для студентов специальности 7.090803 «электронные системы» / Сост. В.И. Тараканов, Н.Е. Дубровина, – Запорожье: Изд-во ЗГИА, 2003. – 43 с. |








