Лабораторная работа: Расчет характеристик и переходных процессов в электрических цепях
|
Название: Расчет характеристик и переходных процессов в электрических цепях Раздел: Рефераты по коммуникации и связи Тип: лабораторная работа |
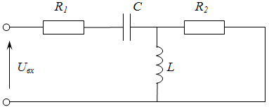
МИНИСТЕРСТВО ВЫСШЕГО ОБРАЗОВАНИЯ И НАУКИ УКРАИНЫ ХТУРЭКафедра ОРТРАСЧЕТНО – ПОЯСНИТЕЛЬНАЯ ЗАПИСКА К КУРСОВОЙ РАБОТЕ по курсу "Основы теории цепей" Тема: Расчет характеристик и переходных процессов в электрических цепях Выполнил: студент группы ВEЗ-09-3 Моисеев В.П. Проверил: Долбин А.А. Харьков 2009СОДЕРЖАНИЕЗадание Введение 1. Определение характеристического сопротивления Z(w) 2. Определение классическим методом переходной характеристики 3. Нахождение импульсной характеристики цепи 4. Определение комплексного коэффициента передачи цепи 5. Нахождение передаточной функции цепи 6. Расчет отклика цепи на произвольное, построение графика отклика ЗаключениеСписок использованных источниковПриложение А ЗАДАНИЕСхема и параметры цепи:
R1 =2 Ом; R2 = 800 Ом; L = 2,3 мкГн; C = 338 пФ. Параметры воздействия в виде импульса, показанного на рисунке ниже: U1 = -16B; U2 =48B. t1 = 14мкс; t2 = 28мкс. Временная диаграмма импульсного воздействия
ВВЕДЕНИЕ Основная цель данной работы – закрепление и углубление знаний по разделам курса и формирование практических навыков применения методов анализа теории цепей, имеющих большое значение для изучения последующих дисциплин и для специальности радиоинженера в целом. Значение комплексного коэффициента передачи цепи, временных характеристик линейных цепей и методов анализа переходных процессов в линейных цепях, необходимо для изучения основных методов расчета радиотехнических устройств (спектрального, временного и операторного). Овладение этими методами позволяет выбирать в каждом конкретном случае наиболее рациональный, вытекающий из принципа работы устройства метод, а решение одной и той же задачи различными методами предохраняет от ошибок. 1. ОПРЕДЕЛЕНИЕ ХАРАКТЕРИСТИЧЕСКОГО СОПРОТИВЛЕНИЯ Z(w) Для определения характеристического сопротивления нужно составить уравнение:
Приобразуем его:
Найдём модуль характеристического сопротивления ôZ(w)ô:
Подставив числовые значения, получим: График зависимости модуля характеристического сопротивления от частоты показан на рисунке 1.1. Результаты расчетов представлены в дополнении А.
Рисунок 1.1 – График зависимости модуля характеристического сопротивления от частоты Рассмотрим поближе тот промежуток зависимости модуля характеристического сопротивления от частоты, где он приближается к минимуму (рисунок 1.2).
Рисунок 1.2 – График зависимости модуля характеристического сопротивления от частоты (точка минимума) Как видно из результатов расчетов, представленных в дополнении А, минимальное значение модуля характеристического сопротивления находится на частоте 3,58 ×107 рад/с.
Найдём фазочастотную характеристику. Она равняется arctg от соотношения нериальной части к реальной характеристического сопротивления: Подставив числовые значения, получим:
График ФЧХ представлен на рисунке 1.3.
Рисунок 1.3 – График фазо - частотной характеристики 2. ОПРЕДЕЛЕНИЕ КЛАССИЧЕСКИМ МЕТОДОМ ПЕРЕХОДНОЙ ХАРАКТЕРИСТИКИ Поскольку схема содержит два накопительных элемента (C и L) в различных ветвях, данная цепь является цепью второго порядка. В ней возможны либо апериодический, либо колебательный режим. Для выяснения этого составим характеристическое уравнение и определим его корни. Для определения корней характеристического уравнения можно воспользоваться следующей методикой – записать входное сопротивление в операторной форме
откуда, находим корни этого уравнения. Поскольку они комплексные, то:
Цепь имеет колебательный характер, поэтому свободную составляющую решения можно определять в виде затухающего колебания:
где В данном случае Итак,
Чтобы определить постоянные интегрирования нужно составить два уравнения для начальных значений Начальное значение Для нахождения произвольной переходной характеристики продифференцируем по времени по времени Из курса ОРЭ известно, что напряжение на ёмкости равно:
Учтя всё это можно составить систему уравнений:
Решение системы уравнений и подстановка данных приводит к значению: Переходная характеристика после подстановки значений имеет вид:
или
Её график изображен на рисунке 2.3. Расчетные данные находятся в приложении А.
Рисунок 2.3 – График зависимости переходной характеристики 3. НАХОЖДЕНИЕ ИМПУЛЬСНОЙ ХАРАКТЕРИСТИКИ ЦЕПИ Импульсная характеристика вычисляется с помощью зависимости от
В импульсной характеристике отсутствует дельта функция, поскольку После подстановки значений:
получим
График импульсной функции изображен на рисунке 3.1. Расчетные данные находятся в приложении А.
Рис.3.1 – График зависимости импульсной функции 4. ОПРЕДЕЛЕНИЕ КОМПЛЕКСНОГО КОЭФФИЦИЕНТА ПЕРЕДАЧИ ЦЕПИ Комплексный коэффициент передачи может быть представлен в показательной форме записи:
где
Модель комплексного коэффициента передачи представляет собой АЧХ цепи, а аргумент - ФЧХ цепи. Его можно найти из соотношения:
Напряжение на резисторе R2 равно напряжению на индуктивности L. Выходя из этого, можно записать:
Комплексный коэффициент передачи при этом:
Выделим мнимую часть числа и найдём модуль (АЧХ):
Подставим значения в выведенные формулы и получим:
Аргумент
Г рафики АЧХ , ФЧХ представлены на рисунках 4.1и 4.2 соответственно
Рисунок 4.1 -АЧХ
Рисунок 4.2 – ФЧХ 5. НАХОЖДЕНИЕПЕРЕДАТОЧНОЙ ФУНКЦИИ Формально выражения для комплексного коэффициента передачи
Произведём замену:
Подставив значение
получим:
Умножим и поделим, прибавим и отнимем комплексно сопряженные числа:
Сведём по формуле квадратов:
Подставив числовые значения и сделав еще некоторые преобразования получим:
Зная, что
запишем импульсную характеристику:
Зная, что
получим переходную характеристику:
Полученные выражения для 6. РАСЧЕТ ОТКЛИКА ЦЕПИ НА ПРОИЗВОЛЬНОЕ, ПОСТРОЕНИЕ ГРАФИКА ОТКЛИКА Опишем входной сигнал (напряжение) с помощью простой функции:
Учитывая то, что вид реакции цепи - iL запишем на каждом временном интервале функцию тока через напряжение:
ЗАКЛЮЧЕНИЕВ ходе выполнения курсовой работы были изучены классический и операторный методы нахождения временных характеристик. Классический метод оказался более прост, так как требовал меньше математических выкладок, для определения
|



,
.
.





, откуда
,
,
.




(3.1)

















