Реферат: Розробка структурної схеми аналого-цифрового інтерфейсу. Підсистема збору аналогових сигналів
|
Название: Розробка структурної схеми аналого-цифрового інтерфейсу. Підсистема збору аналогових сигналів Раздел: Рефераты по коммуникации и связи Тип: реферат | |||||||||||||||||||||||||||||||||||||||||||||||||||||||||||||||||||||||||||||||||||||||||||||||||||||||||||||||||||||||||||||||||||||||||||||||||||||||||||||||||||||||||||||||||||||||||||||
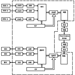
Реферат на тему: «Розробка структурної схеми аналого-цифрового інтерфейсу (АЦІ). Підсистема збору аналогових сигналів (ПЗАС)» 1. Пристрої введення (виведення) аналогової інформації в ЕОМ (аналого-цифрові інтерфейси) Контроль та управління складними інформаційно-вимірювальними та технологічними процесами забезпечується шляхом аналізу досить значної кількості параметрів цих процесів. На практиці ця кількість коливається від декількох одиниць до декількох сотень, в залежності від типу процесу. Більшість процесів дозволяє зняти інформацію про їх параметри в автоматичному режимі за допомогою так званих первинних перетворювачів інформації. Як правило, первинний перетворювач інформації у якості вхідного сигналу має фізичні величини, що характеризують процес, такі, наприклад, як температура, тиск, вологість, швидкість і таке інше. Вихідний сигнал формується у вигляді напруги, струму, фази або частоти. Він додатково характеризується такими параметрами, як динамічний діапазон зміни сигналу та ширини смуги частотного спектру. Одержані від первинних перетворювачів, як правило, безперервні (аналогові) сигнали напруги, струму, фази або частоти необхідно ввести в ЕОМ в дискретній формі, обробити за вибраним алгоритмом та вивести, можливо в аналоговій формі, для подальшого управління технологічним процесом. Необхідність виконання цих операцій обумовлює проведення ряду перетворень інформаційних сигналів з аналогової форми в дискретну та навпаки, передачу сигналів по інформаційних каналах (в тому числі по лініях зв'язку) в аналоговій або дискретній формі, комутацію інформаційних каналів від різних первинних перетворювачів, узгодження характеристик елементів і ряду інших операцій. Ця задача реалізується за допомогою деякої сукупності пристроїв та елементів, що можна визначити як аналого-цифровий інтерфейс (АЦІ) ЕОМ. Узагальнена структура аналого-цифрового інтерфейсу надана на рисунку 2.16.
Рисунок 2.16 – Узагальнена структура АЦ інтерфейсу В структурній схемі прийняті такі абревіатури: ППІ 1–3 – первинні перетворювачі інформації; УНП – узгоджувально-нормувальні пристрої; АФ – аналогові фільтри; МС – мультиплексор; АЦП – аналого-цифровий перетворювач; МД – апаратура передачі (приймання) даних (модем); ЛЗ – лінія зв'язку; ЦАП – цифро-аналоговий перетворювач; ДМС – демультиплексор сигналів; ПП – підсилювач потужності; ВО – виконавчий орган. Аналогові фізичні величини формують на виході первинних перетворювачів інформації сигнали напруги, струму, фази або частоти, функція зміни яких пропорційна функції зміни параметрів інформаційно – технологічних процессів. Ці сигнали характеризуються, перш за все, динамічним діапазоном Dx(t) в децибелах, де Dx (t)=20 lg Amax / Amin Amax – максимальне значення амплітуди сигналу X(t) в абсолютних одиницях (В, А, Гц); Am in– мінімальне значення сигналу в абсолютних одиницях (В, А, Гц); та смугою частот в спектрі сигналу x(t) від fH , до fB в герцах (кГц, мГц). Графічно це виглядає як показано на рисунку 2.17:
Рисунок 2.17 – Характеристики сигналу X(t) Окрім цих параметрів потрібно враховувати вплив вихідних імпедансів (Rвих ) та похибок характеристики передачі (перш за все нелінійностей) первинних перетворювачів. Передача сигналу X(t) в схему АЦ інтерфейсу не повинна супроводжуватись додатковими похибками або їх величина не повинна перевищувати встановленої долі значення Amin (у більшості випадків це 1/4 Amin ). Тому на вході АЦ інтерфейсу зазвичай встановлюють узгоджувально – нормувальні пристрої (УНП), основна функція яких полягає в забезпеченні вхідного імпедансу на рівні Rвхунп >(5/10) Rвхпп . Це дозволяє усунути вплив вхідних кіл АЦ інтерфейсу на вихідний опір ППІ, як джерела сигналу. Окрім функції узгодження імпедансів, УНП виконує також функції нормування (підсилення або послаблення) сигналу X(t). Така необхідність виникає в тих випадках коли, вихідний сигнал ППІ має низьке значення Amax (на рівні мікровольт або мілівольт). Основні функції УНП та функції аналогового фільтра (АФ) на практиці можна інколи забезпечувати одним елементом, використовуючи операційні підсилювачі. Якщо це неможливо, то аналоговий фільтр встановлюють додатково. До функцій аналогового фільтра відносять обмеження спектру частот сигналу X(t) значеннями fH та fB . При цьому відсікаються всі складові, що не належать до сигналу X(t). Аналоговий фільтр додатково застосовується для усунення ефекту накладання спектрів при дискретизації, а також для відновлення безперервних (аналогових) сигналів з дискретної (цифрової) форми. Якщо інформаційно-технологічний процес характеризується значною кількістю параметрів, що обробляються n-ю кількістю ППІ, то до складу АЦІ необхідно вводити мультиплексори аналогових (або цифрових) сигналів. Мультиплексори сигналів (МС) дозволяють забезпечити перетворення m-сигналів X(t) з аналогової форми в цифрову за допомогою одного аналого-цифрового перетворювача (АЦП). Для забезпечення такого перетворення необхідно мати АЦП, розрядність якого забезпечує динамічний діапазон Dx(t). n>Dx (t)/G, де G = 20lg2=6 Цей АЦП повинен мати частоту дискретизації в mраз вищу такої, що потрібна для перетворення в дискретну форму (дискретизації) сигналу X(t) по одному каналу. fgАЦП > m∙fgХi(t) Передача такої дискретної (цифрової) інформації до системної ЕОМ може здійснюватись на значні відстані, в тому числі і по телефонних мережах. Така передача забезпечується пристроями передачі даних, у якості яких можуть використовуватись модеми (МД) під управлінням схем управління (СУ) АЦІ. У випадку необхідності організації зворотного інформаційного каналу передача цифрових даних здійснюється на значні відстані також за допомогою модему. Потім відбувається перетворення інформації з дискретної (цифрової) форми в аналогову за допомогою цифро-аналогового перетворювача (ЦАП). Розділ інформації по каналах здійснює демультиплексор (ДМС) (в данній структурі – аналоговий) сигналів. Подальшу фільтрацію високочастотних складових >fB здійснює аналоговий фільтр. Сигнал x(t) підсилюється підсилювачем потужності і управляє роботою виконавчого органа (ВО). Загальне управління роботою всіх елементів АЦІ знову ж здійснює схема управління (СУ), що може бути побудована на основі мікропроцесора. 2. Завдання на виконання робіт по розробці структурної схеми АЦІ Для проведення розробки структурної схеми АЦІ задаються параметри: · Динамічний діапазон зміни вхідних сигналів –Dxв Дб; · Аналоговий сигнал – напруга випадкової форми X(t); · Інформація надходить від 2 груп первинних перетворювачів (ППІ); Де параметри ППІ першої групи: Кількість ППІ – m1; Смуга частот спектра – від нуля до fв1 в кГц; Де параметри ППІ другої групи: Кількість ППІ – m2; Смуга частот спектра – від нуля до fв2 в кГц; В процесі розробки необхідно обрати конфігурацію структурної схеми, ПЗАС, виходячи з вищенаведених параметрів АЦІ. Індивідуальні завдання для виконання робіт
3. Порядок виконання завдання по розробці структурної схеми АЦІ Для проведення розробки структурної схеми АЦІ задаються такі параметри: а) динамічний діапазон зміни вхідних сигналів – Dx в Дб, б) аналоговий сигнал – напруга випадкової форми x(t), в) інформація надходить від двох груп первинних перетворювачів інформації (ППІ), де параметри ППІ першої групи: - кількість ППІ – m1 = 1 - смуга частот спектра – від нуля до Fв1 , в кГц, (0 – Fв1 ) = 0 – 6 кГц; де параметри ППІ другої групи - кількість ППІ – m2 = 8 - смуга частот спектра – від нуля до Fв 2 , в кГц, (0 – Fв 2 ) = 0 – 1 кГц. Розробка структурної схеми АЦІ розпочинається з вибору варіанта завдання із таблиці 1 – параметрів згідно з варіантом індивідуального завдання. Для нашого варіанту: Dx=50 Дб,
(0 – Fв1 ) = 0 – 6 кГц,
(0 – Fв 2 ) = 0 – 1 кГц, Umax = 2 В. В процесі розробки необхідно обрати конфігурацію структурної схеми ПЗАС, виходячи з вищенаведених параметрів АЦІ. 1.1. проектування структури аналого-цифрового інтерфейсу розпочинається з визначення параметрів та вибору аналого-цифрового перетворювача, перш за все його розв’язувальної спроможності (РС інакше роздільної здатності), тобто кількості двійкових розрядів, що відображають динамічний діапазон зміни сигналу. Розв’язувальна спроможність визначається виходячи з емпіричного виразу:
де Dx – динамічний діапазон вхідного сигналу. Коефіцієнт 6 визначається зміною розрядності перетворювача на один двійковий розряд (тобто у два рази). Це відповідає 6 Дб, виходячи з виразу 20lg2 = 6. Тоді для даного прикладу: n = 50/6 ≥ 8.2 Вибираємо n = 9 двійкових розрядів. Частота дискретизації по кожному з ППІ (вхідному каналу) обирається згідно з теоремою Котельникова із співвідношення:
де f в – вища частота в спектрі сигналу, що перетворюється. З урахуванням введення аналогового фільтра низьких частот значення f д збільшується на величину 2 f сп (де сп – смуга спаду частотної характеристики фільтра від 0 Дб до значення мінус Dx).
Рис. АЧХ аналогового фільтра НЧ Користуючись практичними даними, які свідчать, що порівняно просто реалізуються фільтри із f сп = f в на октаву (тобто у два рази) з затуханням Dср > -70 ДБ (при цьому реалізується порядок фільтра R = 7, тобто, при 1 – Дб на порядок 10*R=70 ДБ), одержимо емпіричний вираз:
При R=10, f д ≥ 3*f в ; R=7, f д ≥ 4*f в ; R=2, f д ≥ 8*f в . Проте ці співвідношення не враховують реального динамічного діапазону сигналу, а тому більш практичним буде вираз:
Задавшись значенням порядку аналогового фільтра R=7, що дасть значення Dсп = R*10= 70 Дб, отримаємо для вхідних каналів першої групи ППІ: f д1 = 2*6*103 (1+50/70) =20,4 кГц. При цьому час перетворення АЦП дорівнює Tпр1 = 1/f д1 = 49 мкс. Для вхідних каналів другої групи ППІ f д2 = 2*1*103 (1+50/70) =3,4 кГц. При цьому час перетворення АЦП дорівнює Tпр2 = 1/f д2 = 294 мкс. В якості основної частоти дискретизації обираємо частоту f д1 =20,4 кГц. Частоту f д2 будемо одержувати шляхом децимації (проріджування) відліків, одержаних з частотою 20,4 кГц на 6, тоді f д2 = 3,4 кГц. Виходячи з параметрів n і fд
вибираємо АЦП, користуючись таблицею довідника. Найбільш придатним для нашого прикладу є перетворювач 1113ПВІ, що має значення n=10 ті fд
= 33 кГц. Враховуючи, що для перетворення сигналу кожного каналу в код необхідно виділяти додатковий час Тпр1=1*(30+3)=33<49 мкс, Тпр2=8*(30+3)=264<294 мкс. Визначаємо, що 1 АЦП типу 1113ПВІ може перетворити миттєві значення 1 каналу першої групи перетворювачів, або 8 каналів 2-ої групи перетворювачів. Отже для забезпечення перетворення відліків (миттєвих значень) в цифрову форму 1 каналу першої групи ППІ і 8 каналів другої групи ППІ необхідно встановити АЦП типу 1113ПВІ та один мультиплексор типу 590 КН6. Результатом розрахунків є побудована структурна схема підсистеми ПЗАС. 4. Пояснення до структурної схеми, яка отримана за результатами розрахунків В структурній схемі прийняті такі абревіатури: ППІ – первинні перетворювачі інформації; УНП – узгоджувально-нормувальні пристрої; АФ – аналогові фільтри; АМС – аналоговий мультиплексор; ЦМС – цифровий мультиплексор, АЦП – аналого-цифровий перетворювач; БД – буфер даних, ШД – шина даних. |


