Дипломная работа: Створення мікропроцесорної системи для багатоканального інформаційного табло
|
Название: Створення мікропроцесорної системи для багатоканального інформаційного табло Раздел: Рефераты по коммуникации и связи Тип: дипломная работа | ||||||||||||||||||||||||||
ЗМІСТ Вступ 1. Технічне завдання 1.1 Розробка структурної схеми 1.2 Вибір елементної бази 1.2.1 Мікроконтролер ATmega8 1.2.2 Дешифратор SN74LS145N 2. Спеціальний розділ 2.1 Розробка принципової схеми годинників 2.1.1 Етапи створення принципової схеми 2.1.2 Опис монтажних робіт 2.2 Принципова схема інформаційного табло Висновок ВСТУП Сучасну мікроелектроніку важко уявити без такої важливої складової, як мікроконтролер. Мікроконтролери непомітно завоювали світ. В останній час на допомогу людині пришла ціла армія електронних помічників. Ми привикли до них і часто навіть не підозрюємо, що в багатьох таких пристроях працює мікроконтролер. Мікроконтролерні технології дуже ефективні. Один і той же пристій, який раніше збирався на традиційних елементах, будучи зібрано з використанням мікроконтролерів, становиться простіше. Вони не потребують налагоджування та менші за розміром. Крім цього, з використанням мікроконтролерів з’являються практично безмежні можливості по додаванню нових споживчих функцій та можливостей до вже існуючих пристроїв. Незважаючи на те, що мікроконтролери AVR появилися на ринці близько 10 років тому, їх популярність до сьогоднішнього часу дуже велика. З кожним роком вони охоплюють все нові ланки на ринці. Не останню роль в цьому відіграє відношення показників ціна/швидкодія/енерговикористання, до цього часу являються майже найкращі на ринці 8 – бітних мікроконтролерів. Крім того постійно зростає число виготовлення сторонніми виробниками різних програмних та апаратних засобів підтримки розробок пристроїв на їх основі. Все це дозволяє говорити про мікроконтролери AVR. Мікроконтролери сімейства Megaпідтримують декілька режимів низького енерговикористання, мають блок переривання, сторожевий таймер та допускають програмування безпосередньо в готовому пристрою. Метою дипломного проекту було створення мікропроцесорної системи для багатоканального інформаційного табло, яка побудована на основі мікроконтролера ATmega8. Для побудови мікропроцесорної системи необхідно було обрати найекономічнішу, швидкодійну та найменш енерговикористовувані елементи. Саме тому при створенні мікропроцесорної системи була приділена увага наступним елементам: дешифратор SN74LS145N, транзисторні ключі ULN2803A, Розроблена в дипломному проекті мікросхема SN74LS145N – являє собою двіково-десяткові монолітні дешифратори/драйвери, які складаються з восьми інверторів і десяти логічних елементів І-НІ, с чотирма входами. Для вирішення постановленої задачі, проектування було поділено на 2 етапи. На першому етапі – створення годинників. Для їх стабільної роботи та виконання відповідних функцій необхідно було обрати наступні елементи: конденсатори, резистори, транзистори та діоди. На другому етапі побудови мікропроцесорної системи інформаційного табло необхідно було обрати найбільш ефективний та економічний спосіб відображення інформації, яку виконують світлодіоди. 1 ТЕХНІЧНЕ ЗАВДАННЯ 1.1 Розробка структурної схеми Компанія Atmel (США) добре відома як на світовому, так і на українських ринках електронних компонентів і є одним із визнаних лідерів в розробці складних виробів мікроелектроніки – прилади енергозалежної пам’яті високої швидкодії та мінімального використання енергії; мікроконтролерів загального призначення та мікросхем програмованої логіки. Мікроконтролери сімейства AVR фірми Atmel являють собою восьмирозрядну однокристальну мікро ЕОМ з спрощеною системою команд – RISC ( Restricted (Reduset) InstructionSetComputer). До складу сімейства AVR входять мікроконтролери трьох серій –АТclassic, ATtiny та ATmega. В кожну серію входять мікроконтролери декількох типів. Мікроконтролери серії АТclassic за своїми структурними характеристикам (об’єм пам’яті, склад периферійних пристроїв) подібні к мікроконтролерам сімейства АТ89 фірми Atmel та MCS – 51 фірми Atmel. За обчислювальними можливостями вони займають середнє місце між мікроконтролерами серії ATtiny та ATmega. Мікроконтролери серії ATtiny мають найменші, а мікроконтролери серії ATmega – найбільші обчислювальні можливості в сімействі AVR. [1]. Мікроконтролери сімейства AVR мають єдину базову структуру. Узагальнена структурна схема мікроконтролера (МК) зображена на рисунку 1. До складу мікроконтролера входять: - Генератор тактового сигналу (GCK); - процесор (CPU); - постійний запам’ятовуючий пристрій для зберігання програми, виконаної по технології Flash, (FlashROM); - оперативно запам’ятовуючий пристрій статичного типу для зберігання даних (SRAM); - постійний запам’ятовуючий пристрій для зберігання даних, виконаних по технології (EEPROM);
Рисунок 1 Структурна схема мікроконтролера - набір периферійних пристроїв для введення та виведення даних та керуючих сигналів та виконання інших функцій. Для побудови мікропроцесорної системи необхідно було обрати найекономічнішу, швидкодійну та найменш енерговикористовувані елементи. На структурній схемі (рис. 2) зображено головні блоки мікропроцесорної системи та інформаційного табло. Їх роботоспроможність забезпечує блок живлення, що підключений до мережі 220V, а на виході дає 12V, яка необхідна для роботи елементів та мікроконтролера. Від блоку живлення струм потрапляє на схему годинників де знаходяться головні елементи даної мікропроцесорної системи. За допомогою програми в Flash пам’яті, мікроконтролер виконує та опрацьовує певні команди і передає дешифратору необхідні вихідні дані, які в свою чергу пересилаються на індикатор та на блок індикації. Для відображення інформації на інформаційному табло, який працює по принципу загальний катод, необхідний блок індикації, що розподіляє інформаційні виходи на відповідний порядковий номер в індикаторі.
Рисунок 2 Структурна схема електронних годинників та інформаційного табло 1.2 Вибір елементної бази 1.2.1 Мікроконтролер ATmega8 Популярність мікроконтролерів AVR на ринку, серед 8- розрядних мікроконтролерів, постійно збільшується, тому що вони мають найкращі співвідношення показників "ціна/швидкодія/енергоекономічність". Крім цього постійно збільшується кількість програмних та апаратних засобів підтримки створення приладів на їх основі. В рамці однієї базової архітектури мікроконтролери AVR поділяються на три сімейства: - Classic AVR; - Mega AVR; - Tiny AVR; Мікроконтролери сімейства Classic мають об’єм Flash пам’яті програм від 1 до 8 Кбайт (число циклів стирання/запису не менше 1000). В сімейство Classic входять мікроконтролери з різним набором периферійних пристроїв та різної кількості виводів. Мікроконтролери сімейства Tiny мають найбільший об’єм пам’яті програм (1-8 Кбайт) та доволі обмежену кількість периферійних пристроїв. Майже всі вони виготовляються в 8-вихідних корпусів та призначенні для так званих «бюджетних» рішень, використовуваних в умовах важких фінансових обмежень. Межі використання цих мікроконтролерів – інтелектуальні датчики різного призначення (контрольні, пожарні та охороні), іграшки, зарядні прилади, різні побутові прилади та інші подібні прилади. Мікроконтролери сімейства Mega також мають найбільший об’єм пам’яті програм та даних, але вони й мають і найбільш розвинену периферію серед всіх мікроконтролерів AVR. Mega призначенні для використання в мобільних телефонах, в контролерах різних периферійних пристроях (принтери, сканери, сучасні дискові накопичувачі) важкої офісної техніки. Мікроконтролери обох сімейств підтримують декілька режимів зниженого використання енергії, мають блок переривання, сторожовий таймер та дозволяють програмувати безпосередньо в зібраному приладі. До особливостей мікроконтролерів AVR сімейства MEGA можна віднести: - FLASH пам’ять програм від 8 до 256 Кбайт; - Оперативна пам'ять (статичний ОЗП) об’ємом від 512 байт до 8 Кбайт; - Пам'ять даних на основі EEPROM об’ємом від 256 байт до 4 Кбайт (число циклів стирання/запису не менше 100000); - Можливість захисту від зчитування та модифікації пам’яті програм та даних; - Можливість програмування безпосередньо в системі через послідовні інтерфейси SPI та JTAG; - Можливість само програмування; - Різні способи синхронізації: вмонтований RC –генератор з внутрішньою та зовнішньою часу задаючою RC – ланцюгом, вмонтований генератор з зовнішнім кварцовим або п’єзокерамічним резонатором, зовнішній сигнал синхронізації; Мікроконтролери сімейства MEGA мають великий набір периферійних пристроїв: - Один або два 8-бітних таймера/лічильника. В усіх моделях з двома 8-бітними таймерами/лічильниками один з них може працювати в якості годинників реального часу (в асинхронному режимі); - Від одного до 16-бітних таймерів/лічильників; - Сторожовий таймер; - Аналоговий компаратор; Послідовний синхронний інтерфейс SPI; 1.2.2 Дешифратор SN74LS145N Мікросхема SN74LS145N – являє собою двіково-десяткові монолітні дешифратори/драйвери, які складаються з восьми інверторів і десяти логічних елементів І-НІ, с чотирма входами. Інвертори підключені в парах, щоб зробити дані входів двійково-десяткового коду доступними для декодування на логічних елементах І-НІ. Повне і правильне декодування логіки входів двійково-десяткового коду гарантує, що всі виводи залишаться захищеними для всіх недопустимих комбінацій двійкового коду. Ця високоефективна особливість дешифраторів, які побудовані на n-p-n транзисторах, дає змогу використовувати їх як для управління індикатором, так і для інших електричних пристроїв. Кожен з транзисторних виводів дешифратора SN74LS145 витримує напругу до 15 вольт і силу струму – до 80 міліампер, і кожен вхід відповідно витримує таке навантаження. Пристрій потребує близько 215 міліват потужності. Входи і виходи дешифратору повністю сумісні для роботи з ТТЛ схемами або логічними каналами ліній передачі даних, також виводи сумісні с більшістю інтегральних схем.
Рисунок 3 Графічне зображення SN74LS145N Для побудови мікропроцесорної системи недостатньо мікроконтролера та дешифратора. Всі мікропроцесорні та навіть елементарні системи будуються за допомогою таких складових як конденсатори, резистори, діоди та інших елементів. Кожен з них виконує свою власну функцію. Стабілізації, згладжування, та збільшення опору або очищення від шумів на схемі. 2 СПЕЦІАЛЬНИЙ РОЗДІЛ 2.1 Розробка принципової схеми годинника 2.1.1 Етапи створення принципової схеми Для реалізації теми дипломного проекту, а саме проектування мікропроцесорної системи для багатоканального інформаційного табло, необхідно створити годинник та під’єднати його до табло. Розпочнемо з створення годинників. Для стабільної роботи та виконання відповідних функцій необхідно було обрати елементи для реалізації завдання. На даному етапі розвитку мікроелектроніки широке розповсюдження отримали AVR мікроконтролери. Однією з переваг мікроконтролерів на відмінність від мікросхем є те, що вони можуть виконувати велику кількість підпрограм завдяки потужному контролеру, який містить великий об’єм оперативної пам’яті (від 512 Кбіт), а також мікроконтролери володіють багатим різноманіттям периферійних пристроїв і великою кількістю портів вводу виводу даних. Тому в дипломному проекті було обрано саме мікроконтролер серії ATmega. ATMega-8 - 8-розрядний КМОП мікроконтролер заснований на архітектурі Atmel AVR. Контролер виконує більшість інструкцій за 1 такт, тому обчислювальна потужність контролера рівна 1MIPS на 1 Мгц. Блок схема процесора показана на рисунку 4.
Рисунок 4 Блок – схема процесора ATMega 8 Мікроконтролер має RISC – архітектуру, але формат команди двооперандний, за один такт може бути звернення тільки до двох регістрів. Контролер містить 32 регістри, які можуть рівноправно використовуватися в арифметичних операціях. Основні апаратні характеристики мікроконтролера: - 8 кб флеш пам’яті команд; - 512 байт електричнопрограмовної пам’яті; - 1 кбайт статичної пам’яті; - 23 лінії ввода/вивода загального призначення; - 32 регістра загального призначення; - три багатоцільових таймера – лічильника з режимом порівняння; - підтримка внутрішніх і зовнішніх переривань; - універсальний асинхронний адаптер; - байт орієнтований двох провідний послідовний інтерфейс; - 6/8 канальний АЦП з точністю до 8 і 10 двійкових розрядів; - сторожовий таймер; - послідовний порт SPI; - розширені режими управління енергоспоживання. Основні елементи архітектури мікроконтролера ATmega8. Ядро мікроконтролера, що зображене на рисунку 5, виконує команди програми.
Рисунок 5 Блок – схема ядра AVR Ядро включає елементи гарвардської архітектури з незалежними шинами, тому вибірка інструкцій проводиться незалежно від операцій в арифметично логічному пристрої (АЛП). Старші 6 8-ми бітових регістрів утворюють 3 регістрові пари, які використовуються для адресації пам'яті - X,Y,Z. АЛП проводить арифметико-логічні операції між регістрами (без обмежень) і регістром і константою. Кожна арифметико-логічна операція встановлює прапори в регістрі прапора (рис. 6).
Рисунок 6 Регістр прапора контролераI - прапор дозволу переривання; T - прапор-хранитель біта - встановлюється і аналізується тільки спецінструкціями; H - прапор додаткового перенесення з 3-го розряду в 4-й; S - прапор знаку результату; V - прапор переповнювання; N - прапор негативного результату операції; Z - прапор нуля; С - прапор перенесення. В АЛП підтримується апаратний стек у внутрішній статичною пам'яттю. Структура регістрового файлу показана на рисунку 7.
Рисунок 7 Структура регістрового файлу AVRНа рисунку 7 видно, що 6 старших регістрів утворюють регістрові пари - індексні регістри. Ядро процесора за допомогою цих регістрів допускають автоінкрементну, атодекрементну адресацію і адресацію з малим зсувом. Ядро процесора ATmega працює в декілька таймерів 0-му та 1-му. 0-й таймер загального призначення має 8-бітовий лічильник з 10-бітовим додатковим дільником частоти. Таймер може генерувати переривання по переповнюванню, або по досягненню значення. 1-й таймер має 16-бітовий лічильник. Він може бути використаний для генерації сигналів із змінною шин (широко імпульсні модуляції), генерації частоти і визначення часу надходження зовнішніх подій. 2 регістри, які порівнюють значення таймера можуть використовуватися для генерації імпульсів із змінною шин. Вхідний регістр використовується для завантаження значення таймера в момент надходження зовнішньої події. Таймера можуть тактуватися різними сигналами 2-й таймер є 8-ми бітовим, і може генерувати частоту і сигнали із змінною шин, генерувати переривання по переповнюванню і досягненню значення. Аналоговий компаратор використовує 2 вхідні сигнали і виставляє біт порівняння в "1". Компаратор може бути сполучений з таймером для фіксації моменту переходу біта з результатом компаратора в інше значення. Всього мультиплексор може комутувати до 8 входів. В флеш-пам'яті виділена область завантажувача, яка може бути захищена від стирання, а також в неї існує програма, що може використовуватися як завантажувач виконуваних кодів за допомогою будь-якого інтерфейсу контролера. Природно внутрішня флеш-пам'ять може програмуватися ззовні програматором в двох режимах – паралельному і послідовному [2]. З урахуванням особливостей мікроконтролера було обрано відповідні елементи. Одним із них є дешифратор SN74LS145. Потім слід обрати блок живлення, який буде відповідатипараметрам схеми. Для створення схеми блока живлення, перш за все, необхідно визначитися початковими параметрами – напругу, яка буде видавати наш блок живлення та максимальний струм, який він буде спроможний видавати в навантаженні. Тобто, наскільки потужне навантаження можливо до нього під’єднати. Наш блок живлення буде мати вихідну напругу 12 V. А струм навантаження візьмемо рівним 1 А.
Рисунок 8 Схема блока живлення Для того щоб спаяти схему блока нам знадобляться елементи, які зображенні на рисунку 8. Перш за все, знадобиться трансформатор з напругою на вторинній обмотці 11 – 13 V та струмом навантаження неменше 1 ампера (він позначений на схемі Т1). Також знадобиться діодний міст VD1 з максимальним струмом 1 ампер. Далі – С1 – електричний конденсатор, яким будемо фільтрувати та згладжувати вирівняний діодним містом напругу, його параметр зображено в таблиці 1. D1 – стабілітрон – від відповідає за стабілізацію напруги, для того щоб при зміні напруги в мережі, змінювалася напруга і в самій схемі. При створенні схеми обрано стабілітрон Д814Д але й можливо обрати будь-який інший з напругою стабілізації 13 вольт. Також нам знадобиться постійний резистор R1,а також два транзистори – КТ 315 з будь-якою літерою в назві та КТ 817 також з будь-якою літерою. Всі елементи зображені в таблиці 1. Таблиця 1 Елементи схеми блоку живлення
Транзистор VT2 необхідно встановити на радіатор. Оптимальна площа радіатора можна обрати експериментально, але вона повинна буди неменше 30 кв. см. При правильному зібранні схема не потребує налагоджування та починає відразу працювати. Але для переконання роботи необхідно провірити її тестером. На наступному етапі розробки нашої схеми потрібно створити схему на якій будуть розміщуватися мікроконтролер та інші елементи. Є декілька можливих способів зібрання схеми: збирання на монтажній платі або ж створити свою власну, яка буде набагато зручніша та виглядати набагато краще. Також це зменшить витрати на нашу схему. В даному проекті схему було спроектовано за допомогою програми PonyProg. Головною задачею програми PonyProg – це програмування логічних мікросхем. В даний час програма дозволяє працювати не тільки з Code Vision, а також з AVR Studio. PonyProg може бути встановлена, як на ОС Windows так і на ОС Linux. Для початку роботи необхідно відкрити нове вікно де буде зображено вміст мікросхеми або файлу. Потім необхідно відкрити файл з програмою. PonyProg підтримує 4 різних файлових форматів e2p, intel hex, motorola S-record та двійковий. Але потрібно правильно обрати тип мікросхеми, тому що для кожного типу розширення відповідають свої мікросхеми. Для нашого мікроконтролера програма збережена з розширення .hex. Наступним етапом було сконфігуровано асемблер AVR для генерації формата intel hex з розширенням .hex для FLASH та .eep для EEPROM. (яким чином. Вміст EEPROM повинно виводитися на екран після вмісту FLASH в даному вікні. І так почнемо прошивати нашу програму в мікроконтролер. Виводиться діалогове вікно для підтвердження необхідної операції. Якщо запис проходить доволі довго, то виводиться індикатор виконання. Якщо необхідно завершити запис, слід натиснути кнопку "Abort". Після запису проводиться автоматична перевірка прошивки програми. Після закінчення виводиться вікно з результатом запису. Головна панель програми містить лише одне головне вікно (рис.9), де в свою чергу можуть бути відкриті одне або декілька вікон з різним варіантом прошивки. У верхній частині головної панелі традиційно розташовується меню та дві панелі інструментів.
Рисунок 9 Головне вікно програми PonyProg Перше, що потрібно зробити відразу після ввімкнення програми - обрати тип мікросхеми, який необхідно програмувати. Для цього в рядку меню знаходяться: "Select device family" (вибір типа мікросхеми), " Select device type" (вибір типу мікросхеми). Назви появляються у вигляді випливаючих підказок при наведенні курсору миші на відповідне поле. В полі вибору сімейства необхідно обрати "AVRmicro", а в полі вибору типа – необхідний тип мікросхеми. Другий спосіб за допомогою якого також можна обрати сімейство та тип мікросхем – скориставшись меню "Device"(пристрій). Вибраний тип мікросхем автоматично зберігається, а при повторному запуску програми викликається знову. Тепер нам необхідно провести налаштування інтерфейсу та виправлення програми. Ці дві операції потрібно виконувати тільки один раз, при першому запуску програми. Повторне налаштування та виправлення може знадобитися лише при збою програми. Спочатку виконаємо налаштування інтерфейсу. Для цього потрібно вибрати пункт "InterfecaSetup" меню "Setup" (таблиця 2). Відкриється вікно налаштування(рис 10).
Рисунок 10 Вікно налаштування вводу – виводу В цьому вікні необхідно обрати порт, до якого підключений наш програматор. Крім того, в цьому вікні можна проінвертувати будь-який із керуючих сигналів програматора, що інколи буває корисним при роботі з нестандартними схемами. Обираємо послідовний порт (Serial). Якщо комп’ютер має декілька COM – портів, слід оберати конкретний порт (зазвичай СОМ1). В спадаючому списку необхідно обрати спосіб програмування. В даному випадку це послідовне програмування по ISP– інтерфейсу. Якщо в комп’ютері тільки один послідовний порт СОМ1, тоді всі налаштування повинні виглядати так, як зображено на рисунку 11. Після прошивання мікроконтролера та зібрання блоку живлення можна почати збирати схему, але потрібно ще створити саму плату на якій будуть знаходитися елементи. Розглянемо створення самої плати. Для створення плати було використано стеклотекстоліт. За допомогою програми Sprint-Layout були зображенні доріжки на схемі. Sprint-Layoutзвичайна програма для створення двухстороніх та багатосторонніх друкованих схем. До складу програмного забезпечення входять багато елементів, необхідні в процесі розробки повного проекту. До неї входять такі професійні можливості, як експорт Gerber – файлів та HPGL – файлів, в той час як основа програми була збережена. Sprint-Layout дозволяє наносити на плату контакти, SMD – контакти, провідники, полігони, текст та багато іншого. Контактні площадки можуть бути вибрані із широкого набору. Існують два шара – міді та компонентів – для кожної сторони плати. Додатково можна використовувати шар форми плати, а також 2 внутрішні шара для багатошарових плат. Фотовид дозволяє побачити схему монтажної плати (рисунок 11). Це дозволяє знайти помилки при створенні плати. Бібліотека має можливість додавати елементи. Також програма надає можливість обрання варіантів зміни друку. Підтримка форматів Gerber (рис.12) та Excellon (рис.13) дозволяє передачу файлів розроблених плат на професійне виробництво.
Рисунок 11 Приклад монтажної плати
Рисунок 12 Створення експортного файлу в форматі Gerber
Рисунок 13 Налаштування плати для виготовлення на професійному рівні Після ознайомлення з програмним забезпеченням програми Sprint-Layout була створена схема, яка зображена на рисунку 14.
Рисунок 14 Монтажна плата схеми годинника Далі схема була роздрукована за допомогою лазерного принтера на фотобумазі. Для кращого перенесення рисунку схеми на стеклотекстоліт необхідно було мідну сторону плати зачистити ти знежирити. Наступним етапом було перенесення рисунка схеми на монтажну плату. За допомогою нагрівання було переведено рисунок з бумаги на монтажну плату. Перед початком витравлення плати необхідно зробити отвори відповідно до розмітки елементів на схемі, так як після витравлення ця процедура буде недоречна через можливість псування плати. Для отримання кінцевого результату монтажної плати годинника необхідно витравити схему. Є декілька способів витравки: перший – це за допомогою мідного купоросу, другий – за допомогою хлорного заліза. Використовувати мідний купорос краще новачкам у витравці. До переваг мідного купоросу можна віднести те, що він доступний для покупки, а до недоліків можна віднести лише те, що час витравлення схеми займає чимало часу, завдяки цього недоліку його використовують при перших витравленнях плат. При використанні хлорного заліза також є свої переваги та недоліки. Хлорне залізо навпаки важче знайти але при витравленні схеми займає мало часу. Саме заради економії часу було використано хлорне залізо. Після витравлення схеми необхідно знову зачистити плату для зняття наліту, який залишився після витравлення схеми, та для нанесення флюсу. Флюс – це допоміжний матеріал, який призначений для видалення оксидної плівки з плати, що піддається пайці та забезпечує добре змочування поверхні деталі рідким припоєм. Самий розповсюджений вид флюсу це каніфоль – продукт переробки соснової смоли. Її неважко знайти в будь-якому господарчому магазині, вона використовується для пайки деталі із міді та мідних сплавів. Недоліків у неї як у флюсу багато. При пайці з каніфолю утворюється багато диму. На платі після пайки залишаються патьоки розплавленої каніфолі, які потім доводиться стирати, використовуючи спирт або бензин. Також іноді користуються паяльною кислотою. Її використання доцільно тільки тоді, коли необхідно паяти залізо. Після пайки деталі обов’язково потрібно промивати великою кількості води та ретельно сушити, інакше залишки кислоти можуть привести до корозії та руйнування паяних деталей та руйнування електричного контакту. Якщо під рукою відсутня паяльна кислота, але потрібно швидко облужити та припаяти залізну, або дуже сильно окислившу мідну, або латунну деталь, то в такому випадку може врятувати таблетка аспірину – це ацитилісаліцилова кислота, яка в багатьох випадках з успіхом може замінити хлорний цинк. Для пайки електронних схем краще всього використовувати рідкий флюс. Простий рідкий флюс можна виготовити розтворивши каніфоль в спирті. На 10 частин спирту береться 1 частина каніфолю (по вазі). Декілька крапель такого флюсу наноситься безпосередньо перед пайкою на з’єднувальні деталі та проводиться пайка. Залишки флюсу стираються спиртом. 2.1.2 Опис монтажних робіт Після витравлення плати можна почати до монтажу елементів. Потрібно також звернути увагу що крім звичайних елементів на схемі використовуються також SMD (surfacemountdevices) компоненти. В даний час більше 50 % електронних компонентів, використовуваних в приладах промислової та побутової електроніки, являються SMD елементи і їх відсоток збільшується. Експертні оцінки говорять, що в найближчі 5 років становитиме 75 – 80 % всіх елементів. SMD – елементи становляться все менші, при цьому, покращують таку характеристику приладів, як підвищену щільність монтажу. В той же час, SMD – елементи, через свої мініатюрні розміри, не дозволяють наносити на корпус типономінал (повне найменування) пристрою, відповідно фірмової назви, подібно стандартним полупровідним приладам. Тому виробник маркує SMD – елементи спеціальним кодом (SMD – кодом), який може містити один або декілька випадкових символів (букви, цифри, графічні символи). Система кодування являється повністю випадковою, що не відповідає жодним стандартам. Необхідно також прийняти до уваги, що колір та поряд розміщення алфавітно-цифрових або графічних символів на корпусі також має значення [3]. Для монтажу елементів на схеми можна використовувати декілька типів паяльників. Вибір паяльника залежить від того, які деталі будуть паятися. Найчастіше в побуті постає завдання збільшити довжину кабелю, припаяти роз’єми до антени або акустичного кабелю або до мережевого роз’єму, спаяти неважку схему із звичайних деталей. Для всіх цих робіт буде достатньо звичайного паяльника при напрузі 220 В та потужністю 25-40 Вт (рисунок 15).
Рисунок 15 Звичайний паяльник при напрузі 220 В та потужністю 25-40 Вт. Переваги такого паяльника – доступна ціна. Його можна купити за 30 – 50 гривнів практичну у будь-якому господарчому магазині. Недоліки – немає можливості регулювання температури, жало перегрівається, окиснюється та обгорає, тому його постійно доводиться чистити та періодично заточувати. В наслідок термін використання такого паяльника невеликий. При професіональному паяні можливо використовувати паяльні станції. Переваги над звичайним паяльником очевидні. По перше в паяльних станціях використовуються низьковольтні паяльники, які підключені до мережі через понизуючий трансформатор. Який різко зменшує наводку яка виникає на жалі паяльника і практично зводить на нуль ризик пошкодження статичним електричеством чутєвих деталей. По друге, паяльні станції мають систему регулювання та підтримки температури жала на певному рівні. Такий паяльник неперегріє деталі або плату. Жало такий паяльників, як правило, покривають спеціальним захисним шаром, який запобігає його окиснення та сетєво збільшує термір використання паяльника.
Рисунок 16 Звичайна паяльна станція Взглянувши на сучасну плату (наприклад на материнську плату комп’ютера). Перше, що кинеться в очі – велика кількість малих деталей припаяних безпосередньо на поверхність плати. Зараз майже скрізь використовується так званий поверхневий монтаж елементів. Інші назви поверхневого монтажу: наплатний, планарний, SMD – монтаж. Компоненти, які використовуються для поверхневого монтажу, називаються SMD – елементи (рисунок 17).
Рисунок 17 Плата з вмонтованими SMD – елементами Для ремонту таких плат або виготовлення власних схем по такій технології застосовують так звані "Термоповітряні паяльні станції". Принцип роботи такого паяльника аналогічний роботі звичайного фена для сушіння волосся. Різниця лише в температурі повітря який виходить з кінця фена. Такі паяльні станції дозволяють регулювати температуру повітря на виході від 100 до 450 – 500о С, також є можливість регулювання потоку повітря. Зараз отримали розповсюдження комбіновані паяльні станції, де в одному корпусі розміщується як термоповітряний паяльник так і звичайний який зображений на рисунку 18. Такий паяльний пристрій дозволяє проводити ремонт практично будь-якої електронної схеми з будь-яким типом використовуваних елементів. Ціни також достатньо доступні. Таку паяльну станцію початкового рівня можна придбати від 800 до 2000 гривнів. Для побудови нашої схеми ми використовували звичайний паяльник, так як для виготовлення однієї схеми неварто витрачати кошти на придбання паяльних станцій. Якщо планується постійне виготовлення або ремонт плат тоді варто придбати станцію, для виконання якісних та швидких робіт.
Рисунок 18 Комбінована паяльна станція Перше, що було встановлено на монтажну плату – це мікроконтролер з прошитою програмою. Основні вимоги для його встановлення було лише відповідність ніжок мікроконтролера з доріжками на платі. Далі буде підключено блок живлення щоб можна було перевіряти роботу мікроконтролера на виконання команд. Але відразу увімкнути напругу не варто, так як необхідно підєднати елементи для стабільної роботи схеми. Одним із них є КРЕН 5А, який являє собою стабілізатор напруги. Дія даної радіодеталі полягає у стабілізації, тобто, пониженню напруги в схемі до необхідного параметру. Потім встановлено конденсатори та опори для згладжування напруги. Після встановлення КРЕН 5А та допоміжних елементів на мікропроцесор подається напруга, що дозволяє виконувати необхідні команди. Щоб запобігти перенавантаження на мікропроцесорі, тобто чи правильно працює КРЕН 5А необхідно було перевірити її вихід за допомогою тестера. Тестер – компактний пристрій, створений для вимірювання, струму, опору, напруги, ємності та інших параметрів. Наприклад, тестер електричного току дозволяє проводити виміри силу електричного струму, електричної напруги та опору. Для людей у яких робота пов’язана з електронікою, такий пристрій, як тестер електричного струму, являється одним із основних робочих інструментів. Різні типи тестерів відрізняються довжиною хвилі джерела випромінювання, типом використовуваних в них лазерів, а також наявністю додаткових функцій оптичного телефону. Тестер працює від вмонтованого акумулятора, зовнішнього джерела постійного струму 9В або від мережі 220В, який одночасно являється зарядним пристроєм для вмонтованого акумулятора. Після перевірки вихідної напруги на КРЕН 5А можна безпечно під’єднувати їх до мікроконтролера. Відповідно за програмою кожна ніжка мікроконтролера відповідає за певну функцію. Тому виходи доріжок з мікроконтролера під’єднані саме таким чином, як є на платі. Вхід PowerDetect призначений для перевірки наявності зовнішньої напруги, тобто наявності напруги на блоці живлення. На цей вхід напруга подається через транзистор n-p-n типу. На транзистор напруга поступає через стабілітрон. Діод Зенера (стабілітрон) – різновид діодів, що дозволяє в режимі прямих напруг пропускати стандартний струм як номінальний діод, а при обернених напругах струм різко зростає (рис. 19) тільки в області напруг близьких до пробою.
Рисунок 19 Ділянка зростання електричного пробою До мікроконтролера для вимірювання температури повітря підєднані датчики температури DS18B20. Мікросхема DS18B20 це термометр з цифровим входом/виходом, працююча з точністю ±0.50 С. Дані зчитуються через 1 – провідну послідовну шину в додатковому від 9 до 12 бітному коді з ціною молодшого розряду від 0.50 С до 0.06250 С. Кожна мікросхема DS18B20 має унікальний та незмінний 64 бітний серійний номер, який використовується як вузловий адрес датчика. Це дозволяє великій кількості мікросхем DS18B20 існувати на одній провідній шині. Мікросхема DS18B20 може працювати від джерела живлення від 3В до 5.5В або вона може бути сконфігурована таким чином, щоб бути запитана наслідками 1- провідної лінії даних.
Рисунок 20 Датчик температури DS18B20 Датчик температури підключається до джерела струму через резисторів номіналом 100 ом. Підсилююча напруги на інформаційні входи порту подається через резистори 4.7 Ком. І перші ніжки обох датчиків під’єднуються до мінусу (GND). Після під’єднання датчиків температури встановлюємо дешифратор у відповідний роз’єм в друкованій платі. Цей пристрій використовується для управління індикацією інформаційного табло. Струм на дешифратор подається з виводу мікроконтролера, що дозволяє найоптимальніше працюваьти з індикацією пристрою, тобто вмикати і вимикати індикацію в необхідний час. 2.2 Принципова схема інформаційного табло Розробка принципової схеми інформаційного табло складалося з двох етапів. Першим етапом є розробка схеми індикації, а другим етапом побудова схеми інформаційного табло. При розробці схеми індикації було використано мікросхеми фірми Toshiba – ULN2803А. Мікросхема ULN2803А (рис. 21) – високовольтний, масив n-p-n транзисторів Дарлингтона. Прилад складається з 8 пар транзисторів n-p-n структури, який має високовольтні виводи з фіксуючими діодами загального катоду, для того, щоб комутувати індуктивні навантаження. Оцінка току колектора пари Дарлингтона 500 мА. Пари Дарлингтона (рис. 22) можуть бути підключені паралельно для більшого допустимого навантаження по точці. Зазвичай до них підключають контролер реле, контролер молотка, контролер лампи, вирівнюючий контролер. У схемі ULN2803А є базовий резистор прогресії для кожної пари Дарлингтона, безпосередньо для операцій з ТТЛ – схемами або 5 В компланарним МОП – транзистор.
Рисунок 21 Мікросхема ULN2803А
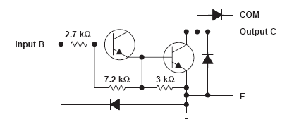
Рисунок 22 Схема пари Дарлингтона Входи даної мікросхеми під’єднуються до відповідних виходів мікроконтролера через резистори номіналом в 22 Ком. Ці резистори понижають силу струму до необхідної величини, яку можуть витримувати світлодіоди інформаційного табло. Ця частина схема індикації (схема 2) буде відповідати за подачу від’ємної напруги на інформаційне табло. Далі на кожен індикатор створюємо транзисторний ключ який зображено на рисунку 23.
Рисунок 23 Транзисторний ключ інформаційного табло Резистор R2 відповідає силу струму що надходить на базу транзистора відповідаючи таким чином за сулу відкриття – закриття електронного ключа. Резистор R1 відповідає за проходження сили струму на інформаційне табло. ВИСНОВОК Виходячи з вище зазначеного можна зробити висновки, що дійсно мікроконтролери AVR фірми Atmel, тобто 8-бітні RISC-мікроконтролери для вбудованих додатків являються, мабуть, найбільш цікавим напрямком цієї фірми. Вони дійсно представляють потужний інструмент, чудову основу для створення сучасних високопродуктивний та економічно вмонтованих контролерів багатоцільового призначення. Слід зазначити, що. Мікроконтролери сімейства Mega мають найбільш розвинену периферію, найбільші серед всіх мікроконтролерів AVR об’єми пам’яті програм та даних. Вони призначенні для використання в мобільних телефонах, в контролерах різних периферійних приладах (таких, як принтер, сканер, сучасні дискові накопичувачі, приводи CD-ROM/DVD-ROMі так далі). В даному проекті була побудована мікросхема на базі мікроконтролера сімейства Megaдля годинника і табло, що в свою чергу дає можливість відображати час, дату, температуру повітря на вулиці та в приміщенні. Причому приділена увага уникненню збою роботи даного пристрою. |






















