Учебное пособие: Схемотехника ЭВМ
|
Название: Схемотехника ЭВМ Раздел: Рефераты по коммуникации и связи Тип: учебное пособие | |||||||||||||||||||||||||||||||||||||||||||||||||||||||||||||||||||||||||||||||||||||||||||||||||||||||||||||||||||||||||||||||||||||||||||||||||||||||||||||||||||||||||||||||||||||||||||||||||||||||||||||||||||||||||||||||||||||||||||||||||||||||||||||||||||||||||||||||||||||||||||||||||||||||||||||||||||||||||||||||||||||||||||||||||||||||||||||||||||||||||||||||||||||||||||||||||||||||||||||||||||||||||||||||||||||||||||||||||||||||||||||||||||||||||||||||||||||||||||||||||||||||||||||||||||||||||||||||||||||||||||||||||||||||||||||||||||||||||||||||||||||||||||||||||||||||||||||||||||||||
Институт образовательных информационных технологий СХЕМОТЕХНИКА ЭВМ Екатеринбург 2006 ВВЕДЕНИЕ В методических указаниях представлены требования к оформлению и содержанию курсовых проектов в соответствии с Государственными стандартами и стандартом предприятия СТП УГТУ-УПИ 1-96 "Общие требования и правила оформления дипломных и курсовых проектов (работ)", введенным в УГТУ 1 марта 1996 года. Курсовой проект является учебным документом, выполняемым в процессе изучения соответствующей дисциплины, и содержит пояснительную записку к курсовому проекту и обязательный графический материал, представляемый к защите. Методические указания содержат основные вопросы организации проектирования и защиты проекта, а также вопросы, связанные с оформлением пояснительной записки, её содержанием, правилами оформления, объемом и структурой. Приведены примеры разработки некоторых устройств ЭВМ. 1. СОДЕРЖАНИЕ ПОЯСНИТЕЛЬНОЙ ЗАПИСКИКурсовой проект по дисциплине «Схемотехника ЭВМ» должен соответствовать специальности и содержать решение вопросов создания или исследования блоков или устройств, входящих в состав ЭВМ, комплексов или сетей ЭВМ, разработанных студентом в соответствии с поставленной задачей, а также обоснование необходимости разработки и принятых при этом инженерных и программных решений. Тема курсового проекта должна быть актуальной, т.е. выдвигаться потребностями и логикой развития вычислительной техники, ее применения в различных областях. Актуальность работы должна быть обоснована в пояснительной записке. Название проекта должно четко отражать его содержание, быть кратким. Темы курсовых проектов предлагаются студентам преподавателями и сотрудниками кафедры. Студенту предоставляется право выбора темы. Студент может предложить свою тему, обосновав целесообразность ее разработки. Допускается проектирование по комплексной тематике, когда несколько студентов разрабатывают смежные темы, объединенные одной проблемой. При этом задания выдаются каждому студенту индивидуально, пояснительные записки должны быть также индивидуальными. Защита таких проектов проводится на одном заседании комиссии, принимающей проекты. 2. ВОПРОСЫ ОРГАНИЗАЦИИ КУРСОВОГО ПРОЕКТИРОВАНИЯ2.1 Оформление заданияРабота над курсовым проектом включает время изучения лекционного материала и литературных источников по теме курсового проектирования. Как и всякое проектирование, эта работа регламентируется стандартами ЕСКД и ЕСПД и включает в себя следующие стадии: техническое задание, эскизный проект, технический проект, рабочий проект и внедрение. Первая стадия выполняется во время знакомства с постановкой задачи, изучения специальной литературы, выявления особенностей и путей решения поставленной задачи, сроков ее выполнения. Результатом должен стать текст технического предложения на проект (3-5 стр. машинописного текста – согласовывается с руководителем во время консультаций) с указанием формулировки выбранной темы, требований к её реализации и условий проверки правильности выполнения. В разделе “Исходные данные” задания на курсовой проект определяется та информация, которая задается в начале проектирования, в том числе ограничения на техническую базу, на условия и размеры задачи, форматы входных и выходных документов и др. Эти сведения оговариваются с руководителем во время подготовки задания на курсовое проектирование. Раздел “Содержание пояснительной записки” включает перечень основных вопросов, которые должны быть рассмотрены в записке. Календарный план определяет сроки выполнения работ и оформления пояснительной записки. Утвержденный бланк задания с пояснительной запиской к курсовому проекту представляется в комиссию по защите проектов, а после защиты вместе с пояснительной запиской хранится в делах кафедры. 2.2 Руководство курсовым проектированиемКаждому студенту распоряжением по кафедре назначается руководитель. Основные обязанности руководителя состоят в следующем: · выдача задания на проектирование; · проведение консультаций; · контроль за ходом выполнения курсового проектирования в соответствии с календарным планом; · проверка готовности проекта к защите; Руководитель не несет ответственности за ошибки в расчетах, в стиле изложения и грамотности пояснительной записки, за качество оформления записки. 2.3 Завершение проектированияПолностью законченный проект проверяется студентом и подписывается на титульном листе. Руководитель делает в бланке задания на курсовое проектирование или на титульном листе запись о допуске работы к защите. Оформленная пояснительная записка с графическими материалами накануне защиты (или раньше) передается на проверку руководителю проектирования. Студент готовит выступление о содержании проекта на 5 -10 мин, в котором отмечается актуальность работы, место работы в ряду предшествующих работ, формулировка основных задач и их решений, предполагаемое использование полученных результатов. 3. ПРАВИЛА ОФОРМЛЕНИЯ ПОЯСНИТЕЛЬНОЙ ЗАПИСКИОбъем пояснительной записки определяется из того, что в нее должны входить: · титульный лист (1 стр.); · задание на проектирование (стандартный бланк); · содержание (1 стр.); · перечень условных обозначений (расшифровка необщепринятых аббревиатур), символов, единиц и терминов (1 стр.); · введение с постановкой задачи (1-3 стр.); · основная часть (10-15 стр.); · заключение с формулировкой результатов (1 стр.); · приложения (3-5 стр.); · библиографический список. Основная часть должна в себя включать: · обзор состояния вопроса; · обоснование необходимости разработки и принятых решений; · привязка разрабатываемого устройства или системы к более общей системе, частью которой она является; · описание разработанных схем (структурной, функциональной, принципиальной), анализа работы схем, временных диаграмм, расчетов; · результаты апробации работы спроектированного устройства ; Рекомендуемый объем записки составляет 20-30 стр. машинописного текста, выполненного через 1,5 интервала. В крайнем случае допускается рукописное выполнение пояснительной записки. В этом случае ее объем составляет 30-40 стр. Титульный лист выполняется на стандартных бланках УГТУ-УПИ. Пример заполнения титульного листа приведен в приложении 1. Пояснительной записке присваивается шифр, который записывается на титульном листе под надписью “Пояснительная записка”. Вид шифра показан ниже. Учебная специальность имеет номер 230101. Код классификационной характеристики присваивают по классификатору ЕСКД или отраслевым классификаторам. Если тема не имеет кода, то на месте кода в обозначении записывается четыре нуля.
Пояснительная записка выполняется на листах белой бумаги формата А4 (210 х 297 мм) машинописным способом через 1,5 интервала с одной стороны листа. В исключительных случаях допускается выполнение записки рукописным образом тушью или пастой (чернилами) одного цвета: черного, синего или фиолетового. Листы оформляются без выполнения рамок с оставлением полей: левое — не менее 20 мм, правое, верхнее и нижнее — не менее 10 мм. Номера страниц проставляются в правом верхнем углу листа. Текст основной части пояснительной записки разделяется на разделы, подразделы, пункты. Разделы должны иметь порядковую нумерацию в пределах основной части, подразделы - в пределах раздела и т.д. В конце номеров разделов и подразделов ставят точку. Например, 3.2.3. Перечисления в тексте именуются строчными буквами. Заголовки разделов записываются симметрично тексту прописными буквами. Заголовки подразделов записываются с абзаца строчными буквами. Точку в конце заголовка не ставят. Перенос слов в заголовках и подчеркивание заголовков не допускается. Структурные части начинаются с нового листа, которые не нумеруются. Заголовки пишутся прописными буквами: СОДЕРЖАНИЕ, ВВЕДЕНИЕ, СТРУКТУРНАЯ СХЕМА, ….БИБЛИОГРАФИЧЕСКИЙ СПИСОК, ЗАКЛЮЧЕНИЕ. Текст пояснительной записки должен быть кратким, четким и не допускать различных толкований. Ссылки на формулы в тексте дают в виде, например, "...в формуле (4.1)", что означает ссылку на первую формулу четвертого раздела. В тексте числа с размерностью следует писать цифрами, без размерности — словами, например: "стоимость 30 тыс. рублей", "проверка проводится три раза". Иллюстрации выполняются на отдельных листах пояснительной записки или на листах чертежной или миллиметровой бумаги формата А4 карандашом или черной, синей, фиолетовой пастой. Каждая иллюстрация в пояснительной записке помещается после первой же ссылки на неё. В приложение выносятся только те рисунки и таблицы, которые не используются в основной части непосредственно при изложении материала. Иллюстрации обозначаются словом "Рис.", нумеруются в пределах раздела арабскими цифрами и снабжаются подрисуночными надписями. Рисунки располагаются таким образом, чтобы их можно было рассматривать без поворота записки. Если это невозможно, то расположить так, чтобы для рассмотрения документ можно было повернуть по часовой стрелке. Таблицы именуются в пределах раздела, например, табл.3.1. Приложения оформляются как часть пояснительной записки. Каждое приложение начинается с нового листа. При ссылке на приложение пишут слово “ПРИЛОЖЕНИЕ” полностью и указывают номер приложения, например, “ПРИЛОЖЕНИЕ 3”. Нумерация всех листов записки с приложениями должна быть сквозная. 4. ТРЕБОВАНИЯ К СОДЕРЖАНИЮ И ОФОРМЛЕНИЮ ГРАФИЧЕСКИХ ДОКУМЕНТОВК графическим документам курсовых проектов относятся чертежи, схемы, таблицы, диаграммы, графики, выполненные как демонстрационные плакаты. Допускается выполнение всех графических работ с помощью ЭВМ. Рисунки на чертежной или миллиметровой бумаге, фотографии и документы, полученные на ЭВМ, допускается наклеивать на листы ватмана. Количество и состав графических документов определяется заданием на курсовой проект. Графические материалы, выносимые на листы, должны являться выборкой из графических материалов пояснительной записки. Минимальное количество листов графических работ формата А1 — два. Графические документы выполняются карандашом или черной тушью на листах ватмана формата А1. Возможно выполнение чертежей с применением ЭВМ. Допускается использовать формат А2. Листы нумеруются. Номер помещается в верхнем левом углу листа. Допускается выполнять номера на отдельных листах бумаги, которые прикрепляются во время защиты на листы иллюстрационного материала. Каждый лист должен иметь заголовок. Заголовок выполняется в верхней части листа. 4.1 ЧертежиЧертежи курсовых проектов выполняются по ГОСТ 2.302-68. На чертежах общих видов и сборочных чертежах допускается помещать кинематические и другие схемы, таблицы технических параметров, технические указания. Надписи на чертежах выполняются шрифтами по ГОСТ 2.304-81, а таблицы наносят согласно ГОСТ 2.316-68. Пример выполнения основной надписи приведен в прил. 2. 4.2 СхемыСхемы выполняются в соответствии с требованиями В зависимости от видов элементов и связей схемы подразделяются на виды, каждый из которых обозначается буквой, как показано в табл. 4.1. Таблица 4.1
Схемы в зависимости от основного назначения подразделяются на типы. Типы схем обозначаются цифрами (см. табл. 4.2). Определения типов схем приведены в прил. 3. Общие требования к оформлению схем приведены в прил. 4. Условные обозначения на схемах приведены в прил. 5. Таблица 4.2
4.3 Таблицы, графики, диаграммыТаблицы, графики, диаграммы и т.п., предназначенные в качестве наглядных пособий, могут быть оформлены в цвете, причем элементы одного назначения выполняют одним и тем же цветом. При необходимости на поле листа дают пояснения условных цветов обозначения. Если таблиц больше одной, то их нумеруют арабскими цифрами. Номер помещают в правом верхнем углу над таблицей. Таблица может иметь заголовок, помещаемый над таблицей. Тексты (слова и цифры) выполняют чертежным шрифтом по В качестве наглядных пособий могут быть изготовлены модели, макеты, демонстрационные компьютерные программы. 4.4 Правила выполнения основных надписейНа каждом листе графических документов выполняют основную надпись, которую располагают в правом нижнем углу листа вдоль длинной его стороны. Форма, содержание, расположение и размеры граф основных надписей должны соответствовать ГОСТ 2.104-68. Пример надписи для чертежа приведен в прил. 2. 5. ОПИСАНИЕ ПРОГРАММНЫХ ПРОДУКТОВОписание программных продуктов должно содержать следующие разделы: общие сведения по программе, руководство пользователя программой и тексты программы. Общие сведения включают в себя: · название и обозначение программы; · язык программирования или программную систему, в которой решается задача; · описание логической структуры программы и ее связь с другими программами; · описание информационной структуры программы; · требования к техническим средствам, необходимым для функционирования программы; · входные и выходные данные программы; · способы вызова программы. Руководство пользователя (или руководство оператора) должно содержать: · сведения о назначении программы, достаточные для понимания функций программы и ее эксплуатации; · условия, при которых программа может быть выполнена; · порядок выполнения и последовательность действий пользователя, обеспечивающих загрузку, запуск, выполнение и завершение программы с указанием возможных вариантов команд и функциональных клавиш; · сообщения о ходе выполнения программы, а также его действия в случае сбоев, и возможности повторного запуска программы. Тексты программ рекомендуется не включать в основной текст пояснительной записки, а приводить в приложениях. ПРИЛОЖЕНИЕ 1Федеральное агентство по образованию ГОУ ВПО “УРАЛЬСКИЙ ГОСУДАРСТВЕННЫЙ ТЕХНИЧЕСКИЙ УНИВЕРСИТЕТ-УПИ” Кафедра автоматики и информационных технологий Оценка__________ Члены комиссии БУФЕРНЫЙ РЕГИСТР ТИПА «ОЧЕРЕДЬ» Пояснительная записка Курсовой проект 230101 0000 26 ПЗ Руководитель: К.М. Антонов доц., канд. техн. наук Студент: И.С. Фролов Р-33032 2006 ПРИЛОЖЕНИЕ 2Примеры заполнения основных надписей
Рис. П.2.1. Основная надпись для первых листов чертежей и схем
Рис. П.2.2. Основная надпись для перечня элементов
Рис. П.2.3. Основная надпись для чертежей (схем) и текстовых ПРИЛОЖЕНИЕ 3ТИПЫ СХЕМ И ИХ ОПРЕДЕЛЕНИЕСтруктурная схема — схема, определяющая основные функциональные части изделия. Структурная схема разрабатывается для схем других типов и используется для общего ознакомления с изделием. Функциональная схема — схема, разъясняющая определенные процессы, протекающие в отдельных цепях установки или в установке в целом. Принципиальная схема — схема, определяющая полный состав элементов и связей между ними и дающая представление о принципах работы устройства. Схема соединений (монтажная) — схема, показывающая соединения составляющих частей установки и определяющая провода, жгуты проводов, кабелей или трубопроводы, которыми осуществляются соединения. Схема подключения — схема, показывающая внешнее подключение установки к внешним цепям при ее эксплуатации. Общая схема — схема, определяющая составные части комплекса и соединения их между собой на месте эксплуатации. Схема расположения — схема, определяющая относительное расположение составных частей устройства, а при необходимости также расположение проводов, жгутов, кабелей, трубопроводов и т.п. ПРИЛОЖЕНИЕ 4ОБЩИЕ ТРЕБОВАНИЯ К ВЫПОЛНЕНИЮ СХЕМСхема — это графический конструкторский документ, на котором показаны в виде условных изображений или обозначений составные части изделия и связи между ними. Схемы выполняют без соблюдения масштаба и действительного пространственного расположения составных частей изделия. Необходимое количество типов схем, разрабатываемых на проектируемое изделие, а также количество схем каждого типа определяется разработчиком в зависимости от особенностей изделия. На схемах, как правило, используют стандартные условные графические обозначения. Если необходимо использовать нестандартизованные обозначения некоторых элементов, то на схеме делают соответствующие пояснения. Следует добиваться наименьшего числа изломов и пересечений линий связи, сохраняя между параллельными линиями расстояние не менее 3мм. На схемах допускается помещать различные технические данные, характеризующие схему в целом и отдельные ее элементы. Эти сведения помещают либо около графических обозначений, либо на свободном поле схемы, как правило, над основной надписью. Графические обозначения. Электрические элементы и устройства на схеме изображают в виде условных графических обозначений, установленных стандартами ЕСКД или построенных на их основе. При необходимости применяют нестандартизованные условные графические обозначения. Стандартизованные или строящиеся на основе стандартизованных графические обозначения на схемах не поясняют; нестандартизованные обозначения должны быть пояснены на свободном поле схемы. Размеры условных графических обозначений выбирают из следующих соображений. Стандартные условные графические обозначения элементов выполняют по размерам, указанным в соответствующих стандартах. Если размеры стандартом не установлены, то графические обозначения на схеме должны иметь такие же размеры, как их изображения в стандартах. При выполнении иллюстративных схем на больших форматах можно все условные графические обозначения пропорционально увеличить по сравнению с приведенными в стандартах. Линии связи. На схемах всех видов линии связи должны состоять из горизонтальных или вертикальных отрезков и иметь минимальное количество изломов и взаимных пересечений. В отдельных случаях допускается применять наклонные отрезки линии связи, длину которых следует по возможности ограничивать. При использовании групповых линий должны выполняться следующие требования. Каждая сливаемая линия в месте слияния должна быть помечена условным порядковым номером (рис.П.4.1,а), допускается помечать линии буквами или сочетанием букв и цифр. Сливаемые линии не должны иметь разветвлений, т.е. каждый условный номер должен встречаться на линии групповой связи два раза. При наличии разветвлений их количество указывают после порядкового номера линии через дробную черту. Для уменьшения количества параллельных сонаправленных линий большой протяженности рекомендуется изображать их в однолинейном представлении. При этом следует сохранять порядок следования линий в группе (рис. П.4.1,б). Если это невозможно или нецелесообразно, то на линии наносят соответствующие метки (рис. П.4.1,в).
Рис. П.4.1 Линии, соединяющие графические обозначения на схемах, показывают, как правило, полностью. Допускается обрывать линии связи, если они затрудняют чтение схемы. Обрывы линий заканчивают стрелками. Около стрелок указывают места обозначения прерванных линий, например подключения, или необходимые характеристики цепи (полярность, потенциал и т.д.). При необходимости на схеме помещают текстовую информацию. Содержание текста должно быть кратким и точным. В надписях не должны применяться сокращения слов, за исключением общепринятых или установленных в стандартах (рис. П.4.2).
Рис. П.4.2 Структурная схема отображает принцип работы изделия в самом общем виде. На схеме изображают все основные функциональные части изделия (элементы, устройства, функциональные группы), а также основные взаимосвязи между ними. Действительное расположение составных частей изделия не учитывают и способ связи (проводная, индуктивная, количество проводов и т.д.) не раскрывают. Построение схемы должно давать наглядное представление о последовательности взаимодействия функциональных частей в изделии (рис. П.4.3, П.4.4). Направление хода процессов, происходящих в изделии, обозначают стрелками на линиях взаимосвязи.
Рис. П.4.4 Функциональная схема. Для сложного изделия разрабатывают несколько функциональных схем, поясняющих происходящие процессы при различных предусмотренных режимах работы. Количество функциональных схем, разрабатываемых на изделие, степень их детализации и объем помещаемых сведений определяются разработчиком с учетом особенностей изделия. Функциональные части и связи между ними изображают в виде условных графических обозначений, установленных в стандартах ЕСКД (рис.П.4.5). Отдельные функциональные части на схеме допускается изображать в виде прямоугольников. В этом случае части схемы с поэлементной детализацией изображают по правилам выполнения принципиальных схем, а при укрупненном изображении функциональных частей — по правилам структурных схем (рис. П.4.6).
Рис. П.4.5
Рис. П.4.6 Принципиальная схема. Принципиальная схема является наиболее полной электрической схемой изделия, на которой изображают все элементы и устройства, необходимые для осуществления и контроля в изделии заданных электрических процессов, все связи между ними, а также элементы подключения (разъемы, зажимы), которыми заканчиваются входные и выходные цепи. Электрические элементы на принципиальной схеме изображают условными графическими обозначениями, начертание и размеры которых установлены в стандартах ЕСКД. Схемы выполняют для изделий, находящихся в отключенном положении. В технически обоснованных случаях допускается отдельные элементы схемы изображать в выбранном рабочем положении с указанием на поле режима, для которого изображены эти элементы. Позиционные обозначения элементов. Всем изображенным на схеме элементам и устройствам присваиваются условные буквенно-цифровые позиционные обозначения (рис. П.4.7).
Рис. П.4.7 Позиционное обозначение проставляют на схеме рядом с условными графическими обозначениями элементов и устройств с правой стороны или над ними. Перечень элементов. Данные об элементах и устройствах, изображенных на схеме изделия, записывают в перечень элементов. Допускается все сведения об элементах помещать рядом с их изображением на свободном поле схемы. Связь между условными графическими обозначениями и перечнем элементов осуществляется через позиционные обозначения. Перечень помещают на первом листе схемы или выполняют в виде самостоятельного документа на листе формата А4 с основной надписью для текстовых документов по форме 2 ГОСТ 2.104-68. Перечень элементов оформляют в виде таблицы и заполняют сверху вниз (табл. П.4.1). Элементы в перечень записывают в алфавитном порядке буквенных позиционных обозначений. В пределах каждой группы, имеющей одинаковые буквенные позиционные обозначения, элементы располагают по возрастанию порядковых номеров. Элементы одного типа с одинаковыми параметрами допускается записывать в перечень в одну строку. Таблица П.4.1
На схеме изображают разъемы, клеммы и другие элементы, которыми заканчиваются входные и выходные цепи, и указывают характеристики входных и выходных цепей изделия (величину напряжения, силу тока, частоту и т.д.), а также параметры, подлежащие измерению на контрольных контактах, гнездах (рис. П.4.8).
Рис. П.4.8 При указании около условных графических обозначений номиналов резисторов и конденсаторов (рис. П.4.9) допускается обозначать единицы измерения упрощенно: для резисторов с сопротивлением от 0 до 999Ом – без указания единицы измерения; от 1*103 до 999*103 Ом – буквой “к”; от 1*106 до 999*106 Ом — в мегаомах, прописной буквой “М”; свыше 1*109 Ом — в гигаомах, прописной буквой “Г”. Для конденсаторов емкостью от 10*10-14 до 9999*10-10 Ф — в пико-фарадах без указания единицы измерения, например, 0.01; 0.2; 30.0; от 1*10-8 до 9999*10-6 Ф — в микрофарадах с обозначением единицы измерения строчными буквами “мк”.
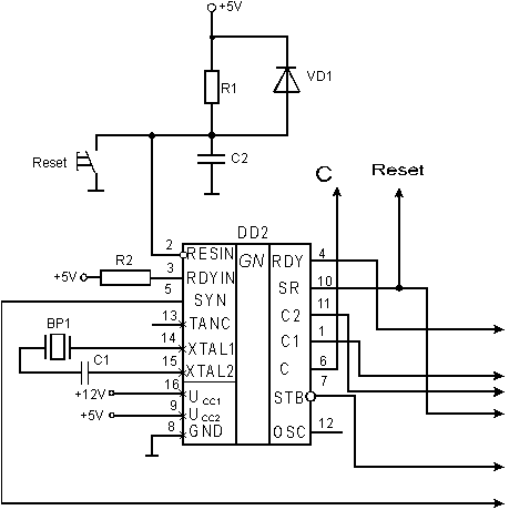
Рис. П.4.9 Принципиальная схема с обозначением элементов цифровой вычислительной техники показана на рис. П.4.10.
Рис. П.4.10 Упрощения на схеме. На схеме допускается изображать в виде прямоугольников логические элементы с n состояниями, а также элементы и устройства, не выполняющие в изделии логические функции, но применяемые в нем (например, аналоговые и аналого-цифровые элементы, диодные и резисторные сборки и т.д.). Непосредственное электрическое соединение выходов нескольких логических элементов в одну цепь (монтажная логика) допускается изображать на схеме в виде псевдоэлемента монтажной логики (рис. П.4.11).
Рис. П.4.11 В группе элементов, изображенных совмещенно и содержащих одинаковую информацию в основном поле условных графических обозначений (УГО), разрешается общую информацию помещать в первом (верхнем) элементе (рис. П.4.12).
Рис. П.4.12 Для уменьшения объема графических построений допускается применять упрощенное обозначение УГО, а также упрощенное изображение элементов и их связей. В схеме с повторяющимися однотипными элементами, имеющими большое число выводов одного функционального назначения, разрешается один элемент изображать полностью, а остальные повторять сокращенно. Линии связи при этом объединяют в одну групповую линию связи и указывают (в зоне сокращаемой группы) обозначения начала и конца первого и последнего вывода (рис. П.4.13).
Рис. П.4.13 Элементы (устройства, функциональные группы), входящие в изделие, на схеме должны иметь буквенные, буквенно-цифровые или цифровые обозначения. Буквенные коды для указания функционального назначения элементов приведены в табл. П.4.2. Таблица П.4.2
ПРИЛОЖЕНИЕ 5УСЛОВНЫЕ ГРАФИЧЕСКИЕ ОБОЗНАЧЕНИЯ В СХЕМАХПримеры построения наиболее используемых графических обозначений приведены в табл. П.5.1. Коммутационные устройства на схемах должны быть изображены в положении, принятом за начальное, при котором пусковая система контактов обесточена. На схемах рядом с УГО резистора (по возможности сверху или справа) указывают его условное буквенно-цифровое позиционное обозначение и номинальное сопротивление. В непосредственной близости от УГО на схеме указывают условное буквенно-цифровое позиционное обозначение конденсатора и его номинальную емкость. Условные графические обозначения функциональных частей устройств связи построены на основе квадрата, внутри которого изображают знаки, характеризующие их конструктивные особенности. Таблица П.5.1
Элементы цифровой техники. УГО элементов цифровой техники строят на основе прямоугольника. В самом общем виде УГО может содержать основное и два дополнительных поля, расположенных по обе стороны от основного (рис. П.5.1).
Рис. П.5.1 Размер прямоугольника по ширине зависит от наличия дополнительных полей и числа помещенных в них знаков (меток обозначения функции элемента), по высоте - от числа выводов, интервалов между ними и числа строк информации в основном и дополнительных полях. При изображении УГО элементов цифровой техники следует руководствоваться Обозначение выводов (табл. П.5.2). Вывод элемента должен иметь условное обозначение, которое выполняют в виде указателей и меток. Размер указателя должен быть не более 3 мм (при выполнении схем вручную). Указатели проставляют на линии контура УГО или на линии связи около линии контура УГО со стороны линии вывода. Указатель нелогических выводов не проставляют на выводах УГО в том случае, если он проставлен перед символом функции. Функциональное назначение элементов цифровой техники указывают в верхней части основного поля УГО. Обозначения основных функций дано в табл. П.5.3. В дополнительных полях указывают информацию о функциональных назначениях выводов - указатели, метки, обозначения (табл. П.5.4). Таблица П.5.2
Таблица П.5.3
Таблица П.5.4
ПЕРЕЧЕНЬ СТАНДАРТОВ, ИСПОЛЬЗУЕМЫХ ПРИ ВЫПОЛНЕНИИ ДИПЛОМНОГО ПРОЕКТА 1. ГОСТ 2.104-68* ЕСКД ОСНОВНЫЕ НАДПИСИ 2. ГОСТ 2.105-79 ЕСКД ОБЩИЕ ТРЕБОВАНИЯ К ТЕКСТОВЫМ ДОКУМЕНТАМ. 3. ГОСТ 2.106-68 ЕСКД ТЕКСТОВЫЕ ДОКУМЕНТЫ. 4. ГОСТ 2.301-68* ЕСКД ФОРМАТЫ. 5. ГОСТ 2.316-68 ЕСКД ПРАВИЛА НАНЕСЕНИЯ НА ЧЕРТЕЖАХ НАДПИСЕЙ, ТЕХНИЧЕСКИХ ТРЕБОВАНИЙ И ТАБЛИЦ. 6. ГОСТ 2.701-84* ЕСКД СХЕМЫ. ВИДЫ И ТИПЫ. 7. ГОСТ 2.702-75 ЕСКД ПРАВИЛА ВЫПОЛНЕНИЯ ЭЛЕКТРИЧЕСКИХ СХЕМ. 8. ГОСТ 2.708-81 ЕСКД ПРАВИЛА ВЫПОЛНЕНИЯ ЭЛЕКТРИЧЕСКИХ СХЕМ ЦИФРОВОЙ ВЫЧИСЛИТЕЛЬНОЙ ТЕХНИКИ. 9. ГОСТ 2.730-73* ЕСКД ОБОЗНАЧЕНИЯ УСЛОВНЫЕ ГРАФИЧЕСКИЕ В СХЕМАХ. ПРИБОРЫ ПОЛУПРОВОДНИКОВЫЕ. 10. ГОСТ 2.743-91 ЕСКД ОБОЗНАЧЕНИЯ УСЛОВНЫЕ ГРАФИЧЕСКИЕ В СХЕМАХ. ЭЛЕМЕНТЫ ЦИФРОВОЙ ТЕХНИКИ. 11. ГОСТ 2.759-82 ЕСКД ОБОЗНАЧЕНИЯ УСЛОВНЫЕ ГРАФИЧЕСКИЕ В СХЕМАХ. ЭЛЕМЕНТЫ АНАЛОГОВОЙ ТЕХНИКИ. 12. ГОСТ 7.1-2003 БИБЛИОГРАФИЧЕСКОЕ ОПИСАНИЕ ДОКУМЕНТА. ОБЩИЕ ТРЕБОВАНИЯ И ПРАВИЛА СОСТАВЛЕНИЯ. 13. СТП УГТУ-УПИ 1-96 ОБЩИЕ ТРЕБОВАНИЯ И ПРАВИЛА ОФОРМЛЕНИЯ ДИПЛОМНЫХ И КУРСОВЫХ ПРОЕКТОВ (РАБОТ). Составители Бессонов Николай Петрович Хмелевский Игорь Васильевич Битюцкий Валерий Петрович СХЕМОТЕХНИКА ЭВМ. Методические указания по курсовому проектированию / Н.П. Бессонов, И.В. Хмелевский, В.П. Битюцкий. Екатеринбург: ГОУ ВПО УГТУ-УПИ, 2006. 40 с. |
|||||||||||||||||||||||||||||||||||||||||||||||||||||||||||||||||||||||||||||||||||||||||||||||||||||||||||||||||||||||||||||||||||||||||||||||||||||||||||||||||||||||||||||||||||||||||||||||||||||||||||||||||||||||||||||||||||||||||||||||||||||||||||||||||||||||||||||||||||||||||||||||||||||||||||||||||||||||||||||||||||||||||||||||||||||||||||||||||||||||||||||||||||||||||||||||||||||||||||||||||||||||||||||||||||||||||||||||||||||||||||||||||||||||||||||||||||||||||||||||||||||||||||||||||||||||||||||||||||||||||||||||||||||||||||||||||||||||||||||||||||||||||||||||||||||||||||||||||||||||









Рис. П.4.3




























































