Дипломная работа: Телевізійний приймач з можливістю прийому сигналів у форматі MPEG-2
|
Название: Телевізійний приймач з можливістю прийому сигналів у форматі MPEG-2 Раздел: Рефераты по коммуникации и связи Тип: дипломная работа | ||||||||||||||||||||||||||||||||||||||||||||||||||||||||||||||||||||||||||||||||||||||||||||||||||||||||||||||||||||||||||||||||||||||||||||||||||||||||||||||||||||||||||||||||||||||||||||||||||||||||||||||||||||||||||||||||||||||||||||||||||||||||||||||||||||||||||||||||||||||||||||||||||||||||||||||||||||||||||||||||||||||||||||||||||||||||||||||||||||||||||||||||||||||||||||||||||||||||||||||||||||||||||||||||||||||||||||||||||||||||||||||||||||||||||||||||||||||||||||||||||||||||||||||||||||||||||||||||||||||||||||||||||||||||||||||||||||||||||||||||||||||||||||||||||||||||||||||||||||||||||||||||||||||||||||||||||||||||||||||||||||||||||||||||||||||||||||||||||||||||||||||||||||||||||||||||||||||||||||||||||||||||||||||||||||||||||||||||||||||||||||||||||||||||||||||||||||||||||||||||||||||||||||||||||||||||||||||||||||||||||||||||||||||||||||||||||||||||||||||||
РЕФЕРАТ Дипломний проект містить основну частину на 103 аркушах, таблиць 15, ілюстрацій 15. Перелік ключових слів: телевізійний приймач, тюнер, супутникове телебачення, конвертор, фільтр, підсилювач проміжної частоти, змішувач, гетеродин, синтезатор напруги, квадратурна фазова модуляція, MPEG-2. Об'єктом проектування є телевізійний приймач з можливістю прийому сигналів у стандарті MPEG-2. Метою роботи є розробка телевізійного приймача з можливістю прийому сигналів у стандарті MPEG-2 і поліпшеними характеристиками відтворення зображення. Методом дослідження є теоретичне дослідження можливостей побудови телевізійного приймача з можливістю прийому сигналів до стандарті MPEG-2, частотою кадрового розгорнення 100Гц, функцією «картинка в картинці». В результаті виконання дипломного проекту розроблені функціональна і структурна схеми телевізійного приймача з можливістю прийому сигналів до стандарті MPEG-2, принципова схема тракту обробки відеосигналу, розраховані ланцюги придушення звукової складової для тракту обробки відеосигналу, перетворювач напруги живлення на стабілітроні, коливальний контур генератора, керованого напругою. Розраховано дільник напруги для відеопідсилювача. Розроблено друковану плату тракту обробки відеосигналу. Область застосування: прийом сигналів супутникового цифрового, супутникового аналогового, а, також, наземного ефірного і кабельного віщання ЗМІСТПерелік умовних позначок і скорочень Вступ 1 Аналітичний огляд 1.1 Стандарти супутникового телевізійного віщання 1.2 Аналоговий метод передачи з ЧМ 1.3 Телевізійний сигнал з тимчасовим поділомкомпонентів 1.4 Передача сигналів у цифровій формі з стиском 1.5 Засекречування ТВ сигналів 1.6 Аналоговий супутниковий приймач 1.7 Цифровий супутниковий приймач 1.7.1 Схемотехніка цифрових супутникових приймачів 1.7.2 Технічні характеристики цифрових супутниковихприймачів 1.8 Цифровий стандарт DiSEq 2 Синтез функціональної схеми 2.1 Структурна схема телевізійного приймача 2.2 Функціональна схема 2.2.1 Тракт прийому аналагового супутникового віщання 2.2.2 Тракт прийому наземного й ефірного і кабельного віщання 2.2.3 Тракт прийому цифрового супутникового віщання 2.2.4 Демодуляція й обробка відеосигналу 2.2.5 Демодуляція й обробка сигналу звуку 3 Розрахунки, що підтверджують працездатність пристрою 3.1 Розрахунок режекторних фільтрів придушення звукової складової в каналі обробки зображення 3.2 Розрахунокпонижуючого перетворювача на стабілізаторі 3.3 Розрахунок коливального контуру генератора керованого напругою 3.4 Розрахунок дільника напруги для вихідного відеопідсилювача 4 Економічна частина 4.1 Аналіз ринку 4.2 Оцінка рівня якості 4.3 Розрахунок собівартості 4.4 Визначення ціни 4.4.1 Визначення ціни виготовлювача 4.4.2 Визначення лімітної ціни 5 Охорона праці 5.1 Аналіз умов праці 5.1.1 Повітряне середовище робочої зони 5.1.2 Освітлення 5.1.3 Шум 5.1.4 Вібрація 5.2 Розробка заходів щодо охорони праці 5.2.1 Організація робочого місця 5.2.2 Розрахунок кількості шкідливих речовин, що виділяються в робочу зону при пайке 5.2.3 Електробезпечність 5.2.4 Заходи для забезпечення пожежної безпеки Література ПЕРЕЛІК УМOBHИX ПОЗНАЧЕНЬ І СКОРОЧЕНЬ АМ - амплітудна модуляція; АР - амплітудний разветвитель; АРП - автоматичне регулювання підсилення; АЦП - аналого-цифровий перетворювач; БВСЯ - блок виділення сигналу яскравості; БЗСЯ - блок затримки сигналу яскравості; ВФ – відновлюючий фільтр ; ГКР - генератор кадрового розгортки; ГОП - генератор опорної піднесущої; ГРР - генератор рядкової розгортки; ГКН - генератор, керований напругою; ГФ - гребенчатий фільтр; ДТТ - декодер телетексту; ДК - дистанційне керування; ІКМ - імпульсно - кодова модуляція; ІМС - інтегральна мікросхема; КВК - картинка в картинці; КГ - кварцовий генератор; МК - мікроконтролер; МККР - міжнародний комітет з питань радіозв'язку; МШУ - малошумящий підсилювач; СФ - смуговий фільтр; ПКТС - повний кольоровий телевізійний сигнал; ПЧ - перетворювач частоти; СБТВ - супутникове безпосереднє телевізійне віщання; ССІ - селектор синхроімпульсів; СЧ - синтезатор частоти; ПБШН - підсилювач безшумного настроювання; ПП - підсилювач потужності; ПО - підсилювач-обмежник; ППЧ - підсилювач проміжної частоти; ФАПЧ - фазове автопідстроювання частоти; ФНЧ - фільтр нижніх частот; ЦАП - цифро-аналоговий перетворювач; АЦП - аналого-цифровий перетворювач; ЧД - частотний детектор; ЧМ - частотна модуляція; МАС - multiplexing analogue components; MPEG - motion picture expert grour . ВСТУПДо дійсного часу на Україні досягнуть значний прогрес у розвитку віщальної телевізійної мережі. Уся територія охоплена мережею потужних передавачів, що дозволяють подавати населенню 2-3 загальнодержавні програми. Сформовано мережу місцевого ( обласного і районного) віщання, що додає до загальнодержавних програм ще 3-9 програм. Практично у всіх містах побудовані багатоканальні кабельні мережі, здатні забезпечити 20 і більш віщальних програм з високою якістю. Однак на сучасному етапі розвиток телевізійного віщання характеризується розширенням використання супутникових систем зв'язку, що пояснюється рядом їхніх незаперечних переваг. Сучасне телебачення орієнтоване на використання аналогових сигналів стандартів РAL, NTSC, SECAM, причому забезпечення високої якості прийому сигналів сполучено зі значними технічними і економічними труднощями, обумовленими створенням мережі ретрансляторів. Покращити ситуацію стало можливо лише завдяки використанню супутникової ретрансляції, при якій забезпечується охоплення великих територій і використання переданого сигналу необмеженим числом прийомних установок. Ще одним важливим фактором є економічність. Подальший розвиток аналогових методів уже не в змозі забезпечити скільки-небудь серйозного поліпшення якості телевізійного сигналу, до якого пред'являються всі зростаючі вимоги. Це приводить до необхідності використання цифрових методів і, як наслідок, рішення головної проблеми цифрового телебачення - скорочення надмірності телевізійного сигналу. У даному дипломному проекті розробляється пристрій, що поєднує в собі функціональні можливості супутникового аналогового, супутникового цифрового приймачів і приймача наземного віщання. Можливо, розроблювальне пристрій у чомусь програє окремим компонентам, що виконують аналогічні функції, але його універсальність є тим фактором, що дозволяє зробити припущення про його конкурентноздатність на ринку. 1 АНАЛІТИЧНИЙ ОГЛЯД 1.1 Стандарти сигналів супутникового телевізійного віщання Стандартом телевізійного сигналу називають сукупність визначальних його основних характеристк, таких як спосіб розкладання зображення, число рядків і кадрів, тривалість і форма синхронізуючих і гасящих імпульсів, полярність сигналу, рознос між несущими частотами зображення і звукового супроводу і метод модуляції останньої, параметри передспотворюючого кола звукового сигналу й ін. По способу передачі сигналів кольоровості розрізняють три системи кольорового телебачення: SECAM, NTSC і РAL. Системи SECAM, NTSC і РAL були розроблені для наземних ТВ мереж, що використовують амплітудну модуляцію (АМ) несущої зображення, і не придатні для супутникових каналів, де основний є частотна модуляція (ЧМ). При проходженні ЧМ сигналу через тракти з нерівномірною амплітудною і нелінійною фазовою характеристикою виникають перехресні спотворення сигналів яскравості і кольоровості, що погіршують якість зображення. до того ж через трикутний спектр демодулированного шуму при ЧМ сигнали кольоровості виявляються в області підвищеної спектральної щільності потужності шуму, що знижує завадостійкість прийому цих сигналів. У багатьох країнах проводилися пошуки нових методів формування ТВ сигналу, вільних від зазначених недоліків. Найкращих результатів домоглися від цифрових методів передачі. Однак для передачі кольорового ТВ зображення з високою якістю швидкість цифрового потоку повинна складати більш 200 Мбіт/с, що значно перевищує пропускну здатність типового ствола супутникового ретранслятора зі смугою пропускання 27...36 :МГц. як компроміс для першого покоління європейських систем безпосереднього телевізійного віщання був розроблений і прийнятий комбінований цифроаналоговий стандарт із почерговою передачею на періоді активної частини рядка стиснутих у часі аналогових сигналів яскравості і кольоровості, що одержав назву МАС (Multiplexing Analogue Components - ущільнення аналогових компонентів) [ 16] . Сигнали звукового супроводу, синхронізації, службова і додаткова інформація передаються в цифровій формі. У залежності від обраного способу передачі звуку і даних розрізняють стандарти В-МАС, С-МАС, D- і D2-MAC. Наприкінці 80-х рр. був створений алгоритм цифрового стиску, що дозволяв передати високоякісне зображення зі швидкістю 7...9 Мбіт/с, зображення віщальної якості - зі швидкістю 3,5...5,5 Мбіт/с і кінофільм зі швидкістю не більш 1,5 Мбіт/с. На основі цього алгоритму Міжнародна організація стандартизації прийняла два стандарти обробки ТВ зображення: MPEG-1 для телебачення з невисокою дозволяючою здатністю і прогресивною розгорткою (компакт-диски, комп'ютерні ігри, мультимедіа) і MPEG-2 для віщального телебачення з черезрядковою розгорткою. Подальшим розвитком MPEG-2 став європейський стандарт цифрового ТВ віщання (DVB), що містить норми на параметри модуляції, кодування і передачі по каналах зв'язку. 1.2 Аналоговий метод передачі з ЧМ Частотна модуляція вимагає в порівнянні з амплітудною модуляцією, використовуваної в наземному віщанні, істотно меньшої потужності передавача, що особливо важливо для супутникових систем. Перевагами ЧМ є також невисокі вимоги до лінійності амплітудної характеристики тракту і можливість роботи вихідного каскаду супутникового передавача в режимі насичення, у якому досягається високий КПД [17]. При передачі ЧМ девиація частоти несущої вибирається виходячи зі смуги пропущення ВЧ тракту таким чином, щоб уникнути спотворень переданого сигналу, зв'язаних з відсіканням частини його спектра. Перехресні завадиви проявляються в спотвореннях типу "диференціальне посилення" і " диференціальна фаза ". Для зменшення цих спотворень застосовується рекомендована МККР лінійна обробка. Поряд з лінійними передспотвореннями сигналу зображення в супутникових системах іноді, застосовують нелінійну обробку , що полягає в обмеженні розмаху передспотвореного сигнала за рахунок відсікання коротких викидів, що відповідають крутим фронтам вихідного сигналу. При сигналі SECAM припустиме обмеження на 2...3 дБ, на таке ж значення можна збільшити девіацію частоти і відношення сигнал/шум на виході каналу. Сигнал звукового супроводу телебачення в традиційних системах із ЧМ передається звичайно разом із сигналом зображення на частоті, що піднесе, розташованої вище його спектра [16]. для досягнення необхідної завадозахищеності передача здійснюється методом частотної модуляції піднесущої, причому девіацію частоти паднесущої вибирають, як правило, більшою, ніж у наземному телебаченні - до 100 і навіть 150 кГц. Значення піднесущої також вище і складає 7,0...7,5 МГц при смузі відеосигналу 6 МГц, 5,8...6,8 МГц при смузі 5 МГц і 5...6 МГц при смузі 4,2 МГц, що дозволяє зменшити перехідні завади з каналу зображення в канал звукового супроводу і полегшити вимоги до фільтрації сигналів. Для підвищення завадостійкості передачі звукових сигналів, як і в наземному телебаченні, застосовують частотні передспотворення - підйом верхніх частот переданого повідомлення. При необхідності передачі разом із сигналом зображення більш ніж одного звукового сигналу (звукове віщання, звуковий супровід на іноземних мовах, стереозвук) використовується декілька піднесущихчастот, розташованих вище спектра відеосигналу. Їхнє число обмежене виникненням перехресних завад і погіршенням якості ТВ зображення через зменшення частки девіації несущої, приходящейся на відеосигнал. Практично з задовільною якістю вдається передати два-чотире додаткових сигнала. Наприклад, у супутникових ТВ каналах, організованих через європейські ІСЗ Eutelsat II і Astra поряд з основним каналом звукового супроводу сформовані ще до чотирьох високоякісних звукових каналів, використовуваних для передачі монофонічних чи стереофонічних програм [17]. Компандування застосовується для підвищення завадостійкості передачі звукових сигналів. Воно має на увазі стиск динамічного діапазону переданого сигнала відповідно до зміни обгинаючої звукового сигнала і відновлення вихідного динамічного діапазону на прийомі. Розрізняють "керовані" компандери, у яких інформація про вихідний динамічний діапазон передається в окремому каналі керування, і "некеровані", у яких ця інформація міститься в переданому сигналі. Виграш у завадозахищеності завдяки компандуванню досягає в середньому 12...13 дБ при наявності сигналу і по 20 дБ паузі сигналу. Більш ефективним енергетично і вільним від перехресних завад способом передачі декількох звукових сигналів є передача на піднесущей у дискретній формі. Сигнали окремих каналів перетворяться в цифрову форму і поєднуються (мультіплексуються) у загальний цифровий потік, що модулює по фазі піднесущу частоту, розташовану вище спектра відеосигналу. Піднесуща 5,73 МГц модулюється цифровим потоком з швидкістю 2,048 Мбіт/с, що містить ІКМ звукові сигнали, імпульси корекції помилок, контрольні імпульси. у системі утворяться або чотири звукових канали зі смугою 15 кГц, або два канали дуже високої (студійної) якості зі смугою 20 кГц. 1.3 Телевізійний сигнал з тимчасовим поділом компонентів У системах типу МАС аналогові сигнали яскравості і кольоровості стискуються в часі і передаються по черзі, що дозволяє уникнути перехресних перекручувань сигналів яскравості і кольоровості, знизити шуми в каналі кольоровості завдяки перекладу його в область низьких частот, підвищити здатність зображення, що дозволяє, за рахунок більш широкої смуги частот сигналів яскравості і кольоровості. Стиск аналогового сигналу здійснюється стробірованієм сигналу з деякою тактовою частотою, перетворенням відліків у цифрову форму , нагромадженням їх у буферній пам'яті, прискореним зчитуванням з нової, більш високою тактовою частотою і зворотним перетворенням в аналогову форму [ 16] . Звукові сигнали перетворяться в цифрову форму і передаються в інтервалі зворотного ходу лучачи. Вища частота в спектрі звукового сигнала складає 15 кгц частота стробирования обрана рівної 32 кгц. у залежності від вимог до якості звучання використовується лінійне аналогоцифрове перетворення з точністю 14 біт/відлік або майже миттєве компандування з точністю 10 біт/відлік, завадостійке дворівневе кодування забезпечує ефективний захист від помилок. Швидкість цифрового потоку в різних варіантах складає від 352 до 608 Кбіт/с. Для каналів з цифровою передачею звуку рекомендовано використовувати передспотворюючі контури. Вважається, що передспотворення зменшують суб'єктивне сприйняття шумів квантування і запобігають погіршенню якості при низьких відношеннях сигнал/шум. Сформовані тим чи іншим способом цифрові сигнали окремих каналів, імпульси синхронізації, корекції помилок і інші дискретні сигнали зводяться в загальний цифровий потік
Рисунок 1.1 Структура рядка сигналу системи D2-MAC Передача цього цифрового потоку разом із сигналом зображення в системах типу МАС може здійснюватися одним із трьох способів: - з поділом по частоті, як у японській системі BS-3 ( система А); - з поділом за часом на відеочастоті ( система В); - з поділом за часом на несущій частоті ( система С). Перша буква, що входить у повне позначення стандарту сімейства МАС (наприклад, С-МАС), означає спосіб передачі цифрового сигналу. Для сполучення по смузі частот відеосигналу з мережами кабельного телебачення розроблені стандарти D-MAC і D2-MAC. У системі D2-MACаналогові сигнали яскравості і кольоровості передаються протягом активної частини рядка в стиснутому в часі виді. Цифрова частина сигналу, що відповідає звуку, синхронізації, телетексту й іншим даним, об'єднана в пакети, передані протягом зворотного ходу по рядку і по кадрі. Струтура рядка сигналу, закодованого по системі D2-MAC, приведена на рис. 1.1. У стандарті D-MAC бінарний (двоїчний) цифровий потік перетвориться в дуобінарный (трьохрівневий), у якому, логічному 0 відповідає імпульс нульової амплітуди, а логічної 1- імпульс позитивної чи негативної полярності. Об'єднання відеосигналу і дискретної послідовності здійснюється по відеочастоті. Поява останнім часом стандартів цифрового стиску привело до того, що стандарт D/D2-MAC утратив свою роль переважного методу передачі в діапазоні 11,7...12,5 ГГц і уступає її цифровим методам. У цьому стандарті пока ще працюють несколько супутникових систем Франції і Скандинавських країн, передаються окремі програми Голландії, Бельгії, Великобританії, але область его застосування помітно скорочується. 1.4 Передача телевізійних сигналів у цифровій формі зі стиском Створення ефективного алгоритму цифрової обробки ТВ сигнала стало можливим на основі досягнень теорії зору і техніки сверхвеликих інтегральних схем (СВІС). Алгоритм, покладений в основу стандартів MPEG включає визначений базовий набір послыдовних процедур. У якості вихідного використовується компонентний ТВ сигнал RGB, потім він матрицюється в сигнал, що складається з яскравісної (Y) і двох кольорорізностних складових (U і V). Дискретизація здійснюється з тактовими частотами 13,5 МГц для сигнала яскравості і 6,76 МГц для кольорорізностних сигналів (співвідношення частот дискретизації 4:2:2- див.мал.1.3). На етапі попередньої обробки вдаляється інформація, що затрудняє кодування, але несуттєва з погляду якості зображення. Звичайно використовується комбінація просторової і тимчасової нелінійної фільтрації [16]. Основна компресія досягається завдяки усуненню надмірності ТВ сигнала. Розрізняють три види надмірності - тимчасову (два послідовних кадри зображення мало відрізняються один від іншого ), просторову ( значну частину зображення складають однотонні однаково пофарбовані ділянки) і амплітудну (чутливість ока неоднакова до світлих і темних елементів зображення). В залежності від цього кожен кадр у форматі MPEG може бути наступного виду: - I (Intra) frame - кодується як звичайна картинка. - Р (Predicted) frame - при кодуванні використовується інформація від попередніх I чи Р кадрів. - B (Bidirectional) frame – при кодуванні використовується інформація від одного чи двох I чи R кадрів (один попередній даному й один наступний за ним, хоча може і непосредственно, див. рис.1.1).
Рисунок 1.2 Послідовність кадрів у форматі MPEG Послідовність кадрів може бути наприклад така: IBBPBBPBBPBBBIBBPBBPB... Потрібно помітити, что прежде чем декодувати В кадр потрібно декодувати два I чи Р кадри. Існують різні стандарти на частоту з якою повинні слідувати I кадри (приблизно 1-2 кадру в секунду), що відповідають стандарти є і для Р кадрів (кожен 3 кадр повинний бути Р кадром). Такий вибір був зроблений для того, що б забезпечити одночасне виконання вимог максимального стиску і довільного доступу до кожного з кадрів послідовності. Тим часом саме В - кадри забезпечують максимальний стиск, і якби удалося підняти частку В - кадрів у групі, а I - кадрами позначити границі сюжетів, то ефективність стиску була б збільшена [16]. Тимчасова надмірність усувається передачею замість кадру зображення його відмінностей від попереднього кадру. Просте вирахування кадров було значно удосконалене, коли помітили, что велика частина змін, що з'являється на зображенні, може бути інтерпретована як зсув малих областей зображення.
Рисунок 1.3 Розбивка зображення на блоки в стандарті MPEG-2 Розбивши зображення на невеликі блоки (рис.1.3) і визначивши їхнє розташування в попередньому кадрі, можна для кожного блоку знайти набір параметрів, що показує напрямок і значення його зсуву. Цей набір називають вектором руху, а всю операцію - передбаченням з компенсацією руху. По каналі зв'язку передаються тільки вектор руху і відносно невелика різниця між поточним і передбаченим блоком. На цьому етапі усувається просторова надмірність - різницевий сигнал піддається перетворенню з просторової в частотну область, здійснюваному за допомогою двовимірного дискретно-косинусного перетворення (ДКП). ДКП перетворить блок зображення з фіксованого числа елементів у рівне число коефіцієнтів. Це дає дві переваги. Пo-пepше, у частотній області енергія сигналу концентрується у відносно вузькій смузі частот (звичайно на НЧ) і для передачі несуттєвих коефіцієнтів досить невеликого числа бітов. Пo-друге, розкладання в частотній області максимально відбиває фізіологічні особливості зору [16]. Наступний етап обробки полягає в адаптивному квантуванні отриманих коефіцієнтів. Набір коефіцієнтів кожного блоку розглядається як вектор, і процедура квантування виробляється над набором у цілому (векторне квантування ). Оцінка показує, що описана процедура стиску близька до теоретичної межі стиску інформації з Шеннону. Амплітудна надмірність вихідного сигналу усувається на етапі кодування повідомлення перед подачею його в канал зв'язку. Не всі значення вектора руху і коефіцієнтів блоку рівноймовірні, тому застосовується статистичне кодування з перемінною довжиною кодового слова. Найбільш короткі слова привласнюються подіям з найбільшою ймовірністю. Додаткова компресія досягається кодуванням у виді самостійного символу груп нулів. Відмітною рисою стандартів MPEG 1 і MPEG2 є їхня гнучкість. Вони можуть працювати з параметрами розкладання зображення 525 рядків при 30 кадрах у секунду і 625 рядків при 25 кадрах у секунду, придатні для форматів зображення 4:3, 16:9 і ін. Допускають удосконалення кодера без змін у вже встановлених декодерах. Можна розрахувати, що в супутниковому каналі з пропускною здатністю 20...25 Мбіт/м можна передати чотири-п'ять програм гарної якості, що відповідає Магістральним каналам подачі програм, чи 10...12 програм з якістю, що відповідає відеомагнітофону стандарту VHS. Складовою частиною в стандарти MPEG 1 і MPEG2 входять алгоритми передачі звукових сигналів з цифровою компресією, що дозволяють зменшити швидкість цифрового потоку в шістьох-вісьмох разів без суб'єктивного погіршення якості звучання. Один із широко використовуваних методів одержав назву MUSICAM (Layer-ІІ) [17]. Вихідним сигналом є ІКМ послідовність, отримана стробированієм вихідного звукового сигналу з тактовою частотою 48 кгц, і перетворенням у цифрову форму з точністю 16 біт/відлік. Нова техніка кодування використовує властивості людського сприйняття звуку, зв'язані зі спектральним і тимчасової маскуванням. Шуми квантування динамічно пристосовуються до порога маскування, і в каналі передаються тільки ті деталі звучання, що можуть бути сприйняті слухачем. Ця ідея реалізується в кодері. Тут за допомогою блоку фільтрів відбувається поділ сигналу на 32 парціальних сигнала, що квантуються відповідно до керуючого сигналами психоакустичної моделі людського слуху, що використовує оцінку порога маскування для формування цих керуючих синалов. На виході кодера з парціальних відліків формується набір кодових слів, поєднуваний далі в кадр заданої тривалості. вихідна швидкість кодера в залежності від вимог якості і числа програм у каналі може складати 32, 48, 56, 64, 80, 96, 112, 128, 160 чи 192 Кбіт/с на монопрограму. Швидкість 32 Кбіт/с відповідає звичайному мовному каналу , 48 Кбіт/с - наземному АМ віщанню. При швидкості 256 Кбіт/с на стереопару не тільки забезпечується якість компакт-диску, але і мається значний запас на наступну обробку . Системна частина стандарту MPEG2 описує об'єднання в єдиний цифровий потік окремих потоків зображення, звуку, синхронізації, даних однієї чи декількох программ. Для передачі в середовищі з завадами формується "транспортний" потік, що включає засоби для запобігання помилок і виявлення загублених пакетів. Він містить пакети фіксованої довжини (188байт), що містять стартовий байт, префікс (3 байти)і область корисних даних. Перед подачею в канал зв'язку сигнал піддається додатковому завадостійкому кодуванню і надходить на модулятор. Ці операції не входять у стандарт MPEG і в різних супутникових системах можуть виконуватися різними способами, що позбавляє ці системи апаратурної сумісності. Європейським країнам удалося вирішити цю проблему, розробивши на базі MPEG2 стандарт багатопрограмного цифрового ТВ віщання DVB, що нормує вага операції на передавальній стороні аж до подачі сигналу на вхід СВЧ передавача. У стандарті DVB застосовується каскадне завадостійке кодування. Зовнішній код - укорочений код Рида-Соломона (204.188) з t=8, що забезпечує "безпомилковий" прийом (імовірність помилки на виході менш 10-10 при імовірності помилки на вході менш 10-3). Внутрішній код - сверхточний з відносною швидкістю 1/2,2/3,3/4,5/6 чи 7/8 і довжиною кодового обмеження ДО=7, декодування здійснюється по алгоритму Віттербі. Вид модуляції – чотирьохпозиційна ФМ. На прийомній стороні декодер здійснює всі вищеописані операції в зворотному порядку, відновлюючи на виході зображення, дуже близьке до вихідного . Основною областю використання цифрового телебачення. як очікується, стануть системи безпосереднього ТВ віщання в діапазоні 12 ГГц. у США уже функціонує перша така система DirecTV , що надає абонентам можливість прийому більш ніж 170 ТВ програм. 1.5 Засекречування ТВ сигналів Телевізійні сигнали із супутника в принципі можуть бути прийняті будь-якими бажаючими в межах великої території незалежно від бажання передавальної сторони. Однак у деяких випадках телекомпанія - власник програми зацікавлений у запобіганні несанкціонованого прийому, наприклад, при передачі програм платного телебачення, ділових чи телеконференцій для обмеження території, на якій можна приймати дану програму за умовами авторського права. Найбільше широко застосовуваний метод обмеження доступу - засекречування переданих програм таким чином, щоб зробити прийом неможливим без спеціального декодера, наданого власником програми. На практиці використовується вісім систем кодування для РAL/SECAM, чотири для NTSC і шість для сигналу МАС. Основні вимоги до системи засекречування - вона повинна бути недорогою і надійною і "прозорою". Перша вимога очевидна й означає, що вартість декодера не повинна істотно впливати на вартість усієї прийомної установки. Висока надійність припускає, що сигнал неможливо розшифрувати простою переробкою приймача і потрібно спеціальний пристрій - декодер, що, принаймні, не може бути виготовлений у домашніх умовах і містить ключ чи спеціальну карту , захищені від копіювання. Звичайно приходиться шукати компроміс між надійністю системи засекречування і її вартістю. Прозорість системи означає, що якість сигналу після кодування/декодування не повинне погіршуватися [ 16] . Найпростіший спосіб засекречування - спотворення синхросигнала так, що стандартний ТВ приймач не може відновити норрисьне зображення, воно з'являється на екрані у виді окремих сегментів. Інформація про синхросмеси передається в сигналі в схованій формі і виявляється декодером, що відновлює стандартні синхроімпульси. Більш висока надійність досягається додаванням інвертування частини сигналу, зсувом його рівня. Ще більш складний шлях - зрушення в часі окремих рядків зображення, чи розсічення рядків і перестановка місцями розсічених частин, чи перестановка місцями рядків. В одній з перших систем, що використовувалися в Європі, замість рядкового синхроімпульсу підставлявся пакет синусоїдальних коливань з частотою 2,5 МГц, застосовувалися також різні варіанти інвертування зображення. Різновид цього методу за назвою Irdeto/Luscrypt використовується при кодуванні програми RTL-4 на супутнику Astra. Схожий результат виходить при передачі цифрових звукових сигналів в інтервалі зворотного ходу лучачи, використовуваної Європейським віщальним союзом у системі "Євровіденіє". Цифровий пакет порушує структуру рядкового синхроімпульсу і збиває роботу амплітудного селектора, тому на прийомі необхідно спеціальний пристрій регенерації синхросуміші. Системи зі зсувом рівня окремих компонентів відеосигналу виявилися не дуже надійними і поступово від них відмовилися на користь більш дороблених методів зі зсувом у часі окремих елементів зображення, що забезпечують значно більш високу надійність. Серед систем, що дозволяють розпізнати зображення, але утрудняють його перегляд найбільш відомий Discret, де зображення кожного рядка затримується на 0, 1 чи 2 мкс за допомогою додаткових аналогові лінії затримки, підєднуємих до каналу на період рядка по псевдовипадковому законі. На прийомній стороні закон чергування відновлюється по кодовому слову, переданому разом із сигналом і що розшифровується декодером [ 16] . У системі Videocrypt закладений більш складний принцип переміщення частин рядків. Кодер розсікає кожен рядок в одній з 256 крапок, обраних по псевдовипадковому законі , і змінює місцями частини розсіченого рядка. При цьому цілком руйнується структура зображення по вертикалі, але частково зберігається горизонтальна структура - титри, написи, меню програм . Інформацію, необхідну для відновлення зображення, декодер одержує з двох джерел: один ключ передається в закодованому виді в інтервалі кадрового гасящего імпульсу, інший поширюється у виді спеціальної абонентської картки, що розсилається передплатникам кожні три-чотири місяця. Сьогодні Videocrypt - найбільш розповсюджений метод Для стандартів сімейства МАС розроблений метод засекречування Eurocrypt, що базується, як і Videocrypt на розсіченні і перестановці частин рядка. Інформація про координати розсічення передається в рядку 625 у виді кодового числа. для його розшифровки на прийомі використовується абонентська картка з вмонтованим у неї кристалом пам'яті, у якій записані ключі до коду й інструкції з дешифрування. Eurocrypt застосовується більш ніж у 80% усіх ТВ каналів, що використовують сигнали D2- і D2-MAC. Засекречування сигналів у цифровому телебаченні не представляє особливої проблеми, тут може широко використовуватися весь арсенал методів, розроблених раніше для цифрового радіозв'язку. В одній із практично реалізованих систем цифровий потік зашифровується за допомогою переданого разом із сигналом кодового слова довжиною 56 біт, генерируємого псевдовипадковим образом і змінюваного з інтервалом від часток до декількох секунд. Кодове слово у свою чергу зашифровується за допомогою ключа, обновлюваного раз у кілька тижнів, а той останній розсилається абонентам по супутниковому каналі також у засекреченому виді. Алгоритм декодування записується в кристалі мікропроцесора, що поміщається або в декодері, або в абонентській картці і працює тільки при наявності ключа. Ступінь таємності такого коду дуже висока. 1.6 Аналоговий супутниковий приймач Супутниковий приймач, поряд з антеною і конвертором, є складовою частиною прийомної установки СБТВ. Він призначений для подальшого перетворення сигналу першої ПЧ, що надходить з конвертора, у другу ПЧ, а також демодуляції з наступним формуванням з виділених сигналів зображення і звуку телевізійного НЧ-сигнала і радіосигналу з амплітудною модуляцією в стандарті наземного телебачення. Структура аналогового супутникового приймача приведена на рис. 1.4.
Рисунок 1.4 Структура аналогового супутникового приймача Необхідно відзначити принципову різницю між сигналами супутникового і наземного телебачення. в апаратурі СБТВ прийнята смуга першої проміжної частоти 0,95- 1, 75 ГГц, що відповідає довжинам хвиль 31-17 см , тобто дециметровому діапазону. Максимальна частота 60-го дециметрового каналу наземного телевізійного віщання складає 790 МГц. Сигнали аналогового супутникового телебачення передаються за допомогою частотної модуляції, ширина смуги частот, займана каналом - 27 МГц, тоді як у наземному телебаченнясигнали амплітудно-модульовані, зсмугою каналу 8 МГц. Таким чином, задача супутникового приймача - настроювання на потрібний канал і перетворення прийнятого сигналу в стандартний телевізійний формат . Загальноприйнятої для прийомних установок СБТВ у даний час є схема з подвійним перетворенням частоти: перша ПЧ обрана рівної 0,95-1,75 ГГц, при цьому гетеродин конвертора має фіксоване настроювання , а канал вибирають перебудовою другого гетеродина, тобто в приймачі. Це рішення оптимальне, так як перебудова частоти виробляється простими й економічними технічними засобами, забезпечується необхідна вибірковість по сусідньому і дзеркальному каналах і зворотному випромінюванні гетеродина. Вибір зазначеного значення першої ПЧ обумовлений необхідністю компромісу між суперечливими вимогами до значення першої ПЧ. Для прийому сигналів до смузі 800 МГц, придушення дзеркального каналу, зворотного випромінювання гетеродина, частота якого повинна лежати поза смугою частот прийнятих сигналів, ПЧ повинна бути обрана якнайвище. для зменшення втрат у сполучному кабелі між конвертором і приймачем, а також для зменшення вартості малошумячого підсилювача ПЧ вона повинна бути не занадто високою [16]. Сучасна технологія виробництва інтегральних схем основних функціональних вузлів, що працюють на частотах 700 МГц і вище, смугових фільтрів на структурах з поверхнево-акустичними хвилями допускає збільшення значення другої ПЧ. В даний час більшість супутникових приймачів мають другу ПЧ, рівну 479,5 МГц і, рідше, 612 МГц. Діапазон вхідних частот багатьох сучасних супутникових приймачів СБТВ розширений до 0,70- 2,15 ГГц, мається також можливість плавного підстроювання частоти гетеродина. Це дозволяє більш гнучко використовувати різні типи конверторів, особливо повнодіапазонних. Основними технічними характеристиками супутникового приймача є: - Діапазон вхідних частот прийнятих сигналів; - Діапазон рівнів вхідних сигналів; - Вибірковість по сусідніх і побічних каналах прийому; - Ширина смуги ПЧ аудіоканала; - Ширина смуги ПЧ відеоканалу; - Статичний поріг частотного детектора; - Діапазон звукової піднесущої; - Споживана потужність. Особливість супутникового приймача, у порівнянні з іншими типами радіоприймальних пристроїв, полягає в тому, що він є тільки частиною прийомної установки. При цьому частина функцій приймача виконується конвертором - конструктивно самостійним вузлом, тому такі важливі технічні характеристики прийомної установки, як чутливість і коефіцієнт шуму, визначаються також характеристиками конвертора. Супутниковий приймач повинний забезпечувати три види вихідного сигналу: - НЧ відеосигнал розмахом 1В з можливістю переключення полярності і сигнал звуку для подачі на відповідні входи телевізора - - АМ-сигнал у стандарті наземного телебачення в одному з каналів дециметрового діапазону - Повний демодульований сигнал основної смуги 10,5 МГц без фільтрації і відновлення передспотворень і рівня постійної складової відеосигналу для підключення декодера сигналів, переданих у стандарті МАС Керування приймачем і всією прийомною установкою може здійснюватися як у режимі заданих функцій шляхом натискання в потрібній послідовності функціональних клавіш, так і в режимі екранних меню шляхом переміщення по заданих параметрах, аналогично керуванню положенням курсору в комп'ютері. 1.7 Цифровий супутниковий приймач Початок активного цифрового супутникового телевізійного віщання (Digital Broadcast Sate11ite - DBS) відноситься до середини 1996 р. до цього часу був сформований ряд цифрових пакетів і почалося виробництво цифрових приймачів. Одними з ключових питань розвитку DBS є конструкція, режими роботи й особливо вартість цифрового прийомного обладнання. В даний час саме ціна і виконувані функції цифрового супутникового приймача стали визначальними для власників цифрових пакетів і фірм - виробників обладнання. Вартість всіх інших компонентів прийомного комплексу - рефлектора, опромінювача і конвертора значно нижче і практично не впливає на вартість усього цифрового обладнання. Навпроти, аналогові супутникові приймачі високої якості зараз набагато більш доступні, чим 10 - 15 років тому, насамперед, завдяки їхній стандартизації і великим виробничим обсягам. Основними факторами, що впливають на вартість цифрових супутникових приймачів, є: - наявність відкритих стандартів; - універсальність конструкції; - обсяг виробництва; - конкуренція виробників. Створення і упровадження відкритих стандартів, що визначають конструкцію і виробництво цифрових приймачів - тільки перший крок для зниження витрат. Без стандарту MPEG-2, що став синонімом усього « цифрового телевізійного», цифрове супутникове телебачення не досягло б справжнього успіху. Однак це тільки початок, тому що в усьому світі існують несумісні цифрові відеостандарти. Потенційний успіх MPEG-2, DVB і інших перспективних стандартів може бути досягнут тільки за умови їх взаємної сумісності. 1.7.1 Схемотехніка цифрових супутникових приймачів Цифрові супутникові приймачі істотно відрізняються від аналогових моделей. Розглянемо узагальнену структурну схему, представлену на рис.1.5.
Рисунок 1.5 Узагальнена структурна схема цифрового супутниковогоприймача Після того, як виділений сигнал проходить кола демодуляції, він перетвориться в інформаційний потік у виді цифрових пакетів і надходить у пристрій виправлення помилок у демультіплексорі виробляється поділ інформаційного потоку на два канали: аудіо і відео. Декодер підтримує усілякі формати і має велику кількість виходів: цифрове відео, аналогове відео, цифрове аудіо, аналогове аудіо, RGB-вихід і ін. Керування роботою демультіплексора здійснює мікропроцесор, обробляючи команди користувача, передані через блок керування (пульт дистанційного керування чи модуль приймача). Розвиток цифрових приймачів відбувається з досить великою інтенсивністю, хоча з часу прийняття стандарту MPEG-2 пройшло кілька років, Розроблювачі і виготовлювачі прийомного супутникового обладнання координують свої зусилля для спрощення конструкції і зниження собівартості. Наслідком цього був випуск у 1997 р. цифрових приймачів вже третього покоління [16].
Рисунок 1.6 Структурна схема цифрового приймача першого покоління Кінцевою метою спільних зусиль є створення модульної архітектури приймача, що складалася б з універсальних чипів, застосовуваних не тільки в супутниковому телебаченні, але й у системах ММDS-віщання, цифрових кабельних мережах і інших видах телекомунікацій. Цифрові приймачі першого покоління (рис.1.6) мали велику кількість чипів, кожний з яких був відповідальний за незалежні задачі: корекцію помилок, демодуляцію, демультіплексированіє цифрового потоку, обробку даних (центральний процесор), MPEG-2-декодування відео- і аудіосигналов. У цих моделях використовувалися дорогі динамічні оперативні запам'ятовуючі пристрої (DRAM) з довільним порядком вибірки. Усі використовувані чипи мали досить великі розміри і вартість (близько 55% вартості всього пристрою). Слабким місцем цих конструкцій був центральний процесор з 8- чи 16-розрядною шиною дaнных. Приймачі другого покоління (1996р.), були розроблені з використанням уже всього трьох чипів, що здійснюють усі функції обробки сигналу. Додатковий четвертий чип забезпечує прийом цифрових програм кабельного ТВ. Супутниковий (чи кабельний) модуль здійснює демодуляцію сигналу і корекцію помилок. Центральний процесор вбудований у наступний чип, що забезпечує керування інформаційними потоками, дешифрування і контроль периферійних пристроїв і пам'яті. Останній чип містить MPEG-2 відео- і аудіодекодер. Ще однією особливістю цієї конструкції стало зменшення числа DRAM, а 32-бітний центральний процесор має більш високу швидкодію. Третє покоління цифрових приймачів, що випускається зараз ( з 1997р.) засновано тільки на двох чипах. Перший модуль виконує специфічні задачі аналого-цифрового перетворення, демодуляції і корекції помилок. Об'єднання наступних двох чипов в один стало відмітною рисою приймача третього покоління. Він містить центральний процесор, контролер введення-виводу, процесор інформаційних потоків, MPEG-2 відео і аудіо-декодер. Зменшене також число модулів оперативної пам'яті: один SDRAM обсягом 16 Мбайт впевнено обслуговує модифікований чип. Варто додати, що швидкість роботи центрального процесора збільшена з 45 до 150 млн. операцій у секунду . Таким чином, у даний час типовий цифровий супутниковий приймач виконує демодуляцію прийнятого сигналу і декодування стиснутого за технологією MPEG-2 сигналу. Мається також можливість організації за допомогою модему зворотного каналу через послідовний порт RS 232, а мінірисьний обсяг оперативної пам'яті складає 1 Мбайт. Через це ж рознімання можна підключитися до персонального комп'ютера і поміняти версію програмного забезпечення. 1.7.2 Технічні xapaктepичтики цифрових супутникових приймачів Розглянемо основні технічні характеристики цифрових супутникових приймачів. Крім традиційного діапазону частот, існують ще декілька параметрів, властивим тільки цифровим системам. У першу чергу це відноситься до можливості здійснювати одне- чи багатопрограмний прийом на одній частоті. Single Channel Per Carrier (SCPC) - спосіб передачі, при якому кожна програма модулює окрему несущу. Цей спосіб у порівнянні з МСРС більш енергоємний. Він використовується в тих випадках, коли трансляційні крапки pізних програм географічно рознесені. Частотне мультіплексированіє таких програм відбувається уже в антенно-фідерній лінії супутникового бортового ретранслятора. Multi Channel Per Carrier (МСРС) - передача декількох різних програм на одній несущій. При цій системі передачі спочатку виробляється тимчасове мультіплексированіє елементарних потоків, що складають різні передачі, а потім отриманий груп0овий транспортний потік модулює одну несущу. Цей спосіб передачі дозволяє більш эффективно, чим при використанні SCPC-пepeдaчи, використовувати смугу пропущення транспондера, тому що скасовуються захисні інтервали між несущими. Ще одним важливим параметром є швидкість передачі даних (Symbol Rate - SR). У більшості випадків швидкість одиночних каналів (SCPC) коливається від 3 до 9 Мбит/с, а для пакетів (МСРС) - до 30 Мбіт/с. Обмеження нижньої межі швидкості значеннями 15-18 Мбіт/с є однією з причин нездатності деяких приймачів приймати безкоштовні канали, багато з яких передаються поодинці. З цього випливає,що SR-діапазон, српиймаємий приймачем, повинний на сегодняшний день складати 3-30Мбіт/с [16]. Важливим параметром будь-якого цифрового каналу є PID-коды, що визначають місцезнаходження окремих елементарних потоків у структурі транспортного потоку. Інформація про ці коди зберігається в таблиці, називаної Programm Мар Таblе. Program Мар Тablе визначає місцезнаходження окремих потоків, що складають усі трансляції, передані в мультіплексированом транспортному потоці. Вона містить також необхідні аудио- і відеопараметри й іншу допоміжну інформацію, що може використовуватися для формування електронного гіда, установки годин і т.д. Ця таблиця передається на початку транспортного потоку разом з іншою службовою інформацією. Program ldentification (РID) – код, що визначає місцезнаходження визначеного елементарного потоку в загальному транспортному потоці. Найбільш істотний мінус такого підходу - нездатність приймати безкоштовні канали, достоїнство - деяка захищеність від прийому інших платних трансляций. Крім того, такі приймачі вимагають доробки програмного забезпечення при будь-якій зміні довжини елементарних потоків, що входять до складу пакета. Іншими специфічними характеристиками цифрового приймача є тактова частота процесора, а також обсяг оперативної і перепрограмувальної пам'яті. 1.8 Цифровий стандарт DiSEq Цифровий стандарт керування супутниковим обладнанням - DiSEq (Digita1 Sate11ite Equipment Contro1) - розроблений компанією Eute1sat з метою спрощення контролю периферійних пристроїв. В міру розвитку супутникового телебачення усе більш актуальної ставала задача керування конверторами (переключення піддіапазонів у смузі 10,70 - 12,75 Ггц, вибір типу поляризації, організація спільної роботи конвертора С-діапазону з універсальним конвертором Кідіапазона) і електроприводом антени. Існуючий у даний час набір сигналів керування конвертором - 13/18 в і тоновий сигнал 22 кГц подається на антену по коаксіальному кабелі, а сигнал керування електроприводом - по окремому силовому. Стандарт DiSEq має наступні переваги: - Мається можливість керування універсальними конверторами, що знаходяться в складі мультифокусной антени - Для усіх видів переключенні конвертора і керування електроприводом використовується один кабель - Застосовуються стандартні команди керування - усуваються проблеми переключення, обумовлені несумісністю різних компонентів системи - Забезпечується сумісність з існуючими сигналами управления - Має підвищену надійність Робота системи DiSEq заснована на переключенні тонового сигналу 22 кГц.
Рисунок 1.7 Структура сигналів даних стандарту DiSEq Значенням «0» і «1» відповідає визначена тривалість їмпульсу (рис. 1.7). Усі повідомлення складаються з байтів даних, кожний з який супроводжується одним бітом перевірки на парність. Будь-яка команда містить у собі адресний, стартовий і інформаційний байти [16]. Для керування електроприводом розроблений спеціальний протокол. Відповідно до нього після адресної інформації, що визначає необхідний пристрій, передається кратне необхідній кількості оборотів електродвигуна число імпульсів. В даний час найбільше поширення одержали системи mini-DiSEq, що забезпечують виконання обмеженого набору команд. Очевидно, що в міру розвитку стандарту (уже зараз існують версії 1.0, 2.0, 3.0) з його допомогою стане можливим повне керування всім спектром обладнання. 2 СИНТЕЗ ФУНКЦІОНАЛЬНОЇ СХЕМИ2.1 Структурна схема телевізійного приймача Проектований телевізійний приймач повинний забезпечувати прийом сигналів супутникового аналогового віщання, супутникового цифрового віщання, сигналів наземного ефірного віщання, сигналів кабельного телевізійного віщання, а також прийом ТВ сигналу від зовнішнього джерела (наприклад, відеомагнітофона).Пристрій складається з декількох функціонально закінчених прийомних трактів: - тракту прийому супутникового аналогового віщання, - тракту прийому цифрового супутникового віщання в стандарті MPEG-2 (діапазон прийнятих частот для супутникових каналів віщання складає 1,45 - 12,75 ГГц, частота з виходу конвертора 950-2200 МГц), - два ідентичних тракти для прийому наземного ефірного і кабельного віщання (діапазон принимаеемых частот 46,25- 863,25 МГц). Один з цих трактів є основним, другий - додатковим і забезпечує реалізацію функції «картинка в картинці» . Телевізійний приймач спроектований із застосуванням елементної бази фірми Phi1ips, що зручно з погляду керування всіма пристроями. Керування здійснюється по шині І2 С, запатентованою фірмою Phi1ips. Розглянемо структурну схему телевізійного приймача, показану на рисунку 2.1. З виходу конвертора сигнал супутникового віщання надходить через комутатор або в приймач сигналів цифрового супутникового віщання, або в приймач сигналів аналогового супутникового віщання (fBx=0,95...2,2 м Гц. ). у приймачі аналогового супутникового віщання відбувається перетворення частоти сигналу, його демодуляція, і приведення до стандартногоформату кабельного віщання [16].
Рисунок 2.1 Схема структурна телевізійного приймача с. можливістю прийому сигналів до форматі MPEG-2 З виходу цього тракту сигнал надходить на вхід приймача сигналів кабельного й ефірного наземного віщання. Якщо прийом ведеться у форматі цифрового супутникового віщання в стандарті MPEG-2, то сигнал з виходу конвертора надходить на вхід тракту обробки сигналів цифрового супутникового віщання. Потім сигнал подається на електронний комутатор, так як MPEG-декодер дозволяє одержати на виході сигнал РAL/NTSC/SECAM на проміжній частоті fПЧ =38 МГц. Система електронних комутаторів дозволяє здійснювати вибір джерела сигналу в основному і додатковому трактах. Система фільтрів розділяє складові звуку і зображення. Далі сигнали з основного і додаткового трактів подаються на вхід модуля «картинка в картинці». Сигнал з виходу цього модуля, а також сигнал з основного тракту обробки зображення надходять на комутатор, що дозволяє здійснити вибір джерела сигналу - або з «картинкою в картинці» або без її. Можливо одночасне відтворення на екрані двох сигналів зображення з різних трактів. Так як телевізійний приймач містить у собі два повноцінних ідентичних тракти прийому сигналів наземного ефірного і кабельного віщання, то можливо одночасне відтворення сигналів цього виду віщання. Побудова додаткових трактів для супутникового віщання недоцільно з економічної точки зору. Потім сигнал надходить на вхід блоку поліпшення якості відеосигналу, що подвоює частоту кадрів, поліпшує параметри сигналу (яскравість, насиченість, різкість і т.д. ) Потім сигнал надходить на блок комутації, куди також подається сигнал з виходу блоку декодування телетексту. З виходу блоку комутації сигнал подається на вхід блоку підсилювачів і генераторів розгорнення. Електронно-променева трубка і система, що відхиляє, формують зображення на екрані. 2.2 Функціональна схема 2.2.1 Тракт прийому аналогового супутникового віщання Функціональна схема проектованого телевізійного приймача показана на рисунку 2.2. Сигнал надходить від конвертора сигналів супутникового телебачення на комутатор (К1), що керується мікроконтролером по шині І2 С. З нього сигнал попадає на смуговий вхідний фільтр (СФ1). Вхідний фільтр подавлює завади від інших каналів, що працюють у цій смузі, а також завадипо дзеркальному каналі [17]. Підсилювач проміжної частоти ППЧ1 компенсує втрати сигналу в сполучному кабелі і фільтрі, виконує функції пристрою, що погодить, між вхідним фільтром і наступними пристроями. враховуючи, що ППЧ1 повинен забезпечити широку смугу пропущення 0,95...2,2 Ггц, у цьому діапазоні його АЧХ лінійна. Сигнал з виходу ППЧ1 підводиться до змішувача (СМ). На другий вхід СМ надходить сигнал з виходу синтезатора частоти (СЧ). Вибір програми в приймачі здійснюється настроюванням СЧ на відповідну частоту несущої. Діапазон перестройки 920 МГц…2200 МГц генератора керованого напругою (ГКН), що входить до складу синтезатора, реалізувати неможливо. Тому діапазон розбитий на піддіапазони, у кожному з яких до ГКН підключаються частотозадаючі кіла за допомогою комутатора частотозадающих кіл (КЧЗЦ), що також керується мікроконтролером по шині І2 С. Застосування СЧ дозволяє значно підвищити точність настроювання і стабільність частоти гетеродина, забезпечити легкість запам'ятовування частот каналів і сполучення з цифровими блоками керування [17].
Рисунок 2.2 Схема функціональна телевізійного приймача з можливістю прийому сигналів до форматі MPEG-2 Після перетворення на виході змішувача утвориться сигнал проміжної частоти 479,5 МГц. Смуговий фільтр (СФ2) придушує побічні продукти перетворення, додаткове посилення сигналу забезпечує ППЧ2. При зміні умов прийому, розходженні в потужності передавачів, потужність прийнятого сигналу може змінюватися. Тому в тракт входитьсхемаформуваннясигналуавтоматичногорегулювання підсилення (СФСАРП1). Сигнал АРП формується шляхом аналізу рівня напруги на виході ППЧ2. Напруга випрямляється (В) і фільтрується (ФНЧ1) для формування постійної часу системи АРП. Потім сигнал з виходу ФНЧ1 сумується в суматорі (С) з напругою джерела опорної напруги (ІОН) і подається на входи регулювання ППЧ1 і ППЧ2. за допомогою ІОН задається початковий коефіцієнт підсилення. Динамічний діапазон пристрою АРП складає 25- 30 дБ [16]. Усунення паразитної амплітудної модуляції здійснюється за допомогою підсилювача-обмежника (ПО), включеного до детектора. Він забезпечує сталість амплітуди вихідного сигналу при змінах амплітуди вхідного сигналу. З виходу ПО сигнал надходить на вхід частотного детектора (ЧД1), що здійснює детектированіє сигналу. На виході ЧД1 формуються відеосигнал і частотно-модульований звуковий сигнал. Фільтр (Ф1) у ланцюзі відеосигналу відновлює форму АЧХ відеосигналу, передспотворену при передачі й одночасно придушує поднесущую частот звукового супроводу. Сигнал у канал звуку подають через СФ3, щоб зменшити можливі спотворення звуку складовими відеосигналу. Перетворювач частоти ПЧ1, що складається з гетеродина і змішувача, переносить звукові сигнали різницевих піднесущих на частоту 10,7 МГц. Демодуляція сигналу звукового супроводу виробляється в частотному детекторі ЧД2 [ 17] . Сигнал звукового супроводу і відеосигнал надходять у перетворювач частоти (ПЧ2), що дає на виході телевізійний сигнал стандарту наземного телебачення в одному з каналів дециметрового діапазону. ПЧ містить амплітудний модулятор сигналу зображення, що перебудовується генератор дециметрового діапазону (470-790 МГц) і частотний модулятор несущої звукового супроводу. Спочатку здійснюється частотна модуляція сигналу звукового супроводу, а потім це ЧМ сигнал сумується з відеосигналом. Далі отриманим сигналом здійснюють амплітудну модуляцію радіочастоти, що відповідає одному з каналів ДМВ. вихідний сигнал подається на вхід тракту прийому наземного віщання. 2.2.2 Тракт прийому наземного ефірного і кабельного віщання Прийом сигналу здійснюється антеною, у діапазонах прийнятих частот 46,25...168,25; 175,25...463,25; 471,25...863,25 МГц. Ці діапазони перекриваються тюнером UV1316 (Philips ), перенастроюваним синтезатором напруги, тобто забезпечується прийом у всіх ефірних і кабельних каналах. З виходу антени через антенний разветвитель сигнал надходить одночасно в два тракти прийому - основний і допоміжний (картинка в картинці). Смуговий фільтр (СФ5) придушує дзеркальну завадуду, а також побічні продукти перетворення частоти. Схема СФСАРП працює аналогічно схемі в тракті прийому супутникового аналогового телебачення. Детектор (Д) здійснює детектированіє сигналу. На виході детектора одержуємо сигнал на проміжній частоті (38 МГц). Підсилювач безшумного настроювання (ПБШН) здійснює посилення сигналу в тракті только коли йде прийом несущої сигналу, коли немає несущої - сигнал не підсилюється [20]. 2.2.3 Тракт прийому цифрового супутникового віщання Діапазон частот сигналу на вході цього тракту - від 920 МГц до 2200 МГц. Сигнал надходить з конвертора через комутатор (ДО 1) на малошумящий підсилювач (МШУ). Так як при передачі цифрового супутникового віщання використовується квадратурна фазова модуляція, у тракті прийому сигналу є квадратурний конвертор, поділяючий сигнали в квадратурі (зрушення фази <φ=900 ). Подальша обробка сигналів здійснюється роздільно [ 16] . Зрушені по фазі на (φ=900 сигнали надходять на фільтри низьких частот для фільтрації високочастотних завад, з метою поліпшення якості наступної цифрової обробки сигналу [16]. З виходу фільтрів сигнали в квадратурі надходять на вхід аналого-цифрового перетворювача (АЦП), що перетворює сигнал в інформаційний потік у виді цифрових пакетів. Частота дискретизації АЦП виробляється синтезатором частоти (СЧ). Для синхронізації цифрового фільтра (ЦФ) і декодера Віттербі (ДВ) використовується схема синхронізації (СС). Декодер Віттербі і декодер Ріда-Соломона декодує сигнал з стандарту DVB (Digita1 Video Broadcasting). У дескремблере здійснюється реалізація функції умовного доступу (Smart-картa), тобто декодування плaтних віщальних каналів. Потім транспортний потік даних у форматі MPEG-2 надходить на MPEG декодер. Сучасні декодери, маючи високий ступінь інтеграції, містять у собі кодеки стандартних систем віщального телебачення і дозволяють одержати на виході сигнал у форматі одного з віщальних стандартів в аналоговій формі (NTSC/PAL/SECAM). Комутатори ДО3 і ДО4 дозволяють здійснювати вибір джерела сигналу в основному і додатковому трактах обробки зображення для реалізації функції «картинка в картинці». Сигнал з будь-якого тракту може бути обраний як основний або як допоміжний. Керування комутацією здійснюється по шині I2 С від мікроконтролера. Смуговий фільтр СФ4 і режекторный фільтр РФ1 здійснюють поділ сигналів зображення (ПКТС) і звуку. У додатковому каналі обробки зображення СФ5 і РФ2 виконують аналогічні функції. 2.2.4 Демодуляція й обробка відеосигналу З виходу режекторного фільтра РФ1, що придушує в сигналі звукову складову, ПКТС надходить відразу на кілька входів блоку демодуляції відеосигналу - на вхід тракту декодування сигналу SECAM, на вхід тракту декодування сигналів PAL/NTSC, на вхід селектора синхроімпульсів (ССІ), на вхід декодера телетексту (ДТТ) і на блок ідентифікації системи (БІС). для виділення з ПКТС синхроімпульсів служить ССІ [10]. Виділення імпульсів синхронізації відбувається за рахунок різниці в амплітуді напруги відеосигналу і напруги синхроімпульсів (позитивна або негативна модуляція). До складу ССІ входять також елементи поділу синхросуміши на синхроімпульси рядків і синхроімпульси кадрів, з яких сигнали надходять на генератор кадрового розгорнення (ГКР) і генератор рядкового розгорнення (ГРР). Одночасно ПКТС подається на вхід відновлюючого фільтра (ВФ) з характеристикою типу «кльош». Його частотна характеристика має колоколоподібну форму , що необхідна для корекції високочастотних передспотворень, що вводяться при передачі для підвищення завадостійкості системи [10]. Потім скоректований сигнал надходить на амплітудний обмежник (АО), у якому у відеосигналі усувається амплітудна модуляція яскравісним сигналом. На виході АО формується сигнал, що несе інформацію тільки про колір, що подається на декодер кольору SECAM. Декодер SECAM містить два канали – прямий і затриманий, так як в системі SECAM в одному рядку передається одна кольорорізніцева складова. Лінія затримки на рядок ( 64мкс ) і двоканальний комутатор дозволяють забезпечити в кожнім рядку присутність обох кольорорізностних сигналов. з виходу декодера кольоровості SECAM на вхід комутатора (К6) попадають два кольорорізностних сигнали R-Y і В-Y. Крім того, ПКТС подається на вхід декодера кольору NTSC/PAL. Так як в системах віщання NTSC/PAL кодування кольорорізностних сигналів здійснюється на одній несущій частоті зі зрушенням фази, виділити сигнали R-Y і В-Y можна за допомогою гребенчатого фільтра (ГФ). Перебудова здійснюється зміною частоти кварцового генератора шляхом комутації кварцових резонаторів різної частоти (4,433619 МГц, 3,582056 МГц, 3,575611 МГц, 3,579545 МГц) [7]. Керування здійснюється по шині І2 С. З виходу гребенчатого фільтра сигнал надходить на вхід смугового фільтра (СФ4), що здійснює остаточне придушення яскравісної складової в сигналі. Генератор опорної піднесущої частоти (ГОП) виділяє із сигналу спалах немодульованої піднесущої, передану під час зворотного ходу рядкового розгорнення і відновлює опорну піднесущу частоту для декодування сигналу NTSC/PAL. Частота піднесущої і сигнал кольоровості подаються на входи декодера NTSC/PAL, що здійснює декодування сигналів кольоровості. Визначення стандарту віщання здійснюється блоком ідентифікації системи (БІС). Сигнал з виходу цього блоку керує комутатором (ДО6), що підключає для подальшої обробки або сигнали з декодера кольору SECAM або з декодера кольору NTSC/PAL [ 10 ] . Тракт обробки сигналу яскравості складається з блоку виділення сигналу яскравості (БВСЯ), а також лінії затримки сигналу яскравості (ЛЗСЯ). БВСЯ фільтрує складові кольори. Необхідність додаткової затримки сигналу яскравості зв'язана з тим, що сигнал яскравості (Y) проходить по широкополосному тракті швидше, ніж кольорорізностні (U і V) сигнали по вузькополосному. Сигнал яскравості Y і сигнали кольоровості U і V комутуються комутатором К4 і подаються на вхід блоку «картинка в картинці» [6]. Також на вхід цього блоку подається сигнал з додаткового тракту обробки зображення. Блок «картинка в картинці» здійснює змішання (відеовставку) сигналів зображення з основного і додаткового трактів, причому спосіб формування сигналу (зменшена картинка в куті екрана, підлога екрана, множинна картинка в картинці і т.д.) користувач може вибрати. Для запам'ятовування поля (стоп кадр) використовується динамічне запам'ятовуюче пристрій (ДЗУ). Блок КВК керується по шині І2 С. На вхід комутатора (К7) надходять сигнали з виходу блоку КВК і з виходу основного тракту обробки зображення. У такий спосіб К7 дозволяє здійснити вибір сигналу - або з відеовставкою з додаткового каналу або без її. З виходу К7 сигнал надходить на вхід блоку поліпшення якості зображення [9]. БУКИ здійснює подвоєння частоти розгорнення до 100Гц, коректування яскравості, контрасту, різкості, кольоровості зображення. На входи комутатора К8 подаються сигнали YUV з виходу декодера телетексту (ДТТ) і з виходу БУКИ. Потім YUV сигнал від обраного джерела перетвориться в RGB сигнал матрицею М. Відеопідсилювачі RGB [8] здійснюють посилення сигналу для подачі його на електронно-променеву трубку із відхиляючою системою (ЕЛТ і ОС). 2.2.5 Демодуляція й обробка сигналу звуку На вхід тракту обробки сигналу зображення сигнал подається з виходу комутатора К3. Придушення в сигналі складових зображення реалізується фільтром СФ4. Фактично це не один фільтр, а кілька фільтрів, що виконують ту саму функцію, але на різних частотах для різних стандартів. Частоти несущих коливань для різних стандартів [12] приведені в таблиці 2.1. Таблиця 2.1 Стандарти звукового супроводу
Виділений сигнал звукового супроводу подається на комутатор аудіо входів (КАВ), що дозволяє здійснити вибір джерела звукового сигналу - основний чи додатковий тракт. З виходу комутатора сигнал надходить на вхід процесора звуку (ПЗ). ПЗ здійснює демодуляцію сигналу різних стандартів і їхню обробку. Як правило, ПЗ містить у собі цифрові регулятори голосності і тембру (ЦРГТ). З виходу ЦРГТ сигнал подається на вхід підсилювача потужності сигналу (РОЗУМ), що здійснює посилення сигналу для подачі його на акустичні системи, а також на вхід підсилювача потужності головних телефонів (ППГТ). 3 РОЗРАХУНКИ ПІДТВЕРДЖУЮЧІ ПРАЦЕЗДАТНІСТЬ ПРИСТРОЮ 3.1 Розрахунок режекторных фільтрів придушення звукової складової в каналі обробки зображення У розроблювальному пристрої декодування й обробка сигналів зображення і звуку здійснюється роздільно. Отже, для обробки сигналу зображення необхідно придушити несущу частоту звукового супроводу. Для різних стандартів віщання рознос частоти між верхньою границею сигналу відео і несущої частоти сигналу звукового супроводу різний, але у всіх стандартах цей рознос невеликий (3...5…5 МГц). для подальшої обробки сигналу відео необхідно забезпечити придушення звукової складової на 40 дБ. Так як фільтр низької частоти не може забезпечити необхідну крутість спаду характеристики після верхньої частоти сигналу відео, придушення задопомогою резонансних peжeкторных фільтрів. Принципова схема такого фільтра приведена на рис. 4.1
Рисунок 3.1 Принципова схема режекторного фільтра Резистор R1 і коливальний контур L1С1С2 утворюють дільник напруги. На частоті резонансу контура L1С1С2 активний опір контуру падає, і він шунтує резистор R1. Коефіцієнт передачі такого кола на частоті резонансу різко падає, тобто здійснюється придушення у вхідному сигналі складових з частотою резонансу контуру. Таким чином, придушується звукова складова. Так як треба забезпечити прийом і декодування сигналів, переданих у різних стандартах необхідно перебудовувати частоту резонансу контуру L1С1С2. Цього можна досягти шляхом комутації конденсаторів з різними ємностями. Комутирувати індуктивності недоцільно, тому що моткові вироби, до яких відносяться індуктивності, коштують дорожче, ніж ємності. Параметри фільтра будемо розраховувати для різних частот несущої звуку. Частоти несущих звукового супроводу приведені в табл. 2.1. Розрахунок режекторного фільтра для частоти несущої звуку 4,5 .МГц Для розрахунку задамося початковим значенням індуктивності 0,022 мкГн [24]. Частота резонансу коливального контуру знаходиться по формулі
де де C=C1+C2. Додатковий підстроюваний конденсатор С2 вводиться для точного настроювання частоти резонансу контуру для кожного стандарту. Діапазон зміни ємності С2=4...12 пф. При розрахунку будемо використовувати середнє значення ємності конденсатора С2, рівне 8 пФ . Знайдемо значення еквівалентної ємності контуру
Хвильовий опір контуру розраховується по формулі Для того щоб придушення частоти несущої на виході кола складало 40дБ необхідно забезпечити співвідношення
Виходячи з цього, знаходимо:
Отже,
Приймаємо значення опору R1=63,4 Ом з ряду Е24. При зміні значення ємності С в подальших розрахунках буде змінюватися і хвильовий опір r. Отже, необхідно змінювати значення R1 . Але чим вище частота резонансу, тим менше буде ємність С и тим більше буде хвильовий опір. Таким чином, на більш високихчастотах удасться забезпечити більше значення р, а, отже, і більш сильне загасання на частоті резонансу, Тому значення резистора Rl для всіх наступних розрахунків будемо вважати незмінним, Розрахуємо ємність конденсатора C1
Отже, для частоти несущої звуку 4,5 МГц C1 =56 10-9 - 8 10 - 9 = 48×10-9 , Приймаємо значення ємності C1 =47 пФ із ряду Е12. Расчет режекторного фільтра для частоти несущої звуку 5,5 МГц Режекторний фільтр для придушення інших частот несущої звуку розраховується аналогічно, Перебудова центральної частоти фільтра здійснюється шляхом комутації частотозадаючих конденсаторів, Так як в якості частотозадаючего елемента обраний конденсатор, розрахуємо значення його ємності для частоти 5,5 МГц.
Розрахуємо ємність конденсатора C1 :
Отже, для частоти несущої звуку 5,5 МГц:
Приймаємо значення ємності C1=30 Пф із ряду Е12, Розрахунок режекторного фільтра для частоти несущої звуку 6,0 МГц
Розрахуємо ємність конденсатора C1 :
Отже, для частоти несущої звуку 6,0 МГц:
Приймаємо значення ємності C1 =24 пФ із ряду Е12, Розрахунок режекторного фільтра для частоти несущої звуку 6, 5 МГц Розрахуємо ємкість конденсатора С1 : Отже, для частоти несущої звуку 6,5 МГц: Приймаємо значення ємності C1 =20 Пф із ряду Е12, 3.2 Розрахунок понижуючого перетворювача на стабілізаторі Для розробки телевізійного приймача використовувалися інтегральні мікросхеми високого ступеня інтеграції, Так як кожна мікросхема виконує безліч різних функцій, найчастіше потрібно підводити до мікросхеми напруги різного рівня. Струми, споживані інтегральними мікросхемами, що входять у тракт обробки відеосигнала, приведені в табл. 3.1 Таблиця 3.1. Струм споживання ІС тракту обробки відео
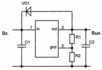
На виході блоку живлення формується три напруги - 5В и 12В, для роботи деяких мікросхем тракту потрібно живлення 3,3 в і 8 В, що сформуємо, використовуючи компенсаційні стабілізатори напруги, Розрахуємо сумарне споживання струму мікросхем від джерела напруги 8В : де: І1 - струм, споживаний мікросхемою TDA9178 [9],12 - струм, споживаний мікросхемою TDA9321H [10], Із - струм, споживаний мікросхемою TDA9330H [11], а N1 - кількість мікросхем TDA9178 у тракті, N2 - кількість мікросхем TDA9321H у тракті, Nз - кількість мікросхем TDA9330H у тракті, Сумарний струм позначимо як ІS 8В (див.табл. 3.1) Отже, Розрахуємо сумарне споживання струму мікросхем від джерела напруги 3,3 В де І4 струм, споживаний мікросхемою - SAA4955TJ [3], І5 - струм, споживаний мікросхемою SAA4977 [4], N4 - кількість мікросхем SAA4955TJ у тракті, N5 - кількість мікросхем SAA4977 у тракті (див. табл. 3.1). 40×2+100 ×1=180 мА, Від джерела напруги 8В споживається струм 0,43 А, Вибираємо компенсаційний стабілізатор напруги КР142ЕН12А, Вихідна напруга стабілізатора змінюється в межах від 1,3В до 37В, максимальний струм 1А [15]. Регулювання вихідної напруги здійснюється за допомогою зовнішнього дільника, що дозволяє використовувати її як для одержання напруги 8В так і для одержання напруги 3,3 В. Дана мікросхема стійка до імпульсних перевантажень по потужності, оснащена системою захисту від перевантажень по вихідному струму. Типова схема включення представлена на рис. 3.2. Резистори R1 і R2 утворять зовнішній регульований дільник напруги.
Рисунок 3.2 Схема включення стабілізатора параметричного компенсаційного КР142ЕН12А Значення опору резисторів R1 і R2, що входять до складу дільниказв'язані співвідношенням: де Uвих.min = 1,3В (значення напруги відповідно до технічної документації мікросхеми); Іи.э - струм через резистори R1 і R2 . Розрахуємо виходячи з цієї формули параметри дільника для вихідної напруги 8B, Так як вихідний струм мікросхеми Iвих =0,55 мкА [15], задамося струмом Іи.э. . Нехай Іи.э. =l мА, Приймаємо співвідношення резисторів
Тоді Отже, R2 = 1,4 кОм. Приймаємо R2 = 1,5 кОм. Отже, R1 =5,6кOм, Приймаємо R1 =5,62кOм, Для зниження рівня фона при вихідному значенні напруги, близькому до мінімального, рекомендується у вимірювальний елемент стабілізатора включати згладжуючий конденсатор С2 , Використовуючи рекомендації, приведені в технічній документації на мікросхему стабілізатора [15], значення ємності С1 вибираємо рівне 0,1 мкФ, а С2 =10 мкФ. Рекомендується тип діода - КД510А, Розрахуємо виходячи з цієї формули параметри дільника для вихідної напруги 3,3 В. Задамося співвідношенням резисторів Тоді Отже, R2 =50 Ом. Отже, R1=75 Ом. 3.3 Розрахунок коливального контуру генератора керованого напругою Генератор, керований напругою, входить до складу мікросхеми TDA9321H. TDA9321H - це мультістандартний ПАЛ/НТСЦ/СЕКАМ декодер з демодулятором на основі ФАПЧ [10]. Функціональна схема цієї мікросхеми представлена на рис. 4.4. Із входу мікросхеми через ППЧ сигнал надходить на демодулятор на основі ФАПЧ. Полярність демодуляції переключається по шині І2 С.
Рисунок 4.4 Схема включення ІМС TDA9321H Зовнішній коливальний контур настроєний на подвоєну проміжну частоту сигналу (fпч =38 МГц).Розрахуємо елементи коливального контуру. Задамося ємністю С=4 пФ[24] . Так як резонансна частота знаходимо індуктивність : Приймаємо L= 1,2. 10-9 Гн. Підсилення сигналу регулюється пристроєм автоматичного регулювання підсилення (АРП). Подавлення звукової складової в сигналі здійснюється зовнішніми режекторними фільтрами, що були розраховані в п.4.1. Після подавлення звуку здійснюється корекція групового часу затримки (мал. 3.4). Потім ПКТС через розділовий конденсатор сигнал надходить на вхід комутатора сигналів, що здійснює вибір джерела сигналу. Мікросхема TDA9321H має три входи ПКТС (один для внутрішнього сигналу і два від зовнішніх джерел сигналу). Вибір джерела сигналу здійснюється по шині І2 С. У мікросхеми три виходи - вихід ПКТС для обробки в модулі теле тексту, вихід ПКТС для подачі сигнала на модуль «картинка в картинці» і
Рисунок 3.4 Характеристика групового часу запізнюванняІМС TDA9321H ПКТС для подальшої обробки, що подається на гребенчатий фільтр. Усі вони можуть бути незалежно підключені до кожного з джерел сигналу. Гребенчатий фільтр керується по шині І2 С. Також командами по шині переключаються зовнішні кварцові генератори. Якщо приймається чорно-білий сигнал, гребенчатий фільтр пропускає сигнал без змін. Мікросхема містить елементи обробки зображення в стандарті ПАЛ, НТСЦ, СЕКАМ. Канал обробки сигналу СЕКАМ містить у собі кльош-фільтр, що відновлює, реалізований на гіраторі. Канал обробки сигналів ПАЛ, НТСЦ містить у собі два кольорорізностних демодулятори, схему запирання каналу кольоровості для прийому чорно-білого віщання. Зрушення
Рисунок 3.6. Схема принципова підключення вихідного підсилювача TDA6111 Q фази на 90° здійснюється усередині мікросхеми. Лінія затримки на рядок також інтегрована в мікросхему. У мікросхемі передбачена можливість приєднання чотирьох різних Кварцевих резонаторів для декодування сигналів кольоровості. Сигнали всіх стандартів можуть бути декодовані без підключення зовнішніх ланцюгів. Керування підключенням кварцевих резонаторів здійснюється по шині І2 С. Мікросхема має два RGB входи зі швидким переключенням. Якщо RGB сигнали не супроводжуються сигналами синхронізації, то синхронізація здійснюється внутрішніми колами мікросхеми. Керування цим режимом здійснюється по шині 12C. Також мікросхема містить RGB матрицю , що забезпечує перетворення RGB сигналів у кольорорізностні для подальшої обробки. 3.4 Розрахунок дільника напруги для вихідного відеопідсилювача. Замикаючою ланкою тракту обробки відеосигналу є відеопідсилювач. Схема включення відеопідсилювача зображена на рис. 3.6. Він здійснює підсилення сигналів кольоровості RGB. Сигнал подається на його інвертуючий вхід 3. На неінвертуючий вхід 1 подається напруга зсуву, що визначає режим роботи підсилювача. Згідно [8] Ucм =5B. Розрахуємо дільник напруги R5 R6 . Згідно [8] через резистор R4 протікає струм 1,4 мА. Отже, струм дільника також буде дорівнює 1,4 мА. Напруга, подавана на вхід дільника, дорівнює 12 В. Знайдемо загальний опір дільника: Отже, Rзаг =8,57×103 Ом. Знайдемо опір резистора R5 . Отже, R5 =3,57 кОм. Розрахуємо R6 Отже, R6 =5 кОм. 4 ЕКОНОМІЧНА ЧАСТИНАЗадачею даного розділу є оцінка конкурентноздатності розроблювального пристрою стосовно аналогічного пристроям, що серійно випускаються, і оцінка його собівартості. У дипломному проекті виробляється розробка декодувальної частини тракту обробки відеосигналу, куди входить: синхропроцесор, вхідний процесор, декодер РAL/NTSC/SECAM, блок поліпшення якості зображення, телетекст, картинка в картинці, RGB синхропроцесор, вихідний відеопідсилювач. Тому всі питання, освітлювані в даному розділі, будуть розглядатися стосовно до зазначених частин пристрою. 4.1 Аналіз ринку На українському ринку в даний час представлено достатню кількість різних моделей телевізорів High-End класу, до якого відноситься розроблювальний пристрій. Однак моделей з такими широкими функціональними можливостями як у розроблювального пристрою практично немає на ринку. Телевізійний приймач призначений для використання в домашніх умовах і забезпечує прийом сигналів аналогового супутникового, цифрового супутникового, наземного кабельного й ефірного віщання. Фактично даний пристрій являє собою функціональне об'єднання звичайного телевізійного приймача із супутниковим ресивером, але при цьому реалізує усі функції сучасного високоякісного телевізора (картинка в картинці, частота кадрів 100Гц, PAL/NTSC/SECAM мультісистемний) Мається можливість підключення зовнішнього джерела (відеомагнітофона), є вихід на головні телефони. Керування здійснюється як з панелі телевізійного приймача, так і з пульта дистанційного керування (ДУ). Реалізовано можливість одержання доступу до платних телевізійних каналів ( смарт карта). Для порівняння візьмемо такі пристрої: 1. PHILIPS GTV 400; 2. РANASONIC 2577; 3. THOMSON 2275XS; 4. SAMSUNG F285DN ; 5. TOSHIBA2467D. Розробка нового пристрою вироблялася на підставі новітньої концепції фірми Philips побудови телевізійного приймача GTV 4000. Основні блоки залишилися без змін, однак функціональні можливості пристрою були розширені ( див. табл. 4.1 ). Функції прийому супутникового віщання були реалізовані також на основі рекомендацій фірми Philips. Те, приймач практично цілком побудований на елементній базі Philips, дозволяє уніфікувати виробництво і знизити вартість пристрою. Для того щоб оцінити конкурентноздатність проектованого приймача на ринку телевізійної апаратури для дома, необхідно порівняти його з виробом-аналогом за рівнем якості, реалізованим функціям і ринковій вартості. Так як на ринку України немає повного аналога даному пристрою, як аналог візьмемо висококласний телевізійний приймач Philips GTV4000. Так як до складу розроблювального пристрою входить приймач сигналів супутникового телебачення, при розрахунку собівартості будемо враховувати вартість супутникового приймача. Ринкова ціна телевізійного приймача по Україні складає 430 у.о. на 1 грудня 2000 року, а ринкова ціна супутникового приймача складає 360 у.о. Споживачами даного пристрою можуть бути приватні особи, а також організації, різні навчальні центри яким для роботи необхідний прийом супутникового телебачення. Виходячи з цього, можна припустити, що для України буде потрібно близько 10000 одиниць такої продукції. Передбачається що реалізація додаткових функцій у пристрої (прийом супутникового телебачення) дозволить йому конкурувати не тільки на ринку телевізійних приймачів, але і на ринку супутникових ресиверів. З огляду на зростаючу популярність супутникового цифрового телебачення (наприклад, НТВ+) серед масового споживача, є всі підстави розраховувати на попит на проектований пристрій порядку однієї третини від усієї потреби. Таблиця 4.1Коротка характеристика порівнюваних пристроїв
4.2 Оцінка рівня якості Для визначення рівня якості нового пристрою варто розрахувати узагальнений показник якості нового пристрою в порівнянні з базовим виробом по формулі [ 18] : де і - число врахованих показників; KBi - коефіцієнт вагомості i-ro показника; bі - відносна оцінка одиничних показників якості. Відносні оцінки одиничних показників якості знаходимо по формулах: якщо збільшення i-ro показника (Рі ) веде до поліпшення нового приладу; якщо збільшення і-го показника веде до погіршення. Коефіцієнт вагомості i-ro показника пристрою розраховують методом розміщення пріоритетів [18], відповідно до якого пріоритет одного показника якості пристрою перед іншим встановлює експертна комісія, що добре знає про область застосування й умови експлуатації пристрою. Основні технічні характеристики розроблювального і базового приладів приведені в табл. 4.2. Таблиця 4.2Основні технічні характеристики розроблювального і базового приладів
Експертам пропонується порівняти всі показники між собою. При цьому оцінюється тільки перевага одного показника над іншим. Кожному знаку відповідає визначений коефіцієнт переваги, асаме:“<” - 0 5;”>” - 15; “=” - 1,0. Підсумкова оцінка визначається як переважна серед усіх п'яти експертів. Результати порівнянь показників приведені в табл. 4.3. Таблиця 4.3Оцінка експертів
На підставі прийнятої системи порівнянь складаємо квадратну матрицю (табл. 4.4) розрахунку коефіцієнта важливості технічних характеристик. Таблиця 4.4 Розрахунок коефіцієнта важливості технічних характеристик
Ступінь пріоритету кожного показника KBi розраховується по формулі [18]: де bi - питома вага i-ro показника за результатами експертних оцінок. де aij - числове значення коефіцієнта переваги; Відносну оцінку в другому і наступному кроках розраховуємо по формулах: де bj' - результат перемножування матриці bі на квадратну матрицю . Результати розрахунків зведені в табл.4.4. Знаходимо відносні оцінки одиничних показників якості: b1 =1 b2 =1,5 b3 =1,5 b4 =30/20=1,5 b5 =1,304 b6 =2 Рівень якості виробу визначаємо як суму добутків коефіцієнта важливості і-го показника і відношення і-тих показників по новому і базовому виробах відповідно до таблиці 4.4. Кту = 1.0,209+1,5.0,221+1,5.0,118+1,5.0,159+1,304.0,196+1,304.0,097 = 1,25. 4.3 Розрахунок собівартості Виходячи з того, що розроблювальні блоки складають 20 % від усьогопристрою, будемо розраховувати вартість усього пристрою по формулі: де С - вартість усього пристрою; Срб - вартість розроблювального блоку; К- коефіцієнт, (К = 0,20). Розрахунок будемо робити поетапно, через обчислення усіх витрат і витрат на виготовлення пристрою. Витрати на придбання матеріалів по кожному найменуванню визначаємо виходячи з технічної норми витрати й оптової ціни одиниці. Розрахунок зводимо в табл. 4.5. Таблиця 4.5 Витрати на придбання матеріалів
Витрата припоя визначена як на 3000 пайок по 0,0002 кг. Усі приведені ціни є договірними. Витрати на покупні вироби і напівфабрикати визначаються аналогічно витратам на матеріали. Дані для розрахунків і результати зведені в табл. 4.6. Оскільки витрата покупних виробів установлюється безпосередньо за схемою принциповою електричною, то в таблицю вводиться стаття «Технологічні відходи». Оптова знижка передбачає зниження ціни організацією-продавцем при покупці партії радіоелементів, і її величина віднімається з загальної суми вартістей комплектуючих . Основна заробітна плата виробничих робітників включає тарифну зарплату і преміальні надбавки. Тарифна зарплата визначається по наступній формулі: де CTi - годинна тарифна ставка, tШi - нормативна трудомісткість. На етапі обчислення основної заробітної плати використаний метод укрупненого розрахунку [18]. Його суть полягає в тім, що трудомісткість виготовлення пристрою визначається по трудомісткості розроблювального вузла виробу. Таблиця 4.6 Калькуляція витрат
Результати розрахунку основної зарплати робітників, що виконують монтаж плати тракту обробки відеосигнала зведені в табл. 4.7. Таблиця 4.7 Розрахунку основної зарплати робітників
Знаходимо основну заробітну плату робітників при виготовленні всього пристрою. де ЗО инт - основна зарплата робітників по монтажі плати тракту обробки сигналу зображення; к=0,2 - питома вага кількості елементів тракту обробки відеосигналу, γ=0,2- питома вага монтажних робіт для дрібносерійного виробництва. ЗО =6,031/(0,2·0,2) = 150,775 грн. Додаткова зарплата робітників визначається у відсотках від основної зарплати [18]. Величина нормативу додаткової зарплати приймається за даними підприємства, на якому передбачається виготовлення даного приладу ( звичайно 30-40% ). З огляду на, що випуск телевізійного приймача буде здійснюватися невеликими серіями, приймемо 40 %. ЗД = 0,4.150,775=60,31 грн. Відрахування на соціальне страхування визначаються у відсотках від суми основної і додаткової заробітної плати і складають 37,5%. ОС =(ЗО +ЗД ).0,375=(150, 775+60,31 ).0,375=79,15грн. Загальвиробничі витрати - це витрати на відшкодування зносу інструмента і пристосувань цільового призначення, витрати на утримування і експлуатацію обладнання, при розрахунках собівартості проектованих виробів, включаються в загальвиробничі витрати. Ці витрати визначають по діючому на підприємстві нормативу. Звичайно 200 - 300 % від основної заробітної плати. Приймемо 200 %. РП = ЗО ·2 = 150,775·2 = 301,55грн. Загальногосподарські витрати, так само як і загальвиробничі витрати, визначаються по діючому на підприємстві нормативу в межах 100- 200% . Приймемо 120% . РО =ЗО ·1,2=150,775.1,2=180,93 грн. Для обчислення повної собівартості необхідне значення вневиробничих витрат, що обчислюється як 0,5 - 2 % від загальногосподарської собівартості. Приймемо 1,5 %. Числове значення обчислимо безпосередньо при заповненні калькуляції собівартості в табл.4.8. Таблиця 4.8 Калькуляція по статтях витрат
4.4 Визначення ціни 4.4.1 Визначення ціни виготовлювача При визначенні оптової ціни будемо враховувати, що рівень рентабельності підприємств радіоелектронної промисловості дорівнює 20%. ЦВИР =СПОВ (l +РН /100).(1 +ПДВ/100), де РН - рівень рентабельності, ПДВ = 0,2. ЦВИР = 1718,34.1,2.1,2=2475грн. Таким чином, вартість усього пристрою складає 2475 грн або $441 (за курсом на 20.01.2001 $1=5,6грн) 4.4.2 Визначення лімітної ціни ЦЛІМ = Ц · Кту · Ку, де Ц - ціна базового приладу ( вартість телевізора Philips GTV 400 плюс вартість цифрового супутникового тюнера буде дорівнює 2900+1967,1 =4350,5грн); КТУ - рівень якості розробленого пристрою; КУ - коефіцієнт здешевлення (КУ = 0,9). Розраховуємо лімітну ціну: ЦЛІМ = 3867,11.1,25.0,9=4351 грн, що складає за курсом долара $778. У результаті зроблених у даній главі розрахунків, були отримані чисельні дані собівартості проектованого телевізійного пристрою, його коефіцієнта технічного рівня, ціни виготовлювача і споживача. Дані свідчать про економічну вигоду і доцільність виробництва такого пристрою. Ринкова вартість лежить у межах: ЦВИР < ЦРИН < ЦЛІМ 2475 грн < ЦРИН < 4351 грн. Приймемо за ринкову ціну 3000 грн. Результати розрахунків зводимо в табл. 4.9: Таблиця 4.9 Результати розрахунків Розроблювальне
5 ОХОРОНА ПРАЦІУ даному дипломному проекті розроблений телевізійний приймач з можливістю прийому сигналів у форматі MPEG-2, виконаний на декількох печатних платах. Одним з етапів виготовлення пристрою є монтаж радіоэлементів на друковану плату. Монтажно-складальні операції у виробництві радіоелектронної апаратури складають 30-50% усіх робіт. Задачею даного розділу є розгляд умові праці й охорони праці, а також заходів щодо забезпечення безпеки праці на робочому місці при монтажі печатних плат . Для аналізу умов праці розглянемо робоче місце інженера-конструктора на стадії експериментальної зборки пристрою. Розглянемо питання забезпечення охорони праці стосовно до реально існуючого приміщення, у якому виробляється монтаж апаратури в процесі проектування пристрою. Розглянуте приміщення знаходиться в будинку СКБ інституту Кибернетики АНУ ім. Глушкова В.М. Розміри: 4х5х3м. Освітлення: природне, через віконний проріз, штучне і місцеве. Вентиляція - природна (загальна) і штучна (місцева витяжна). У приміщенні знаходиться чотири робочих місця. Площа приміщення - 20 м2 . Обсяг приміщення - 60 м3 . Приведені вище значення відповідають санітарним нормам СН 245-71: на одного робітника приходиться площі приміщення більш 4 м2 , а по обсязі - 15 м3 . 5.1 Аналіз умов праці 5.1.1 Повітряне середовище робочої зони Стан повітряного середовища визначається виробничим мікрокліматом, що характеризується температурою повітря, вологістю, відносною й абсолютною швидкістю руху повітря, тиском. Відповідно до ГОСТ 12.1.005-88 установлюються припустимі й оптимальні метеорологічні умови для робочої зони, при виборі яких враховується час року (теплий, >100С, холодний, < 100С) і категорія робіт (для даного виду робіт- категорія I-a до 120 ккал/ч). Категорія I-a - легені фізичні роботи, виконувані сидячи. Для легких робіт (категорія I-a) ГОСТом 12.1.005-88 «Воздух рабочей зоны. Общие санитарно-гигиенические требования» установлені наступні нормативні значення метеорологічних умов ( табл. 5.1 ). Таблиця 5.1 Повітря робочої зони. Загальні санітарно-гігієнічні вимоги
При монтажі плат застосовується пайка. Для пайки використовують олов'яно-свинцевий припой ПОС-40 і ПОС-60. При цьому пари свинцю проникають у повітряне середовище приміщення. відповідно до вимог санітарії в повітрі робочої зони виробничих приміщень установлюється ГДК (гранично-допустима концентрація), мг/м3 шкідливих речовин. ГДК парів свинцю в повітрі 0,01 мг/м3 . Для промивання плат використовують суміш спирту й ацетону. Концентрація спирту в повітрі не повинне перевищувати 400 мг/м3 . Значення ГДК шкідливих речовин приведені в табл. 5.2. Таблиця 5.2 Значення ГДК шкідливих речовин
5.1.2 Освітлення При освітленні виробничих приміщень використовують природне освітлення, створюване світлом неба (пряме і відбите), штучне, здійснюваними електричними лампами, і сполучене, при якому у світлий час доби недостатнє по нормах природне освітлення доповнюється штучним [21] У розглянутому приміщенні природне освітлення здійснюється через вікна в стінах, при цьому бічне освітлення створює значну нерівномірність у освітленні ділянок, розташованих поблизу від вікон і удалині від них. Через цей недолік, а також через недостачу природного освітлення, необхідно використовувати штучне освітлення. На необхідність використання штучного освітлення впливає той фактор, що вікна приміщення виходять на захід, і, освітленість приміщення значно змінюється зі зміною часу року. Згідно СНиП 23-05-95 «Природне і штучне освітлення» на ділянках виготовлення печатних плат передбачається установка пристрою комбінованого освітлення, з оптимальною освітленістю 300 лк. Ця освітленість відповідає зоровим роботам високої точності з найменшим об'єктом розходження від 0,5 до 1 мм для ІІІ-pазpядa зоpових робіт. Фактичні значення на розглянутому робочому місці КЕО= 1,12 %, Е=290 Лк. 5.1.3 Шум Шумом прийнято називати всякий небажаний для людини звук, що заважає сприйняттю корисних сигналів [21]. Шум являє собою безладне сполучення звуків різної інтенсивності і частоти. Шум робить шкідливий вплив на весь організм і, у першу чергу, на центральну нервову систему і серцево-судинну систему. Коливання, сприймані органом слуху людини як звук, лежать приблизно в межах 20...20000 Гц. Ці границі не однакові в різних людей і залежать від віку людини і стану його слухового апарата. Основними фізичними параметрами звуку є: інтенсивність, звуковий тиск і частота коливань. Шуми підрозділяються на широкоcмугові з неперервним спектром шириною більш однієї октави і тональні, у спектрі яких маються чутні дискретні тони. По тимчасових характеристиках шуми підрозділяються на постійні, рівень яких за робочий день змінюється в часі не більше ніж на 5 дБ, і непостійні, рівень яких змінюється в часі більш ніж на 5 дБ. Непостійні шуми підрозділяються на: коливні, переривчасті й імпульсні. Вимір шуму на робочих місцях роблять відповідно до ГОСТ 20445-75 і ГОСТ 23941-79. Загальні вимоги безпеки шуму передбачаються ГОСТ 12.1.003-83. Припустимі рівні звукового тиску в октавних смугах, рівні звуку на робочих місцях приведені в табл. 5.3. Таблиця 5.3 Загальні вимоги безпеки шуму
Основними джерелами шуму в приміщеннях, призначеним для монтажно-збиральних робіт є шум від витяжного пристрою. Виміри показали, що рівні шуму в досліджуваному приміщенні відповідають припустимим значенням і складає 60 дБ. 5.1.4 Вібрація Вібрація - це складний коливальний процес, що виникає при періодичному зсуві центра ваги якого-небудь тіла від положення рівноваги, а також при періодичній зміні форми тіла, що воно мало в статичному стані [21] . Основними параметрами, що характеризують вібрацію, що діє по синусоїдальному законі, є: амплітуда зсуву, коливальна швидкість, коливальне прискорення, частота. При частоті більшої 16...20 Гц вібрація супроводжується шумом. Класифікація вібрації, гігієнічні норми вібрації і загальні вимоги до неї розглядаються в ГОСТ 12.1.012-78. 5.2 Розробка заходів щодо охорони праці 5.2.1 Організація робочого місця При організації робочого місця монтажника необхідно в першу чергу враховувати фізіологічні можливості людини для створення оптимальних умов праці, що сприяють підтримці його працездатності, підвищенню продуктивності праці [21] . Робоче місце монтажника можна розглядати як сукупність трьох головних елементів: робочої зони (РЗ), робочого положення (РП) і робочого сидіння (РС). Робоча зона включає частину виробничого простору, у якій монтажник здійснює робочий рух. РЗ має визначені оптимальні розміри, встановлені або експериментальним шляхом, або за допомогою антропометричного виміру людини. Оптимальне робоче положення створюється в тому випадку, коли ока мають найкращі умова огляду, тіло знаходиться в найбільш зручному положенні і кількість робочих рухів зведено до мінімуму . Зручність посадки при роботі забезпечується положенням спини, при якому її м'язи розвантажені рівномірним розподілом маси тіла по поверхні сидіння і зручністю розташування ніг . Крім вимог, пред'являемих до зазначених елементів, так само пред'являються вимоги до обмеження шкідливого впливу на функціональний стан і працездатність організму таких факторів, як склад повітря, метеорологічні умови і освітлення [21] . З врахуванням усіх перелічених вимог, а також шкідливого впливу компонентів, що входять до складу припоя і флюсу, організують робоче місце монтажника. 5.2.2 Розрахунок кількості шкідливих речовин, що виділяються в робочу зону при паянні Визначимоконцентрацію пар свинцю для приміщення обсягом Vпом = 60 м3 , з кількістю робочих місць N = 4, тривалість зміни t = 8 г по наступній формулі: де q - питоме утворення парів свинцю n-кількість пайок у хвилину (приймаємо n = 15). Виходячи з цього, одержуємо: З цього видно, що концентрація свинцю в повітрі робочої зони сильно (у 9,6 рази) перевищує ПДК. У даному випадку необхідне створення місцевої вентиляції. Для того щоб уловлювати шкідливі речовини в місцях їхнього виділення, не допускаючи їхнього поширення по приміщенню, використовують місцеву вентиляцію [21]. Задачею вентиляції є забезпечення чистоти повітря і заданих метеорологічних умов у виробничих приміщеннях. Така вентиляція і буде використана на робочому місці монтажника для уловлювання парів свинцю, спирту, ацетону. Концентрація свинцю в повітрі перевищує ПДК, отже, необхоідна місцева витяжна вентиляція, що виконаємо у виді місцевих отсосів. Кількість повітря, який необхідно видалити, визначаємо по формулі: ДеF о - площу отсоса, від якого необхідно видалити повітря; U - швидкість повітря у витяжному отсосі, величина якого підбирається в залежності від типу витяжного пристрою і характеру шкідливих речовин, м/с. Приймаємо U = 0,7 м/с, ширина отсосів 0,5 - 0,8 м, висоту вибираємо з розумінь зручності вироблених робіт - h = 0,1 м [21]. Знаходимо Fо = 0,1.0,5 = 0,05 м2 . Звідси: Таким чином, місцева вентиляція повинна забезпечувати видалення9, 7 ·10-6 м3 забрудненого повітря в годину. Для забезпечення заданих метеорологічних умов у цеху по монтажі буде використана загальна вентиляція. Розрахувати необхідну кількість повітря можна, застосовуючи метод розрахунку по кратності повітрообміну: де К - кратність повітрообміну, показує скількох разів у годину міняється повітря в приміщенні, l/год; Vпом - обсяг приміщення (цеху), м3 . Коефіцієнт К в залежності від розмірів приміщення приймає значення від 1 до 10 для приміщення, обсяг якого дорівнює 60 м3 вибираємо К = 1. Отримуємо: По аеродинамічних характеристиках підбираємо вентилятор, щоб він забезпечував заданий повітряобмін. 5.2.3 Електробезпечність Для захисту від електротравм у приміщенні використовуємо сховану, добре заізольовану електропроводку. Розподіл енергії здійснюється за допомогою розподільного щита з ізольованими кабелями і розетками, що виключають можливість короткого замикання [21]. Розподільний щит має запобіжники, що спрацьовують при критичному режимі роботи. На кожному робочому місці необхідна наявність гумового коврика. Персонал, що обслуговує пристрій зобов'язаний пройти навчання безпечним методам роботи на робочому місці і перевірку знань правил техніки безпеки. У даному робочому приміщенні монтажник працює з паяльником і контрольно-вимірювальним обладнанням, що підключається до однофазної мережі з заземленої нейтралью з напругою 220 в і частотою 50 Гц. З цієї причини існує небезпека поразка людини перемінним струмом напруги 220В. У даній мережі нейтраль джерела струму (чи генератора трансформатора) приєднана до заземлення за допомогою заземлюючого провідника . Цей заземлювач розташовується поблизу джерела живлення (в окремих випадках) біля стіни будинку, у якому він знаходиться. Ефективним заходом захисту в даному випадку є захисне занулення. Захисне занулення - це навмисне електричне з'єднання з нульовим захисним провідником металевих неструмоведучих частин, що можуть виявитися під напругою (ГОСТ 12.1.009-76). Захисна дія зануления здійснюється тим, що при замиканні однієї з фаз на зануленный корпус у колі цієї фази виникає струм короткого замикання, що впливає на струмовий захист (плавкий запобіжник, автомат), у результаті чого відбувається відключення аварійної ділянки від кола. Таким чином, занулення зменшує напругу дотику й обмежує час, протягом якого людина, торкнувшись до корпуса, може потрапити під дію напруги. ГОСТ 12.1.038-82 установлює гранично припустимі рівні напруг дотику (В), і струмів (мА), що протікають через тіло людини, призначені для проектування способів і засобів захисту людей при взаємодії з електроустановками виробничого і побутового призначення постійного і змінного струму частотою 50 і 400 Гц. Припустимі рівні при аварійному режимі електроустановок напругою до 1000В з глухо заземленої чи ізольованою нейтралью приведені в табл. 5.4. Таблиця 5.4 Припустимі рівні струму при аварійному режимі електроустановок
На підставі ПУЭ-85 дане приміщення по ступені небезпеки поразки електричним струмом відноситься до класу приміщень без підвищеної небезпеки поразки електричним струмом, так як умови, що створюють підвищену небезпеку поразки електричним струмом ( вологість, струмоведучий пил, висока температура, можливість одночасного торкання до струмоведучих частин і заземлення) відсутні . Споживачами енергії в основному є освітлювальні прилади, електропаяльники і вимірювальні прилади. Електропроводка в приміщенні схованого типу, тому випадкове торкання проводів з напругою 220 В виключено, за умови дотримання правил техніки безпеки. Світильники кріпляться до стелі на висоті 3 метрів, що відповідає нормі (2,5 м). Вимикачі штучного освітлення ізольовані струмонепровідним облицюванням. По способу захисту людини від поразки електричним струмом розроблювальний прилад відноситься до категорії електроустановок, що працюють під напругою до 1000 В. Поразка електричним струмом може відбутися в результаті несправних розеток і вилок електропаяльника, а також пристроїв місцевого освітлення, короткого замикання. 5.2.4 Заходи для забезпечення пожежної безпеки При гасінні пожеж найбільше поширення одержали наступні принципи припинення горіння [21] : 1) Ізоляція вогнища горіння від повітря чи зниження шляхом розведення повітря непальними газами концентрації кисню до значення, при якому не може відбуватися горіння; 2) Охолодження вогнища горіння нижче визначених температур; З) Інтенсивне гальмування (інгібірованіє) швидкості хімічної реакції в полум'ї; 4) Механічний зрив полум'я в результаті впливу на нього сильного струменя газу чи води; 5) Створення умов вогнеперешкодження,тобто таких умов, при якихполум'я поширюється через вузькі канали. Приміщення, де виробляється монтаж друкованих плат відноситься по пожежній безпеці до категорії В по ОНТП 24-86 і зоні П-I по ПУЭ. Категорія В – пожаронебезпечні; до цієї категорії відносяться приміщення, у яких застосовуються рідини з температурою спалаху вище 61О С і горючі пили чи волокна, нижня межа запалення яких більш 65 г/м3 , тверді спаленні речовини і матеріали, здатні тільки горіти, але не вибухати при контакті з повітрям, чи водою один з одним. Пожежа при монтажі може виникнути в результаті короткого замикання. Джерелами запалювання можуть стати джерела місцевого освітлення, а також розігрітий паяльник у результаті наявності пальних речовин, таких як спиртобензинова суміш, ацетон. Причини виникнення пожежі наступні: 1) Порушення режимних вимог; 2) Несправність і неправильна експлуатація електропаяльників і пристроїв місцевого освітлення; З) Порушення працюючими технологічних інструкцій. Весь обслуговуючий персонал проходить періодичний інструктаж з техніки безпеки. На випадок пожежі в приміщенні обов'язкова наявність запасних евакуаційних виходів. У таких приміщеннях не можна застосовувати для гасіння пожежі воду, так як вода має значну електропровідність. У цьому випадку застосовують вуглекислі вогнегасники ОУ-8. У якості пожежних сповіщателів використовуються теплові (ДТЛ, ДПС-ОЗ8 і ін.). для оповіщення про пожежу в приміщенні мається телефон загального користування і табличка з номерами телефонів. У коридорі установлюється внутрішній пожежний кран для гасіння пожежі за допомогою води. |
||||||||||||||||||||||||||||||||||||||||||||||||||||||||||||||||||||||||||||||||||||||||||||||||||||||||||||||||||||||||||||||||||||||||||||||||||||||||||||||||||||||||||||||||||||||||||||||||||||||||||||||||||||||||||||||||||||||||||||||||||||||||||||||||||||||||||||||||||||||||||||||||||||||||||||||||||||||||||||||||||||||||||||||||||||||||||||||||||||||||||||||||||||||||||||||||||||||||||||||||||||||||||||||||||||||||||||||||||||||||||||||||||||||||||||||||||||||||||||||||||||||||||||||||||||||||||||||||||||||||||||||||||||||||||||||||||||||||||||||||||||||||||||||||||||||||||||||||||||||||||||||||||||||||||||||||||||||||||||||||||||||||||||||||||||||||||||||||||||||||||||||||||||||||||||||||||||||||||||||||||||||||||||||||||||||||||||||||||||||||||||||||||||||||||||||||||||||||||||||||||||||||||||||||||||||||||||||||||||||||||||||||||||||||||||||||||||||||||||||||


















