Контрольная работа: Термостабилизированный логарифмический усилитель
|
Название: Термостабилизированный логарифмический усилитель Раздел: Рефераты по коммуникации и связи Тип: контрольная работа | ||||||||||||||||||||||||||||||
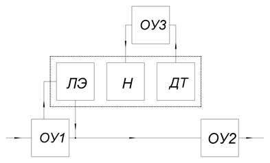
Мордовский государственный университет имени Н.П. Огарева Факультет электронной техники Кафедра микроэлектроники ПОЯСНИТЕЛЬНАЯ ЗАПИСКАк курсовому проекту по микросхемотехнике на тему: “Термостабилизированный логарифмический усилитель”. Автор курсового проекта Бармин А.В. Руководитель проекта А. В. Сокольников Саранск 2002РЕФЕРАТ Пояснительная записка содержит 31 страницу печатного текста, 3 рисунка, 5 таблиц, 5 приложений, при написании использовалось 5 источников литературы. Перечень ключевых слов: трансдиодная схема, пикоамперметр, термостабилизация, транзистор, логарифмический усилитель, обратная связь, операционный усилитель. Цель работы: разработка термостабилизированного логарифмического усилителя. Объект разработки: термостабилизированный логарифмический усилитель. Методы разработки: схемотехнический синтез и разработка конструкции. Полученные результаты: разработана электрическая схема и печатная плата. Степень внедрения: не рассматривалась. Эффективность: не рассчитывалась. Область применения: устройство может применяться при измерениии малых токов. Основные конструкционные и эксплуатационные характеристики: термостабилизированный логарифмический усилитель выполнен на односторонней плате с размерами СОДЕРЖАНИЕ Введение 1. Синтез структурной схемы 2. Синтез электрической схемы 3. Разработка топологии печатной платы 4. Конструкция печатной платы 5. Макетирование и наладка Заключение Список использованных источников Приложения ВВЕДЕНИЕ В данной работе описан логарифмический усилитель с температурной стабилизацией. В таких приборах наибольший динамический диапазон входных токов может быть достигнут использованием трансдиодного включения транзисторов в цепи обратной связи операционного усилителя, температурная ошибка передаточной функции которого равна В общем случае возможны четыре варианта включения нелинейного элемента в цепь отрицательной обратной связи, для которых характерны различные диапазоны работы. Расширению динамического диапазона и улучшению точности логарифмических преобразователей препятствуют, прежде всего, обратный ток насыщения, омическое сопротивление логарифмирующих Основная погрешность логарифмических преобразователей от изменения температуры связана с нестабильностью падения напряжения на логарифмирующем элементе. Значение этого напряжения зависит от начального тока смещения. Температурная зависимость для кремниевого диода – приблизительно В данной работе исследована возможность построения термостабилизированого логарифмического усилителя постоянного тока с динамическим диапазоном в 8 декад, высокой точностью логарифмического преобразования и практически нулевой температурной зависимостью показаний, с помощью транзисторной сборки К198НТ5Б, где один транзистор применяется в для измерения температуры кристалла, а другой для нагревания кристалла. 1. СИНТЕЗ СТРУКТУРНОЙ СХЕМЫ Приборы с логарифмической характеристикой широко применяются для измерения и регистрации постоянных токов, величина которых во время измерения изменяется в широких пределах. Рассмотрим структурную схему такого прибора.
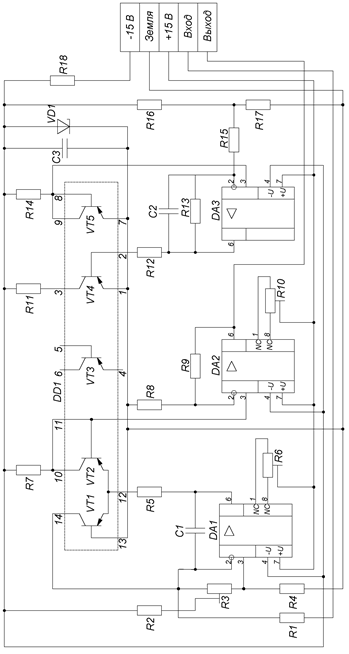
Рис.1Структурная схема термостабилизированного логарифмического усилителя ОУ1 – входной операционный усилитель; ОУ2 – выходной операционный усилитель; ОУ3 – операционный усилитель; ЛЭ – логарифмирующий элемент; Н – нагреватель; ДТ – датчик температуры. Принцип работы заключается в том, что сигнал поступает на вход входного операционного усилителя, логарифмируется, и через выходной операционный усилитель подается на выход схемы. Особенностью данной схемы, устраняющей температурную зависимость показаний, является оформление в одном корпусе логарифмического элемента, датчика температуры и нагревателя, что приводит к расширению динамического диапазона и улучшению точности логарифмических преобразований. Принцип температурной стабилизации в данном приборе осуществляется путем измерения температурным датчиком температуры корпуса, усиления тока разности температур операционным усилителем, при превышении температуры окружающей среды над температурой корпуса, и подачи этой разности на нагреватель. Нагреватель, в свою очередь, повышает температуру корпуса до температуры окружающей среды. 2. СИНТЕЗ ЭЛЕКТРИЧЕСКОЙ СХЕМЫ В логарифмических усилителях в качестве логарифмического элемента обычно используется трансдиодная схема, температурная ошибка передаточной функции которой равна В данной работе исследована возможность построения термостабилизированого логарифмического усилителя с помощью транзисторных сборок К198НТ5 и К198НТ1, где один транзистор применяется в для измерения температуры кристалла, а другой для нагревания кристалла. Принципиальная схема устройства показана в приложении 2. Транзистор VT4 расположен на кристалле симметрично относительно дифференциальной пары VT1, VT2 и поэтому используется для нагревания. Транзистор VT5 в диодном включении служит датчиком температуры, напряжение на нем изменяется на Напряжение с VT5 подается на неинвертирующий вход DA3, на второй вход которого подано опорное напряжение от стабилитрона VD1, через резистивный делитель. Выход DA3 управляет базовым током VT4. Ток коллектора VT4 нагревает кристалл. Резистор и конденсатор в цепи обратной связи DA3 служат для стабилизации системы автоматического регулирования температуры, предотвращая переход в режиме переключения. Входной сигнал поступает через резистор R1 на инвертирующий вход усилителя DA1 и на логарифмический каскад на транзисторе VT1. Напряжение на эмиттерном переходе логарифмирующего транзистора VT1 определяется входным током:
Поскольку напряжение на эмиттерном переходе компенсирующего транзистора VT2 определяется аналогичным образом, для потенциала базы VT2:
Для однотипных транзисторов с одинаковыми обратными токами и температурой переходов множитель Частотный диапазон логарифмических усилителей зависит от входного тока. Однако для нулевого входного сигнала, когда в цепь включено большое сопротивление нелинейного элемента, на выходе присутствует шумовой сигнал. Для уменьшения уровня шума необходимо ограничивать полосу частот, это достигается включением конденсатора С1 параллельно нелинейному элементу VT1. Прологарифмированный сигнал с выхода DA1 подается на вход неинвертирующего усилителя DA2, после которого поступает на выход устройства. 3. РАЗРАБОТКА ТОПОЛОГИИ ПЕЧАТНОЙ ПЛАТЫ Печатная плата представляет собой изоляционное основание, на котором имеется совокупность печатных проводников, контактных площадок или переходов. Разработка топологии печатной платы начинается с рационального размещения элементов на плате. Размещение радиоэлементов и интегральных микросхем предшествует трассировке печатных связей и во многом определяет эффективность трассировки. Трассировка заключается в нахождении приемлемого компромисса с учетом схемотехнических требований (минимизация помех), конструкторских и технологических требований (минимизация изгибов трасс, перемычек из объемного провода). При увеличении числа слоев, трассировка упрощается, но стоимость платы растет. При малом числе слоев плата дешевле, но увеличивается сложность трассировки без перемычек, которые увеличивают стоимость сборки и уменьшают надежность платы. В печатной плате при пересечении проводников получается электрический контакт. Если он не нужен, необходимо изменять линию проведения одного из проводников, либо один из проводников выполнять на другой стороне платы. Длина проводников должна быть минимальной. Рисунок проводников должен наилучшим способом использовать отведенную для него площадь. Трассировка осуществляется вручную или с помощью САПР. Основной метод размещения радиоэлементов – плоский многорядный. Задача компоновки заключается в том, что с одной стороны необходимо разместить элементы как можно более плотно, а с другой стороны - обеспечить наилучшие условия для трассировки, электромагнитной и тепловой совместимости, автоматизации сборки, монтажа и контроля. Размещение элементов подчиняется следующим критериям: – Максимально возможная плотность упаковки, но не ухудшающая доступ к элементам при наладке и ремонте прибора; – Соединительные дорожки должны быть как можно короткими во избежание потерь; – Крепежные отверстия располагаются в углах платы; Контактные площадки или металлизированные отверстия под первый вывод должны иметь ключ. Топологическая схема выполняется на плате из стеклотекстолита с односторонней металлизацией. Для обеспечения гарантий от повреждения проводников при обработке минимальная ширина проводников должна быть Чертим печатную плату с учетом выше перечисленным требований сначала на миллиметровой бумаге. Ширина соединительных дорожек должна быть примерно 4. КОНСТРУКЦИЯ ПЕЧАТНОЙ ПЛАТЫ Конструкцию печатной платы определяет: плотность компоновки, стоимость производства и эксплуатации. Анализируя принципиальную электрическую схему, проектируем печатную плату односторонней. Для основания платы используем стеклотекстолит. Материалы, используемые в качестве оснований для печатных плат , должны обладать совокупностью определенных свойств. К их числу относятся высокие электроизоляционные свойства, достаточная механическая прочность и др. Все эти свойства должны быть стабильными при воздействии агрессивных сред и изменяющихся условий. Кроме того, материал платы должен обладать хорошей сцепляемостью с токопроводящим покрытием, минимальным короблением в процессе производства и эксплуатации. Выбирается химический способ получения печатных проводников. Этот метод обладает следующими достоинствами: – простота используемого технологического оборудования; – невысокая стоимость процесса производства; – высокая адгезия печатных проводников к диэлектрику. Для изготовления печатной платы необходимы следующие материалы: фольгированный стеклотекстолит с односторонней металлизацией покрытия толщиной В качестве материала печатной платы используем листовой фольгированный материал – стеклотекстолит фольгированный марки СФ Печатные платы из стеклотекстолита имеют нужную устойчивость к механическим, вибрационным, климатическим воздействиям по сравнению с платами из гетинакса. Размеры платы не рекомендуется брать более По размерам чертежа печатной платы выпиливается заготовка из стеклотекстолита. Металлизированная поверхность платы зачищается мелкой шкуркой во избежание окисных пленок. После этого на заготовку накладывается чертеж печатной платы и шилом отмечаются отверстия для сверления. По сделанным меткам сверлят отверстия нужного диаметра. После сверления техническими чернилами с помощью пера наносят рисунок печатной платы. После высыхания чернил плату в водный раствор FeCl3 и травят до полного удаления незакрепленной металлической фольги. Затем плата промывается в воде, сушиться, и ацетоном стираются чернила. После очистки платы поверхность снова зачищают и залуживают контактные площадки и дорожки припоем. При лужении выводов деталей должны соблюдаться следующие параметры: – предельная температура припоя – – предельное время нахождения выводов в расплавленном припое – – минимальное расстояние от «тела» корпуса до границы припоя по длине вывода – – предельно допустимое число погружений одних и тех же выводов в припой – Необходимо тщательно следить за тем, чтобы не образовывались перемычки между выводами, поверхность припоя должна быть сплошной, без трещин, пор, необлуженных участков. Паяная поверхность должна быть светлой или светло-матовой без темных пятен и посторонних включений. Плата готова к монтажу. Монтаж осуществляется вручную. Температура жала паяльника не должна превышать Подготовку, установку (в том числе на клей), пайку интегральных микросхем, микросборок и других электрорадиоэлементов на печатную плату, а также влагозащиту их в составе печатных узлов необходимо производить с учетом требований технических условий на электрорадиоэлементы, ОСТ Для увеличения ремонтопригодности, интегральные микросхемы устанавливают в разъемные соединители. Электрический соединитель крепят и распаивают на печатной плате. Пайку элементов проводят в следующей последовательности: резисторы, конденсаторы, транзисторы, стабилитрон, микросхемы. 5. МАКЕТИРОВАНИЕ И НАЛАДКА Прибор монтируется на односторонней плате размерами Наладка термостабилизированного логарифмического усилителя проводится в несколько этапов: 1) Установка температуры корпуса микросхемы DD1 на уровне превышающим температуру окружающей среды в жаркое время года, около Для этого вместо резисторов R16, R17 включают переменный резистор. В разрыв цепи эмиттера транзистора VT4 включают миллиамперметр. Вращая ручку переменного резистора добиваются нулевых показаний миллиамперметра. Далее каким – либо прибором для измерения температуры контролируем температуру корпуса микросхемы DD1. Также включаем переменный резистор вместо резистора R11 и вращая ручку добиваемся показания термометра равным При выбранной температуре кристалла
Рис.2 Передаточная функция логарифмического усилителя при различных температурах окружающей сpеды: 1 – Tср
= При изменении температуры среды от 2) Установка нуля на выходах операционных усилителей DA1, DA2 при отсутствии сигнала на входе. Этого добиваются регулировкой переменного резистора R6 для операционного усилителя DA1, и переменного резистора R10 для операционного усилителя DA2. 3) Установка нуля на выходе термостабилизированного логарифмического усилителя при отсутствии сигнала на входе. Это достигается регулировкой положения движка подстроечного резистора R3. ЗАКЛЮЧЕНИЕ В данной работе был описан логарифмический усилитель с температурной стабилизацией, а также рассмотрены общие характеристики логарифмических усилителей, исследована возможность построения термостабилизированного логарифмического усилителя с помощью интегральных транзисторных сборок К198НТ5Б. В ходе работы над курсовым была разработана электрическая схема. Также была разработана печатная платы для данного устройства. СПИСОК ИСПОЛЬЗОВАННЫХ ИСТОЧНИКОВ 1. Воробьев Н.И., Проектирование электронных устройств. – М.: Высшая школа, 1989.- 223с. 2. Справочник по интегральным микросхемам. Под редакцией Тарабрина Б.В. – М.: Энергия, 1980.- 488с. 3. Горошков Б.И., Элементы радиоэлектронных устройств. – М.: Радио и связь, 1988.- 176с. ПРИЛОЖЕНИЯ Приложение 1
Приложение 2
Приложение 3
Приложение 4
|

.(2.1)
.(2.2)



