Курсовая работа: Фильтр нижних частот
|
Название: Фильтр нижних частот Раздел: Рефераты по коммуникации и связи Тип: курсовая работа | |||||||||||||||||||||||||||||||||||||||||||||||||||||||||||||||||||||||||||||||||||||||||||||||||||||||||||||||||||||||||||||||||||||||||||||||||||||||||||
Міністерство освіти і науки України Харківський національний університет радіоелектроніки Кафедра радіоелектронних пристроїв Курсова робота Пояснювальна записка Фільтр нижніх частот Виконав: ст. гр. РТ-07-1 Рубан В.В. Керівник: Звягінцев О.Ю. Харків 2009 Реферат Пояснительная записка: 21 с., 7 рис. Цель работы - синтез схемы активного RC-фильтра и расчет компонентов схемы. Метод исследования - аппроксимация АЧХ фильтра полиномом Чебышева. Аппроксимированная передаточная функция реализована с помощью активного фильтра. Фильтр построен на трёх активных каскадах. В фильтре использован инвертирующий усилитель с конечным усилением, который реализован на операционном усилителе. Результаты работы могут использоваться для синтеза фильтров радиотехнической аппаратуры. Прогнозируемые предложения относительно развития объекта исследования - поиск оптимальных схем фильтров. АКТИВНЫЙ ФИЛЬТР, АППРОКСИМАЦИЯ, ФИЛЬТР ЧЕБЫШЕВА, ОПЕРАЦИОННЫЙ УСИЛИТЕЛЬ, ПЕРЕДАТОЧНАЯ ХАРАКТЕРИСТИКА Содержание Перечень условных сокращений. 4 Введение. 5 1 Обзор аналогичных схем. 7 2 Выбор схемы фильтра. 9 3 Топологическая модель фильтра. 13 4 Расчет элементов схемы.. 14 5 Методика настройки и регулировки фильтра. 16 Выводы.. 17 Перечень ссылок. 18 Приложение. 19 ОУ – операционный усилитель; АЧХ – амплитудно-частотная характеристика; ПФ – полосовой фильтр; ФВЧ – фильтр высоких частот; ФНЧ – фильтр низких частот. Активный фильтр - один из видов аналоговых электронных фильтров, в котором присутствует одна или несколько активных компонент, к примеру транзистор или операционный усилитель. Эти обладающие частотной избирательностью схемы используются для усиления или ослабления определенных частот в звуковой аппаратуре, в генераторах электромузыкальных инструментов, в сейсмических приборах, в линиях связи и т.п. В активных фильтрах используется принцип отделения элементов фильтра от остальных электронных компонент схемы. Часто бывает необходимо, чтобы они не оказывали влияния на работу фильтра. Существует несколько различных типов активных фильтров, некоторые из которых также имеют и пассивную форму: * Фильтр высоких частот — не пропускает частоты ниже частоты среза. * Фильтр низких частот — не пропускает частоты выше частоты среза. * Полосовой фильтр — не пропускает частоты выше и ниже некоторой полосы. * Режекторный фильтр — не пропускает определённую ограниченную полосу частот. С помощью активных RC – фильтров нельзя получить идеальные формы частотных характеристик в виде прямоугольников со строго постоянным коэффициентом передачи в полосе пропускания, бесконечным ослаблением в полосе подавления и бесконечной крутизной спада при переходе от полосы пропускания к полосе подавления. Проектирование активного фильтра всегда представляет собой поиск компромисса между идеальной формой характеристики и сложностью её реализации. Это называется «проблемой аппроксимации». Во многих случаях требования к качеству фильтрации позволяют обойтись простейшими фильтрами первого или второго порядка. Проектирование фильтра в этом случае сводится к выбору схемы с наиболее подходящей конфигурацией и последующему расчету значений номиналов элементов для конкретных частот. Данные проблемы рассматриваются в курсовой работе. Фильтр Баттерворта обеспечивает наиболее плоскую характеристику в полосе пропускания, что достигается ценой плавности характеристики в переходной области, т.е. между полосами пропускания и задерживания. Его амплитудно-частотная характеристика задаётся следующей формулой:
где n - определяет порядок фильтра (число полюсов). Увеличение числа полюсов дает возможность увеличить крутизну спада от полосы пропускания к полосе подавления. Выбирая фильтр Баттерворта мы ради плоской характеристики поступаемся всем остальным. Его характеристика идет горизонтально, начиная от нулевой частоты, перегиб ее начинается на частоте среза fC - эта частота обычно соответствует точке -3 дБ. Также фильтр не может обеспечить усиление сигнала в полосе пропускания.
Рисунок 1.1 – ФНЧ Баттерворта В большинстве применений самым существенным обстоятельством является то, что неравномерность характеристики в полосе пропускания не должна превышать некоторой величины, скажем 1 дБ. Фильтр Чебышева отвечает этому требованию, при этом допускается некоторая неравномерность характеристики по всей полосе пропускания, но при этом сильно увеличивается острота её излома. Для фильтра Чебышева задают число полюсов и неравномерность в полосе пропускания. Допуская увеличение неравномерности в полосе пропускания, получаем более острый излом. Амплитудная характеристика этого фильтра описывается уравнением:
где Сn - полином Чебышева первого рода степени n, а e - константа, определяющая неравномерность характеристики в полосе её пропускания. Фильтр Чебышева, как и фильтр Баттерворта имеет фазо-частотные характеристики далекие от идеальных.
Рисунок 1.2 – ФНЧ Чебышева Иногда фильтр Чебышева называют равноволновым фильтром, так как его характеристика в области перехода имеет большую крутизну за счет того, что в полосе пропускания распределено несколько равновеликих пульсаций, число которых возрастает вместе с порядком фильтра. Даже при сравнительно малых пульсациях (порядка 0,1дБ ) фильтр Чебышева обеспечивает намного большую крутизну характеристики в переходной области, чем фильтр Баттерворта. Чтобы выразить эту разницу количественно, предположим, что требуется фильтр с неравномерностью характеристики в полосе пропускания не более 0,1 дБ и затуханием на частоте, отличающейся на 25% от граничной частоты пропускания. Расчет показывает, что в этом случае требуется 19-полюсной фильтр Баттерворта или всего лишь 8-полюсный фильтр Чебышева. Мысль о том, что можно мириться с пульсациями характеристики в полосе пропускания ради крутизны переходного участка характеристики, доводится до своего логического завершения в идее так называемого элептического фильтра (или фильтра Кауэра), в котором допускаются пульсации характеристики как в полосе пропускания, так и в полосе задерживания ради обеспечения крутизны переходного участка даже большей, чем у характеристики фильтра Чебышева. Расчёт порядка фильтра
Рисунок 2.1 – Шаблон коэффициента передачи фильтра Шаблон передаточной функции ФНЧ для заданных значений K и f показан на рис.2.1. Рассчитаем нормированные коэффициенты передачи и граничные частоты схемы: Кнmax = Кmax – Кmin=20-17=3 (Дб); Кнmin = Кmax - Kз=20-10=10 (Дб); ¦пн =¦п /¦п =1;¦зн =¦з/fп=1,75/1,5=1,167. Определим порядок проектируемого фильтра из следующей формулы:
Округлив до большего целого значения, окончательно получим порядок фильтра n=6. Передаточная функция устройства Передаточная функция нормированного фильтра выглядит так:
Из таблиц полиномов фильтра Чебышева находим значения числителя и знаменателя передаточной функции для фильтра 6 порядка. Подставим их в выражение 2.2:
Перейдём обратно от нормированного ФНЧ к проектируемому, для чего рассчитаем передаточную функцию проектируемого фильтра:
Найдём числитель функции по формуле:
Чтобы определить знаменатель функции, рассчитаем значение частоты wп=2p¦п=9420 [рад/с]. Сделаем замену в полиноме D1(p): р®р/wп. Окончательно передаточная характеристика будет выглядеть так:
Переход от передаточной функции к схеме Так как порядок всего фильтра равен 6, для его создания будем использовать три звена второго порядка. Представим передаточную функцию ФНЧ-6 в виде сомножителей второго порядка:
Определим W(p) для каждого звена:
Таким образом, граф Мезона для всей схемы будет представлен в виде последовательного соединения ФНЧ- ІІ, как на рис. 2.2:
Рисунок 2.2 – Структурная схема графа Мезона Выбор схемного решения Схемным решением для данного устройства будет фильтр низкой частоты второго порядка с многопетлевой обратной связью, т.к. он обеспечивает небольшую чувствительность к отклонению номиналов элементов. Используем 3 таких звена, соединённых последовательно.
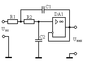
Рисунок 2.3 – ФНЧ-ІІ с многопетлевой обратной связью 3 Топологическая модель фильтра Граф Мезона ФНЧ- ІІ. Изобразим граф Мезона для одного звена схемы.
Рисунок 3.1 – Граф Мезона ФНЧ-ІІ По формуле Мезона рассчитаем передаточную функцию:
Сопоставим с её канонической формулой для ФНЧ-ІІ:
Откуда получим: K=R2/R1; (3.3)
В соответствии с полученными передаточными функциями, рассчитываем значения элементов для каждого звена по следующему алгоритму. Выбираем значение ёмкости C2 равную 10 нФ. Определяем добротность фильтра по формуле
где A и B – числовые значения перед wп2 и рwп в знаменателе W1(р). Находим ёмкость C2 из соотношения С1>[4(çКç+1)QF2]C2. Определяем два значения R2 (для разных знаков перед корнем):
Рассчитываем по два значения для R1 и R3: R1 = R2/К ,R3 = 1/w02 С1С2R2. Выбираем из двух полученных наиболее подходящий ряд сопротивлений R1, R2, R3. 1-е звено Qf=12.8; w0=9205 рад/с; С1>6,8 мкФ; C1=10 мкФ; R21=663,06 Ом; R11=16580 Ом;R31=177,97 Ом; R22=185,09 Ом; R12=4627,18 Ом;R32=637,56 Ом; Выбираем первый ряд сопротивлений. 2-е звено Qf=3,46; w0=6806 рад/с; С1>0,956 мкФ; C1=1 мкФ; R21=2570,8 Ом; R11=2570,8 Ом;R31=839,76 Ом; R22=1679,5 Ом; R12=1679,5 Ом;R32=1285 Ом; Выбираем первый ряд сопротивлений. 3-е звено Qf=1,05; w0=2805,5 рад/с; С1>87,4 нФ; C1=100 нФ; R21=23117 Ом; R11=23117 Ом;R31=5495,9 Ом; R22=10991,7 Ом; R12=10991,7 Ом;R32=11558,7 Ом; Выбираем первый ряд сопротивлений. Согласуем номера элементов в звене с нумерацией в схеме фильтра, а номиналы сопротивлений – с рядом Е12: С2=С4=С6=10 нФ; С1=10 мкФ;C3=1 мкФ;C5=100 нФ; R1=15 кОм;R2=680 Ом;R3=180 Ом; R4=2,7 кОм;R5=2,7 кОм;R6=820 Ом; R7=22 кОм;R8=22 кОм;R9=5,6 кОм; Снимаем АЧХ фильтра для полученных значений элементов.
Рисунок 4.1 – АЧХ проектируемого фильтра 5 Методика настройки и регулировки фильтра Коэффициент усиления фильтра можно настроить при помощи резисторов R2 и R1: K=R2/R1;(5.1) Но при этом нужно учитывать, что R2 вносит своё влияние и на граничную частоту w0. Также эту частоту можно настроить изменением элементов R3, C1 и C2:
Настройка граничной частоты затруднена тем, что каждый каскад вносит на неё своё влияние, поэтому, для её перестройки необходимо изменять элементы во всех каскадах. В данной курсовой работе был разработан фильтр низкой частоты шестого порядка с аппроксимацией полиномом Чебышева. Он состоит из трёх каскадов ФНЧ с многопетлевой обратной связью 2 порядка. Частота полосы пропускания fn=1,55 кГц, что на 3% отличается от заданной. Это обусловлено использованием элементов из стандартного ряда E12, которые имеют разброс номиналов 10%. Фильтр допускает простую настройку частоты пропускания, а также обеспечивает небольшую чувствительность к отклонению номиналов элементов. Из недостатков можно назвать наличие пульсаций в полосе пропускания. 1. Методические указания к выполнению курсового проекта по дисциплине «Аналоговые электронные устройства» для студентов дневной и заочной формы обучения специальностей направления «Радиотехника» / Составители: Тимошенко Л.П., Басецкий В.Л., Х.: ХНУРЭ, 2001. 2. ДСТУ 3008-95. Документація. Звіти у сфері науки і техніки. Структура і правила оформлення, держстандарт України, 1995. – 36с. 3. Зеленин А.Н, Костромицкий А.И, Бондарь Д.В. Активные фильтры на операционных усилителях. – Х.: Телетех, 2000. - 136 с. 4. Загальні методичні вказівки з дипломного проектування в університеті / Упоряд.: П.С.Ковтун, З.В.Дудар, В.Я.Журавльов, О.С.Шкіль. – Харків: ХНУРЕ, 2002. – 40 с.
|
|||||||||||||||||||||||||||||||||||||||||||||||||||||||||||||||||||||||||||||||||||||||||||||||||||||||||||||||||||||||||||||||||||||||||||||||||||||||||||
,
,

(2.1)
(2.6)
(2.8)
(2.9)
(2.10)


(3.1)
(3.2)
(3.4)
(3.5)
(5.2)