Курсовая работа: Электроника
|
Название: Электроника Раздел: Рефераты по коммуникации и связи Тип: курсовая работа | |||||
Министерство Образования и Молодежи Республики Молдова Технический Университет Молдовы Кафедра КПЭА Курсовая работа по дисциплине Электроника Проектирование усилителей низкой частоты Выполнил: студент гр.SER-042 Бабей.Л Проверил: доцент кафедры Сорокин Г.Ф. Кишинев 2009 Содержание: 1. Цель работы ……………………...……………………………2 2. Введение………………………………………………………..3 3. Основная часть………………………………………………....4 4. Расчётная часть…………………………………………………8 5. Заключение……………………………………………………..15 6. Библиография…………………………………………………..16 Цель работы: познакомиться с режимами работы транзисторов обоих типов проводимости, рассчитать мощный многокаскадный усилитель, у которого выходной каскад работает в режиме АБ, предварительные в режиме А. 1. Исходные данные :
схема выходного каскада – с трансформаторным входом и выходом. 3) Введение Усилителем называют устройство, предназначенное для повышения мощности входного сигнала. Увеличение мощности достигается за счет энергии источников питания. Маломощный входной сигнал лишь управляет передачей энергии источника питания в полезную нагрузку. Включение нагрузки непосредственно в выходную цепь усилительных элементов без выходного трансформатора позволяет устранить вносимые последним частотные, фазовые и нелинейные искажения, уменьшить размеры, вес, объем и стоимость каскада, повысить его кпд и избавиться от нелинейных искажений, вызываемых отсечкой тока в режиме В. При работе бестрансформаторного каскада в режиме А предельный кпд равен 50% , в режиме В – 78,6%, реальный кпд выше, чем у трансформаторного каскада из-за отсутствия потерь в трансформаторе. 4) Основная часть Далее будет описана одна из методик расчёта предварительного усилителя и каскада мощного усиления. Принципиальная схема каскада предварительного усиления (рис. 1)
: Теоретический расчёт каскада предварительного усиления : Ток через сопротивление нагрузки:
Коэффициент усиления по напряжению усилителя:
Ток коллектора в рабочей точке:
Сопротивление в цепи коллектора:
Напряжение на сопротивлении в цепи эмиттера:
Сопротивление в цепи эмиттера:
Напряжение коллектор – эмиттер в рабочей точке:
Нахождение тока базы по выходным характеристикам (рис. 2): Ток делителя:
Напряжение на резисторе R2 находим по входным характеристикам (рис. 3):
Сопротивление резистора R2:
Сопротивление резистора R1:
Общее входное сопротивление (с учётом, что входное сопротивление каскада намного больше сопротивления делителя):
тогда, коэффициент усиления рассчитанного усилителя:
ёмкости переходных и блокировочного конденсаторов можно найти следующим образом:
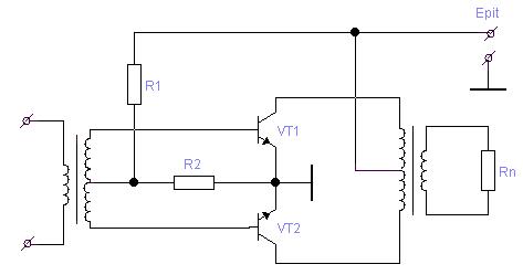
Принципиальная схема каскада мощного усиления (рис. 4) :
Рис. 4 Теоретический расчёт каскада мощного усиления : Определение необходимого напряжения питания:
Максимальный ток коллектора одного транзистора:
Амплитудное значение напряжения на коллекторе одного транзистора:
Стр.6 Определение максимальной мощности рассеивания на коллекторе одного транзистора:
По этим данным выбираем транзисторы выходного каскада. По характеристикам находим напряжение и ток базы транзисторов в рабочей точке, их амплитудные значения. Определяем ток делителя
Ёмкости переходных конденсаторов:
5) Расчётная часть
Рис. 5 Схема электрическая принципиальная Определение необходимого напряжения питания:
Определяем максимальный ток коллектора одного транзистора:
Определим действующее напряжение на коллекторе одного транзистора:
Определение максимальной мощности рассеивания на коллекторе одного транзистора:
По этим данным выбираем транзисторы выходного каскада: КТ815, КТ814. Они имеют следующие выходные (рис. 6) и входные (рис. 7) характеристики. По характеристикам находим напряжение и ток базы транзисторов VT3, VT4 в рабочей точке, их амплитудные значения:
Стр.8 ![]() ![]()
Определение коэффициента нелинейных искажений. Необходимо построить сквозную характеристику:
Найдем По этим данным строим сквозную характеристику (рис. 10): Транзисторы выходного каскада комплементарны, коэффициент асимметрии b выбираем равным 0,1. По сквозной характеристике находим токи, которым соответствуют
Тогда Далее производим расчёт гармонических составляющих тока коллектора: Определяем коэффициента гармоник по формуле: Стр.10
Учитывая действие местной ООС в УМ
Для обеспечения требуемого Кг требуется ООС глубиной
Выбираем транзистор предвыходного каскада:
Хорошими параметрами обладает транзистор типа КТ3102Г. Его выходные и входные характеристики представлены на (рис. 8), (рис. 9) По характеристикам находим напряжение и ток базы транзистора VT2 в рабочей точке, их амплитудные значения: ![]()
Сопротивления резисторов делителя:
Входное сопротивление предварительного каскада:
В этот каскад вводится параллельная ОС по напряжению - цепочка R6C6. Расчёт ООС. Так как данная ООС не изменяет К
Входной каскад из-за малого сопротивления предоконечного каскада выбран ОК. В качестве VT1 выбираем транзистор КТ339А. Таким образом получим:
Теперь найдём ёмкости переходных и блокировочных конденсаторов:
6) Заключение. Основной целью данной курсовой работы стало изучение методов расчёта мощных многокаскадных усилителей низкой частоты. В работе эта задача была успешно решена: - освоенные теоретические навыки позволяют на данном этапе обучения спроектировать несложные усилители мощности; - применение местных и общих отрицательных обратных связей позволяет улучшить параметры усилителя до необходимой величины; Можно также отметить, что достигнут требуемый коэффициент гармоник и коэффициент усиления. Высокий коэффициент гармоник УМ скомпенсирован введением ООС по напряжению. 7) Библиография. 1. Проектирование транзисторных усилителей «Машиностроение», 1978г 2. Петухов В. М. Транзисторы и их зарубежные аналоги. Том 1, 2, Москва, «РадиоСофт», 2004г 3. Цыкина А.В. Усилители. Москва, «Связь», 1972 г 4. Лавриненко В.Ю. Справочник по полупроводниковым приборам. Киев, «Техника», 1984г 5. Гершунский Б.С. Справочник по расчету электронных схем. Киев, «Высшая школа», 1983г |



.









; 








