Учебное пособие: Электроснабжение промышленных предприятий и установок
|
Название: Электроснабжение промышленных предприятий и установок Раздел: Рефераты по коммуникации и связи Тип: учебное пособие | ||||||||||||||||||||||||||||||||||||||||||||||||||||||||||||||||||||||||||||
Содержание 1 Введение ………………………………………..……….............……………....2 2 Тематический план внеаудиторной самостоятельной работы студентов.......3 3 Требования к оформлению отчета......................................................................4 4 Расчет заземляющего устройства в MCad..........................................................5 4.1 Задание................................................................................................................5 4.2 Порядок расчета заземляющего устройства...................................................5 5 Расчет молниезащиты в MCad............................................................................8 5.1 Задание...............................................................................................................8 5.2 Порядок расчета заземляющего устройства.................................................10 6 Создание презентации «Моя будущая профессия – лучше всех в БПТ»......10 6.1 Организация конкурса.....................................................................................10 6.2 Требования к работам.....................................................................................11 6.3 Оценка конкурсных материалов....................................................................11 6.4 План проведения конкурса.............................................................................13 7 Создание интернет-странички «Моя группа».................................................13 7.1 Организация конкурса....................................................................................13 7.2 Требования к работам.....................................................................................14 7.3 Оценка конкурсных материалов....................................................................14 7.4 План проведения конкурса.............................................................................14 8 Вычерчивание однолинейной схемы электроснабжения для курсового проекта «Электроснабжение отрасли»................................................................16 8.1 Задание.............................................................................................................16 Приложение А. Лист оценки мультимедийного продукта и итоговый протокол.................................................................................................................17 Приложение Б. Лист оценки интернет-странички и итоговый протокол........18 Приложение В. Однолинейная схема электроснабжения.................................19 Литература…………………………………………………………………….....21 Чем самостоятельней мы учимся, чем активнее занимаемся самообразованием, тем сильнее нуждаемся в помощи, всегда деловой и конкретной, но становящейся со временем все более тонкой и деликатной. И начинается она с рекомендаций, как учиться, чтобы добиться успеха в этом сложнейшем деле, чтобы оно приносило удовлетворение, побуждало к дальнейшему знанию. Такую помощь могут оказать либо те студенты, у которых уже сложился положительный опыт самостоятельного овладения знаниями, либо наши преподаватели, у которых имеется богатейшая практика и собственного овладения наукой, и приобщения к ней не одного поколения студентов. Активизация познавательной деятельности студентов во многом зависит от инициативной позиции преподавателя на каждом этапе обучения. Характеристикой этой позиции являются: высокий уровень педагогического мышления и его критичность, способность и стремление к проблемному обучению, к ведению диалога со студентом, стремление к обоснованию своих взглядов, способность к самооценке своей преподавательской деятельности. Содержательной стороной активизации учебного процесса является подбор материала, составление заданий, конструирование образовательных и педагогических задач на основе проблемного обучения с учетом индивидуальных особенностей каждого студента. 2 Тематический план внеаудиторной самостоятельной работы студентов Таблица 2.1 - Тематический план внеаудиторной самостоятельной работы студентов по дисциплине «Информационные технологии в профессиональной деятельности»
3 Требования к оформлению отчета Отчет по самостоятельной внеаудиторной работе представляется в электронном варианте на любом информационном носителе, а так же в распечатанном виде на листах формата А4. Отчет по работам, выполненным с использованием математического редактора MathCad, представляется в распечатанном виде на листах формата А4 с заданием на курсовой проект по дисциплине «Электроснабжение отрасли». Презентации представляются в электронном виде с обязательным соблюдением следующих требований: - первый слайд должен содержать полное наименование учебного заведения, тему презентации, ФИО автора и преподавателя; - последний слайд должен содержать список литературных источников и интернет-ссылок, используемых при составлении презентации. Интернет-страничка представляется в электронном виде с обязательным соблюдением следующих требований: - страничка должна содержать полное наименование учебного заведения; - должен быть указан автор интернет-странички и его e-mail в виде активной ссылки. Однолинейная схема электроснабжения для курсового проекта представляется в распечатанном виде вместе с заданием на курсовой проект «Электроснабжение отрасли». Презентация «Моя будущая профессия – лучше всех в БПТ» и интернет-страничка «Моя группа» представляются на конкурс и защищаются автором в устной форме. 4 Расчет заземляющего устройства в MCad 4.1 Задание В данной работе необходимо показать применение полученных в ходе изучения курса умений и навыков для выполнения курсового проекта по дисциплине «Электроснабжение отрасли» с помощью MathСad. Решение поставленной задачи рекомендуется выполнять в следующей последовательности: а) составить макет решения задачи, используя порядок расчета заземляющего устройства; б) ввести реальные данные из своего курсового проекта и выполнить расчет; в) вывести данные в необходимой форме с текстовыми пояснениями; г) показать выполненное задание преподавателю. 4.2 Порядок расчета заземляющего устройства Расчет заземляющих устройств производится с учетом естественных заземлителей. Необходимое допустимое сопротивление заземляющего устройства Rз = Uз/Iз, (4.1) где Uз - напряжение на заземлителе, если заземляющее устройство одновременно используется для электроуставок до и выше 1000 В.
где U нв - напряжение, кВ ;
При Rз > 4 Ом сопротивление заземляющего устройства принимают равным R = 4 Ом. Расчетное удельное сопротивление грунта ρ = ρиз ∙ ψ, (4.3) где ρиз - измеренное сопротивление грунта; ψ- коэффициент повышения. Сопротивление одиночного электрода: - Rо = 0,00227 ∙ρ - для пруткового электрода диам.12 мм длиной 5 м. - Ro = 0,0034∙ρ- для электрода из угловой стали 50x50x5 длиной 2,5м ; - Ro = 0,00325 ∙ρ- для электрода из трубы 60 мм длиной 2,5 м. Сопротивление искусственных электродов с учетом естественных Rи = Re∙Rз/Re-Rз. (4.4) Число заземлителей n = Rо/Rн. (4.5) Сопротивление искусственных заземлителей с учетом коэффициента экранирования Rн = Rо /n∙η , (4.6) где n - число заземлителей, η - коэффициент экранирования, η = f(n, a/ а - расстояние между электродами,
Сопротивление заземляющего устройства Rз = Re∙Rи/Re+Rи. (4.7) Если сопротивление заземляющего устройства Rз > 4 Ом, то определяют сопротивление протяженного заземлителя: Rп = (0,366ρ/ηп
∙ где Вп - ширина полосы;
tп - глубина заложения полосы; ηп - коэффициент использования протяженных заземлителей. Сопротивление заземляющего устройства с учетом Rn R/ з = Rз∙Rп/ Rз+Rп. (4.9) 5.1 Задание В данной работе необходимо показать применение полученных в ходе изучения курса умений и навыков для выполнения курсового проекта по дисциплине «Электроснабжение отрасли» с помощью MathСad. Решение поставленной задачи рекомендуется выполнять в следующей последовательности: а) составить макет решения задачи, используя порядок расчета молниезащиты; б) ввести реальные данные из своего курсового проекта и выполнить расчет; в) вывести данные в необходимой форме с текстовыми пояснениями; г) показать выполненное задание преподавателю. 5.2 Порядок расчета заземляющего устройства Все здания и сооружения по выполнению молниезащиты подразделяются на 3 категории. Молниезащита зданий и сооружений I категории выполняется отдельно стоящими стержневыми и тросовыми молниеотводами. При расчете стержневой молниезащиты определяем импульсное напряжение в точке, которая расположена на уровне высоты защищаемого объекта: Uт = Imax/2∙( где Rи =10 Ом - импульсное сопротивление заземлителя; Imax = 150 кА - максимальный ток молнии;
Расстояние по воздуху от молниеотвода до здания: Sв = Uт/Е воз, (5.2) где Е воз. = 500 кВ/м – напряженность воздуха. Радиус защиты rx = Sb+ В, (5.3) где В - ширина здания. h = (1,6hx
+rx
)/3,2+ Высота молниеотводов определяется также, как и в случае использования одиночного молниеотвода. Определяют наименьшую ширину зоны защиты 2Вх = 4rx ∙ ((7ha – a)/(14ha – a)), (5.5) где а - расстояние между двумя молниеотводами; ha - высота активной части молниеотвода. 6 Создание презентации «Моя будущая профессия – лучше всех в БПТ» 6.1 Организация конкурса В конкурсе могут принимать участие студенты всех специальностей. Для организации и проведения конкурса создается рабочая группа преподавателей, которая: - организует информирование студентов всех специальностей о проведении конкурса и условиях участия в нем; - организует прием конкурсных материалов; - организует награждение победителей. Презентации могут носить исследовательский, обучающий, ознакомительный или другой характер. 6.2 Требования к работам К участию в конкурсе допускаются студенты техникума, самостоятельно разработавшие компьютерную презентацию. Возможны коллективные работы. Рекомендуемый порядок и объем презентации: а) титульный слайд с указанием учебного заведения, темы и автора; б) слайды, содержащие информацию о техникуме (1-2 слайда); в) слайды, содержащие информацию о специальности с фотографиями лабораторий, кабинетов и т.д. (2-3 слайда); г) слайды о будущей профессии, ее достоинствах и областях применения в нашем городе и т.д. (7-8 слайдов); д) заключительный слайд с указанием списка используемой литературы, гиперссылок сайтов. Объем доклада должен составлять 5-7 минут. Конкурс считается открытым после официального объявления о проведении конкурса. Для участия в конкурсе участник должен передать проект на компакт-диске или другом электронном носителе преподавателю. 6.3 Оценка конкурсных материалов Конкурсные работы оцениваются в соответствии со следующими критериями: а) полнота раскрытия темы; в) творческий подход; г) сложность технологии изготовления; д) оригинальность и занимательность; ж) многообразие используемых автомакетов (разметок) слайдов: таблицы, диаграммы, автофигуры и т.д.; к) оптимальность использования анимационных эффектов; л) грамотность и стиль изложенного материала; м) соотношение текста и графики; н) цветовое оформление; п) организация переходов между слайдами. Награждение победителей конкурса осуществляется после подведения итогов жюри. Участники, занявшие 1, 2 и 3-е места награждаются грамотами техникума. Компьютерная презентация зрительских симпатий определяется путем тайного голосования присутствующих студентов. 6.4 План проведения конкурса Организация конкурса: а) объявление о конкурсе (за две недели); б) знакомство студентов с правилами конкурса, требованиями к мультимедийным продуктам; в) определение состава жюри. Проведение конкурса: а) приветствие участников конкурса, объявление состава жюри; б) организация голосования на “Приз зрительских симпатий”. Выдача жетонов; в) выступление участников конкурса. Демонстрация компьютерной презентации и защита проекта; г) подведение итогов конкурса. Подсчет количества баллов, набранных каждым участником. Заполнение протокола. Подсчет жетонов. Определение победителя в номинации “Приз зрительских симпатий”; д) награждение. Участники, занявшие 1, 2 и 3 места и победитель в номинации “Приз зрительских симпатий” награждаются грамотами техникума. Лист оценки мультимедийного продукта и итоговый протокол представлены в Приложении А. 7 Создание интернет-странички «Моя группа» 7.1 Организация конкурса В конкурсе могут принимать участие студенты всех специальностей. Для организации и проведения конкурса создается рабочая группа преподавателей, которая: - организует информирование студентов всех специальностей о проведении конкурса и условиях участия в нем; - организует прием конкурсных материалов; - организует награждение победителей. Интернет-странички могут носить любой характер в соответствии с задумкой автора. 7.2 Требования к работам К участию в конкурсе допускаются студенты техникума, самостоятельно разработавшие интернет-страничку. Возможны коллективные работы. Рекомендуемый порядок и объем интернет-странички: а) указание учебного заведения, темы и автора; б) таблица или перечисление студентов группы с указанием адреса, фотографии и ссылки на e-mail; в) перечисление преподавателей с фотографиями; г) ссылка на сайт техникума. Объем доклада должен составлять 5-7 минут. Конкурс считается открытым после официального объявления о проведении конкурса. Для участия в конкурсе участник должен передать проект на компакт-диске или другом электронном носителе преподавателю. 7.3 Оценка конкурсных материалов Конкурсные работы оцениваются в соответствии со следующими критериями: а) полнота раскрытия темы; в) творческий подход; г) сложность технологии изготовления; д) оригинальность и занимательность; ж) многообразие используемых инструментов языка HTML: таблицы, фотографии, ссылки, анимационные эффекты; к) грамотность и стиль изложенного материала; л) соотношение текста и графики; м) цветовое оформление. Награждение победителей конкурса осуществляется после подведения итогов жюри. Участники, занявшие 1, 2 и 3-е места награждаются грамотами техникума. Интернет-страничка зрительских симпатий определяется путем тайного голосования присутствующих студентов. Организация конкурса: а) объявление о конкурсе (за две недели); б) знакомство студентов с правилами конкурса, требованиями к интернет-страничке; в) определение состава жюри. Проведение конкурса: а) приветствие участников конкурса, объявление состава жюри; б) организация голосования на “Приз зрительских симпатий”. Выдача жетонов; в) выступление участников конкурса. Демонстрация интернет-странички и защита проекта; г) подведение итогов конкурса. Подсчет количества баллов, набранных каждым участником. Заполнение протокола. Подсчет жетонов. Определение победителя в номинации “Приз зрительских симпатий”; д) награждение. Участники, занявшие 1, 2 и 3 места и победитель в номинации “Приз зрительских симпатий” награждаются грамотами техникума. Лист оценки интернет-странички продукта и итоговый протокол представлены в Приложении Б. 8 Вычерчивание однолинейной схемы электроснабжения для курсового проекта «Электроснабжение отрасли» 8.1 Задание В данной работе необходимо показать применение полученных в ходе изучения курса умений и навыков для выполнения курсового проекта по дисциплине «Электроснабжение отрасли» с помощью КОМПАС-ГРАФИК. Решение поставленной задачи рекомендуется выполнять в следующей последовательности: а) составить макет схемы, используя данные по расчету электроснабжения цеха; б) начертить схему с соблюдением всех требований ГОСТ и ЕСКД в КОМПАС-ГРАФИК; в) вывести схему на лист формата А4; г) показать выполненное задание преподавателю. При вычерчивании схемы рекомендуется пользоваться методическими указаниями к оформлению графической части курсовых и дипломных проектов. Пример однолинейной схемы электроснабжения представлен в Приложении В. (обязательное) Лист оценки мультимедийного продукта и итоговый протокол Лист оценки мультимедийного продукта
Итоговый протокол
(обязательное) Лист оценки интернет-странички и итоговый протокол Лист оценки интернет-странички
Итоговый протокол
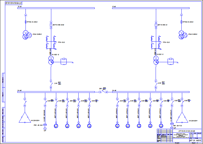
(обязательное) Однолинейная схема электроснабжения
1 Б.Ю. Липкин. Электроснабжение промышленных предприятий и установок. – М.: Высшая школа, 1981. 2 В.Ф. Очков. Mathcad 8 Pro для студентов и инженеров. – М.: КомпьютерПресс, 1999г. 3 Ганенко А.П. и др. Оформление текстовых и графических материалов при подготовке дипломных проектов, курсовых и письменных работ. – М.:Академия, 2000. 4 ГОСТ 2.105.-95, ЕСКД. Общие требования к текстовым документам. – ИПК: Издательство стандартов, 1996. 5 Гузеев В.В. Образовательная технология ХХI века: деятельность, ценности, успех. - М.: Педагогический поиск, 2004. 6 Дьяконов В.П. Интернет. Настольная книга пользователя. Издание четвертое переработанное и дополненное / Дьяконов В.П. – М.: СОЛОН-Р, 2002. 7 Косарев В.П. Компьютерные системы и сети. М.: Финансы и статистика, 1999. 8 Леонтьев В.П. Новейшая энциклопедия персонального компьютера 2003. – М.: ОЛМА-ПРЕСС, 2003. 9 Лихачев Б.Т. Педагогика: курс лекций - М.: Прометей; Юрайт, 1998. 10 Матрос Д.Ш. Управление качеством образования на основе новых информационных технологий и образовательного мониторинга. – М.: Педагогическое Общество России, 2001. 11 Пери, Грег. Освой самостоятельно MicrosoftOffice 2000 за 24 часа.: Уч. пос. – М.: Издательский дом «Вильямс», 2000. 12 Скалеренко А.Б. Общая педагогика - М.: Юнити-Дана, 2006. 13 Справочник по электроснабжению промышленных предприятий. Под общей редакцией А.А.Федорова. – М.: Энергия, 1974. 14 Фигурнов В.Э. IBMPC для пользователя. Изд. 7-е, перераб. И доп.- М.: ИНФРА- М,1997. 15 Харламов И.Ф. Педагогика - М.: Гардарики, 2000. |
||||||||||||||||||||||||||||||||||||||||||||||||||||||||||||||||||||||||||||
