Контрольная работа: Низкочастотный усилитель напряжения
|
Название: Низкочастотный усилитель напряжения Раздел: Рефераты по коммуникации и связи Тип: контрольная работа | |||||||||||||||||||||||||||||||||||
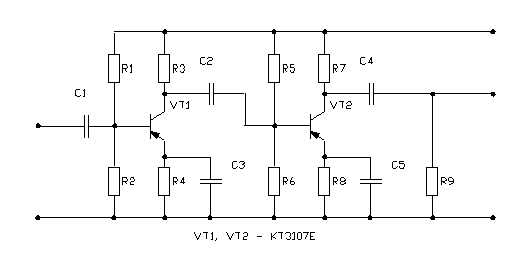
Расчет элементов усилителя напряжения низкой частоты Амплитуда входного сигнала 1 мВ Сопротивление генератора входного сигнала 5 кОмАмплитуда выходного сигнала 5 В Сопротивление нагрузки 3 кОм Нижняя граница усиления 50 Гц Верхняя граница усиления 15000 Гц Коэффициент частотных искажений 1,4 Напряжение питания 15¸20 В Коэффициент усиления:
Получить такой коэффициент усиления на одном каскаде невозможно, поэтому необходимый усилитель реализуем последовательным включением усилительных каскадов на основе транзисторов p-n-p структуры, включенных по схеме с ОЭ. При этом перераспределение усиления будет следующим: 1 каскад – 100, 2 каскад – 50.
Выбор транзистора КТ3107Е
Максимально допустимые параметры
Выберем напряжение питания усилителя: Расчет усилительного каскада на транзисторе структуры p-n-p, включенного по схеме с ОЭ по постоянному току (2-й каскад). Из графика семейства характеристик (см. рис. 2) выберем рабочую точку: Т.к. R9 – (сопротивление нагрузки) равен 3 кОм, то R7 определяется формулой:
R7=7.5 кОм Находим ток коллектора 2-го транзистора:
IК =0.93 mA Находим ток базы 2-го транзистора:
IБ =7.75*10-3 mA Находим ток эмиттера 2-го транзистора:
IЭ =0.938 mA Зададим UЭ =1V
R8=1.07 кОм. Находим напряжение базы 2-го транзистора:
Uб =1.7 V Найдем ток через RБ
I=38.75*10-3 mA
R6=43.9 кОм
R5=343.7 кОм Расчет усилительного каскада на транзисторе структуры p-n-p, включенного по схеме с ОЭ по постоянному току (1-й каскад). Найдем Rн (нагрузки)
RН =38.9 кОм
Отсюда найдем R3 R3=13.46 кОм Выберем рабочую точку Находим ток колектора 1-го транзистора:
IК =0.52 mA Находим ток базы 1-го транзистора:
IК =4.3*10-3 mA Находим ток эмиттера 2-го транзистора:
IЭ =0.524 mA Зададим UЭ =1V
R3=1.91 кОм Находим напряжение базы 2-го транзистора:
Uб =1.7 V Найдем ток через RБ
I=21.5*10-3 mA
R2=79.1 кОм
R1=325.6 кОм Расчет емкостейКоэффициент передачи 1-й цепочки:
Отсюда С1
С1=19.5 нФ
С2=31.9 нФ
С3=12.4 мкФ
С4=0.4 мкФ
С5=12.4 nF Литература 1. Ю.С. Забродин «Промышленная электроника», М.: изд-во Высшая школа, 1982 г. 2. В.Г. Гусев, Ю.М. Гусев «Электроника», М.: изд-во Высшая школа, 1991 г. 3. Справочник «Транзисторы для аппаратуры широкого применения», под ред. Б.Л. Перельман, М.: Радио и связь, 1981 г. 4. Дж. Фишер, Х.Б. Гетланд «Электроника: от теории к практике», пер. с анг. А.Н. Мошкова, М.: Энергия 1980 г. 5. И.П. Степаненко «Основы теории транзисторов и транзисторных схем» |
|||||||||||||||||||||||||||||||||||

