Курсовая работа: Оконечный каскад однополосного связного передатчика
|
Название: Оконечный каскад однополосного связного передатчика Раздел: Рефераты по коммуникации и связи Тип: курсовая работа |
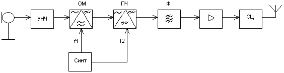
Уральский Государственный Технический Университет Радиотехнический факультет Кафедра Радиопередающих устройств "Устройства формирования и генерирования сигналов" "Оконечный каскад однополосного связного передатчика" Екатеринбург 2004 Задание Составить структурную схему однополосного связного передатчика, рассчитать режим оконечной ступени со следующими параметрами: · Диапазон рабочих частот 1,8-3,0 МГц; · Мощность 6,0 Вт; · Антенна провод длиной 20 м; · Подавление внеполосных излучений 40 дБ; · Питание от аккумуляторов устройство 12 В. Рассчитать согласующее устройство оконечной ступени и пояснить назначение всех элементов схемы. Содержание Введение. 4 Расчетная часть. 5 1.1 Выбор и обоснование структурной схемы передатчика. 5 1.2 Выбор транзистора для выходной ступени передатчика. 5 2. Расчет режима оконечной ступени. 8 2.1 Расчет коллекторной цепи. 8 2.2 Расчет базовой цепи. 10 1.3 Расчет антенны.. 13 1.4 Расчет согласующей цепи оконечной ступени с антенной. 13 1.5 Конструктивный расчет параметров катушек. 14 Назначение элементов схемы.. 19 Заключение. 21 ВведениеРадиопередающее устройство (РПУ) – необходимый элемент любой системы передачи информации по радио – будь то система радиосвязи, навигационная или телеметрическая системы. Параметры радиопередатчиков разнообразны и определяются конкретными техническими требованиями к системе передачи данных. РПУ представляет собой достаточно сложную систему, в состав которой входит высокочастотный тракт, модулятор для управления колебаниями высокой частоты в соответствии с передаваемой информацией, источники питания, устройства охлаждения и защиты. Связные коротковолновые (f=1,5-30 МГц) передатчики работают в режиме однополосной модуляции и используются для звуковой связи. Расчетная часть1.1 Выбор и обоснование структурной схемы передатчика
УНЧ – усилитель низкой частоты; ОМ – однополосный модулятор (в который входит амплитудный модулятор и фильтр, выделяющий одну из боковых); ПЧ – преобразователь частоты однополосно-модулированных колебаний; Ф – фильтр для подавления побочных продуктов при преобразовании частоты; Синт – источник необходимых поднесущих колебаний; СЦ – согласующая цепь. Сигнал с микрофона через предварительный усилитель низкой частоты попадает в однополосный модулятор, где сигнал модулирует некоторую промежуточную частоту (например, f1=128 кГц). Затем однополосный модулированный сигнал подается на преобразователь частоты и переносится на частоту f2, которую можно менять в некотором диапазоне. Затем однополосно-модулированный сигнал подается на оконечный усилитель и через согласующую цепь на антенну. 1.2 Выбор транзистора для выходной ступени передатчикаМощность в фидере связного КВ передатчика, работающего в диапазоне 1,8-3,0 МГц равна 6,0 Вт. Т.к. между фидерным разъемом коллекторной цепью транзистора стоит цепь связи, на сопротивлениях потерь элементов цепи связи бесполезно теряется часть колебательной мощности, генерируемой транзистором. В зависимости от схемы цепи согласования, мощности и рабочей частоты передатчика величина КПД цепи связи hЦС = 0,7…0,9. Примем величину hЦС = 0,7. Мощность, на которую следует рассчитывать ГВВ, равна: Р1 = РФ /hЦС = 6 / 0,7 = 8,57 Вт. Справочная величина мощности, отдаваемой транзистором, должна быть не менее 12 Вт. В однополосных связных передатчиках используются биполярные транзисторы коротковолнового диапазона (1,5-30 МГц) с линейными проходными характеристиками. По диапазону частот и по заданной мощности можно выделить следующие транзисторы 2T951Б, 2Т955А, 2Т921А. 2Т951Б, 2Т955А. При одинаковой выходной мощности ГВВ на этих приборах будут иметь разный КПД и коэффициент усиления по мощности. Из группы транзисторов нужно выбрать тот, который обеспечивает наилучшие электрические характеристики усилителя мощности. Коэффициент полезного действия каскада связан с величиной сопротивления насыщения транзистора – rНАС. Чем меньше его величина, тем меньше остаточное напряжение в граничном режиме и выше КПД генератора. Коэффициент усиления по мощности КР зависит от ряда параметров транзистора – коэффициента передачи тока базы bО , частоты единичного усиления fT и величины индуктивности эмиттерного вывода LЭ. При прочих равных условиях КР будет тем больше, чем выше значение bО, fT и меньше LЭ . Из приведенных транзисторов минимальный rНАС у транзистора 2Т951Б. rНАС =2,4 Ом; rэ =0 Ом; rб =3 Ом; β0 =32; fт =194 МГц; Ск =65 пФ; Сэ =600 пФ; Lэ =3,8 нГн; Uкэ.доп =60 В; Uбэ.доп =4 В; Iк0 =3 А; Eотс =0,7В; Диапазон рабочих частот – 1.5..30МГц; PН =20 Вт; Режим работы – линейный, <-30дБ. 2. Расчет режима оконечной ступениОпределим коэффициент использования выходного напряжения (Uвых ).
Возьмем угол отсечки (q) равным 900 , что обеспечит лучшую линейность амплитудных характеристик усилителя, тогда a1 (q) = 0,5; при Ек =12В, ξгр получается комплексным, чтобы этого избежать увеличим Ек .
При Ек =28В ξгр получается равным 0,881, что обеспечивает приемлемый КПД. Определим амплитуду напряжения между коллектором и эмиттером в граничном режиме: Uкгр = Ек ·xгр ; Uкгр = 28В·0,881 = 24,664 В. Найдем первую гармонику тока коллектора:
Определим постоянную составляющую коллекторного тока:
Определим подводимую мощность P0 . P0 = Eк ·Iк0 , P0 = 28·0,443 » 12,417 Вт < Pдоп = 1/2Uкэдоп ·Iк0доп = 0,5*36В*8А = 144 Вт. Определим мощность, рассеиваемую в виде тепла: Pк1 = P0 - P1 , Pк1 = 12,417 – 8,57 = 3,845 Вт. Определим коэффициент полезного действия (h).
Определим сопротивление коллектора (Rк )
Рассчитаем амплитуду тока базы:
где c = 1 + g1 (q) 2pfТ Cк Rк c = 1 + 0,5·2·3,14·100·106 ·65·10-12 ·35,484 » 2,15
Постоянные составляющие базового и эмиттерного токов: Iб0 = I к0 /b 0 Iб0 = 0,934/26 = 0,014А; Iэ0 = Iк0 + Iб0 Iэ0 = 0,443 + 0,014 = 0,475А.
Напряжение смещения на эмиттерном переходе:
Для того чтобы не вводить отдельный источник питания для подачи отрицательного смещения, можно использовать схему с автосмещением. Если взять напряжение смещения по постоянному току 0,7В, то Rсм =2,8 Ом; Ссм =8,8 мкФ (XC см на частоте 1,8 МГц должно быть много меньше Rсм ). Uост =28В‑24,664В=3,336В => R3 =(Uост /Iк0 ) – Rсм =4,73 Ом. Rкэ вычисляем зная Iб0 , Eп и Rд . (Еп -Еб )/Rкэ =Iб0 +Еб /Rд Rкэ =Rд (Еп -Еб )/(Iб0 Rд +Еб )= =268,966 Ом. Рассчитаем элементы схемы:
LвхОЭ = 3,8·10-9 + 3,8·10-9 /2,15+5·10-9 » 10,567 нГн;
Входное сопротивление транзистора (Zвх = rвх + jXвх ):
δ=0,1; α1 =0,93; α2 =0,68.
Входная мощность:
Коэффициент усиления по мощности транзистора: kp = P1 /Pвх ; kp 1 = 8,57/0,832=10,306; kp 2 = 8,57/0,924=9,276. 1.3 Расчет антенныλ1 =с/f1 =3·108 м/с / 1,8·106 с-1 =166,67 м. λ2 =с/f2 =3·108 м/с / 3·106 с-1 =100 м. 1. Из конструктивных соображений выберем для антенны провод сечением 2 мм2 , соответственно радиус провода – 0,798 мм. 2. Длина антенны значительно меньше длины рабочей волны
3. Найдем входное сопротивление:
1.4 Расчет согласующей цепи оконечной ступени с антеннойСогласующая цепь должна включать в себя: · фильтр нижних частот, обеспечивающий затухание 40 дБ на частоте равной 2∙fн , и 0дБ на частоте fв , тогда будет обеспечено заданное подавление внеполосных излучений на всем рабочем диапазоне. Входное и выходное сопротивления равны Rк =35,48 Ом. · перестраиваемый трансформатор сопротивлений, обеспечивающий преобразование выходного сопротивления оконечного усилительного каскада к активному сопротивлению антенны. · перестраиваемое устройство, компенсирующее реактивную составляющую входного сопротивления антенны. Фильтр нижних частот, удовлетворяющий выше указанным условиям, выбираем при помощи программы RFSim и трансформатор сопротивлений.
Т.к. реактивная составляющая входного сопротивления антенны меньше нуля, то антенну можно представить в виде последовательно соединенных конденсатора и резистора. Для компенсации реактивной составляющей входного сопротивления антенны, последовательно с антенной необходимо поставить катушку индуктивности такого же сопротивления (L=Xc /2πf). Соответственно, эта катушка должна быть перестраиваемой в пределах от 292/(2∙3,14∙1,8∙106 )=2,58∙10-5 Гн до 89/(2∙3,14∙3∙106 )=4,72∙10-6 Гн. 1.5 Конструктивный расчет параметров катушекПорядок расчета. 1. Задаются отношением длины намотки катушки l к ее диаметру в (для катушек диаметром до 50 мм обычно берут l/D=0.5…0.8, а для больших катушек мощных каскадов l/D=1…2). 2. Диаметр провода катушки выбираем исходя из соображений ее допустимого нагрева:
где в – диаметр провода, [мм]; I – радиочастотный ток, [А]; ΔT – разность температур провода и окружающей среды, [К] (для катушек ГВВ принимают ΔT=40…50 К); f – частота тока, [МГц]. 3. Выбирается шаг намотки (теоретические исследования и практика проектирования рекомендуют g=(1.3…1.5) d). 4. Число витков спирали катушки
где Lрасч – расчетное значение индуктивности, [Гн]; D – диаметр катушки, [мм]; F (l/D) – коэффициент формы катушки Расчет. Ток протекающий в катушке индуктивности Lбл1
это ток Iб0
=0,014А, ток протекающий в катушке индуктивности Lбл2
это ток Iк0
=0,443А, ток протекающий в катушках индуктивности фильтра, трансформатора сопротивлений и компенсирующей катушки будет не больше Соответственно, диаметры проводов катушек будут: 7,42 мкм; 0,235 мм 0,26 мм. Расчет. Блокировочные. Катушка Lбл1 =5 мГн; d=0,01 мм; Iб0 =0,014А; Внешний диаметр – 20,02 мм. Внутренний диаметр – 20,01 мм. Шаг между витками – 0,01 мм. Длина катушки – 3,88 мм. Длина провода – 24,39 м. Количество слоев – 1. Количество витков – 388. Количество витков в слое – 388. Количество витков в слое – 87. Индуктивность – 4,993463 мГн. Катушка Lбл2 =5 мГн; d=0,25 мм; Iк0 =0,443А; Внешний диаметр – 23,5 мм Внутренний диаметр – 21,75 мм Шаг между витками – 1,75 мм Длина катушки – 21,89 мм Длина провода – 41,89 м Количество слоев – 7 Количество витков – 613 Количество витков в слое – 87 Индуктивность – 5,002767 мГн. Фильтр. Катушка L1 =0,491 мкГн; d=0,3 мм; Iб0 =0,491А; Внешний диаметр – 10,6 мм Внутренний диаметр – 10,3 мм Шаг между витками – 0,3 мм Длина катушки – 1,5 мм Длина провода – 0,16 м Количество слоев – 1 Количество витков – 5 Количество витков в слое – 5 Индуктивность – 0,000441 мГн Катушка L2 =2,29 мкГн; d=0,3 мм; Iб0 =0,491А; Внешний диаметр – 10,6 мм Внутренний диаметр – 10,3 мм Шаг между витками – 0,3 мм Длина катушки – 4,2 мм Длина провода – 0,45 м Количество слоев – 1 Количество витков – 14 Количество витков в слое – 14 Индуктивность – 0,00228 мГн Катушка L3 =3,48 мкГн; d=0,3 мм; Iб0 =0,491А; Внешний диаметр – 10,6 мм Внутренний диаметр – 10,3 мм Шаг между витками – 0,3 мм Длина катушки – 5,7 мм Длина провода – 0,61 м Количество слоев – 1 Количество витков – 19 Количество витков в слое – 19 Индуктивность – 0,00354 мГн Катушка L4 =3,73 мкГн; d=0,3 мм; Iб0 =0,491А; Внешний диаметр – 10,6 мм Внутренний диаметр – 10,3 мм Шаг между витками – 0,3 мм Длина катушки – 6 мм Длина провода – 0,65 м Количество слоев – 1 Количество витков – 20 Количество витков в слое – 20 Индуктивность – 0,0038 мГн Катушка L5 =2,99 мкГн; d=0,3 мм; Iб0 =0,491А; Внешний диаметр – 10,6 мм Внутренний диаметр – 10,3 мм Шаг между витками – 0,3 мм Длина катушки – 5,1 мм Длина провода – 0,55 м Количество слоев – 1 Количество витков – 17 Количество витков в слое – 17 Индуктивность – 0,00303 мГн Катушка L6 =1,44 мкГн; d=0,3 мм; Iб0 =0,491А; Внешний диаметр – 10,6 мм Внутренний диаметр – 10,3 мм Шаг между витками – 0,3 мм Длина катушки – 3 мм Длина провода – 0,32 м Количество слоев – 1 Количество витков – 10 Количество витков в слое – 10 Индуктивность – 0,00137 мГн Трансформатор сопротивления(минимальное). Катушка Lтр =0,935 мкГн; d=0,3 мм; Iб0 =0,491А; Внешний диаметр – 10,6 мм Внутренний диаметр – 10,3 мм Шаг между витками – 0,3 мм Длина катушки – 2,4 мм Длина провода – 0,26 м Количество слоев – 1 Количество витков – 8 Количество витков в слое – 8 Индуктивность – 0,000963 мГн Компенсирующая катушка индуктивности. Катушка L6 =4,72 мкГн; d=0,3 мм; Iб0 =0,491А; Внешний диаметр – 10,6 мм Внутренний диаметр – 10,3 мм Шаг между витками – 0,3 мм Длина катушки – 6,9 мм Длина провода – 0,74 м Количество слоев – 1 Количество витков – 23 Количество витков в слое – 23 Индуктивность – 0,00460 мГн Lбл1, Lдл2 – фильтрует ВЧ составляющую в цепи питания, 2πfLдл2 , 2πfLдл1 >>Rкэ , Lбл1 = Lбл2 =5мГн, L1 -L6, С1 -С6 – фильтр нижних частот; Lтр , Стр –трансформатор сопротивлений; Lком – компенсирующая катушка индуктивности; Ср1 , Ср2 – развязывают каскады по постоянному току, 1/(2πfCбл1 )<<Rкэ, Cбл1 =Сбл2 =0,1 мкФ. Rкэ и Rд – устанавливают напряжение смещения на эмиттерном переходе, Rкэ =269Ом, Rд =8 Ом. Rсм и Сcм – цепь автосмещения, Rсм =2,8 Ом, Ссм =8,8 мкФ. L1 , L2 , C1 , C2 – трансформатор сопротивления и фильтр, отфильтровывающий высшие гармоники. С1 =6,479 нФ, С2 =23,92 нФ, L1 =4,83 мкГн, L2 =1,308 мкГн. VT – транзистор, ответственный за управляемый перенос мощности источника питания в нагрузку. ЗаключениеВ результате выполнения данного курсового проекта был произведен расчет оконечного каскада передатчика и цепи согласования с антенной удовлетворяющий техническому заданию. Составлена структурная схема РПУ, соответствующая принципиальной схеме. Принципиальная схема приведена в приложении. Проведено пояснение назначения всех элементов схемы. Таким образом, задание и цели курсового проекта можно считать выполненными. |




















,
.