Дипломная работа: Органическое топливо
|
Название: Органическое топливо Раздел: Рефераты по физике Тип: дипломная работа | ||||||||||||||||||||||||||||||||||||||||||||||||||||||||||||||||||||||||||||||||||||||||||||||||||||||||||||||||||||||||||||||||||||||||||||||||||||||||||||||||||||||||||||||||||||||||||||||||||||||||||||||||||||||||||||||||||||||||||||||||||||||||||||||||||||||||||||||||||||||||||||||||||||||||||||||||||||||||||||||||||||||||||||||||||||||||||||||||||||||||||||||||||||||||||||||||||||||||||||||||||||||||||||||||||||||||||||||||||||||||||||||||||||||||||||||||||||||||||||||||||||||||||||||||||||||||||||||||||||||||||||||||||||||||||||||||||||||||||||||||||||||||||||||||||||||||||||||||||||||||||||||||||||||||||||||||||||||||||||||||||||||||||||||||||||||||||||||||||||||||||||||||||||||||||||||||||||||||||
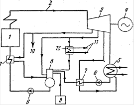
Содержание Введение 1. Обзор информационных источников и обоснование актуальности темы 2. Анализ физических основ процесса 3. Технические предложения по реконструкции системы теплоснабжения музея-заповедника "Витославицы" 4. Экономическая часть 5. Экология 6. Безопасность жизнедеятельности 7. Санитарно-гигиенические факторы условий труда 8. Характеристика помещений, зон 9. Разновидности опасных и вредных факторов 10. Возникновение пожара и взрыва Заключение Список литературы ВведениеВ настоящий момент в мире очень остро стоит проблема нехватки органического топлива и различные мнения на эту тему можно сейчас встретить не только в специализированных изданиях. Вот, например, одно из них. Из статьи "Термоядерный подарок Путину" [10]: "В 1968 году группа ученых под руководством итальянца Аурелио Печчеи собралась в старейшей из мировых академий - римской Academia dei Lincei. Они заявили о создании организации, получившей название Римского клуба. Цель клуба - изучение причин и поиск решения проблем планетарного масштаба. Клуб действует до сих пор. В его состав входят помимо ученых богатейшие люди планеты, а также представители ведущих держав мира. Естественно, с самого начала от СССР в этот клуб входили товарищи из ЦК КПСС, а ныне - господа от властных структур России. На одном из заседаний Римского клуба в 70-х годах прозвучал доклад, подготовленный учеными Э. фон Вайнцзеккером, А. и Х. Ловинс и названный весьма замысловато: "Фактор 4: в два раза больше богатства из половины ресурсов". Впервые открыто опубликованный в Германии лишь в сентябре 1995 года, впоследствии переведенный на десять языков (русского в этом списке нет), он произвел эффект разорвавшейся бомбы. Суть его сводится к констатации грустного факта: находящихся на планете источников энергии - угля, газа, нефти и урана - хватит до 2030 года. Вы спросите как так, ведь запасов угля на Земле на сотни лет?! Так ведь добывают в первую очередь те его пласты, которые залегают неглубоко. И с каждым годом шахты становятся всё глубже, а расходы на добычу - всё выше. Когда расходы уравниваются со стоимостью электроэнергии, получаемой на электростанциях при сжигании угля, шахты становятся нерентабельными и их закрывают. Глупо вкладывать в дело доллар, чтобы на выходе иметь 99 центов... Атомная энергетика не оправдала надежд. Как выяснилось, урана-235, служащего топливом для атомных электростанций, в природе не так уж и много: всего в мире 5% от общего количества химического топлива.2% из них приходится на Россию. Поэтому АЭС могут использоваться только во вспомогательных целях. Надеяться остается только на нефть и газ. Доклад сей впервые увидел свет в 1972 г. Ведущие экспортеры нефти (включая СССР) решили ограничить добычу черного золота, чтобы планета могла протянуть подольше. Цены на нефть, естественно, взлетели. И это явилось источником нынешнего благосостояния арабских стран и экономической подпоркой брежневской эпохи застоя. Застой и последовавшая за ним перестройка кончились тогда, когда СССР (а потом и Россия) потерял контроль за добычей и распределением арабской нефти. Достаточно вспомнить натовскую "Бурю в пустыне", что отрезала мир от иракской нефти и распростерла американский военный "зонтик" над другими странами Персидского залива. России тогда оставалось продавать свои запасы топливного сырья, в то время как США уже давно законсервировали нефтяные скважины на своей территории. Мир развивался (и развивается по сей день) в полном соответствии с расчетами Римского клуба, где говорится о наступлении эпохи "энергетических войн". Чтобы выжить, цивилизации придется пойти на "сокращение биоты" - всего живого, включающего в себя и человечество. Оставшиеся составят 10% населения и смогут поддерживать высокий уровень жизни за счет возобновляемых источников энергии и совершенствования высоких технологий. Остальные - просто балласт. Бред высоколобых? Но почему все это уже происходит в наиболее населенных странах, наиболее обедневших и потенциально богатых энергоресурсами - России в том числе? Несмотря на то, что 40% мировых запасов угля находится в нашей стране... Сейчас часть перспективных месторождений сознательно консервируется. Надо экономить энергоресурсы для будущего. Как пример - консервация воркутинского месторождения. Его залили водой, чтобы не тратиться на постоянную замену крепежа, - воду же можно откачать с использованием технологий, которые возникнут в будущем. Сам высококачественный уголь будет предназначаться для "лучших людей", что придут на смену вымершим аборигенам. О "конце света" до 2030 года через отечественную прессу предупреждал в 1996-м министр экологии России Данилов-Данильян. Видимо, министр ознакомился с грустными перспективами для России в юбилейной книге Римского клуба, вышедшей к 20-летию его основания и переведенной на русский язык. Но его "Не могу молчать!" осталось гласом вопиющего в пустыне. А на данный момент потребление энергоносителей в развитых странах все больше и больше возрастает. На первом месте здесь стоят США. Россия, хотя и претерпевает промышленный кризис, снизивший затраты энергии, тем не менее теряет свои энергоносители с бешеным ускорением, и прежде всего за счет экспорта…" Вот так. Может быть, авторы статьи слишком преувеличили масштабы данной проблемы, но доля правды во всем этом несомненно есть. С каждым годом запасы органического топлива на земле становятся все меньше, а потребность в электроэнергии и тепле неуклонно возрастает. Большинство развитых стран, чье энергопотребление достаточно высоко, стремится к вводу энергосберегающих технологий, но это сможет только отсрочить кризис на небольшое время. А электроэнергия и тепло в своем большинстве так и продолжает вырабатываться с помощью старых, неэкономичных, экологически небезопасных, но испытанных методов. 1. Обзор информационных источников и обоснование актуальности темыБольшинство зданий промышленного и коммунального назначения являются потребителями энергии в виде тепла. В масштабе РФ в настоящее время из всего объема вырабатываемой энергии 70 - 80% составляет тепловая. В перспективе ситуация вряд ли будет меняться, так как большая часть территории нашей страны лежит в умеренных и холодных широтах. Основным способом получения тепла является сжигание топлива с топках печей и котлов. Другие способы - превращение электроэнергии в тепло, использование солнечной энергии, тепла геотермальных источников, а также атомной энергии - пока играют незначительную роль в энергетическом балансе страны. Кроме того, не менее 80% всей электроэнергии в этом балансе вырабатывается на тепловых электрических станциях также за счет сжигания топлива и частичного превращения получаемого при этом тепла в механическую, а затем в электрическую энергию. При этом в электроэнергию переходит в лучшем случае 35 - 40% от всего тепла, выделившегося при сжигании топлива. При сжигании топлива теплоноситель получается в виде газов высоких температур - порядка 1000 - 1700° С. Транспорт газов таких температур на сколько-нибудь значительные расстояния, порядка десятков метров, сопряжен с большими потерями тепла, а также с рядом технических затруднений. Поэтому в тех случаях, когда требуется высокопотенциальное тепло, оно получается, как правило, за счет сжигания топлива в том же устройстве, в котором это тепло расходуется. Такими устройствами являются разнообразные по конструкции и назначению промышленные печи. Помимо сжигания топлива, в печах тепло иногда вырабатывается за счет прямого превращения в него электроэнергии. Источниками тепла для коммунального сектора, особенно в небольших городах, являются котельные с паровыми, или с водогрейными котлами, либо с теми и другими вместе. Более просты по схеме работы водогрейные котлы, в которых осуществляется только подогрев воды до заданной температуры. Более сложны, но и более универсальны паровые котлы, в которых осуществляется не только подогрев воды, но и процесс парообразования, а во многих случаях и перегрев получаемого насыщенного пара. Универсальность применения паровых котлов связана с тем, что вырабатываемый ими пар может быть использован для выработки электроэнергии в паровых турбинах, для подогрева воды, подаваемой в водяные тепловые сети или непосредственно для подачи в паровые сети. Принципиальная тепловая схема водогрейной котельной приведена на рисунке 1.
Рисунок 1 - Принципиальная тепловая схема водогрейной котельной: 1 - сетевые насосы; 2 - водогрейные котлы; 3 - рециркуляционные насосы; 4 - подогреватель химочищенной воды; 5 - подогреватель сырой воды; 6 - вакуумный деаэратор; 7 - подпиточные насосы; 8 - баки-аккумуляторы подпиточной воды; 9 - насос сырой воды; 10 - фильтры химводоочистки; 11 - охладитель выпара; 12 - водоструйный эжектор; 13 - расходный бак эжекторной установки; 14 - насос подачи воды к эжектору; 15 - нагревательные приборы собственных нужд котельной. Большую часть тепловых нагрузок покрывают тепловые электростанции, на которых вырабатывается и основная доля электроэнергии. Тепловые станции используют энергию, получаемую при сжигании органического топлива: угля, остатков нефтепереработки, естественного газа, торфа, горючих сланцев. Крупные тепловые электростанции являются паротурбинными установками, основными агрегатами которых являются парогенератор и паровая турбина с электрогенератором. Паротурбинные установки большой мощности требуют умеренных начальных капиталовложений, небольшое количество обслуживающего персонала (1 чел. на 2 - 5 МВт) и могут использовать, если это выгодно, низкокачественное топливо с высокой влажностью и зольностью.
Рисунок 2 - Принципиальная схема конденсационной электростанции (КЭС).: 1 - котлоагрегат; 2 - паропровод; 3 - паровая турбина; 4 - промежуточный пароперегреватель; 5 - турбоэлектрогенератор; 6 - конденсатор; 7 - насосы; 8 - регенеративные подогреватели; 9 - деаэратор; 10 - водоподготовительная установка. Все это обеспечивает паротурбинным установкам преобладающую роль в мощной стационарной энергетике. Паротурбинные электростанции разделяются на два основных класса: конденсационные (КЭС) и теплофикационные (ТЭЦ). Принципиальная схема конденсационной и электрической станции (КЭС) - установки, вырабатывающей только электроэнергию, показана на рисунке 2. Теплоэлектроцентраль (ТЭЦ) вырабатывает не только электроэнергию, но и низкопотенциальное тепло в виде пара низкого давления или горячей воды. Пар обычно используется для заводских технологических целей, а горячая вода - для отопления и бытовых потребностей. Принципиальная схема ТЭЦ приведена на рисунке 3.
Рисунок 3 - Принципиальная схема теплоэлектроцентрали (ТЭЦ): 1 - котлоагрегат; 2 - паропровод; 3 - паровая турбина; 4 - турбоэлектрогенератор; 5 - конденсатор; 6 - насосы; 7 - регенеративные подогреватели; 8 - деаэратор; 9 - водоподготовительная установка; 10 - отбор пара на производство; 11 - сетевая вода; 12 - подогреватель сетевой воды. Схема ТЭЦ отличается от схемы КЭС наличием отборов пара из турбины не только для подогрева питательной воды, но и для отпуска пара потребителю и для подогрева циркулирующей по отопительным (теплофикационным) сетям города воды (так называемой сетевой воды). Конденсат подогревателей сетевой воды возвращается в котлоагрегат, но конденсат пара, отданного на производство, частично не возвращается. Поэтому на ТЭЦ водоподготовительная установка должна иметь производительность, достаточную для покрытия всех потерь конденсата (до 30 - 50% и более от расхода пара). При отпуске тепла от электростанций с газовыми турбинами (рис.4) требуются газоводяные подогреватели, а при отпуске его от электростанций с двигателями внутреннего сгорания - котлы-утилизаторы, использующие тепло охлаждающей воды рубашек и выхлопных газов от двигателей. Аналогичные котлы-утилизаторы иногда обогреваются отходящими газами печей при их достаточно высокой температуре. Такое использование теплоносителя, обычно газов, уже полезно отдавших часть своего тепла в зоне высоких или средних температур, для последующего получения теплоносителя низких температур может дать существенную экономию топлива, а потому оно нередко применяется в тепловом хозяйстве промышленных предприятий.
Рисунок 4 - Схема газотурбинной установки: 1 - насос; 2 - компрессор; 3 - камера сгорания; 4 - турбина; 5 - электрогенератор. Однако использование этих, как их называют - вторичных тепловых ресурсов играет подсобную роль, обеспечивая экономию топлива при их использовании совместно с основными источниками теплоснабжения - котельными или ТЭЦ. Аналогично этому сравнительно небольшая электрическая мощность электростанций с газовыми турбинами или двигателями внутреннего сгорания ограничивает возможности их использования в качестве основных источников теплоснабжения для крупных систем. Более перспективны так называемые парогазовые ТЭЦ, на которых установлены газовые и паровые турбины, работающие в общем цикле (рис.5).
Рисунок 5 - Принципиальная схема парогазовой установки ПГУ-200-130: 1 - компрессор; 2 - газовая турбина; 3, 15 - электрогенераторы; 4 - экономайзер первой ступени; 5 - экономайзер второй ступени; 6 - экономайзер третьей ступени; 7, 12 - подогреватели низкого давления; 8 - питательный насос; 9 - подогреватель высокого давления; 10 - парогенератор; 11 - деаэратор; 13 - насос; 14 - конденсатор; 16 - паровая турбина. По прогнозу, опубликованному World Coal Institute, при сегодняшних темпах добычи ископаемого топлива доказанных мировых запасов нефти хватит всего на 45 лет, природного газа - на 65 лет, угля - более чем на 200 лет. Для России характерно примерно такое же соотношение. Поэтому основную долю в структуре энергетических мощностей России на ближайшую перспективу будут составлять угольные тепловые электрические станции (ТЭС), дающие наибольшее количество вредных выбросов. Известно, что на каждую 1000 МВт • ч произведенной электрической энергии на традиционных ТЭС вредные выбросы составляют: SO2 - 31,8 т; NOX - 3,0 т; СО2 - 870 т. При этом в отвал идет 73 т золы и шлака, сбрасывается (6 - 8) • 106 МДж теплоты и потребляется 633 т атмосферного кислорода. Проектируемые в последние годы в России ТЭС с серо - и азотоочисткой позволят снизить выбросы оксидов серы на 95%, оксидов азота - на 80%. Однако, использование дополнительного газоочистного оборудования увеличивает на 30 - 50% капитальные вложения на сооружение ТЭС, а затраты энергии на собственные нужды - с 5 - 7 до 12 - 15%. К тому же резко возрастают расходы воды, площади земель, отчуждаемых под ТЭС, дополнительные эксплуатационные затраты на дорогостоящие реагенты, катализаторы и пр. Все это вместе приводит к существенному увеличению сроков окупаемости капитальных вложений на сооружение новых ТЭС. К тому же используемые методы очистки не исключают полностью вредных выбросов ТЭС и ведут даже к некоторому увеличению количества сбросного тепла и выбросов СО2 . Стоимость установленного киловатта на вновь проектируемых пылеугольных ТЭС, с учетом использования природоохранных технологий и ограничения мощности для уменьшения воздействия на окружающую среду, резко возросла. Так, если стоимость установленного киловатта на Березовской ГРЭС-1 мощностью 6400 МВт, проект которой был выполнен в 1989 г., составляла 345 долл. США, то стоимость установленного киловатта на проектируемой в настоящее время новой Ростовской ГРЭС мощностью 1280 МВт с котлами ЦКС превышает 1000 долл. США. Для станций же мощностью 120 МВт на отвальной породе (также с котлами ЦКС) стоимость установленного киловатта в настоящее время достигает 2000 долл. США. Наиболее крупным, проверенным на практике и имеющим минимальный срок окупаемости является проект установки электрогенерирующих комплексов с противодавленческими турбинами вместо дроссельно-регулирующих устройств. Энергоблоки единичной мощностью от 0,5 до 25 МВт могут устанавливаться на предприятиях РАО "ЕЭС России", в нефтяной и газовой отраслях, металлургии и пищевой промышленности, в жилищно-коммунальном хозяйстве. Производителями энергетического оборудования для этой технологии являются российские конверсионные предприятия: ОАО "Калужский турбинный завод", ОАО "Пролетарский завод", ОАО "Электросила", ОАО "Привод", ОАО "Сафоновский машиностроительный завод", электротехнические и металлургические заводы. Общий потенциал использования подобной технологии, по оценке, составляет 15-17 млн кВт. Стоимость 1 кВт установленной мощности уменьшается с 450 долл. США для энергокомплекса мощностью 0,5 МВт до 250 долл. для энергокомплексов мощностью более 6 МВт. Количество топлива для выработки 1 кВт-ч составляет 140-150 г у. т., срок окупаемости проекта для отдельной установки находится в пределах 1-2 лет. Ежегодный выпуск энергооборудования в России может быть доведен до 400-500 МВт в год. Аналогичной по экономическим показателям является технология производства электроэнергии с установкой в качестве привода электрогенератора газовой турбины перед имеющимся паровым или водогрейным котлом. В этом случае котлы будут работать с использованием тепла продуктов сгорания, выходящих из газовых турбин. Однако в настоящее время в нашей стране отсутствует серийное производство стационарных высокоэффективных газовых турбин для привода генератора. Несмотря на то что на территории России создаются или уже созданы совместные предприятия с западными фирмами АВВ, "Сименс", "Дженерал электрик", трудно ожидать быстрого развития этого направления в течение ближайших лет, так как для этого потребуются опытно-промышленные испытания этой технологии. В другом крупном проекте внедрения бестопливных технологий в РАО "Газпром" предусмотрена установка блочных электрогенерирующих комплексов единичной мощностью 6-7 МВт с конденсационными турбинами на газокомпрессорных станциях магистральных трубопроводов. В качестве тепла предлагается использовать энергию отработавших в газовой турбине компрессора продуктов сгорания с температурой более 350 °С. Общий потенциал энергосбережений на компрессорных станциях ориентировочно составляет 4-5 млн кВт. Экономия топлива достигнет 8 млн т у. т. в год. Стоимость 1 кВт установленной мощности - 700 долл. США, срок окупаемости проекта для РАО "Газпром" - 2 года. Для широкого внедрения технологии необходимо завершить изготовление опытного образца и провести испытания на ГКС "Чаплыгин" ГП "Мострансгаз". Прошли первые опытно-промышленные испытания энергосберегающей технологии производства электроэнергии с использованием в качестве привода электрогенератора двух газорасширительных турбин мощностью по 5 МВт, созданных АО "Криокор" и работающих на перепаде давления природного газа. Общий потенциал перепада давлений, по оценке ЭНИНа, составляет 3000 МВт. В то же время следует заметить, что за последние 5 лет не введено дополнительно ни одного энергоблока такого типа. Ожидать существенного изменения темпа внедрения этой технологии при отсутствии конкретных организационных мероприятий не следует. Сооружение крупных гидроэлектростанций требует меньших удельных капитальных вложений, но сопряжено с изъятием больших площадей под водохранилища. При этом нарушается экологический баланс в районе их возведения и затрудняется миграция рыбы вдоль русел рек, перегораживаемых плотинами ГЭС. Следует отметить, что в настоящее время в Российской Федерации практически исчерпан гидропотенциал всех больших рек, поэтому в дальнейшем можно рассчитывать, в основном, только на создание мини - и микроГЭС. Развитие атомной энергетики, доля которой в РФ за последнее пятилетие составила только 12,3% по вырабатываемой энергии, в настоящее время затруднено, поскольку имеются сложности в реализации всех этапов ядерного цикла: от разработки урановых месторождений, обогащения и металлургического передела сырья до ликвидации АЭС, транспортирования и захоронения отходов. Затраты на ликвидацию блоков АЭС, отработавших свой ресурс, сопоставимы с затратами на их возведение. Одна лишь выгрузка тепловыделяющих элементов (ТВЭЛ) из ядерного реактора занимает примерно год. Для разборки как самих реакторов, так и вспомогательного облученного оборудования требуется применение специальных дистанционно управляемых механизмов. Поэтому, например, на АЭС "Шенон" во Франции на разборку первого энергоблока было затрачено 6 лет. После Чернобыльской аварии общественное мнение в России настроено против сооружения новых АЭС, несмотря на большие работы, проводимые по созданию нового поколения ядерных реакторов повышенной безопасности. Не убеждает и идея подземного размещения АЭС, так как детальный анализ показывает, что и подземные АЭС опасны не менее наземных. АЭС повышенной безопасности за весь свой срок службы едва ли смогут окупить всю сумму затрат на создание нового оборудования, строительство станций, их эксплуатацию, включая приготовление и доставку ядерного топлива, последующую ликвидацию ядерных энергоблоков, транспортирование и захоронение отходов и их гарантированное хранение в течение не менее 24 тыс. лет. Да и ядерного топлива в России осталось не так уж много, поэтому строительство новых АЭС в стране весьма проблематично. В последние годы значительно возрос интерес к использованию нетрадиционных возобновляемых источников энергии (НВИЭ). Это экологически чистые способы получения энергии, не требующие затрат органического топлива, но вместе с тем жесткая территориальная привязка значительно ограничивает масштабы их применения. Солнечная энергетика. В России сооружение солнечных электрических станций (СЭС) с термодинамическим циклом или с прямым преобразованием солнечной энергии в электрическую возможно на Северном Кавказе (Ставропольский и Краснодарский края. Ростовская область), на Нижнем Поволжье, в прикаспийских районах, в южных районах Сибири, на Дальнем Востоке. Эти области располагаются на широтах от 42 до 50°. Здесь максимальная интенсивность суммарного (прямого и рассеянного) солнечного излучения при ясном небе составляет 950 - 1000 Вт/м2 . Однако продолжительность солнечного сияния не превышает 2000 - 2300 ч/год, и суммарная солнечная радиация на поверхность земли составляет 1100 - 1300 кВт ч/(м2 год), что в 1,5 - 2 раза меньше, чем в Италии, Испании, Японии, южных штатах США. В связи с этим для создания рентабельных СЭС в России требуется тщательный сравнительный анализ возможных условий и технических решений, используемых при проектировании этих станций. Особенно это относится к модульным термодинамическим СЭС с использованием концентраторов солнечного излучения для обеспечения высоких температур теплоносителя и к башенным СЭС. Как показал опыт создания и эксплуатации башенных СЭС во многих странах, в том числе и в бывшем СССР (Крымская СЭС - 5 МВт), затраты на их сооружение не оправдываются. Солнечные электростанции прямого преобразования с использованием кремниевых фотоэлектрических преобразователей (ФЭП) солнечного излучения в электрическую энергию могут при определенных условиях обеспечить коммерческую эффективность в южных регионах России при сроках возврата инвестируемого капитала до 15 лет. Более эффективно сооружение СЭС в странах Закавказья и среднеазиатского региона. В соответствии с предварительной оценкой, выполненной генеральными проектировщиками солнечных станций - Узбекским и Ростовским институтами "Теплоэлектропроект", в странах СНГ технически возможно и экономически целесообразно сооружение до 2010 г. около 100 солнечных электростанций общей установленной мощностью до 3000 МВт, в том числе, в России до 18 СЭС суммарной мощностью 550 МВт. Ветроэнергетика. В России и странах СНГ с середины 80-х годов начали проводиться интенсивные разработки в области создания ветро-электроустановок и ветроэлектростанций различной мощности. В США эксплуатируются более 30000 ВЭУ. Мощность одной только ВЭС "Altamont Pass" (штат Калифорния) составляет более 1000 МВт. Германия успешно лидирует в Европе в использовании энергии ветра (около 2000 МВт), опережая Данию и Голландию. Годовые затраты на производство ВЭУ в Германии превышают 1 млрд марок (более 500 МВт). Ветроэнергетика обеспечивает в этой стране более 10 тыс. рабочих мест. В Дании к 2010 г. планируется доведение мощности действующих ВЭУ до 1700 - 2500 МВт. Ежегодный ввод ВЭУ в эксплуатацию составляет 20 - 50 МВт. Помимо этого, Дания экспортирует до 3000 ВЭУ в год на общую мощность до 230 МВт. Ветроэнергетика в Дании обеспечивает 8500 рабочих мест и еще 4000 рабочих мест в кооперирующихся с ней странах. В Польше планируется сооружение ВЭУ суммарной мощностью около 1000 МВт. Предполагается использовать, в основном, датские ветроагрегаты на 100, 750 и 1000 кВт. Большие программы развития ветроэнергетики реализуются в Индии и Китае. Общая мощность действующих, сооружаемых и планируемых к вводу в России ВЭУ и ВЭС составляет 200 МВт. Отдельные ветроагрегаты, изготавливаемые российскими предприятиями, имеют мощность от 0,04 до 1000,00 кВт. В настоящее время действует около 1500 отдельных ветроагрегатов мощностью 0,1 - 16 кВт, один ветроагрегат на 1000 кВт в Калмыкии, Воркутинская ВЭС 1500 кВт и Ростовская ВЭС - 300 кВт, установка 600 кВт в Калининградской области и две по 270 кВт на Камчатке, что естественно не отвечает потребностям страны. Геотермальная энергетика. В настоящее время в мире общая мощность геотермальных электростанций превышает 6000 МВт, в том числе по странам: США - 2700 МВт, Филиппины - 900 МВт, Мексика - 600 МВт, Македония - 220 МВт, Германия - 20 МВт, Россия - 20 МВт. В Исландии создана двухконтурная система геотермального теплоснабжения г. Рейкьявика производительностью 10 тыс. м3 /ч со сбросом отработанных вод из первичного контура в море (рисунок 6а).
а) б) в) Рисунок 6 - Принципиальные тепловые схемы использования термальных вод: а - для мягких и щелочных вод; б - для вод, содержащих умеренное количество газов, слабонасыщенных и среднеминерализованных; в - для вод средненасыщенных газом и высокоминерализованных. 1 - скважина; 2, 9 - насосы; 3 - бак-аккумулятор; 4 - деаэратор; 5 - вакуум-насос; 6а - потребитель; 7, 8 - теплообменники; 10 - химводоочистка; 11 - подпиточный насос. Разворачиваются работы по использованию геотермальной энергии в Турции. Потенциал геотермальных ресурсов в этой стране определен в размере 31500 МВт. Из европейских стран наибольшую активность в использовании геотермальной энергии проявляет Германия. Успехи в этой области есть и в России. Еще в 1967 г. на Камчатке была построена Паужетская ГеоТЭС мощностью 11,5 МВт. В 1967 г. была введена в действие Паратунская ГеоТЭС - первая в мире с бинарным циклом Ренкина. В настоящее время строятся Мутновская и Верхне-Мутновская ГеоТЭС с отечественным оборудованием, изготовленным Калужским турбинным заводом, который приступил также к серийному выпуску модульных блоков для геотермального электро- и теплоснабжения на Камчатке и Сахалине. Геотермальные источники с достаточно большим энергетическим потенциалом имеются на Северном Кавказе. Разработку проекта экспериментальной Ставропольской ГеоТЭС мощностью 2 МВт для этого района выполнил "Ростовтеплоэлектропроект". Вместе с тем следует отметить, что удельные капитальные вложения в создание ГеоТЭС еще достаточно велики. По оценке Европейской Экономической комиссии ООН они в настоящее время составляют 1440 - 1720 долл. /кВт и, очевидно, сохранятся на этом уровне до 2010 г. Определенные успехи имеются в России, и во всем мире в использовании энергии течений и волн, приливов и отливов, биомассы, источников низкопотенциального тепла, разности температур слоев морской и океанской воды и т.п. Уже много лет на Кольском полуострове действует приливная электростанция на 450 кВт. Целый ряд биогазовых установок работает на сельскохозяйственных фермах. Серийно выпускаются тепловые насосы мощностью от 10 до 2000 кВт с коэффициентом преобразования электрической энергии в тепловую не менее 3. Начал действовать комплекс по использованию низкопотенциального тепла на Курской АЭС. Разработаны конструкции газогенераторов для газификации отходов древесины. Но целый ряд проблем сдерживает дальнейшее развитие НВИЭ в России. Это и относительно высокая стоимость специального оборудования, и отсутствие поддержки как на государственном, так и на региональном уровнях в виде дотаций или беспроцентных кредитов внедряющим организациям, как это делается в странах Запада, и отсутствие законодательных актов и норм на льготы при использовании экологически чистых возобновляемых источников энергии и т.д. Ориентировочный анализ производства энергооборудования для энергосберегающих и нетрадиционных технологий, которое может быть изготовлено и введено в эксплуатацию в энергетике в рамках энергосберегающего направления при наличии финансовой поддержки со стороны государства и крупных инвесторов, показал, что в течение 2001-2005 гг. может быть введено 3000-3500 МВт. Это позволит обеспечить экономию органического топлива в размере 4,5-5 млн. т у. т. в год. Но до сих пор в мире, а в России особенно, продолжают внедряться малоэффективные технологии производства электроэнергии и тепла, связанные с большим расходом топлива. Неуклонно продолжает расти и население нашей планеты. Его потребности в тепле и электрической энергии становятся все выше и выше а органического топлива на удовлетворение этих потребностей - все меньше и меньше. И уже совсем не далек рубеж, когда не потребность человечества в электричестве и тепле будет определять количество их выработки. И если человечество хочет жить и развиваться дальше, ему необходим принципиально новый, альтернативный источник энергии. И вот в этой ситуации появляется устройство, которое может согревать воду в батареях водяного отопления без сжигания топлива - теплогенератор фирмы "Юсмар" изобретателя Юрия Семеновича Потапова (патент 2045715). 2. Анализ физических основ процесса
Рисунок 7 - Вихревая труба Ранке: 1 - цилиндрическая труба; 2 - улитка; 3 - диафрагма; 4 - регулировочный конус. Теплогенератор Потапова очень похож на вихревую трубу Ж. Ранке, изобретенную этим французским инженером еще в конце 20-х годов XX века (патент США №1952281). В вихревой трубе Ранке, схема которой приведена на рисунке 7, цилиндрическая труба 1 присоединена одним концом к улитке 2, которая заканчивается сопловым вводом прямоугольного сечения, обеспечивающим подачу сжатого рабочего газа в трубу по касательной к окружности её внутренней поверхности. С другого торца улитка закрыта диафрагмой 3 с отверстием в центре, диаметр которого существенно меньше внутреннего диметра трубы 1. Через это отверстие из трубы 1 выходит холодный поток газа, разделяющегося при его вихревом движении в трубе 1 на холодную (центральную) и горячую (периферийную) части. Горячая часть потока, прилегающая к внутренней поверхности трубы 1, вращаясь, движется к дальнему концу трубы 1 и выходит из неё через кольцевой зазор между её краем и регулировочным конусом 4. Законченной и непротиворечивой теории вихревой трубы до сих пор не существует, несмотря на простоту этого устройства. "На пальцах" же объясняют, что при раскручивании газа в вихревой трубе он под действием центробежных сил сжимается у стенок трубы, в результате чего нагревается тут, как нагревается при сжатии в компрессоре. А в осевой зоне трубы, наоборот, газ испытывает разрежение, и тут он охлаждается, расширяясь. Выводя газ из пристеночной зоны через одно отверстие, а из осевой - через другое, и достигают разделения исходного потока газа на горячий и холодный потоки. Жидкости, в отличие от газов, практически не сжимаемы, но Юрий Семенович Потапов попробовал запустить в трубу воду. "К его удивлению, вода в вихревой трубе разделилась "на два потока, имеющих разные температуры. Но не на горячий и холодный, а на горячий и тёплый. Ибо температура "холодного" потока оказалась чуть выше, чем температура исходной воды, подаваемой насосом в вихревую трубу. Тщательная же калориметрия показала, что тепловой энергии такое устройство вырабатывает больше, чем потребляет электрической двигатель насоса, подающего воду в вихревую трубу. Так родился теплогенератор Потапова" [5]. Во многих встреченных мною на эту тему газетных и журнальных публикациях говорится не просто о высокой эффективности теплогенератора Потапова, а о КПД больше 100% (160, 300% и др.). С этим, конечно, трудно согласится. Скорее всего, речь надо вести о коэффициенте трансформации - характеристике теплового насоса. Тепловой насос - установка, в которой производится отвод энергии от объектов с низкой температурой Тн (примерно равной температуре окружающей среды), к объектом с более высокой температурой Тв (больше температуры окружающей среды). Эффективность теплового насоса определяется количеством теплоты, подведенной к объекту с температурой Тв : q0 = Tн · ∆s, где ∆s - разность энтропий в процессах подвода или отвода теплоты. Теоретическая основа трансформаторов теплоты связана с использованием обратного термодинамического цикла. На рисунке 8 показан такой цикл для теплонасосной установки.
Рисунок 8 - Идеальный обратный обратимый цикл теплонасосной установки. При этом принято, что все процессы, составляющие цикл - идеальные, то есть в данном случае рассматривается идеальный обратный обратимый цикл Карно. Принцип работы трансформатора теплоты обобщенно может быть представлен следующей последовательностью процессов. В процессе 1-2 осуществляется адиабатное повышение давления рабочего тела с помощью подвода работы извне. Далее необходим отвод теплоты на температурном уровне Тв (процесс 2-3-охлаждение или конденсация рабочего тела). В процессе 3-4 происходит адиабатное расширение в определенном диапазоне давлений, и, наконец, цикл замыкается процессом 4-1, в котором к рабочему телу подводится теплота на нижнем температурном уровне Тн . В качестве показателя эффективности теплового насоса используют соотношение: называемое коэффициентом трансформации. Этот коэффициент не может быть назван КПД установки, так как не удовлетворяет требованиям, предъявляемым к этому критерию (в частности, он может иметь численное значение больше единицы, что противоречит второму закону термодинамики). В формуле сопоставляются качественно различные виды энергии - теплота и работа. Известно, что качество вида энергии определяется его способностью превращаться в другой вид энергии. Если работа в идеальном процессе может быть полностью превращена в другой вид энергии, то теплота даже в идеальном процессе лишь частично превращается, например, в работу. Вот об этом коэффициенте трансформации скорее всего и следует вести речь, говоря о теплогенераторе Потапова. Именно он равен 160%. Леонид Павлович Фоминский, украинский ученый и изобретатель, сотрудничающий с Потаповым, пытаясь объяснить в [5] работу теплогенератора "Юсмар", подтверждает эту версию: "Правильнее говорить об эффективности теплогенератора - отношении величины вырабатываемой им тепловой энергии к величине потреблённой им для этого извне электрической или механической энергии" - пишет он. И именно тепловой насос назван в [6] Потаповым в качестве прототипа своего изобретения, однако данное устройство не является тепловым насосом в чистом виде, так как тут отсутствует “передача" теплоты от менее нагретого к более нагретому телу через фазовый переход промежуточного теплоносителя. Теплогенератор Потапова, схема которого приведена на рисунке 9 присоединяют инжекционным патрубком 1 к фланцу центробежного насоса (на рисунке 3.3 не показан), подающего воду под давлением 4-6 атм. Попадая в улитку 2, поток воды сам закручивается в вихревом движении и поступает в вихревую трубу 3, длина которой раз в 10 больше ее диаметра. Закрученный вихревой поток в трубе 3 перемещается по винтовой спирали у стенок трубы к ее противоположному (горячему) концу, заканчивающемуся донышком 4 с отверстием в его центре для выхода горячего потока. Перед донышком 4 закреплено тормозное устройство 5 - спрямитель потока, выполненный в виде нескольких плоских пластин, радиально приваренных к центральной втулке, соосной с трубой 3. В виде сверху он напоминает оперение авиабомбы или мины. Когда вихревой поток в трубе 3 движется к этому спрямителю 5, в осевой зоне трубы 3 рождается противоток. В нём вода, тоже вращаясь, движется к штуцеру 6, врезанному в плоскую стенку улитки 2 соосно с трубой 3 и предназначенному для выпуска "холодного" потока.
Рисунок 9 - Схема вихревого теплогенератора: 1 - патрубок; 2 - улитка; 3 - вихревая труба; 4 - донышко; 5,7 - тормозное устройство; 6 - штуцер; 8 - байпас; 9 - патрубок. В штуцере 6 установлен ещё один спрямитель потока 7, аналогичный тормозному устройству 5. Он служит для частичного превращения энергии вращения "холодного" потока в тепло. А выходящая из него тёплая вода направляется по байпасу 8 в патрубок 9 горячего выхода, где она смешивается с горячим потоком, выходящим из вихревой трубы через спрямитель 5. Из патрубка 9 нагретая вода поступает либо непосредственно к потребителю, либо в теплообменник, передающий тепло в контур потребителя. В последнем случае отработанная вода первичного контура (уже с меньшей температурой) возвращается в насос, который вновь подаёт её в вихревую трубу. Хотя теплогенератор был изобретен и поставлен на производство уже почти десять лет назад, это загадочное устройство до сих пор осталось не объясненным теоретиками официальной академической науки. По мере работы над данным дипломом у меня появлялись различные версии происходящих в теплогенераторе "Юсмар" процессов. На начальном этапе знакомства с установкой Потапова (он происходил благодаря всевозможным газетным, журнальным публикациям и патенту на изобретение теплогенератора №2045715), часто возникали мысли о том, что это все просто шарлатанство. Постоянные упоминания о КПД равном 160% и никаких конкретных научных обоснований этого - вот что было во встреченных материалах. Не было там (ни в патенте ни в статьях) даже габаритных размеров установки. При посещении чудовского завода "Энергомаш", имеющего лицензию на выпуск теплогенераторов "Юсмар", мне сообщили, что экспериментальная установка, которую завод купил у Потапова, в данный момент не работает, а когда работала ее КПД был ниже 100% (96 - 98%). Представители "Энергомаша" сообщали о данном результате Потапову и приглашали его приехать, но Юрий Семенович отказался, а на низкий КПД ответил что неправильно собрали установку. Все это наталкивало на мысли о жульничестве, но высокие научные звания изобретателя - доктор технических наук, профессор и академик РАЕН, не позволяли окончательно остановится на этой версии. А "Энергомаш", действительно, впоследствии стал выпускать модернизированную установку теплогенератора (с КПД около 100%), которая внешне (по габаритам) сильно отличается от исходной. Скорее всего, их новое устройство представляет собой ни что иное как сложное "гидравлическое сопротивление". Оно создает препятствие движению потока в виде совокупности местных гидравлических сопротивлений, обеспечивающих повышенное гидравлическое трение. При прохождении потока через спиральный канал малого сечения его скорость значительно возрастает. При этом гидромеханическая энергия давления (потенциальная) превращается в кинетическую, сопровождаясь тепловыми потерями. В вихре цилиндрической части, ввиду больших скоростей, сопротивление трения еще больше возрастает, что и приводит к превращению кинетической энергии в тепловую, то есть к приросту температуры. Аналогичный процесс разогрева жидкости наблюдается в любой гидросистеме работающей под давлением (гидропривод), но там это явление негативное (иное назначение системы) и его всячески стараются уменьшить. Здесь же наоборот - акцент ставится именно на разогрев жидкости, поэтому в конструкции теплогенератора и имеются различные тормозные устройства. Таким образом можно сделать вывод, что вся энергия, поданная на вал насоса благодаря повышенному гидравлическому трению конструкции превращается в тепло. Вода, постоянно циркулируя, проходя малый контур (теплогенератор - насос - теплогенератор) или непосредственно возвращаясь в теплогенератор по перепускному патрубку, многократно преодолевая гидравлические сопротивления нагревается до необходимой температуры и только после этого подается потребителю. Но таким способом высокой эффективности (коэффициент трансформации φ = 1,6) теплогенератора не получить. Необходимо искать другие версии происходящих в установке "Юсмар" процессов. В разговоре чудовцы не раз упоминали о сильном шуме, издаваемом теплогенератором Потапова при работе. А что, если причиной этого шума является кавитация? Тогда многое может изменится и высокая эффективность установки "Юсмар" становится вполне реальной. Кавитацией называется явление парообразования и выделения воздуха, обусловленное понижением давления в жидкости. Появлению кавитации способствует растворенный в воде воздух, который выделяется при уменьшении давления. Теоретически жидкость начинает кипеть, когда давление в некоторых участках потока снижается до давления ее насыщенных паров. В действительности давление, при котором начинается кавитация, существенно зависит от физического состояния жидкости. Если жидкость содержит большое количество растворенного воздуха, то уменьшение давления приводит к выделению воздуха из жидкости и образованию газовых полостей (каверн), в которых давление выше, чем давление насыщенных паров жидкости. При наличии в жидкости микроскопических, не видимых глазом пузырьков кавитация может возникать при давлениях, превышающих давление насыщенного пара. Каждый навигационный пузырек, формируясь из ядра, растет до конечных размеров, после чего охлопывается. Весь процесс происходит в течение нескольких миллисекунд. Пузырьки могут появляться друг за другом настолько быстро, что кажутся одной каверной. Наличие в жидкости ядер в виде микроскопических пузырьков трудно объяснить теоретически. С одной стороны, силы поверхностного натяжения должны привести к схлопыванию мелких газовых пузырьков. С другой стороны, более крупные видимые глазом пузырьки должны всплывать и удаляться из жидкости через ее свободную поверхность. Для объяснения присутствия в жидкости газовых пузырьков предлагались различные гипотезы. В частности, предполагалось, что мелкие пузырьки могут образовываться; в мельчайших трещинах на поверхностях, ограничивающих жидкость. Это до некоторой степени подтверждается тем фактом, что кавитация обычно начинается вблизи (или на) таких границах. Однако кавитация может возникать и вдали от ограничивающей стенки, например в центре вихря или в ультразвуковом поле. Если твердые частицы взвешены в жидкости, то гипотеза "поверхностных трещин" по-прежнему подтверждается: только теперь уже роль стенок, где образуются ядра кавитации, выполняют примесные частицы. Кавитация сопровождается и другими физическим явлениями. Так, в момент схлопывания наблюдается слабое свечение пузырька, называемое сонолюминисценцией. Ранее предполагалось, что оно вызвано рекомбинацией свободных ионов, появившихся в результате тепловой или механической диссоциации молекул на поверхности пузырька. Но Джермен убедительно доказал, что причиной этого свечения является нагревание газа в пузырьке, обусловленное высокими давлениями при его схлопывании. Вспышка может длиться от 1 /20 до 1 /1000 с. Интенсивность света зависит от количества газа в пузырьке: если газ в пузырьке отсутствует, свечения не возникает. При схлопывании пузырька внутри него возникают высокие давления и температуры. Предполагалось, что температура окружающей пузырек жидкости весьма высока и составляет около 10000°С.Л. Уилер установил что в материале вблизи схлопывающегося пузырька температура повышается на 500 - 800°С. Схлопывание пузырька происходит в течение милли - или даже микросекунд. Гаррисон показал, что возникающие ударные волны могут привести к высоким перепадам давления (до 4000 атм) в окружающей пузырек жидкости. Кавитация может возникать под действием звуковых волн - ультрозвуковая кавитация. Она широко применяется в некоторых производственных процессах, например для ускорения химических реакций, очистки, дегазации жидкости, эмульгирования. Во всех этих случаях воздействие ультразвуковой кавитации обусловлено в основном одним или двумя эффектами, создаваемыми ею. Резонирующие пузырьки действуют как смеситель, увеличивая площадь контакта между двумя жидкостями или между жидкостью и ограничивающей ее поверхностью. Этим путем осуществляются процессы очистки и эмульгирования трудно смешиваемых жидкостей. Ультразвуковая кавитация находит широкое применение для возбуждения химических реакций, которые в противном случае не идут, особенно это относится к реакциям, протекающим в водной среде. Существует большое число химических реакций, которые начинаются или ускоряются под действием ультразвуковой кавитации. Например, если воздействовать ультразвуковыми волнами высокой интенсивности на растворы полимеров, то их вязкость уменьшается вследствие разрушения химических связей в цепочке полимеров. А почему бы нечто подобному не происходить и в теплогенераторе Потапова. Жидкость под давлением попадает в улитку через узкое выходное отверстие инжекционного патрубка. Здесь, согласно уравнению Бернулли и закона постоянства расхода:
скорость потока значительно возрастает, но одновременно падает его давление. При таких условиях вполне возможно появление кавитации. Предположим, что в улитку врывается уже не вода а пар. Температура этих паров будет ниже температуры исходной воды, так как часть тепла ушла на ее испарение. Давление паров в циклоне оказывается намного меньше давления жидкости в выходном патрубке, поэтому последняя по перепускному патрубку подсасывается обратно в трубу. Подсасываемая жидкость, температура которой достаточно высока, отдает часть своего тепла холодному пару. Далее, попав в цилиндрическую часть корпуса теплогенератора, парожидкостная смесь разделяется под действием центробежных сил: вода оттесняется к стенкам установки, а пар занимает центральную ее область. Благодаря трению о стенки, вращающиеся в корпусе теплогенератора вода, а от нее и пар, постепенно нагреваются. При ударе о тормозное устройство давление в жидкости и паре резко возрастает, что приводит к конденсации ранее испаренной воды. Выделившаяся теплота конденсации идет на увеличение температуры водяного потока. В теплоту превращается и часть кинетической энергии вращающейся воды. Химический состав водопроводной воды, подаваемой в теплогенератор, довольно разнообразен. Вполне возможно, что в ней найдутся компоненты, которые никак не взаимодействуя между собой при обычных условиях, вступят в реакцию в условиях кавитации. Ведь как уже говорилось в кавитационном пузырьке при его схлопывании возникают значительные давления и температуры. Можно допустить и то, что среди этих реакций могут оказаться и те, которые пойдут с выделением теплоты, а теплота химических реакций зачастую на порядки больше скрытой теплоты фазовых переходов. Знакомство с монографией профессора Л.П. Фоминского "Как работает вихревой теплогенератор Потапова" [5] окончательно убедило меня в существовании данного теплогенератора, то есть в высокой эффективности его работы. Леонид Павлович Фоминский, украинский ученый и изобретатель, академик РАЕН, уже долгое время сотрудничающий с Потаповым, попытался в [5] создать более или менее стройную теорию работы описываемой установки. Он подтверждает и вышеизложенную версию о роли кавитации: "Опыт работы с теплогенератором показывал, что генерация избыточного тепла в нем происходит лишь тогда, когда в вихревой трубе установки интенсивно идет кавитация, усиливаемая резонансными звуковыми колебаниями столба воды в вихревой трубе. Резонанса добивались изменением длины трубы и удачным выбором точки расположения в ней тормозного устройства. При резонансе труба начинала "петь" как закипающий самовар" [5]. Леонид Павлович, объясняя высокую эффективность теплогенератора Потапова, в [5] выдвигает и ряд других интересных гипотез. 1. Дефект массы. Опираясь на теорему вириала (1870 г. Клаузиус) которая гласит, что во всякой связанной системе движущихся тел, находящейся в состоянии динамического равновесия, средняя во времени энергия их связи друг с другом по своей абсолютной величине в два раза больше средней во времени суммарной кинетической энергии движения этих тел относительно друг друга: ЕСВ = - 2ЕКИН (1) Фоминский делает вывод, что суммарная масса-энергия вращающейся системы связанных тел уменьшается с увеличением скорости вращения и она равна ее полной (релятивистской) энергии за вычетом энергии связи: ЕΣ = ЕП - ЕСВ (2) а масса вращающейся системы связанных тел не возрастает с увеличением скорости их вращения согласно формуле релятивистского возрастания массы
а наоборот, уменьшается:
Уменьшению массы системы на величину Dm соответствует изменение энергии (формула Эйнштейна): DЕ = Dm · с2 . (5) Такая энергия должна уйти из системы, приводимой во вращение, например, излучится. Излучаемая энергия DЕ в соответствии с (2) равна изменению энергии связи ЕСВ между этими телами. Таким образом, энергия связи это недостача у системы некоторого количества массы - энергии до величины, равной сумме тех масс - энергий отдельных тел, составляющих систему, которой они обладали до объединения в систему. Делая вывод, Л.П. Фоминский утверждает, что в соответствии с теоремой вириала изменение энергии связи системы тел при ускорении ее вращения должно быть по абсолютной величине в два раза больше, чем изменение кинетической энергии вращения этой системы. 2. Химические реакции. Л.П. Фоминский предполагает, что аналогично тому, как заряженная вращающаяся частица порождает магнитное поле, так и вращающаяся, но не заряженная частица может создавать поле вращения - торсионное поле, которое направлено вдоль оси вращения порождающего его тела и обладает бесконечно большой скоростью распространения. Носителями этого поля являются тахионы. Исследователи торсионных полей давно обратили внимание на то, что эти поля часто изменяют ход кристаллизации расплавов. Исходя из этого Фоминский делает еще одно предположение - похоже, что торсионные поля, поворачивая спины реагирующих частиц (электронов, протонов и даже ядер атомов) могут стимулировать химические реакции взаимодействия воды с солями и другими растворенными в ней веществами, которые при обычных условиях идут плохо или совсем не идут. Ю.С. Потапов, по словам Фоминского, давно уже подметил, что добавка в пресную воду теплогенератора всего лишь примерно 10% морской воды ведет к повышению теплопроизводительности на 10 - 20%. Это происходит по-видимому потому, что в морской воде растворены самые разнообразные химические элементы. Еще одним существенным стимулятором протекания химических реакций является, как говорилось выше, кавитация, возникающая вблизи тормозных устройств. 3. Ядерные реакции. Фоминский предположил, что результатом действия торсионного поля в теплогенераторе Потапова является ядерная реакция:
Откуда же берутся два протона и электрон? Молекула воды хорошо изучена (рис.10). Электроны атомов водорода занимают вакантные места в наружной электронной оболочке атома кислорода и становятся общими электронами атомов кислорода и водорода. Они большую часть времени проводят между ядром атома кислорода и ядром атома водорода. В результате атом водорода, имеющий всего один электрон, с противоположной стороны оказывается как бы оголенным от "электронного облака". Поэтому молекула воды выглядит как пушистый (из-за электронных облаков) шарик, на поверхности которого имеется два маленьких положительно заряженных бугорка - ядер атомов водорода (рис.7. Угол между прямыми линиями, соединяющими ядра атомов водорода с ядром атома кислорода в молекуле воды, составляет 104,5 °.
Рисунок 10 - Ковалентные связи в молекуле воды. У одного атома кислорода и двух атомов водорода появляются общие электроны, в результате чего их электронные оболочки заполняются до конца и образуется прочная молекула Н2 О.
Рисунок 11 - Водородная связь. Положительно заряженный бугорок одной молекулы воды и отрицательно заряженный край (изолированная электронная пара) другой молекулы устанавливаются строго напротив друг друга. В результате наличия положительных зарядов на поверхности молекулы, расположенных не напротив друг друга, а с одной её стороны, молекула воды является электрическим диполем, и вода обладает наибольшей среди всех веществ диэлектрической проницаемостью ε » 81. Каждая молекула воды своими положительно заряженными бугорками-протонами притягивается к той стороне соседней молекулы воды, с которой нет таких бугорков и которая заряжена отрицательно из-за наличия там электронных облаков. В результате такого притяжения между молекулами воды и возникает связь, которую называют водородной связью из-за того, что она обусловлена ядрами атомов водорода - протонами, находящимися на этой связи. Ну а поскольку бугорки-протоны во всех молекулах воды расположены под одним и тем же определенным углом, то вода в твердом состоянии имеет строго упорядоченную (кристаллическую) структуру льда.
Рисунок 12 - Образование ориентационных дефектов. Перескок протона на соседнюю водородную связь приводит к возникновению пары ориентационных дефектов. Такой перескок протона можно рассматривать как поворот молекулы воды на 120°. Но иногда и в строгом мире кристаллов, а тем более в жидкой воде с её квазикристаллической структурой, случаются осечки, и в силу той или иной причины (флуктуации, удара фотоном иди др.) протон выбивается с водородной связи и оказывается на соседней. В результате на последней оказываются сразу два протона, занимающих обе разрешенные позиции. Такие водородные связи называют "ориентационно дефектными". Для протекания ядерной реакции необходима параллельная ориентация спинов обоих протонов. Но параллельная ориентация спинов двух протонов на одной водородной связи запрещена принципом Паули. По мнению Л.П. Фоминского переворачивание спина осуществляется торсионным полем. При этом принцип Паули не нарушается, так как торсионное поле сообщает протону дополнительную энергию, в результате чего протон оказывается на другом энергетическом уровне. Когда спины обоих протонов на ориентационно-дефектной водородной связи оказываются параллельными, уже ничто не мешает этим протонам вступить в ядерную реакцию. Но откуда взять электрон? Здесь на помощь Фоминскому пришла гипотеза Л.Г. Сапогина, предлагающая новое объяснение туннельного эффекта. Сапогин объясняет туннелирование следующим образом. Заряд элементарной частицы не постоянен во времени, а периодически изменяется (осциллирует) с чудовищно большой частотой, то возрастая до максимума, то уменьшаясь до нуля по гармоническому закону. В добавок к предыдущей идее он предположил, что и масса электрона тоже осциллирует во времени по гармоническому закону в пределах от нуля до максимума. Автор гипотезы утверждает, что находясь на ближайшей к ядру атома К-орбитали, электрон совершает квантовые скачки в пределах орбитали не беспорядочно, как думали физики, а сквозь ядро атома, каждый раз туннелируя сквозь него. Благополучно электрон туннелирует благодаря тому, что в это мгновение значение заряда и массы электрона близки к нулю, а потому он, в силу закона сохранения импульса, в это время должен развивать очень большую скорость движения сквозь ядро атома. Таким образом в одной точке пространства оказываются протон и электрон, фигурирующие в уравнении ядерной реакции. При этом суммарный электрический заряд протона и электрона оказываются близким к нулю, и если в этот момент к ним приближается еще один протон, то ему уже не придется преодолевать высокий кулоновский барьер. Потому такие трехчастичные столкновения могут случаться даже чаще, чем столкновения с двумя протонами, ведущие к сближению их на ядерные расстояния. Реакция (8) ведет к наработке дейтерия, который в свою очередь участвует в других ядерных реакциях:
И хотя унос львиной доли теплоты нейтрино и g - квантом лишает нас надежд достичь в теплогенераторе Потапова высоких выходов дополнительного тепла за счет ядерных реакций, полученные результаты вселяют надежды на использование установки в качестве генератора дейтерия, гелия-3 и особенно трития, производство которого другими способами весьма сложно, дорого и опасно. Конечно, все это настоятельно требует чтобы было обращено самое серьезное внимание на дальнейшие исследования вихревого теплогенератора Потапова. 3. Технические предложения по реконструкции системы теплоснабжения музея-заповедника "Витославицы"Котельная № 48 находится на балансе предприятия МУП "Теплоэнерго". Она обеспечивает теплом и горячей водой музей-заповедник деревянного зодчества "Витославицы". План котельной приведен ниже. Установленная мощность: 2´1,21 = 2,42 ГДж/час. Подключенная нагрузка: всего 0,66 ГДж/час, из них на отопление - 0,38 ГДж/час; на горячее водоснабжение - 0,280 ГДж/час. График работы котельной - 95/70. На котельной в данный момент установлено два чугунных котла типа "Универсал-6" (рис.13) 1973 года выпуска. Эти котлы уже полностью выработали свой ресурс и поэтому, в ближайшем будущем, планируется реконструкция котельной с заменой старых, малоэффективных котлов на новые, более экономичные и имеющие высокий КПД теплогенераторы. Режимная карта на водогрейный котел типа "Универсал-6" приведена в таблице 1. Достоинствами чугунных котлов являются небольшие габариты и легкая транспортабельность, почти полное отсутствие обмуровки, удобство очистки от наружных загрязнений, простота монтажа при установке и замене секций, возможность набирать необходимую величину поверхности нагрева. Чугунные котлы значительно меньше подвержены кислородной коррозии, так как на литых чугунных поверхностях образуется плотная литейная корка, содержащая кремнезем и обладающая весьма высокими защитными свойствами. К недостаткам чугунных котлов относятся: малая надежность в работе (растрескивание одной или нескольких секций) и частые остановки на ремонт. Основной причиной растрескивания секций является превышение допустимого предела прочности металла в эксплуатационных условиях вследствие ухудшения отвода тепла от стенки из-за появления на ее внутренней поверхности слоя накипи и недостаточной скорости циркуляции воды.
Рисунок 13 - Чугунный секционный котел "Универсал": 1 - штуцер для присоединения трубопровода горячей воды; 2 - ниппеля: 3 - средние секции; 4 - стяжной болт; 5 - задняя лобовая секция; 6 - штуцер присоединения обратного трубопровода; 7 - поворотные колосники; 8 - зольная дверка; 9 - привод поворотных колосников; 10 - шуровочная дверка; 11 - кирпичный свод в топке; 12 - боковые дымоходы. Таблица 1 - Режимная карта на водогрейный котел типа "Универсал-6"
Нормальную работу котельной круглосуточно контролируют 4 машиниста, что является дополнительным стимулом для ее реконструкции: заработная плата машинистов больше суммарной стоимости произведенного на котельной тепла. Не менее важными причинами для проведения реконструкции так же являются: отсутствие на котельной автоматики регулирования. Температура горячей воды, идущей на отопление и горячее водоснабжение музея не зависит от температуры наружного воздуха. Регулирование осуществляется периодически, что приводит к дополнительным потерям тепла, а, следовательно, к бесцельному сжиганию топлива, что резко снижает экономическую эффективность котельной. регулярное обслуживание газового оборудования. Сюда входит: проверка исправности газорегуляторной установки (ГРУ) без разборки; техническое обслуживание ГРУ с разборкой оборудования; техническое обслуживание, ремонт и проверка газового счетчика; техническое обслуживание и ремонт автоматики и газового оборудования; ремонт и проверка контрольно-измерительных приборов. Текущий ремонт (техническое обслуживание газорегуляторной установки) и техническое обслуживание автоматики необходимо проводить раз в месяц, техническое обслуживание газовых счетчиков - раз в три месяца, а плановый ремонт ГРУ - раз в год. Все это требует не малых финансовых затрат. планово-предупредительные ремонты основного и вспомогательного оборудования котельной. Так как данные котельные агрегаты проработали уже 28 лет (при нормативном сроке службы в 20 лет), они требуют более частых и тщательных текущих и капитальных ремонтов, более внимательного повседневного обслуживания. экология. Котельная находится в музее-заповеднике, где собраны ценнейшие образцы народного деревянного зодчества. Их необходимо сохранить для будущих поколений. При таких условиях вредные выбросы, естественно, крайне не желательны. Для теплоснабжения музея-заповедника "Витославицы" предлагается установить два теплогенератора "Юсмар-1М", технические характеристики которого приведены в таблице 2. Таблица 2 - Технические характеристики теплогенератора "Юсмар - 1М"
В установке "ЮСМАР-М" вихревой теплогенератор в комплекте с погружным насосом помещены в общий сосуд-бойлер с водой (рис.14) для того, чтобы потери тепла со стенок теплогенератора, а также тепло, выделяющееся при работе электродвигателя насоса, тоже шли на нагрев воды, а не терялись. Габариты сосуда-бойлера: диаметр 650 мм, высота 2000 мм. Автоматика периодически включает и отключает насос теплогенератора, поддерживая температуру воды в системе (или температуру воздуха в обогреваемом помещении) в заданных потребителем пределах. Снаружи сосуд-бойлер покрыт слоем теплоизоляции, которая одновременно служит звукоизоляцией и делает практически неслышимым шум теплогенератора даже непосредственно рядом с бойлером. Установки "ЮСМАР-М" питаются от промышленной трёхфазной сети 380 В, полностью автоматизированы, поставляются заказчикам в комплекте со всем необходимым для их работы и монтируются поставщиком "под ключ". На эти установки, рекомендуемые для использования как в промышленности, так и в быту (для обогрева жилых помещений путем подачи горячей воды в батареи водяного отопления), имеются технические условия ТУ У 24070270, 001-96 и сертификат соответствия РОСС КиМХОЗ. С00039.
Рисунок 14 - Схема теплоустановки "ЮСМАР-М": 1 - вихревой теплогенератор, 2 - электронасос, 3 - бойлер, 4 - циркуляционный насос, 5 - вентилятор, 6 - радиаторы, 7 - пульт управления и блок автоматики, 8 - датчик температуры. Как уже говорилось ранее, для теплоснабжения музея предлагается установить два теплогенератора "Юсмар-1М". Первая установка предназначена для отопления зданий музея. Расход горячей воды в системе отопления не подвержен резким изменениям, поэтому потребитель подключается непосредственно к бойлеру теплогенератора (рис.15).
Рисунок 15 - Схема подключения тепловой установки "Юсмар-1М" к системе отопления: 1 - теплоустановка "Юсмар-1М"; 2 - циркуляционный насос; 3 - пульт управления и автоматики; 4 - термодатчик; 5 - радиаторы. Второй теплогенератор необходим для обеспечения музея-заповедника горячей водой. В этом случае расход воды потребителем колеблется во времени. Поэтому, теплогенератор "Юсмар-1М" подключается к системе горячего водоснабжения не напрямую, а через теплообменник (рис.16).
Рисунок 16 - Схема подключения тепловой установки "Юсмар-1М" к системе горячего водоснабжения: 1 - теплоустановка "Юсмар-1М"; 2 - циркуляционный насос; 3 - пульт управления и автоматики; 4 - термодатчик; 5 - теплообменник; 6 - бак-аккумулятор; 7 - кран горячей воды. Санитарными нормами установлено, что температура воды, идущей на горячее водоснабжение, должна быть не менее 55˚С. Для того чтобы вода в баке-аккумуляторе 6 нагревалась до этой температуры надо подобрать необходимую площадь поверхности теплообменника 5. Пусть данный теплообменник выполнен в виде змеевика из латунной трубки, наружный и внутренний диаметры которой равны dВ / dН = 14/16 мм. Рассчитаем необходимую длину этого змеевика. Расход воды на горячее водоснабжение (нагреваемый теплоноситель) составляет: Gг. в. = 0,530 кг/с; расход воды через змеевик (греющий теплоноситель) принимаем равным G’г. в. =0,720 кг/с (G’г. в. равно расходу воды на отопление). Объем V бойлера-аккумулятора принимаем исходя из следующего условия: запаса горячей воды в нем должно хватить на бесперебойное снабжение потребителей в течение 8 часов.Т.о. V = Gг. в. · 8 · 3,6 = 0,53 · 8 · 3,6 » 15 м3 . (4.1) Отсюда следует: диаметр бака - в = 1,5м; высота бака - L = 2 м. Температуры греющего теплоносителя: на входе - t11 = 95 °С, на выходе - t12 = 60 °С. Температуры нагреваемого теплоносителя: на входе - t21 = 20 °С (принимаем из условия, что 1/3 горячей воды возвращается с температурой 50˚С, а 2/3 добавляем из водопровода с температурой 5˚С), на выходе - t22 = 55 °С. Определим скорости движения теплоносителей в змеевике W1 и в баке-аккумуляторе W2 :
Для расчета коэффициента теплоотдачи α необходимо знать среднюю температуру воды в змеевике t1СР и в баке-аккумуляторе t2СР : Для того, чтобы определить режим течения жидкости по змеевику и в баке, найдем числа Рейнольдса, Re1 и Re2 соответственно:
Где: ν1 = 0,00000038 м2 /с - кинематическая вязкость воды при температуре t1CР ; ν2 = 0,00000049 м2 /с - кинематическая вязкость воды при температуре t2CР ; Так как Re1 > 10000 - режим течения воды в змеевике - турбулентный. Коэффициент теплоотдачи от внешней поверхности греющих труб к омывающей их воде α1 в бойлере рассчитывается с использованием уравнения подобия:
Где: Pr1 =2,55 и Pr1СТ =2,64 - критерии Прандтля при температуре воды t1СР =69,21°С и tСТ = t1СР - 2 = 67,21°С соответственно; λ1 = 0,686 Вт/м·К - коэффициент теплопроводности воды при t1СР . Так как скорость течения воды в баке очень мала, можно предположить, что теплообмен между горячим змеевиком и омывающей его водой происходит благодаря свободной конвекции. Она представляет собой обычно подъемное течение, обусловленное подъемной силой, действующей на нагретые на поверхности слои жидкости. Соответственно на холодной стенке устанавливается опускное течение. В качестве безразмерного критерия подобия для свободной конвекции используется число Гразгофа, Gr2
где: L - высота бака-аккумулятора; g - ускорение свободного падения; Θ0 - температура наружной поверхности трубы; V - температура жидкости вне узкой области свободноконвективного движения; ν - кинематическая вязкость жидкости. Таким образом, для нашего случая:
Теплоотдачу при свободной конвекции от нагретого змеевика к жидкости можно рассчитать по уравнению:
Во всех аппаратах периодического действия происходит нестационарный теплообмен. Уравнение теплопередачи при нестационарном режиме работы имеет вид: Q = k · F · в t · τ, (4.14) где: τ - время работы аппарата; Dt - средний температурный напор за время τ. Уравнение теплопередачи и теплового баланса для всей поверхности теплообмена F за интервал времени dτ имеет вид: dQ = kF Dt dτ = G1 c (t11 - t1 ) dτ = G2 c dt2 , (4.15) где: Dt - средняя разность температур между теплоносителями в момент времени τ; t1 - текущее значение температуры греющего теплоносителя; dt2 - изменение температуры нагреваемой воды за время dτ. Температурный напор Dt в момент времени τ рассчитывается как среднелогарифмическая разность температур:
Так как температуры t1 и t2 со временем изменяются, то Dt является функцией времени. Подставляя Dt в (15), получаем:
откуда:
Таким образом, подставляя известные величины, получим:
откуда: kF = 1865Вт/мК. (4.21) Коэффициент теплопередачи определим по формуле:
Определим площадь поверхности теплообмена F и длину змеевика l:
Таким образом из расчета видно, что для обеспечения потребителей горячей водой с температурой tГВ = 55˚С, необходимая длина змеевика теплообменника составляет 37 м. Диаметр змеевика можно принять равным DЗМ = 1,2 м. 4. Экономическая частьСравним экономический эффект котельной при ее реконструкции с установкой теплогенераторов фирмы Юсмар и при условии, что будут устанавливаться водогрейные котлы типа ТГ-120 (Гейзер-01), режимная карта которого приведена в таблице 3. Таблица 3 - Режимная карта на водогрейный котел типа ТГ-120
Определение себестоимости вырабатываемого тепла находится по выражению:
где ΣЭ - годовые эксплуатационные затраты в руб.; Qгод - годовой отпуск тепла в ГДж. Годовой отпуск тепла подсчитывают по формуле:
где Q = 0,66ГДж/час - производительность котельной в час; m = 220 - количество дней отопительного периода; tв = +18˚С - внутренняя температура в помещении; tср = - 2,6˚С - наружная средняя температура отопительного периода; tно = - 27˚С - наружная температура для проектирования системы теплоснабжения; Годовые эксплуатационные затраты определяют по уравнению:
ΣЭ=Этоп+Ээл. эн. +Эвод+Эзар+Эамор+Этек. рем. +Эобщ. расх., руб/год (5.3) где: Этоп - затраты на топливо; Ээл эн - затраты на электроэнергию; Эвод - затраты на используемую воду; Эзар - затраты на заработную плату; Эамор - амортизационные отчисления; Этек. рем - затраты на текущий ремонт; Эобщ. расх - затраты общекотельные и прочие расходы. Определим затраты на эксплуатацию котлов ТГ-120. 1 затраты на топливо: Этоп = kпот · B · hгод · Стоп, руб/год (5.4) где kпот = 1,055 - коэффициент, учитывающий складские, транспортные и прочие потери; В = 11,8 м3 /ч - часовой расход топлива на один котел при максимальной нагрузке; n =2 - количество установленных котлов (без резервных); hгод - число часов использования установленной мощности котельной в год: hгод = 24 · тот +24 · тг. в. = 8760часов, где тот - количество дней отопительного периода; тг. в. - количество дней летнего периода; Стоп = 49коп/м3 - стоимость газа; Этоп = 1,055 · (11,8 · 2 · 220 + 11,8 · 145) · 24 · 0,49 = 85644 руб/год, (5.5) 2 затраты на потребляемую электроэнергию: Ээл. эн = N · hгод · Сэл. эн. руб/год, (5.6) где N - установленная мощность электродвигателей в кВт: Nот = 5,5кВт - мощность электродвигателя насоса системы отопления, Nг. в. = 4,5кВт - мощность электродвигателя насоса системы горячего водоснабжения; hгод - число часов использования установленной мощности котельной в год: hот = 220 часов, hг. в. = 365 часов; Сэл. эн =0,72 руб/кВт·ч - стоимость электроэнергии за 1 кВт · ч потребляемой мощности; Ээл. эн. = 24· (220· (5,5+4,5) +145·4,5) ·0,72 = 49291 руб/год. (5.7) 3 затраты на используемую воду: Эвод = Dмакс · hгод · Свод, (5.8) где Gмакс = 2/3 · Gг. в. ·= 2/3 · 3,34 = 2,23 м3 /час - максимальный часовой расход добавочной воды; Свод = 7,61 руб/м3 - стоимость 1м3 добавочной воды; Эвод = 24 · 365 · 2,23 · 7,61 = 148660 руб/год. (5.9) 4 затраты на заработную плату: Так как котлы ТГ-120 полностью автоматизированы, в обслуживающем персонале нет необходимости. Достаточно того, чтобы система управления и сигнализации котлов была выведена на диспетчерский пульт МУП "Теплоэнерго". Эзар = 0 руб/год. 5 затраты на амортизационные отчисления: Эамор = Р1 · Сстр + Р2 · Соб, руб/год, (5.10) где P1 = 0,032 - процентные отчисления от стоимости общестроительных работ; Сстр = 0 - сметная стоимость общестроительных работ в руб; P2 = 0,082 - процентные отчисления от стоимости оборудования с монтажом; Соб = СТГ-120 + Смонт = 2 · 64000 + 20000 =148000 руб – сметная стоимость оборудования и его монтажа; Эамор = 0,032 · 0 + 0,082 · 148000 = 12136 руб/год. (5.11) 6 затраты на текущий ремонт принимают в размере 20 - 30% затрат на амортизацию и, следовательно, подсчитывают по выражению: Этек. рем = (0,2 ÷ 0,3) Эамор = 0,25 · 12136 = 3034 руб/год. (5.12) 7 затраты на общекотельные и прочие расходы принимают в размере 30% суммы амортизационных отчислений, годового фонда зарплаты и затрат на текущий ремонт, т.е. Эобщ. расх = 0,3 (Эамор + Этек. рем + Эзар) = 0,3 · (12136+3034) = = 4551 руб/год. (5.13) Таким образом, годовые затраты на эксплуатацию котлов ТГ-120 составят: ΣЭ = 85644 + 49291 + 148660 + 12136 + 3034 + 4551 = 303316 руб/год, (5.14) а себестоимость 1 ГДж тепла будет равна:
Рассчитаем затраты на эксплуатацию теплогенераторов "Юсмар-1М". 1 затраты на топливо: Этоп = 0. 2 затраты на потребляемую электроэнергию: Ээл. эн = N · hгод · Сэл. эн. = ( (5,5+2·2,8+4,5) ·220+ (2,8+4,5) ·145) ·24·0,72 = = 77596 руб/год, (5.16) 3 затраты на используемую воду: Эвод = Dмакс · hгод · Свод = 2,23 · 365 · 7,61 = 148660 руб/год. (5.17) 4 затраты на заработную плату: Так как теплогенераторы "Юсмар-1М", как и котлы ТГ-120 полностью автоматизированы, в обслуживающем персонале нет необходимости. Достаточно того, чтобы система управления и сигнализации теплогенераторов была выведена на диспетчерский пульт МУП "Теплоэнерго". Эзар = 0 руб/год. 5 затраты на амортизационные отчисления: Эамор = Р1 · Сстр + Р2 · Соб, руб/год =, (5.18) где P1 = 0,032 - процентные отчисления от стоимости общестроительных работ; Сстр = 0 - сметная стоимость общестроительных работ в руб; P2 = 0,082 - процентные отчисления от стоимости оборудования с монтажом; Соб = СЮсмар-1М + Смонт = 2 · 39000 + 20000 =98000 руб – сметная стоимость теплогенератора "Юсмар-1М" и его монтажа; Эамор = 0,032 · 0 + 0,082 · 98000 = 8036 руб/год. (5.19) 6 затраты на текущий ремонт принимают в размере 20 - 30% затрат на амортизацию и, следовательно, подсчитывают по выражению: Этек. рем = (0,2 ÷ 0,3) Эамор = 0,25 · 8036 = 2009 руб/год. (5.20) 7 затраты на общекотельные и прочие расходы принимают в размере 30% суммы амортизационных отчислений, годового фонда зарплаты и затрат на текущий ремонт, т.е. Эобщ. расх = 0,3 (Эамор + Этек. рем + Эзар) = 0,3 · (8036 + 2009) = = 3014 руб/год. (5.21) Таким образом, годовые затраты на эксплуатацию теплогенераторов "Юсмар-1М" составят: ΣЭ = 77596 + 148660 + 8036 + 2009 + 3014 = 239315 руб/год, (5.22) а себестоимость 1 ГДж тепла будет равна:
Таким образом, себестоимость вырабатываемого 1 ГДж тепла на котельной с теплогенераторами фирмы Юсмар (159 руб/ГДж) на 21,3% меньше себестоимости тепла, выработанного на котельной, где установлены котлы ТГ-120 (202 руб/ГДж). Экономический эффект котельной с установками "Юсмар-1М" составляет: Э = (202 - 159) • 1501 = 64543 руб/год. (5.24) 5. ЭкологияПри сжигании топлива входящие в его состав горючие элементы соединяются с кислородом воздуха. При этом происходит преобразование химической энергии топлива в тепловую, идущую на нагрев продуктов сгорания топлива. Природный газ, сухое беззольное высокоценное топливо, имеет следующий состав, считая по объему: метан СН4 от 85 до 98,3%; тяжелые углеводороды Сn Hm от 2 до 6%; двуокись углерода СО2 от 0,1 до 1,0%; азот N2 от 1 до 5%. Теплота сгорания сухого природного газа колеблется в пределах от 30,6 до 36,9 МДж/м3 . Продуктами полного сгорания топлива является двуокись углерода СО2 , сернистый газ SО2 и водяные пары Н2 О. Кроме того, компонентами продуктов сгорания топлива являются азот N2 , содержавшийся в топливе и атмосферном воздухе, и избыточный кислород О2 , который содержится в продуктах сгорания топлива, потому что процесс горения протекает не идеально и связан с необходимостью подачи большего, чем теоретически необходимо, количества воздуха. В котельной №48 в настоящее время тепло получают путем сжигания газообразного топлива. Согласно режимным картам на водогрейные котлы типа "Универсал-6", установленных на котельной, состав уходящих газов следующий: СО2 - 9,8%; О2 - 3,6%; СО - отсутствует. Для того, чтобы определить количество выбросов оксидов азота, произведем следующий расчет. Суммарное количество оксидов азота NOx в пересчете на NO2 (в г/с), выбрасываемых в атмосферу с дымовыми газами, рассчитывается по формуле: МNOx = Bp · Qг i · Кг NO2 · βк · βt · βα , (6.1) где: Вр - расчетный расход топлива; при работе котла в соответствии с режимной картой с достаточной степенью точности может быть принято Вр = В = 0,01м3 /с - фактическому расходу топлива на котел; Qг i = 33,441МДж/м3 - низшая теплота сгорания топлива; Кг NO2 - удельный выброс оксидов азота при сжигании газа, г/МДж. Для водогрейных котлов: Кг NO2 =0,013 √Qт + 0,03 = 0,013 · √0,3344 + 0,03 = 0,0375г/МДж, (6.2) где Qт - фактическая тепловая мощность котла по введенному в топку теплу, МВт, которое определяется по формуле: Qт = Вр · Qг i = 0,01 · 33,44 = 0,3344 г/МДж. (6.3) βк = 1 - безразмерный коэффициент, учитывающий принципиальную конструкцию горелки. βt - безразмерный коэффициент, учитывающий температуру воздуха, подаваемого для горения: βt = 1 + 0,002 · (tгв - 30) = 1 + 0,002 · (20 - 30) = 0,98, (6.4) где tгв = 20˚С - температура горячего воздуха. βα = 1,225 - безразмерный коэффициент, учитывающий влияние избытка воздуха на образование оксидов азота. Таким образом, суммарное количество оксидов азота будет равно: МNOx = 0,01 · 33,44 · 0,0375 · 1 · 0,98 · 1,255 = 0,015 г/с. (6.5) При реконструкции котельной №48 с заменой старых котлов типа "Универсал-6" на теплогенераторы "Юсмар-1М" этих нежелательных выбросов можно будет избежать, так как в данной установке процесс выработки тепла происходит без участия какого-либо вида органического топлива. Получение тепла с помощью теплогенератора Потапова - абсолютно экологически чистый способ. 6. Безопасность жизнедеятельностиЦелью данного раздела дипломного проекта является проведение анализа условий труда на рабочем месте. В данном разделе следует выявить и рассмотреть опасные и вредные производственные факторы, а также произвести их идентификацию, оценку и дать рекомендации по их устранению. В качестве рассматриваемого объекта выступает реконструируемая котельная №48 музея-заповедника "Витославицы". В котельной размещено следующее оборудование: 2 теплогенератора фирмы "Юсмар"; сетевые, питательные, рециркуляционные насосы; коллекторы сетевой воды; КИПиА. Вопросы охраны труда подразделяются на общие для любых типов производства (освещение, вентиляция и т.п.) и на специальные (тепловая и электрическая опасность, вибрация, излучение, вредные вещества). Охрана труда на производстве - один из наиболее важных для успешной безаварийной работы предприятия. Рабочее место обслуживающего персонала (оператора котельной) - постоянное, то есть место, на котором работающий находится большую часть (более 50% или более 2 часов непрерывно) своего рабочего времени. В помещении котельной были выявлены следующие опасные и вредные факторы: повышенный шум; опасность термического ожога; опасность поражения электрическим током; вращающееся оборудование котельной (насосы, вентиляторы, дымососы); Типовую характеристику санитарно-гигиенических условий труда, опасных и вредных факторов в фактических условиях и по проекту сводим в таблицу 4, которая приведена ниже и в которой приняты следующие сокращения: "о" - опасное; "н" – неопасное Таблица 4 - Характеристика санитарно-гигиенических условий труда, опасных и вредных производственных факторов на рабочих местах в фактических условиях по проекту
7. Санитарно-гигиенические факторы условий трудаТрудовая деятельность человека всегда протекает в определенных метеорологических условиях, которые определяют производственные материалы. Производственный микроклимат - это совокупность метеорологических параметров: температуры, влажности и скорости движения воздуха, характерных для данного производственного участка. Микроклимат оказывает существенное влияние на самочувствие, работоспособность, здоровье человека. В одних случаях сочетание метеорологических факторов создает благоприятные условия для нормального протекания жизненных функций организма, а в других случаях - неблагоприятные, что может привести к нарушению терморегуляции организма. Поэтому очень важным является поддержание в производственных помещениях оптимальных микроклиматических условий, которые бы обеспечили ощущение теплового комфорта и создали бы наиболее благоприятные условия для высокой работоспособности. Санитарно-гигиенические факторы труда определяются по ГОСТ 12.1 005-88 исходя из категории тяжести труда, которая в свою очередь зависит от количества затрачиваемых человеком килокалорий в процессе выполнения работ. В зависимости от энергозатрат организма, ГОСТ 12.1 005-88 предусматривает три категории работ. Согласно ГОСТ 12.1 005-88, рабочее место оператора котельной относится к категории работ 1б (работы, производимые сидя, стоя или связанные с ходьбой и сопровождающиеся некоторым физическим напряжением). Согласно ГОСТ 12.1 005-88 для категории работ Iб предусмотрены следующие параметры микроклимата: температура воздуха в холодный и переходный период года - 22-24°С, в теплый период - 21-23°С; относительная влажность воздуха 40 - 60%; скорость движения воздуха 0,1-0,2м/с. Для нормализации метеорологических условий на котельных объектах проводится ряд мероприятий: механизация тяжелых и трудоемких работ, выполнение которых сопровождается избыточным теплообразованием в организме человека; рациональное размещение и теплоизоляция оборудования, аппаратов, коммуникаций и других источников, излучающих на рабочие места тепло; правильно организованная система вентиляции, отопления и кондиционирования; устройство тамбуров (перегородок) у входа в объект для предупреждения переохлаждения и простудных заболеваний работающих. Нормализация параметров микроклимата осуществляется проектированием системы вентиляции, отопления и кондиционирования. Правильное освещение помещений и рабочих мест всегда важно. При этом повышается производительность труда, улучшаются условия безопасности, снижается утомляемость. Неправильное или недостаточное освещение может привести к созданию опасных ситуаций. Требуемый уровень освещенности определяется степенью точности зрительных работ. Согласно СНиП 23-05-95 существует восемь разрядов зрительных работ от наивысшей до общего наблюдения за ходом производственного процесса. По СНиП 23-05-95 для данного рабочего места установлен IV разряд зрительных работ (0,5÷1мм - размер объекта различения). Работы высокой точности. Освещенность в котельных должна быть не ниже следующих величин, лк: шкалы измерительных приборов, водоуказательные стекла, тепловые щиты, пункты управления - 50; фронт котлов, дымососное, вентиляторное и насосное отделение - 20; площадки обслуживания котлов и места за котлами - 10; коридоры и лестницы - 5. Должно быть предусмотрено также аварийное электрическое освещение от источников питания, не зависимых от общей электроосветительной сети котельной, для освещения в необходимых случаях фронта котлов, пультов управления, водоуказательных и измерительных приборов. Освещение может быть: естественное; искусственное; совмещенное. Естественное освещение осуществляется через окна (боковое освещение), световые фонари (верхнее) или одновременно через фонари и окна (комбинированное). Естественное освещение является наиболее гигиеничным и предусматривается для помещений, в которых постоянно пребывают люди. Основной величиной для расчета и нормирования естественного освещения внутри помещений служит коэффициент естественной освещенности (КЕО), выраженного в процентах. При совмещенном освещении недостаточное естественное освещение дополняется искусственным. Искусственное освещение по функциональному назначению делится на рабочее, дежурное, аварийное, эвакуационное и охранное. Искусственное освещение может быть общим (все производственные помещения освещаются однотипными светильниками) и комбинированным (к общему добавляется местное освещение рабочих мест). Для искусственного освещения нормируемый параметр - освещенность. Величина освещенности при искусственном освещении должна быть: на рабочем месте оператора котельной не ниже 200 лк для систем общего освещения и 400 лк при комбинированном освещении. Аварийное освещение составляет 5% от нормируемого, то есть 10 лк. Освещение в помещении котельной должно быть во взрывобезопасном исполнении. Освещение рабочих помещений также должно удовлетворять следующим условиям: должны быть обеспечены равномерность и устойчивость уровня освещенности в помещении, отсутствие резких контрастов между освещенностью рабочей поверхности и окружающего пространства; в поле зрения не должно создаваться блеска источниками света и другими предметами; искусственный свет, используемый на предприятиях, по своему спектральному составу должен приближаться к естественному. Для рациональной организации освещения и повышения видимости производственные помещения и оборудование целесообразно окрашивать в светлые тона. Недостаточное освещение может привести к ухудшению зрения. Для предотвращения этого необходимо применять местное освещение. Превышение же световых норм может также привести к ослеплению. Если причиной этого может послужить естественный свет, следует использовать шторы или жалюзи на окнах. Если искусственный, то следует использовать затемняющие светофильтры на источниках света. Системы вентиляции, отопления и кондиционирования воздуха должны соответствовать требованиям СНиП 2.04.05-95. Под вентиляцией понимают систему мероприятий и устройств, предназначенных для обеспечения на постоянных рабочих местах, в рабочей и обслуживаемой зонах помещений метеорологических условий и чистоты воздушной среды, соответствующих гигиеническим и техническим требованиям. Рационально спроектированные и правильно эксплуатируемые вентиляционные системы способствуют улучшению самочувствия работающих и повышению производительности труда. Систему вентиляции необходимо предусматривать согласно СНиП 2.04.05-91. Системы вентиляции классифицируют по способу перемещения воздуха, направлению потока воздуха, зоне действия, времени работы. В зависимости от способа перемещения воздуха различают естественную и механическую вентиляцию. Существуют и смешанные системы. В зависимости от направления потока воздуха вентиляция бывает приточной и вытяжной. В производственных помещениях вентиляцию обычно выполняют приточно-вытяжной. Интенсивность вентиляции характеризуется кратностью воздухообмена, которая определяется по формуле: К = L / V, где L - объем воздуха, подаваемого или удаляемого из помещения, м3 /ч; V - объем вентилируемого помещения, м2 Количество воздуха, необходимого для вентиляции производственного помещения, следует определять расчетом и только в редких случаях допускается его устанавливать по кратности воздухообмена. В соответствии с характером технологического процесса воздухообмен нужно рассчитывать по: избыткам явной теплоты (тепловыделения); избыткам влаги и скрытой теплоты (влаго- и тепловыделения); количеству выделяющихся вредных веществ (выделение вредных паров, газов, пыли). При одновременном выделении теплоты, влаги и вредных веществ следует рассчитывать воздухообмен для каждого из этих факторов и принимать наибольшее из полученных значений. Объем Lподаваемого в помещение свежего воздуха, необходимого для удаления избыточной теплоты, определяется по формуле:
где: QИЗБ - избыточная теплота, Дж/с; СР - удельная теплоемкость воздуха при постоянном давлении, Дж/кг·К; S- плотность воздуха, кг/м3 ; Ту - температура удаляемого воздуха, К; Тп - температура подаваемого воздуха, К. Санитарными нормами СН 235-11 регламентируется также минимальное количество воздуха, подаваемого в производственное помещение в расчете на одного работающего. Это количество зависит от объема помещения, приходящегося на одного человека. Если объем помещения, приходящегося на одного человека меньше 20м2 , то следует предусматривать подачу наружного воздуха в количестве не менее 30м3 /ч на каждого работающего. В помещениях, где имеются окна, и на одного рабочего приходится более 40м3 при отсутствии вредных и неприятно пахнущих веществ, допускается предусматривать периодически действующую естественную вентиляцию (проветривание). Правильный выбор систем вентиляции имеет большое санитарно-гигиеническое и экономическое значение. Следовательно, при выборе и проектировании систем вентиляции следует руководствоваться следующими общими положениями: необходимо максимально использовать местные вытяжные системы с целью предотвращения распространения вредных веществ по всему объему помещения; механическую вентиляцию следует применять только в тех случаях, когда требуемые параметры воздушной среды не могут быть обеспечены естественной вентиляцией; при проектировании механической вентиляции необходимо предусматривать установку резервных вентиляторов или сооружать не менее двух приточных и двух вытяжных установок, обеспечивающих при включении одной из них объем соответственно вытяжки или притока не меньше 50% требуемого воздухообмена и необходимость в любом случае поддерживать температуру в помещении не ниже +5°С; приточную вентиляцию целесообразно совмещать с воздушным отоплением; температуру воздуха, выходящего из воздухораспределителей, расположенных в пределах рабочей зоны, следует принимать не более +45°С и не менее +5°С. Для вентиляции помещения котельной установлены дефлекторы на крыше и стене, которые могут регулироваться заслонками из помещения, кроме того, могут открываться рамы оконных переплетов. 8. Характеристика помещений, зонПо взрывоопасности помещения делятся на два класса, которые в свою очередь делятся на подклассы. Данная классификация производится с учетом наличия взрывоопасных смесей паров или газов и их распространения в помещении. Помещения по взрывоопасности нормируются СНиП 11-35-76. Согласно "Правил устройства электроустановок" (ПУЭ) помещение котельной не взрывоопасно. Класс по взрывоопасности В1-а. Класс по электрической опасности . Согласно ГОСТ 12.1 009 - 5 под электробезопасностью понимают систему организованных, технических мероприятий и средств, обеспечивающих защиту людей от вредного и опасного воздействия электрического тока, электрической дуги, электромагнитного поля и статического электричества. Влияние электрического тока на организм человека характеризуется следующими воздействиями: химическое термическое биологическое Виды электротравм: электроудар - нарушение физиологических процессов в организме человека, судорожное сокращение мышц. местные травмы - ожоги, электрические знаки, металлизация кожи. По характеру воздействия электрический ток подразделяется на: неощутимый ощутимый неотпускающий фибриляционный смертельный Классификация помещений по электроопасности: 1. Помещения с повышенной опасностью характеризуются наличием одного из ниже приведенных факторов: относительная влажность > 75%; температура воздуха > +35°С; наличие токопроводящей пыли; возможность одновременного прикосновения к имеющим соединение с землей металлическими элементами технологического оборудования или металлоконструкциями здания и металлическим корпусом электрооборудования. 2. Особоопасные помещения - наличие одного из трех факторов: относительная влажность » 100%; присутствие химически активной среды; наличие двух или более условий повышенной опасности. 3. Без повышенной опасности - характеризуются нормальной температурой, влажностью, отсутствием пыли. По ГОСТ 12.1 009-76 электробезопасность должна обеспечиваться: конструкцией электроустановок; техническими способами и средствами защиты; организационными мероприятиями. По электроопасности помещения нормируются СНиП 11-35-76. Согласно нормам помещение котельной относится к помещениям с повышенной опасностью поражения людей электрическим током. Опасность обусловлена применением на объекте насосов, напряжение которых составляет 380В и наличием токопроводящих частей оборудования. А так же потому, что в котельной токопроводящий железобетонный пол. 4.Категория по пожароопасности Пожар (ГОСТ 12.1 004-85) - это неконтролируемое горение, вне специального очага, наносящее материальный ущерб. Пожаробезопасность - состояние объекта, при котором исключена возможность возникновения пожара, а если произойдет, то обеспечивается своевременная эвакуация людей и материальных ценностей. ОВПФ при пожаре: открытый огонь и искра; повышенная температура воздуха и поверхностей; дым; пониженная концентрация кислорода; токсичные продукты сгорания; обрушивающиеся конструкции зданий; взрыв Согласно ОНТП-24-86 помещение котельной относятся к категории Г - не пожароопасные; к этой категории относятся производства в которых образуются негорючие вещества и материалы в горячем, расплавленном состоянии, а также вещества, которые сжигаются в качестве топлива. Для предотвращения возникновения пожаров необходимо выполнять следующее: соблюдение техники безопасности; наличие средств пожаротушения; правильное хранение горючих веществ; противопожарная профилактика. Класс санитарно-защитной зоны . Согласно СанПиН 2.2.1/2.1.1.567-96 предприятия и их отдельные здания и сооружения необходимо отделять от жилой зоны санитарно-защитными зонами. По ширине санитарно-защитных зон объекты делятся на V классов. Ширина санитарно-защитной зоны зависит от: технологического процесса производства; вредных выброс в окружающую среду; выделяемого предприятием шума, вибрации, ультразвука и других ОВПФ. Согласно СанПиН 2.2.1/2.1.1.567-96 котельная относится к разряду котельных санитарно - защитные зоны которых в зависимости от высоты дымовых труб (при высоте более 15 метров) можно отнести к предприятиям IV класса, для которого установлено минимальное расстояние до жилой зоны 300 метров. Группа санитарного обеспечения . Классификация производственных процессов по санитарному обеспечению санитарно-бытовых помещений определяется согласно СНиП 2.09.04-87 и зависит от санитарной характеристики производственных процессов. Согласно СНиП 2.09.04-87 помещение котельной относится к I группе санитарного обеспечения санитарно-бытовыми помещениями. В них необходимо предусмотреть раздевалку, душ, санузел. Степень огнестойкости зданий . Огнестойкость строительных конструкций - это способность конструкции сопротивляться высокой температуре в условиях пожара. Под воздействием огня строительные конструкции деформируются, теряют свои несущие способности. Предел огнестойкости - время в часах от начала испытания конструкции на огнестойкость до появления одного из следующих признаков: образование трещин при повышении температуры поверхности до 140°С; потеря конструкции несущей способности. Согласно СНиП 2.01.02-85 степень огнестойкости котельной принимаем - II, так как несущие стены и перегородки выполнены из несгораемых материалов (кирпич), а также перекрытия (бетон). Пределы огнестойкости конструкций приведены в таблице 5. Таблица 5 - Минимальные пределы огнестойкости
9. Разновидности опасных и вредных факторовЭлектрическая опасность. В котельной напряжение электротока составляет 220-380В, частота тока 50Гц, ток переменный. Для защиты от поражения электрическим током, согласно ГОСТ 12.1 019-79, используются следующие основные меры: изоляция; недоступность токоведущих частей оборудования; защитное заземление и зануление по ГОСТ 12.1 030-81; малое напряжение; оградительные устройства; изолирующие защитные и предохранительные сооружения; предупредительная сигнализация, блокировка, знаки безопасности. При работе необходимо строго соблюдать правила техники безопасности. Обслуживание электроустановок должно поручаться рабочим, прошедшим специальное обучение. К изолирующим электрозащитным средствам относятся диэлектрические резиновые перчатки, галоши, коврики, инструменты с изолирующими рукоятками. К ограждающим средствам защиты относятся временные переносные ограждающие щиты, ограждения-клетки, изолирующие накладки, предупредительные плакаты. Исправность средств защиты должна проверяться осмотром перед каждым их применением, а также периодически через 6-12 месяцев. Для устранения опасности поражения людей электрическим током при замыкании применяется защитное заземление (согласно ПУЭ), то есть специальное соединение металлических частей оборудования с землей, а также разделение сети на отдельные, электрически не связанные между собой участки с помощью специальных разделяющих трансформаторов. Инфракрасное излучение (тепловое излучение) идет от нагретых частей оборудования котельной, а также различные утечки пара и горячей воды, что может привести к ожогам рабочих. Во избежание этого необходимо соблюдение правил техники безопасности и своевременного обнаружения и ликвидации повреждения оборудования. К механическим опасностям относятся: вибрация и шум; движущиеся части машин и механизмов; отлетающие части инструмента и материала; нагретые детали. Вибрация - это механические колебания твердых тел. Источниками вибрации являются: механические, пневматические, гидравлические, ручные инструменты; оборудования в работе; резкие ускорения и торможения механизмов. По характеру действия на человека вибрация делится: общая - передается на все тело (нарушение работы сердца и центральной нервной системы); местное - передается на отдельные части тела (нарушение кровообращения); комбинированное. Систематическое воздействие местной вибрации вызывает спазм сосудов, поражение кожно-мышечной системы, окостенению сухожилий и мышц, деформации суставов. Действие вибрации усиливается при низкой температуре. Вибрация нормируется ГОСТ 12.1 012-90. Методы борьбы с вибрацией: инженерно-технические: введение новой технологии, средств автоматизации, дистанционное управление, исключение виброопасных технологий, виброизоляция рабочих мест; контроль за эксплуатацией, монтажом, ремонтом оборудования, режим труда и отдыха; средства индивидуальной защиты: рук - рукавицы, перчатки; ног - сапоги, ботинки; тела - нагрудники, пояса. Шум - это всякий неблагоприятный звук для человека. Шум неблагоприятно действует на человека, вызывая физиологические и психические нарушения, снижая работоспособность, а при длительном воздействии может вызывать профессиональное заболевание. Утомляемость рабочих из-за шума увеличивает число ошибок при работе, способствующих возникновению травм. Источниками шума в котельной являются котлы, насосы, системы вентиляции. Согласно ГОСТ 12.1 003-83 допустимый уровень шума в помещении котельной не должен превышать 80дБ. Эффективными мерами борьбы с шумом являются: борьба с шумом в источнике (размещение оборудования в изолированных помещениях); применение глушителей, звукоизоляции; рациональное размещение рабочих мест, режим труда; средства индивидуальной защиты; стены и перегородки, потолки производственных помещений возможно облицовывать звукопоглощающим материалом. В котельной происходит нагрев рабочих поверхностей, деталей, что может привести к получению ожогов различной тяжести рабочего персонала. Нормализация: предохраняют работающих от непосредственного контакта с нагреваемой зоной ограждением, используют теплопоглощающие поверхности, кожухи. Соблюдение правил техники безопасности. В котельной не возникает химической опасности, т.к дымовые газы отсутствуют. Нормируется химическая опасность ГОСТ 12.1 005-88. 10. Возникновение пожара и взрываПричинами пожара в котельных могут быть неисправности электрического оборудования, короткое замыкание. По ГОСТ 12.1 004-85 мероприятия по пожарной безопасности разделяются на организационные, технические, эксплуатационные и режимные. Организационные мероприятия предусматривают правильную эксплуатацию оборудования, соблюдение противопожарной безопасности. К техническим мероприятиям относится соблюдение норм противопожарных правил. Эксплуатационными мерами являются своевременные профилактические осмотры, ремонты технологического оборудования. Дня предотвращения возникновения пожара необходимо выполнять следующие основные правила: соблюдение техники безопасности; наличие средств пожаротушения; огнетушители ОУ-8 из расчета один огнетушитель на 50 метров площади помещения, ящики с песком, лопаты, багры. правильное хранение горюче-смазочных материалов; противопожарная профилактика; Взрывное горение (взрыв) сопровождается крайне быстрым выделением большого количества энергии, вызывающим нагрев продуктов сгорания до высокой температуры и резкое повышение давления. Распространение газов при взрывном горении приводит к образованию ударной и взрывной волн, которые движутся перед фронтом горения. Детонационное горение весьма опасно, так как скорость распространения пламени превышает скорость звука в данной среде и вызывает более сильное разрушение, чем взрывное. Опасность взрыва возникает при определенной концентрации газа в смеси с воздухом. Мероприятия для обеспечения взрывобезопасности: осторожное обращение с огнем; постоянное наблюдение за трубопроводами; необходим непосредственный контроль рабочего персонала за ходом технологического процесса и соблюдение элементарных мер по технике безопасности; проведение газоэлектросварочных работ с соблюдением строжайших мер по технике безопасности. На данном рабочем месте нет вероятности возникновения взрыва. ЗаключениеВ заключении хочется еще раз напомнить, сколь большие перспективы открывает изобретение Ю.С. Потапова перед человечеством, давно балансирующим на грани экологической катастрофы. Это последствия автомобилизации - четырехколесный "друг человека" виновен почти в 40% общего загрязнения земной атмосферы. Вторым по значимости (после автомобиля) загрязнителем воздуха планеты является... домашний очаг. Отопление домов производит 30% общего загрязнения воздуха. "Это столько же, сколько загрязнений выбрасывает в воздух вся промышленность, - отмечает Ю. Потапов и Л. Фоминский. - Так что замена печей в домах вихревыми теплогенераторами, питающимися электроэнергией и вырабатывающими 1,5 киловатта тепловой энергии на каждый потребляемый ими киловатт электрической, могла бы существенно повысить чистоту воздуха в населенных пунктах". Авторы указывают, что продолжающееся сжигание органических топлив несовместимо с жизнью на Земле - ведь при сжигании 1 кг угля или дров расходуется более 2 кг кислорода. Население растет, а площадь лесов сокращается. Что касается атомной энергетики, то это - "подмена одной проблемы другой", ведь даже если исключить повторение таких катастроф, как Чернобыльская, остается проблема радиоактивных отходов. Выход, по мнению Л. Фоминского и Ю. Потапова, в поиске альтернативных источников энергии, к которым относится и вихревая энергетика. А установки "Юсмар" серийно выпускаются уже семь лет. Их используют на многих предприятиях и в частных домовладениях, они получили сотни похвальных отзывов от пользователей. В настоящее время уже тысячи теплоустановок "ЮСМАР" успешно работают в странах СНГ и ряде других стран Европы и Азии. Их использование особенно выгодно там, куда ещё не дотянулись газопроводы и где люди вынуждены использовать для нагрева воды и обогрева помещений электроэнергию, которая с каждым годом становится всё дороже. Но и там, где имеется дешёвый природный газ, теплоустановки "ЮСМАР" порой оказываются тоже незаменимыми. Так, газодобывающая фирма из г. Нижневартовска - центра российских газодобытчиков, заказала партию теплоустановок "ЮСМАР" для автономного обогрева ими особо загазованных производственных помещений, где использование открытого огня недопустимо. А у теплоустановок "ЮСМАР" нет не только огня, но и деталей, нагревающихся до температуры свыше 100°С, что делает эти установки особенно приемлемыми с точки зрения пожарной безопасности и техники безопасности. Теплогенератор Потапова, в отличие от своего прототипа теплового насоса, не нуждается во внешнем источнике низкотемпературного тепла. Он не добывает тепло из реки или из окружающего воздуха, а вырабатывает его сам, превращая в тепло часть своей внутренней энергии, а точнее часть внутренней энергии своей рабочей жидкости - воды. Поэтому, в отличие от теплового насоса, теплогенератор Потапова абсолютно автономен и сможет работать даже на космической станции. Недаром теплоустановки "ЮСМАР" были награждены Золотыми медалями на Международных выставках в Москве и в Будапеште в 1998 г., а их разработчик - академик РАЕН Ю.С. Потапов - Международной премией "Факел Бирмингема" с памятной именной фотографией Президента Соединенных Штатов Америки и высшей межакадемической наградой "Звезда Вернадского" 1-й степени. А ведь теплогенераторы установок "ЮСМАР" - это только первая промышленная модификация вихревых теплогенераторов, надо думать, что ещё не самая совершенная! Всё это указывает на то, что у вихревых теплогенераторов большое будущее. Список литературы1. Мартынов А.В., Бродянский В.М. Что такое вихревая труба? - М.: Энергия, 1976. - 152с.: ил. 2. Бакластов А.М., Горбенко В.А., Данилов О.Л. Промышленные тепломассообменные процессы и установки: Учебник для вузов / Под ред. Бакластова А.М. - М.: Энергоатомиздат, 1986. - 328с.: ил. 3. Черкасский В.М., Калинин Н.В., Кузнецов Ю.В., Субботин В.И. Нагнетатели и тепловые двигатели. - М.: Энергоатомиздат, 1997. - 384с.: ил. 4. Суслов А.Д., Иванов С.В., Мурашкин А.В., Чижиков Ю.В. Вихревые аппараты. - М.: Машиностроение, 1985. - 256с.: ил. 5. Фоминский Л.П. Как работает вихревой теплогенератор Потапова. - Черкассы: ОКО-Плюс, 2001. - 112с.: ил. 6. Патент на изобретение теплогенератора "Юсмар" №2045715. 7. Пирсол И. Кавитация: Пер. с англ. - М.: Мир, 1975. - 95с.: ил. 8. Новиков И.И. Термодинамика: Учебное пособие для вузов. - М.: Машиностроение, 1984. - 592с.: ил. 9. Шубин Е.П., Левин Б.И. Проектирование теплоподготовительных установок ТЭЦ и котельных. - М.: Энергия, 1970. - 496с.: ил. 10. Татарченков О.А. Термоядерный подарок Путину: Статья. - М.: Московский комсомолец, 6-13 июля 2000. 11. Роддатис К.Ф. Котельные установки: Учебное пособие для вузов. - М.: Энергия, 1977. - 432с.: ил. 12. Стырикович М.А., Катковская К.Я. Парогенераторя электростанций. - М.: Энергия, 1966. - 384с.: ил. 13. Богомолов А.И., Михайлов К.А. Гидравлика: Учебник для вузов. - М.: Стройиздат, 1972. - 648с.: ил. 14. Кириллин В.А. Техническая термодинамика: Учебник для вузов. - 4-е изд., перераб. и доп. - М.: Энергоатомиздат, 1983. - 416с.: ил. 15. Роддатис К.Ф., Полтарецкий А.Н. Справочник по котельным установкам малой производительности / Под ред. К.Ф. Роддатиса. - М.: Энергоатомиздат, 1989. - 488с.: ил. 16. Зыков А.К. Паровые и водогрейные котлы: Справочное пособие. - М.: Энергоатомиздат, 1987. - 128с.: ил. 17. Ядерная и термоядерная энергетика будущего / Под ред.В.А. Чуянова. - М.: Энергоатомиздат, 1987. - 192с.: ил. 18. Муромский С.Н. Техника безопасности при эксплуатации котельных установок малой производительности. - М.: Стройиздат, 1969. - 200с.: ил. 19. Хаузен Х. Теплопередача при противотоке и перекрестном токе: Пер с нем. - М.: Энергоатомиздат, 1981. - 384с.: ил. 20. Скалкин Ф.В. Энергетика и окружающая среда. - Л.: Энергоиздат, 1981. - 280с.: ил. |
||||||||||||||||||||||||||||||||||||||||||||||||||||||||||||||||||||||||||||||||||||||||||||||||||||||||||||||||||||||||||||||||||||||||||||||||||||||||||||||||||||||||||||||||||||||||||||||||||||||||||||||||||||||||||||||||||||||||||||||||||||||||||||||||||||||||||||||||||||||||||||||||||||||||||||||||||||||||||||||||||||||||||||||||||||||||||||||||||||||||||||||||||||||||||||||||||||||||||||||||||||||||||||||||||||||||||||||||||||||||||||||||||||||||||||||||||||||||||||||||||||||||||||||||||||||||||||||||||||||||||||||||||||||||||||||||||||||||||||||||||||||||||||||||||||||||||||||||||||||||||||||||||||||||||||||||||||||||||||||||||||||||||||||||||||||||||||||||||||||||||||||||||||||||||||||||||||||||||













(3)
(4)


(9) (10)



(4.4) (4.5)
(4.6) (4.7)
(4.8) (4.9)
(4.12) (4.13)
(4.16)
(4.17)
(4.18) (4.19)
(4.22)
(4.23) (4.24)
(5.1)