Курсовая работа: Особенности электроснабжения помещений для содержания животных
|
Название: Особенности электроснабжения помещений для содержания животных Раздел: Рефераты по физике Тип: курсовая работа | ||||||||||||||||||||||||||||||||||||||||||||||||||||||||||||||||||||||||||||||||||||||||||||||||||||||||||||||||||||||||||||||||||||||||||||||||||||||||||||||||||||||||||||||||||||||||||||||||||||||||||||||||||||||||||||||||||||||||
Введение Свет является одним из важнейших параметров микроклимата. От уровня освещенности и спектрального состава света зависит рост и развитие, здоровье и продуктивность животных, расход кормов и качество полученной продукции. Под воздействием света усиливаются окислительные процессы и обмен веществ, стимулируются функции эндокринных желез, повышается устойчивость организма к болезням. В настоящее время с введением новой технологии содержание животных наблюдается все большая изоляция их от естественной среды. Поэтому возрастает роль искусственного света и облучательных установок. Рационально спроектированные и грамотно эксплуатируемые установки (ОУ) позволяют компенсировать недостаточное естественное освещение при минимальных затратах электроэнергии, электротехнического оборудования и материалов. При эксплуатации осветительной установки освещенность на рабочих местах снижается из-за уменьшения светового потока ламп в результате их старения, загрязнения осветительной арматуры, ламп, стен и потолка освещаемого помещения. Чтобы освещенность не снизилась ниже нормируемого значения, на стадии проектирования ОУ вводят коэффициент запаса Кз. Значение коэффициента запаса зависит от типа источника света, от конструкции светильников и периодичности их чистки, от наличия пыли, дыма и копоти в рабочей зоне помещения. Для ламп накаливания Кз=1.15-1.7, для газоразрядных ламп 1.3-2.1 1. Данные по курсовому проекту Ниже приведена таблица сводных данных по курсовой работе. Табл.1
2. Светотехническая часть Ведем расчет точечным методом для люминесцентных ламп. 1. Определяемся с назначением помещения 1 (помещение для телок на 116 мест с 6 до 12 месячного возраста) 2. Какая Среда в помещение (особо сырая с химически активной средой). 3. Выбираем нормированную освещенность (2. стр. 38) Eн=75 лк
4. Выбираем источник света: если нормированное освещение больше 50 лк то выбираются люминесцентные лампы (ЛЛ), если высота 3м то, выбираются ЛЛ низкого давления, а если высота больше чем 4,5 м, то выбираем лампы высокого давления (ЛВД). 5. Выбираем светильник: а) по назначению в) по степени защиты (2. стр. 55-58) (IP54). г) по экономическим показателям (2. стр. 59-64). Выбираем светильник марку и мощность, количество ламп. (ЛСП 18-1*15) Д-1 КПД=65% 6. Определим рабочую высоту.
где H-высота помещения (м), hсв - высота свеса светильника от потолка (м), hр.п. - высота рабочей поверхности (м).
7. Определяем количество светильников по сторонам (А и В).
8. Относительные условия освещенности.
Таблица для свода расчетных данных
Кривые изолюкс Е1, Е2 (1. стр. 187)
Посмотрим, какое влияние точек: т. Д Е/ =428 (min) т. С Е/ =500 (max) Считаем, какой световой поток должен быть.
Теперь выбираем лампу для светильника по полученным данным из таблиц (1. стр.76) Параметры выбранной лампы: ЛДЦ-15 Ф=410 лм. Лампу проверяем, проходит ли она по световому потоку, если расчетный результат будет больше или меньше 10% то надо выбирать новую лампу, а может быть и светильник.
Расчет ведем методом удельных мощностей. Этот метод рекомендуется для второстепенных помещений, к освещению которых не придираются. Также этот метод применяется для определения осветительных нагрузок для начальных стадий проектирования. Значение удельной мощности зависит от типа и от света источника, размера помещения, высоты подвеса, светового коэффициента отражения (потолка, стен и рабочей поверхности) (2. стр. 73-78). Этим методом будет рассчитано 8 помещение (тамбуры). S=19.34 м2 Eн=20 лк Выбираем светильник: а) по назначению в) по степени защиты (2. стр. 55-58) (IP20). г) по экономическим показателям (2. стр. 59-64). Выбираем светильник марку и мощность, количество ламп. (НСО-02-1*150) Д-1 КПД=65% Определим рабочую высоту.
где H-высота помещения(м), hсв- высота свеса светильника от потолка (м), hр.п.- высота рабочей поверхности (м).
Определяем количество светильников по сторонам. А и В.
Относительные условия освещенности.
Ищем в таблице удельную мощность (2. стр. 73-74). Руд.(табл)=30.1 Вт/м2 Находим расчетную удельную мощность.
Находим мощность общую расчетную.
Находим мощность общую табл. и делаем проверку.
Выбираем тип лампы. Тип лампы Б215-225-150 Фл=2100 лм Рл=150 Вт Расчет ведем методом коэффициентного использования. Этот метод применяем в помещениях, где: а) нормируется горизонтальное освещение. б) отсутствуют крупные затеняющие предметы. в) имеются светлые заграждающие конструкции. Рассчитаем этим методом пятое помещение 5 (ветобработки животных). S=19.34 м2 Eн=20 лк Выбираем светильник: а) по назначению в) по степени защиты (2. стр. 55-58) (IP20). г) по экономическим показателям (2. стр. 59-64). Выбираем светильник марку и мощность, количество ламп. (НСО-02-1*100) Д-1 КПД=65% Определим рабочую высоту.
где H-высота помещения (м), hсв - высота свеса светильника от потолка (м), hр.п. - высота рабочей поверхности (м).
Определяем количество светильников по сторонам (А и В).
где Z-коэффициент неравномерности, N-количество светильников в рассчитываемом помещении, КПДоу - какая часть светового потока светильников используется на рабочей поверхности (2. стр. 16).
pпот=70% pстен=50% pраб=30% Вычитываем индекс помещения (2. стр. 68).
Выбираем тип лампы Б215-225-100 Фтабл=1350 лм Проверяем, пройдет ли выбранная лампа по световому потому.
Точечный метод для ламп накаливания Точечный метод применяется для расчета общего равномерного и локализованного освещения помещений и открытых пространств, а так же местного при любом расположении освещаемых плоскостей. Метод позволяет определить световой поток светильников, для создания требуемой освещенности в расчетной точке при известном размещении светильников и условий, что отражение от стен, потолка и рабочей поверхности не играет существенной роли. Рассчитаем этим методом пятое помещение 8 (тамбуры). S=19.34 м2 Eн=20 лк Выбираем светильник: а) по назначению в) по степени защиты (2. стр. 55-58) (IP54). г) по экономическим показателям (2. стр. 59-64). Выбираем светильник марку и мощность, количество ламп. (НПП-04-1*60) Д-1 КПД=50% Определим рабочую высоту.
где H-высота помещения (м), hсв - высота свеса светильника от потолка (м), hр.п. - высота рабочей поверхности (м).
Определяем количество светильников по сторонам (А и В).
Определяем условие освещенности в точке под светильником (так как светильник в этом помещении один то расчет упрощается, считаем только под светильником).
По полученным данным выбираем из Айзурбенга стр.176 выбираем тип лампочки: Б215-225-60 Фн=715 лм Наружное освещение принимаем такое же, как и в помещении, номер восемь. Рассчитываем помещение прожекторным методом. Сводная таблица по тем помещениям, которые не вошли в примеры расчетов.
3. Электрическая часть Расчет электрических осветительных сетей включает определение сечений проводов и кабелей, при которых рабочий ток линий не создает нагрева проводов и кабелей, при которых рабочий ток не создает перегрева проводов, обеспечиваются требуемые уровни напряжения у ламп и достаточная механическая прочность у проводов. Выбор схемы электроснабжения и напряжения осветительной установки. Питание осветительной сети осуществляется от трансформаторов. При напряжении силовых приемников 380 В питание установок осуществляется, как правило, от трансформаторов 380/220 В, общих для силовой и осветительной нагрузки.
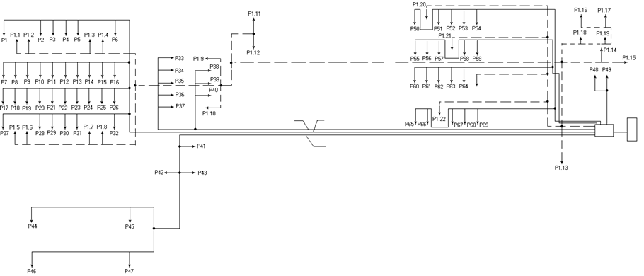
Рис. 2 Электрическая схема№1. Осветительные щиты напитываются через силовой осветительный щит. На каждый осветительный щит силовом распределительном пункте предусматривается отдельная группа. В сельскохозяйственном производстве в основном применяются осветительные сети переменного тока с заземленной нейтралью напряжением 380/220 В. Сети с изолированной нейтралью используются в специальных установках с повышенным требованием электробезопасности, а постоянный ток - для резервного питания особо ответственных осветительных приемников и в специальных электроустановках. Ниже приведены мощности осветительных установок:
Расчетная схема осветительной сети. Расчет сечения проводов на min проводников материал не считают. Для того чтобы сосчитать сечение проводов надо найти моменты всех ветвей и участков на приведенной сх.1. Ниже приведен полный расчет для одной группы светильников, а все остальные расчеты будут сведены в табл.№4. 4. Расчет технико-экономических показателей осветительной установки Проектирование освещения является многовариантной задачей. Каждый из возможных вариантов, создающий одинаковые условия освещения, может отличаться типом используемых светильников, проводов, видов проводки и т.п. Вследствие этого будут различными капитальные затраты, эксплутационные расходы и долговечность установки. 1. Экономическую эффективность осветительной установки оценивают приведенными затратами:
где З- приведенные затраты по рассматриваемому варианту, руб. Ен=0,15 – нормативный коэффициент эффективности капитальных вложений. К- капитальные вложения на сооружение осветительной установки, руб. Э- годовые эксплутационные расходы на систему искусственного освещения, руб. 2. Капитальные затраты на изготовление осветительной установки рассчитываются по формуле:
где N – общее число одного типа в осветительной установке, шт. Кл – цена одной лампы, руб. n- число ламп в одном светильнике, шт. Кс – цена одного светильника, руб. Км – стоимость монтажа одного светильника, руб.
Рл – мощность одной лампы, Вт. Кмэ – стоимость монтажа электротехнической части осветительной установки (щитки, сеть и др.) на 1 кВт установленной мощности ламп с учетом потерь в ПРА, ориентировочно принимается 100 руб./кВт. Стоимость монтажа светильника определяют по ценникам на электромонтажные работы или ориентировочно принимается равной 25% стоимости светильника. Эксплуатационные расходы складываются из стоимости электроэнергии, затрачиваемой на освещение, стоимости заменяемых ламп, стоимости чистки светильников и автоматизированных отчислений, которое для светильников, электрооборудование и осветительных сетей принимаются в размере 10% капитальных затрат. 3. Годовые эксплутационные расходы по содержанию искусственного освещения определяются по формуле:
где Эа – годовые затраты на амортизации системы освещения, руб. Эо – годовые расходы на обслуживание и текущий ремонт осветительной установки, руб. Ээ – стоимость израсходованной за год электрической энергии с учетом потерь в ПРА и сетях, руб. Амортизационные отчисления делаются с целью накопления средств для замены основного оборудования, выходящего из строя, по истечении срока службы. Следовательно, сумма этих отчислений определяется сроком службы отдельных элементов осветительной установки и капитальными затратами. 4. Амортизационные отчисления в размере 10% капитальных затрат, соответствующие 10- летнему сроку службы светильников, проводок и электрооборудования. Рассчитываются по формуле:
Годовые расходы на обслуживание и текущий ремонт осветительной установки складываются в основном из стоимости заменяемых ламп и расходов на
где Эл – стоимость сменяемых в течении года ламп, руб. Эч – расходы на чистку светильников за год, руб. Тр – продолжительность работы осветительной установки в год, ч. Тл – номинальный срок лампы, принимается для ламп накаливания общего назначения 1000 ч, для люминесцентных ламп 1200 ч. Сз – стоимость работ по замене одной лампы, руб. n1 – количество чисток светильников в год С1 – стоимость одной чистки одного светильника, руб. При отсутствии данных стоимости замены одной лампы эта величина определяется умножением стоимости чистки светильников на коэффициент 0,7. 5. Стоимость электрической энергии израсходованной за год, определяется по формуле:
|



