Курсовая работа: Проектирование транзитной тяговой подстанции для питания системы тяги 2 х 27,5 кВ
|
Название: Проектирование транзитной тяговой подстанции для питания системы тяги 2 х 27,5 кВ Раздел: Рефераты по физике Тип: курсовая работа | |||||||||||||||||||||||||||||||||||||||||||||||||||||||||||||||||||||||||||||||||||||||||||||||||||||||||||||||||||||||||||||||||||||||||||||||||||||||||||||||||||||||||||||||||||||||||||||||||||||||||||||||||||||||||||||||||||||||||||||||||||||||||||||||||||||||||||||||||||||||||||||||||||||||||||||||||||||||||||||||||||||||||||||||||||||||||||||||||||||||||||||||||||||||||||||||||||||||||||||||||||||||||||||||||||||||||||||||||||||||||||||||||||||||||||||||||||
Федеральное агентство железнодорожного транспорта Иркутский государственный университет путей сообщения Кафедра: ЭЖТ Курсовой проект Дисциплина: «Тяговые и трансформаторные подстанции» на тему: «Проектирование транзитной тяговой подстанции для питания системы тяги 2 х 27,5 кВ» Вариант №11 Выполнил: ст. гр. ЭНС-08 Колягин В.С. Проверил: канд. техн. наук, доц. Пузина Е.Ю. Иркутск 2010г Содержание Введение…………………………………………………………………………...4 Реферат………………………………………………………………………...…..6 Исходные данные………………………………………………………………....7 Глава №1. Однолинейная схема главных электрических соединений…….....10 1.1 Структурная схема тяговой подстанции…………………………………...10 1.2 Выбор типа силового трансформатора……………………………………..10 1.3 Выбор типа районного трансформатора…………………………………...11 1.4 Разработка однолинейной схемы тяговой подстанции……………………11 1.5 Описание назначения основных элементов схемы тяговой подстанции...12 1.6 Расчет максимальных рабочих токов основных присоединений………...13 1.7 Выбор аппаратуры и токоведущих частей…………………………….…...16 Глава №2. Расчет токов короткого замыкания…………………………….......22 2.1 Расчетная схема тяговой подстанции……………………………………....22 2.2 Электрическая схема замещения…………………………………………...22 2.3 Расчет сопротивлений элементов схемы замещения………………….......23 2.4 Расчет токов короткого замыкания на шинах РУ………………………....26 2.5 Выбор трансформатора собственных нужд………………………………..35 2.6 Схемы питания потребителей собственных нужд…………………….......37 2.7 Расчет токов короткого замыкания в цепях собственных нужд……….....39 Глава 3. Проверка токоведущих частей, изоляторов и аппаратуры по результатам расчета токов короткого замыкания……………………………..47 3.1 Расчет величины теплового импульса для всех РУ…………………….....47 3.2 Проверка шин и токоведущих частей………………………………………48 3.3 Проверка изоляторов……………………………………………………...…53 3.4 Проверка выключателей………………………………………………….....55 3.5 Проверка разъединителей……………………………………………...........61 3.6 Проверка заземлителей……………………………………………………...62 3.7 Проверка предохранителей………………………………………………....63 3.8 Проверка трансформаторов тока…………………………………………...63 3.9 Проверка трансформаторов напряжения (ТН)………………………….....72 3.10 Выбор аккумуляторной батареи и зарядно-подзарядного агрегата….....75 Глава 4. План тяговой подстанции……………………………………………..79 Глава 5. Расчет заземляющего устройства……………………………………..81 Глава 6. Экономическая часть проекта………………………………………...86 6.1 Определение стоимости тяговой подстанции……………………………...86 6.2 Основные технико-экономические показатели тяговой подстанции….....89 Список использованной литературы……………………………………...........90 Введение До 1956 года электрификация железных дорог проводилась на постоянном токе напряжением 3 кВ. В настоящее время она осуществляется как на постоянном, так и на переменном токе промышленной частоты напряжением 27,5 кВ и 2 х 27,5 кВ. Применение переменного тока для электрической тяги более экономично по сравнению с постоянным током, как по капитальным вложениям, так и по эксплуатационным расходам. При напряжении 25 кВ среднее расстояние между тяговыми подстанциями составляет 50 км вместо 20 км при напряжении 3 кВ постоянного тока, что уменьшает примерно в 2 раза общее количество дорогостоящих тяговых подстанций для одного и того же электрифицированного участка. Кроме того, при потреблении электроподвижным составом одной и той же мощности потери энергии в контактной сети при напряжении 27,5 кВ во много раз меньше, чем при напряжении 3 кВ, что позволяет выполнить контактную подвеску проводами меньшего сечения. В данном курсовом проекте я рассматриваю систему тяги переменного тока 2 х 27,5 кВ, которая позволяет увеличить среднее расстояние между тяговыми подстанциями до 100 км. Электрическая тяга является основным потребителем электроэнергии на железнодорожном транспорте. Кроме того, электроэнергия на железных дорогах расходуется на различные технические нужды: освещение вокзалов и станций, выполнение работ по ремонту подвижного состава, пути, изготовление запасных частей и т.д. Удовлетворение потребности железнодорожного транспорта в электроэнергии осуществляется в основном путём присоединения железнодорожных электроустановок к районным сетям энергосистемы. Тяговые подстанции это сложные и мощные электроустановки, требующие от персонала глубоких знаний устройства электроустановок, электрооборудования, схем и аппаратуры управления, а также знаний по технике безопасности при проведении всех работ на тяговых подстанциях. Проектирование тяговой подстанции выполняется с учетом действующих правил и норм на основании имеющегося опыта эксплуатации и имеющихся достижений науки и технике в области электрифицированного железнодорожного транспорта. Целью курсового проекта являются обобщения и углубления студентами знаний по дисциплине, изучение современных проблем проектирования. Грамотно эксплуатировать оборудование тяговой подстанции, уметь наблюдать и анализировать происходящие в нем процессы, при необходимости наметить пути усовершенствования отдельных узлов и иметь уверенность в том, что их осуществление возможно только после тщательного целенаправленного изучения принципа действия и устройства всего того единого целого, что объясняется названием тяговая подстанция. Реферат В данном курсовом проекте произвели выбор типов понижающих трансформаторов для питания тяговых, районных и нетяговых железнодорожных потребителей. Разрабатывается схема главных электрических соединений тяговой подстанции системы тяги соответствующей варианту задания. Рассчитываются токи коротких замыканий на шинах тяговой подстанции. С учётом рассчитанных токов коротких замыканий производится выбор и проверка аппаратуры, токоведущих частей и изоляторов, применяемых на данной тяговой подстанции. Производится выбор ТСН и аккумуляторной батареи. Рассчитываются заземляющие устройства. Производится расчёт технико-экономических показателей тяговой подстанции. Разрабатывается план и разрезы подстанции. Исходные данные Схема внешнего электроснабжения.
Рис.1. Двухцепная ЛЭП – 110 кВ. Тяговая подстанция №4. Род тока – переменный. Характеристика источников питания. ИП 1; ИП 2: 5. Данные по подстанции. Понижающий тяговый трансформатор ОРДТНЖ-25000/110:
Количество трансформаторов – 3; Понижающий районный трансформатор ТДН-16000/110/10:
Количество трансформаторов – 2; Количество фидеров – 5;
6. Длины участков ЛЭП. l1 =79 км; l2 =72 км; l3 =75 км; l4 =70 км; l5 =72 км; l6 =79 км; 7. Характеристика потребителей собственных нужд. Таблица 1.
8. Данные для расчёта заземляющих устройств. Сопротивление верхнего слоя земли: Сопротивление нижнего слоя земли: Толщина верхнего слоя земли: Время протекания 9. Выдержка времени релейной защиты. Вводы 110 кВ – 2.0 с; Вводы 10 кВ – 1.0 с; Вводы 2х27.5 кВ – 1.0 с; Фидер 2х27.5 кВ – 0.5 с; Фидер 10 кВ – 0.5 с; Глава 1. Однолинейная схема главных электрических соединений 1.1 Структурная схема тяговой подстанции
1.2 Выбор типа силового трансформатора Согласно исходным данным выбираем трансформатор типа: ОРДНЖ-25000/110–76 У1 Технические характеристики трансформатора ОРДНЖ-25000/110–76 У1 Таблица 2.
1.3 Выбор типа районного трансформатора Согласно исходным данным выбираем трансформатор типа: ТДН-16000/110–66 Технические характеристики трансформатора ТДН-16000/110–66 Таблица 3.
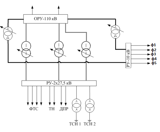
1.4 Разработка однолинейной схемы тяговой подстанции Согласно ПУЭ электрифицированные железных дороги относится к потребителям первой категории, для которых перерыв в электроснабжении не допускается, поэтому схемы электроснабжения выполняют таким образом, что при повреждении или ремонте любого элемента обеспечивалось непрерывное питание ЭПС. Конфигурация и основные особенности схемы внешнего электроснабжения тяговых подстанций зависят от значения питающего напряжения и надежности элементов системы, в частности ЛЭП и коммутационных аппаратов. Однолинейная схема определяет состав необходимого высоковольтного оборудования, а дальнейшие расчеты позволяют выбрать тип оборудования. Проектируемая транзитная подстанция переменного тока имеет три распределительных устройства напряжением 110, 2х27,5 и 10 кВ. ОРУ-110 кВ выполнено по схеме два ввода с двумя перемычками: рабочей перемычкой содержащей выключатель и ремонтной перемычкой без выключателя, а также имеется дополнительная перемычка для подключения дополнительного трансформатора. ОРУ-2х27.5 кВ выполнено по схеме одна трёхфазная рабочая система сборных шин секционированная разъединителями и одна обходная система сборных шин. РУ-10 кВ выполнено по схеме одна рабочая система сборных шин, секционированная выключателем. 1.5 Описание назначения основных элементов схемы тяговой подстанции К основным элементам тяговой подстанции относятся: Силовые трансформаторы предназначены для преобразования электрической энергии по уровню напряжения. Для компенсации колебания напряжения в питающей сети, трансформаторы оборудуют устройством для регулирования напряжения под нагрузкой. Высоковольтные выключатели переменного тока – предназначены для включения и отключения высоковольтных цепей переменного тока в нормальном и аварийном режимах работы. Разъединители – аппараты, применяемые в электроустановках выше 1000 В и предназначенные для коммутации предварительно обесточенных электрических цепей, а также для создания видимого разрыва цепи, обеспечивающего безопасность работы персонала. Трансформаторы тока – предназначены для преобразования электрической энергии по уровню тока с целью уменьшения первичного тока до значений наиболее удобных для питания измерительных приборов и реле, а также для отделения цепей измерения и защиты от первичных цепей высокого напряжения. Трансформаторы напряжения – предназначены для преобразования электрической энергии по уровню напряжения с целью понижения первичного напряжения до величины, удобной для питания приборов и реле, а также для изоляции цепей обмоток вольтметров, счётчиков, реле и других приборов от сети первичного напряжения. Ограничители перенапряжений – предназначены для защиты изоляции электрических цепей, электрооборудования и аппаратуры от атмосферных и коммутационных перенапряжений. Токоведущие части – неизолированные и изолированные проводники, предназначенные для соединения источников с приёмниками энергии через различные переключающие аппараты. Изоляторы – электротехнические устройства предназначенные для электрической изоляции и механического крепления электроустановок или их отдельных частей, находящихся под разными электрическими потенциалами. ТСН – предназначены для преобразования электрической энергии по уровню напряжения до значения 380/220 В и для питания собственных нужд тяговой подстанции. 1.6 Расчёт максимальных рабочих токов основных присоединений Максимальный рабочий ток вводов и перемычки тяговой подстанции определим, используя выражение:
где
nт – число понижающих трансформаторов; nт – число понижающих районных трансформаторов;
Максимальный рабочий ток обмотки высокого напряжения тягового трансформатора определим по формуле:
где:
Максимальный рабочий ток обмотки низкого напряжения тягового трансформатора определим, используя выражение:
где:
Сборные шины низкого напряжения (2х27,5 кВ):
где:
Максимальный рабочий ток обмотки высокого напряжения районного трансформатора определим по формуле:
где:
Обмотка низкого напряжения районного трансформатора:
где:
Сборные шины низкого напряжения районных потребителей (10 кВ):
Максимальные рабочие токи фидеров районных потребителей определим по формуле:
где
Ток фидера районного потребителя
Ток фидера контактной сети (2х27,5) принимаем: 1.7 Выбор аппаратуры и токоведущих частей подстанции Для обеспечения надёжной работы аппаратуры и токоведущих частей электроустановки необходимо правильно выбрать их по условиям длительной работы в нормальном режиме и кратковременной работы в режиме короткого замыкания. Выбор аппаратуры и токоведущих частей выполняется по номинальному току и напряжению: Uуст £ Uн ; Iраб.max £ Iн , где Uуст – номинальное напряжение установки; Uн – номинальное напряжение аппарата; Iраб.max – максимальный рабочий ток присоединения, где установлен аппарат; Iн – номинальный ток аппарата. Выбор шин и токоведущих частей. Вводы и перемычка ТП (110 кВ): Iраб max = 1168,14 А; Выбираем провод АС - 700Iдоп = 1180 А Вводы ВН понижающего тягового трансформатора(110 кВ): Iраб max = 340,91 А; Выбираем провод АС - 120Iдоп = 390 А Вводы НН понижающего тягового трансформатора(2х27,5 кВ): Iраб max = 681,82 А; Выбираем провод АС - 330Iдоп = 730 А Вводы ВН районного понижающего трансформатора(110 кВ): Iраб max = 125,97 А; Выбираем провод АС - 270Iдоп = 265 А Вводы НН районного понижающего трансформатора(10 кВ): Iраб max = 1385,64 А; Выбираем шину А-100´8Iдоп = 1625 А Сборные шины низкого напряжения (2х27,5 кВ): Iраб max = 954,55 А; Выбираем провод АС - 500Iдоп = 960 А Сборные шины низкого напряжения (10 кВ): Iраб max = 1293,26 А; Выбираем шинуА-60´8Iдоп = 1320 А Фидеры районных потребителей (10 кВ): Iраб max = 112,58 А; Выбираем шинуА-20´3Iдоп = 275 А Фидеры контактной сети (2х27,5 кВ) Iраб max = 400 А; Выбираем провод АС – 150Iдоп = 450 А Выбор изоляторов. РУ-110 кВ: ЛК-120/110; РУ-2х27,5 кВ: ЛК-120/35; РУ-10 кВ: ИО-10-3,75У3, ИП-10/1600-750У Выбор выключателей. РУ-110 кВ: Перемычка ТП:Iраб max = 1168,14 А; РМ-121-20/1200 Iном = 1200 А;Uном = 110 кВ; Вводы ВН тягового трансформатора:Iраб max = 340,91 А; РМ-121-20/1200 Iном = 1200 А;;Uном = 110 кВ; Вводы ВН районного трансформатора:Iраб max = 125,97 А; РМ-121-20/1200 Iном = 1200 А;Uном = 110 кВ; РУ-2х27,5 кВ: Вводы НН понижающего трансформатора:Iраб max = 681,82 А; ВГБЭ-35- 12,5/1000Iном = 1000 А;Uном = 35 кВ; Обходной выключатель: Iраб max = 954,55 А; ВГБЭ-35- 12,5/1000Iном = 1000 А;Uном = 35 кВ; Фидеры контактной сети:Iраб max = 400 А; ВГБЭ-35- 12,5/630Iном = 630 А;Uном = 35 кВ; Фидеры ДПР: ВГБЭ-35- 12,5/630Iном = 630 А;Uном = 35 кВ; Вводы ТСН: ВГБЭ-35- 12,5/630Iном = 630 А;Uном = 35 кВ; РУ-10 кВ: Вводы НН понижающего трансформатора:Iраб max = 1385,64 А; ВВ/TEL-10-20/1600Iном = 1600 А;Uном = 10 кВ; Фидеры районных потребителей:Iраб max = 112,58 А; ВВ/TEL-10-12,5/630Iном = 630 А;Uном = 10 кВ; Секционный выключатель: Iраб max = 1293,26 А; ВВ/TEL-10-20/1600Iном = 1600 А;Uном = 10 кВ; Выбор разъединителей. РУ-110кВ Вводы и перемычка ТП (110 кВ): Iраб max = 1168,14 А; РГ-110-2000 Iном = 2000 А; Uном = 110 кВ; Вводы ВН тягового трансформатора:Iраб max = 340,91 А; РГ-110-1000 Iном = 1000 А; Uном = 110 кВ; Вводы ВН районного трансформатора:Iраб max = 125,97 А; РГ-110-1000 Iном = 1000 А; Uном = 110 кВ; РУ-2х27,5 кВ: Вводы НН понижающего трансформатора:Iраб max = 681,82 А; РГ-35-1000Iном = 1000 А; Uном = 35 кВ; Цепь обходного выключателя: Iраб max = 954,55 А; РГ-35-1000Iном = 1000 А; Uном = 35 кВ; Фидеры контактной сети:Iраб max = 400 А; РГ-35-1000Iном = 1000 А; Uном = 35 кВ; Фидеры ДПР: РГ-35-1000Iном = 1000 А; Uном = 35 кВ; Вводы ТСН: РГ-35-1000Iном = 1000 А; Uном = 35 кВ; РУ-10кВ: Вводы НН понижающего трансформатора:Iраб max = 1385,64 А; РГ-35-2000Iном = 2000 А; Uном = 35 кВ; Выбор заземлителей Фидеры районных потребителей:Iраб max = 112,58 А; ЗР-10 НУЗI терм. ст. =90 А; Uном = 10 кВ; Секционный выключатель: Iраб max = 1293,26 А; ЗР-10 НУЗI терм. ст. =90 А;Uном = 10 кВ Выбор предохранителей Предохранители на напряжение свыше 1000 В используют для защиты трансформаторов напряжения в РУ – 6; 10 кВ, при этом применяют предохранители типа ПКН, ПК и ПКТ (трубчатые с кварцевым заполнителем). Предохранители выбирают по номинальному току: Выбираем трубчатый предохранитель с кварцевым заполнителем, для ТН типа: ПКТ104-10-100-31,5 У3 Выбор трансформаторов тока. РУ-110 кВ: Рабочая перемычка ТП: Iраб max = 1168,14 А; ТВ-110-1200/5I1ном = 1200 А; Uном = 110 кВ; Ремонтная перемычка ТП: Iраб max = 1168,14 А; ТГФ-110-1200/5 I1ном = 1200 А; Uном = 110 кВ; Вводы ВН тягового трансформатора:I раб max = 340,91 А; ТВ-110-400/5I1ном = 400 А; Uном = 110 кВ; Вводы ВН районного трансформатора: Iраб max = 125,97 А; ТВ-110-150/5I1ном = 150 А; Uном = 110 кВ; РУ-2х27,5 кВ: Цепь обходного выключатель: Iраб max = 954,55 А; ТВ-35-1000/5I1ном = 1000 А; Uном = 35 кВ; Вводы НН понижающего трансформатора: Iраб max = 681,82 А; ТВ-35-800/5I1ном = 800 А; Uном = 35 кВ; Фидеры контактной сети: Iраб max = 400 А; ТВ-35-400/5I1ном = 400 А; Uном = 35 кВ; Фидеры ДПР: ТВ-35-400/5I1ном = 400 А; Uном = 35 кВ; Вводы ТСН: ТВ-35-400/5I1ном = 400 А; Uном = 35 кВ; РУ-10кВ: Вводы НН понижающего трансформатора:Iраб max = 1385,64 А; GDS-10-1500/5 I1ном = 1500 А; Uном = 10 кВ; Секционный выключатель: Iраб max = 1293,26 А; GDS-10-1500/5 I1ном = 1500 А; Uном = 10 кВ; Фидеры районных потребителей:Iраб max = 112,58 А; GDS-10-150/5 I1ном = 150 А; Uном = 10 кВ; Выбор трансформаторов напряжения. РУ-110 кВ. Перемычка транзитной ТП Три однофазныхТН: 3хЗНОГ-110 РУ-2х27,5 кВ. Шины тягового РУ-2х27,5 кВ Четыре однофазных ТН: 4´ЗНОЛ-35 РУ-10 кВ. Шина районного РУ-10 кВ Однофазные ТН: 3хНОЛ-10 Выбор ограничителей перенапряжения. РУ-110 кВ ОПН-У/ТЕL-110-УХЛ1 Uн = Uн.уст = 110 кВ РУ-2х27,5 кВ ОПН-У/TEL-27,5-УХЛ1 Uн = Uн.уст = 27,5 кВ РУ-10 кВ ОПН-Т/TEL-10-УХЛ1 Uн = Uн.уст = 10 кВ Глава 2. Расчёт токов короткого замыкания 2.1 Расчетная схема тяговой подстанции
2.2 Электрическая схема замещения
2.3 Расчёт сопротивлений элементов схемы замещения Расчет сопротивлений системы По расчётной схеме (рис.6) и схеме замещения (рис.7.) найдём относительные сопротивления энергосистемы:
где:
Относительные сопротивления ЛЭП:
где: l – длина линии, км. Относительные сопротивления обмоток районного трансформатора:
где: Преобразуем схему замещения до точки К3 (Рис.8.):
Преобразуем треугольник сопротивлений
Звезду сопротивлений
Убираем ветвь, содержащую сопротивление
Преобразуем схему замещения до точки К3:
Преобразуем звезду сопротивлений
Убираем ветвь, содержащую сопротивление После преобразования получим схему (рис.8.ж).
2.4 Расчёт токов короткого замыкания на шинах РУ Расчет токов короткого замыкания на шинах ОРУ 110 кВ Проверяем на удалённость точку короткого замыкания К1:
следовательно, короткое замыкание удалённое от первого источника питания.
следовательно, короткое замыкание удалённое от второго источника питания. где: При расчёте токов короткого замыкания от первого и второго источников используем приближенный метод, так как короткое замыкание удалённое. Расчёт периодической составляющей.
Расчёт апериодической составляющей. Апериодическую составляющую определим по формуле:
где:
- время отключения тока короткого замыкания;
Определение ударного тока.
где: Определение полного тока короткого замыкания.
Ток однофазного к. з.
Расчет токов короткого замыкания на шинах РУ 10 кВ Проверяем на удалённость точку короткого замыкания К3:
следовательно, короткое замыкание удалённое от первого источника питания.
следовательно, короткое замыкание удалённое от второго источника питания. Где: При расчёте токов короткого замыкания от первого и второго источников используем приближенный метод, так как короткое замыкание удалённое. Расчёт периодической составляющей.
Расчёт апериодической составляющей. Апериодическую составляющую определим по формуле:
где:
- время отключения тока короткого замыкания;
для выключателя BB/TEL-10/1600
Определение ударного тока.
где: Определение полного тока короткого замыкания.
Расчет токов короткого замыкания на шинах РУ 2х27,5 кВ Определение тока короткого замыкания между контактным проводом и рельсовой цепью (периодическая составляющая):
где: n – количество работающих трансформаторов;
где:
Определение тока короткого замыкания между контактным и питающим проводом (периодическая составляющая):
где: n – количество работающих трансформаторов;
где:
так как Расчёт апериодической составляющей. Апериодическую составляющую определим по формуле:
где:
для выключателя ВГБЭ-35/1000
Определение ударного тока.
где: Определение полного тока короткого замыкания.
2.5 Выбор трансформатора собственных нужд На тяговой подстанции устанавливают два ТСН с вторичным напряжением 380/220 В, каждый из которых рассчитан на полную мощность собственных нужд. Питание ТСН на тяговых подстанциях переменного тока осуществляем от шин 2 ´ 27,5 кВ. Необходимая мощность для питания собственных нужд переменного тока может быть определена суммированием всех мощностей потребителей подстанции. Расчётная мощность для питания собственных нужд (мощность ТСН) определяется: Расчётную мощность ТСН определим по формуле:
где: Sу – установленная мощность ТСН:
где:
где:
Мощность подогрева элегаза и приводов высоковольтных выключателей: Таблица №4.
Данные по цепям собственных нужд: Таблица №5.
По рассчитанной мощности выбираем ТСН типа: ТМ –160/27,5 – 74 У1. Технические характеристики трансформатора ТМ – 160/27,5 – 74 У1. Таблица № 6
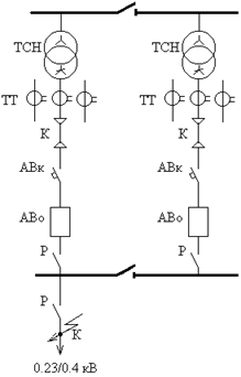
2.6 Схемы питания потребителей собственных нужд Питание потребителей собственных нужд переменного тока осуществляется от системы сборных шин 380/220 В. В качестве резервного источника электроэнергии собственных нужд переменного тока используют дизель – генератор.
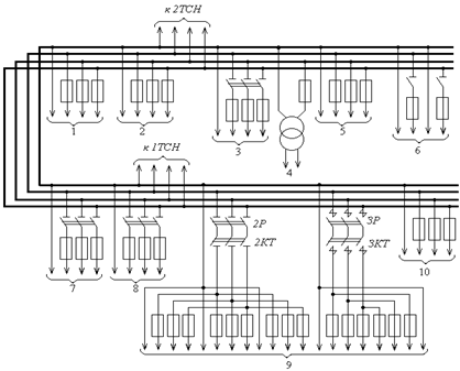
Рис.3. Принципиальная схема питания СН переменного тока открытой части тяговой подстанции: фидеры: 1 и 10 – шкафа СН в здании подстанции; 2 – обдува понижающих трансформаторов; 3 – ВЛСЦБ; 4 – освещения камер 10 кВ и СЦБ; 5 – резервный; 6 – освещения открытой части подстанции; 7 – передвижного масляного хозяйства; 8 – питания дистанций контактной сети; 9 – подогрева элегаза и приводов высоковольтных выключателей и ячеек КРУН.
Рис.4. Принципиальная схема питания СН переменного тока закрытой части тяговой подстанции: фидеры: 1 – сверлильного и наждачного станков; 2 – электрических печей щитовой и подсобных помещений; 3 – электрических печей; 4 – насоса откачки воды из баков для слива масла; 5 – питания двигателей вентиляторов машинного зала; 6,7 и 8 – питания соответственно пульта дистанционного управления разъединителями контактной сети, стоек телемеханики и автоматики; 9 – питания подзарядных устройств; 10 – калориферов и вентиляторов помещения аккумуляторной батареи; 11 – освещения здания тяговой подстанции; 12 – электрических печей помещения дизель – генератора; 13 – вентиляторов помещения дизель – генератора. Вводы: I и III – фидеров СН от ТСН на открытой части тяговой подстанции; II – резервный от дизель – генератора
Рис.5. Принципиальная схема питания СН постоянного тока. Цепи питания: 1 – приводов высоковольтных выключателей; 2 – устройств управления и сигнализации; 3 – аварийного освещения; 4 – унифицированного преобразователя напряжения устройств автоматики и телемеханики. 2.7 Расчёт токов короткого замыкания в цепях собственных нужд При расчёте необходимо учесть особенности: Учитываем активное и реактивное сопротивление цепи КЗ; Расчёт сопротивлений выполняем в именованных единицах (Ом, мОм); Определяем конкретные значения времени затухания апериодической составляющей тока Расчёт периодической составляющей тока КЗ ведется по закону Ома; Необходимость учёта сопротивлений всех элементов цепи КЗ. Составим расчётную схему цепей собственных нужд:
Рис. 9. Составляем схему замещения
Рис. 10. Преобразуем схему замещения.
Рис. 11. Найдём максимально рабочий ток во вторичной обмотке трансформатора собственных нужд:
где: кпер – коэффициент перегрузки трансформатора, равный 1,5; SнТСН – номинальная мощность трансформатора собственных нужд, кВА; Ucр – среднее напряжение вторичной обмотки ТСН, равное 0,38 кВ.
Найдём сопротивление ТСН:
где: uк – напряжение короткого замыкания ТСН, %;
Найдём сопротивление трансформатора тока: ТК – 20 – 400/5 rтт = 0,11 Ом хтт = 0,17 Ом Найдём сопротивление автоматического выключателя: А3790С – 400 rАВ = 0,15 Ом хАВ = 0,1 Ом Найдём сопротивление материала кабеля:
где:
ААГУ-3´185 В качестве четвёртой жилы используем алюминиевую оболочку кабеля [9].
380 > 365 А
где: х0 – 0,0602 [2]
Найдём сопротивление рубильника: РПЦ – 32 – 400 rр = 0,2 мОм Найдём сопротивление системы:
где:
Определяем суммарное активное и реактивное сопротивления:
Найдём периодическую составляющую:
где: z – полное сопротивление цепи короткого замыкания Ом;
Для определения ударного тока и апериодической составляющей тока короткого замыкания определим постоянную времени затухания апериодической составляющей по формуле:
где:
Определим ударный коэффициент:
Апериодическую составляющую тока короткого замыкания определим по формуле:
Определим ударный ток короткого замыкания.
где:
Определим полный ток короткого замыкания по формуле:
Глава 3. Проверка токоведущих частей, изоляторов и аппаратуры по результатам расчета токов короткого замыкания 3.1 Расчёт величины теплового импульса для всех РУ Для проверки аппаратуры и токоведущих частей выполняется расчёт величины теплового импульса для всех РУ по выражению:
где
где
Результаты расчета оформим в виде таблицы: Таблица № 7
3.2 Проверка шин и токоведущих элементов Шины открытых РУ 110 кВ и 2х27,5 кВ выполняют сталеалюминевыми гибкими проводами марки АС. Проверка гибких шин РУ – 110 кВ и РУ 2х27,5 кВ. Проверка на термическую стойкость выполняется по формуле: где: Минимальное сечение, при котором протекание тока КЗ не вызывает нагрев проводника выше допустимой температуры:
где: С – константа, значение которой для алюминиевых шин равно 90, Проверка по условию отсутствия коронирования где: E0 – максимальное значение начальной критической напряженности электрического поля, при котором возникает разряд в виде короны, кВ/см,
где: m – коэффициент, учитывающий шероховатость поверхности провода (для многопроволочных проводов m = 0.82); rпр – радиус провода, см. E – напряжённость электрического поля около поверхности провода, кВ/см,
где U – линейное напряжение, кВ; Dср – среднее геометрическое расстояние между проводами фаз, см. При горизонтальном расположении фаз Здесь в – расстояние между соседними фазами, см. Для сборных шин приняты расстояния между проводами разных фаз –1,6 и 3,0 м для напряжений 35 и 110 кВ соответственно. Вводы и перемычка ТП (110 кВ), тип шин АС – 700 [4] по термической стойкости:
700мм2 > 22,217мм2 по условию отсутствия коронирования
Вводы ВН понижающего тягового тр-ра(110 кВ), тип шин АС – 120 [4] по термической стойкости:
120мм2 > 22,217мм2 по условию отсутствия коронирования
Вводы ВН районного понижающего тр-ра(110 кВ), тип шин АС – 70 [4] по термической стойкости:
70мм2 > 22,217мм2 по условию отсутствия коронирования
Ввод НН тягового понижающего тр-ра(2х27,5), тип шин АС – 330 [4] по термической стойкости:
330мм2 > 31,307мм2 по условию отсутствия коронирования
Сборные шины НН(2х27,5), тип шин АС – 500 [4] по термической стойкости:
500мм2 > 31,307мм2 по условию отсутствия коронирования
Фидеры контактной сети (2х27,5), тип шин АС – 150 [4] по термической стойкости:
150мм2 > 22,987мм2 по условию отсутствия коронирования
Выбор жестких шин РУ – 10 кВ. 1. Проверка на электродинамическую устойчивость: где:
где l – расстояние между соседними опорными изоляторами, м ( РУ - 10 кВ: l = 1м); а – расстояние между осями шин соседних фаз, м ( РУ - 10 кВ: а = 0.25 м ); iу – ударный ток трёхфазного короткого замыкания, кА; W – момент сопротивления шины относительно оси, перпендикулярной действию усилия, м3 при расположении шин на ребро:
при расположении шин плашмя:
где: b и h – толщина и ширина шины, м Вводы НН районного понижающего тр-ра(10 кВ),, тип шин А - 100´ 8 по термической стойкости:
800мм2 > 62,005мм2 по электродинамической устойчивости:
40 > 8,732 МПа Сборные шины НН районных потребителей(10 кВ), тип шин А - 60´ 8 по термической стойкости:
600мм2 > 62,005мм2 по электродинамической устойчивости:
40 > 2,563 МПа Фидеры районного потребителя (10 кВ), тип шин А - 20´ 3 по термической стойкости:
60мм2 > 44,972мм2 по электродинамической устойчивости:
40 > 34,927 МПа 3.3 Проверка изоляторов Шины подвешиваются с помощью полимерных подвесных изоляторов. Марки изоляторов и их технические данные представлены в таблице №7 для РУ 110 кВ и РУ 2х27,5 кВ. Таблица № 8.
В РУ – 10 кВ шины крепятся на опорных и проходных изоляторах. Опорных изоляторах ИО 10 – 3,75 У3 1. по номинальному напряжению: 2. по допустимой нагрузке:
где:
где: l – расстояние между соседними опорными изоляторами, м ( РУ – 10 кВ: l = 1м); а – расстояние между осями шин соседних фаз, м ( РУ – 10 кВ: а = 0,25 м );
225>122,944 даН Выбор проходных изоляторов: ИП – 10/1600-750 У 1. по номинальному напряжению:
2. по допустимому току:
3. по допустимой нагрузке:
где:
1250>61,472 даН 3.4 Проверка выключателей Выключатели проверяются: на электродинамическую стойкость: где
на термическую стойкость: где:
3. по номинальному току отключения: где:
4. по полному току отключения: где: iк – полный ток КЗ; 5. по номинальному току отключения апериодической составляющей тока КЗ: где:
где:
6. по включающей способности: где: РУ-110 кВ Выключатель: РМ – 121 – 20/1200 на электродинамическую стойкость: 3,160 < 102 кА на термическую стойкость: 3,998 < 202 3,998 < 1200 кА2 3. по номинальному току отключения: 1,388 < 20 кА 4. по номинальному току отключения апериодической составляющей тока КЗ:
0,342 < 13,010 кА 5. по полному току отключения:
41,295 > 2,305 кА 6. по включающей способности: 1,388 < 20 кА
3,160 < 102 кА РУ_2х27,5 кВ Выключатель: ВГБЭ-35-12,5/1000 на электродинамическую стойкость: 6,121 < 32 кА на термическую стойкость: 7,939 < 12,52 7,939 < 486,750 кА2 3. по номинальному току отключения: 2,705 < 12,5 кА 4. по номинальному току отключения апериодической составляющей тока КЗ:
0,313 < 5,816 кА 5. по полному току отключения:
23,494 > 4,254 кА 6. по включающей способности: 2,705 < 12,5 кА
6,121 < 32 кА Выключатель: ВГБЭ-35-12,5/630 на электродинамическую стойкость: 6,121 < 32 кА на термическую стойкость: 4,280 < 12,52 4,280 < 486,750 кА2 3. по номинальному току отключения: 2,705 < 12,5 кА 4. по номинальному току отключения апериодической составляющей тока КЗ:
0,313 < 5,816 кА 5. по полному току отключения:
23,494 > 4,254 кА 6. по включающей способности: 2,705 < 12,5 кА
6,121 < 32 кА РУ-10 кВ Выключатель: ВВ/TEL-10-20/1600 на электродинамическую стойкость: 13,215 < 52 кА на термическую стойкость: 31,141 < 202 31,141 < 1200 кА2 3. по номинальному току отключения: 5,433 < 20 кА 4. по номинальному току отключения апериодической составляющей тока КЗ:
3,342 < 16,235 кА 5. по полному току отключения:
44,519 > 25,677 кА 6. по включающей способности: 5,433 < 20 кА
13,215 < 52 кА Выключатель: ВВ/TEL-10-12,5/630 на электродинамическую стойкость: 13,215 < 32 кА на термическую стойкость: 16,382 < 12,52 16,382 < 468,75 кА2 3. по номинальному току отключения: 5,433 < 12,5 кА 4. по номинальному току отключения апериодической составляющей тока КЗ:
3,342 < 10,147 кА 5. по полному току отключения:
27,825 > 25,677 кА 6. по включающей способности: 5,433 < 12,5 кА
13,215 < 32 кА 3.5 Проверка разъединителей Разъединители проверяются: на электродинамическую стойкость: где
на термическую стойкость: где:
РУ-110 кВ Разъединитель РГ-110-2000 на электродинамическую стойкость: 3,160 < 100 кА на термическую стойкость: 3,998 3,998 < 4800 кА Разъединитель РГ-110-1000 на электродинамическую стойкость: 3,160 < 80 кА на термическую стойкость: 3,998 3,998 < 2976,75 кА РУ_2х27,5 кВ Разъединитель РГ-35-1000 на электродинамическую стойкость: 6,121 < 40 кА на термическую стойкость: 7,993 7,993 < 768 кА РУ-10 кВ Разъединитель РГ-35-2000 на электродинамическую стойкость: 13,215 < 80 кА на термическую стойкость: 31,141 31,141 < 2976,75 кА 3.6 Проверка заземлителей Заземлитель ЗР-10 НУЗ на электродинамическую стойкость: 13,215 < 235 кА на термическую стойкость: 31,141 31,141 < 8100 кА 3.7 Проверка предохранителей ПКТ104-10-100-31,5 У3 Предохранители проверяют по номинальному току отключения: 25,677< 31,5 кА 3.8 Проверка трансформаторов тока Разработка схем измерений Схемы измерений необходимы для определения расчетных длин проводов, зависящих от схемы подключения. Схемы подключения трансформаторов тока
Трансформаторы тока проверяется: На электродинамическую стойкость: где:
2. Проверка на термическую стойкость: где:
где:
3. Проверка на соответствие классу точности для номинальной нагрузки: где:
Так как индуктивное сопротивление токовых цепей невелико, то:
где:
где: qпр - сечение проводов, которое не должно быть меньше 4 ´10-6 м2 для алюминия и 2,5 ´10-6 м2 для меди, но не более 10 ´10-6 м2;
Встроенные ТТ на электродинамическую и термическую стойкости не проверяем. РУ-110 кВ Рабочая перемычка ТП. Тип ТТ: ТВ – 110 – 1200/5 1. на соответствие классу точности для номинальной нагрузки: z2 £ z2ном; z2 = r2 = rприб + rпр + rк; rприб = Амперметр: Э8021; Счетчик учета электроэнергии: Альфа Sприб = Sa + S сч = 1,5 + 0,05 = 1,55 Вт rприб = rпр = r× r2 = rприб + rпр + rк = 0,062 + 0,71 + 0,05 = 0,822 Ом; r2ном = Ремонтная перемычка ТП. Тип ТТ: ТГФ-110-1200/5 1. на электродинамическую стойкость: 3,160 < 100 кА 2. проверка на термическую стойкость:
3,998 < 2700 кА2с 3. на соответствие классу точности для номинальной нагрузки: Класс точности: 0,5 Амперметр Э8021:
2 > 0,82 Ом Ввод ВН тягового трансформатора: Тип ТТ: ТВ – 110– 400/5 1. на соответствие классу точности для номинальной нагрузки: Класс точности: 0,5 Амперметр Э8021: Счетчик учета электроэнергии: Альфа:
1 > 0,822 Ом Ввод ВН районных трансформатора: Тип ТТ: ТВ – 110– 150/5 1. на соответствие классу точности для номинальной нагрузки: Класс точности: 0,5 Амперметр Э8021: Счетчик учета электроэнергии: Альфа:
1 > 0,822 Ом РУ_2х27,5 кВ Цепь обходного выключателя: Тип ТТ: ТВ – 35– 1000/5 1. на соответствие классу точности для номинальной нагрузки: Класс точности: 0,5 Амперметр Э8021:
1,2 > 0,64 Ом Вводы НН тягового трансформатора: Тип ТТ: ТВ – 35– 800/5 1. на соответствие классу точности для номинальной нагрузки: Класс точности: 0,5 Амперметр Э8021: Счетчик учета электроэнергии: Альфа:
1,2 > 0,642 Ом Фидер КС: Тип ТТ: ТВ – 35– 400/5 1. на соответствие классу точности для номинальной нагрузки:
Класс точности: 0,5 Амперметр Э8021:
1 > 0,64 Ом Фидер ДПР, ТСН: Тип ТТ: ТВ – 35– 400/5 1. на соответствие классу точности для номинальной нагрузки: Класс точности: 0,5 Амперметр Э8021: Счетчик учета электроэнергии: Альфа:
1 > 0,642 Ом РУ-10 кВ Ввод НН районного трансформатора: Тип ТТ: GDS – 10 – 1500/5 1. на электродинамическую стойкость: 13,215 < 300 кА 2. проверка на термическую стойкость:
31,141 < 14400 кА2с 3. на соответствие классу точности для номинальной нагрузки: Класс точности: 0,5 Амперметр Э8021: Счетчик учета электроэнергии: Альфа:
0,2> 0,155 Ом Секционный выключатель: Тип ТТ: GDS – 10 – 1500/5 1. на электродинамическую стойкость: 13,215 < 300 кА 2. проверка на термическую стойкость:
31,141 < 14400 кА2с 3. на соответствие классу точности для номинальной нагрузки: Класс точности: 0,5 Амперметр Э8021:
0,2> 0,153 Ом Фидеры районных потребителей: Тип ТТ: GDS – 10 – 150/5 1. на электродинамическую стойкость: 13,215 < 300 кА 2. проверка на термическую стойкость:
16,382 < 14400 кА2с 3. на соответствие классу точности для номинальной нагрузки: Класс точности: 0,5 Амперметр Э8021: Счетчик учета электроэнергии: Альфа:
0,2> 0,155 Ом 3.9 Проверка трансформаторов напряжения Трансформаторы напряжения проверяются: 1. по номинальному напряжению установки: 2. по конструкции и схеме соединения обмоток; 3. по классу точности; 4. по нагрузке вторичных цепей: где: S2ном – номинальная мощность ТН в выбранном классе точности, ВА; S2 – суммарная мощность, потребляемая подключенными к ТН приборами, ВА.
где: Sприб – мощность потребляемая всеми катушками одного прибора;
РУ – 110 кВ Таблица № 9
Тип ТН: 3´ЗНОГ – 110 82У3
450 > 104,8 ВА РУ – 2´27.5 кВ: Таблица № 10.
Тип ТН: 4´ЗНОЛ – 35
600 > 109,4 ВА РУ – 10 кВ Таблица №11.
Тип ТН: 6´НОЛ – 10 (2´3´ НОЛ – 10)
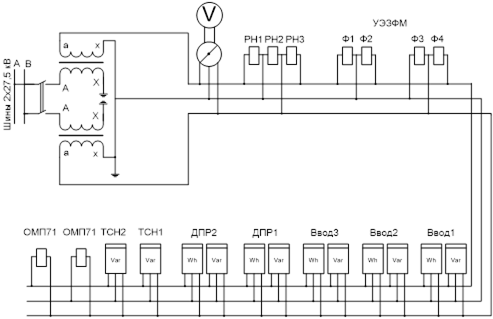
450 > 80,6 ВА Так как мощность нагрузки вторичной цепи осталась большой, то принимаем две группы по три однофазных ТН. Всего три комплекта однофазных ТН (два в работе и один в резерве). Разработка схем измерений
Рис. 13.
Рис. 14. 3.10 Выбор аккумуляторной батареи и зарядно-подзарядного агрегата В качестве аккумуляторной батареи используют, как правило, свинцово-кислотные и в отдельных случаях щелочные железо-никелевые АБ. Выбор АБ заключается в определении теплового номера батареи, состоящей из СК – аккумуляторов стационарного типа и расчёте числа последовательно включённых элементов. Число элементов АБ, работающей в режиме постоянного подзаряда, определим по формуле:
где:
Номер аккумуляторной батареи определим, исходя из расчётной ёмкости
где:
где:
где:
Номер АБ по условиям длительного режима
где:
принимаем Nдл = 2 Наибольший ток при кратковременном режиме разряда АБ:
где:
Номер АБ по условиям кратковременного режима:
где: 46 А – ток кратковременного разряда для СК – 1
принимаем Nкр = 2 Окончательно принимаем СК – 2 Наибольший ток подзарядного агрегата
где:
- для СК-1 ¸ СК-5
Мощность подзарядного преобразовательного и зарядного агрегата: где:
Выбираем тип выпрямителя, используемого в подзарядных и зарядных преобразователях: ВАЗП – 380/260 – 40/80
Sн = 20,8 кВт Sн > Sзар 20,8 > 2,834 кВт Iн = 80 А Iн > Iзар 80 > 21,1 А Глава 4. План тяговой подстанции Разработка плана тяговой подстанции. План транзитной тяговой подстанции переменного тока системы электроснабжения 2 ´ 27,5 кВ разрабатываем в соответствии с рекомендациями изложенными в [4]. Открытую часть подстанции монтируем на конструкциях, распластоного типа с соблюдением всех стандартов на минимальные расстояния между токоведущими элементами и землёй. А также выполняем чертёж: план и разрезы тяговой подстанции. Расчёт площади открытой части тяговой подстанции.
Площадь открытой части тяговой подстанции определим как:
где: а – длина, м а =87,8 м; b – ширина, м b = 87,8 м.
Глава 5. Расчёт заземляющего устройства Расчёт заземляющего устройства в курсовом проекте выполняем графо-аналитическим методом, основанный на применении теории подобия, которая предусматривает: 1. Замену реального грунта с изменяющимся по глубине удельным сопротивлением эквивалентной двухслойной структурой с сопротивлением верхнего слоя r1, толщиной h и сопротивлением нижнего слоя земли r2, значение которых определяется методом вертикального электрического зондирования.
Рис. 15. 2. Замену реального сложного заземляющего контура, состоящего из системы вертикальных электродов, объединённых уравнительной сеткой с шагом 4 – 20 м, и любой конфигурации – эквивалентной квадратной расчётной моделью с одинаковыми ячейками, однослойной структуры земли (r3) при сохранении их площадей (S), общей длины вертикальных (LВ), горизонтальных (Lр) электродов, глубины их залегания (hг), значения сопротивления растекания (Rэ) и напряжения прикосновения (Uпр).
Рис. 16. Предварительно определяем следующие величины: длина горизонтальных заземлителей
число вертикальных электродов
длина вертикального электрода
где: h – толщина верхнего слоя земли; S – площадь контура заземления.
общая длина вертикальных электродов
расстояние между вертикальными электродами
6) глубину заложения горизонтальных электродов Площадь заземляющего контура S принимается по плану открытой части тяговой подстанции, сохраняя при этом расстояние от границы контура до ограждения не менее 2 м. Сопротивление заземляющего контура:
где:
А = (0,444 – 0,84× А = (0,355 – 0,25×
А = (0,444 – 0,84×
Окончательным критерием безопасности электроустановки является величина напряжения прикосновения, определяемая по формуле:
где: кпр – коэффициент прикосновения.
где: b – коэффициент, характеризующий условие контакта человека с землёй.
где: Rчел – расчётное сопротивление человека, равное 1000 Ом; Rст – сопротивление растекания тока со ступнёй человека, равное 1,5
где: 52 < 300 В Выполняем проверку по напряжению заземляющего устройства: где:
0,29 < 10 кВ Глава 6. Экономическая часть проекта 6.1 Определение стоимости тяговой подстанции Определение стоимости проектируемой тяговой подстанции производится по укрупнённым показателям стоимости строительства объектов электрификации железнодорожного транспорта с учётом основных узлов и элементов подстанции. В связи с изменением стоимости, монтажных работ и оборудования тяговой подстанции, значение стоимости, приведённых в указанной литературе [2] необходимо умножить на следующие коэффициенты: Сстр*100 Смонт*100 Собор*100 Стоимость тяговой подстанции определяется по формуле: СТП = Сстр + Смонт + Собор Годовые эксплуатационные расходы: Сэ = СW + Сa + Срем + СЗП где: СW – стоимость потерь электроэнергии
где: b - стоимость 1 кВт*ч (0,64 руб/кВт*ч); W – перерабатываемое за год количество электроэнергии; Сa - стоимость амортизационных отчислений:
где: Срем - стоимость годового обслуживания и ремонта тяговой подстанции:
где: СЗП – годовой фонд заработной платы зависящий от метода обслуживания, штата должностных лиц и окладов, с учётом средств материального поощрения в размере 40 % от ФЗП. При расчёте СЗП учитывается 13-ая зарплата, равная месячному ФЗП:
Расчёт годового фонда заработной платы сводим в таблицу № 12 Таблица № 12
Далее определим себестоимость перерабатываемой электроэнергии за год:
где: Сэ – годовые эксплуатационные расходы. Стоимость 1 кВА установленной мощности рассчитываем по формуле:
где: Sу – установленная мощность всех силовых трансформаторов ТП, питающегося от входного РУ. Для удобства сводим расчёт стоимости оборудования тяговой подстанции, строительных и монтажных работ в таблицу № 13. Таблица № 13.
6.2 Основные технико-экономические показатели тяговой подстанции Для характеристики спроектированной тяговой подстанции приведём следующие технико-экономические показатели. Таблица № 14
Список использованной литературы 1. Бей Ю. М., Мамошин П.П. и др. Тяговые подстанции: учебник для вузов железнодорожного транспорта. – М.: Транспорт, 1986 – 319 с. 2. Гринберг – Басин М. М. Тяговые подстанции: Пособие по дипломному проектированию. – М: Транспорт, 1986 – 168 с. 3. Давыдов И. К., Попов Б. М., Эрлих В. М. Справочник по эксплуатации тяговых подстанций и постов секционирования. – М: Транспорт, 1987 – 416 с. 4. Неклепаев Б.Н., Крючков И.П. Электрическая часть электростанций и подстанций: Справочные материалы для курсового и дипломного проектирования; Учебное пособие для вузов. – М.: Энергоатомиздат,1989. – 608 с. 5. Прохорский А.А. Тяговые и трансформаторные подстанции. - М: Транспорт, 1983 – 496 с. 6. Справочник по электроснабжению железных дорог / Под ред. К.Г. Марквардта. –М.: Транспорт, 1982.Т2 – 392 с. 7. Пузина Е.Ю. Методические указания с заданием на курсовой проект для студентов 3-го курса специальности «Электроснабжение железнодорожного транспорта» Г. Иркутск 2003 г. 8. Система тягового электроснабжения 2 ´ 25 кВ Б. М. Бородулин и др. – М: Транспорт, 1989 – 125 с. 9. Н. И. Белорусов., А. Е. Саакян., А. И. Яковлева. Электрические кабели, провода и шнуры. – М.: Энергоатомиздат, 1988. – 536 с. |
|||||||||||||||||||||||||||||||||||||||||||||||||||||||||||||||||||||||||||||||||||||||||||||||||||||||||||||||||||||||||||||||||||||||||||||||||||||||||||||||||||||||||||||||||||||||||||||||||||||||||||||||||||||||||||||||||||||||||||||||||||||||||||||||||||||||||||||||||||||||||||||||||||||||||||||||||||||||||||||||||||||||||||||||||||||||||||||||||||||||||||||||||||||||||||||||||||||||||||||||||||||||||||||||||||||||||||||||||||||||||||||||||||||||||||||||||||















кА;
кА;
кА;
кА;











= 2,83×10-8×






