Курсовая работа: Разработка системы управления двигателя постоянного тока
|
Название: Разработка системы управления двигателя постоянного тока Раздел: Рефераты по физике Тип: курсовая работа | |||||||||||||
Содержание Введение…………………………….…………………………………..................2 1. Определение параметров и структуры объекта управления.….…………….3 2. Разработка алгоритма управления и расчёт параметров устройств управления……………………………………………………………………...…7 3. Моделирование процессов управления, определение и оценка показателей качества…………………………………………………………………………..16 4. Разработка принципиальной электрической схемы и выбор её элементов.23 Список литературы.………………………………………….………………..…39 Введение На современном этапе, характеризующемся приоритетным развитием машиностроения и автоматизации производства, автоматизированный электропривод сформировался как самостоятельное научное направление, в значительной степени определяющее прогресс в области техники и технологии, связанных с механическим движением, получаемым путем преобразования электрической энергии. Этим объясняется большой интерес специалистов к новым разработкам в данной отрасли техники и к ее научным проблемам. Четко определился объект научного направления – система, отвечающая за управляемое электромеханическое преобразование энергии и включающая два взаимодействующих канала – силовой, состоящий из участка электрической сети, электрического, электромеханического, механического преобразователей, технологического рабочего органа, и информационный канал. В рамках данного курсового проекта рассматривается разработка информационного канала. 1. Определение параметров и структуры объекта управления В состав объекта управления входит двигатель постоянного тока независимого возбуждения Данный ЭД предназначен для работы в широкорегулируемых электроприводах, соответствует Номинальная угловая скорость вращения
Максимальная угловая скорость вращения:
Номинальный ток якоря:
Суммарное сопротивление якорной цепи:
Произведение постоянной машины на номинальный поток:
Постоянная времени якорной цепи:
Номинальный момент:
Номинальный ток обмотки возбуждения:
Исходя из высоты оси вращения По рис. 4 [2, стр. 10]:
По рис. 2б [2, стр. 8]: По табл. 2 [2, стр. 9] для класса изоляции По табл. 3 [2, стр. 10] для
Окончательно получим:
По рис. 3 [2, стр. 9]: Полюсное деление равно:
Число витков обмотки возбуждения [2, стр. 27]: Номинальный магнитный поток:
Постоянная машины:
Коэффициент рассеяния [3, стр. 38]: Индуктивность обмотки возбуждения:
Постоянная времени обмотки возбуждения:
Постоянная времени обмотки возбуждения:
Суммарный момент инерции механизма:
Так же объёкт управления содержит Постоянная времени преобразователей равна:
Так как
2. Разработка алгоритма управления и расчёт параметров устройств управления Объект управления описывается следующими уравнениями [3, стр.38-39]:
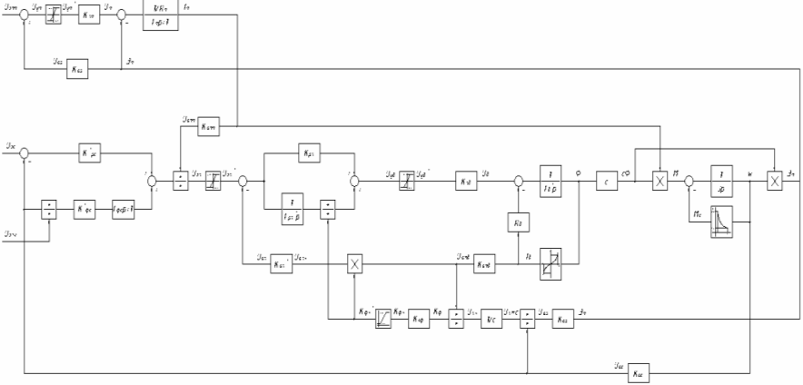
Выберем двухконтурную систему управления скорости с внутренним контуром потока (рис. 1).
Рис. 1. Двухконтурная система регулирования скорости. Универсальная кривая намагничивания представлена на рис. 3. Так как регулирование происходит изменением потока, минимальный поток будет при максимальной скорости:
Минимальный ток возбуждения (по рис. 3):
Рис. 3. Универсальная кривая намагничивания. При этом коэффициент линеаризации кривой намагничивания лежит в диапазоне:
Максимальная постоянная времени потока:
Коэффициент форсирования тока возбуждения [4, стр. 559]:
Малая постоянная времени:
Желаемая передаточная функция замкнутого контура потока:
Желаемая передаточная функция разомкнутого контура потока:
Передаточная функция разомкнутого контура потока:
Коэффициент обратной связи по потоку:
Передаточная функция регулятора потока:
где
Коэффициент
Рис. 4. Модифицированный контур регулирования потока. Коэффициент обратной связи по скорости:
Коэффициент обратной связи ЭДС:
Коэффициент обратной связи по току возбуждения:
Коэффициент нормализации
С учётом этого:
Внешний контур скорости представлен на рис. 5.
Рис. 5. Контур регулирования скорости. Желаемая передаточная функция разомкнутого контура скорости:
Передаточная функция разомкнутого контура скорости:
Передаточная функция регулятора скорости
где
Так как нагрузка с постоянной мощностью изменяет знак
Рис. 6. Модифицированный контур регулирования скорости. Коэффициент обратной связи по току якоря:
Отсюда следует:
Передаточная функция контура компенсирующего влияние нагрузки:
Коэффициент задания мощности нагрузки:
Откуда (с учётом принятых выше коэффициентов) имеем:
где
Структура системы управления стабилизатором напряжения в цепи якоря приведена на рис. 7.
Рис. 7. Контур управления напряжением якоря. Здесь:
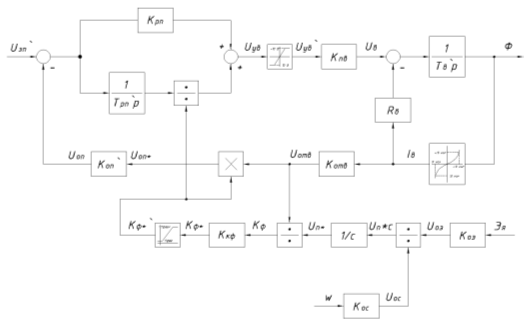
Структурная схема всей системы управления и объекта приведена на рис. 8.
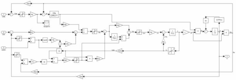
Рис. 8. Структурная схема системы управления и объекта. 3. Моделирование процессов управления, определение и оценка показателей качества Модель объекта и системы управления в комплексе Моделирование будем проводить по нижеследующему алгоритму: Пуск на номинальную скорость - максимальный скачёк задания - Проверка отработки задания
Рис. 9. Модель объекта и систему управления.
Рис. 11. Зависимость
Рис. 15. Зависимость
Рис. 16. Зависимость
Для технического оптимума: -перерегулирование составляет:
-время нарастания:
По результатам моделирования: -перерегулирование составляет:
-время нарастания: Статическая ошибка отсутствует. Отсюда можно сделать вывод: динамика и статика спроектированной системы полностью удовлетворяет требованиям технического задания. 4. Разработка принципиальной электрической схемы и выбор её элементов Обратная связь по скорости.
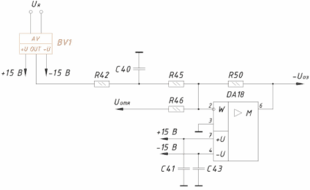
Рис. 20. Обратная связь по скорости. Схема обратной связи по скорости представлена на рис. 20, здесь: -фильтр коллекторных пульсаций тахогенератора с
-цепь защиты от обрыва обратной связи:
-тахогенератор
-коэффициент усиления схемы:
-усилительный элемент:
-фильтр пульсаций напряжения питания усилителя:
Обратная связь по току якоря.
Рис. 21. Обратная связь по току якоря. Схема обратной связи по току якоря представлена на рис. 21, здесь: -фильтр пульсаций
-датчик тока:
-коэффициент усиления схемы:
- -усилительный элемент: -фильтр пульсаций напряжения питания усилителя: Обратная связь по току возбуждения.
Рис. 22. Обратная связь по току возбуждения. Схема обратной связи по току возбуждения представлена на рис. 22, здесь: -фильтр пульсаций
-датчик тока:
-коэффициент усиления схемы:
-усилительный элемент: -фильтр пульсаций напряжения питания усилителя: Обратная связь по ЭДС.
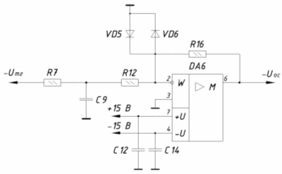
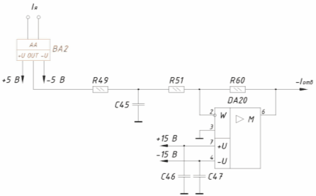
Рис. 23. Обратная связь по ЭДС. Схема обратной связи по ЭДС представлена на рис. 23, здесь: -фильтр пульсаций
-датчик напряжения:
-коэффициент усиления схемы:
-
- -усилительный элемент: -фильтр пульсаций напряжения питания усилителя: Обратная связь по потоку.
Рис. 24. Обратная связь по потоку. Схема обратной связи по потоку представлена на рис. 24, здесь: -коэффициент усиления схемы:
-
- -защита от отрицательного напряжения: -ограничение
-перемножитель напряжения:
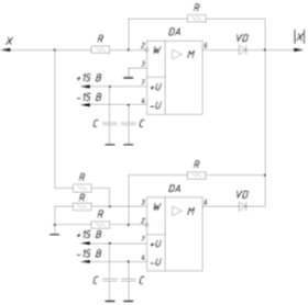
-усилительный элемент: -фильтр пульсаций напряжения питания: Модульная функция.
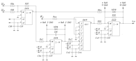
Рис. 24. Модульная функция. Схема модульной функции представлена на рис. 24, здесь: -сопротивления: -усилительный элемент: -фильтр пульсаций напряжения питания усилителя: Регулятор скорости.
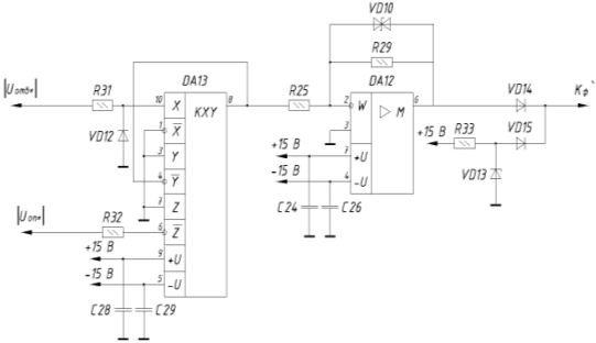
Рис. 25. Регулятор скорости. Схема регулятора скорости представлена на рис. 25, здесь: -компенсация нагрузки:
-усилительный элемент: -перемножитель напряжения: -ограничение сигналов:
-фильтр пульсаций напряжения питания усилителя: Регулятор потока.
Рис. 26. Регулятор потока. Схема регулятора потока представлена на рис. 26, здесь: -компенсация нагрузки:
-усилительный элемент: -перемножитель напряжения: -ограничение сигналов: -фильтр пульсаций напряжения питания усилителя: Управление стабилизатором напряжения якоря.
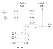
Рис. 27. Управление стабилизатором напряжения якоря. Схема управление стабилизатором напряжения якоря представлена на рис. 27, здесь:
Реле защиты.
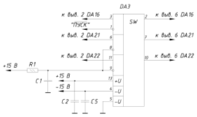
Рис. 28. Реле защиты. Схема реле защиты представлена на рис. 28, здесь:
Список литературы 1. Справочник по электрическим машинам: В 2 т./ Под общ. Ред. И. П. Копылова и Б. К. Клокова. Т. 1. – М.: Энегроатомиздат, 1988, - 456 с. 2. Заборщикова А. В., Мельников В. И. «Двигатели постоянного тока для автоматизированного электропривода»: Учебное пособие. – СПб: Петербургский гос. ун-т путей сообщ., 1994. – 84 с. 3. Башарин А. В., Новиков В. А., Соколовский Г. Г. «Управление электроприводами» : Учебное пособие для вузов. – Л.: Энергоатомиздат. Ленингр. Отд-ние, 1982. – 392 с., ил. 4. Ключев В. И. «Теория электропривода»: Учеб. Для вузов. – 2-е изд. Перераб. И доп. – М.: Энегроатомиздат, 2001. – 704 с.: ил 5. Герман-Галкин С. Г. И др. Цифровые электроприводы с транзисторными преобразователями. - Л.: Энергоатомиздат. Ленинградское отделение, 1986.–246 с. 4. Справочник разработчика и конструктора РЭА. Элементная база : В 2 кн. / Масленников М. Ю., Соболева Е. А и др. – М.: Б. И., 1996.-157-300с. 5. Операционные усилители и компараторы. – М.: Издательский дом «ДОДЭКА ХХI», 2002.-560 с. . Бурков А. Т. Электронная техника и преобразователи: Учеб. Для вузов ж.–д. трансп. – М.: Транспорт, 1999.-464 с. 6. Александров К. К., Кузьмина Е. Г. Электротехнические чертежи и схемы. – М.: Энергоатомиздат, 1990.-288с. |






























