Курсовая работа: Расчет линейных электрических цепей переменного тока
|
Название: Расчет линейных электрических цепей переменного тока Раздел: Рефераты по физике Тип: курсовая работа | |
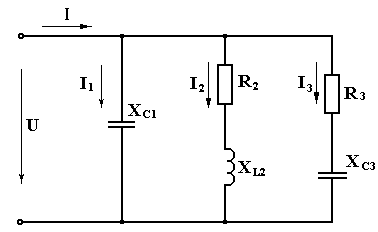
Министерство образования Республики Беларусь Учреждение образования «Гродненский государственный университет имени Янки Купалы» Технологический колледж Специальность: 2-360331 «Монтаж и эксплуатация электрооборудования» Группа МиЭЭ-17з КУРСОВАЯ РАБОТАпо дисциплине «Теоретические основы электротехники» Расчет линейных электрических цепейпеременного тока Вариант №44 Разработал: Куликов А.Г.Руководитель: Дубок Н.Д. Задание на курсовую работуЗаданы три приёмника электрической энергии со следующими параметрами: Z 1 = -j65 Ом, Z 2 = 14+j56 Ом, Z 3 =56- j23 Ом. Рассчитать режимы работы электроприёмников при следующих схемах включения: 1.Присоединить приёмники последовательно к источнику с напряжением U = 300 В. Определить полное сопротивление цепи Z, ток I, напряжения на участках, угол сдвига фаз, мощности участков и всей цепи, индуктивности и ёмкости участков. Построить топографическую векторную диаграмму цепи. 2. Присоединить приёмники параллельно к источнику с напряжением U = 300 В. Определить токи в ветвях и в неразветвленной части цепи, углы сдвига фаз в ветвях и во всей цепи, мощности ветвей и всей цепи. Построить векторную диаграмму цепи. 3. Составить из приёмников цепь с двумя узлами, включив в каждую ветвь соответственно электродвижущую силу E 2 =230 В и Е 3 = j240 B. Рассчитать в комплексной форме токи в ветвях, напряжения на участках, мощности источников и приёмников, составить уравнение баланса мощностей. Построить векторную диаграмму в комплексной плоскости. Для расчёта применить метод контурных токов. 4. Соединить приёмники в звезду с нулевым проводом (Z N = -j32 Ом), и подключить их к трёхфазному источнику с линейным напряжением UЛ =380 В. Определить фазные токи и напряжения источника, напряжение смещения нейтрали и ток в нулевом проводе. Построить топографическую векторную диаграмму в комплексной плоскости. 5. Соединить приёмники в треугольник и подключить его к тому же источнику трехфазного напряжения. Определить фазные и линейные напряжения и токи, мощности фаз и всей цепи. Построить векторную диаграмму цепи в комплексной плоскости. 6. Присоединить приёмники последовательно к источнику несинусоидального тока i=7Sin(wt+130 )+1,2Sin(2wt-860 )+0,4Sin3wtA. Определить действующие значения тока и напряжения, активную мощность цепи. Записать уравнения мгновенных значений напряжения в цепи. Значения сопротивлений считать для частоты первой гармоники. Частоту напряжения считать равной f = 50 Гц. 1 Расчёт неразветвлённой цепи с помощью векторных диаграмм В задании на курсовую работу сопротивления даны в комплексной форме. Так как расчёт цепи нужно выполнить с помощью векторных диаграмм, определяем соответствующие заданным комплексам активные и реактивные сопротивления: XС1 = 65 Ом, R2 = 14 Ом, XL 2 =56 Ом, R3 =56 Ом ,ХC 3 = 23 Ом. Из заданных приёмников составляем неразветвлённую цепь (рис. 1).
Рисунок 1 Определяем активные и реактивные сопротивления всей цепи: R = R2 + R3 = 14 + 56 = 70 Ом; X = -XC 1 + XL 2 – XC 3 = - 65 + 56 - 23 = - 32 Ом. Полное сопротивление всей цепи тогда определяем из выражения: Z = Ток в цепи будет общим для всех приёмников и определится по закону Ома: I = U / Z = 300/77 = 3.9 A. Угол сдвига фаз между напряжением и током определяется по синусу Sin j = X / Z или тангенсу Tg j = X / R, так как эти функции являются нечётными и определяют знак угла “плюс” или “минус”. Положительный знак угла указывает на активно-индуктивный (или чисто индуктивный) характер нагрузки, а отрицательный знак угла указывает на активно-ёмкостный (или чисто ёмкостный) характер. Таким образом, угол сдвига фаз между напряжением и током определим по синусу Sin j= X/Z = - 32/77 = - 0,4156;j = - 24.56°; Cos j = 0,9096. Напряжения на участках цепи определяем также из формулы закона Ома: UC1 = I * XC1 = 3.9 *65 =253.5 B. UR2 = I * R2 = 3.9 * 14 = 54.6 B. UL2 = I * XL2 = 3.9 * 56 = 19.5 B UR3 = I * R3 = 3.9 * 56 = 19.5 B UC 3 = I * XC 3 = 3.9 * 23 = 89.7 B. Определяем активные и реактивные мощности участков цепи: QC1 = I2 * XC1 =3.92 *65 = 989 вар. P2 = I2 * R2 =3.92 * 14 = 213 Bт. QL2 = I2 * XL2 = 3.92 *56 = 852 вар. P3 =I2 *R3 = 3.92 *56= 852 Вт QС3 = I2 * XС3 = 3.92 *23 =350 вар. Активная, реактивная и полная мощности всей цепи соответственно будут равны: P = P2 + P3 = 213 +852 =1065 Вт. Q = -QC 1 + QL 2 - QС3 = -989+852- 350 = - 487 вар. S = Полную, активную и реактивную мощности всей цепи можно определить также по другим формулам: S = U * I =300 *3.9 =1170 В*А. Р = S * Cosj =1170* 0,9096 =1064 Вт, Q = S * Sin j=1170*( - 0,4154) = - 486 вар. Определяем ёмкость и индуктивность участков. Угловая частота ω = 2 πf = 2 * 3,14 * 50 = 314 с-1 C1 = 1/wXc1 =1/(314*65)= 0,000049 Ф = 49 мкФ L2
= XL
2
/w = 56/314 = 0,178 Гн
Для построения векторной диаграммы задаёмся масштабами тока и напряжения, которые будут соответственно равны MI = 0,25 A/см и MU = 25 B/см. Построение топографической векторной диаграммы начинаем с вектора тока, который откладываем вдоль положительной горизонтальной оси координат. Векторы напряжений на участках строятся в порядке обтекания их током с учётом того, что векторы напряжений на активных элементах Uа = UR 2 + UR 3 и реактивная составляющая напряжения Uр = -UС1 + UL 2 – UС3 . Топографическая векторная диаграмма построена на рисунке 2. Ua O φ MI = 0,5 А/см МU = 25 В/см UC1 U UP UR3 UR2 UL2 UC 3 Рисунок 2 2 Расчёт разветвлённой цепи с помощью векторных диаграммПрисоединяем заданные приёмники параллельно к источнику напряжения. Это значит, что цепь состоит из трех ветвей, для которых напряжение источника является общим. Схема цепи показана на рисунке 3. Расчёт параллельной цепи выполняем по активным и реактивным составляющим токов.
Рисунок 3 Этот метод предусматривает использование схемы замещения с последовательным соединением элементов. В данном случае три параллельные ветви рассматриваются как три отдельные неразветвлённые цепи, подключенные к одному источнику с напряжением U. Поэтому в начале расчёта определяем полные сопротивления ветвей: Z1 = Хс1 = 65 Ом. Z2
= Z3
= Углы сдвига фаз между напряжениями и токами в ветвях определяются также по синусу (или тангенсу): Sinφ1 = -1; j1 = - 90°;Cosφ1 = 0 Sinφ2 = XL 2 / Z2 = 56 / 57.7 = O.9705; j2 = 76.05°; Cosφ2 = 0.241. Sinφ3 = - XC 3 /Z3 = - 23/60.5= - 0.38; φ3 = - 22.34°; Cosφ3 = 0.9249. Затем можно определять токи в ветвях по закону Ома: I1 = U / Z1 =300 / 65 = 4.62 А. I2 = U / Z2 = 300 / 57.7 = 5.2 А. I3 = U / Z3 = 300 / 60.5 = 4.96А. Для определения тока в неразветвлённой части цепи нужно знать активные и реактивные составляющие токов в ветвях и неразветвленной части цепи: Ip1 = I1 *Sinj1 = 4.62*(- 1) = - 4.62 A. Ia2 = I2 *Cosφ2 = 5.2 * 0,241 = 1.25A; Ip2 = I2 *Sinφ2 = 5.2 * 0,9705 = 5.05A; Ia3 = I3 *Cosj3 = 4.96*0.9249 = 4.59 A. Ip3 = I3 *Sinj3 = 4.96*(- 0.38) = - 1.88 A. Активная и реактивная составляющие тока в неразветвлённой части цепи: Ia = Ia2 + Ia3 = 1.25+4.59 = 5.84 A. Ip = Ip1 + Ip2 + Ip3 = - 4.62+5.05 – 1.88 = - 1.45 A. Полный ток в неразветвлённой части цепи: I = Угол сдвига фаз на входе цепи: Sinφ = IP / I = - 1.45/6.02 = - 0.2409; φ = -13.940 ; Cosφ = 0.9706. Активные, реактивные и полные мощности ветвей: QC1 = I1 2 *XC1 = 4.622 *65 = 1387 вар. S1 = U*I1 = 300*4.62 = 1387 B*A. P2 = I2 2 * R2 = 5.22 * 14 = 379Вт. QL2 = I2 2 * XL2 = 5.22 * 56 =1514 вар. S2 = U * I2 = 300 * 5.2 =1560 В*А. P3 = I3 2 *R3 = 4.962 *56 = 1378 Bт QC3 = I3 2 * XC3 = 4.962 * 23 =566 вар. S2 = U * I2 = 300 *4.96 = 1488 В*А Активные, реактивные и полные мощности всей цепи: P = P2 + P3 = 379 + 1378 =1757 Вт. Q = - QC 1 + QL 2 - QC 3 = - 1387 +1514 -566 = - 439 вар. S = S = U * I = 300*6.02 = 1806 В*А. P = S*Cosφ = 1806 * 0,9706 = 1753 Вт. Q = S * Sinφ = 1806*(- 0.2404) = - 434вар. Для построения векторной диаграммы задаёмся масштабами напряжений MU = 25 В/см и токов MI = 0.5 А/см. Векторную диаграмму начинаем строить с вектора напряжения, который откладываем вдоль горизонтальной положительной оси. Векторная диаграмма токов строится с учётом того, что активные токи Ia2 и Ia3 совпадают по фазе с напряжением, поэтому их векторы параллельны вектору напряжения; реактивный индуктивный ток Ip 2 отстает по фазе от напряжения, и его вектор строим под углом 900 к вектору напряжения в сторону отставания; реактивные емкостные токи Ip 1 и Ip 3 опережают по фазе напряжение, и их векторы строим под углом 90° к вектору напряжения в сторону опережения. Вектор тока в неразветвлённой части цепи строим с начала построения в конец вектора емкостного тока Ip3 . Векторная диаграмма построена на рисунке 4. Ia2
МU = 25 В/см I2 I1 =Ip1 Ip2 OIa U
I Рисунок 4 3 Расчёт сложных цепей переменного тока символическим методом Электрическая схема цепи и комплексная схема замещения представлены на рисунке 5а и б соответственно.
Рисунок 5 Намечаем в независимых контурах заданной цепи, как показано на рисунке 5б, контурные токи I K 1 и I K 2 – некоторые расчётные комплексные величины, которые одинаковы для всех ветвей выбранных контуров. Направления контурных токов принимаются произвольно. Для определения контурных токов составляем два уравнения по второму закону Кирхгофа:
- I K1 *Z 2 +I K2 *(Z 2 +Z 3 )= E 3 - E 2 Подставляем данные в систему: I K 1 *(- j65+14+j56) – I K 2 *(14+j56) = 230 -IK 1 *(14+j56) +I K 2 *(14+j56+56 – j23) = j240-230 I K 1 *(14-j9) – I K 2 *(14+j56) = 230 -I K 1 *(14+j56) + I K 2 *(70+j33) = -230+ j240 Решаем систему с помощью определителей. Определитель системы:
Частные определители :
Определяем контурные токи: I
K
1
= I
K
2
= Действительные токи в ветвях цепи определяем как результат наложения контурных токов: I
1
= I
K1
= 0.0476 – j0.438 = 0.441 I
2
= I
K1
-I
K2
= 0.0476.- j0.438+1.09- j3.89 = 1.14 – j4.33 = 4.48 I
3
= I
K
2
= -1.09 + j3.89 = 4.04 Составляем уравнение баланса мощностей в заданной электрической цепи. Определяем комплексные мощности источников: S
E
2
= E
2
* S
E
23
= E
3
* Определяем комплексные мощности приёмников электрической энергии: S
1
= I1
2
*Z
1
=0.4412
*( – j65) = – j12.6 =12.6 S
2
= I2
2
*Z
2
= 4.482
*(14+j56) = 281+j1124=1159 S
3
= I3
2
*Z
3
= 4.042
*(56 – j23) = 914– j375 =988 Уравнение баланса комплексных мощностей! S Е 1 + S E2 =S 1 + S 2 +S 3 ; 262+j996+912-j262 = – j12.6+281+j1124+914– j375 1174+ j734 @ 1182+ j749; 1385 Относительная и угловая погрешности незначительны. Для построения векторной диаграммы задаёмся масштабами токов MI = 0.25 А/см и ЭДС ME = 50 В/см. Векторная диаграмма в комплексной плоскости построена на рисунке 6. 4 Расчёт трёхфазной цепи при соединении приемника в звезду Схема заданной цепи изображена на рисунке 7. Определяем систему фазных напряжений генератора. Фазное напряжение: UФ
= Uл/ Комплексные фазные напряжения генератора: U A = UФ = 220 B U B = U A e- j 120 = 220e- j 120 = –110 – j191 B U C = U A ej 120 = 220ej 120 = –110 + j191 B Определяем полные проводимости фаз приёмника: Y
A
= Y
B
= Y
C
= YN
=
Рисунок 7 Узловым напряжением является в данном случае напряжение смещения нейтрали, которое определяется по формуле: U
N
=
= (j3.38-3.67+j1.05-2.88+j2.23)/(0.05075+j0.00486) = (-6.55+j6.66)/(0.0195+j0.03611)= 67+j218 = 228 Определяем фазные напряжения на нагрузке: U
A
/
= U
A
– U
N
= 220- (67+j218) = 153-j218 = 266 U
B
/
= U
B
– U
N
= (–110-j191) - (67+j218) = -177-j409 =446 U
C
/
= U
C
–U
N
=(–110+j191) - (67+j218) = -177 – j27 = 179 Определяем токи в фазах нагрузки: I
A
= U
A
/
*Y
A
= (153-j218)*(j0.01538) = 3.35+j2.35 = 4.1 I
B
= U
B
/
*Y
B
= (-177-j409)*(0.0042-j0.0168) = -7.61+j1.26 =7.72 I
C
=U
C
/
*Y
C
= (-177 – j27)*(0.0153+j0.00628)=- 2,53–j1,52= 2,96 I
N
= U
N
*Y
N
= (67+j218)*j0.03125 = - 6,8 + j2,09 = 7,12* Проверяем правильность определения токов по первому закону Кирхгофа для точки N’: I A + I B + I C =I N 3.35+j2.35 -7.61+j1.26 - 2,53 – j1,52 @ - 6,8 + j2,09; - 6,79+j2.09 @ - 6,8 + j2,09. Определяем комплексные мощности фаз и всей цепи: S
A
= IA
2
* Z
1
= 4,12
*(-j65) = -j1092=1092 S
B
= IB
2
* Z
2
= 7,722
*(14+j56) = 834+j3338 =3440 S
C
= IC
2
* Z
3
= 2,962
*(56-j23) = 491 – j 202 = 530 S = S A + S B + S C = -j1092+ 834+j3338+ 491 – j 202 = 1325+j2044 = = 2436 Для построения векторной диаграммы задаёмся масштабами токов MI = 1 А/см и напряжений MU = 40 B/см. Векторная диаграмма на комплексной плоскости построена на рисунке 8. 5 Расчёт трёхфазной цепи при соединении приёмника в треугольникСхема заданной цепи изображена на рисунке 9
Рисунок 9. В данном случае линейные напряжения генератора являются фазными напряжениями нагрузки: U AB = UЛ = 380 В. U
BC
= 380 U
CA
= 380 Определяем систему фазных токов нагрузки: I
AB
= I
BC
= I
CA
= Систему линейных токов определяем из соотношений: I
A
= I
AB
– I
CA
= j5,85+4,96-j3,83 = 4,96+j2,02 = 5,36 I
B
= I
BC
– I
AB
= -6,32+j1,81-j5,85 = -6,32-j4,04 = 7,5 I
C
= I
CA
– I
BC
= -4,96+j3,83+6,32-j1,81 = 1,36+j1,92 =2,35 Определяем мощности фаз приемника: S
AB
=IAB
2
*Z
1
= 5,852
*(-j65) = -j2224 = 2224 S
BC
= IBC
2
*Z
2
= 6,582
*(14+j56) = 606+j2425 = 2499 S
CA
= ICA
2
*Z
3
= 6,272
*(56 – j23) =2201– j904 = 2380* Определяем мощность трехфазной нагрузки: S AB +S BC +S CA = -j2224+606+j2425+2201– j904 =2807 – j703 = = 2894 Для построения векторной диаграммы задаёмся масштабами токов MI =1 A/см и напряжений MU = 50A/см. Векторная диаграмма построена на рисунке 10. 6 Расчёт неразветвлённой цепи с несинусоидальными напряжениями и токамиСоставляем схему заданной цепи, подключая последовательно соединённые приёмники к источнику несинусоидального напряжения, под действием которого в цепи возникает ток с мгновенным значением i=7Sin(wt+130 )+1,2Sin(2wt-860 )+0,4Sin3wt A,который на схеме замещения представляем как последовательно соединённые три источника переменного напряжения u1 , u2 и u3 c разными частотами (рисунок 11) Величины сопротивлений заданы для частоты первой гармоники: XC 11 = 18 Ом, R2 = 23 Ом, XL 21 = 14 Ом, R3 = 12 Ом, XC 31 = 62 Ом. Поскольку напряжения источников имеют разные частоты, то и реактивные сопротивления для них будут иметь разные величины. Активные сопротивления считаем от частоты не зависящими. Поэтому расчёт ведём методом наложения, то есть отдельно для каждой гармоники. . Рисунок 11. Первая гармоника Определяем активное и реактивное сопротивления всей цепи: R = R2 + R3 = 14+56 = 70 Ом. X1 = -XC11 + XL21 - XC31 = - 65+56–23 = = -32 Ом. Полное сопротивление цепи: Z1
= Амплитудные значения напряжения и тока: Im 1 = 7 A, Um 1 = Im 1 *Z1 = 7*76.7 =537 B. Действующие значения напряжения и тока: U1
= Um
1
/ I1
= Im
1
/ Угол сдвига фаз между напряжением и током определяем по синусу: Sinφ1 = X1 /Z1 = -32/76.7 = - 0.4172. j1 = - 24.66°, Cosφ1 =0.9088. Активная и реактивная мощности первой гармоники: P1 = I1 2 * R = 4.962 * 70 =1722 Вт. Начальная фаза тока определяется из соотношения: φ1 = yU1 – yI1 , отсюдаyU1 =yI1 + j1 = 13°- 24.66°= - 11.66° Мгновенное значение напряжения первой гармоники u1 = Um 1 * Sin (ωt + yU 1 ) = 537 * Sin (ωt – 11.66°) B. Вторая гармоника. Для остальных гармоник напряжения расчёты приводим без дополнительных разъяснений. X2 = XC 11 / 2 + XL 21* 2 - XC 31 / 2 = -65/ 2 + 56* 2 - 23 / 2 = 68 Ом. Z2
= Im2 =1.2 A, Um2 = Im2 *Z2 =1.2*97.6 =117 B. U2
= Um2
/ Sin φ2 = X2 / Z2 = 68/97.6= 0,6967.j2 = 44.16°, Cos φ2 = 0,7173. P2 = I2 2 * R2 = 0.852 *70 = 51 Вт. yU2 =yI2 + j2 = -86°+ 44.16°= - 41.9° u2 = Um2 * Sin (2ωt + yU2 ) = 117 * Sin (2ωt – 41.9°) B. Третья гармоника X3 = XC 11 /3 + XL 11 * 3 – XC 31 / 3 = - 65 / 3 + 56* 3 - 23 / 3 =139 Ом. Z3
= = 62.4 B. U3
= Um3
/ Sin φ3 = X3 / Z3 =139 /156 = 0,891. j3 = 63°. Cos φ3 = 0,454. P3 = I3 2 * R = 0.282 *70 = 0.5 Вт. yU3 =yI3 + j3 = 63°. u3 = Um3 * Sin (3ωt + yU3 ) =44.3 * Sin (3ωt +63°) B. Определяем действующие значения тока и напряжения: I = U = Активная и реактивная мощности цепи: P = P1 +P2 +P3 =1722+51+0.5=1774 Вт. Средневзвешенный коэффициент мощности цепи: Cos Х = Р / (U * I) = 1774/ (559 *5.04) = 0,6296. Уравнение мгновенных значений напряжения между зажимами цепи: u=u1 +u2 +u3 =537 * Sin (ωt – 11.66°)+117 * Sin (2ωt – 41.9°)+ +44.3 * Sin (3ωt +63°) B. Литература 1. Ф.Е. Евдокимов. Теоретические основы электротехники. - М. “Высшая школа “,1981 г. 2. В.С. Попов. Теоретическая электротехника. – М. “Энергия”, 1978 г. 3. Ю.В. Буртаев, П. И. Овсянников. Теоретические основы электротехники.– М. “Энергоатомиздат”, 1984 г. 4. Л.А. Частоедов. Электротехника. - М. “Высшая школа”, 1984 г. 5. М.Ю. Зайчик. Сборник задач и упражнений по теоретической электротехнике. – М. “Энергоатомиздат” , 1988 г. |






=1277-j168+2940– j1568=4217-j1736
= 16100+j7590–16660-j9520= -560–j1930.
=-1060+j5430+3220+j12880 = 2160+j18310
= 0.0476-j0.438 A.
= - 1.09+ j3.89 A.
= j0,01538 См.
= 0.0042-j0.0168 См.
= 0.0153+j0.00628Cм.


= -6,32+j1,81 = 6,58
= -4,96+j3,83 = 6,27