Курсовая работа: Расчет параметров вентильного электропривода
|
Название: Расчет параметров вентильного электропривода Раздел: Рефераты по физике Тип: курсовая работа | ||||||||||||||||||||||||||||||||||||||||||||||||||||||||||||||||||||
Министерство общего и профессионального образования РФ Саратовский государственный технический университет Расчет параметров вентильного электропривода Пояснительная записка к курсовой работе по курсу "Электрический привод" Проверил : Саратов 2005 Исходные данные для выполнения курсовой работы 1. Принцип действия вентильного электропривода 2. Вывод математической модели ВЭП 3. Расчет устойчивости 4. Математическое моделирование ВЭП 5. Построение АЧХ и ФЧХ ВЭП 6. Расчет суммарного момента возмущения Заключение Исходные данные для выполнения курсовой работыВариант №5
1. Принцип действия вентильного электроприводаПри протекании тока в рамке (см. рис.2) возникает вращающий момент:
Рис.1 Формирование вращающего момента.
где: В - магнитная индукция, Тл; S-площадь рамки, см2 ; W-число витков рамки; i-ток, А; a-угол между намагничивающей силой и рамкой с током. Этот момент повернет ротор (постоянный магнит) на 90°. В вентильном электродвигателе в статоре расположено 3 обмотки и в зависимости от положения ротора относительно статора подключаются 2 обмотки, скорость и момент определяются питающим напряжением. При постоянном питающем напряжении скорость вращения постоянна. Управление подключением обмоток осуществляется транзисторной схемой переключения (рис.3), сигналы на которую поступают с датчика положения ротора. Если условно принять за положительное напряжение вращения вала направление вращения против часовой стрелки, то момент на валу двигателя будет определяться по формуле:
где: q-угол между векторами Ф0 и F; Mmax=Ф0 ·F; К= 1/ 9810. Наибольшее значение момента двигателя достигается при = 90°+30°
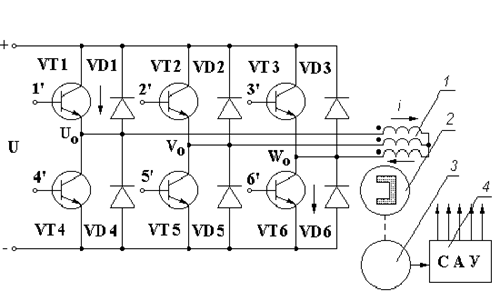
Рис 2. Формирование результирующей намагничивающей силы. Система автоматического управления (САУ) (рис.3), управляемая датчиком положения ротора, обеспечивает одновременное открытие транзисторных ключей, одного из группы VT1-VT3 и другого из группы TV4-VT6, что обеспечивает в свою очередь одновременное включение двух статорных обмоток двигателя.
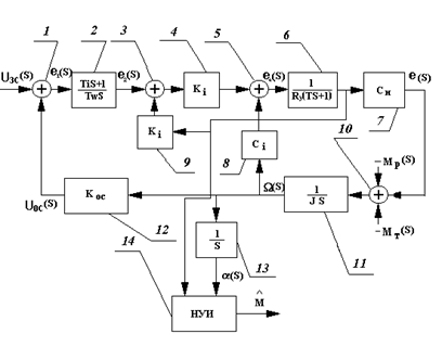
Рис 3. ВЭП. Схема электрическая функциональная. На рис.4 приведена типовая электрическая схема переключения полюсов вентильного электропривода, где: 1-статорные обмотки ВЭП; 2-ротор двигателя; 3 - ДПД; 4 - САУ. Рассмотрим работу ВЭП, когда например, открыты транзисторы VT1 и VT6 (рис 4). Тогда ток от источника U будет протекать через эти транзисторы и обмотки двигателя U и W. При этом создается результирующая намагничивающая сила F, которая при взаимодействии с магнитным потоком постоянных магнитов ротора Ф0 создает вращающий момент, величина которого определяется углом рассогласования между векторами Ф0 и F. 2. Вывод математической модели ВЭПНа рис.4 изображена структурная схема ВЭП, где приняты следующие обозначения: 1-сумматор напряжений (устройство суммирования построено на ОУ); 2-передаточная функция регулятора скорости, которая является суммой форсирующего 1-го порядка и интегрирующего элементов (е1 и е2 - напряжения на входе и выходе регулятора); 3-сумматор напряжений; 4-усилитель мощности на транзисторах и тиристорах; 5-сумматор напряжений (обмотка статора); 6-передаточная функция обмотки статора (Rэ - активное сопротивление обмотки, Т - постоянная времени обмотки, Lэ - индуктивность обмотки); 7-усилитель тока; 8-передаточная функция электромагнитной части электродвигателя, в которой реализуется закон Ампера, т.е. ток преобразуется в силу (Сm - постоянная по моменту, Се - постоянная по ЭДС); 9-передаточная функция по ЭДС электродвигателя; 10-сумматор моментов - ротор электродвигателя (Мт - момент трения; Мр - реактивный момент); 11-передаточная функция механической части электропривода (J - приведенный момент инерции электропривода); 12 - обратная связь по угловой скорости ( (в качестве измерителя угловой скорости выступает тахогенератор, закрепленный на валу электродвигателя, который позволяет стабилизировать заданное значение угловой скорости на выходе электропривода); 13 - интегрирующее звено; 14-наблюдающее устройство идентификации (НУИ).
Рис 5. Структурная схема ВЭП. На основе данной схемы можно получить уравнения описывающие поведение ВЭП:
Записывая характеристическое уравнение системы (2) можно получить уравнения, которые характеризуют динамику тока в обмотках ВЭП и динамику скорости вращения его вала. Эти уравнения соответственно имеют вид:
где приняты следующие обозначения:
Таким образом динамика ВЭП описывается двумя линейными дифференциальными уравнениями третьего порядка (3), (4). В качестве переменных состояния выступают частота вращения w вала двигателя и ток в обмотках i . В качестве управляющего воздействия выступает напряжение питания Uз , а в качестве возмущающего воздействия - момент трения и реактивный момент. Для заданных параметров ВЭП коэффициенты уравнений (3), (4) будут иметь следующие значения:
3. Расчет устойчивостиДля исследования устойчивости ВЭП по соответствующей математической модели воспользуемся алгебраическим критерием устойчивости в форме определителей составляемых из коэффициентов характеристического уравнения (критерий устойчивости Гурвица). Критерий устойчивости формулируется следующим образом: для того чтобы система была устойчива, необходимо и достаточно, чтобы все определители Гурвица имели знаки, одинаковые со знаком первого коэффициента характеристического уравнения. Для характеристического уравнения третьего порядка условия устойчивости будут иметь вид: D1 =а2 >0; D2 =а2 ·а1 -а3 >0; D3 =а2 ·а1 -а3 >0; В нашем случае условия устойчивости выполняются, следовательно, система характеризующая динамику ВЭП, описываемая уравнениями (3-4) является асимптотически устойчивой. 4. Математическое моделирование ВЭПМатематическое моделирование производилось при помощи математического редактора MatLab 6.12 с использованием приложения для построения и моделирования динамических систем Simulink по структурной схеме.
Рис.6 Структурная схема ВЭП для моделирования в среде MatLab 6.12 Результаты моделирования приведены на рис.7-8.
а)
б)
с) Рис.7 Результаты моделирования переходных процессов по угловой скорости и по току для различных напряжений питания ВЭП: а) 0.1В (tпп 0,05 сек); б) 1В (tпп 0,05 сек); с) 10В (tпп 0,05 сек). 5. Построение АЧХ и ФЧХ ВЭПВыражения (3) и (4) можно записать в изображениях Лапласа в виде:
где W1 (s), W2 (s), W3 (s), W4 (s) - передаточные функции ВЭП по w для управления и возмущения, и соответственно по i для управления и возмущения, которые имеют вид:
Для получения аналитических зависимостей для АЧХ и ФЧХ ВЭП по w
для управления произведем замену в (7): W W
Для построения АЧХ и ФЧХ ВЭП использовались стандартные процедуры пакета MatLab 6.12
Рис 8. АЧХ и ФЧХ по току для управления.
Рис 9. АЧХ и ФЧХ по току для возмущения.
Рис 10. АЧХ и ФЧХ по угловой скорости для управления.
Рис 11. АЧХ и ФЧХ по угловой скорости для возмущения. 6. Расчет суммарного момента возмущенияМв определяется по формуле:
Полагаем Реактивный момент представляется в виде ряда Фурье:
где
ki - номер гармоник разложения. Суммарный момент выглядит следующим образом:
Рис 10. Суммарный момент возмущения. Время динамического запаздывания (сек) из ФЧХ по току и угловой скорости для управления:
ЗаключениеВ курсовой работе была проанализирована математическая модель вентильного электропривода, построены частотные графики модели (по току и по W), а так же графики переходных процессов при различных программных напряжениях. На основании вида этих графиков, а также проведенного расчета устойчивости можно сделать вывод о устойчивости вентильного электропривода (его математической модели). |




(2)



(7)
(9)
(10)
, 



(27)