Дипломная работа: Расчет параметров режимов и оборудования электрических сетей и мероприятий энергосбережения
|
Название: Расчет параметров режимов и оборудования электрических сетей и мероприятий энергосбережения Раздел: Рефераты по физике Тип: дипломная работа | |||||||||||||||||||||||||||||||||||||||||||||||||||||||||||||||||||||||||||||||||||||||||||||||||||||||||||||||||||||||||||||||||||||||||||||||||||||||||||||||||||||||||||||||||||||||||||||||||||||||||||||||||||||||||||||||||||||||||||||||||||||||||||||||||||||||||||||||||||||||||||||||||||||||||||||||||||||||||||||||||||||||||||||||||||||||||||||||||||||||||||||||||||||||||||||||||||||||||||||||||||||||||||||||||||||||||||||||||||||||||||||||||||||||||||||||||||||||||||||||||||||||||||||||||||||||||||||||||||||||||||||||||||||||||||||||||||||||||||||||||||||||||||||||||||||||||||||||||||||||||||||||||||||
МИНИСТЕРСТВО ОБРАЗОВАНИЯ И НАУКИ УКРАИНЫ СУМСКИЙ ГОСУДАРСТВЕННЫЙ УНИВЕРСИТЕТ КАФЕДРА ЭЛЕКТРОЭНЕРГЕТИКИ ВЫПУСКНАЯ РАБОТА БАКАЛАВРА по теме: Расчет параметров режимов и оборудования электрических сетей и мероприятий энергосбережения по специальности 6.000008 “Энергетический менеджмент” Профилизация “Электроэнергетические системы” Сумы-2006 ЗАВДАННЯ на випускну роботу бакалавра 1 Тема роботи: Розрахунок параметрів та характеристик системи електропередачі з метою енергозбереження затверджена наказом по університету №________ від________ 2 Термін здачі студентом закінченої роботи 29 травня 2006 року. 3 Вихідні дані до роботи_Схема мережі, опис режимів та параметрів роботи мережі. 4 Зміст розрахунково-пояснювальної записки (перелік питань, які необхідно вирішити) __________________________________________________________ ______________________________________________________________________________________________________________________________________________________________________________________________________ 5 Перелік графічного матеріалу (з точним зазначенням обов’язкових креслень)__________________________________________________________ ____________________________________________________________________________________________________________________________________ РЕФЕРАТ Объяснительная записка содержит ____ с., ___ рис., ____ табл., _____ источников Объектом исследования является электрическая сеть, а так же одна из ее подстанций Цель работы: _____________________________________________________________ _____________________________________________________________ Графические материалы:_______________________________________ _____________________________________________________________ _____________________________________________________________ Основное содержание работы: __________________________________ _____________________________________________________________ _____________________________________________________________ Тема работы _________________________________________________ _____________________________________________________________ _____________________________________________________________ Содержание 1 Вступление 2 Расчет электрической сети 2.2 Расчет параметров схемы замещения 2.3 Составление расчетной схемы замещения сети 2.4 Расчет мощностей в нормальном режиме работы сети 2.5 Расчет нормального режима замкнутой сети (S=Smax) 2.6 Расчет мощностей нормального режима работы разомкнутой сети 2.7 Расчет напряжений нормального режима работы сети 3 Расчет электрической части подстанции 3.1 Выбор мощности силовых трансформаторов 3.2 Выбор схемы электрических соединений подстанций 3.3 Выбор трансформаторов собственных нужд 3.4 Расчет токов короткого замыкания 3.5 Выбор высоковольтных аппаратов РУ электрических сетей 3.6 Выбор электроизмерительных трансформаторов тока и напряжения 4. Расчет электромагнитных переходных процессов в электрической сети 5. Расчет релейной защиты 6. Индивидуальное задание Выводы Список использованных источников 1 Вступление В настоящее время Украина находится в сложном экономическом положении, что сильно отражается в энергетике в целом. В связи с переходом Украины к рыночным отношениям возникли многие осложнения, и они не обошли энергетику. Для экономического использования электрического оборудования, в частности силовых трансформаторов устанавливаемых на ПС, необходимо производить более точные расчеты; компоновать так потребителей, чтобы нагрузка распределилась равномерно в течение дня. Необходим более точный учет электроэнергии преобразований на ПС. Целью данной работы является расчет параметров заданной электрической сети а так же расчет параметров одной из выбранных трансформаторных подстанций.
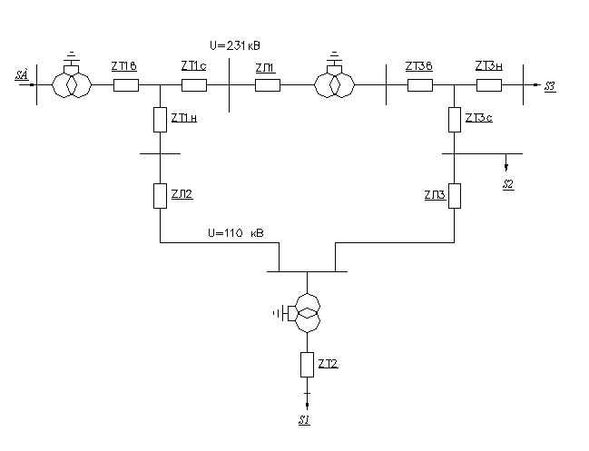
Рисунок 1.1 - Однолинейная электрическая схема соединений электрической сети На рисунке 1 представлена схема соединений заданной электрической сети. Данная сеть питается от источника напряжения U=242 кВ(подробно не описывается). Схема содержит 3 линии электропередач (ЛЭП): -линия Л-1 выполнена проводом АС-300, длина 100км -линия Л-2 выполнена проводом АС-300, длина 40км -линия Л-3 выполнена проводом АС-150, длина 20км Параметры трансформатора Т-1 Используем таблицу взятую из справочника с соответствующими данными[4]: Таблица 1.1 - Параметры трансформаторов Т-1 [3]
Таблица 1.1 - Продолжение
По линиям Л-2 и Л-3, питается трансформаторная подстанция Т-2, содержащая 2 трансформатора ТД-32000/110. Каталожные данные представлены в таблице 1.2 Таблица 1.2- Параметры трансформатора Т-2 [5]
По линии Л-1 питается трансформаторная подстанция Т-3, содержащая трансформатор АТДЦТН-125000/220/110/35. Каталожные данные представлены в таблице 1.3 Таблица 1.3 - Параметры трансформатора Т-3
К средней стороне Т-1 (АТДЦТН-240000/330/220/110) питается через линию Л-1(АС-300) трансформатор Т-3 (АТДЦТН-125000/220/110/35). К низшей стороне напряжения питается через линию Л-2(АС-300) трансформатор Т-2 (ТД-32000/110). К низщей стороне трансформатора Т-2 питается потребитель 1-й категории мощностью S- 1 6 0+ j 3 0 (МВА). На стороне низшей стороне напряжения трансформатора Т-3 подключен потребитель мощностью S -3 15 + j 1 0 (МВА). А к средней стороне подключена линия Л-3(АС-150) которая питает Т-2, и потребитель мощностью S- 2 4 0+ j 2 0 (МВА). В ходе выполнения данной работы необходимо: - Выполнить расчет электрической сети; - Выполнить расчет электрической части выбранной подстанции; - Выполнить расчет электромагнитных переходных процессов подстанции; - Выполнить расчет релейной защиты выбранной подстанции Для технического расчета выбрана подстанция Т-3 В процессе реального проектирования электрической сети приходится решать и ряд других важных вопросов. Например, механический расчет проводов, опор, фундаментов воздушных линий, проводить разработку мероприятий по снижению потерь мощности и энергии в сети, разработку мероприятий по оптимальной компенсации реактивной мощности в сети, выбор устройств по грозозащите линий и подстанций, выбор схем коммутации подстанций и коммутационной аппаратуры и т.д. В данном курсовом проекте эти вопросы не рассматриваются. Расчет электрической сети 2.1 Исходные данные Исходными данными для расчета являются принципиальная схема сети, параметры линий и трансформаторов, напряжения на участках. 2.2 Расчет параметров схемы замещения: 2.2.1 Расчёт параметров линий включает в себя расчет активного и реактивного сопротивлений, а так же зарядной мощности. По каталожным данным [3] в соответствии условия находим удельные параметры линий: Таблица 2.1- Каталожные данные линий [3]
где R 0 - удельное активное сопротивление линии, Ом/км Х0 - удельное реактивное сопротивление линии, Ом/км b 0 - удельная емкостная проводимость линии, См/км Активное сопротивление линии находится по формуле[3]: R Л = R 0 * l л (2.2.1) Реактивное сопротивление линии находится по формуле[3]: ХЛ =Х0 * l л (2.2.2) Зарядная мощность находится по формуле[3]: Q Л = U л2 * b 0 * l л/2 (2.2.3) где U – напряжение линии, кВ l – длина линии, км Используя формулы (2.2.1) - (2.2.3) найдем параметры схемы замещения для линий. 2.2.1.2 Параметры линии Л-1: R Л1 = R 0 * l 1 =0,098* 10 0= 9 ,8 Ом ХЛ1 =0,429* 10 0= 42,9 Ом QЛ1 = 2202 *2,64*10-6 * 10 0/2= 6,388 МВАр. 2.2.1.3 Параметры линии Л-2: R Л2 = R 0 * l 2 =0,12* 4 0= 4,8 Ом. ХЛ2 =Х0 * l 2 =0,405* 4 0= 16,2 Ом. Q Л2 = U 2 * b 0 * l 2 /2=1102 *2,81*10-6 * 4 0/2=0, 68 МВАр. 2.2.1.4 Параметры линии Л-3: R Л3 = R 0 * l 3 =0,198* 2 0= 3,96 Ом. ХЛ3 =Х0 * l 3 =0,42* 2 0= 8,4 Ом. Q Л3 = U 2 * b 0 * l 3 /2=1102 *2,7*10-6 * 2 0/2=0, 3267 МВАр. 2.2.2 Расчёт параметров трансформаторов включает в себя расчет активного и реактивного сопротивления, а так же потери холостого хода Исходными данными для расчета являются каталожные параметры трансформаторов. Активное сопротивление обусловлено потерями активной мощности во всех обмотках трансформатора и находится из опыта К.З. по формуле[3]: RТ
= Реактивное сопротивление трансформатора находится по формуле[3]: ХТ
= Потери реактивной мощности из опыта Х.Х. находятся по формуле[3]: ∆QX
Т
= Потери мощности находятся по формуле[1]: ∆SХТ =∆РХ +j∆QX (2.2.5) Напряжения КЗ для лучей схемы замещения соответствующих сторон трехобмоточного трансформатора находятся по формулам[3]: UКВ =0,5(UКВ-С +UКВ-Н -UКС-Н ) (2.2.6) UКС =0,5(UКВ-С -UКВ-Н +UКС-Н ) (2.2.7) UКН =0,5(-UКВ-С +UКВ-Н +UКС-Н ) (2.2.8) Используя формулы (2.2.4) - (2.2.8) найдем параметры схемы замещения для трансформаторов 2.2.2.1 Параметры трансформатора Т-1 Активное сопротивление обусловлено потерями активной мощности во всех обмотках трансформатора и находится из опыта К.З. по формуле[1]: Rобщ1
= В каталоге приведено одно значение мощности К.З. которое соответствует замыканию обмоток высшего и среднего напряжения, тогда сопротивление в каждой из обмоток трансформатора можно найти по формуле[1]: RТ1В =RТ1С =RТ1Н =0,5* Rобщ1 =0,5*1,36=0,68 Ом. Где RТВ - активное сопротивление обмотки высшего напряжения трансформатора, RТС - активное сопротивление обмотки среднего напряжения трансформатора, RТН - активное сопротивление обмотки низшего напряжения трансформатора. В каталоге также заданы напряжения соответствующие опыту К.З., используя которые можно найти напряжения К.З. в каждой обмотке по формулам[1]: UКВ1 =0,5(UКВ-С +UКВ-Н -UКС-Н )=0,5(7,3+70-60)=17,3 %, UКС1 =0,5(UКВ-С -UКВ-Н +UКС-Н )=0, UКН1 =0,5(-UКВ-С +UКВ-Н +UКС-Н )=0,5(-7,3+70+60)=122,3 %. По найденным напряжения К.З. в каждой обмотке можно найти реактивное сопротивление в каждой обмотке трансформатора[1]: ХТ1В
= ХТ1С =0. ХТ1Н
= Рассчитываем также потери реактивной мощности из опыта Х.Х. по формуле[1]: ∆QX
Т1
= Потери мощности Х.Х. первого трансформатора можно записать[1]: ∆SХТ1 =∆РХТ1 +j∆QX Т1 =0,13+j1,2 МВА. По аналогичному методу рассчитываем параметры остальных трансформаторов : 2.2.2.2 Параметры трансформатора Т-2 Rобщ2
= Хобщ2
= ∆QX
Т2
= ∆SХТ2 =∆РХТ2 +j∆QX Т2 =0,086+j0,864 МВА. 2.2.2.3 Параметры трансформатора Т-3: Rобщ3
= UКВ3 =0,5(UКВ-С +UКВ-Н -UКС-Н )=0,5(11+45-28=14 %, UКС3 =0,5(UКВ-С -UКВ-Н +UКС-Н )=0, UКН3 =0,5(-UКВ-С +UКВ-Н +UКС-Н )=0,5(-11+45+28)=31 %. ХТ3В
= ХТ3С =0. ХТ3Н
= ∆QX
Т3
= ∆SХТ3 =∆РХТ3 +j∆QX Т3 =0,065+j0,625 МВА. 2.3 Составление расчетной схемы замещения сети 2.3.1 Упрощение схемы замещения: Для облегчения понимания схемы замещения целесообразно ввести индексацию контрольных узлов и точек цепи: По схеме №1 Принимаем т.1 – средняя точка Т-1. Принимаем т.2 –Т-1 со стороны средней обмотки с одной стороны и линия Л-1 с другой. Принимаем т.3 – линия Л-1 с одной стороны и к Т-3 со стороны высшей обмотки с другой. Принимаем т.4 – средняя точка Т-3. Принимаем т.5 – Т-3 со стороны низшей обмотки и нагрузка S3 . Принимаем т.6 –Т-1 со стороны низшей обмотки с одной стороны и линия Л-2 с другой. Принимаем т.7 –Т-3 со стороны средней обмотки с одной стороны и линия Л-3 с другой и нагрузка S2 . Принимаем т.8 – шина подключена к линиям 2 и 3 с одной стороны и к трансформатору Т-2 с другой. Принимаем т.9 – шина подключена к Т-2 с одной стороны и к нагрузке S1 с другой.
Рисунок 2.1 – Схема замещения сети 2.4 Расчет мощностей в точках схемы в нормальном режиме работы сети При расчете мощностей идем по направлению от известных мощностей потребителя к искомой мощности на входе цепи расчетной согласно схеме замещения (используя формулы [1],[2]). 2.4.1.Рассчитываем мощность в начале участка 4-5: S45
=S3
+∆ST3
=S3
+ =15+j10+ 2.4.2.Рассчитываем мощность перед трансформатором Т-2: S89
= S1
+∆SХТ
2
+ =60,3+j34,55МВА. 2.5 Расчет нормального режима замкнутой сети ( S = Smax ) (используя формулы [1],[2]).: Расчет режима замкнутой сети выполняется так же, как сети с двусторонним питанием при одинаковых напряжениях источников питания [1]. Расчетная схема кольцевой сети, условно разрезанной по шинам источника питания, имеет вид, представленный на рисунке
Рисунок 2.2 - Расчетная схема кольцевой сети Выбираются направления мощностей, в качестве приближения принимаются напряжения во всех узлах равными номинальному и определяется потокораспределение на отдельных участках сети без учета потерь в ней. 2.5.1 Найдем сопротивления Z 1 =Z 1С +Z 3В +Z Л1 =0,68+9,8+j42,9+0,47+j54,21=11+j97 Ом. Z 2 =Z 1Н +Z Л2 =0,68+j60,5+4,8+j16,2=5,48+j76,7 Ом. Z 3 =Z Л3 =3,96+j8,4 Ом. Z 4 =Z 3С= 0,47 Ом. Рассчитываем мощности на участках сети с двухсторонним питанием, для этого определяем мощность на головных участках: 2.5.2 S18
=
2.5.3 S14
= 2.5.4 Проверка: S14 +S18 =S89 +S2 +S45 63,679+j37,626 +51,62+j27.72 =60,3+j34,5+15+j10+40+j20 115,3+j65.34≈115,3+j64,5 Погрешность вычислений составляет δР=0%, δQ=1.2% что намного меньше необходимой точности вычисления 2% . 2.5.5 S87 =S18 -S89 =63,679+j37,626-60,3+j34,5=3,379+j3,124МВА. 2.5.6 S47 =S1 4 -S45 =51,62+j27,675 -15+j10,8=36,62+16,9МВА. Используя схему, полученные численные значения и направления мощностей можно найти точку потокораздела. Точка потокораздела находится в т.7, производим размыкание сети в этой точке и производим расчет каждой из разомкнутых сетей отдельно. Схема замещения полученной цепи(с учетом точки разрыва) показана на рисунке:
Рисунок 2.3 – Схема цепи с учетом точки разрыва 2.6 Расчет мощностей нормального режима работы разомкнутой сети (используя формулы [1],[2]). Индексы К и Н – соответственно конец и начало участка сети. 2.6.1. Рассчитываем мощность S74 К : S74 К = S45 =15,003+j10,804 МВА. 2.6.2.Рассчитываем мощность S74 Н : S74
Н
= S74
К
+ =15,006+j10,804 МВА. 2.6.3.Рассчитываем мощность S74 К : S87 К = S74 Н +S2 = S61 ’+S67 =15,006+j10,804+40+ j20=55,006+j30,804МВА. 2.6.4.Рассчитываем мощность S87 Н : S87
Н
= S87
К
+ =55,006+j30,804 + =55,33+ j31,16 МВА. 2.6.5.Рассчитываем мощность S68 К : S68 К = S87 Н + S89 =55,33+ j31,16+60,3+j34,55=115,63+ j65,71МВА. 2.6.6.Рассчитываем мощность S68 Н : S68
Н
= S68
К
+ =115,63+ j65,71+ 2.6.7.Рассчитываем мощность S68 Н : S16
= S68
Н
+ =117,64+j94,41 МВА. 2.6.8.Рассчитываем мощность SА : SА
= S16
+ +0,13+j1,2=118,08+j132,4 МВА. 2.7 Расчет напряжений нормального режима работы сети (используя формулы [1],[2]). 2.7.1.Находим напряжение в точке 8: U8
’=U1
- = 363 - Модуль напряжения: |U8 ’|=354 кВ. Находим коэффициент трансформации, это отношение напряжения на обмотке высшего напряжения к напряжению на обмотке среднего напряжения: nВН
= Используя коэффициент трансформации приводим полученное напряжение к напряжению на обмотке низшего напряжения: U8 = U8 ’/ nВН =354/3=118 кВ. 2.7.2.Находим напряжение в точке 7’: U7
’=U8
- =118- Модуль напряжения: |U7 ’|=117,7 кВ. 2.7.3.Находим напряжение в точке 4: U4
’= U1
- = 363 - Модуль напряжения: |U4 ’|=357,3 кВ. Находим коэффициент трансформации, это отношение напряжения на обмотке высшего напряжения к напряжению на обмотке среднего напряжения: nВН
= Используя коэффициент трансформации приводим полученное напряжение к напряжению на обмотке низшего напряжения: U4 = U4 ’/ nВН =357,3/1,5=238 кВ. 2.7.4.Находим напряжение в точке 7’’: (U7
’’)’= U4
- = 238 - Модуль напряжения: |(U7 ’’)’| = 237,9 кВ. Находим коэффициент трансформации, это отношение напряжения на обмотке высшего напряжения к напряжению на обмотке среднего напряжения: nВН
= Используя коэффициент трансформации приводим полученное напряжение к напряжению на обмотке низшего напряжения: U7 ’’= (U7 ’’)’/ nВН =237,9/2=119кВ. Напряжение в точке потокораздела, найденные в результате расчета обеих разомкнутых схем практически одинаковы: Погрешность: (|U7 ’’|-|U7 ’|)*100/|U7 ’|=1,1% Что соблюдает необходимую точность расчета 1,1<<10 Принимаем |U7 |=118 кВ. 2.7.5.Находим напряжение в точке A: UA
=U1
+ = 363 + Модуль напряжения: |UA |=372,6 кВ. 2.7.6.Находим напряжение в точке 5: U5
’ = U4
- = 238 - Модуль напряжения: |U5 ’| = 232,6 кВ. Находим коэффициент трансформации, это отношение напряжения на обмотке высшего напряжения к напряжению на обмотке низшего напряжения: nВН
= Используя коэффициент трансформации приводим полученное напряжение к напряжению на обмотке низшего напряжения: U5 = U5 ’/ nВН = 232,6/6,29 = 37 кВ. 2.7.7.Находим напряжение в точке 9: U9
’=U8
- = 118 - Модуль напряжения: |U9 ’|=109,9кВ. Находим коэффициент трансформации, это отношение напряжения на обмотке высшего напряжения к напряжению на обмотке низшего напряжения: nВН
= Используя коэффициент трансформации приводим полученное напряжение к напряжению на обмотке низшего напряжения: U9 = U9 ’/ nВН =109,9/3,14 =35 кВ. 3 Расчет электрической части подстанции Расчет электрической части подстанции включает в себя определение суммарной нагрузки подстанции, выбор силовых трансформаторов, выбор принципиальной схемы первичных соединений подстанции, выбор трансформаторов и схемы собственных нужд, выбор измерительных приборов для основных цепей подстанции и измерительных приборов. Исходными данными являются: 1). Напряжение систем - U ВН в кВ, которое соответствует стороне высокого напряжения (ВН) подстанции. 2). Мощность системы S НОМ в МВА. 3). Реактивное сопротивление системы Хс . 4). Число линий связи с системой указано на рис.1 и их длинна LW в км, и их параметры XW в Ом. 5). Мощность нагрузки, МВА (Указано в таблице №1). Исходные данные согласно варианта Тип трансформатора ТМТН 10000/110 Мощность трансформатора S=10 МВА Напряжение U=110 кВ Сопротивление трансформатора Х=139 Ом Длинна линии LW 1 =15 км Длинна линии LW 2 =15 км Сопротивление линии XW 1 =3,1 Ом Сопротивление линии XW 2 =3,0 Ом Мощность системы SC =3100 КВА Сопротивление системы XC =3,9 Ом Таблица 3.1- Нагрузка потребителей в течении суток
3.1 Выбор мощности силовых трансформаторов Для подстанций были выбраны трансформаторы мощности SМВА типа ТМН. Болем точно выбраны трансформаторы, учитывая график нагрузки.
Рисунок 3.1- График нагрузки подстанции. Для проверки правильности выбора трансформатора реальный график нагрузки преобразуем в двухступенчатый. Начальная нагрузка эквивалентного графика определяется по формуле
Аналогично определяется вторая ступень эквивалентного графика, но при этом берутся ступени, расположенные выше линии номинальной мощности трансформатора.
где Максимальный перегруз трансформатора составляет
где Предварительное значение
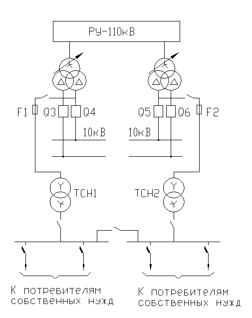
Так как По ГОСТу 14209-85 с учетом эквивалентной температуры зимнего периода ( Так как по ГОСТу 14209-85 3.2 Выбор схемы электрических соединений подстанций Главная схема электрических соединений должна удовлетворять следующим требованиям: - обеспечивать надежность электроснабжения в нормальных и послеаварийных режимах; - учитывать перспективы развития; - допускать возможность расширения; - обеспечивать возможность выполнения ремонтных и эксплутационных работ на отдельных элементах схемы и без отключения присоединений. При этом следует применять простейшие схемы. Для тупиковой схемы рекомендуется применять схему «два блока с выключателем в цепях трансформатора и неавтоматической перемычкой». Так как рассматриваемое РУ имеет малое число присоединений – то целесообразно применить упрощенную схему без сборных шин с короткими перемычками между присоединениями. Упрощенная принципиальная схема электрических присоединений приведена на рис.3.2. Краткое описание работы схемы в нормальном и аварийных режимах: В схеме предусмотрены выключатели на линиях, третий выключатель предусмотрен на перемычке (секционный). Отключение трансформаторов, в случае их повреждения, производится двумя выключателями 110 кВ (Q1и Q3 или Q2 и Q3) и соответствующего выключателя 10 кВ (Q11 или Q12). Вместе с трансформатором будут отключены и две соответствующие линии 10 кВ. Их работу можно возобновить с помощью АВР выключателем Q13.
Рисунок 3.2 – Упрощенная схема электрических соединений 3.3 Выбор трансформаторов собственных нужд Выбрать число и мощность трансформаторов собственных нужд. Выбрать измерительные трансформаторы тока и напряжения. Приёмниками собственных нужд являются оперативные цепи, электродвигатели системы охлаждения силовых трансформаторов, освещения и электроотопления помещений, электроподогрев коммутационной аппаратуры и т.д. Суммарная расчётная мощность приёмника собственных нужд определяется с учётом коэффициента спроса. Расчёт мощности приёмника собственных нужд приведён в таблице 3.2. Таблица 3.2 - Расчёт мощности приёмника собственных нужд [7]
На подстанции предусматривается установка двух трансформаторов собственный нужд номинальная мощность выбирается из условий: SТСН >SСН , где SТСН – мощность трансформатора собственных нужд, кВА; SСН – мощность потребителей собственных нужд, кВА. Поскольку SСН =17,7 кВА, то берём мощность трансформатора собственных нужд равной 25 кВА. Ремонтную нагрузку подстанции берём равной 20 кВА. При подключении такой нагрузки на один трансформатор допускается его перегрузка на 20%. Мощность трансформатора для обеспечения питания нагрузки собственных нужд с учётом ремонтных нагрузок: SТСН
= Стандартная мощность трансформатора 40 кВА. Окончательно для питания потребителей собственных нужд принимаем два трансформатора ТМ-40/10.
Рисунок 3.3 - Силовой трансформатор ТМ. 1 — болт заземления, 2 — бак, 3 — воздухоочиститель, 4 —расширитель, 5 и 6 — проходные изоляторы вводов 6 и 0,4 кВ, 7 — термосифонный фильтр, 8 — выемная часть, 9 — радиатор
Рисунок 3.4 - Схема питания собственных нужд 3.4 Расчет токов короткого замыкания Значения токов короткого замыкания необходимы для правильного выбора оборудования на сторона 110 кВ и 10 кВ. Подстанция питается по двум тупиковым линиям. схемы замещения для расчета токов короткого замыкания приведена на рис. 3.5. Расчет токов короткого замыкания выполним в именованной системе единиц. Мощность короткого замыкания на шинах 110 кВ центра питания составляет
Рисунок 3.5 - Схема замещения для расчета токов короткого замыкания. Сопротивления системы равно.
Сопротивление работающих линий Периодическая составляющая ТКЗ в точке
тоже в точке
реальный ТКЗ в точке
Ударный ток В точке В точке Допустим, что амплитуда ЭДС и периодическая составляющая ТКЗ неизменны по времени, поэтому через время, равное времени отключения
Апериодическая составляющая ТКЗ к моменту расхождения контактов выключателя;
где Интеграл Джоуля для для Результаты расчета сведены в табл.3.3 Таблица 3.3 - Результаты расчетов токов КЗ
3.5 Выбор высоковольтных аппаратов РУ электрических сетей Высоковольтные электрические аппараты выбираются по условию длительного режима роботы и проверяются по условиям коротких замыканий. При этом для аппаратов производятся: 1) выбор по напряжению; 2) выбор по нагреву при длительных токов? 3) проверка на электродинамическую стойкость; 4) проверка на термическую стойкость; 5) выбор по исполнению (для наружной или внутренней установки); Выбору подлежат: выключатели на стороне высшего напряжения; вводные выключатели на стороне 10 кВ; секционные выключатели на стороне 10 кВ; выключатели отходящих линий 10 кВ; разъединители высшего напряжения; трансформаторы типа и напряжения 110 кВ и 10 кВ; ошиновка распределительных устройств 110 кВ и 10 кВ. Для выбора аппаратов и токоведущих частей необходимо определить токи нормального и послеаварийного режима. Определение токов производится для случая установки на подстанции силового трансформатора. Рассчитанного согласно графику нагрузки подстанции. Максимальный ток на внешней стороне
Ток в цепи вводных выключателей на стороне 10 кВ
ток в цепи секционного выключателя
ток в цепи отходящей линии (если на одно присоединение приходится 3МВА)
на стороне высшего напряжения рекомендуется установка элегазовых выключателей типа S1-145-F3/4031. выбор выключателей приведен в таблице 3.4. Каталожные параметры выключателя взяты из [5]. Таблица 3.4 - Выбор выключателя на стороне 110 кВ
Выбранный выключатель должен полностью удовлетворять условиям выбора. Выбираем ВВБМ – 110Б – 31,5/2000У1 : U НОМ =110 кВ, I НОМ = 2000 А, I НОМ.ОТКЛ. =31,5 кА, I СКВ.Пр. =40 кА,I СКВ =102 кА,I Т =40 кА, t
откл
=
0,07 сек. I
а ном.
=
На стороне низкого напряжения рекомендуется выбирать вакуумные выключатели. t – Расчетное время расхождения контактов после начала КЗ. Для выключателей на высшей стороне t = 0,06 с, на низшей стороне t = 0,1 с. В точке В точке Таблица 3.5 - Выбор выключателей в цепи трансформатора на стороне 10 кВ.
Рекомендуется установку вакуумных выключателей типа VM 1S-10-40/3150-42 Выбираем МГГ – 10 – 3150 – 45У3 : Выбор секционного выключателя на стороне 10 кВ. Таблица 3.6 -Выбор секционного выключателя на стороне 10 кВ.
Рекомендуется принять к установке в качестве секционного выключателя типа BB/TEL-10-31,5/1600-У2 В таблице 3.7 приведен выбор разъединителей на стороне 110 кВ. разъединители необходимы с одним и двумя комплектами заземляющих ножей. Таблица 3.7 - Выбор разъединителей 110 кВ.
Рекомендуется принять к установке на стороне 110 кВ разъединители типа РНД31-110/1000 УХЛ1 и РНД 32-110/1000 УХЛ1 3.6 Выбор электроизмерительных трансформаторов тока и напряжения Для подключения электроизмерительных приборов и устройств релейной защиты необходима установка трансформаторов тока и напряжения. В настоящем проекте релейная защита детально не разрабатывается, поэтому проверку трансформаторов по вторичной нагрузке выполняем с учётом подключения только измерительных приборов. В цепи силового трансформатора со стороны низшего напряжения амперметр, вольтметр, варметр, счётчики активной и реактивной энергии, на шинах 110 кВ – вольтметр с переключателем для измерения трёх межфазных напряжений, на секционном выключателе 10 кВ – амперметр, на отходящих линиях 10 кВ – амперметр, счётчики активной и реактивной энергии. Таблица 3.8 - Расчёт вторичной нагрузки трансформатора тока [6]
Таблица 3.9 - Выбор трансформатора тока в цепи силового трансформатора на стороне высшего напряжения.
Для проверки по вторичной нагрузке определяем сопротивление приборов: Zприб
= Тогда сопротивление измерительных проводов может быть: Zпр =Zном -Zприб -ZK , где: Zном – номинальное сопротивление нагрузки, Ом; Zприб – сопротивление приборов, Ом; ZK – сопротивление контактов, Ом. Zпр =4-0,02-0,1=3,88 Ом. Сечение соединительных проводов по условиям механической прочности должно быть не менее 4 мм2 для алюминиевых жил. Сечение жил при длине кабеля l=160 м: Zпр
=ρ где ρ – удельное сопротивление алюминия, 0,0283 F – сечение жил, мм2 ; F= Общее сопротивление токовой цепи: ZН =Zприб +ZK +Zпр =0,02+0,1+1,13=1,25 Ом, что меньше 4 Ом, допустимых при работе трансформатора в классе точности 1. Трансформатор тока ТФЗМ-110-У1 соответствует условиям выбора. Таблица 3.10 - Выбор трансформатора тока в цепи силового трансформатора на стороне низшего напряжения.
Проверка по вторичной нагрузке выполняется аналогично. Выбран трансформатор ТШЛ-10К. Шинные трансформаторы тока изготавливают для номинальных напряжений до 20 кВ и токов до 24000 А. В качестве первичной обмотки используется проходная шина. Они могут быть выполнены класса 0,5. В качестве примера на рис. 3.6 показан шинный трансформатор тока типа ТШЛ-20 (Ш–шинный, Л – литая изоляция).
Рисунок 3.6 - Шинный трансформатор тока типа ТШЛ-20. Магнитопроводы 1 и 2 со встроенными обмотками залиты эпоксидным компаундом и образуют изоляционный блок 3. Блок соединён с основанием 4, имеющего приливы 5 для крепления трансформатора. Троходны окно с размером от 200х200 до 250х250 мм2 рассчитано на установку двух шин корнт сечения. Зажимы 6 вторичных обмоток расположены над блоком. Таблица 3.11 Выбор трансформатора тока на отходящей линии.
Принимаем к установке трансформатор тока ТЛП-10. Трансформатор тока ТПЛ10-У3: При токах, меньших 600 А, применяются многовитковые трансформаторы тока ТПЛ, у которых первичная обмотка 3состоит из нескольких витков, количество которых определяется необходимой МДС (рис.3.7).
Рисунок. 3.7 - Трансформатор тока ТПЛ-10 с двумя магнитопроводами: 1 - магнитопровод; 2 - вторичная обмотка; 3 - первичная обмотка; 4 - вывод первичной обмотки; 5 - литой эпоксидный корпус В качестве трансформаторов напряжения выбираем на стороне 110 кВ трансформаторы НКФ-110-58, на стороне 10 кВ – ЗНОЛ.06-10-У3. Их характеристики приведены в таблице 12: Таблица 3.12 - Характеристика выбранных трансформаторов на сторонах 110 кВ и 10 кВ
Рисунок 3.8 - НКФ Каскадный трансформатор напряжения типа НКФ. Каскадные трансформаторы напряжения изготовляют только однофазные и для наружной установки. На рис. 3.8 общий вид каскадного трансформатора типа НКФ на напряжение 110кВ. 4. Расчет электромагнитных переходных процессов в электрической сети В процессе выполнения расчета необходимо на защищаемом объекте (трансформатор Т-3) рассчитать сверхпереходный и ударный ток при симметричном (трёхфазном) замыкании. Исходными данным для расчета являются Схема электрической сети, параметры линий и трансформаторов, а так же мощности нагрузок. Расчет выполняем в относительных единицах для приближенного вычисления в соответствии условия [8] Удельное сопротивление для воздушных линий в приближённых расчётах напряжением 6-220 кВ Х0
= 0,4 Ом/км. ЭДС нагрузок в сверхпереходном режиме принимаем Принимаем базисные условия: Uб = 35 кВ; Sб = 250 МВА;
Для упрощения преобразования схемы не будем учитывать нагрузку Е-2.
Рисунок 4.1 - Схема замещения заданной сети. Сопротивления трансформатора Т-1:
X2 = 0;
Сопротивление линии Л-1:
Сопротивления трансформатора Т-3:
X8 = 0;
Сопротивление линии Л-2:
Сопротивление линии Л-3:
Сопротивление трансформатора Т-2:
Сопротивление нагрузки 1:
Сопротивление нагрузки 3:
ЭДС нагрузок в сверхпереходном режиме:
Преобразуем Δ в Y:
Рисунок 4.2 - Преобразование Δ в Y. Х14 = Х2 + Х3 + Х4 = 0 + 0,151 + 0,28 = 0,431; Х15 = Х7 + Х9 = 0,62 + 0,227 = 0,847; Х16 = Х8 + Х10 = 0 + 0,227 = 0,227. Сопротивления Y через сопротивления Δ:
Рисунок 4.3 - Схема после преобразования Δ в Y. Упростим схему:
Рисунок 4.4 - Упрощение схемы. Х20 = Х1 + Х17 = 0,09 + 0,243 = 0,333; Х21 = Х19 + Х5 = 0,065 + 0,62 = 0,685; Х22 = Х13 + Х12 + Х18 = 8,322 + 0,82 + 0,128 = 9,27. Упростим схему, используя коэффициенты распределения (совместим сопротивление Х21 с сопротивлениями Х20 и Х22 ):
Рисунок 4.5 - Схема после совмещения сопротивления Х21 с сопротивлениями Х20 и Х22 . Эквивалентное сопротивление для Х20 и Х22 :
Коэффициенты распределения:
Результирующее сопротивление для Х20 , Х21 и Х22 : Хрез2022 = Хэ2022 + Х21 = 0,327 + 0,685 = 1,012. Значения сопротивлений после преобразования:
Так как источник системы является источником бесконечной мощности, то ЭДС источника E* = U* = 1 = const. Найдём эквивалентную ЭДС системы:
Эквивалентное сопротивление системы:
Ток трёхфазного короткого замыкания в относительных единицах:
Ток трёхфазного короткого замыкания в именованных единицах:
Ударный ток короткого замыкания:
5 Расчет релейной защиты Требуется рассчитать релейную защиту автотрансформатора. Автотрансформатор силовой трехфазный трехобмоточный типа АТДЦТН-125000/500/110-У1 предназначен для связи электрических сетей напряжением 500 и 110 кВ. Расчет релейной защиты трансформатора выполним с использованием реле ДЗТ-21 [9] Общие сведения о реле ДЗТ-21 (ДЗТ-23) Для защиты трансформаторов и автотрансформаторов большой мощности ЧЭАЗ выпускает реле дифференциальной защиты с торможением типов ДЗТ-21 и ДЗТ-23, в которых применен новый принцип отстройки от бросков тока намагничивания и токов небаланса. Защита выполнена на микроинтегральном принципе. На дифференциальных защитах с реле ДЗТ-21 и ДЗТ-23 может быть выполнена минимальная уставка по току срабатывания 0,3Iном трансформатора. Для отстройки от бросков намагничивающего тока силовых трансформаторов и переходных токов небаланса используется время-импульсный принцип блокирования защиты в сочетании с торможением от составляющих второй гармонической тока, содержащихся, как показывает анализ, в токах намагничивания. Автотрансформатор имеет встроенное регулирование напряжения под нагрузкой (РПН) на стороне среднего напряжения в пределах Сопротивления линейного регулировочного трансформатора и реактора (сопротивления которого рассчитаны при двух крайних положениях регулировочного автотрансформатора) заимствованы из примера расчета дифференциальной защиты цепей стороны низшего напряжения.
5.1 Порядок расчета Расчет защиты производится в следующем порядке [9] : 5.1 Определяются первичные токи для всех сторон защищаемого трансформатора (автотрансформатора), соответствующие его номинальной мощности (проходной мощности для автотрансформатора). По этим токам определяются соответствующие вторичные токи в плечах защиты 5.2 Выбираются ответвления трансреактора реле ТА V для основной стороны (за основную принимается сторона 220 кВ, на которой вторичный ток в плече защиты примерно равен номинальному току ответвления трансреактора реле) Ответвления
Принимаются ответвления с номинальным током, равным или ближайшим меньшим расчетного. Указанное необходимо для обеспечения возможности выставления на реле уставки относительного минимального тока срабатывания (при отсутствии торможения)
где Все величины должны приниматься для стороны, обусловливающей наибольшее загрубление защиты. Такой стороной является та неосновная сторона, для которой принятое ответвление При выборе ответвлений автотрансформаторов тока типов АТ-31
и АТ-32
и трансреактора реле ТА
V
в целях обеспечения наименьших значений Таблица 5.1-Результаты расчета первичных токов и параметров защиты
В плече защиты на основной стороне автотрансформаторы тока могут не использоваться (например, на стороне низшего напряжения в защите трансформаторов с нерасщепленной обмоткой и одиночным реактором или без реактора), если получаемая при этом кратность тока 5.3 Выбираются ответвления автотрансформаторов тока АТ-32
для неосновных сторон 110 в 10 кВ 5.4 Определяются стороны, на которых используется торможение. Торможение, как правило, следует осуществлять от токов на всех (питающих и приемных) сторонах трансформатора (автотрансформатора). Однако, если на подстанции не имеется синхронных двигателей, в защите двух- и трехобмоточного трансформатора при наличии питания только со стороны высшего напряжения и отсутствии параллельной работы на стороне среднего напряжения принципиально в целях увеличения чувствительности защиты целесообразно было бы торможение осуществлять только от токов на приемных сторонах. Но при этом может потребоваться коэффициент торможения выше уставок, предусмотренных на реле. Использование торможения только от токов приемных сторон обеспечивает отсутствие торможения от токов внутренних КЗ, а использование торможения от токов всех сторон при возможности питания с нескольких из них необходимо для обеспечения отсутствия торможения при Ввиду наличия питания с двух сторон и возможности передачи нагрузки как со стороны ВН, так и со стороны СН целесообразно осуществлять торможение от токов, проходящих во всех сторонах защищаемого автотрансформатора. Для этого, помимо промежуточных трансформаторов реле, используется приставка дополнительного торможения. 5.5 Выбирается уставка «начала торможения» Уставка «начала торможения»
(для уставки «начала торможения»
(для уставки «начала торможения» обеспечивается отсутствие торможения. При принятии
отсутствие торможения будет обеспечиваться при токах, меньших соответственно:
(для уставки «начала торможения» При этом в (5.5.5) вместо коэффициента 1,2 надо принимать 2. Первичные токи начала торможения Следует отметить, что в целях упрощения при близких значениях токов 5.6 Выбираются ответвления промежуточных трансформаторов тока и приставки дополнительного торможения, исходя из вторичных токов Iном,в
и выбранных в п.2.3 коэффициентов трансформации автотрансформаторов тока АТ-32
5.7 Определяется первичный тормозной ток, соответствующий «началу торможения», по (5.5.4)
5.8 Определяется ток небаланса в режиме, соответствующем «началу торможения»:
5.9 Определяется первичный минимальный ток срабатывания защиты (ее чувствительного органа) по следующим условиям: -отстройки от расчетного первичного тока небаланса в режиме, соответствующем началу торможения, по
-отстройки от тока небаланса переходного режима внешнего КЗ, по выражению
За расчетное принимается большее из полученных расчетных значений 5.10 Определяется относительный минимальный ток срабатывания реле (его чувствительного органа) при отсутствии торможения по (5.2.2). За расчетную принимается сторона среднего напряжения, в соответствии (5.2.2)
5.11 Определяется первичный максимальный ток, проходящий через защищаемый автотрансформатор при внешнем КЗ.
и соответствующий ему максимальный расчетный ток небаланса
k одн - коэффициент однотипности ТТ;
5.12Определяется коэффициент торможения защиты:
где
Значения первичных токов Расчетный максимальный первичный ток небаланса
максимального расчетного тока небаланса, а значения входящих в него составляющих тока небаланса
но составленному для расчетного внешнего металлического КЗ. При этом в целях обеспечения недействия защиты от тока небаланса переходного режима внешнего КЗ коэффициент, учитывающий переходный режим, рекомендуется принимать равным Меньшее значение принимается при использовании на разных сторонах защищаемого трансформатора (автотрансформатора) однотипных трансформаторов тока (только встроенных или только выносных) и одинаковой схеме их соединения (например, в звезду), большее значение принимается при использовании для защиты разнотипных трансформаторов тока и разных схемах их соединения (на одной из сторон в звезду, на других— в треугольник). 5.13. Определяется первичный ток срабатывания отсечки
Уставка отсечки принята равной
5.14. Определяется коэффициент чувствительности защиты (ее чувствительного органа) Результаты расчетов
Таблица 5.2 – Значения коэффициентов схемы для различных видов КЗ
Чувствительность защиты (ее чувствительного органа) определяется при металлическом КЗ на выводах) защищаемого трансформатора (автотрансформатора) при работе его на расчетном ответвлении. Расчетными режимами работы подстанции и питающих систем являются реальные режимы, обусловливающие минимальный ток при расчетном виде КЗ. Коэффициент чувствительности рассчитывается, исходя из первичных токов рассматриваемого вида (т)
КЗ Следует отметить, что, как правило, чувствительность защиты при Чувствительность дифференциальной токовой отсечки не определяется, так как она является вспомогательным элементом, назначение которого — предотвращение недопустимого замедления или отказа срабатывания защиты при больших кратностях тока, когда чувствительный орган может сработать с большим замедлением кл не сработать из-за искажения формы кривой вторичного тока в переходном режиме КЗ (например, при значительном насыщении трансформаторов тока), и торможении вследствие этого чувствительного органа защиты токами второй и более высокими гармониками. Результаты расчетов коэффициентов чувствительности сведены в табл. 5.3. Таблица 5.3 - Коэффициенты чувствительности защиты ДЗТ-21
Из табл. 5.3 следует, что чувствительность защиты обеспечивается с большим запасом. Указанное подтверждает то обстоятельство, что расчет чувствительности дифференциальной защиты, выполненной с реле типа ДЗТ-21, как правило, производить не требуется. Список использованных источников 1 Конспект лекций по курсу «Электрические системы и сети». Преподаватель – Лебединский И.Л. Сумы, СумГУ 2005г. 2 Методические указания по выполнению курсового проекта по курсу «Электрические системы и сети» для специальности 6.000008 «Энергоменеджмент» профилизации «Электроэнергетические системы». Составитель – Лебединский И.Л. Сумы, СумГУ, 2005г. 3 Рожкова Л.Д.Козулин В.С. Электрооборудование станций и подстанций.- 3-е изд.- М.:Энергоатомиздат, 1987- 648 с. 4 Справочник по электроснабжению промышленных предприятий. Электрооборудование и автоматизации /Под ред.А.А.Федорова, и Г.В.Сербиловского- М.:Энергия,1981- 624 с. 5 Электрооборудование станций и подстанций: Учебник для техникумов.- 3е изд., перераб. и доп.- Энергоатомиздат 1987.- 648 с. 6 Методические указания к выполнению курсового проекта «Электрическая часть станций и подстанций» для студентов заочного отделения специальности 6.000008 «Энергоменеджмент» профилизации «Электроэнергетические системы». Составители – Лебединский И.Л., Муриков Д.В., Василега П.А. Сумы, СумГУ, 2005г 7 Методические указания к проведению практических занятий по курсу «Электрическая часть станций и подстанций» для студентов заочного отделения специальности 6.000008 «Энергоменеджмент» профилизации «Электроэнергетические системы». Составители – Лебединский И.Л., Муриков Д.В., Василега П.А. Сумы 8 Электротехнический справочник: в 3х т. Т.3. Кн.1. Производство, передача и распределение электрической энергии/Под общ. ред. Профессоров МЭИ В.Г.Герасимова, П.Г.Грудинского и др.- 6е изд. испр. и доп. М.: Энергоиздат, 1982.-656 с., ил. 9 Учебное пособие для студентов, обучающихся по направлению «Электротехника», по курсу «Основы релейной защиты электрических систем». Часть III. Расчет защит трансформаторов и автотрансформаторов. Мариуполь: ПГТУ, 2001. 10 Железко Ю.С. Выбор мероприятий по снижению потерь электроэнергии в электрических сетях: Руководство для практических расчётов. – М: Энергоатомиздат, 1989. – 176 с.: ил. 11 Бохмат И.С., Воротницкий В.Э., Татаринов Е.П. Снижение коммерческих потерь в электроэнергетических системах. - "Электрические станции", 1998, ° 9. |
|||||||||||||||||||||||||||||||||||||||||||||||||||||||||||||||||||||||||||||||||||||||||||||||||||||||||||||||||||||||||||||||||||||||||||||||||||||||||||||||||||||||||||||||||||||||||||||||||||||||||||||||||||||||||||||||||||||||||||||||||||||||||||||||||||||||||||||||||||||||||||||||||||||||||||||||||||||||||||||||||||||||||||||||||||||||||||||||||||||||||||||||||||||||||||||||||||||||||||||||||||||||||||||||||||||||||||||||||||||||||||||||||||||||||||||||||||||||||||||||||||||||||||||||||||||||||||||||||||||||||||||||||||||||||||||||||||||||||||||||||||||||||||||||||||||||||||||||||||||||||||||||||||||

=
=1,36 Ом.
=
=78,5 Ом.
=60,5 Ом.
=1,2 МВАр.
=2,36 Ом.
=
=39,7 Ом.
=0,864 МВАр.
=0,94 Ом.
=54,21 Ом.
=120 Ом.
=0,625 МВАр.
=
=15,003+j10,804МВА.
=60+j30+0,086+j0,864+
=
=
=63,679+j37,626МВА.
=
=15,003+j10,804 +
=
- jQЛ3
=
- j 0,3267=
- jQЛ2
=
- j0,68=117,38+ j70,94 МВА.
=117,38+ j70,94+
=
+∆SХТ1
=117,64+j94,41+
+
=
=
=
=
=
= 237,9+j0,033 кВ.
=
=
=
=
=







;
.
,
;
.
.
.
.
.
.


.
;
.
;
.

.


(5.5.4)
(5.5.5)
(5.8.1)

(5.11.1)
A.
(5.12.1)
(5.12.3)
(5.14.1)