Контрольная работа: Расчет переходных процессов в линейных электрических цепях
|
Название: Расчет переходных процессов в линейных электрических цепях Раздел: Рефераты по физике Тип: контрольная работа | ||||||||||||||||||||||||||||||
Министерство образования и науки Украины Донбасская государственная машиностроительная академия Кафедра электротехники и электрооборудования Расчетно-графическая работа Расчет переходных процессов в линейных электрических цепях Выполнил: Проверил: Краматорск ЗаданиеВ заданных вариантах необходимо: для каждой цепи рассчитать токи и напряжения во время переходного процесса вызванного коммутацией - определить их аналитические выражения и построить временные графики i (t), u (t). Задачи решить классическим и операторным методами. Задача №1
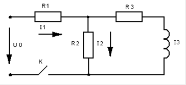
U0 =1000 В R1 =120 Ом R2 =50 Ом R3 =10 Ом L=0.4 Гн Рис. 1. Решение задачи классическим методомСоставим уравнения по 1-му и 2-му законам Кирхгофа в дифференциальной форме для послекоммутационного режима.
Составленную систему уравнений называют математической моделью динамического режима работы цепи. Токи и напряжения до коммутации:
Принужденные составляющие токов и напряжения
Определим полные значения токов и напряжений в первый момент после коммутации. На основании первого закона коммутации:
Свободные составляющие токов и напряжений в первый момент после коммутации.
Составляем характеристическое уравнение и определяем показатель затухания:
Постоянная времени переходного процесса
7. Выражения для свободных токов и напряжений:
8. Определяем постоянные интегрирования:
9. Свободные токи и напряжения:
10. Полные токи и напряжения во время переходного процесса
11. Построим графики токов и напряжений во время переходного процесса: График тока i1
График тока i2
График тока i3
График напряжения на индуктивности ul
Решение задачи операторным методом
Рис.2. Представим схему замещения цепи в операторной форме (рис.2) для после коммутационного режима. Для расчета токов и напряжения U1 в операторной форме используем метод непосредственного применения законов Кирхгофа. Составим уравнения по 1-му и 2-му законам Кирхгофа в операторной форме:
Так как напряжение на индуктивности до коммутации было равно нулю, внутренняя ЭДС
Из второго уравнения:
Из третьего уравнения:
Значения I2 (р) и I3 (р) подставим в первое уравнение:
Выражение для тока первой ветви в операторной форме:
Выражение для I1 (р) получено в виде дроби, числитель и знаменатель которой полиномы.
N ( p) =150000 + 400р – полином числителя, где М (р) = 23000р + 68p2 - полином знаменателя Определяем корни полинома знаменателя: 23000p + 68p2 = p (23000 + 68p ) p1
=0; p2
= Для перевода тока I2 (р) из области изображений в область временных функций применяем формулу
где N (р1 ) и N (р2 ) - соответственно значения полиномов числителя при корнях р1 и р2 М' (р1 ) и М' (р2 ) - значения производной от полинома знаменателя соответственно при корнях р1 и р2. Полиномы числителя при корнях р1 и р2 : N (р1 ) = 150000; N (р2 ) = 14706 Производная от полинома знаменателя: М (р) = 23000 + 136p Производная от полинома знаменателя при корнях р1 и р2. м' (р1 ) = 23000; М' (р2 ) = - 23000; Ток i1 во время переходного процесса:
Остальные токи и напряжения определим используя законы Ома и Кирхгофа
При расчете операторным методом получены те же выражения для токов и напряжения как и при расчете классическим методом, что подтверждает правильность выполненного расчета переходного процесса. Задача №2
U0 =160 B R=80 Oм L=0.8 Гн С=20*10-6 Ф Рис 3. Необходимо найти закон изменения токов во всех ветвях и напряжений UL и UC в зависимости от времени и построить графики. Решение задачи классическим методомМатематическая модель динамического режима работы цепи для послекоммутационного режима:
Решая данную систему дифференциальных уравнений, можно получить закон изменения токов и напряжений во времени в момент переходного процесса, не используя специальных методов. Доя упрощения решения системы воспользуемся классическим методом. 1. Токи и напряжения до коммутации.
2. Принужденные значения токов и напряжений
3. Полные значения токов и напряжений в первый момент после коммутации:
3. Свободные значения токов и напряжений в первый момент после коммутации:
Определим производные свободных токов и напряжений в момент времени непосредственно после коммутации, для чего составим систему уравнений, используя законы Кирхгофа.
Производные от тока на индуктивности и напряжения на емкости:
Отсюда
Все полученные результаты занесем в таблицу:
Составим характеристическое уравнение (для послекоммутационного режима) и определим его корни:
Подставим численные значения параметров цепи:
Решив квадратное уравнение получаем: р1 = - 282.461 р2 = - 442.539 7. Определим постоянные интегрирования А1 и А2 , и запишем выражения для токов и напряжений а) Для тока i1св :
|
































