Курсовая работа: Релейная защита и расчет токов короткого замыкания
|
Название: Релейная защита и расчет токов короткого замыкания Раздел: Рефераты по физике Тип: курсовая работа | ||||||||||||||||||||||||||||||||||||||||||||||||||||||||||||||||||||||||||||||||||||||||||||||||||||||||||||||||||||||||||||||||||||||||||||||||||||||||||||||||||||||||||||||||||||||||||||||||||||||||||||||||||||||||||||||||||||||||||||||||||||||||||||||||||||||||||||||||||||||||||||||||||||||||||||||||||||||||||||||||||||||||||||||||||||||||||||||||||||||||||||||||||||||||||||||||||||||||||||||||||||||
Оглавление Задание на курсовую работу 1. Расчет токов короткого замыкания 1.1 Расчет сопротивлений элементов схемы 1.2 Расчет величин токов КЗ 2. Расчет защиты высоковольтного двигателя Д 2.1 Продольная дифференциальная токовая защита 2.2 Защита от перегруза – МТЗ с выдержкой времени 2.3 Защита минимального напряжения 3. Расчет защиты трансформатора Т3 3.1 Т.О. без выдержки времени 3.2 Газовая защита от внутренних повреждений и понижения уровня масла 3.3 Максимальная токовая защита от внешних многофазных к.з. 3.4 Максимальная токовая защита с выдержкой времени – защита от перегруза 4. Защита сборных шин (секционный выключатель Q15) 5. Расчет защиты кабельной линии Л5 5.1 Токовая отсечка без выдержки времени 5.2 Максимальная токовая защита с выдержкой времени 5.3 Защита от однофазных замыканий на землю 6. Расчет защиты силового трансформатора Т1 6.1 Дифференциальная защита 6.2 МТЗ с выдержкой времени 6.3 Защита от перегруза 6.4 Газовая защита 7. Расчет защиты воздушной линии Л2 7.1 Высокочастотная дифференциально-фазная защита 7.2 Максимальная токовая защита от междуфазных коротких замыканий 7.3 Защита от однофазных коротких замыканий на землю 8. Проверка трансформатора тока и выбор контрольного кабеля Литература Задание на курсовую работу Схема распределительной сети электрической энергии промышленного предприятия и виды его нагрузки представлена на рисунке 1. Необходимо выбрать типы защит всех элементов приведенной схемы в соответствии с ПУЭ. Выбранные защиты в условном изображении нанести на схему. Произвести расчет величин токов короткого замыкания. Произвести расчет защит следующих объектов: силового трансформатора Т1 (выключатель Q16), воздушных линий Л2 (выключатель Q5), кабельной линии Л5 (выключатель Q21), сборных шин (секционный выключатель Q15), трансформатора Т3 (выключатель Q30), двигателя Д (выключатель Q29). Также необходимо изобразить схему релейной защиты трансформатора Т1 и двигателя Д; выбрать тип трансформатора тока 17 и определить сечение провода в его вторичных цепях (медный кабель длиной 10 м). Исходные данные приведены в таблицах 1– 6. Таблица 1 – Система и сеть А-Б-В
Таблица 2 – Характеристики трансформаторов
Таблица 3 – Выдержки времени защит отходящих линий от шин подстанции Г, их параметры
Таблица 4 – Нагрузки на шинах РП1 и РП2
Таблица 5 – Электродвигатель с номинальным напряжением Uн = 380 В
Таблица 6 – Параметры преобразовательного агрегата
Защиты выполняются на постоянном оперативном токе. |
||||||||||||||||||||||||||||||||||||||||||||||||||||||||||||||||||||||||||||||||||||||||||||||||||||||||||||||||||||||||||||||||||||||||||||||||||||||||||||||||||||||||||||||||||||||||||||||||||||||||||||||||||||||||||||||||||||||||||||||||||||||||||||||||||||||||||||||||||||||||||||||||||||||||||||||||||||||||||||||||||||||||||||||||||||||||||||||||||||||||||||||||||||||||||||||||||||||||||||||||||||||
Точка КЗ на шинах п/ст |
Искомые величины |
Питание со стороны | ||
| Система G1 | Система G2 | |||
| А | ![]() |
- | ||
| 8700 | ||||
![]() |
||||
| Б | - | ![]() |
||
| 9500 | ||||
![]() |
||||
В Ic |
![]() |
- | ||
![]() |
||||
![]() |
||||
В IIс |
- | ![]() |
||
![]() |
||||
![]() |
||||
Г Ic, IIс |
![]() |
![]() |
||
![]() |
![]() |
|||
![]() |
![]() |
|||
| Питание одновременно от систем G1 и G2 | ||||
Г Ic, IIс |
||||
![]() |
||||
![]() |
||||
Д Ic, IIc |
|
|||
![]() |
||||
![]() |
||||
| Е | ||||
![]() |
||||
![]() |
||||
Таблица 8 – Минимальный режим, секционные выключатели Q15, Q20 и Q27 отключены.
Точка КЗ на шинах п/ст |
Искомые величины |
Питание со стороны | |
| Система G1 | Система G2 | ||
| А | ![]() |
— | |
| 7500 | |||
![]() |
|||
| Б | — | ![]() |
|
| 8000 | |||
![]() |
|||
В |
Iс
|
IIс
|
|
![]() |
![]() |
||
![]() |
![]() |
||
Г |
Iс
|
IIс
|
|
![]() |
![]() |
||
![]() |
![]() |
||
Д |
Iс
|
IIс
|
|
![]() |
![]() |
||
![]() |
![]() |
||
| Е | |||
![]() |
|||
![]() |
|||
2. Расчёт защиты высоковольтного двигателя Д
Для защиты асинхронных электродвигателей напряжением выше 1000 В предусматриваются следующие защиты:
1) продольная дифференциальная токовая защита;
2) защита от перегруза — МТЗ с выдержкой времени;
3) защита минимального напряжения.
2.1 Продольная дифференциальная токовая защита
1) Защита выполняется с помощью дифференциального реле РСТ 15.
2) Для выбора трансформатора тока определим номинальный ток двигателя:
, (2.1)
где
– номинальная мощность двигателя, Вт (см. таблицу 4);
– номинальное напряжение двигателя, В (см. таблицу 4);
– номинальный коэффициент мощности двигателя.
А.
К установке принимаем трансформатор тока ТЛМ10-400-0,5/10Р:
А,
А.
Коэффициент трансформации трансформатора тока:
.
ТТ со стороны питания соединены в «неполную звезду», со стороны нулевых выводов ТТ соединены в «неполную звезду».
3) Определим ток срабатывания защиты:
![]()
где
— ток небаланса.
А, (2.2)
где
– коэффициент пуска двигателя;
– коэффициент однотипности трансформаторов тока;
– коэффициент апериодической составляющей для дифференциального реле;
– допустимая погрешность трансформаторов тока;
– номинальный ток двигателя.
Ток срабатывания защиты равен:
А,
Определим расчетный вторичный ток срабатывания защиты:
А, (2.3)
Определение числа рабочих витков РНТ:
витка (2.4)
Принимаем к установке 27 витков, которым соответствует ток срабатывания защиты:
А, (2.5)
4) Коэффициент чувствительности определяется при двухфазном коротком замыкании в минимальном режиме на шинах, к которым подключен двигатель:
. (2.6)
Так как коэффициент чувствительности превышает нормируемое значение, то защита удовлетворяет требованию чувствительности.
2.2 Защита от перегруза — МТЗ с выдержкой времени
1) Защита выполняется с помощью токового реле РСТ 13 с коэффициентом возврата
.
2) Перегруз является симметричным режимом, поэтому защита выполняется одним реле, включенным в одну из фаз. Используем те же трансформаторы тока, что и для токовой защиты (коэффициент трансформации
, коэффициент схемы
).
3) Ток срабатывания защиты определяется из условия отстройки от номинального тока двигателя:
, (2.7)
где
– коэффициент отстройки.
А.
4) Коэффициент чувствительности не определяется.
5) Ток срабатывания реле:
А. (2.8)
Принимаем к установке реле РСТ 13-19, у которого ток срабатывания находится в пределах
.
Определим сумму уставок:
. (2.9)
Принимаем уставку
.
Найдем ток уставки реле:
А.
6) Выдержка времени защиты отстраивается от времени пуска электродвигателя и равна
с. Используем реле времени РВ-01.
2.3 Защита минимального напряжения
Защита выполняется двухступенчатой. Первая ступень отключает неответственную нагрузку.
1) Для выполнения защиты будем использовать реле типа РСН 16, которое имеет коэффициент возврата
.
2) Выбираем трансформатор напряжения типа ЗНОЛ.06-10:
В,
В.
Коэффициент трансформации трансформатора напряжения:
.
3) Напряжение срабатывания первой ступени отстраивается от минимального рабочего напряжения, которое составляет 70 % от номинального:
:
В, (2.10)
здесь
– коэффициент отстройки.
4) Коэффициент чувствительности не рассчитывается, так как неизвестно минимальное остаточное напряжение на шинах при металлическом коротком замыкании в конце зоны защищаемого объекта.
5) Напряжение срабатывания реле первой ступени
В.
Принимаем к установке реле РСН 16-28, у которого напряжение срабатывания находится в пределах
.
Определим сумму уставок:
. (2.11)
Принимаем уставку
.
Найдем напряжение уставки реле I ступени:
В.
6) Выдержка времени принимается на ступень селективности больше времени действия быстродействующей защиты от многофазных коротких замыканий. Примем
с. Реле времени РВ-01.
Вторая ступень защиты отключает сам двигатель.
1) Вторую ступень защиты также выполним на реле РСН 16, коэффициент возврата
.
2) Реле включается во вторичные цепи того же трансформатора напряжения, что и реле первой ступени.
3) Напряжение срабатывания второй ступени:
В, (2.12)
здесь
– коэффициент отстройки.
4) Коэффициент чувствительности не определяем.
5) Напряжение срабатывания реле первой ступени
В.
Принимаем к установке реле РСН 16-23, у которого напряжение срабатывания находится в пределах
.
Определим сумму уставок:
. (2.13)
Принимаем уставку
.
Найдем напряжение уставки реле I ступени:
В.
6) Время срабатывания второй ступени защиты принимаем
с, так как по технологии недопустим самозапуск двигателя от напряжения
. Используем реле времени РВ-01.
3. Расчет защиты трансформатора Т3
Сборные шины Е подключаются к питающей сети переменного тока через трансформатор Т3. Повреждения и ненормальные режимы возможны как в трансформаторе, так и на сборных шинах, поэтому необходима установка защит как со стороны питания, так и со стороны сборных шин.
Основными защитами трансформатора являются:
1) Токовая отсечка без выдержки времени от многофазных коротких замыканий в обмотках и на выводах трансформатора;
2) газовая защита от внутренних повреждений и понижения уровня масла;
3) МТЗ от внешних многофазных кз.
4) токовая защита от перегруза.
Номинальная мощность трансформатора:
кВА, (3.1)
– напряжение короткого замыкания трансформатора.
Поскольку номинальная мощность трансформатора больше 400 кВА, то газовая защита устанавливается.
3.1 Т.О. без выдержки времени
1) Защита выполняется с помощью токового реле РСТ 13.
2) Номинальный ток первичной обмотки трансформатора:
А. (3.2)
Выбираем трансформатор тока ТЛМ-10-150-0,5/10Р:
А,
А.
Коэффициент трансформации трансформатора тока:
.
Трансформаторы тока и реле включены по схеме неполной звезды с реле в нулевом проводе:
.
3) Ток срабатывания защиты отстраивается от максимального тока кз:
А, (3.3)
где
– коэффициент отсечки (принимаем реле типа РСТ - 13)
Коэффициент чувствительности определяется при двухфазном коротком замыкании в минимальном режиме на выводах высокого и низкого напряжений:
. (3.4)
5) Ток срабатывания реле:
А. (3.5)
Принимаем к установке реле РСТ 13-29, у которого ток срабатывания находится в пределах
.
Определим сумму уставок:
. (3.6)
Принимаем сумму уставок
.
Найдем ток уставки реле:
А.
3.2 Газовая защита от внутренних повреждений и понижения уровня масла
Ток, проходящий через место установки токовой защиты при повреждении внутри бака трансформатора (пример межвитковое замыкание), определяется числом замкнутых витков и поэтому может оказаться не достаточным для ее действия. Однако витковое замыкание представляет опасность для трансформатора; и защиты отключатся. Опасные внутренним повреждением является также «пожар стали» магнитопровода, который возникает при нарушении изоляции между листами магнитопровода, что ведет к увеличению потерь на перемагничивании и вихревые токи. Потери вызывают, местный нагрев стали, ведущий к дальнейшему разрушению изоляции. Токовая и дифференциальная защиты на этот вид повреждения не реагируют. Отсюда возникает необходимость использования специальной защиты от внутренних повреждений - «газовой», фиксирующей появление в баке поврежденного трансформатора газа. Образование газа является следствием разложения трансформаторного масла и других изолирующих материалов под действием электрической дуги или не допустимого нагрева. Интенсивность газообразования зависит от характера и размеров повреждения. Это дает возможность выполнить газовую защиту, способную различить степень повреждения, и в зависимости от этого действовать на сигнал или отключение.
Основным элементом газовой защиты является газовое реле KGS, устанавливаемое в маслопроводе между баком и расширителем. Принимаем к установке реле типа: РГТ – 80 (струйное) которое имеет два отключающих и один сигнальный элемент.
Время срабатывания реле составляет tср=0,05--0,5 с.
Уставка по скорости составляет 0,65 м/с.
3.3 Максимальная токовая защита от внешних многофазных к.з.
1) Ток срабатывания МТЗ понижающего трансформатора определяется, исходя из максимального рабочего тока.
Принимаем:
![]()
2) Ток срабатывания защиты с учетом коэффициента само запуска электродвигателей
:
(3.7)
где
– коэффициент отсечки (принимаем реле типа РСТ - 13)
– коэффициент возврата

где
– коэффициент схемы (неполная звезда);
(3.8)
Ток срабатывания реле:
(3.9)
Принимаем реле РСТ 13-24

![]()
Ток уставки равен:
![]()
Время сработки защиты:
Tсз(30)=0.6c=tсз+∆t=0.2+0,4=0,6с.
3.4 Максимальная токовая защита с выдержкой времени – защита от перегруза
1) Защита выполняется с помощью токового реле РСТ 13 с коэффициентом возврата
.
2) Принимаем к установке уже выбранный в п.3.1 трансформатор тока ТЛМ-10-150-0,5/10Р. Трансформаторы тока включены по схеме неполной звезды, реле устанавливается в одну фазу (так как перегруз является симметричным режимом):
. Коэффициент трансформации
.
3) Определим ток срабатывания защиты, который отстраивается от максимального рабочего тока на ВН трансформатора:
, (3.7)
где
– коэффициент отстройки;
– максимальный рабочий ток трансформатора.
А. (3.8)
4) Коэффициент чувствительности не определяется.
5) Ток срабатывания реле:
А. (3.9)
Принимаем к установке реле РСТ 13-24, у которого ток срабатывания находится в пределах
.
Определим сумму уставок:
. (3.10)
Принимаем сумму уставок
.
Найдем ток уставки реле:
А.
6) Время срабатывания защиты определяется технологическим процессом и принимается
с. Используем реле времени РВ-01.
4. Защита сборных шин (секционный выключатель Q15)
Для защиты сборных шин 220 кВ используется дифференциальная токовая защита
1) Защита выполняется с помощью токового реле РСТ 13.
2) Принимаем к установке трансформатор тока ТФНД-220-1000-0,5/10Р. Трансформаторы тока включены по схеме неполной звезды, реле устанавливается в одну фазу (так как перегруз является симметричным режимом):
. Коэффициент трансформации
.
3) Отстройка от тока не баланса:
(4.1)
где
– обусловлен воздействием апериодической составляющей тока на ток срабатывания;
– коэффициент однотипности;
– класс точности релейной защиты.
А
А (4.2)
4) Отстройка от тока максимального тока нагрузки:
А (4.3)
А (4.4)
Ток срабатывания пускового комплекта ДЗ принимаем наибольшее значение:
А
(4.5)
5)Ток срабатывания реле:
А. (4.6)
Принимаем к установке реле РСТ 13-24, у которого ток срабатывания находится в пределах
.
Определим сумму уставок:
. (3.10)
Принимаем сумму уставок
.
Найдем ток уставки реле:
А.
5. Расчёт защиты кабельной линии Л5
На кабельной линии устанавливаются следующие виды защит:
1) токовая отсечка без выдержки времени;
2) максимальная токовая защита с выдержкой времени;
3) защита от однофазных замыканий на землю.
5.1 Токовая отсечка без выдержки времени
1) Защита выполняется с помощью токового реле РСТ 13.
2) Допустимый ток кабеля А-185 (трехжильный алюминиевый кабель, прокладываемый в земле, на 10 кВ):
А.
3) Максимальный рабочий ток линии примем равным длительно допустимому току кабеля.
, (5.1)
где
– число кабельных линий Л5.
А.
Принимаем к установке трансформатор тока типа ТПОЛ-10-1000-0,5/10Р:
А,
А. Коэффициент трансформации трансформатора тока:
.
Схема соединения трансформаторов тока и реле – неполная звезда, коэффициент схемы
.
4) Ток срабатывания защиты:
, (5.2)
здесь
– коэффициент отстройки.
А.
5) Коэффициент чувствительности в данном случае не определяем. Считаем, что основной защитой является максимальная токовая защита.
6) Ток срабатывания реле:
А. (5.3)
Принимаем к установке реле РСТ 13-32, у которого ток срабатывания находится в пределах
.
Определим сумму уставок:
. (5.4)
Принимаем сумму уставок
.
Найдем ток уставки реле:
А.
5.2 Максимальная токовая защита с выдержкой времени
1) Защита выполняется с помощью токового реле РСТ 13
2) Для выполнения защиты применяются те же трансформаторы тока, что и для токовой отсечки. Коэффициент трансформации трансформаторов тока
, коэффициент схемы
.
3) Ток срабатывания защиты определяется из условия отстройки от максимального рабочего тока линии:
, (5.5)
где:
– коэффициент отстройки для статического реле;
– коэффициент возврата;
– коэффициент самозапуска суммарной нагрузки для линии Л5.
А.
4) Коэффициент чувствительности в основной зоне проверяем по току двухфазного короткого замыкания в конце кабельной линии Л5 (на шинах ДIc ):
. (5.6)
Коэффициент чувствительности в резервной зоне определяем по току двухфазного короткого замыкания за трансформатором Т3 (на шинах Е), приведенным на высокую сторону:
. (5.7)
Поскольку защита не удовлетворяет требованиям чувствительности, устанавливаем МТЗ с пуском по напряжению.
5) Загрубляем защиту, то есть, принимаем
. Тогда ток срабатывания защиты
А. (5.8)
6) Ток срабатывания реле:
А. (5.9)
Принимаем к установке реле РСТ 13-19, у которого ток срабатывания находится в пределах
.
Определим сумму уставок:
. (5.10)
Принимаем сумму уставок
.
Найдем ток уставки реле:
А.
7) Вводим защиту минимального напряжения на реле напряжения минимального действия РСН 16 с коэффициентом возврата
.
8) Измерительным органом защиты является трансформатор напряжения типа ЗНОЛ.06-10, который устанавливается на секцию шин ГIс . Для выбранного трансформатора напряжения
В,
В.
Коэффициент трансформации
.
10) Напряжение срабатывания защиты:
, (5.11)
где
– минимальное напряжение на шинах, которое не вредит технологическому процессу.
В.
11) Найдем минимальное остаточное напряжение на шинах ГIс при металлическом коротком замыкании на шинах ДIс для проверки чувствительности защиты.
Полное удельное сопротивление кабельной линии Л5:
Ом/км, (5.12)
где
– удельное активное сопротивление кабельной линии Л5, Ом/км;
– удельное индуктивное сопротивление кабельной линии Л5, Ом/км;
– длина кабельной линии Л5, км.
Минимальное остаточное напряжение:
, (5.13)
где
– количество кабельных линий Л5.
В.
Коэффициент чувствительности:
. (5.14)
12) Напряжение срабатывания реле:
В. (5.15)
Принимаем к установке реле РСН 16-28, у которого напряжение срабатывания находится в пределах
В.
Определим сумму уставок:
. (5.16)
Принимаем уставку
.
Найдем напряжение уставки реле:
В.
5.3 Защита от однофазных замыканий на землю
Защита выполняется с действием на сигнал.
1) Выбираем реле РТЗ-51, ток срабатывания которого находится в пределах
А.
2) Измерительным органом является трансформатор тока нулевой последовательности типа ТЗРЛ.
3) Для кабеля марки А-185 удельный емкостный ток однофазного замыкания на землю
А/км.
Ток нулевой последовательности линии, обусловленный током утечки,
А. (5.17)
Ток срабатывания защиты:
, (5.18)
здесь
– коэффициент отстройки для защиты без выдержки времени.
А.
4) Проверку чувствительности защиты не производим, так как неизвестен ток утечки для всей сети предприятия, определяемый экспериментально.
6. Расчёт защиты силового трансформатора Т1
На силовом трансформаторе устанавливаются следующие виды защит:
1) дифференциальная защита от различных видов короткого замыкания;
2) максимальная токовая защита как резервная от внешних многофазных коротких замыканий;
3) защита от перегруза;
4) газовая защита.
6.1 Дифференциальная защита
1) Защита выполняется с помощью дифференциального реле РСТ 15.
2) Номинальные токи обмоток трансформатора:
высшего напряжения
А; (6.1)
низшего напряжения
А; (6.2)
В формулах (6.1) и (6.2):
– номинальная мощность трансформатора Т1, ВА;
– напряжение высокой стороны трансформатора, В;
– напряжение низкой стороны трансформатора, В.
3) Для выбора трансформаторов тока найдем максимальные рабочие токи: на стороне ВН
А; (6.3)
на стороне НН
А. (6.4)
На стороне ВН принимаем к установке трансформатор тока типа ТФЗМ-220Б-I-200-0,5/10Р/10Р/10Р:
А,
А.
Коэффициент трансформации трансформатора тока
. (6.5)
На стороне НН принимаем к установке трансформатор тока типа и ТШЛ-10-3000-0,5/10Р:
А,
А.
Коэффициент трансформации трансформатора тока
. (6.6)
Силовой трансформатор Т1 имеет схему соединения обмоток Ун
/Д/Д, следовательно, для компенсации сдвига фаз трансформаторы тока на высокой стороне включаются по схеме полного треугольника (
), а трансформаторы тока на низкой стороне — по схеме неполной звезды (
).
Вторичные токи трансформаторов тока в номинальном режиме работы:
А; (6.7)
А. (6.8)
За основную сторону принимаем сторону НН, так как
.
4) Определяем токи небаланса, вызванные погрешностями трансформаторов тока
и регулированием напряжения под нагрузкой (РПН)
. При этом все токи приводим к ступени напряжения основной стороны.
Определим ток небаланса
:
, (6.9)
где
– коэффициент однотипности трансформаторов тока;
– коэффициент апериодической составляющей для дифференциального реле;
– допустимая погрешность трансформаторов тока;
– максимальный сквозной ток, приведенный на высокую сторону, А.
А.
Определим ток небаланса
:
, (6.10)
где
— пределы регулирования напряжения на стороне ВН;
— пределы регулирования напряжения на стороне СН.
А.
Предварительное значение тока срабатывания защиты по условию отстройки от токов небаланса
, (6.11)
где
– коэффициент отстройки.
А.
Ток срабатывания защиты по условию отстройки от броска тока намагничивания
, (6.12)
где
– коэффициент отстройки.
А.
Из двух токов срабатывания выбираем наибольший, то есть
А.
5) Предварительное значение коэффициента чувствительности защиты определяем по току двухфазного короткого замыкания на секции ГIс , приведенному на сторону ВН.
. (6.13)
6) Ток срабатывания реле на основной стороне
А. (6.14)
Ток срабатывания реле на неосновной стороне
А, (6.15)
где
– коэффициент трансформации силового трансформатора.
7) Примем число витков основной обмотки
.
Расчетная МДС основной обмотки
А·витков. (6.16)
Принимаем ближайшее стандартное значение МДС ![]()
.
Расчетное число витков неосновной обмотки находится из условия
. (6.17)
Принимаем
.
Составляющая тока небаланса
из-за неравенства расчетного и действительного числа витков
А. (6.18)
8) Ток срабатывания защиты с учетом всех составляющих тока небаланса
А, (6.19)
здесь
– коэффициент отстройки.
9) Коэффициент чувствительности определяем по току двухфазного короткого замыкания на секции ГIс , приведенному на сторону ВН:
.
Так как коэффициент чувствительности превышает требуемое нормированное значение, то защита удовлетворяет требованиям чувствительности.
10) Ток срабатывания реле на основной стороне
А.
Ток срабатывания реле на неосновной стороне
А.
6.2 МТЗ с выдержкой времени
1) Защита выполняется с помощью токового реле РСТ 13 с коэффициентом возврата
.
2) Реле включаются во вторичные обмотки уже выбранных трансформаторов тока со стороны питания, то есть схема включения трансформаторов тока и реле – полный треугольник (коэффициент схемы
), коэффициент трансформации трансформаторов тока
.
3) Ток срабатывания защиты:
, (6.20)
здесь
– коэффициент отстройки;
– максимальный рабочий ток на стороне ВН трансформатора при перегрузке, А.
А.
4) Коэффициент чувствительности в основной зоне определяется по току двухфазного короткого замыкания за трансформатором, приведенным на первичную сторону:
. (6.21)
В зоне резервирования коэффициент чувствительности определяется по току двухфазного короткого замыкания в конце кабельной линии Л5, приведенным на первичную сторону:
. (6.22)
Защита удовлетворяет требованиям чувствительности.
5) Определим ток срабатывания реле:
А. (6.23)
Принимаем к установке реле РСТ 13-24, у которого ток срабатывания находится в пределах
.
Определим сумму уставок:
. (6.24)
Принимаем сумму уставок
.
Найдем ток уставки реле:
А.
6) Время срабатывания защиты принимается по условию отстройки от времени срабатывания МТЗ на секционном выключателе Q20. Поскольку это время равно
с, то
с, где
с – ступень селективности для статического реле. Используем реле времени РВ-01.
6.3 Защита от перегруза
1) Защита выполняется с помощью токового реле РСТ 13 с коэффициентом возврата
.
2) Защита выполняется с помощью одного реле, включенного во вторичную обмотку того же трансформатора тока, что и реле максимальной токовой защиты, на ток фазы А, с действием на сигнал. Коэффициент трансформации трансформатора тока
, коэффициент схемы
.
3) Ток срабатывания защиты определяется из условия отстройки от номинального тока трансформатора на стороне ВН:
, (6.25)
здесь
– коэффициент отстройки.
4) Коэффициент чувствительности не рассчитывается.
5) Ток срабатывания реле:
А. (6.26)
Принимаем к установке реле РСТ 13-19, у которого ток срабатывания находится в пределах
.
Определим сумму уставок:
. (6.24)
Принимаем сумму уставок
.
Найдем ток уставки реле:
А.
6) Выдержка времени защиты отстраивается от кратковременных перегрузок. Примем
с. Устанавливаем реле времени РВ-01.
6.4 Газовая защита
Газовая защита является основной защитой трансформаторов от витковых замыканий и других внутренних повреждений, сопровождаемых разложением масла и выделением газа. В качестве реагирующего органа выбираем реле типа РГТ-80. Верхняя пара контактов действует на сигнал при слабом газовыделении и понижении уровня масла, нижняя пара контактов действует на отключение при бурном газообразовании и дальнейшем понижении уровня масла. Уставка скоростного элемента (нижнего) выбирается в зависимости от мощности и системы охлаждения силового трансформатора. Так как трансформатор имеет мощность 25 МВ·А и систему охлаждения Д, то принимаем уставку 1 м/с.
7. Расчёт защиты воздушной линии Л2
Примем к установке следующие защиты:
1) основная от всех видов коротких замыканий – высокочастотная дифференциально–фазная защита;
2) дополнительная от междуфазных коротких замыканий –максимальная токовая защита;
3) защита от однофазных коротких замыканий на землю.
7.1 Высокочастотная дифференциально–фазная защита
1) Защита выполняется с помощью реле ДФЗ 2.
2) Максимальный рабочий ток линии:
А; (7.1)
В формуле (8.1):
– номинальная мощность передаваемая по линии Л4, ВА;
– напряжение линии Л4, В.
Принимаем к установке трансформатор тока типа ТФЗМ220-300-0,5/10Р/ 10Р/10Р
А,
А.
Коэффициент трансформации трансформатора тока
. (7.2)
В каждой цепи линии устанавливаются три трансформатора тока, включенные по схеме полной звезды, коэффициент схемы
.
3) Ток срабатывания РТ1
(7.3)
где:
- коэффициент возврата реле.
4) Ток срабатывания РТ2
(7.4)
5) Ток срабатывания ПР1
Определяем ток небаланса, вызванный погрешностями трансформаторов тока
.
, (7.5)
где:
– коэффициент однотипности трансформаторов тока;
– коэффициент апериодической составляющей;
– допустимая погрешность трансформаторов тока;
А.
, (7.6)
где:
– коэффициент отстройки.
6) Ток срабатывания ПР2
А (7.7)
7) Коэффициент чувствительности определяем по току двухфазного короткого замыкания на секции АIс :
.
Так как коэффициент чувствительности превышает требуемое нормированное значение, то защита удовлетворяет требованиям чувствительности.
Так же в дополнение к комплекту защит РТ1 и РТ2, которые отвечают за отключение токов 3х фазных коротких замыканий, следует установить комплект защит РТ3 и РТ4, которые отвечает за отключение несимметричных коротких замыканий. Выполнить расчет комплектов защит РТ3 и РТ4 не представляется возможным из-за недостатка данных.
7.2 Максимальная токовая защита от междуфазных коротких замыканий.
1) Защита выполняется с помощью токового реле РСТ 11 с коэффициентом возврата
.
2) Измерительными органами являются выбранные в п.7.1 трансформаторы тока, включенные по схеме полной звезды (
,
), а также трансформатор напряжения.
3) Ток срабатывания защиты отстраивается от максимального рабочего тока линии:
А. (7.8)
4) Коэффициент чувствительности в основной зоне действия:
. (7.9)
Защита удовлетворяет требованиям чувствительности.
5) Ток срабатывания реле:
А. (7.10)
Принимаем к установке реле РСТ 11-19, у которого ток срабатывания находится в пределах
.
Определим сумму уставок:
. (7.11)
Принимаем уставку:
.
Найдем ток уставки реле:
А.
Выдержка времени МТЗ:
Ступень селективности для статического реле
с.
Определим время выдержки выключателя Q5:
с.
Для обеспечения выдержки времени выбираем реле времени РВ-01.
7.3 Защита от однофазных коротких замыканий на землю
При однофазных коротких замыканиях на землю (ОКЗЗ) увеличиваются токи нулевой последовательности, поэтому для определения данного вида повреждений устанавливаются фильтры нулевой последовательности (трансформаторы тока включаются по схеме полной звезды, а реле устанавливаются в нулевой провод). Защита от ОКЗЗ выполняется, как правило, трёхступенчатой: 1-ая ступень — направленная отсечка мгновенного действия нулевой последовательности, но в отличие от токовой отсечки отстройка производится только от тока нулевой последовательности, направленного от шин подстанции. Ток срабатывания мгновенных отсечек на параллельных линиях необходимо выбирать с учетом наличия значительной взаимоиндукции от параллельной цепи, оказывающей существенное влияние на сопротивление нулевой последовательности; 2-ая ступень — токовая отсечка нулевой последовательности с выдержкой времени
с; 3-я ступень — МТЗ нулевой последовательности.
8. Проверка трансформатора тока и выбор контрольного кабеля
Необходимо определить сечение контрольного кабеля во вторичных цепях трансформатора тока, установленного около выключателя Q17. При расчете двигателя был выбран тип трансформатора тока: ТЛМ-10-1500-0,5/10Р. Номинальный первичный ток
А, вторичный
А. Коэффициент трансформации трансформатора тока:
.
Расчетная кратность тока
, (8.2)
где
– ток при внешнем к.з. в максимальном режиме;
– номинальный ток первичной обмотки трансформатора тока, А.
.
По кривым
для данного типа трансформатора тока находим
Ом.
Расчетное сопротивление нагрузки определяется выражением
, (8.3)
где
– сопротивление проводов, Ом;
Ом – сопротивление реле;
Ом – сопротивление контактов.
Найдем
при условии
:
Ом.
Вторичные цепи выполнены медным кабелем длиной
м. Сечение кабеля можно определить по формуле:
, (8.4)
где
– удельное сопротивление меди.
мм2
.
Принимаем стандартное сечение 2,5 мм2 , которое удовлетворяет требованиям механической прочности для соединительных проводов токовых цепей. Кабель контрольный типа КВВГ.
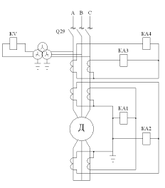
Схема защиты двигателя 10кВ


| Обозначение | Наименование | Кол-во | Примечание |
| KV | РСН | 1 | |
| KA1 | РСТ – 13 | 1 | |
| KA2 | РСТ – 13 | 1 | |
| KA3 | РСТ – 13 | 1 | |
| КА4 | РСТ – 13 | 1 | |
| KL | РП – 214 | 1 | |
| KH | РУ – 21 | 1 | |
| KT | РВ - 01 | 1 |
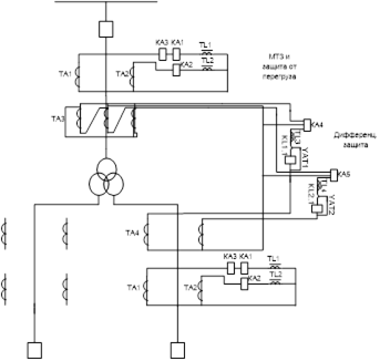
Схема защиты трансформатора Т1




| Обозначение | Наименование | Количество | Примечание |
| KA1 | РСТ 13/19 | 1 | |
| KA2 | РСТ 13/19 | 1 | |
| KA3 | РСТ 13/19 | 1 | |
| TL1 | |||
| TL2 | |||
| KA4 | РСТ15 | 1 | |
| KA5 | РСТ15 | 1 | |
| TL3 | 1 | ||
| TL4 | 1 | ||
| KSG | РГ43-66 | 1 | |
| KL1 | РП321 | 1 | |
| KL2 | РП321 | 1 | |
| KT1 | РВМ | 1 | |
| KT2 | РВМ | 1 | |
| KH1 | РУ-21 | 1 | |
| KH2 | РУ-21 | 1 | |
| KH3 | РУ-21 | 1 |
Литература
1 Релейная защита в системах электроснабжения: Методические указания к изучению курса и выполнению контрольного задания / Г. А. Комиссаров, Х. К. Харасов. – Челябинск: ЧГТУ, 1996. – 56 с.
2 Неклепаев Б. Н., Крючков И. П. Электрическая часть электростанций и подстанций: Справочные материалы для курсового и дипломного проектирования: Учеб. пособие для вузов. – 4-е изд., перераб. и доп. - М.: Энергоатомиздат, 1989.
3 Чернобровов Н.В. Релейная защита. Учебное пособие для техникумов. Изд. 5-е, перераб. и доп. – М.: Энергия, 1974 – 680 с. с ил.
4 Беркович М.А., Молчанов В.В., Семенов В.А. Основы техники релейной защиты. 6-е изд., перераб. и доп. – М.: Энергоатомиздат, 1984. – 376 с., ил.

, (1.1)
.
, (1.2)
.
, (1.3)
.
, (1.4)
.
, (1.5)
.
, (1.6)
.
, (1.8)
, (1.9)

, (1.10)
.








































