Дипломная работа: Розвиток електричної мережі ВАТ "Львівобленерго"
|
Название: Розвиток електричної мережі ВАТ "Львівобленерго" Раздел: Рефераты по физике Тип: дипломная работа | |||||||||||||||||||||||||||||||||||||||||||||||||||||||||||||||||||||||||||||||||||||||||||||||||||||||||||||||||||||||||||||||||||||||||||||||||||||||||||||||||||||||||||||||||||||||||||||||||||||||||||||||||||||||||||||||||||||||||||||||||||||||||||||||||||||||||||||||||||||||||||||||||||||||||||||||||||||||||||||||||||||||||||||||||||||||||||||||||||||||||||||||||||||||||||||||||||||||||||||||||||||||||||||||||||||||||||||||||||||||||||||||||||||||||||||||||||||||||||||||||||||||||||||||||||||||||||||||||||||||||||||||||||||||||||||||||||||||||||||||||||||||||||||||||||||||||||||||||||||||||||||||||||||||||||||||||||||||||||||||||||||||||||||||||||||||||||||||||||||||||||||||||||||||||||||||||||||||||||||||||||||||||||||||||||||||||||||||||||||||||||||||||||||||||||||||||||||||||||||||||||||||||||||||||||||||||||||||||||||||||||||||||||||||||||||||||||||||||||||||||||||||||||||||||||||||||||||||||||||||||||||||||||||||||||||||||||||||||||||||||||||||||||||||||||||||||||||||||||||||
1. АНАЛІЗ ВИХІДНИХ ДАНИХ ДЛЯ ПРОЕКТУВАННЯ Електроенергетичні системи мають зв’язок з усіма галузями господарства України. Зміни, які відбуваються в них зумовлюють неперервний динамічний розвиток електроенергетичних систем, який проявляється у зростанні чи зниженні навантаження, введенні нових генеруючих потужностей, зміні структури існуючих мереж. В рамках країни практично відсутні моменти проектування автономних електроенергетичних систем. Очевидно, що це вимагає відповідних проектів розвитку та реконструкції електроенергетичних об’єктів: станцій, підстанцій, мереж тощо, як на даний час, так і на перспективу. При цьому потрібно враховувати історичні аспекти розвитку електроенергетики: · стан генеруючих потужностей; · перспективи розроблення електроматеріалів; · стан електротехнічної промисловості; · існуючий стан і архітектура енергетичних систем. Згідно завдання, передбачається розвиток електричної мережі 35 кВ ВАТ «Львівобленерго». Прогнозується зростання потужності навантаження підстанції «Добромиль-14» до 4.25 МВт . Склад споживачів, які отримують живлення від шин підстанції 10 кВ по категоріях надійності наступний: І категорія – 20% , ІІ категорія – 30% , ІІІ категорія – 50% від потужності підстанції. Коефіцієнт реактивної потужності на шинах підстанції для режиму найбільшого навантаження tg j =0,593 . Час максимального навантаження – 5800 год . Електрична мережа розташована в центрі і півдні Львівської області. Район розташування мережі відноситься до третього по швидкості напору вітру та другого по ожеледі. Середньорічна температура на території, охопленій мережею, становить 9,9 °С , а середньорічна тривалість гроз становить 1000 год за рік. На рис. 1.1 наведена ділянка схеми електричної мережі ВАТ «Львівобленерго».
Рис. 1.1 - Ділянка схеми електричної мережі ВАТ «Львівобленерго» Живильними вузлами електричної мережі є підстанції «Ст. Самбір-Т» та «Чижки-68». Це вузли, які живлять певну частину Львівської області. На ПС «Ст. Самбір-Т» встановлено 2 трансформатори потужністю 40 МВ × А кожен, які живлять шини 35 кВ від шин 110кВ. На ПС«Чижки-68»встановлено трансформатор потужністю 10 МВ × А . 1.1 Розрахунок режиму роботи мережі для вихідної схеми Вихідними даними для розрахунку режиму роботи мережі є схема мережі (рис. 1.1), параметри ліній електропересилання, які наведені у табл. 1.1 та навантаження підстанцій мережі – табл. 1.2. Згідно [1] на рис. 1.2 зображена заступна схема лінії електропересилання напругою 35кВ. Її параметри розраховуються за формулами, наведеними нижче.
Рис. 1.2 - Заступна схема лінії 35кВ
де: l - довжина лінії, (км ); n - кількість проводів у розщепленій фазі; F – поперечний переріз проводу, (мм2 ); ρ = 28,9 Ом·мм2 /км - питомий опір; tcp - середньорічна температура(°С ); α = 0,004 °С-1 – температурний коефіцієнт розширення. Розрахуємо параметри для лінії L1 ПС «Ст. Самбір-Т» - ПС « Хирів-13 ».
Параметри всіх інших ліній розраховується аналогічно як і для L1 між ПС «Ст. Самбір-Т» - ПС « Хирів-13». Результати обчислень занесені в табл. 1.1. Таблиця 1.1 - Параметри ліній електричної мережі 35 кВ
Розрахунок виконаний для мережі 35 кВ . За балансуючі вузли (100 і 200 ) були прийняті шини 35 кВ підстанції «Ст. Самбір-Т» та підстанції «Чижки-68» відповідно. Напруга у цих вузлах підтримувалась на рівні 37.8кВ . Мінімальні навантаження складають 60% від максимальних. Таблиця 1.2 - Навантаження вузлів
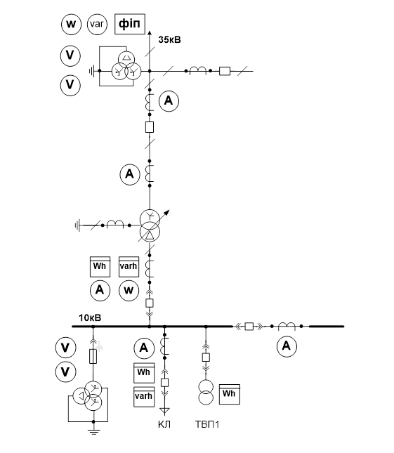
Результати розрахунку, який виконаний на графічно-розрахунковому комплексі «DAKAR», коротка характеристика якого наведена у параграфі 3.1, даної пояснювальної записки, наведені у дод. А «Стартовий режим». 1.2 Характеристика підстанції «Добромиль-14» На підстанції «Добромиль-14» 35/10 кВ , схема якої наведена на рис.1.3, встановлено два трансформатори потужністю 4 і 2.5 МВ × А . Від шин 10 кВ живляться споживачі потужністю 3.366+ j 1.84МВ × А Прогнозується збільшення навантаження підстанції до 4.25 МВт . На шинах 10 кВ навантаження зросте до потужності 4.25+ j 2.12 МВ × А .7 Запроектована схема підстанції «Добромиль-14», яка вибрана для електропостачання споживачів, наведена на рис. 1.4. Схеми розподільних злагод підстанції «Добромиль-14» вибрані, виходячи з наступних вимог: · надійності електропостачання споживачів та потрібні перетоки потужностей через шини підстанції; · поетапний розвиток підстанції; · можливість проведення ремонтних робіт на окремих елементах без вимкнення сусідніх приєднань; · врахування вимог релейного захисту та аавтоматики; · наочність; · економічність.
Рис. 1.3 - Існуюча схема підстанції «Добромиль-14» На стороні ВН – одна секціонована вимикачем система шин. На стороні НН – одна одинока секціонована вимикачем система шин. (рис 1.3)
Рис. 1.4 - Запроектована схема підстанції «Добромиль-14» Для розподільної злагоди 35 кВ вибрана схема – місток з вимикачами в колах трансформаторів і ремонтною перемичкою з боку трансформаторів, передбачається встановлення вакуумних вимикачів фірми SIEMENS типу 3AF01. На стороні НН – одна одинока секціонована вимикачем система шин, передбачається встановлення вакуумних вимикачів заводу РЗВА типу ВР2.(рис 1.4) 2. ВИБІР ТРАНСФОРМАТОРІВ ПІДСТАНЦІЇ Вибір кількості та номінальної потужності трансформаторів виконуємо для максимального робочого режиму. З умов надійності на підстанції «Добромиль-14» встановлюємо два трансформатори. Потужність трансформатора двотрансформаторної підстанції визначається з врахуванням допустимого перевантаження трансформатора на 40% під час аварійного вимкнення одного з трансформаторів в максимальному режимі роботи. Визначаємо потужність навантаження підстанції:
Отже, Згідно [4], вибираємо трансформатор типу ТМ–4000/35 . Паспортні дані трансформатора:
Розраховуємо параметри трансформатора:
3 . РОЗРАХУНОК ОСНОВНИХ РЕЖИМІВ РОБОТИ МЕРЕЖІ Розрахунок режимів роботи електричної мережі виконується для визначення: а) завантаження елементів мережі, визначення пропускної здатності мережі при очікуваних перетоках потужності; б) перерізу проводів і кабелів та потужності трансформаторів і автотрансформаторів; в) рівня напруг у вузлах і на елементах мережі, заходів по забезпеченню допустимих відхилень напруги, втрат потужності і енергії, для оцінки економічності роботи мережі; г) рівнів струмів коротких замикань (КЗ), відповідність очікуваним струмам КЗ, заходів по обмеженню струмів КЗ; д) пропускної здатності мережі з умов стійкості. Координати режиму мережі в процесі її експлуатації постійно змінюються, тому що мають місце неперервні зміни навантаження, може змінюватись і сама схема мережі внаслідок експлуатаційного чи аварійного вимкнення окремих елементів. Вихідними даними для розрахунку основних режимів роботи мережі є схема електричної мережі, що наведена на рис. 3.1, параметри ЛЕП (табл. 1.1), навантаження підстанцій (табл. 1.2). Усі розрахунки режимів роботи мережі здійснюються за допомогою комплексу «DAKAR».
Рис. 3.1 - Схема електричної мережі 3 .1 Коротка характеристика комплексу « DAKAR » Графічно-розрахунковий комплекс «DAKAR» призначений: · розрахунку режимів роботи мережі; · визначення струмів КЗ; · дослідження мереж на статичну та динамічну стійкість; · дослідження режимів роботи генераторів та синхронних компенсаторів. Комплекс використовується як для навчальних розрахунків, так і для диспетчерських розрахунків діючих мереж, дозволяє прогнозувати усі можливі перетоки потужності по мережах для кожної години доби. Вхідними даними для розрахунку у комплексі «DAKAR» є навантаження у вузлах і параметри ліній електропересилання та трансформаторів. Коефіцієнт трансформації задається як відношення напруг. Усі вхідні параметри можна вводити вручну або автоматично. При автоматичному заданні параметрів ліній електропересилання вхідною інформацією є марка проводу і довжина лінії, для трансформаторів –це двообмоткові чи триобмоткові та їх потужність. При ручному вводі користуємся заступною схемою лінії–рис.3.2. та трансформатора – рис.3.3., та формулами для рорахунків їх параметрів, які наведені нижче.
Рис. 3.2 - Заступна схема лінії 35кВ
Рис. 3.3 - Заступна схема двообмоткового трансформатора При розрахунку струмів КЗ потрібно вказати вид КЗ (одно-, дво- чи трифазне) та місце (на лінії, у вузлі) і також сформувати схеми послідовностей(пряма, зворотня чи нульова). Балансуючим вузлом задається потужна електростанція або шини потужної підстанції. 3 .2 Розрахунок режиму максимальних навантажень Максимальний режим – це режим, при якому споживачі характеризуються максимальним споживанням електроенергії. У цьому режимі в мережі мають місце максимальні втрати потужності та напруги. Бажана напруга на шинах 10 кВ підстанції «Добромиль-14» у цьому режимі повинна бути близькою1,0 8 U ном . Результати розрахунку режиму наведені у дод. Б. Напруга у балансуючих вузлах дорівнює 37.8 кВ . Таблиця1 - Напруги у вузлах режиму максимальних навантажень
3.3 Розрахунок відрегульованого режиму максимальних навантажень Напруги на шинах НН ПС в максимальному режимі повинні знаходитись в межах 1,08·Uном . Але вони знаходяться на незадовільному рівні (табл. 3.1). Виконання цієї вимоги досягається з допомогою зміни коефіцієнтів трансформації у відповідних трансформаторів. Потрібні коефіцієнти трансформації визначаються наступним чином:
де:
Проводимо розрахунки для трансформаторів на ПС «Добромиль-14». Для НН:
Вибрані коефіцієнти трансформації трансформаторів наведені у табл. 3.2. Таблиця 3.2 - Коефіцієнти трансформації трансформаторів підстанції «Добромиль-14»
З новими коефіціентами трансформації проводимо розрахунки режиму максимальних навантажень. Отримані значення напруг наведені в табл. 3.3, підтверджують правильність вибору коефіціентів трансформації. Результати розрахунку режиму наведені у дод. В. Таблиця 3.3 - Напруги у вузлах відрегульованого режиму максимальних навантажень
3 . 4 Розрахунок режиму мінімальних навантажень Мінімальний режим – це режим, при якому споживачі характеризуються мінімальним споживанням електроенергії. В мінімальному режимі бажана напруга на шинах споживачів повинна бути близькою до 1,0 3 U ном Розраховані напруги у вузлах наведені в табл. 3.4. Результати розрахунку режиму наведені у дод. Г. Таблиця 3.4 - Напруги у вузлах режиму мінімальних навантажень
3.5 Розрахунок відрегульованого режиму мінімальних навантажень Провівши аналіз результатів розрахунку, бачимо, що цей режим характеризується малими втратами активної потужності і напруги, що є характерним для цих режимів. Потрібні коефіцієнти трансформації визначаються аналогічно як у розділі 3.3. Вибрані коефіцієнти трансформації трансформаторів наведені у табл. 3.5. Таблиця 3.5 - Коефіцієнти трансформації трансформаторів підстанції «Добромиль-14»
З новими коефіціентами трансформації проводимо розрахунки режиму мінімальних навантажень. Отримані значення напруг наведені в табл. 3.6, підтверджують правильність вибору коефіціентів трансформації. Результати розрахунку режиму наведені у дод. Д. Таблиця 3.6 - Напруги у вузлахвідрегульованого режиму мінімальних навантажень
3 . 6 Розрахунок післяаварійних режимів Післяаварійні та обтяжені режими роботи виникають внаслідок аварійного або планового вимкнення елементу електричної мережі. Усі аварійні режими розраховуються при максимальному навантаженні підстанції. Напруга на шинах 10 кВ підстанції «Добромиль-14 » повинна бути близькою до номінальної. Розглянемо усіаварійні режими роботи електричної мережі. 3 . 6 .1 Аварійний режим №1 Вимкнено один трансформатор на підстанції «Добромиль-14 » У цьому режимі усе навантаження припадає на один трансформатор.Результати розрахунку цього режиму наведені у дод. Е. Цей режим характеризується збільшенням втрат активної потужності та напруги, порівнюючи з максимальним режимом навантаження. Розраховані напруги у вузлах наведені в табл. 3.7. Таблиця 3.7 - Напруги у вузлах аварійного режиму №1
Проаналізувавши аварійний режим №1, бачимо, що напруги на шинах НН знаходяться на незадовільному рівні (табл. 3.7.). Тому їх треба відрегулювати. Бажані напруги на шинах 10 кВ підстанцій забезпечуємо за допомогою РПНтрансформаторів. Їх розрахунок здійснюємо аналогічно як у розділі 3.3. Розраховані значення коефіціентів трансформації наведені в табл. 3.8. Отримані значення напруг наведені в табл. 3.9, підтверджують правильність вибору коефіціентів трансформації. Результати розрахунку режиму наведені у дод. Є. Таблиця 3.8 - Коефіцієнт трансформації трансформатора підстанції «Добромиль-14»
Таблиця 3.9 - Напруги у вузлах відрегульованого аварійного режиму №1
3 . 6 .2 Аварійний режим №2 Вимкнено лінію 100-1 (між ПС «Ст.Самбір-Т» і ПС «Хирів-13 ») Цей режим є дуже важким, тому що уся потужність буде протікати по одній лінії. Розраховані напруги у вузлах наведені в табл. 3.10. Результати розрахунку цього режиму наведені у дод. Ж. Таблиця 3.10 - Напруги у вузлах аварійного режиму №2
Проаналізувавши аварійний режим №2, бачимо, що напруги на шинах НН знаходяться на незадовільному рівні (табл. 3.10). Їх розрахунок здійснюємо аналогічно як у розділі 3.3. Розраховані значення коефіціентів трансформації наведені в табл.3.11. Отримані значення напруг наведені в табл. 3.12, підтверджують правильність вибору коефіціентів трансформації. Результати розрахунку режиму наведені у дод. З. Таблиця 3.11 - Коефіцієнти трансформації трансформаторів підстанції «Добромиль-14»
Таблиця 3.12 - Напруги у вузлах відрегульованого аварійного режиму №2
3 . 6 .3 Аварійний режим №3. Вимкнено лінію між вузлами 1-2 (ПС «Хирів-13 »– ПС «Добромиль-14 ») Результати розрахунку цього режиму наведено у дод. К. Провівши аналіз результатів розрахунку режиму, бачимо, що цей режим майже не відрізняється від максимального. Розраховані напруги у вузлах наведені в табл. 3.13. Таблиця 3.13 - Напруги у вузлах аварійного режиму №3
Проаналізувавши аварійний режим №3, бачимо, що напруги на шинах НН знаходяться на незадовільному рівні (табл. 3.13). Бажані напруги на шинах 10 кВ підстанцій забезпечуємо за допомогою РПН трансформаторів. Їх розрахунок здійснюємо аналогічно як у розділі 3.3. Розраховані значення коефіціентів трансформації наведені в табл. 3.14. Отримані значення напруг наведені в табл. 3.15, підтверджують правильність вибору коефіціентів трансформації. Результати розрахунку режиму наведені у дод. Л. Таблиця3.14 - Коефіцієнти трансформації трансформаторів підстанції «Добромиль-14»
Таблиця 3.15 - Напруги у вузлах відрегульованого аварійного режиму №3
3 . 6 .4 Аварійний режим №4 Вимкнено лінію між вузлами 2–3 (ПС «Добромиль-14»–«Нижанковичі-15» ) Результати розрахунку цього режиму наведено у дод. М. Провівши аналіз результатів розрахунку режиму, бачимо, що цей режим майже не відрізняється від попереднього. Розраховані напруги у вузлах наведені в табл. 3.16. Таблиця 3.16 - Напруги у вузлах аварійного режиму №4
Проаналізувавши аварійний режим №4, бачимо, що напруги на шинах НН знаходяться на незадовільному рівні (табл. 3.16). Бажані напруги на шинах 10 кВ підстанцій забезпечуємо за допомогою РПН трансформаторів. Їх розрахунок здійснюємо аналогічно як у розділі 3.3. Розраховані значення коефіціентів трансформації наведені в табл. 3.17. Отримані значення напруг наведені в табл. 3.18, підтверджують правильність вибору коефіціентів трансформації. Результати розрахунку режиму наведені у дод. Н. Таблиця3.17 - Коефіцієнти трансформації трансформаторів підстанції «Добромиль-14»
Таблиця 3.18 - Напруги у вузлах відрегульованого аварійного режиму №4
3 . 6 .5 Аварійний режим №5 Вимкнено лінію між вузлами 3–200 (ПС «Нижанковичі-15» – ПС «Чижки-68») Результати розрахунку цього режиму наведено у дод. О. Цей режим є важким для системи.Дуже схожий на аварійний режим коли відмикається Лінія-1.Розраховані напруги у вузлах наведені в табл. 3.19. Таблиця 3.19 - Напруги у вузлах аварійного режиму №5
Проаналізувавши аварійний режим №5, бачимо, що напруги на шинах НН знаходяться на незадовільному рівні (табл. 3.19) . Бажані напруги на шинах 10 кВ підстанцій забезпечуємо за допомогою РПН трансформаторів. Їх розрахунок здійснюємо аналогічно як у розділі 3.3. Розраховані значення коефіціентів трансформації наведені в табл.3.20. Отримані значення напруг наведені в табл. 3.21, підтверджують правильність вибору коефіціентів трансформації. Результати розрахунку режиму наведені у дод. П. Таблиця 3.20 - Коефіцієнти трансформації трансформаторів підстанції «Добромиль-14»
Таблиця 3.21 - Напруги у вузлах відрегульованого аварійного режиму №5
4 . ПРОЕКТ РЕКОНСТРУКЦІЇ ПІДСТАНЦІЇ « ДОБРОМИЛЬ -14 » 4 .1 Розрахунок струмів короткого замикання (КЗ) Для вибору апаратів (комутаційних, захисних, вимірювальних тощо) визначаємо струми короткого замикання на шинах високої та низької напруги підстанції. Розрахунок струмів КЗ здійснюємо за допомогою графічно-розрахункового комплексу «DAKAR». Розрахунок виконуємо для режиму максимального навантаження мережі. На рис. 4.1 наведена розрахункова схема мережі для розрахунків струмів КЗ.
Рис. 4.1 - Розрахункова схема електричної мережі 4.1.1 Електричні схеми заміщення Для розрахунку струмів короткого замикання складаємо схеми заміщення прямої, зворотної та нульової послідовностей, які зображені на рис. 4.2, 4.3 та 4.4 відповідно.
Рис. 4.2 - Схема заміщення прямої послідовності
Рис. 4.3 - Схема заміщення зворотньої послідовності
Рис. 4.4 - Схема заміщення нульової послідовності 4.1.2 Розрахунок періодичної складової струму короткого замикання Розраховуємо значення струмів три- та однофазного короткого замикання на шинах підстанції «Добромиль-14 » (точки 2 та 21 на рис. 4.1.-4.4.). Розрахунок періодичної складової струму короткого замикання, сумарних опорів, струмів та напруг прямої, зворотної та нульової послідовностей виконується програмним комплексом ДАКАР. Результати розрахунку показані в додатку Р. Результати розрахунку струмів короткого замикання наведені в табл. 4.1. Таблиця 4.1 - Значення струмів короткого замикання
Значення періодичної складової в початковий момент часу приймаємо по найбільшому значенню струму короткого замикання. Сторона ВН: Iпо = 3,054 кА, НН: Iпо = 2,264 кА. 4 . 1 . 3 Розрахунок ударного струму короткого замикання РозраховуємозначеннясталоїчасузатуханняаперіодичноїскладовоїструмукороткогозамиканнядлязгадуванихвищедвохточокКЗнашинахпідстанції«Добромиль-14». - Для КЗ на шинах ВН (точка 2 на рис. 4.1.-4.4.):
де Х - еквівалентний реактивний опір схеми заміщення прямої послідовності (Додаток Р), Ом; R - еквівалентний активний опір схеми заміщення прямої послідовності (Додаток Р), Ом; w = 2×p×f = 2×3,14×50 = 314 - кутова частота обертання електромагнітного поля, рад/с; f = 50 - промислова частота електричної мережі, Гц. - Для КЗ на шинах НН (точка 21 на рис. 4.1.-4.4.) аналогічно: Значення ударного струму короткого замикання визначається за формулою:
де Відповідно до формули (4.1) для двох точок КЗ розраховуємо значення ударного струму: - Для КЗ на шинах ВН:
4
.
1
.
4
Розрахунок періодичної та аперіодичної складових струму короткого замикання в момент часу
Періодичну складову струму КЗ вважаємо умовно незмінною в часі, оскільки біля точок КЗ немаєблизьких генераторів, тобто таких, що можуть суттєво вплинути на процеси під час протікання струмів короткого замикання. Для визначення аперіодичної складової струмів КЗ спершу визначаємо час, для якого буде проведений розрахунок. Для цього, відштовхуючись від сучасних тенденцій при проектуванні силових підстанцій, пропозиції на ринку силового електрообладнання та аналізу переваг та недоліків різних типів комутаційних апаратів, приймаємо рішення про встановлення на шинах ВН і НН вакуумнихвимикачів. Типовий власний час відключення струмів короткого замикання для вакуумних вимикачів на 35кВ і 10 кВ - 0,05 с. Значення аперіодичної складової струму короткого замикання визначається за формулою: де IП0 - діюче значення періодичної складової струму короткого замикання в початковий момент, кА; τ = tвим.в им + tз - розрахунковий час, для якого визначається струму короткого замикання, с; tвим.в им - власний час відключення струмів короткого замикання вимикачів, с; tз = 0,01 - мінімальний час дії релейного захисту, с. Визначаємо значення розрахункового часу t для шин електричної підстанції: - Для шин ВН: - Для шин НН: Визначаємо значення аперіодичної складової струму короткого замикання для шин електричної підстанції: - Для шин ВН:
- Для шин НН:
4 . 1 . 5 Розрахунок номінальних та максимальних струмів на шинах підстанції Розрахунок проводимо за формулами: -сторона ВН 35 кВ :
де
-сторон а НН 10 кВ:
де
НН:
4.1 . 6 Розрахунок теплового імпульсу Розрахунок теплового імпульсу проводимо за формулою:
де
де
Повний час вимкнення для вакуумних вимикачів (ВН) – 0.075с, а для вакуумних (НН) – 0.055. -сторона ВН 35 кВ :
-сторона НН 10 кВ :
Оскільки поблизу місця КЗ не розміщені генератори, то значення періодичної складової струму для будь-якого моменту часу Отримані результати розрахунку зведено в табл. 4.2. Таблиця 4.2 - Значення аварійних та робочих струмів ПС”Добромиль-14”
4 . 2 Вибір вимикачів та роз’єднувачів Вибір вимикачів проводять за такими основними параметрами: · напруга установкиU уст = U ном.вим. ; · довготривалий струмІ max £ Іном.вим ; · перевірка на номінальний струм відключення Іп t £ Івідкл.ном ; · перевірка на можливість відключення аперіодичної складової, де Вном – нормоване значення, яке для t відк =0,03 с становить 0,53 ; · перевірка по початковому струму періодичної складової струму КЗ Іп0 £ Ігр.наск ; · перевірка на електродинамічну стійкість Ігр.наск £ Іуд ; · перевірка на термічну стійкість. Вибір роз’єднувачів виконано за такими ж умовами, крім перевірки по вимикаючій здатності. 4.2.1 Вибір вимикачів і р оз’єднувач ів на стороні ВН На стороні ВН вибираємо вакуумні вимикачі типу SIEMENS 3AF 01 і роз’єднувачі типуРНД-35 / 100 0 У 1 . Таблиця 4.3 - Вибір вимикачів та роз’єднувачів на стороні ВН
4.2.2 Вибір вимикачів на стороні НН На стороні НН вибираємо комплектнірозподільчіпристроїКУ-10Ц з вакуумними вимикачами типу ВР1-10-20/1000У2 . Таблиця 4.4 - Вибір вимикачівна стороні НН
4.3 Вибір вимірювальної апаратури Згідно [3], на підстанції слід встановлювати наступні вимірювальні прилади. На двообмотковому трансформаторі встановлюємо на стороні ВН – амперметр, на стороні НН – амперметр, ватметр, лічильники активної та реактивної енергії. На стороні 10 кВ на кожній секції шин встановлюємо вольтметр для вимірювання міжфазної напруги і вольтметр з перемикачем для вимірювання трьох фазних напруг. На лініях 35 кВ – амперметр, варметр та фіксуючий прилад для визначення місця КЗ На лініях 10 кВ до споживачів встановлюємо амперметр, лічильник активної та реактивної енергії. На секційних вимикачах встановлюємо амперметр. На стороні 10 кВ встановлюємо на кожній секції шин вольтметр для вимірювання міжфазної напруги і вольтметр з перемикачем для вимірювання трьох фазних напруг. На трансформаторі власних потреб з боку НН встановлюємо амперметр та лічильник активної енергії. На стороні 35 кВ встановлюємо вольтметр з перемикачем для вимірювання трьох фазних напруг реєструючий, фіксуючий прилад, осцилограф і амперметр в колах вимикачів трансформаторів. Таблиця 4.5 - Вимірювальні прилади
Рис. 4.5 - Схема розміщення контрольно-вимірювальних пристроїв на підстанції 4.3.1 Вибір трансформаторів напруги Трансформатор напруги призначений для пониження рівня напруги до стандартної величини 100 В, або 100 Трансформатори напруги вибирають за такими умовами: -за напругою установки Uуст. ≤ Uном . ; -по конструкції і схемі з’єднання обмоток. Перевірку виконують: -по вторинному навантаженню S2нав. ≤ Sном , де S2нав - навантаження всіх вимірювальних приладів; Sном. - номінальна потужність у вибраному класі точності. Вибір трансформаторів напруги на стороні ВН. На стороні ВН вторинне навантаження трансформаторів напруги наведено в табл. 4.6. Таблиця 4.6 - Вторинне навантаження трансформатора напруги
Загальна потужність навантаження: З каталога [12] вибираємо трансформатор напруги типу ЗНОМП-35 У1 , його параметри наведені в табл. 4.7. Таблиця 4.7 - Параметри трансформатора напруги
Перевірка вибраного трансформатора напруги: Sном (3 ф ) =3·100=300В× А> S2 = 20В× А Вибір трансформаторів напруги на стороні НН. На стороні НН вторинне навантаження трансформаторів напруги наведено в табл. 4.8. Таблиця 4.8 - Вторинне навантаження трансформатора напруги
Сумарне вторинне навантаження SS
2
=
З каталога [12] вибираємо трансформатор напруги типу 3НМИ-10 ІУ2 , його параметри вказані в табл. 4.9. Таблиця 4.9 - Параметри трансформатора напруги
Перевірка вибраного трансформатора напруги: Sном
=3 × 100 = 300 В×А 4.3.2 Вибір трансформаторів струму Умови вибору: · по напрузі U ном ³U уст ; · по струму І1ном ³ Імах ; · по конструкції і класу точності; · по електродинамічній стійкості. де k дин – кратність електродинамічної стійкості за каталогом; І1ном – номінальний первинний струм трансформатора струму; Ідин – струм електродинамічної стійкості; · по термічній стійкості, де kT – кратність термічної стійкості за каталогом; · перевірка по допустимому навантаженню вториної обмотки, де Z 2 – вторинне навантаження трансформатора струму; Z 2ном – номінальне допустиме навантаження трансформатора струму у вибраному класі точності. Вибір трансформаторів струму на стороні ВН. Вторинне навантаження трансформаторів струму на стороні ВН наведено в табл. 4.10. Таблиця 4.10 - Вторинне навантаження трансформатора струму
Вибираю з каталога [12] трансформатор ТФЗМ-35А-У1, розрахункові та каталожні дані наведено в табл. 4.11. Таблиця 4.11 - Вибір трансформатора струму ВН
Визначаємо опір приладів за формулою:
де Sпр. – потужність, що споживається приладами найбільш завантаженої фази; І2ном – номінальний струм вторинної обмотки трансформатора. Допустимий опір проводів:
де опір контактів приймаємо rк = 0.1, для кількох приладівзгідно [5], Z 2ном – номінальне допустиме навантаження трансформатора струму в вибраному класі точності. Переріз з’єднувальних проводів визначається за формулою:
де ρ
= 0,0283 l роз. = 30 м -відстань від трансформаторів струму ВРП-35кВ до ЗПК;
rпров. = 1.2 – 0.06 – 0.1=1,14 Ом; q = 0,0283∙30 / 1,14 = 0,745 мм2 ; Вибираємо контрольний кабель АКВРГ з січенням жили 4 мм2 . Опір з’єднувальних проводів: Опір навантаження: Zнав. = rпров + rпр. + rк = 0,213 + 0,06 + 0,1= 0,373 Ом. Перевірка вибраного трансформатора струму: Z2ном. =1,2 Ом > Zнав. =0,373Ом. Трансформатор задовільняє умови перевірки. В силові трансформатори вмонтовані трансформатори струму типу ТВТ 35-І-300/5 з такими параметрами: U ном =35 кВ ; Іном =300 А ; Вибір трансформаторів струму на стороні НН. Вторинне навантаження трансформаторів струму на стороні НН наведено в табл. 4.12. Таблиця 4.12 - Вторинне навантаження трансформатора струму
За каталогом [4] вибираємо трансформатор струму типу ТПОЛ-10 . Розрахункові і каталожні дані наведено в табл. 4.13. Таблиця 4.13 - Вибір трансформатора струму НН
Розраховуємо переріз контрольного кабеля для з’єднання трансформаторів струму з вимірювальними приладами. Визначаємо опір приладів за формулою:
де Sпр. – потужність, що споживається приладами найбільш завантаженої фази; І2ном – номінальний струм вторинної обмотки трансформатора. Допустимий опір проводів:
де опір контактів приймаємо rк = 0.1, для кількох приладів згідно [5], Z 2ном – номінальне допустиме навантаження трансформатора струму в вибраному класі точності. Переріз з’єднувальних проводів визначається за формулою:
де ρ
= 0,0283 l роз. = 40 м -відстань від трансформаторів струму ЗРП-10кВ до ЗПК;
rпров. = 0,6 – 0,24 – 0,1=0,26 Ом; q = 0.0283∙40 / 0,26 = 4,354 мм2 ; Вибираємо контрольний кабель АКВРГ з січенням жили 6 мм2 . Опір з’єднувальних проводів: Опір навантаження Zнав. = rпров + rпр. + rк = 0,189+ 0,24 + 0,1 = 0,529 Ом. Перевірка вибраного трансформатора струму: Z2ном. =0,6 Ом > Zнав. =0,529 Ом. Трансформатор задовільняє умови перевірки. В силові трансформатори вмонтовані трансформатори струму типу ТВТ 10-І-5000/5 з такими параметрами:
U ном =10 кВ ; Іном = 1 000 А ; 4.4 Вибір обмежувачів перенапруг Ізоляція силових і вимірювальних трансформаторів, а також інших електричних апаратів електричної підстанції не може протидіяти комутаційним і особливо грозовим перенапругам. Останнім часом на заміну традиційних вентильних розрядників змінного струму прийшли нові електричні апарати високої напруги – обмежувачі перенапруг нелінійні (ОПН), які в порівнянні з розрядниками більш глибоко обмежують комутаційні та грозові перенапруги. Заміна вентильних розрядників на ОПН співпала з вичерпуванням ресурсів ізоляції електрообладнання. При цьому ефективне обмеження перенапруг за допомогою порівняно дешевих ОПН дає значний економічний ефект у зберігання ресурсів електроообладнання, що є особливо актуальним для України. Згідно Норм [3] вибираємо ОПН. 4.4.1 Вибір ОПН на стороні ВН Згідно методики (книжка по вибору) для 35кВ: - - - - максимальна тривалість тимчасового підвищення напруги = 10сек. ; - необхідний номінальний струм ОПН - необхідний клас розряду лінії = 1 ; - клас ізоляції = 1 ; - максимальний струм к.з. = 20кА. Визначення мінімальної довготривало-допустимої і номінальної напруги:
Визначення фактичної довготривалої і номінальної напруги:
Коефіцієнт для розрахункового класу лінії = 1:
З цього випливає наступна характеристика захисту: - рівень захисту від грозових перенапруг ( - рівень захисту від комутаційних перенапруг ( - рівень захисту від крутого імпульсу ( Перевірка значень захисту:
Довжина шляху стікання: Приймаємо ОПН : SIEMENS 3EP2-036-1PL1. Такий же ОПН приймаємо для нейтралі трансформатора. 4.4.2 Вибір ОПН на стороні НН Згідно методики (книжка по вибору) для 10кВ: - - - - максимальна тривалість тимчасового підвищення напруги = 10сек. ; - необхідний номінальний струм ОПН - необхідний клас розряду лінії = 1 ; - клас ізоляції = 1 ; - максимальний струм к.з. = 20кА. Визначення мінімальної довготривало-допустимої і номінальної напруги:
Визначення фактичної довготривалої і номінальної напруги:
Коефіцієнт для розрахункового класу лінії = 1:
З цього випливає наступна характеристика захисту: - рівень захисту від грозових перенапруг ( - рівень захисту від комутаційних перенапруг ( - рівень захисту від крутого імпульсу ( Перевірка значень захисту:
Довжина шляху стікання: Приймаємо ОПН : SIEMENS 3EP2-012-1PL1. 4.5 Вибір шин та ошиновки підстанції Збірні шини і ошиновку в ЗРП 6-10 кВ виконують жорсткими алюмінієвими шинами різних форм (прямокутного перерізу, пакети з двох та трьох шин, трубчаті квадрати та круглі, пакети з двох швелерів на фазу). Вибір шин визначається напругою, робочим струмом та іншими умовами. При робочих струмах до 2000 А в основному використовують шини прямокутного перерізу, при більших струмах – пакети з двох і трьох смуг на фазу, далі по мірі наростання струму – використовують шини коробчатого профілю. В РП напругою 35 кВ і вище використовуються гнучкі шини та ошиновку, які виконуються проводами АС. Вихідними даними для вибору гнучких та жорстких шин та струмопроводів підстанції є номінальна напруга РП, розрахункові струми тривалого робочого режиму, значення струмів коротких замикань. 4.5 .1 Вибір гнучких шин на стороні ВН Вибір шин виконуємо по допустимому струмові навантаження, за умови, що максимальне значення струму шини не буде перевищувати відповідне допустиме значення. Максимальне значення струму шини рівне більшому з значень максимально допустимого струму ліній, що приєднані до шин ВН підстанції та максимального струму підстанції (табл. 4.2.), що рівні 390 А та 188А відповідно. Оскільки значення максимального струму лінії є більшим за значення максимального струму підстанції, то гнучкі шини виконуємо таким самим проводом, що і повітряні лінії (ПЛ), приєднані до шин високої напруги ПС «Добромиль-14», а саме АС-70/11. Вибраний провід відповідає встановленим нормам з умов механічної міцності [6] тому перевірку на механічну міцність не виконуємо. Виписуємо деякі дані сталеалюмінієвого проводу АС-70/11[4]: - допустиме значення струму ― Ідоп = 265 А; - діаметр алюмінієвої жили ― Dпр = 11,4 мм. Оскільки струм однофазного короткого замикання на шинах високої сторони складає 3,054 кА, що є менше 20 кА, то перевірку шин за умовами динамічної дії струмів КЗ виконувати непотрібно, згідно [14]. Гнучкі шини, виконані голими проводами на відкритому повітрі, на термічну дію струмів КЗ не перевіряється згідно [6]. Здійснюється перевірка на коронування згідно наведеної методки в [5]. Початкове значення критичної напруженості електричного поля визначається за формулою
де m=0.82 – коефіцієнт, який враховує нерівність поверхні проводу;
Ео=30.3·0.82·(1+0.299/ Напруженість електричного проводу навколо проводу:
де
де D – відстань між сусідніми фазами, см.
Е= Умова перевірки проводів на коронування: 1.07·Е
4.5 . 2 Вибір жорстких шин на стороні Н Н Переріз жорстких шин вибираємо так само, як і для гнучких шин, за величиною допустимого струму. де Iмах – максимальне значення струму шини у ремонтному або після-варійному режимі роботи мережі, для сторони НН Iмах = 0,274 (кА) (з табл. 4.2.); ІДОП – допустимий струм шини з врахуванням поправки на температуру, кА; Користуючись довідниковими матеріалами [4], для сторони НН підстанції вибираємо однополосні алюмінієві шини прямокутного січення розміром 30×4, допустимий струм яких – Ідоп ном = 365 А. Виконуємо перерахунок значення допустимого струму до температурних умов даної місцевості:
де Θ0.ном = 250 C – номінальна температура навколишнього середовища для шини [5]; Θт.доп = 700 С – тривало допустима температура шини [4]; Θ0 = 9,90 С – середньорічна температура навколишнього середовища даної місцевості. Перевіряємо вибраний тип шини на відповідність умові: Умова виконується. Вибрані шини перевіряємо на термічну і динамічну стійкість. Перевірка шин на термічну стійкість Перевірка на термічну стійкість при КЗ виконується відповідно умови: де ΘК – температура шин при нагріванні струмом КЗ; ΘК.ДОП – допустима температура нагрівання шин при КЗ, для алюмінієвих шин згідно з [4] - ΘК.ДОП = 200 0 C. Для встановлення величини ΘК необхідно порахувати температуру провідника в нормальному режимі роботи.
По кривій [5] визначаю величину fH , яка характеризує тепловий стан провідника до моменту початку КЗ, і рівна fH = 290 C. Визначаю величину fK , яка характеризує кінцевий стан провідника в режимі КЗ.
де k - коефіцієнт, який враховує опір і ефективну теплоємкість провідника (згідно [5] для алюмінієвих шин k = 0,01054, (мм4
×°С/(А2
×с)); q – переріз шини, для вибраних нами шин рівний По кривих [5] знаючи fk знаходимо кінцеве значення температури провідника в режимі КЗ, яке рівне ΘК = 51°С. Оскільки ΘК = 51°С < ΘК.ДОП = 200 °C то умова термічної стійкості виконується. Перевірка шин на динамічну стійкість Частота власних коливань для алюмінієвих шин визначається за формулою:
де l – довжина прогону між ізоляторами, м; J – момент інерції поперечного перерізу шини відносно осі, перпендикулярної до напрямку згинаючої сили, см4 ; q – поперечний переріз шини, см2 . З цієї формуливизначаємо довжину прогону l за умови, що частота власних коливань буде більша 200 Гц. Для цього знайдемо найбільше значення, яке задовольняє нерівність:
Розглянемо випадок, коли шини розміщені «на ребро», як показано на рис. 4.6.
Рис. 4.6 - Схематичне положення жорстких шин «на ребро» Момент інерції шин розміщених «на ребро» визначається як:
де – h = 30 (мм) – висота шини; b = 4 (мм) – ширина шини. Відповідно визначаємо довжину прогону для даного методу розміщення шин.
Розглянемо випадок, коли шини розміщені «пластом», як показано на рис. 4.7.
Рис. 4.7 - Схематичне положення жорстких шин «пластом» Момент інерції шин, розміщених «пластом», визначається як:
де – h = 25 (мм) –ширина шини; b = 3 (мм) – висота шини. Відповідно визначаємо довжину прогону для даного методу розміщення шин.
З розглянутих випадків вибираємо той, коли шини розміщені „пластом”, бо при цьому більша довжина прогону між ізоляторами. Тобто коли Найбільше динамічне зусилля при трифазному КЗ діє на провідник середньої фази. Його розраховують за формулою:
де Розраховуємо значення згинаючого моменту.
Розраховуємо значення моменту опору шини відносно осі, перпендикулярної до дії зусилля, для випадку розміщення шин в положенні „пластом”, відповідно до рис.4.7.
Визначаємо величину напруження в матеріалі шини, що виникає в наслідок дії згинаючого моменту.
Виконуємо перевірку шин за умовою динамічної стійкості:
4.6 Вибір ізоляторів В розподільних уставах струмоведучі частини відокремлюються від іншого обладнання, конструкцій і персоналу ізоляторами. Жорсткі шини закріплюються на опорних ізоляторах. Вибір опорних ізоляторів на стороні НН виконуємо по номінальній напрузі низької сторони ― 10 кВ, та перевіряємо по допустимому навантаженню. За значенням номінальної напруги з каталогових даних [15] вибираємо полімерний ізолятор марки ОНШ-4-80-215-4. U РП = 10 кВ = U ном.ізол. = 10 кВ. Опорний ізолятор відповідає нормам по допустимому навантаженню, якщо виконується умова: де Fрозр ― сила, що діє на ізолятор, Н; Fдоп ― допустиме навантаження на головку ізолятора, Н. При горизонтальному розміщенні ізоляторів всіх фаз сила, що діє на ізолятор, розраховується як:
Допустиме навантаження ізолятора визначається як: де Fруйн = 4000 ― мінімальне значення згинаючої сили, при якій відбувається руйнація ізолятора[15], Н. Перевіряємо ізолятор умови механічної міцності:
На високій стороні РУ, згідно [5], гнучкі шини приєднуємо до арматури підвісних ізоляторів марки ПС-6-А . Для забезпечення запасу механічної та електричної міцності підвісних ізоляторів, що призначені для жорсткого кріплення гнучких шин, їх кількість вибираємо на одиницю більшу від кількості зазначеної в таблиці [5], а саме 6. 4.7 Вибір трансформаторів власних потреб Відповідно до вимог [3] на двотрансформаторних підстанціях встановлюються два трансформатори власних потреб з врахуванням резерву по потужності, але не більше 630 (кВА). Трансформатори власних потреб живлять системи різних рівнів відповідальності та з різною тривалістю споживання. Склад споживачів власних потреб підстанції залежить від типу підстанції, потужності трансформаторів, типу електрообладнання. Найбільш відповідальними споживачами власних потреб підстанції є оперативні кола, система зв’язку, телемеханіки, система охолодження трансформаторів, аварійне освітлення, система пожежогасіння. Потужність споживачів власних потреб є невеликою, тому вони приєднуються до мережі 380/220 В , що отримує живлення від понижувальних трансформаторів. Потужність трансформаторів власних потреб вибирається за навантаженням власних потреб з врахуванням коефіцієнтів завантаження і одночасності. Основні споживачі власних потреб підстанції наведені в табл. 4.14. Таблиця 4.14 - Перелік споживачів власних потреб
Загальна потужність навантаження споживачів власних потреб Sнав.вп
= Повна потужність навантаження споживачів власних потреб
де kп = 0.8 –коефіціент попиту згідно [5]. Вибираємоз [11] два трансформатори власних потреб типу: ТСР-100/10. Параметри трансформаторів власних потреб наведені в табл. 4.15. Таблиця 4.15 - Параметри трансформаторів ВП
Трансформатори власних потреб встановлюємо на кожну секцію шин 10 кВ по одному. 4.8 Вибір акумуляторної батареї На підстанціях встановлюються акумуляторні батареї, необхідні для живлення кіл керування, сигналізації блокування аварійного освітлення, автоматики. Згідно норм технологічного проектування[3]понижуючих підстанцій 110-35 кВ на підстанціях з оперативним постійним струмом рекомендується встановлювати одну акумуляторну батарею. Число основних елементів акумуляторної батареї під’єднаних до шин в режимі постійної підзарядки: де Кількість елементів акумуляторної батареї в режимі максимального заряду визначається як: де В режимі аварійного розряду, коли напруга зменшується до 1,75 В, до них підєднується: де Необхідною умовою вибору акумуляторної батареї є необхідне значення струму в кінці півгодинного циклу розрядки. В нашому випадку цей струм становить , згідно (5) 25 А. З каталога (16) вибираю свинцево-кислотну батарею фірми VARTA Vb2305. Її каталожні дані наведені в таблиці 4.16. Таблиця 4.16 - Параметри акумуляторної батареї
5. ЗАХОДИ З ОХОРОНИ ПРАЦІ Для забезпечення належного експлуатаційного і санітарно- технічного стану території, будівлі і споруди повинні бути виконані і підтримуватися в справному стані: - системи відводу поверхневих і ґрунтових вод із всієї території енергопідприємства. Від будівель і споруд (дренажі, канави, водовідвідні канали); - глушники шуму вихлопних трубопроводів, а також інші улаштування і споруди, призначені для локалізації джерел шуму і зниження його рівня до норми; - мережі водопроводу, каналізації, дренажі, теплофікації, транспортні, газові і рідкого палива; - джерела питної води, водоймища і санітарні зони, дороги, пожежні переїзди, під’їзди до пожежних гідрантів, водойм і градирень, мости, пішохідні дороги, переходи і інші; - комплекс інженерно-технічних засобів охорони; - системи блискавковідводів і заземлення. 5.1 Конструктивне виконання та розрахунок заземлюючих пристроїв Всі металеві частини електроустановок, які в нормальному режимі роботи не знаходяться під напругою в результаті пошкодження ізоляції, необхідно надійно з’єднати із землею. Таке заземлення є захисним, оскільки його метою є захист обслуговуючого персоналу від небезпечної напруги дотику. Заземлення обов’язкове для всіх електроустановок напругою вище 500 В. В електричних злагодах заземлюються: корпуси електричних машин, трансформаторів, апаратів, вторинні обмотки трансформаторів струму, приводи електричних апаратів, каркаси розподільчих щитів, пультів і тд. Заземлюючі пристрої для установки 35 кВ і вище виконують із вертикальних заземлювачів, з’єднувальних смуг, смуг прокладання вздовж рядів обладнання і вирівнюючих смуг прокладання в поперечному напрямі, які складають заземлюючу сітку. Згідно ПУЕ [6] розрахунок заземлюючих пристроїв в мережах 35 кВ і вищепроводиться по допустимому опорі заземлення Rз=0.5 Ом. Виконуємо загальне заземлення для всієї площі території підстанції, площа якої становить 70 х 50 м Для часу t =0.2 с допустима напруга дотику U дот. = 400 В[4].Для підстанції довжина горизонтальних полос заземлення становить:
При а = 5 м, довжина вертикального заземлювача L
`в
=5м; t
=0.7; S
пс.
= 3500 м Розрахункові опори верхнього та нижнього шарів землі (грунт – глина) згідно [4] ρ2 =60 Ом∙м; ρ1 = ρ2 ·Кс =60·2=120 Ом∙м, де Кс =2 для горизонтальних електродів. М = 0.62 при відношенні ρ1 /ρ2 = 2 згідно [4]. Товщина верхнього шару землі h1 = 2 м. Коефіціент дотику:
де b – коефіцієнт, що визначається в залежності від опору тіла людини b = Rл /(Rл +Rс ) = 1000/(1000+1.5∙500) = 0.57; Потенціал на заземлювачі Uз = Uпр.доп /Кп = 400/0.145 = 2758,62 В, отже напруга на заземлювач Uз є в допустимих межах, тобто менша 10 кВ. Розрахунковий струм замикання на землю:
де Іпо
Допустимий опір заземлючого пристрою: Rз.доп. =Uз. /Із. = 2758.62/3054 = 0,903 Ом. Діючий план заземлюючого пристрою перетворюємо в квадратну розрахункову модель:
Визначаємо число комірок на стороні квадрату:
де Lg – довжина горизонтальних полос заземлення.
Довжина кола в розрахунковій моделі:
Lg = Довжина сторін комірки:
Число вертикальних заземлювачів по периметру контура при умові a/Lв =1:
Загальна довжина вертикальних заземлювачів:
Відносна глибина:
Згідно [2] для ρ1
/ρ2
= 2, a/Lв
=1; визначаємо ρе / ρ2 = 1,1,тоді ρе =1.1 ∙ ρ2 = 1.1∙60 = 66 Ом ∙м. Визначаємо загальний опір заземлювача підстанції:
Напруга дотику: Uдот. =Kп ∙Із ∙Rз =3054·0.145 ·0.467 = 206.802 В. Отже: Rз = 0.467 Ом < Rз.доп. = 0,903 Ом, Uдот. = 206.802 В < Uдот.доп. = 400 В. Розрахунок заземлення виконано правильно. 5.2 Розробка та конструктивне виконання пристроїв грозозахисту Під час прямих ударів блискавки в обладнання підстанції виникають великі перенапруги, які пошкоджують ізоляцію електричних апаратів і можуть призвести до їх руйнування. Для запобігання цього, необхідно щоб вся територія підстанції була надійно захищена від прямих ударів блискавки. Грозозахист виконують за допомогою стержневих вертикальних блискавковідводів із врахуванням зон їх захисту. Вся територія підстанції повинна знаходитися в зоні дії захисту. Загальна площа підстанції Розраховуючи блискавкозахист приймаємо, що висота об’єкту на всій території підстанції становить 11,5 м. Приймаємо висоту порталу рівною Оскільки висота порталу рівна 11,5 м, то висота захисту блискавковідводів повинна становити:
Якщо h
Вибираємо висоту блискавковідводу рівною Перераховуємо величину - за довжиною - за шириною
Активна висота блискавковідводу становить:
Знаходимо радіус взаємоекрануючої дії для блискавковідводів. За графіком [21] за відомими L/hа та - за довжиною - за шириною Визначаємо радіус захисту:
Для того, щоб весь простір між блискавковідводами був захищений потрібно щоб виконувалась умова:
де в - велика діагональ чотирикутника з блискавковідводами в його вершинах.
Умова виконується. 6 . Заходи по забезпеченню безпеки функціонування підстанції 6.1 Відкриті розподільчі пристрої підстанції При встановленні РП на відкритому повітрі необхідно дотримуватися вимог, які наведені нижче: 1) Пристрій повинен бути розміщений на площадці висотою не менше 0,2 м від рівня планування і повинен мати конструкцію, що відповідає умовам навколишнього середовища. В районі, де спостерігаються снігові заноси висотою 1 метр та вище, шафи необхідно встановлювати на підвищених фундаментах. 2) у відповідності з вимогами, в шафах необхідний місцевий підігрів для забезпечення нормальної роботи вимірних приладів і приладів обміну. Розміщення РП підстанцій, генеральний план і інженерна підготовка території та захист їх від затоплення, зсувів виконане у відповідності з вимогами БН і П Держбуду. Територія ПС зовні відгороджена огорожею висота якої 1,7 м та обладнана електричним освітленням. Освітлення в свою чергу, встановлене таким чином, щоб можна було її безпечно обслуговувати. Забезпечується відстань між розподільчим пристроями і деревами, висота яких вище 4 м , таким чином, щоб не допускати пошкодження обладнання під час падіння дерев. експлуатація підстанції може проходити у випадку виникнення стихійних лих чи надзвичайних ситуацій (ураган, землетруси, повені, пожежі, аварії чи катастрофи на розташованих поруч підприємствах). Внаслідок стихійних лих на ПС можуть діяти різні вражаючі фактори і надлишковий тиск повітря (ударна хвиля), вогонь та багато інших. При цьому обладнання може вийти з ладу. При дії сильного вітру чи ударної хвилі можуть бути пошкоджені ПЛ, які підходять до ПС, вийти з ладу автоматика, комутаційна апаратура, виникнути розриви в кабельному господарстві. Також внаслідок ударної хвилі можуть пошкодитись трансформатори та інше оливонаповнене обладнання, що в свою чергу може привести до виникнення пожежі. Трансформатори, для зменшення нагріву прямими променями сонця, пофарбовані у світлий колір, фарбами стійкими до атмосферних впливів і виливів олій. Вібрація від землетрусу може призвести до розгерметизації трансформатора, що приводить до витоку олії з системи охолодження трансформатора. Згідно БН і П на підстанції не передбачається проведення спеціальних антисейсмічних заходів, оскільки для району, де розташована підстанція вихідна нормативна бальність землетрусу не перевищує 6-ти балів. Тому будівництво виконане у звичайному несейсмічному варіанті. Для зменшення пожежонебезпеки проводять заходи, що зменшують можливість витікання олії. На трансформаторах та іншому відповідному устаткуванні встановлена апаратура, яка дозволяє отримувати об’єктивну інформацію про стан даного обладнання. До таких пристроїв відносяться теплові реле для визначення температури олії та обмоток, вібродатчики та інші пристрої. Під трансформаторами побудовані спеціальні ями, заповнені щебенем для аварійного зливу олії, від яких відходять бетонні колектори до олієзбірника, який розрахований на 80% олії трансформаторів. Олієприймач заповнений гравієм, щоб загасити полум’я горючої олії у випадку його пошкодження. Блочні трансформатори укріпленні бетонними перегородками для запобігання пошкодження сусіднього трансформатора та інших апаратів. Альтернативні споруди знаходяться на певній відстані від приміщень олійного господарства та від відкритих розподільних злагод. Підвищення стійкості системи енергозабезпечення досягається проведенням, як загальноміських, так і об’єктових інженерно-технічних заходів. Створюються дублюючі джерела електроенергії, газу і води шляхом прокладання декількох підвідних електро-, газо-, водопостачальних комунікацій. Для нормальної та безперебійної роботи ПС здійснюються заходи укриття і підсилення конструкцій. При монтажі і реконструкції встановлені захисти, які при короткому замиканні і при перенапругах вимикають пошкоджені ділянки. На трансформаторах встановлено диференційний захист від короткого замикання, захист від перевантажень, захист від замикань на землю, газовий захист та автоматика, яка запобігає виникненню аварій, а при її виникненні локалізує пошкодження, викликане нею. Окремо встановлюється релейний захист вводів трансформаторів, а також шин від міжфазних замикань, перевантажень і замикань на землю. На ЛЕП встановлені такі захисти: триступеневий дистанційний, від міжфазних замикань, чотирьохступеневий струмовий, від замикань на землю. 6 .2 Захист від перенапруг В літній грозовий період значно збільшується ймовірність дії грозових атмосферних електричних розрядів блискавки. Тому на ПС «Добромиль-14» встановлені блискавковідводи, які захищають обладнання від прямих ударів блискавки і її вторинних проявів електростатичної і електромагнітної дії. Блискавка може вдарити в опору, трос, може проривати тросовий захист, в обладнання відкритих РП, в спорудженій ПС, тому що число грозових годин в даному районі в році більше 5-ти. Грозозахист включає комплекс заходів та пристроїв, призначених для забезпечення безпеки людей, безпеки будівель, споруд, обладнання та матеріалів від вибуху, пожеж та руйнування, які можливі при дії блискавки. В результаті прямих ударів блискавки і руйнування ізоляції електрообладнання виникає пожежа, що характерно для олійних апаратів. У зв’язку з цим захист електрообладнання підстанцій від прямих ударів блискавки (блискавковідводи) встановлені на порталах, прожекторних щоглах. На підстанції встановлено групу поодиноких стержневих блискавковідводів, зони захисту, яких перекриваються і захищають всю території підстанції від випадкового попадання блискавки в обладнання та приміщення, а також захисне заземлення всієї апаратури, яка знаходиться на її території. Вздовж ліній електропередач встановлені блискавкозахисні троси. На підході до ПС на ЛЕП встановлюються обмежувачі перенапруги нелінійні, які під час поширення хвиль перенапруг з великою амплітудою, будуть спрацьовувати і зрізати цю хвилю. 6.3 Організація рятувальних і інших невідкладних робіт Рятувальні роботи включають: розвідку району лиха і осередку ураження; маршруту висування формувань для проведення робіт; Відімкнення електронебезпечних частин, локалізацію та ліквідацію пожеж на шляху введення рятувальних формувань і на об'єктах рятувальних робіт; розшуки і рятування людей, які знаходяться в завалених сховищах, підвалах, завалах, палаючих, загазованих, задимлених, або затоплених будинках і виробничих приміщеннях; розкриття розвалених, пошкоджених і завалених захисних споруд і рятування людей, які знаходяться в них; надання першої медичної допомоги потерпілим; винесення потерпілих і евакуація із осередку ураження, небезпечних зон у безпечний район; санітарну обробку людей, ветеринарну обробку сільськогосподарських тварин, знезаражування території, будівель, споруд, продовольства, води, техніки. Одночасно або перед рятувальними роботами необхідно виконати інші невідкладні роботи. Наприклад, для того, щоб підвести людей і техніку, необхідно розчистити завалені проїзди, навести переправи, подати воду для гасіння пожеж тощо. Відповідальність за підтримання повсякденної готовності формувань ЦО (цивільної оборони) до негайного виконання завдань, підготовку, дисципліну особового складу, збереження транспорту, техніки і майна несе командир формувань ЦО. Він організовує проведення РІНР (рятувальні та інші невідкладні роботи)в районі робіт. - З одержанням наказу на виконання РІНР, командир формування ЦО працює в такій послідовності: - усвідомлює поставлене завдання, при необхідності дає попередні розпорядження; - оцінює ситуацію; - приймає рішення; - віддає наказ; - організує управління і взаємодію. З отриманням сигналу оповіщення командир формування ЦО зобов'язаний: - в найкоротший час прибути до місця збору; - доповісти начальнику ЦО ОГД або начальнику штабу ЦО про прибуття; - уточнити получене завдання; - задіяти схему оповіщення особового складу. РІНР неможливо провести в короткі строки без використання техніки. Для цього можна залучати різну техніку, яка є в народному господарстві або на об'єктах району. Наявну техніку залежно від виду робіт можна розділити на групи: - екскаватори, трактори, бульдозери, крани, самоскиди, домкрати, лебідки - для розчищення завалів, піднімання і переміщення вантажів, конструкцій будівель і споруд; - пневматичні машини - відбійні молотки, бурильні інструменти – для подрібнення завалених конструкцій, будівель, пробивання отворів з метою подання повітря або виведення потерпілих; - електро- та газозварювальні апарати - для розрізання металевих конструкцій; - авторемонтні майстерні, станції обслуговування, заправники паливом, агрегати – для освітлення, ремонту і обслуговування техніки, залученої для проведення рятувальних робіт; - насоси, мотопили, пожежні машини, поливні машини - для гасіння пожеж і відкачування води; - автомобілі вантажні, автобуси, інші транспортні засоби, кінний транспорт - для евакуації потерпілих людей і тварин із небезпечної зони. Виконання всього комплексу заходів при організації та проведенні РІНР дозволить уникнути втрати людей, зберегти працездатність особового складуформувань ЦО, а це буде сприяти своєчасному виконанню поставленогозавдання. Тверді знання кожним громадянином своїх обов’язків і готовність до вмілих дій в умовах застосування ЗМУ дозволяють прийняти необхідні заходи і зберегти своє життя і життя інших людей. 7. ОРГАНІЗАЦІЙНО-ЕКОНОМІЧНА ЧАСТИНА В даному розділі наводиться розрахунок основних економічних показників. Організаційно-економічна частина складається з наступних пунктів: 1. Планування основного виробництва. 2. Планування праці і заробітної плати. 3. Планування витрат на технічне обслуговування електричних мереж. 4. Планування прибутку підприємства. 7.1 Планування основного виробництва 7.1.1 Розрахунок втрат потужності і електроенергії Вихідними даними для розрахунку втрат потужності в трансформаторах понижувальних підстанцій і лінія передач мережного району є технічні характеристики ЛЕП, трансформаторів, дані про перетоки потужності по лініях електропередач і максимальні навантаження понижувальних підстанцій. Втрати електроенергії визначаються для кожної лінії електропередач і трансформаторів з врахуванням фактичного часу роботи обладнання протягом року, що розрахований при складанні плану ремонтів основного обладнання
деDР const , DР var – відповідновтратипотужностіпостійніізмінні, МВт ; Троб – фактичний час роботи обладнання протягом року, год ; 7.1.2 Планування передачі електроенергії. Складання електробалансу мережного району Планування виробничої програми і складання електробалансу району мереж включає в себе визначення корисного відпуску електроенергії споживачам з шин кожної підстанції, що входить до складу району мереж, а оскільки в даній мережі відсутня електростанція, то всю необхідну електроенергію отримуємо від енергосистеми. Таблиця 7.1 - Баланс електроенергії в мережі
7 .2 Планування праці і заробітної плати Розрахунок чисельності персоналу підприємств електричних мереж проводиться на основі нормативів чисельності, що затверджені Міністерством енергетики та електрифікації України. Персонал електричних мереж включає: · чисельність персоналу з ремонту, технічного і оперативного обслуговування підстанцій 35 кВ і вище; · чисельність персоналу з ремонту, технічного і оперативного обслуговування повітряних ліній електропередач; · чисельність персоналу з ремонту, технічного і оперативного обслуговування РП; · чисельність персоналу з ремонту і технічного обслуговування кабельних ліній; · чисельність персоналу з функціями розподілу та контролю; · чисельність персоналу енергоінспекції; · чисельність персоналу з ремонту, технічного релейного захисту, автоматики, проведення електровимірів; · чисельність персоналу з оперативно-диспетчерського управління; · чисельність персоналу з загального керівництва. Виходячи з нормативів чисельності, визначається розрахункова чисельність персоналу підприємства електричних мереж. Розрахунок чисельності персоналу з ремонту, технічного і оперативного обслуговування підстанції, а також ліній електропередач заносимо в табл. 7.2. Таблиця 7.2 - Розрахунок чисельності персоналу
Визначена сумарна чисельність персоналу підприємства коректується за допомогою коефіцієнту k = 1,05 , що враховує умови експлуатації. Посадові оклади керівників, спеціалістів та службовців залежать від того, до якої групи з оплати праці віднесено підприємство електричних мереж. ПС «Добромиль-14» буде входити у ПЕМ, яке відноситься до ІІІ групи з оплати праці. На основі вибраної організаційної структури і розрахованої чисельності робочих, ІТП складаємо штатний розпис підстанції у вигляді табл. 7.3. Таблиця 7.3 - Штатний розпис підстанції
У відповідності із встановленими посадовими окладами та тарифними ставками в табл. 7.4 розрахуємо фонд оплати праці. Оплата праці та матеріальне стимулювання керівників структурних одиниць, філій, представників, що входять до складу державних компаній, підприємств та організацій Міненерго проводиться відповідно до галузевої угоди між Міненерго України і Центральним комітетом профспілки працівників енергетики та електротехнічної промисловості і колективного договору підприємства. Працівникам галузі встановлюються наступні доплати: · за роботу у важких і шкідливих умовах; · за роботу у багатозмінному режимі; · за керівництво бригадою; · за класність водіям; · за стаж роботи. та надбавки: · за високу професійну майстерність; · за високі досягнення в науці; · за виконання особливо важкої роботи за певний термін. За конкретні результати роботи працівникам виробничої сфери встановлюється премія. Середня місячна заробітна праця розраховується за формулою: де ФОП – нарахування до річного фонду оплати праці, тис.грн ; п – кількість працівників, чол .
7.3 Планування витрат на технічне обслуговування електричних мереж В ринкових умовах ціна товару визначається попитом і пропозицією. Але електричні мережі є природним монополістом, тому держава повинна контролювати та стримувати зростання цін на послуги електричних мереж. Мережна складова (за магістральними і розподільними мережами) в середньому відпускному тарифі для споживачів займає 25 %. Тому при визначені цін на послуги електричних мереж необхідно планувати мінімальні або «нормативні» витрати на технічне обслуговування електричних мереж, що визначаються параметрами електричних мереж (довжина ліній електропередачі різної напруги, кількість, потужність, напруга трансформаторних підстанцій), чинним законодавством України та чинними нормативними документами, за якими регламентується обсяг робіт з технічного обслуговування електричних мереж. Річні експлуатаційні витрати на технчне обслуговування електричних мереж включають в себе наступні економічні елементи: · матеріальні витрати – Вм ; · витрати на оплату праці – Воп ; · відрахування на соціальні заходи – Вс.з ; · амортизаційні відрахування – Вам ; · інші витрати – Він . 7.3.1 Амортизаційні відрахування Амортизаційні відрахування розраховуємо в табл. 7.5 за балансової вартості основних фондів та діючих норм амортизації. Балансова вартість основних фондів для ЛЕП де Ці – ціна одного кілометра ЛЕП, тис.грн ; Ц = 62,5 тис.грн – для проводу АС- 70 /1 1 (одноколові на залізобетонних опорах); Тому КЛЕП = 62,5 × 6,68 + 62,5 × 15,74 = 1401,25 тис.грн. Балансова вартість основних фондів для підстанції «Добромиль-14» де Ктр – капіталовкладення в трансформатори, тис.грн ; Квим – капіталовкладення у вимикачі, тис.грн ; Кпост – постійна частина витрат, тис.грн ; КБСК – капіталовкладення в БСК, тис.грн . Отримаємо: Ктр = 2 × Ктр.( 4 МВА) = 2 × 350 = 700 тис.грн. Квим = 7 × Квим.(35 кВ) = 7 × 126 = 882 тис.грн. Кпост = 926 тис.грн. КБСК = 0 – БСК не встановлюємо. Звідси: КПС = 700 + 882 + 926 = 2508 тис.грн. Отримані результати зводимо в табл. 7.5. Таблиця 7.4
Згідно закону про оподаткування підприємств, амортизаційні відрахування відносяться на витрати виробництва з коефіцієнтом 0,8 . 7.3.2 Матеріальні витрати До матеріальних витрат відносяться витрати на обслуговування виробничого процесу. У розрахунках величину матеріальних витрат можна прийняти в розмірі 1,2 % для ЛЕП і 2,4 % для ПС (від балансової вартості основних фондів). 7.3.3 Витрати на оплату праці Витрати на оплату праці розраховані і приведені в табл. 7.4. 7.3.4 Відрахування на соціальні заходи Відрахування на соціальні заходи включають в себе: · відрахування на державне соціальне страхування - 4 % від фонду оплати праці; · відрахування до фонду сприяння зайнятості населення - 1,5 % від фонду оплати праці; · відрахування до пенсійного фонду - 32 % від ФОП. 7.3.5 Інші відрахування Інші витрати включають в себе: · платіжні страхування тайна підприємства. Для ЛЕП – 0,3% від балансної вартості ЛЕП; Для ПС – 0,4% від балансної вартості ПС. Вст = 0,003 × 1401,25 + 0,004 × 2508 = 14,236 тис.грн. · витрати на оплату відсотків за короткотермінові банківські кредити: де – місячна ставка короткотермінового банківського кредиту, % (60 %); t – термін кредитування, нормативний термін кредиту - 2 місяці ; п – кількість звернень за кредитом в рік, приймаємо 2 рази ; к – розмір кредиту, приймаємо за нормативний 25 % від щомісячних витрат на оплату праці, тис. грн .
· витрати на відродження плануються у відсотках від витрат на оплату праці - 1 %.
· оплата послуг зв’язку. Включає оплату за користування прямим виходом на вузол зв’язку (телефон) міністерства зв’язку України, оплату за міжміські телефонні розмови, оплату поштових відправлень і за точки радіомовлення.
· комунальний податок. Зараховується до буджету місцевого самоврядування в розмірах, що не перевищують 10 % річного фонду оплати праці, обчисленого у співвідношенні з розміром неоподаткованого мінімуму доходів громадян і визначається як: де ЧП – чисельність працюючих на підприємстві, чол .
· відрахування на будівництво, реконструкцію та управління автомобільних доріг загального користуваня, до фонду охорони праці, до державного галузевого іноваційного фонду та оплата послуг банків планується за встановленими законодавством нормами.
Таким чином, інші витрати складатимуть:
Значення запланованих витрат зводимо у плановий кошторис витрат на технічне обслуговування електричних мереж (табл.7.5). Таблиця 7.5
7 .4 Планування прибутку підприємства · Визначаємо площу землі, яка використовується. Площп ПС «Добромиль-14 » 35/10 кВ – 0, 7 га . Площа ЛЕП 35 кВ Сумарна площа зайнятої землі складає:
Отже, сумарна величина податку на землю
· Податок з власників транспортних засобів складає 0,35 % від вартості транспортних засобів. Вартість транспортних засобів 18 тис. грн . · Чистий прибуток. За базовий рівень рентабельності доцільно прийняти 25-30 %, тоді чистий прибуток
де SВ – сумарні річні експлуатаційні витрати, тис. грн .
· Податок на прибуток. Ставка податку на прибуток становить 30 %.
· Балансовий прибуток. Це прибуток підприємства від реалізації послуг з обслуговування електричних мереж та передачі ними електричної енергії. Визначається за формулою:
де Нп – ставка податку на прибуток. На основі планових витрат на передачу та перерозподіл електроенергії визхначається тариф на передачу 1 кВт × год електроенергії. Розрахунок тарифу на передачу електроенергії приводимо в табл. 7.6. Таблиця 7.6
Підсумкові розрахунки оформляємо у вигляді зведених техніко-економічних показників. Таблиця 7.7
ЛІТЕРАТУРА 1. Идельчик В.И. Электрические системы и сети: Учебник для вузов. – 2-е изд. – М.: Энергия, 1987. 2. Методичні вказівки до курсового проекту з курсу «Електричні системи» для студентів спеціальностей 0301, 0302 / Укл. І.О. Сабадаш, Б.М. Кінаш - Львів: ЛПІ, 1985. 3. Норми технологічного проектування підстанцій змінного струму з вищою напругою 35-750 кВ. ГКД.341.004.001-94. Міністерство енергетики і електрифікації України. Київ. 1994 р. 4. Неклепаев Б.Н., Крючков И.П. Электрическая часть электростанций и подстанций. Справочные материалы для курсового и дипломного проектирования: Учебн. пособие для вузов. - 4-е изд. перераб. и доп. - М.: Энергоатомиздат, 1989. 5. Рожкова Л.Д., Козулин В.С. Электрооборудование станций и подстанций. - 2-е изд., перераб. - М.: Энергия, 1980. 6. Правила устройства электроустановок. / Минэнерго СССР. - 6-е изд., перераб. и доп. - М.: Энергоатомиздат, 1987. 7. «Виключатели колонковые элегазовые АББ» - Справочник покупателя. Издание 2, 2004-02. 8. «АББ Измерительние трансформаторы» - Справочник покупателя. Издание 4.1, 2006-02. 9. Каталог роз’єднувачів фірми ABB Швеція. 10. Руководство по эксплуатации SIEMENS 3AF01. Открытый вакуумный силовой выключатель. 11. Каталог продукції ВАТ «Рівненський завод високовольтної апаратури». 12. Каталог продукції ВАТ «Запорізький трансформаторний завод». 13. Каталог ОПН фірми SIEMENS. 14.Гук Ю.Б., Кантан В.В., Петрова С.С. Проектирование электрической части станций и подстанций: Учеб. Пособие для вузов. - Л.: Энергоатомиздат. Ленинград. Отд-ние, 1985. - 312 с. 15. Каталог «Ізолятори полімерні опорні для електричних апаратів, електрообладнання та розподільчих злагод зовнішнього виконання на напругу 10-35кВ». 16. Каталог продукції фірми «VARTA». 17. Каталог «Разьединители серии РГ» ЗАО «Завод електротехнического оборудования». 18. Руководство по эксплуатации «Опоры шинные типа ШОП на напряжение 35,110 и 220кВ» ЗАО «Завод електротехнического оборудования». 19. Наказ Міненерго України. №92 від 13.08.92р. "Про затвердження нормативів чисельності персоналу підприємств електричних мереж". 20. Наказ Міненерго України №18-Т від 04.03.96р, "Про затвердження порядку організації оплати праці і матеріального заохочення працівників галузі". 21. Инструкция по устройству молниезащиты зданий й сооружений РД.34.21.122-87 М.: Энергоатомиздат, 1989. Додаток А Стартовий режим N узла U кBфаза град Р МВт QMвар Рg МВт Qg Мвар 100 37.800 -0.000 0.000 0.000 4.217 3.026 200 37.800 -0.000 0.000 0.000 3.889 3.999 1 36.370 -0.612 0.000 0.000 0.000 0.000 11 10.554 -3.124 1.897 0.998 0.000 0.000 13 10.746 -1.847 1.299 0.699 0.000 0.000 2 36.272 -0.671 0.000 0.000 0.000 0.000 21 10.523 -3.197 1.896 0.998 0.000 0.000 23 10.716 -1.911 1.298 0.699 0.000 0.000 3 36.955 -0.440 0.000 0.000 0.000 0.000 31 10.830 -1.773 0.700 0.500 0.000 0.000 33 10.830 -1.773 0.700 0.500 0.000 0.000 Ветвь пар.ток kА Р нач.МВт Q нач.Мвар Р кон.МВт Q кон.Мвар Рк МВт Qс Mвар 100 1 0 0.07 4.217 2.444 4.082 2.308 -0.000 0.000 1 2 0 0.01 0.856 0.387 0.855 0.385 -0.000 -0.000 2 3 0 0.04 -2.371 -1.537 -2.409 -1.575 0.000 0.000 3 200 0 0.07 -3.823 -2.678 -3.889 -2.769 0.000 0.000 1 11 0 0.04 1.918 1.143 1.897 0.998 0.004 -0.026 1 13 0 0.02 1.308 0.778 1.299 0.699 0.005 -0.040 2 21 0 0.04 1.917 1.144 1.896 0.998 0.004 -0.026 2 23 0 0.02 1.308 0.778 1.298 0.699 0.005 -0.039 3 31 0 0.01 0.707 0.551 0.700 0.500 0.003 -0.023 3 33 0 0.01 0.707 0.551 0.700 0.500 0.003 -0.023 Частота - 50.00000 Гц Суммарная генерация 8.106-активная 7.026-реактивная Суммарная нагрузка 7.789-активная 4.394-реактивная 0.000-акт.синх.двиг. 0.000-реак.СД и КБ Суммарные потери продольные 0.293-активные 0.641-реактивные отери поперечные 0.024-в шунтах 0.178-реактивные 0.000-на корону Додаток Б Максимальний режим N узла U кB фаза град Р МВт Q Mвар Рg МВт Qg Мвар 100 37.800 -0.000 0.000 0.000 4.773 3.026 200 37.800 -0.000 0.000 0.000 4.407 3.999 1 36.185 -0.700 0.000 0.000 0.000 0.000 11 10.496 -3.238 1.896 0.997 0.000 0.000 13 10.690 -1.948 1.298 0.699 0.000 0.000 2 36.024 -0.792 0.000 0.000 0.000 0.000 21 10.539 -2.847 2.096 1.097 0.000 0.000 23 10.539 -2.847 2.096 1.097 0.000 0.000 3 36.847 -0.506 0.000 0.000 0.000 0.000 31 10.797 -1.847 0.699 0.500 0.000 0.000 33 10.797 -1.847 0.699 0.500 0.000 0.000 Ветвь пар.ток kА Р нач.МВт Q нач.Мвар Р кон.МВт Q кон.Мвар Рк МВт Qс Mвар 100 1 0 0.08 4.773 2.752 4.601 2.579 0.000 0.000 1 2 0 0.02 1.376 0.658 1.371 0.653 -0.000 0.000 2 3 0 0.05 -2.854 -1.829 -2.909 -1.885 -0.000 -0.000 3 200 0 0.08 -4.323 -2.988 -4.407 -3.104 0.000 0.000 1 11 0 0.04 1.917 1.144 1.896 0.997 0.004 -0.026 1 13 0 0.02 1.308 0.778 1.298 0.699 0.005 -0.039 2 21 0 0.04 2.112 1.241 2.096 1.097 0.005 -0.039 2 23 0 0.04 2.112 1.241 2.096 1.097 0.005 -0.039 3 31 0 0.01 0.707 0.551 0.699 0.500 0.003 -0.023 3 33 0 0.01 0.707 0.551 0.699 0.500 0.003 -0.023 Частота - 50.00000 Гц Суммарная генерация 9.180-активная 7.026-реактивная Суммарная нагрузка 8.784-активная 4.890-реактивная 0.000-акт.синх.двиг. 0.000-реак.СД и КБ Суммарные потери продольные 0.371-активные 0.776-реактивные потери поперечные 0.025-в шунтах 0.189-реактивные 0.000-на корону Додаток В Максимальний відрегульований режим N узла U кBфаза град Р МВт QMвар Рg МВт Qg Мвар 100 37.800 -0.000 0.000 0.000 5.024 3.026 200 37.800 -0.000 0.000 0.000 4.629 3.999 1 36.098 -0.735 0.000 0.000 0.000 0.000 11 10.937 -3.425 1.995 1.049 0.000 0.000 13 10.988 -2.047 1.358 0.731 0.000 0.000 2 35.928 -0.832 0.000 0.000 0.000 0.000 21 10.984 -3.011 2.206 1.155 0.000 0.000 23 10.984 -3.011 2.206 1.155 0.000 0.000 3 36.799 -0.531 0.000 0.000 0.000 0.000 31 10.946 -1.927 0.726 0.518 0.000 0.000 33 10.946 -1.927 0.726 0.518 0.000 0.000 Ветвь пар.ток kА Р нач.МВт Q нач.Мвар Р кон.МВт Q кон.Мвар Рк МВт Qс Mвар 100 1 0 0.09 5.024 2.908 4.833 2.716 0.000 0.000 1 2 0 0.03 1.448 0.694 1.442 0.688 -0.000 0.000 2 3 0 0.06 -3.007 -1.932 -3.069 -1.995 -0.000 0.000 3 200 0 0.09 -4.535 -3.139 -4.629 -3.267 -0.000 0.000 1 11 0 0.04 2.018 1.209 1.995 1.049 0.004 -0.026 1 13 0 0.03 1.368 0.813 1.358 0.731 0.005 -0.039 2 21 0 0.04 2.224 1.310 2.206 1.155 0.005 -0.039 2 23 0 0.04 2.224 1.310 2.206 1.155 0.005 -0.039 3 31 0 0.01 0.733 0.572 0.726 0.518 0.003 -0.023 3 33 0 0.01 0.733 0.572 0.726 0.518 0.003 -0.023 Частота - 50.00000 Гц Суммарная генерация 9.653-активная 7.026-реактивная Суммарная нагрузка 9.216-активная 5.125-реактивная 0.000-акт.синх.двиг. 0.000-реак.СД и КБ Суммарные потери продольные 0.412-активные 0.862-реактивные потери поперечные 0.025-в шунтах 0.189-реактивные 0.000-на корону Додаток Г Мінімальний режим N узлаU кB фазаградРМВтQ MварРg МВтQg Мвар 100 37.800 -0.000 0.000 0.000 2.871 2.054 200 37.800 -0.000 0.000 0.000 2.628 3.026 1 36.835 -0.424 0.000 0.000 0.000 0.000 11 10.844 -1.875 1.140 0.600 0.000 0.000 13 10.957 -1.164 0.800 0.400 0.000 0.000 2 36.734 -0.475 0.000 0.000 0.000 0.000 21 10.857 -1.687 1.300 0.700 0.000 0.000 23 10.857 -1.687 1.300 0.700 0.000 0.000 3 37.232 -0.299 0.000 0.000 0.000 0.000 31 11.020 -1.038 0.400 0.300 0.000 0.000 33 11.020 -1.038 0.400 0.300 0.000 0.000 Ветвь пар.ток kА Р нач.МВт Q нач.Мвар Р кон.МВт Q кон.Мвар Рк МВт Qс Mвар 100 1 0 0.05 2.871 1.624 2.809 1.562 -0.000 0.000 1 2 0 0.02 0.852 0.440 0.850 0.438 -0.000 0.000 2 3 0 0.03 -1.769 -1.120 -1.790 -1.140 0.000 0.000 3 200 0 0.05 -2.598 -1.806 -2.628 -1.847 0.000 0.000 1 11 0 0.02 1.150 0.668 1.140 0.600 0.004 -0.027 1 13 0 0.01 0.807 0.455 0.800 0.400 0.005 -0.041 2 21 0 0.02 1.310 0.779 1.300 0.700 0.005 -0.040 2 23 0 0.02 1.310 0.779 1.300 0.700 0.005 -0.040 3 31 0 0.01 0.404 0.333 0.400 0.300 0.003 -0.024 3 33 0 0.01 0.404 0.333 0.400 0.300 0.003 -0.024 Частота - 50.00000 Гц Суммарная генерация 5.499-активная 5.080-реактивная Суммарная нагрузка 5.340-активная 3.000-реактивная 0.000-акт.синх.двиг. 0.000-реак.СД и КБ Суммарные потери продольные 0.133-активные 0.276-реактивные потери поперечные 0.026-в шунтах 0.196-реактивные 0.000-на корону Додаток Д Мінімальний відрегульований режим N узла U кBфаза град Р МВт QMвар Рg МВт Qg Мвар 100 37.800 -0.000 0.000 0.000 2.944 2.054 200 37.800 -0.000 0.000 0.000 2.684 3.026 1 36.810 -0.435 0.000 0.000 0.000 0.000 11 11.004 -1.943 1.182 0.622 0.000 0.000 13 10.965 -1.193 0.818 0.409 0.000 0.000 2 36.709 -0.487 0.000 0.000 0.000 0.000 21 10.863 -1.727 1.328 0.715 0.000 0.000 23 10.863 -1.727 1.328 0.715 0.000 0.000 3 37.220 -0.306 0.000 0.000 0.000 0.000 31 10.877 -1.051 0.403 0.302 0.000 0.000 33 10.877 -1.051 0.403 0.302 0.000 0.000 Ветвь пар.ток kА Р нач.МВт Q нач.Мвар Р кон.МВт Q кон.Мвар Рк МВт Qс Mвар 100 1 0 0.05 2.944 1.666 2.879 1.600 -0.000 0.000 1 2 0 0.02 0.861 0.443 0.859 0.441 0.000 -0.000 2 3 0 0.03 -1.817 -1.149 -1.838 -1.171 0.000 0.000 3 200 0 0.05 -2.653 -1.842 -2.684 -1.885 0.000 0.000 1 11 0 0.02 1.193 0.693 1.182 0.622 0.004 -0.027 1 13 0 0.01 0.825 0.464 0.818 0.409 0.005 -0.041 2 21 0 0.02 1.338 0.795 1.328 0.715 0.005 -0.040 2 23 0 0.02 1.338 0.795 1.328 0.715 0.005 -0.040 3 31 0 0.01 0.407 0.335 0.403 0.302 0.003 -0.024 3 33 0 0.01 0.407 0.335 0.403 0.302 0.003 -0.024 Частота - 50.00000 Гц Суммарная генерация 5.628-активная 5.080-реактивная Суммарная нагрузка 5.462-активная 3.065-реактивная 0.000-акт.синх.двиг. 0.000-реак.СД и КБ Суммарные потери продольные 0.140-активные 0.289-реактивные потери поперечные 0.026-в шунтах 0.196-реактивные 0.000-на корону Додаток Е Аварійний режим №1 - вимкнено один трансформатор на ПС “ Добро миль-14” N узла U кB фаза град Р МВт Q Mвар Рg МВт Qg Мвар 100 37.800 -0.000 0.000 0.000 4.784 3.026 200 37.800 -0.000 0.000 0.000 4.412 3.999 1 36.161 -0.672 0.000 0.000 0.000 0.000 11 10.489 -3.211 1.894 0.997 0.000 0.000 13 10.682 -1.919 1.297 0.698 0.000 0.000 2 35.992 -0.753 0.000 0.000 0.000 0.000 21 10.231 -4.984 4.181 2.189 0.000 0.000 3 36.832 -0.491 0.000 0.000 0.000 0.000 31 10.792 -1.832 0.699 0.499 0.000 0.000 33 10.792 -1.832 0.699 0.499 0.000 0.000 Ветвь пар.ток kА Р нач.МВт Q нач.Мвар Р кон.МВт Q кон.Мвар Рк МВт Qс Mвар 100 1 0 0.09 4.784 2.850 4.608 2.673 -0.000 0.000 1 2 0 0.03 1.386 0.753 1.380 0.747 0.000 -0.000 2 3 0 0.06 -2.855 -1.921 -2.913 -1.979 -0.000 -0.000 3 200 0 0.08 -4.325 -3.081 -4.412 -3.200 -0.000 0.000 1 11 0 0.04 1.915 1.143 1.894 0.997 0.004 -0.026 1 13 0 0.02 1.307 0.777 1.297 0.698 0.005 -0.039 2 21 0 0.08 4.236 2.668 4.181 2.189 0.005 -0.039 3 31 0 0.01 0.706 0.551 0.699 0.499 0.003 -0.023 3 33 0 0.01 0.706 0.551 0.699 0.499 0.003 -0.023 Частота - 50.00000 Гц Суммарная генерация 9.196-активная 7.026-реактивная Суммарная нагрузка 8.771-активная 4.883-реактивная 0.000-акт.синх.двиг. 0.000-реак.СД и КБ Суммарные потери продольные 0.405-активные 1.017-реактивные потери поперечные 0.020-в шунтах 0.150-реактивные 0.000-на корону Додаток Є Аварійний режим №1- вимкнено один трансформатор на ПС “ Добро миль-14”(відрегульований) N узла U кBфаза град Р МВт QMвар Рg МВт Qg Мвар 100 37.800 -0.000 0.000 0.000 5.070 4.000 200 37.800 -0.000 0.000 0.000 4.664 4.973 1 36.059 -0.706 0.000 0.000 0.000 0.000 11 10.924 -3.402 1.995 1.049 0.000 0.000 13 10.975 -2.021 1.358 0.731 0.000 0.000 2 35.875 -0.792 0.000 0.000 0.000 0.000 21 10.956 -5.347 4.452 2.326 0.000 0.000 3 36.774 -0.516 0.000 0.000 0.000 0.000 31 10.939 -1.914 0.726 0.518 0.000 0.000 33 10.939 -1.914 0.726 0.518 0.000 0.000 Ветвь пар.ток kА Р нач.МВт Q нач.Мвар Р кон.МВт Q кон.Мвар Рк МВт Qс Mвар 100 1 0 0.09 5.070 3.043 4.872 2.843 0.000 -0.000 1 2 0 0.03 1.486 0.821 1.479 0.814 -0.000 -0.000 2 3 0 0.06 -3.034 -2.057 -3.100 -2.124 0.000 0.000 3 200 0 0.09 -4.567 -3.268 -4.664 -3.401 -0.000 0.000 1 11 0 0.04 2.018 1.209 1.995 1.049 0.004 -0.026 1 13 0 0.03 1.368 0.813 1.358 0.731 0.005 -0.039 2 21 0 0.09 4.514 2.871 4.452 2.326 0.005 -0.039 3 31 0 0.01 0.733 0.572 0.726 0.518 0.003 -0.023 3 33 0 0.01 0.733 0.572 0.726 0.518 0.003 -0.023 Частота - 50.00000 Гц Суммарная генерация 9.733-активная 8.973-реактивная Суммарная нагрузка 9.256-активная 5.142-реактивная 0.000-акт.синх.двиг. 0.000-реак.СД и КБ Суммарные потери продольные 0.458-активные 1.152-реактивные потери поперечные 0.020-в шунтах 0.150-реактивные 0.000-на корону Додаток Ж Аварійний режим № 2 - вимкнено лінію 100-1 N узла U кBфаза град Р МВт QMвар Рg МВт Qg Мвар 200 37.800 -0.000 0.000 0.000 9.609 7.891 1 33.096 -2.298 0.000 0.000 0.000 0.000 11 9.538 -5.307 1.867 0.981 0.000 0.000 13 9.749 -3.773 1.281 0.689 0.000 0.000 2 33.537 -2.106 0.000 0.000 0.000 0.000 21 9.774 -4.460 2.072 1.084 0.000 0.000 23 9.774 -4.460 2.072 1.084 0.000 0.000 3 35.772 -1.188 0.000 0.000 0.000 0.000 31 10.468 -2.605 0.696 0.497 0.000 0.000 33 10.468 -2.605 0.696 0.497 0.000 0.000 Ветвь пар.ток kА Р нач.МВт Q нач.Мвар Р кон.МВт Q кон.Мвар Рк МВт Qс Mвар 1 2 0 0.06 -3.181 -1.911 -3.217 -1.947 -0.000 -0.000 2 3 0 0.15 -7.396 -4.419 -7.813 -4.839 0.000 -0.000 3 200 0 0.18 -9.218 -5.936 -9.609 -6.473 0.000 -0.000 1 11 0 0.04 1.891 1.143 1.867 0.981 0.003 -0.022 1 13 0 0.03 1.290 0.768 1.281 0.689 0.004 -0.033 2 21 0 0.04 2.090 1.236 2.072 1.084 0.004 -0.034 2 23 0 0.04 2.090 1.236 2.072 1.084 0.004 -0.034 3 31 0 0.01 0.703 0.549 0.696 0.497 0.003 -0.022 3 33 0 0.01 0.703 0.549 0.696 0.497 0.003 -0.022 Частота - 50.00000 Гц Суммарная генерация 9.609-активная 7.891-реактивная Суммарная нагрузка 8.683-активная 4.830-реактивная 0.000-акт.синх.двиг. 0.000-реак.СД и КБ Суммарные потери продольные .904-активные 1.477-реактивные потери поперечные 0.022-в шунтах 0.166-реактивные 0.000-на корону Додаток З Аварійний режим № 2 - вимкнено лінію 100-1(відрегульований) N узла U кBфаза град Р МВт QMвар Рg МВт Qg Мвар 200 37.800 -0.000 0.000 0.000 9.762 7.890 1 33.008 -2.331 0.000 0.000 0.000 0.000 11 10.929 -5.412 1.900 1.000 0.000 0.000 13 10.997 -3.837 1.301 0.700 0.000 0.000 2 33.459 -2.136 0.000 0.000 0.000 0.000 21 11.027 -4.535 2.101 1.101 0.000 0.000 23 11.027 -4.535 2.101 1.101 0.000 0.000 3 35.737 -1.204 0.000 0.000 0.000 0.000 31 10.943 -2.634 0.700 0.500 0.000 0.000 33 10.943 -2.634 0.700 0.500 0.000 0.000 Ветвь пар.ток kА Р нач.МВт Q нач.Мвар Р кон.МВт Q кон.Мвар Рк МВт Qс Mвар 1 2 0 0.07 -3.235 -1.950 -3.272 -1.988 -0.000 -0.000 2 3 0 0.15 -7.511 -4.501 -7.943 -4.937 -0.000 0.000 3 200 0 0.18 -9.358 -6.042 -9.762 -6.597 -0.000 -0.000 1 11 0 0.04 1.925 1.169 1.900 1.000 0.003 -0.022 1 13 0 0.03 1.310 0.781 1.301 0.700 0.004 -0.033 2 21 0 0.04 2.119 1.257 2.101 1.101 0.004 -0.034 2 23 0 0.04 2.119 1.257 2.101 1.101 0.004 -0.034 3 31 0 0.01 0.708 0.552 0.700 0.500 0.003 -0.022 3 33 0 0.01 0.708 0.552 0.700 0.500 0.003 -0.022 Частота - 50.00000 Гц Суммарная генерация 9.762-активная 7.890-реактивная Суммарная нагрузка 8.803-активная 4.902-реактивная 0.000-акт.синх.двиг. 0.000-реак.СД и КБ Суммарные потери продольные 0.937-активные 1.530-реактивные потери поперечные 0.022-в шунтах 0.165-реактивные 0.000-на корону |
|||||||||||||||||||||||||||||||||||||||||||||||||||||||||||||||||||||||||||||||||||||||||||||||||||||||||||||||||||||||||||||||||||||||||||||||||||||||||||||||||||||||||||||||||||||||||||||||||||||||||||||||||||||||||||||||||||||||||||||||||||||||||||||||||||||||||||||||||||||||||||||||||||||||||||||||||||||||||||||||||||||||||||||||||||||||||||||||||||||||||||||||||||||||||||||||||||||||||||||||||||||||||||||||||||||||||||||||||||||||||||||||||||||||||||||||||||||||||||||||||||||||||||||||||||||||||||||||||||||||||||||||||||||||||||||||||||||||||||||||||||||||||||||||||||||||||||||||||||||||||||||||||||||||||||||||||||||||||||||||||||||||||||||||||||||||||||||||||||||||||||||||||||||||||||||||||||||||||||||||||||||||||||||||||||||||||||||||||||||||||||||||||||||||||||||||||||||||||||||||||||||||||||||||||||||||||||||||||||||||||||||||||||||||||||||||||||||||||||||||||||||||||||||||||||||||||||||||||||||||||||||||||||||||||||||||||||||||||||||||||||||||||||||||||||||||||||||||||||||||






;
;



(кА),
;
;
;


,
,
(А),
0
C.
,
.
( мм4
),
(м).
( мм4
),
(м).
(м3
),
=48 штук.

