Дипломная работа: Система автоматичного регулювання (САР) турбіни атомної електростанції
|
Название: Система автоматичного регулювання (САР) турбіни атомної електростанції Раздел: Рефераты по физике Тип: дипломная работа | |||||||||||||||||||||||||||||||||||||||||||||||||||||||||||||||||||||||||||||||||||||||||||||||||||||||||||||||||||||||||||||||||||||||||||||||||||||||||||||||||||||||||||||||||||||||||||||||||||||||||||||||||||||||||||||||||||||||||||||||||||||||||||||||||||||||||||||||||||||||||||||||||||||||||||||||||||||||||||||||||||||||||||||||||||||||||||||||||||||||||||||||||||||||||||||||||||||||||||||||||||||||||||||||||||||||||||||||||||||||||||||||||||||||||||||||||||||||||||||||||||||||||||||||||||||||||||||||||||||||||||||||||||||||||||||||||||||||||||||||||||||||||||||||||||||||||||||||||||||||||||||||||||||||||||||||||||||||||||||||||||||||||||||||||||||||||||||||||||||||||||||||||||||||||||||||||||||||||||||||||||||||||||||||||||||||||||||||||||||||||||||||||||||||||||||||||||||||||||||||||||||||||||||||||||||||||||||||||||||||||||||||||||||||||||||||||||||||||||||||||||||||||||||||||||||||||||||||||||||||||||||||||||||||||||||||||||||||||||||||||||||||||||||||||||||||||||||||||||||||
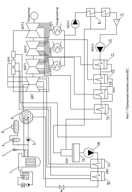
Перелік умовних позначень, скорочень і термінів АЕС – атомна електрична станція АІР – імпульс автоматичного розвантаження АКЗ - активна зона реактора АЦП – аналогово-цифровий перетворювач БПН – блок постійної напруги БЩУ - блочний щит управління ВВЕР – водо-водяний енергетичний реактор ВП – вимірювач потужності ГЦК - головний циркуляційний контур ГЦН – головний циркуляційний насос ГЧСР – гідравлічна частина системи регулювання ДИФ – канал диференціатора ДКТ – датчик керуючого тиску ЕВ – електромагнітний вимикач ЕГП – електрогідравлічний перетворювач ЕОМ – електронна обчислювальна машина ЕЧСР – електрична частина системи регулювання КРТ – контур регулювання тиску КРЧО – контур регулювання частоти обертання КТ – Компенсатор об’єму МЕО – механізм електричний однообертовий МКТ – механізм керування турбіною НВТ – насос високого тиску ННТ - насос низького тиску ОЗП – оперативний запам’ятовуючий пристрій ОП – обмежувач потужності ОТЗ – обмежувач темпу задання ПА – протиаварійна автоматика ПАУ – канал післяаварійного управління ПHТ – підігрівник низького тиску ПГ - парогенератор ПЗ – протиаварїйний захист ПЗО – пристрій зв’язку з об’єктом ПКН – канал початкової нерівномірності ПР – перемикч вибору сигналів РБ – регулятор безпеки РК – регулюючий клапан(турбіни) РПТ – регулятор потужності тиску РФ – релейна форсировки САК – субблок аналогового перетворювача САР – система автоматичного регулювання САОЗ – система аварійного охолодження активної зони реактора СВП – субблок вихідного підсилювача СВС – субблок вихідного сигналу СІ – субблок індикації СКР – субблок комутації реле СКС – система контролю сигналів СН – стабілізатор напруги СП – субблок перемикачів СПП-сепаратор пароперегрівник СПЧ – субблок перетворення частоти СТП – субблок токового перетворювача СУЗ - система управління та захисту ТА – технологічна автоматика ТВЕЛ – тепловиділяючий елемент ТГ – турбогенератор ТГІ – тахогенератор індукційний УКП – канал прогріву турбіни ЦАП – цифро-аналоговий перетворювач ЦВТ - циліндр високого тиску ЦНТ – циліндр низького тиску ЯЕУ – ядерна енергетична установка ЯПУУ – ядерна пароутворююча установка Атомна енергія відноситься до довгострокових і відносно дешевих видів енергії. І те й інше вкрай важливо для сучасної цивілізації, яка вже зараз відчуває нестачу в енергетичних ресурсах, що, в свою чергу, відбивається на зростанні вартості енергії. Проте, освоєння атомної енергії і розвиток ядерної енергетики зустрічають протидію з боку світової громадськості, що стурбована проблемами ядерної безпеки, можливістю забруднення навколишнього середовища радіоактивними відходами і небезпекою поширення ядерної зброї. У зв'язку з паливоенергетичною кризою, широкій громадськості було переконливо показано, як важлива енергія для забезпечення нормальної життєдіяльності людини. Стало очевидним, що доступних для використання джерел нафти і газу при існуючих масштабах споживання може вистачити лише на кілька десятиліть. Тому в даний час усе більш зростає увага до пошуків альтернативних енергетичних ресурсів і дослідженням у цій області. Людству необхідно навчитися жити в умовах енергетичних запасів, що змінюються, і зростаючих труднощів, включаючи технічні проблеми, ріст цін, необхідність значних і довгострокових капіталовкладень, незалежно від політичного устрою суспільства. Використання енергії ядер, що поділяються – одна з найважливіших альтернатив традиційної теплоенергетики, особливо для країн з убогими ресурсами палива. В даний час економічно вигідніше виробляти електроенергію на великих АЕС, ніж на традиційних електростанціях, за винятком деяких районів зі сприятливими умовами для використання гідроенергії чи з великими запасами кам'яного вугілля. Атомна енергія поряд з використанням в електроенергетиці може бути застосована на морському транспорті, у комунально-побутовому і промисловому секторах у виді теплоти й інших енергоємних виробництв. Розвиток ядерної енергетики завжди асоціюється з потенційною небезпекою радіоактивного зараження біосфери. Ця унікальна особливість ядерної енергетики, невідома в інших областях людської діяльності, викликає серйозне побоювання громадськості. Дійсно такий ризик існує і в основному через значну концентрацію радіоактивних матеріалів в активних зонах реакторів, частина яких, у принципі, може виділитися в результаті аварії, диверсії чи війни. Існує також ризик витоку радіоактивних продуктів при видобутку уранових руд, на переробних заводах і інших підприємствах, зв'язаних з обробкою і збереженням радіоактивних матеріалів. Для захисту населення та обслуговуючого персоналу АЕС і інших підприємств ядерної енергетики від радіаційного ураження розроблені норми і правила забезпечення безпеки при проектуванні й експлуатації потенційно небезпечних об'єктів, створені державні органи ліцензування й інспекції таких об'єктів, затверджені кваліфікаційні стандарти для персоналу, що несе відповідальність за безпечну експлуатацію АЕС і інших підприємств паливного циклу. Безпечна, надійна й економічна експлуатація ядерного реактора на всьому протязі 30-літнього терміну служби була б неможлива без глибоких знань і досвіду фізиків, інженерів-механіків, електриків, хіміків без кваліфікованої роботи безлічі техніків і робітників, особливо зварників, електриків, будівельників. Виконання цієї умови в ядерній енергетиці привело до вражаючих результатів: забезпечило на сьогоднішній день рекордні показники по безпеці й економічності АЕС, що є надійною основою для широкомасштабного розвитку ядерної енергетики. Сучасний етап розвитку енергетики характеризується прогресивною часткою АЕС, що збільшується у виробництві електроенергії. За короткий термін – близько 20 років атомна енергетика пройшла великий шлях від першої АЕС до блоків потужністю 1000–1500 Мвт і більш, ставши одним з найважливіших джерел енергії для багатьох країн і економічних районів. У процесі розробки, проектування й експлуатації АЕС накопичений великий досвід, у тому числі по створенню систем контролю і керування. Безупинне зростання вимог до контролю і керування, викликане необхідністю підвищення безпеки і надійності АЕС, підвищенням одиничної потужності блоків, а також інтенсифікацією технологічних процесів, зажадало широкого застосування нових технічних засобів автоматизації – електронних обчислювальних машин, пристроїв логічного керування – перегляду принципів організації керування АЕС. АЕС можуть споруджуватися в будь-якому географічному районі країни, але обов'язково при наявності джерела водопостачання. АЕС споруджуються по блоковому принципі, як у тепловий, так і в електричній частині. Їх вигідно будувати з енергоблоками великої потужності, тоді по своїх техніко-економічних показниках вони не уступають КЕС, а в ряді випадків і перевершують їх. В даний час на АЕС встановлюються енергоблоки потужністю 1000–1500 Мвт і уся вироблювана електроенергія (за винятком витрат на власні потреби) видається в енергосистему по лініях високої і понад високої напруги. Коефіцієнт корисної дії АЕС складає 35–38%, підвищити який дозволяє застосування мікропроцесорної електричної частини системи регулювання (ЕЧСР). ЕЧСР є регулятором турбіни, що входить до складу системи автоматичного керування потужністю (САКП) енергоблоку. Призначена для керування РК турбіни у всіх режимах роботи блоку. ЕЧСР призначена підвищити: ступінь автоматизації роботи блоку в різних режимах його роботи; стійкість роботи блоку в нормальних експлуатаційних умовах, а також при відмовленнях і непланових відключеннях технологічного устаткування; поліпшити динамічні характеристики турбіни енергоблоку. У режимах зі скиданнями електричного навантаження задачею ЕЧСР є поліпшення протирозгонної характеристики турбіни. Передбачено можливість використання ЕЧСР в: режимах пуску (розворот турбіни, синхронізація ТГ із мережею, навантаження) і зупинки (розвантаження, зупинка турбіни); нормальних режимах роботи енергоблоку при регулюванні заданого параметра; при технологічних обмеженнях на блоці через непланові відключення допоміжного устаткування; при скиданнях електричного навантаження. Впливаючи на РК турбіни, ЕЧСР дозволяє виконати в залежності від режиму роботи блоку, регулювання наступних параметрів: частоти обертання ротора турбоагрегату; активної електричної потужності; тиску свіжої пари в ЦПК; тиску керуючої рідини при максимальному навантаженні ТГ. 1. Аналіз технологічної схеми блоку з реактором ВВЕР-10001.1 Принципова теплова схема 1-го і 2-го контурів АЕСПерший контур (малюнок. 1.1) складається з реактора (1) і чотирьох петель, кожна з який включає парогенератор (2), головний циркуляційний насос (3) і головні циркуляційні трубопроводи, Будова декількох паралельних петель виключає необхідність резервування устаткування, зокрема циркуляційних насосів. Число паралельних петель визначається максимально досяжною потужністю окремих елементів устаткування. Вода в реактор надходить при тиску 16,6 Мпа з температурою 562 К. В активній зоні реактора вона нагрівається до 595 К і направляється в парогенератор, де охолоджується, віддаючи теплоту теплоносію другого контуру. З парогенератора вода головним циркуляційним насосом повертається в реактор. Передача теплоти в парогенераторі відбувається без фазових перетворень теплоносія першого контуру. Закипання теплоносія не відбувається за рахунок високого тиску в контурі. Для створення необхідного тиску потрібно спеціальне зовнішнє джерело, яким є паровий компенсатор тиску (КТ) (4). Він служить для компенсації зміни об’єму теплоносія при нагріванні його в контурі і створення початкового тиску. Вода в КТ нагрівається електронагрівниками і частково випаровується, що приводить до підвищення тиску. КТ з'єднаний з «гарячим» трубопроводом. Для запобігання підвищення тиску понад припустимий у паровий простір КТ вприскується теплоносій з «холодної» вітки трубопроводу. Якщо при вприскуванні холодного теплоносія підвищення тиску не припиняється, то спрацьовує запобіжний клапан, вихід якого з'єднаний з барботером (6). Температура води в барботері підтримується ~333 для конденсації пари з КТ. Якщо тиск в барботері у свою чергу перевищує припустиме, то спрацьовує запобіжний клапан на барботері і середовище першого контуру викидається в приміщення. Імовірність останнього незначна. Вода першого контуру при роботі реактора набуває високої радіоактивність навіть без порушення щільності оболонок Твелів, тому що у воді практично завжди є присутніми домішки, що активуються в активній зоні (наприклад, продукти корозії, солі і т. п.). Устаткування першого контуру стає джерелом іонізуючого випромінювання, і тому його розміщують у приміщеннях, що не обслуговуються. Отже, конструкція устаткування повинна забезпечити його тривалу роботу (наприклад, протягом року) без обслуговування і прямого контролю з боку персоналу.
Для запобігання накопичення домішок в теплоносії першого контуру, частина (так звана продувка) з витратою до 22 кг/с з напірної сторони ГЦН відводиться для очищення у фільтрах. Перед фільтрами продувна вода охолоджується до температури 318К. Охолодження відбувається за рахунок нагрівання очищеної води в регенеративному теплообміннику, яка після фільтрів повертається в контур на всмоктувальну сторону ГЦН. Остаточне охолодження продувної води відбувається технічною водою в холодильнику. Компенсація втрат теплоносія першого контуру, а також первинне заповнення першого контуру здійснюється живильними насосами зі спеціальної системи підготовки чистого конденсату. Паралельно встановлюється не менш двох відцентрових насосів. Усі сучасні ЯЕУ оснащені системами аварійного охолодження активної зони реактора (САОЗ), що забезпечують відвід теплоти з активної зони у випадки аварії з втратою теплоносія з циркуляційного контуру. САОЗ реактора ВВЕР-1000 містить у собі насоси низького (ННТ) і високого (НВТ) тиску, гідроакумулятори (5), у яких вода знаходиться під тиском азоту, і баки запасу води і розчину борної кислоти. Коли втрата теплоносія відбувається з невеликою швидкістю, включаються НВТ. При великій розгерметизації, аж до повного миттєвого обриву циркуляційного трубопроводу (діаметр трубопроводу складає 850 мм), на початку вода подається з гідроакумулятора, потім включається НВТ і, якщо їхньої подачі не вистачає для підтримки тиску в контурі, в роботу вступають НВТ. Енергетичний зв'язок першого і другого контурів здійснюється через ПГ. Свіжа пара від чотирьох парогенераторів надходить по чотирьох паропроводах Ду600 до чотирьох блоків клапанів високого тиску (кожен блок складається з послідовно розташованих одного стопорного й одного регулюючого клапанів). Hа кожнім паропроводі свіжої пари перед блоком клапанів встановлена запірна засувка. З паропроводів від ПГ №2 і №3 перед ГПЗ виконані відводи Ду100 для приєднання байпасних трубопроводів ГПЗ із установленими на кожнім з них послідовно запірною засувкою і дросельним клапаном. Після дросельних клапанів кожного байпаса пара по трубопроводах Ду150 направляється в суміжні паропроводи свіжої пари за ГПЗ, а саме: байпас з паропроводу від ПГ №2 приєднаний до паропроводів за ГПЗ від ПГ №2 і №4, а байпас з паропроводу від ПГ №3 – до паропроводів за ГПЗ від ПГ №3 і №1. Байпаси ГПЗ використовують для прогріву блоків клапанів високого тиску перед пуском. Від регулювальних клапанів високого тиску пара чотирма паропроводами Ду600, що поєднуються перед ЦВТ (3) у дві труби Ду800, направляється до паровпуску ЦВТ. Після ЦВТ (3) пара по чотирьох ресиверах Ду1600 надходить у чотири сепаратори – пароперегрівники, у яких здійснюється просушка та перегрів пари, що направляється в ЦHТ (4). Гріючою парою СПП (1–2) є свіжа пара, що відбирається з парового колектора, який поєднує всі паропроводи свіжої пари від ПГ. Пара до СПП підводиться по паропроводу Ду400 через послідовно встановлені засувку з байпасом Ду50 і регулювальний клапан за допомогою якого підтримується задана температура пари перед ЦHТ при пусках енергоблоку. Перегріта пара від кожного СПП через блок клапанів низького тиску (блок складається зі стопорної і регулюючої заслінок, установлених послідовно) по ресиверах Ду1400, кожний з який розгалужується потім на дві линії Ду1200, підводиться до двох сусідніх ЦHТ. Таким чином, на кожні два ЦHТ надходить пара від двох СПП, розташованих з різних сторін турбіни. Пройшовши проточну частину ЦHТ відпрацьований пар направляється в конденсатори турбіни, де відбувається його конденсація при тиску нижче атмосферного. Конденсат з конденсатозбірників конденсаторів виділяється конденсатними насосами першої ступіні (6) через фільтри блокової знесилюючої установки (7) у ПHТ-I (9), звідкіля самопливом зливається в ПHТ-2 (10). З ПHТ-2 основний конденсат відкачується конденсатними насосами другої ступіні (11) через поверхневі підігрівники низького тиску (12, 13, 14) у деаератори (15). Вода з деаераторів живильними насосами (16) подається в парогенератори ЯППУ через підігрівники високого тиску (17, 18). 1.2 Обладнання 1-го контуру Реактор ВВЕР-1000 являє собою реактор корпусного типу з водою під тиском. Реактор складається з наступних вузлів (малюнок 1.2): корпус, шахта, выгородка, блок захисних труб, верхній блок, активна зона, канали вимірювання нейтронного потоку. Всередині корпусу на кільцевому виступі фланця закріплюється шахта, що є опорною конструкцією для активної зони реактора. Шахта призначена для установки ТВС АКЗ і організації потоку теплоносія всередині реактора. Вигородка зменшує протікання води повз активну зону. Активна зона набирається із шестигранних касет, що містять конструктивно оформлену урано-водяну решітку, зверху на активну зону встановлюється блок захисних труб. Кришка через блок захисних труб піджимає і дистанціонує голівки касет, запобігає їхній вібрації.
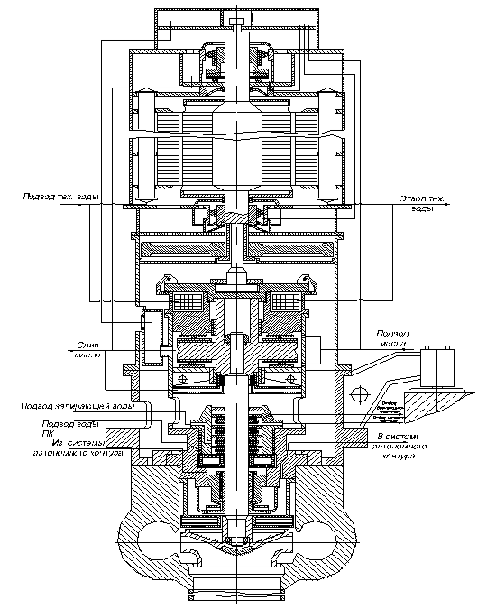
Малюнок 1.2 – Реактор ВВЕР-1000. В трубах блоку захисних труб переміщаються регулюючі стержні системи керування і захисту. На фланець корпусу встановлюється верхній блок із приводами СУЗ. Ущільнення головного роз’єму забезпечується трубчастими прокладками, встановленими між фланцями корпуса і кришкою. Канали нейтронного вимірювання призначені для оперативного беззупинного вимірювання щільності потоку в активній зоні при роботі реактора в діапазоні потужності 10–20% від номінальної. Регулювання реактора здійснюється переміщенням регулюючих стержнів і зміною концентрації рідкого сповільнювача нейтронів. Теплоносієм і сповільнювачем у реакторі є вода, теплоносій надходить у реактор. Через чотири патрубки корпусу, проходить вниз по кільцевому зазорі між корпусом і шахтою, потім через днище і піднімається нагору по касетах. Нагрітий за рахунок тепла ядерної реакції теплоносій виходить з голівок касет у міжтрубний простір блоку захисних труб і через блок захисних труб і шахти чотирма патрубками корпуса виводиться з реактора. Поділ вхідного і вихідного потоків теплоносія здійснюється за допомогою горизонтального кільця, закріпленого на корпусі і допускаючого виїмку шахти з корпуса в холодному стані. Активна зона реактора призначена для організації ядерної реакції, передачі тепла, яке виділяється в результаті ядерної реакції, теплоносієві. При розробці активної зони враховані наступні вимоги: 1) при нормальній експлуатації протягом усього терміну служби не повинні перевищуватися межі ушкодження ТВЕЛ; 2) повинен бути реалізований негативний повний коефіцієнт реактивності по потужності; 3) повинні бути передбачені заходи, спрямовані на виключення можливості непередбачених ситуацій і тих, що приводить до збільшення реактивності компонентів АКЗ; 4) конструкція АКЗ в сукупності з системою надійного живлення, САОЗ, блокуваннями і т.д. повинна виключати можливість руйнування АКЗ і розплавлювання палива у всіх проектних режимах. Активна зона збирається установкою касет відповідно до картограми завантаження в шахту реактора. Після установки касет в реактор встановлюється блок захисних труб. При цьому циліндричні частини голівок касет входять в ячейки БЗТ. Для забезпечення надійної і безпечної експлуатації касет у проекті прийняті наступні міри: 1) протягом усього терміну служби надійно затиснута в реакторі за рахунок розміщення в голівці 15 пружин; 2) ТВЕЛи в касеті мають можливість вільного радіаційного (на 35 мм) і температурного росту до 1200 о С. Реакторна установка розрахована на можливість дворазового перевантаження палива на протязі 1 року. Основні характеристики реактора приведені в таблиці 1.1. Таблиця 1.1 Основні характеристики реактора
Результати розрахунків показують, що протягом усієї кампанії у всіх можливих режимах роботи на потужності забезпечується негативний коефіцієнт реактивності по потужності. Механічна система керування і захисту реактора складається з 61 привода, кожний з який здатний переміщувати в межах Акз пучок з 18 поглиначів. На механічну систему керування і захисту покладається компенсація швидких змін реактивності. Контроль стану активної зони реактора і її елементів містять у собі: 1) експлуатаційний контроль при роботі зони на потужності; 2) контроль за станом палива; 3) контроль стану внутрішньокорпусних пристроїв; Контроль усіх параметрів активної зони реактора централізований і виведений на блоковий щит керування (БЩУ) енергоблоку. Крім блокового передбачений резервний щит керування, що використовується при ушкодженні БЩУ. Керування і захист реактора здійснюється впливом на реактивність реактора здійснюється борним регулюванням. Конструктивні характеристики активної зони приведені в таблиці 1.2. Таблиця 1.2 Конструктивні характеристики активної зони
Корпус реактора призначений для розміщення внутрікорпусних пристроїв (ВКП) і касет активної зони і являє собою вертикальний циліндричний сосуд високого тиску, що складається з корпуса звареного, знімної кришки, і деталей вузла ущільнення. До внутрішньокорпусних пристроїв серійного реактора ВВЕР-1000 відносяться: 1) шахта; 2) вигородка; 3) 4) блок захисних труб Таблиця 1.3 Основні характеристики корпуса реактора
Система ГЦН призначена для створення циркуляції теплоносія в ГЦК енергетичного реактора. Система ГЦК сполучає функції системи нормальної експлуатації і захисти системи. Функція ГЦН як пристроїв нормальної експлуатації в різних режимах полягає в наступному: 1) у режимах пуску ГЦН забезпечує циркуляцію т/н і розігрів ГЦК із заданою швидкістю; 2) у номінальних режимах ГЦН забезпечує циркуляцію т/н. При працюючих ГЦН у їхніх напорах здійснюється вприскування в компенсатор тиску; 3) при зупинці і розхолодженні блоку функції ГЦН не відрізняються від номінального режиму. Як захисний пристрій ГЦН забезпечують циркуляцію т/н на вибігу при різних аваріях із знеструмленням, що дозволяє здійснити плавний вихід на режим із природною циркуляцією. Система ГЦН складається з чотирьох насосних агрегатів і обслуговуючих підсистем: автономного охолодження ГЦН електропостачання, маслопостачання, ущільнюючої води, охолодження води, відмивання бору. Основні технічні характеристики ГЦН приведені в таблиці 1.4. Головний циркуляційний насос ГЦН-195М являє собою вертикальний відцентровий одноступінчатий насос із блоком торцового ущільнення вала, консольним робочим колесом, осьовим підведенням води і виносним асинхронним двигуном (малюнок1.3).Таблиця 1.4 Основні технічні характеристики ГЦН
З'єднання ГЦН (равлик) із трубопроводом Ду850 мм здійснюється на зварюванні, а з трубопроводами допоміжних систем на фланцях. На вал насоса встановлюється блок торцьового ущільнення вала, в якій від системи ущільнюючої води подається замикаюча вода, що запобігає витоку теплоносія 1 контуру. ГЦН підключаються до шин 6кВ, розділеним на 4 секції по кількості ГЦН, відключення 1 ГЦН при працюючих 4-х на 100% потужності блоку відбувається без спрацювання аварійного захисту реактора з відповідним зниженням його потужності.
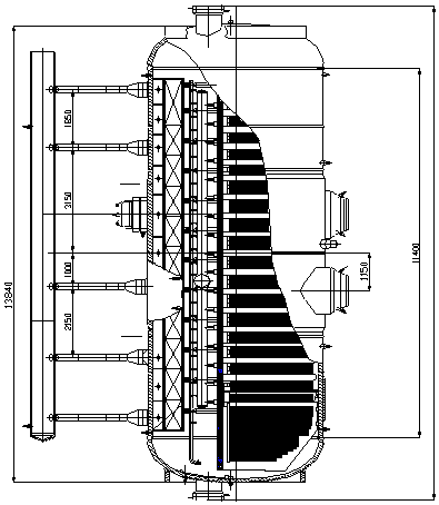
Малюнок 1.3 – Загальний вигляд ГЦН-195М Парогенератор призначений для вироблення пари, необхідної для роботи турбіни, шляхом відбору тепла від теплоносія 1 контуру. Тип парогенератора – горизонтальний однокорпусний з зануреною поверхнею теплообміну з горизонтальним розташуванням труб. ПГ складається з наступних основних вузлів: корпуса, колектора роздачі основної живильної води, пристрою роздачі аварійної живильної води, теплообмінної поверхні і колектора першого контуру, сепараційного пристрою, пристрою вирівнювання парового навантаження, опорних конструкцій зрівняльних сосудів, гідроамортизаторів (малюнок 1.4). Парогенератор ПГВ-1000М забезпечує наступні основні вимоги: 1) ПГ забезпечує охолодження т/н 1 контуру до необхідного рівня температур у всіх проектних режимах; 2) схема і компонування ГЦК в сукупності з ПГ забезпечує охолодження т/н при природній його циркуляції; 3) забезпечено резервування подачі живильної води в парогенератор по окремій лінії; 4) габаритні розміри забезпечують транспортування по залізницях; 5) конструкція ПГ виключає ушкодження їм іншого устаткування і трубопроводів при максимальній проектній аварії. ПГ у боксі встановлений на дві опорні конструкції. В кожній опорній конструкції мається двоярусна роликова опора, що забезпечує переміщення парогенератора при термічному розширенні трубопроводів головного циркуляційного контуру в повздовжньому напрямку ±80 мм, у поперечному ±98 мм. Для своєчасного виявлення й усунення виникаючих дефектів, з метою попередження відмовлень і аварій устаткування, а також для визначення забруднення і корозійного стану теплообмінної поверхні проводиться контроль та випробування при експлуатації ПГ. Для забезпечення ВХР передбачена безупинна продувка кожного ПГ витратою 0,5% його паропродуктивності. Корпус ПГ і колектора виготовлені з легованої конструкційної сталі 10ГН2МФА. Внутрішня поверхня колекторів плакована нержавіючою сталлю: перший шар – зварювальний дріт 07Х25Н13, другий шар – зварювальний дріт 04Х20Н10М25. Трубний пучок виготовлений із хромонікелевої аустенітної сталі 08Х18Н10Т. Компенсатор тиску являє собою вертикальну судину, встановлену на циліндричній опорі. У верхнім днищі наявний штуцер під трубопровід вприскування, штуцер під трубопровід скидання пари через імпульсно-запобіжні пристрої. Патрубок люка має штуцера під трубопровід скидання парогазовой суміші в барботер і під рівнеміри. У нижнім днищі розташований патрубок під трубопровід, що з'єднує «гарячу» нитку 1-го контуру з компенсатора тиску (КТ). Всередині КТ розташовані: розприскуючий пристрій, захисний екран, тени. Теплотехнічні параметри парогенератора представлені в таблиці 1.5.
Малюнок 1.4 – Парогенератор ПГВ-1000М Таблиця 1.5 Теплотехнічні параметри парогенератора
Основні параметри компенсатора тиску представлені в таблиці 1.6. Таблиця 1.6 Основні параметри компенсатора тиску
Розміри КТ обрані так, що не допускають кипіння т/н у жодній точці 1-го контуру. Співвідношення водяного і парового об’ємів КТ обране з умови, що не відбувається закидання пари в 1 контур з КТ і оголення електронагрівачів КТ. Для захисту корпусу КТ від корозії внутрішня поверхня має антикорозійне покриття з нержавіючої сталі аустенітного класу. Барботер являє собою горизонтальну судину з еліптичними днищами, заповнену водою на 2/3 об’єму. В середній частині корпусу є люк-лаз, у циліндричній частині якого вбудовані два патрубки з фланцями під запобіжні мембрани. Всередині барботера розташовані три парораздавальних колектори із соплами і теплообмінник, що складається з вхідного і вихідного колекторів і охолоджуючих труб. В барботері передбачені штуцери для приєднання трубопроводів підведення пари, підведення і відводу охолодженої води, підведення води для заповнення барботера, підведення азоту для зриву вакууму в паропровідному трубопроводі і вентиляції газового об’єму. Барботер виготовлений із хромникелевої аустенітної сталі 08Х18Н10Т. Його технічні характеристики представлені в таблиці 1.7. Таблиця 1.7 Технічні характеристики барботера
1.3 Обладнання 2-го контуру Турбіна К-1000–60/3000 призначена для безпосереднього приводу генератора перемінного струму ТВВ-1000–2УЗ ЛПЕО «Електросила» потужністю 1000 МВт, напругою на виходах 24 кВ. Турбіна К-1000–60/3000 розрахована для роботи в блоці з реактором ВВЕР-1000 (енергоблок складається з одного реактора й однієї турбіни). Турбіна – парова, конденсаційна, без регульованих доборів пари, із проміжною сепарацією та однократним одноступінчатим паровим проміжним перегрівом. Паророзподіл турбіни дросельного типу, здійснюється чотирма регулювальними клапанами в частині високого тиску і чотирма регулювальними клапанами в частині низького тиску. Турбіна має вісім нерегульованих доборів пари, призначених для регенеративного підігріву основного конденсату і живильної води, живлення приводних турбін живильних турбонасосних агрегатів, підігріву води в мережевих підігрівниках і для забезпечення власних (технологічних) потреб блоку. Перший, другий і третій добори виконані з ЦВТ; четвертий добір виконаний із трубопроводів «холодного» і «гарячого» промперегрыву СПП; п'ятий, шостий, сьомий і восьмий добори – з ЦHТ. Заводські дані про добори пари при номінальному навантаженні турбіни і номінальних початкових і кінцевих параметрах пари приведені в таблиці 1.8. Таблиця 1.8 Відбори паpи пpи номінальному навантаженні туpбіни
В місцях виходу роторів з корпусів цилиндрів виконані кінцеві ущільнення. Камери кінцевих ущільнень ЦВТ і ЦHТ з боку проточної частини з'єднані з підводячим колектором в якому підтримується тиск в межах 1,15–1,2 кгс/см2 . Пара до колектора ущільнень подається з парової зрівняльної лінії чи деаераторів від колектора власних потреб через РУ 14/7. Hа лінії підведення пари до колектора ущільнень турбіни встановлений регулювальний клапан, керування яким виробляється автоматично електронним регулятором тиску або дистанційно оператором. При несправності регулюючого клапана передбачена можливість подачі пари на ущільнення крім нього на байпас із установленої на ньому засувкою. У колектор подачі пари до ущільнень за регулювальним клапаном спрямовані також відводи пари з других камер ущільнень штоків стопорних і регулювальних клапанів високого тиску і перших камер ущільнень штоків стопорних і регулювальних клапанів низького тиску. Hа індивідуальних трубопроводах підведення пари до ущільнень ЦHТ встановлені обмежувальні шайби, що мають обвідні трубопроводи Ду80 із встановленими на них засувками, що призначені для регулювання тиску пари в кожнім ущільненні. Підведення пари до ЦHТ виконане двостороннім (трубопровід Ду150 – у нижню частину окружності ущільнення пари роторів і трубопроводів. Ду50 – у верхню частину окружності ущільнення пари роторів ЦHТ). В діапазоні навантажень турбоустановки від 20 до 100% від номінальної, пар з ущільнень ЦВТ надходить в колектор, з відкіля направляється до ущільнень ЦHТ. У режимах зі зниженими навантаженнями або при пусках турбіни, коли тиск пари у вихлопній частині ЦВТ нижче атмосферного, кінцеві ущільнення ЦВТ і ЦHТ живляться пором від деаераторів або РУ 14/7. З метою попередження виходу пари в приміщення машзала, з крайніх камер ущільнень турбіни (з боку атмосфери) виконаний відвід пароповітряної суміші в спеціальний охолоджувач двома ежекторами типу ЕВ-1–230, тиск в якму підтримується приблизно 0.97 кгс/см2 . Витоки пари через ущільнення штоків стопорних і регулювальних клапанів ЦВТ відводяться: з першої по ходу пари камери – в трубопровід підведення пари в колектор ущільнень до регулюючого клапана; з другої камери – в колектор ущільнень; з третьої камери – в колектор відводу пари з ущільнень в сальниковий підігрівник. Ущільнення штоків стопорних і регулювальних клапанів ЦHТ виконані двохкамерними. Відвід витоків з перших, по ходу пари, камер ущільнень стопорних і регулювальних клапанів ЦHТ здійснюється в колектор ущільнень, а з других камер – в колектор відводу пари з ущільнень до сальникового підігрівника. Турбіна оснащена валоповоротним пристроєм, що призначений для обертання роторів турбоагрегату, при підготовці до пуску і при охолодженні після зупинки. Підведення масла до ВПУ здійснюється від системи змащення. Турбоагрегат має систему гідростатичного підйому роторів, що призначена для подачі масла з високим тиском під шийки роторів на кожному опорному підшипнику з метою забезпечення «вспливання» роторів при їхньому обертанні ВПУ або при малих обертах, тобто при відсутності стійкого масляного клина. Застосування гідропідйому роторів дозволяє зменшити потужність приводного електродвигуна ВПУ і знизити знос бабіту вкладишів підшипників і шийок роторів турбоагрегату. Основні розрахункові технічні характеристики турбіни К-1000–60/3000 згідно технічних умов, при номінальній тепловій потужності ЯПУУ 3000 Мвт, приведені в таблиці 1.9. Власне турбіна призначена для перетворення теплової енергії пари в механічну енергію обертання роторів. Таблиця 1.9 Технічні характеристики турбіни К-1000–60/3000
Турбіна К-1000–60/3000 складається з: 1) циліндра високого тиску; 2) чотирьох циліндрів низького тиску; 3) дев'яти опорних підшипників і одного опорно-упорного підшипника; 4) спеціальної апаратури контролю механічного стану турбіни; 5) системи автоматичного регулювання і захисту. Циліндр високого тиску розташований в середній частині турбіни; циліндри низького тиску розташовані симетрично по обидві сторони ЦВТ (по два ЦHТ з кожної сторони). Hумерація ЦHТ здійснюється від переднього підшипника турбіни (регулятора швидкості) вбік генератора. Циліндр високого тиску – двопоточний, по п'ять ступіней тиску в кожному потоці; складається з зовнішнього і внутрішнього корпусів. Внутрішній корпус встановлений в зовнішньому за допомогою чотирьох лап і фіксується системою поперечних і вертикальних шпонок, що не перешкоджають його тепловим розширенням. У внутрішньому корпусі встановлені діафрагми перших двох ступіней кожного потоку; діафрагми інших ступіней кріпляться в обоймах, розташованих в озточеннях зовнішнього корпуса. Підведення пари в ЦВТ виконане бічним, по двох патрубках Ду800, які розташовані в нижній половині корпусу (по одному з кожної сторони турбіни). З'єднання зовнішніх патрубків підведення пари до зовнішнього корпусу турбіни здійснюється через фланцеві роз’єми. З'єднання патрубків підведення пари зовнішнього і внутрішнього корпусів ЦВТ – телескопічного типу. З'єднання внутрішніх патрубків підведення пари до внутрішнього корпусу турбіни ущільнені поршневими кільцями. Зовнішній корпус ЦВТ спирається чотирма лапами на корпуси підшипників. Під лапами з боку ЦHТ-2 встановлені поперечні шпонки, які фіксують переміщення корпусу в осьовому напрямку. Переміщення корпусу ЦВТ при тепловому розширенні відбувається вбік ЦHТ-3; при цьому лапи корпусу ЦВТ сковзають вбік ЦHТ-3 по спеціальних подушках. Фіксація циліндра в поперечному напрямку забезпечується вертикальними шпонками, розташованими в нижній половині корпусу ЦВТ. З ЦВТ організовані наступні добори пари: 1) перший добір (на ПВТ-7) – з камер після других ступіней обох потоків; 2) другий добір (на ПВТ-6 і КС) – з камер після третіх ступіней обох потоків; 3) третій добір (на деаератор і пікові ПСВ) – з камер після четвертих ступіней обох потоків; 4) четвертий добір – добір пари до ПHТ-5 і ПСВ II ступіні з трубопроводів, «холодного» промперегріву СПП, а також добір пари до приводних турбін ПТ з паропроводів «гарячого» промперегріву СПП. Проточна частина ЦВТ складається з діафрагм і робочих коліс. Кріплення робочих лопаток усіх ступіней до дисків ротора здійснюється за допомогою вильчатих хвостиків із зовнішньою вилкою, що закриває обід диска. Робочі лопатки зварені в пакети по хвостиках і бандажу (по чотири – п'ять лопаток у кожнім пакеті). Внутрішня частина бандажа виконана з нахилом, що сприяє руху вологи по бандажу до вихідного перерізу. Вихідна кромка робочих лопаток по периферії відкрита, що також сприяє підвищенню ефективності вологовидалення. Зменшення протоків пари крізь робочі колеса досягається з допомогою надбандажних ущільнень, які складаються з двох пар ущільнювальних вусиків, встановлених у внутрішньому корпусі (для перших двох ступіней) і в обоймах (для інших ступіней). Для зменшення протоку пари крізь діафрагми в зазорах між тілом діафрагми і ротором, виконані диафрагменні ущільнення, що представляють собою сегменти ущільнень, розташованих в розточках діафрагм. В діафрагмах другої і п'ятої ступіней встановлено по одному ряду сегментів, а в діафрагмах третьої і четвертої ступіней – по два ряди сегментів. Ротор ЦВТ – цільнокований, з постійним кореневим діаметром усіх ступіней. В місцях виходу вала ротора з корпусу ЦВТ встановлені спеціальні кінцеві ущільнення, призначені для запобігання підсмоктування повітря в турбоагрегат при наборі вакууму або при роботі турбіни з малими витратами пари, коли тиск на виході з ЦВТ нижче атмосферного, а також запобігають витоку пари в приміщення машзала при навантаженнях турбіни; коли тиск пари на виході ЦВТ вище атмосферного. Кінцеві ущільнення являють собою сегменти ущільнень, розташовані в обоймі і в камінній камері. Сегменти мають ущільнювальні вусики різної довжини, що разом з відповідними виступами і западинами на роторі утворюють лабіринт. Радіальні зазори в кінцевих ущільненнях складають 0,75 мм. Зовнішній корпус турбіни, обойма і корпус камінної камери, а також власне камінна камера утворюють порожнини (камери) ущільнень. З камери ущільнень з боку проточної частини здійснюється відвід протічок пари (або підведення ущільнюючої пари з колектора в режимах, коли тиск на вихлопі ЦВТ нижче атмосферного). З камінної камери (з боку атмосфери) здійснюється відсос пароповітряної суміші ежекторами ущільнень через спеціальний сальниковий підігрівник. Всі циліндри низького тиску виконані конструктивно однаковими – двопоточними, по п'ять ступіней тиску в кожнім потоці. ЦHТ – складається із зовнішнього і внутрішнього корпусів звареної конструкції. Зовнішній корпус ЦHТ складається з трьох частин: середньої і двох вихлопних. Вихлопні частини мають осерадіальний дифузор, що забезпечує високі аеродинамічні характеристики циліндра. Внутрішній корпус встановлений у зовнішньому на лапах і фіксується системою повздовжніх і поперечних шпонок, що не перешкоджають тепловому розширенню внутрішнього корпусу. Підведення пари в кожен ЦHТ здійснюється двома ресиверами Ду1200 (по одному з кожної сторони турбіни), кожен з яких потім розгалуджується і двома лініями Ду850 приєднується до верхньої і нижньої половин середньої частини корпуса ЦHТ. Вихлопні патрубки ЦHТ з'єднані з конденсаторами за допомогою зварювання. Зовнішні корпуса всіх ЦHТ фіксуються щодо фундаментних рам у повздовжньому і поперечному напрямках (див. додаток 10). З ЦHТ організовані наступні добори пари: 1) п'ятий добір (на ПHТ-4) – з камер після перших ступіней обох потоків ЦHТ-2; 2) шостий добір (на ПHТ-3 і ПСВ I ступіні) – з камер після других ступіней обох потоків ЦHТ-I; 3) сьомий добір (на ПHТ-2) – з камер після третіх ступіней обох потоків ЦHТ-3 і ЦHТ-4; 4) восьмий добір (на ПHТ-I) – з камер перед останніми ступінями кожного потоку всіх ЦHТ. Проточна частина кожного ЦHТ складається з діафрагм і робочих коліс. Кріплення робочих лопаток перших чотирьох ступіней до дисків ротора здійснюється за допомогою вильчатых хвостиків, кріплення робочих лопаток п'ятих (останніх) ступіней здійснюється торцевыми ялинковими хвостиками. Робочі лопатки всіх ступіней мають бандажі; перших двох ступіней – накладні, інших – цільнофрезеровані. Для зменшення протоків пари крізь робочі колеса і крзь діафрагми, виконані надбандажні і діафрагменні ущільнення. Ротори ЦHТ – зварно-ковані, з постійним кореневим діаметром усіх ступіней. У місцях виходу валів роторів із зовнішніх корпусів ЦHТ розташовані кінцеві ущільнення, призначені для запобігання підсмоктування повітря у вакуумну систему турбіни на всіх режимах роботи. Кінцеве ущільнення являє собою сегменти ущільнень, розташованих в розточках обойм. Сегменти мають ущільнювальні вусики, що утворюють лабіринт. Радіальні зазори в кінцевих ущільненнях ЦHТ складають 1,0 м. Опорні підшипники призначені для сприйняття радіальних навантажень, що виникають від власної ваги ротора, його неврівноваженості і розцентровки. Опорні підшипники розміщені в шести виносних опорах, що спираються на масивні чавунні рами, залиті в бетон фундаменту. Опорний підшипник турбіни – підшипник ковзання, являє собою вкладиш, встановлений у корпусі опори і який має роз’єм в горизонтальній площині. Внутрішні поверхні вкладиша залиті бабітом. Підведення масла для змащення здійснюється в середню частину вкладишів. В нижній частині вкладишів виконані спеціальні отвори для підведення масла високого тиску від насосів гідростатичного підйому ротора, які розташовані в корпусах опор (по одному насосу на кожен підшипник). У верхній частині кожної опори розташовані індивідуальні резервні масляні ємності, призначені для забезпечення маслом підшипників при короткочасному зниженні тиску в системі мащення, а також для забезпечення маслом підшипників при аварійній зупинці турбіни з непрацюючими більше однієї хвилини основними маслонасосами. Опорно-упорний підшипник призначений для сприйняття радіальних навантажень, а також для встановлення ротора в осьовому положенні і сприйняття залишкових осьових зусиль, що виникають при роботі турбіни, незважаючи на двохпоточну конструкцію всіх циліндрів. Опорно-упорний підшипник розташований в третій опорі (між ЦВТ і ЦHТ-2) і об’єднує функції опорного підшипника для ЦВТ і упорного підшипника для всього валопровода турбіни. Опорно-упорний підшипник – підшипник ковзання, являє собою вкладиш, що має роз’єм в горизонтальній площині, встановлений в корпусі опори за допомогою обойми. Зовнішня поверхня вкладиша – сферичної форми діаметром 850 мм, дозволяє вкладишу трохи повертатися щодо обойми, що полегшує установку упорних колодок у такім положенні, щоб навантаження на них було приблизно однаковим. Вкладиш опорного підшипника служить корпусом упорного підшипника, в яких встановлені по два роз’ємних в горизонтальній площині установочні кільця з робочими і установочними упорними колодками. Упорний бурт виконаний заодно з валом ротора ЦВТ. Підведення масла для змащення здійснюється в кільцеву камеру корпуса вкладиша, звідкіля воно іде на змащення опорного вкладиша і, по спеціальних каналах, на змащення упорних колодок. Пристрій контролю осьового зсуву ротора. Пристрій контролю осьового зсуву ротора призначений для дистанційного контролю положення ротора турбіни щодо упорного підшипника і подачі сигналу в систему автоматичного захисту турбіни, у випадку, коли величина зсуву ротора набуде певного значення (вбік переднього підшипника чи вбік генератора). Датчик осьового зсуву розташований в корпусі опорно-упорного підшипника на кронштейні, що дозволяє за допомогою спеціального гвинта зміщувати датчик щодо гребеня ротора і, тим самим, робити настроювання датчика. У робочому положенні зазначений гвинт повинен бути зафіксований стопорними гвинтами. Датчик осьового зсуву являє собою диференціальний трансформатор, магнітопровод якого набраний із Ш-подібного трансформаторного заліза. В незамкнутій частині магнітопровода розміщується пасок (гребінь) вала турбіни. Відстань між крайніми кернами магнітопровода складає 46 мм. Hа середньому керні магнітопровода знаходиться котушка первинної обмотки; вторинні обмотки знаходяться на бічних кернах. Перемінний магнітний потік, який виникає внаслідок протікання струму по первинній обмотці, проходить через повітряний зазор між середнім керном магнітопровода і паском вала ротора і розгалуджується на два потоки – потік правого і потік лівого кернів. Величина розгалужених потоків визначається опорами магнітних ланцюгів, що в основному залежать від величини повітряних зазорів між паском ротора і кожним з бічних кернів. Магнітні потоки наводять у вторинних обмотках електрорушійні сили, величини яких визначаються положенням ротора щодо датчика. Пристрій контролю різниці розширення ротора і корпусу циліндра турбіни призначений для дистанційного контролю положення ротора щодо корпусу, а також для подачі сигналу в схему попереджувальної сигналізації у випадку, коли величина відносного розширення (скорочення) ротора набуде певних значень. Датчики різниці розширень встановлені по одному на кожен циліндр низького тиску турбіни і розташовані на корпусі циліндра на спеціальному кронштейні. Hастройка датчика здійснюється переміщенням датчика в осьовому напрямку відносно паска ротора за допомогою спеціального гвинта. В робочому стані гвинт завжди повинен бути зафіксований стопором. Положення датчика щодо кронштейна фіксується штифтами, які встановлюються при монтажі після виконання перевірки настроювання датчика. Датчик різниці розширень – трансформаторного типу з П-подібним сердечником, зібраним з пластин електричної сталі. Корпус датчика виконаний з немагнітного матеріалу. Датчик має три обмотки – збудження, вимірювальну і компенсаційну, намотані на загальний каркас. Магнітний потік, створюваний перемінним струмом, що протікає через обмотку збудження, замикається через вимірювальний пасок ротора і повітряний зазор між датчиком і паском. Магнітний потік наводить у вимірювальній обмотці електрорушійну силу, що по величині пропорційна переміщенню вимірювального паска щодо датчика. Компенсаційна обмотка забезпечує мінімальний вихідний струм з датчика при установці його в положення, яке відповідає максимальному укороченню ротора. Система автоматичного регулювання і захисту турбіни призначена для: 1) підтримки частоти обертання роторів турбоагрегату з нерівномірністю приблизно 4,5%; 2) точного регулювання потужності відповідно до заданої статичної характеристики; 3) запобігання підвищенню частоти обертання роторів турбоагрегату до установки спрацьовування відцентрових вимикачів турбіни при миттєвому скиданні навантаження з відключенням і без відключення генератора від мережі; 4) захисту турбіни від небезпечних режимів роботи (припиненням подачі в неї пари при зниженні тиску масла в системі мащення, підвищенні тиску пари в конденсаторах, осьовому зрушенні роторів і ін.); 5) запобігання недоступного зниження тиску свіжої пари перед турбіною; 6) швидкого короткочасного розвантаження турбіни і швидкого розвантаження і тривалого обмеження потужності по сигналах противоаварійної автоматики. Система регулювання виконана електрогідравлічною і складається з електричної і гідравлічної частин, робота яких взаємозалежна. Основними складовими частинами системи регулювання і захисту є: 1)органи паророзподілу (регулювальні клапани ЦВТ і ЦHТ); 2)захисні органи (стопорні клапани ЦВТ і ЦHТ); 3)клапан гріючої пари СПП; 4)гідравлічна частина системи регулювання (датчик частоти обертання; виконавчі механізми – гідравлічні сервомотори регулюючих, стопорних, скидних клапанів і клапана гріючої пари СПП, а також проміжні підсилювачі для передачі впливів від датчиків на виконавчі механізми); 5)електрична частина системи регулювання (датчики: частоти обертання, активної потужності генератора, тиску пари в тракті проміжного перегріву, тиску свіжої пари, керуючого тиску в системі регулювання; обчислювальні пристрої; пристрою перетворення вхідних аналогових і дискретних сигналів; вихідні пристрої; джерела живлення). Система захисту турбіни від розгону призначена для запобігання неприпустимого підвищення частоти обертання роторів, що забезпечується швидким припиненням доступу пари в ЦВТ і ЦHТ при підвищенні частоти обертання до заданого значення (9–10% понад номінальну). Захист здійснюється двома відцентровими вимикачами бойкового типу, кожний з який впливає на свій золотник. Дія відцентрових вимикачів дублюється додатковим захистом, що діє на золотник відцентрових вмикачів при відмовленні останніх, при підвищенні частоти обертання до 14% понад номінальну. Крім цього, передбачено попередній захист, що складається з золотника попереднього захисту й електромагнітного вмикача, що одержує сигнал від блоку попереднього захисту в залежності від значення частоти обертання роторів і її першої похідної (прискорення). Попередній захист спрацьовує раніш бойків відцентрових вимикачів, при наявності значного прискорення частоти обертання. При відсутності прискорення, уставка спрацювання попереднього захисту вище уставки спрацювання бойків відцентрових вимикачів і складає 13% понад номінальне значення. Маслопостачання гідравлічної частини системи регулювання і захисту турбіни здійснюється автономною системою, що включає бак робочої рідини системи регулювання, два масляних насоси з приводним електродвигуном перемінного струму, два акумулятори, трубопроводи, арматуру, засоби КВП і автоматики. З турбоустановкою поставляється конденсаційна установка, що складається з двох груп конденсаторів, повітревиділяючого пристрою, конденсатних насосів і водяних фільтрів. Конденсатори розташовуються під ЦНТ поперечно відносно осі турбоустановки. Конденсатор має наступні пристрої: 1) приймально-скидний пристрій дросельно-охолоджуючого типу для прийому пари, що скидається через БРУ-К при нестаціонарних режимах роботи турбоустановки в кількості до 4040 т/годину. 2) при збільшенні тиску в конденсаторі більш 0,03 МПадається заборона на відкриття БРУ-К чи закриття його, якщо БРУ-К був відкритий; 3) для введення хімзнесоленої води; 4) для прийому і деаерації конденсату після клапана рециркуляції; 5) для прийому і деаерації дренажу з ЦНТ. Технічна характеристика конденсатора представлена в таблиці 1.10. Таблиця 1.10 Технічна характеристика конденсатора
Для відсосу пароповітряної суміші з конденсаторів водяних камер та з охолоджувача пари ущільнень турбіни турбоустановкою передбачаються водопоточні ежектори: ЕВ-7–1000- 4 штуки і ЕВ-1–230- 4 штуки. Турбоагрегат обслуговується шістьма конденсатними насосами: по два робочих і одному резервному в кожній ступіні подачі конденсату. Повітревиділяючий пристрій конденсаторної групи 1000 КЦС-1 складається з чотирьох основних водопоточних ежекторів ЕВ-7–1000, призначених для відсосу з конденсатора пароповітряної суміші, що несконденсувалася, а також повітря, що проникає через нещільності вакуумної системи та забезпечення, таким чином, нормального процесу теплообміну в конденсаторах. Два водопоточних ежектори типу ЕВ-1–230 призначеного для відводу з циркуляційної системи накопиченого повітря а також для більш швидкого заповнення водяного простору конденсаторів при пуску циркуляційних насосів. Технічні характеристики ежектора представлені в таблиці 1.11. Таблиця 1.11 Технічні характеристики ежектора
Для відсосу пароповітряної суміші з охолоджувача париущільнень турбіни ПС-340 призначені два водопоточних ежектори ЕВ-1–230. З турбіною передбачається установка чотирьох вертикальних СПП-1000–1, призначених для видалення вологи і перегріву пари, яка відпрацювала в ЦВТ і надходить у ЦНТ турбіни. В таблиці 1.12 представлені основні розрахункові параметри роботи і конструктивні характеристики СПП-1000–1 СПП являє собою вертикальний циліндричний апарат, що складається із сепаратора жалюзійного типу й одноступінчатого пароперегрівника, конструктивно розміщених в одному корпусі. Сепаратор розташований в нижній частині апарата, пароперегрівник- у верхній. Сепаратор містить в собі вхідну камеру, опорну решітку і сепараційні блоки. Таблиця 1.12 Основні розрахункові параметри роботи і конструктивні характеристики СПП-1000–1
Пароперегрівник являє собою поверхневий теплообмінник, розміщений у верхній частині корпусу СПП. Система технічного водопостачання призначена для технічного водопостачання різних споживачів машзала і реакторного відділення (технологічного конденсатора, пероежекторних машин, охолоджувачів системи промконтура охолодження проб, маслоохолоджувачів блокового трансформатора, охолоджувачів електродвигунів ГЦН, теплообмінних апаратів реакторного відділення, а також охолодження підшипників електродвигунів і насосів машзала, і реакторного відділення). Подача води на технологічне водопостачання машзала і реакторного відділення здійснюється з трубопроводу ДУ-1200, що проходить вздовж ряду «А» машзала з зовнішньої сторони по трубопроводу ДУ-800 через два механічних фільтри типу ФС-600. Подача води в трубопровід ДУ-1200 здійснюється від двох насосів невідповідальних споживачів (ННП), розташованих в приміщенні БНС-1. Вода, що надходить до споживачів машзала, додатково очищується в гравійних фільтрах ФГ-150. Система регенерації турбоустановки призначена для підвищення термодинамічного КПД її циклу шляхом повернення з нього частини тепла для підігріву основного конденсату і живильної води паром нерегульованих доборів турбіни. Регенеративна установка складається із систем регенерації низького і високого тисків. До складу регенеративної установки низького тиску входять: 1) охолоджувач пари ущільнень; 2) два змішувальні підігрівники низького тиску №1; 3) змішувальний підігрівник низького тиску №2; 4) п'ять конденсатних електронасосів; 5) поверхневий підігрівник низького тиску №4; 6) поверхневий підігрівник низького тиску №5; 7) трубопроводи й атматура; 8) КВП, автоматичні пристрої сигналізації, блокувань, захистів і регуляторів. ПНТ призначені для підігріву основного конденсату турбіни, що подається конденсатними насосами в деаератор. Підігрів конденсату в ПНТ змішувального типу здійснюється шляхом його безпосереднього контакту з гріючою парою а в поверхневих ПНТ-через поверхню трубної системи. Підігрівники ПНТ-1 і ПНТ-2 конструктивно виконані у формі горизонтальних судин, всередині яких встановлені в два яруси горизонтальні перфоровані лотки. ПНТ – 3,4,5 – поверхневогоого типу, вертикального виконання з нижнім розташуванням водорозподільної камери. Конструктивно вони виконані однаково і являють собою кожухотрубний циліндричний апарат з «плаваючою» верхньою водяною камерою. Підігрівники виконані двохходовими по основному конденсату й одноходовими по гріючій парі. До складу регенеративної установки високого тиску входять: 1) два ПВТ №6; 2) два ПВТ №7; 3) два автоматичних захисних пристрої від підвищення рівня в ПВТ; 4) трубопроводи й арматура; 5) КВП, автоматичні пристрої сигналізації, блокувань, захистів і регуляторів. ПВТ призначені для підігріву живильної води, що подається живильними насосами в парогенератори. Підігрів живильної води в ПВТ здійснюється через поверхню його трубної системи. Підігрівники конструктивно подібні і являють собою вертикальний кожухотрубний апарат з поверхнею нагрівання, що складається з гладких труб, звитих в плоскі спіралі. Кінці спіралей приварені до трьох роздаючих і до трьох колекторних труб. 2. Призначення, склад, технічні характеристики системи автоматичного регулювання 2.1 Призначення системи автоматичного регулювання Система автоматичного регулювання (САР) турбіни виконується електрогідравлічною і структурно складається з електричної і гідравлічної частин, робота яких взаємозалежна.
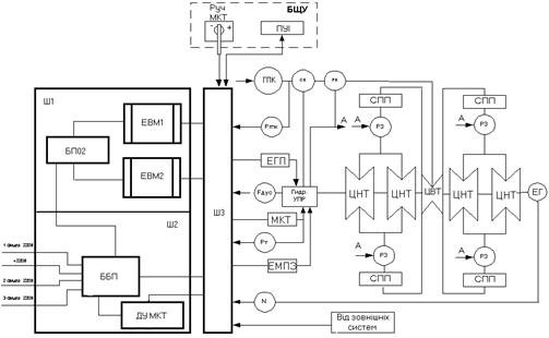
Рис. 2.1 Структурна схема зв’язку ЕЧСР з енергоблоком та пристроями управління потужністю истема автоматичного регулювання призначена для: - автоматичної підтримки частоти обертання турбогенератора з нерівномірністю близько 4,5%; - точного регулювання потужності відповідно до заданої статичної характеристики, необхідної для систем вторинного регулювання частоти й активної потужності енергосистеми; - запобігання підвищення частоти обертання ротора турбіни при миттєвому скиданні навантаження генератора; - захисту турбіни шляхом припинення подачі в неї пари у випадку виникнення неприпустимих режимів роботи (падіння тиску масла, підвищення тиску пари в конденсаторі, осьового зрушення ротора і т.д.); - запобігання неприпустимого зниження тиску свіжої пари перед турбіною; - швидкого короткочасного розвантаження турбіни і швидкого тривалого обмеження потужності по сигналу противоаварійної автоматики енергосистеми. 2.2 Склад системи регулювання До складу системи регулювання входять: – органи паророзподілу турбіни, що регулюють доступ пари в турбіну; – гідравлічна частина системи регулювання (ГЧСР), що здійснює переміщення органів паророзподілу по сигналах механічного регулятора частоти обертання, сигналам захисту і сигналам, що надходять від електричної частини системи регулювання; – електрична частина системи регулювання (ЕЧСР), що формує сигнали керування в нормальних і аварійних режимах роботи турбіни разом з парогенератором і енергосистемою. 2.3 Органи паророзподілу турбіни 2.3.1 Склад органів паророзподілу турбіни Органи паророзподілу турбіни є виконавчою частиною системи регулювання і містять у собі наступні елементи: - чотири блоки паророзподілу високого тиску, що складаються з пари клапанів високого тиску – одного стопорного й одного регулюючого – кожний; - чотири блоки паророзподілу низького тиску, що складаються з пари клапанів низького тиску – одного стопорного й одного регулюючого – кожний; - чотири скидних клапани на трубопроводах з ліній до сепараторів-пароперегрівників (СПП); - клапан, керуючий витратою гарячої пари. 2.3.2 Робота органів паророзподілу турбіни Свіжа пара під тиском 60 кгс/см2 надходить через блоки паророзподілу високого тиску, розташовані ліворуч і праворуч від осі турбіни, у циліндр високого тиску (ЦВТ). Після ЦВТ пар направляється в СПП для відділення вологи і наступного перегріву, а потім через блоки паророзподілу низького тиску – до циліндрів низького тиску (ЦНТ). Блоки паророзподілу розташовані попарно ліворуч і праворуч від турбіни, причому чотири блоки живлять чотири двопроточних ЦНТ так, що від кожного блоку живляться два сусідніх циліндри. Скидні клапани знаходяться в нормально закритому положенні і відкриваються для скидання пари в конденсатор у випадку скидання навантаження і спрацювання захистів. Клапан гарячої пари встановлений на лінії свіжої пари до стопорних клапанів ЦВД і керує витратою гарячої пари, яка йде на всі чотири СПП. 2.4 Гідравлічна частина системи регулювання 2.4.1 Призначення ГЧСР Гідравлічна частина системи регулювання призначена для здійснення керування регулювальними клапанами ЦВТ і ЦНТ турбіни в заданій послідовності з заданими характеристиками, а також стопорними, скидними клапанами і клапаном подачі гарячої пари. 2.4.2 Склад ГЧСР До складу гідравлічної частини системи регулювання входять виконавчі органи: – сервомотори регулювальних клапанів високого і низького тиску; – сервомотори автоматичного затвора високого і низького тиску; – сервомотори скидних клапанів; – сервомотор клапану подачі пару. Керуючими органами ГЧСР є: - механізм керування турбіною (МКТ), що приводиться в дію від електродвигуна МКТ або від руки при пуску, синхронізації і на навантаженні, керуючий сигнал на МКТ надходить від повільнодіючого каналу керування електричної частини системи регулювання; - електрогідравлічний перетворювач (ЕГП), що приводиться в дію по сигналу від швидкодіючого каналу керування ЕЧСР; - регулятор швидкості, керований сигналом механічного датчика частоти обертання, що входить до складу ГЧСР і дозволяє, при необхідності, тимчасово працювати без ЕЧСР. Підсумовування впливу від регулятора швидкості, ЕГП і МКТ здійснює проміжний золотник, до складу якого входить повільнодіючий механічний обмежувач потужності (ОП), що дозволяє заздалегідь вводити тривале обмеження, необхідне, як правило, при несправності елементів енергоблоку, за допомогою електродвигуна або за допомогою ручного керування. Пристрій системи захисту турбіни від розгону: - регулятор безпеки (РБ) з відцентровими вимикачами бойкового типу; - дві пари електромагнітних вимикачів захисту турбіни (ЕВ1) і відключення захисту (ЕВ2) керовані пристроями захистів. - два електромагнітних вимикачі регулювальних клапанів ЦВТ (ЕВ3), керованих пристроями протиаварійної автоматики через ЕЧСР. - електромагнітний вимикач попереднього захисту (ЕВ4), керований дискретним сигналом каналу попереднього захисту ЕЧСР. Крім того до складу ГЧСР входять: - два електричних однооборотних механізми (МЕО) для перевірки сервомотрів, що забезпечують можливість дистанційного «розходження» сервомоторів автоматичного затвора; - МЕО сервомотора регулювання подачі гарячої пари у СПП. 2.4.3 Робота гідравлічної частини системи регулювання Усі сервомотори регулюючих і стопорних клапанів закриті пружинами і відкриваються тиском масла. Велика частина сервомоторів регулюючих клапанів і автоматичних затворів обладнана телескопічними поршнями і кінематичним зворотним зв'язком з відсічним золотником. Керування сервомоторами здійснюється зміною керуючого тиску. Необхідні характеристики відкриття, в залежності від керуючого тиску, забезпечуються твердістю золотникових пружин і вибором профілю кулачків, або передаточного відношення важелів у зворотних зв'язках сервомоторів. При цьому сумарне відкриття регулюючих клапанів таке, що забезпечується пропорційна залежність між потужністю і керуючим тиском сервомоторів Рупр.серв. (близько 15 кгс/см2 – на холостому ході і близько 31 кгс/см2 при номінальному навантаженні при номінальному тиску свіжої пари). Керування турбіною здійснюється: - у нормальних режимах регулювання частоти і потужності – через єдиний орган – механізм керування турбіною, наявна можливість зміни навантаження і синхронізації генератора при будь-якій аварійній частоті в системі; - в аварійних і післяаварійних режимах – через електрогідравлічний перетворювач; - при виникненні необхідності в роботі без електричної частини системи регулювання – через механічний регулятор швидкості. Основне значення швидкості електродвигуна МКТ забезпечує переміщення регулюючих клапанів турбіни з положення повного навантаження до положення холостого ходу приблизно за 45 секунд. Передбачено автоматичне збільшення швидкості електродвигуна (у вісім разів) вбік закриття клапанів при відключенні турбіни захистом, і вбік відкриття – до появи Рупр.серв. в лінії керуючого тиску регулюючих клапанів. Електрогідравлічний перетворювач складається з електромеханічного перетворювача і двоступінчатого гідропідсилювача. Вхідний вплив на ЕГП надходить з ЕЧСР у вигляді сигналу постійного струму. Зміна струму на ЕГП, що викликає переміщення клапанів турбіни при нерухомому механічному регуляторі швидкості з положення номінального навантаження до положення холостого ходу – близько 285 мА. Час повного закриття сервомоторів з положення номінального навантаження, при подачі через ЕГП форсуючих впливів, на закриття складає близько 0,3 с. Час відкриття клапанів з положення холостого ходу до положення номінального навантаження – близько 3 с. Нечутливість гідравлічної системи регулювання швидкості – близько 0,15%, ступінь нерівномірності регулювання швидкості при навантаженнях вище 15% – близько 4,5%, при навантаженні нижче 15% – 5%. 2.4.4 Система захисту турбіни від розгону Для захисту турбоагрегату від надмірного підвищення частоти обертання, елементи системи захисту турбіни від розгону швидко припиняють подачу пари у ЦВД турбіни і пари після СПП в ЦВТ турбіни при підвищенні частоти обертання на 8–9% понад номінальну. Цей захист здійснюється двома відцентровими вимикачами бойкового типу. Кожний з бойків діє через важіль на свій золотник. Дія відцентрових вимикачів дублюється додатковим захистом, який здійсненює золотник регулятора швидкості шляхом впливу на золотники відцентрових вимикачів при підвищенні частоти обертання до 14% понад номінальну. Система захисту обладнання золотником попереднього захисту (ЗПЗ), керується електромагнітним вимикачем ЕВ4, що одержує сигнал з каналу попереднього захисту ЕЧСР. Електромагнітні вимикачі ЕВ1 виключають турбіну по відповідним сигналам зовнішніх пристроїв захистів. Для перевірки кожного з двох вимикачів на працюючій турбіні передбачений золотник для відключення вимикачів, що відключає випробуваний вимикач від іншої системи захисту. Крім того надходження пари в турбіну може бути припинене шляхом натискання на кнопки ручного вимкнення безпосередньо на турбіні чи дистанційно з щита керування. У період між перевірками захисту на розгін відцентрові вимикачі розходяться по черзі при роботі турбіни під навантаженням напливом вогнестійкої рідини без спрацьовування інших елементів системи захисту і без зниження навантаження турбіни. Для цього важелі відцентрових вимикачів мають спеціальний пристрій, що дозволяє по черзі переривати зв'язок між бойком, що спрацював, і його золотником шляхом зрушення важелів, які передають вплив від відцентрових вимикачів на золотники. Про спрацювання відцентрових вимикачів судять по електричних покажчиках спрацювання бойків. Передбачено можливість перевірки на холостому ходу правильності функціонування всіх елементів системи захисту, включаючи закриття стопорних клапанів, при спрацюванні відцентрових вимикачів з напливом вогнестійкої рідини. 2.5 Електрична частина системи регулювання 2.5.1 Призначення ЕЧСР ЕЧСР, що представляє собою електричну частину системи регулювання, призначена для керування навантаженням турбоагрегату і поліпшення динамічних характеристик системи регулювання турбіни. Керування здійснюється за допомогою передачі електричних сигналів, які виробляються ЕЧСР, у гідравлічну частину системи регулювання через електродвигун МКТ, ЕГП і електромагнітні вимикачі регулювальних клапанів ЦВТ і попереднього захисту. 2.5.2 Склад ЕЧСР До складу ЕЧСР входять: - шафи керування (розташовані в приміщенні ЕК 1203); - органи оперативного керування і сигналізації (панелі БЩУ); - МКТ (розташований в коробці регулювання турбіни); - ЕВ ПЗ, (розташований на коробці регулювання турбіни); - датчик частоти обертання ТГ (розташований в коробці регулювання турбіни); - датчик тиску керуючої рідини (поз.SE70P07B1); - датчики тиску свіжої пари (розташовані на ЦПК, позиції RC11P01B3, RC11P02B1, RC11P02B2); - кінцевий вимикач нульового положення МКТ (коробки регулювання); - електроконтактні манометри (SE70P05; SE70P09) контролю керуючого тиску регулюючої рідини; - кінцевий вимикач закритого положення РК ЦНТ турбіни; - кінцевий вимикач закритого положення РК ЦВТ турбіни; - кінцевий вимикач МО (стовпчик регулювання турбіни); - автомати підключення живлення ЕЧСР напругою перемінного струму 220В, 50Гц і постійного 220В струму (у зборці JA01 приміщення ЕК 1610 МЩУ та в зборці JN04 пом. ЕК 1203); - кабельні з'єднання міжшафового зв'язку. В шафу ЕЧСР можуть бути встановлені дисплей і друкувальний пристрій, які використовуються для налагодження мікро-ЕОМ і відображення інформації про роботу системи. Апаратура ЕЧСР розміщується в трьох однакових шафах, встановлених у приміщенні УВС ЕК (прим. ЕК 1203) з кондиціонуванням повітря, має загальнокліматичне виконання і призначене для роботи з категорії 4.2. (відповідно до ДСТ 15150–69 і ДСТ 15543–70). У першій шафі розташовані: - два мікро-ЕОМ типу МСУВТ У7: - блок живлення типу БП02 для мікро-ЕОМ (складається з 2-х блоків вторинного живлення типу БВП1); - субблоки призначені для перетворення вхідної і вихідної інформації. В другій шафі розташовані: - субблоки призначені для перетворення вхідної і вихідної інформації; - трьохканальний (з мажоритарним органом) трифазний вимірювач активної потужності, включений на фазні струми і напруги генератора; - реле, інші елементи ланцюгів керування ЕЧСР; - ключі керування ЕГП і МКУ роботи ЕЧСР із двома фіксованими положеннями: «НАСТРОЙКА» і «РОБОТА»; - ключ ДМ підключення датчика потужності; - СН і БПН; - сигнальні лампи – зелена (ЕЧСР в режимі «настройка»), червона – (ЕЧСР у режимі «робота»). В третій шафі розташовані: - ББЖ; - елементи схеми ДУ МКТ (релейна апаратура, трансформатори живлення, випрямні перетворювачі); - перемикачі «=220»,» ~220» і «ДУ» для подачі відповідно напруги живлення постійного струму 220В і перемінного струму 220В, 50Гц для шаф ЕЧСР і перемінної напруги 220В, 50Гц для схеми ДУ;
Рис. 2.2 Структурна схема ЕЧСР Для підвищення надійності в схему ЕЧСР введено резервування елементів вхідних і вихідних пристроїв, джерел живлення і т.д. Зокрема в складі ЕЧСР наявні два комплекти мікро-ЕОМ В7. Функції ЕОМ розподілені таким чином, що одна з них включена в контур регулювання, інша знаходиться в «гарячому резерві». При відмовленні ведучої ЕОМ (чи включених у її контур елементів), пристрій контролю виробляє сигнал, по якому в контур регулювання включається резервна ЕОМ. Пристрої перетворення вхідної інформації забезпечують можливість прийому і перетворення аналогових і дискретних сигналів від зовнішніх пристроїв у цифрову форму, необхідну для роботи ЕОМ. Аналогові вхідні сигнали є уніфікованими (0 – 5, -2,5 – 0 – 2,5 мА на навантаження не більше 500 Ом; загальна кількість – 16), дискретні приймаються у вигляді «сухих» контактів, комутуюча здатність яких дорівнює 24 В, 10 мА чи =220 В, 10 мА (загальна кількість – 69). Вихідні пристрої ЕЧСР, призначені для роботи з зовнішніми пристроями, забезпечують перетворення і видачу в зовнішні ланцюги уніфікованих токових сигналів (0 – 5, -2,5 – 0 – 2,5 мА на навантаження не менше 2,5 кОм в кількості 20), а також дискретних сигналів у вигляді «сухих» контактів, комутуюча здатність яких дорівнює =220 В, 10 мА чи = 24 В, 10 мА. (загальна кількість 22). Для забезпечення можливості змінювати в необхідних межах статичні і динамічні характеристики ЕЧСР, як на етапі налагодження, так і в процесі нормальної експлуатації, служить субблок перемикачів, за допомогою якого можна оперативно змінювати величини необхідних настроювальних коефіцієнтів. Крім того, розроблено і виготовлено простий в експлуатації, не потребуючий додаткових засобів пристрій програмування кристалів постійної пам'яті, керований з пульта ЕОМ В7 (чи з дисплея). Це дозволяє в умовах станції вносити зміни, у разі потреби, в програмі алгоритмів керування. Пристрої контролю і сигналізації забезпечують індикацію стану і справності обох ЕОМ, пристроїв зв'язку з об'єктом, стабілізаторів напруги й інших елементів апаратури ЕЧСР. Індикація виконана на світлодіодах з керуванням від мікросхем субблока контролю і сигналізації, а також від місцевих схем контролю в стабілізаторах напруги. 2.5.3 Органи керування ЕЧСР Органи керування ЕЧСР складаються з задатчиків типу ЗУ05, розташованих на панелі HY26 і ключів керування на панелі HY26 і пульті HY65 БЩУ. Служать для вибору режимів ЕЧСР, введення її в роботу і виводу з роботи. Задатчики ЕЧСР: - задатчик УСТР – встановлює значення тиску свіжої пари в ЦПК, що повинно підтримуватися ЕЧСР в автоматичному режимі; - задатчик УСТ w/dt – встановлює припустиму швидкість автоматичної зміни навантаження турбоагрегату в режимі регулювання потужності в залежності від рівня поточної потужності на блоці і виходячи з вимог реакторної установки до цієї швидкості за умовами на паливо. В таблиці 2.1 приведені значення припустимих швидкостей зміни навантаження на блоці, обраних з урахуванням умов на ядерне паливо реактора і рівня навантаження на блоці. Таблиця 2.1
Для формування уставки планової потужності на блоці при роботі ЕЧСР у режимі РМ передбачений ОТЗ. За допомогою ключа дистанційного керування МКТ і задатчика УСТ N w/dt уставку можна змінювати. Цифровий прилад, встановлений на п. HY25 БЩУ при роботі ЕЧСР у режимі РМ показує кінцеве значення уставки по потужності, а у всіх інших режимах – поточне значення потужності. Для керування роботою ЕЧСР передбачені наступні ключі і кнопки керування: - ключ «РЕЖИМ ЕЧСР» – призначений для вибору режимів роботи ЕЧСР, встановлений на пульті HY65 БЩУ; - ключ «ПЕРЕМИКАЧ МКТ Б-М» – призначений для дистанційного керування МКТ при обробці команд оператора на «більше» і «менше», він же ключ керування ЗПМ при роботі ЕЧСР в автоматичному режимі РМ встановлений на пульті HY65 БЩУ; - ключ «ПЕРЕМИКАЧ МКТ Б-М» – призначений для припасування частоти обертання ТГ при синхронізації і встановлений на HY32 БЩУ, паралельно ключу МКТ Б-М на пульті HY65 БЩУ; - ключ «ПЕРЕМИКАЧ ОТЗ» – призначений для підготовки і включення ЕЧСР в режимі регулювання потужності, встановлений на панелі HY26 БЩУ. 2.5.4 Оперативна сигналізація по роботі ЕЧСР На панелі HY26 БЩУ розміщені світлові табло: - «Режим РД1» – загоряється при включенні ЕЧСР в автоматичний режим підтримування тиску ЦПК; - «Режим РМ» – загоряється при включенні ЕЧСР в автоматичний режим регулювання потужності; - «Втрата збудження двигуна МКТ» – загоряється при втраті живлення в схемі дистанційного керування; - «Режим РД3» – загоряється при повному відкритті РК ЦВТ, що відповідає Рупр.= 33 кг/см2 . На панелі HY 25 БЩУ розміщенні світлові табло: - «ЕЧСР відключена від ЕГП» – загоряється при відключенні БКУ оператором чи при спрацьовуванні захистів по контролю справності БКУ ЕЧСР; - «ЕЧСР виведена з автоматичного керування МЕТ» – загоряється при відключенні МКУ оператором чи при спрацьовуванні захистів по контролю справності МКУ ЕЧСР; - «Несправність ЕЧСР» – загоряється з появою несправності апаратури ЕЧСР; - «Працює ПЗ» – загоряється при включенні каналу ПЗ у БКУ. Для контролю роботи МКУ ЕЧСР на панелі HY26 БЩУ виведена індикація роботи ШИМ на «зменшити» і «додати». Для візуального контролю струму ЕГП у приміщенні ЕК1203 в шафі HT12S03, встановлений самописний прилад Р160. Повний розмах шкали приладу відповідає струму ЕГП – 5mA. На панелі HY25 БЩУ розташований цифровий прилад, що показує уставку по активній потужності в режимі РМ, в інших режимах він показує активну потужність генератора. Кнопка «СКАСУВАННЯ ПА» (HY26 БЩУ) призначена для деблокування в ЕЧСР обмежень, що сформувалися за умовами роботи ПА на тривале обмеження потужності (не використовується); Ключ «ПЕРЕМИКАЧ ЕГП» (HY26 БЩУ) призначений для підключення виходу ЕЧСР до ЕГП, ЕВ ПЗ. Крім того, для керування роботою ЕЧСР використовуються ключі керування, розташовані в шафах №2 і №3 ЕЧСР. 2.5.5 Виконавчі органи ЕЧСР · МКТ, що являє собою двигун постійного струму з незалежним збудженням; · ЕГП, який складається з електромеханічного перетворювача (ЕМП) та гідравлічної частини. ЕМП перетворює електричний сигнал, що проходить по котушці з активноіндуктивним опором, в механічне переміщенння штоку в постійному магнітному полі. В гідравлічній частині механічне переміщення штоку перетворюється в зміну тиску регулюючої рідини; · ЕВ ПЗ турбіни, представляє собою електромагніт з робочою напругою живлення 220В (постійного струму). Виконавчі органи ЕЧСР на гідравлічну ГЧСР. Електродвигун механізму керування турбіною (ЕД МКТ) ЕД МКТ призначений для зміни тиску в лінії керування регулюючими (РК) і стопорними (СК) клапанами турбіни і є ВМ повільнодіючого контуру ЕЧСР. В ЕЧСР повинні бути реалізовані три швидкості обертання ЕД МКТ. «Велика» швидкість (2000 об/хв) використовується при взводі і посадці СК. «Середня» швидкість (500 об/хв) використовується для керування РК у режимі розвороту при підвищенні частоти обертання від 1200 до 2700 об/хв. «Малу» швидкість (250 об/хв) використовується для керування РК у всіх інших режимах роботи ЕЧСР. Для турбіни К-1000–60/3000 у якості ЕД МКТ використовується електродвигун постійного струму, рівнобіжного (незалежного) збудження типу ПЛ-072. Його паспортні дані: Рном = 180Вт Nном = 1500 об/хв при Uном = 110В Iном = 2.6А при Uном =220В Iном = 1.3А момент інерції ротора: 0.875·10-3 кгм2 КПД 63% Активний опір обмоток: Rоя = (30±5) Ом Rов = (900±50) Ом. У схемі керування ЕД МКТ повинна передбачатися можливість підстроювання напруги ОЯ та ОЗ. Керуючі сигнали на ОЯ ЕД МКТ формуються повільнодіючим контуром ЕЧСР, цикл виконання програм якого не повинен перевищувати 200 мс. Зміні потужності турбогенератора від 0 до 1000МВт (відкриттю РК від положення неодруженого ходу до 100%) відповідає безупинний сигнал на ОЯ ЕД МУТ у плині (50±5) с. При відключенні ЕЧСР з автоматичного режиму роботи (знаходиться в режимі «Спостереження») керування ЕД МКТ повинне виконуватися через схему дистанційного керування ключем «Додати», «Зменшити» з пульта HY65 на БЩУ. Електрогідравлічний перетворювач (ЕГП) ЕГП призначений для швидкої зміни положення РК і є виконавчим органом швидкодіючого контуру керування ЕЧСР. Переміщення РК від положення, що відповідає номінальної потужності до положення холостого ходу досягається подачею на котушку ЕГП струму мінус 240мА (одна нерівномірність). Максимально припустимий струм керування на котушку ЕГП: +240 mА на відкриття РК і мінус 1000 mА на закриття РК. Час закриття РК при подачі імпульсу максимальної величини (0.3 с. Активний опір обмотки TГП - (30±3) Ом, індуктивність – 17 мГн. Керуючий сигнал на ЕГП формується у швидкодіючому контурі ЕЧСР, цикл виконання програм якого не повинен перевищувати 50 мс. Електромагнітний вимикач попереднього захисту (ЕМ ПЗ) ЕМПЗ призначений для миттєвого закриття всіх РК і СК турбіни і є виконавчим органом противоразгонной захисту турбіни, виконаної у швидкодіючому контурі ЕЧСР. Керування TМ ПЗ здійснюється подачею на його котушку постійної напруги 220 В. Активний опір обмотки ЕМПЗ (280±3) Ом. Час формування сигналу ПЗ не більш 40 мс. ЕЧСР здійснює процес керування в наступних режимах роботи енергоблоку: · режим пуску турбіни; · нормальні режими роботи енергоблоку; · режими, що супроводжуються технологічними обмеженнями на енергоблоці; · аварійні режими роботи енергосистеми; · післяаварійні режими роботи енергосистеми; В сталому режимі вихідні сигнали ЕЧСР, що вводяться в гідравлічну частину, близькі до нуля, тому їхнє зникнення, що може бути викликане наприклад, втратою живлення, не викликає негайного відключення турбіни. 2.5.6 Живлення шаф ЕЧСР Живлення шаф ЕЧСР здійснюється від джерел живлення першої категорії надійності по змінному струму напругою 220 В, 50Гц і від напруги щита постійного струму 220В. При перебоях живлення чи глибоких провалах напруги, передбачений перехід на живлення від мережі оперативного постійного струму (акумуляторної батареї) напругою 220 В. Потужність споживання при цьому не більше 2,5 кВа від мережі перемінного струму і не більш 2,5 кВт від мережі оперативного постійного струму. Система живлення власне шафи ЕЧСР призначена для забезпечення однофазною напругою 220В, 50Гц блоку живлення БП02 для мікро-ЕОМ, а також для живлення пристроїв сполучення з об'єктом (УСО) стабілізованою напругою +15 В, 24 В і 48 В. Система живлення містить у собі шість блоків безперебійного живлення ББП. Два блоки ББП служать для забезпечення вхідною напругою двох напівблоків вторинного живлення БВП1. Інші чотири ББП забезпечують вхідним напругами чотири блоки нестабілізованого живлення БПН. Два блоки БПН шафи №1 ЕЧСР забезпечують живленням стабілізатори напруги СН, всі ПЗО вхідних сигналів, частину ПЗО вихідних сигналів, трифазний вимірювач активної потужності, СВУ МКТ. Два блоки БПН шафи N2 забезпечують живленням частину СН і вхідних ПЗО, СВУ ЕГП. Дубльовані ПЗО зв'язані кожний зі своєю мікро-ЕОМ і живляться від різних СН, під’єднаних до різних БПН (СР1, СР2, СРЛ, ЦАП, САМ). Інша частина ПЗО зв'язана з обома мікро-ЕОМ і живиться від СН попарно резервуючи один одного через розвязуючі діоди, (СКС, САР, СКР, САК, СПЧ, СП). Самі стабілізатори напруги підключені до різних БПН. Контроль справності СН виконаний за допомогою вбудованих вузлів контролю, зв'язаних з СКС. Система контролю дозволяє визначити від якого БПН живиться вийшовший з ладу СН і до якої групи він відноситься: резервуючих один одного чи індивідуальних. На підставі цієї інформації СКС формує команду про перехід на резервну ЕОМ з видачею відповідного сигналу. Стабілізатори аналогічного призначення об'єднані в групи і своїми контрольними виходами підключені до входів контролю одного зі СН +5 В., що виконує контролюючі функції. Наявний один стабілізатор СН +5 В, який обома контрольними виходами зв'язаний з СКС (шафа N1, касета А6, модуль Е5). Живлення блоків БВП здійснюється від напруги 220В, 50Гц і постійної напруги 220В. При зниженні основної перемінної напруги до 80% Uном . чи повному її зникненні, живлення блоків ББП переключається на постійну напругу. На виході блоків ББП виробляється перемінна напруга 220В, 50Гц. При відновленні перемінної напруги живлення до Uном . система безперебійного живлення повертається у вихідний стан. 2.5.7 Датчики вхідних параметрів ЕЧСР Датчик частоти обертання ротора (ДЧ-2) виконаний у виді високочастотного індукторного генератора, встановленого в коробці регулювання. При частоті обертання ротора турбіни 3000 об/хв частота сигналу датчика дорівнює 3000 Гц. Вимірювач потужності (ВП), що входить до складу ЕЧСР, включений на фазні струми і лінійні напруги генератора. Він складається з трьох ідентичних вимірювальних перетворювачів, включених для підвищення надійності за схемою «два з трьох». Вихідний сигнал датчика потужності змінюється в межах 0 – 5 мА при зміні потужності генератора в межах 0 – 125% від номінального значення. Датчики тиску в проміжному перегрівнику (ДТПП) і свіжої пари виконані на основі стандартних манометрів з електричним виходом 0 – 5 мА. Точка вимірювання тиску свіжої пари – трубопровід свіжої пари до стопорного клапана ЦВТ. Точка вимірювання тиску в промперегріві – трубопровід гарячої пари перед стопорними заслінками ЦНТ. Датчик керуючого тиску (ДКТ) у гідравлічній частині системи регулювання, вихідний електричний сигнал якого (0 – 5 мА) характеризує положення регулювальних клапанів турбіни. Точка вимірювання – трубопровід керуючого тиску ГСР. Датчик температури (тиску) (ДТП) пари після регулювальних клапанів ЦВТ турбіни з уніфікованим виходом 0 – 5 мА. Точка вимірювання – трубопровід за регулювальними клапанами ЦВТ. Датчик температури (ДТПП) пари після промперегріві з уніфікованим виходом 0 – 5 ма. Точка вимірювання – трубопровід гарячого промперегріву за регулюючими заслінками ЦНТ. 2.5.8 Технічні характеристики ЕЧСР Номінальна напруга живлення шаф ЕЧСР 220В, 50Гц перемінного струму і 220В постійного струму. Потужність споживання не перевищує 2,5 кВа. Вихідні керуючі сигнали ЕЧСР: - по каналу автоматичного керування МКТ – не менш 36В; - по дистанційному керуванню МКТ – не менш 36В; - по каналу керування ЕГП – токовий сигнал (від нуля до 1,0А); - по каналу ПЗ (на ЕВ ПЗ) – 220В постійного струму. Канали надходження вхідної інформації в ЕЧСР: - аналогова інформація – по 24 уніфікованих входах (1 вх = 0 – 5 мА при Рнагр. = 500 Ом) і по сімох неуніфікованих входах; - дискретна інформація – по 24 входам при комутації ланцюгів з напругою 220В постійного струму і по 40 входам при комутації ланцюгів з напругою 24В постійного струму. По неуніфікованих аналогових входах надходять: - фазні струми генератора IА, I В, IС; - фазні напруги генератора UА, UВ, UС; - вихідна напруга датчика частоти. Канали виведення інформації з ЕЧСР: - аналогова інформація, по 24 уніфікованих виходам (Iвих = 5 мА на Rн = 2,5 кОм) і двом неуніфікованим виходам (Iвих = 1А на Rн = 24 – 30 Ом); - дискретна інформація, по 48 виходам (контакти з комутуючою здатністю напруги 220В при струмі до 0.1А); - імпульсна інформація, по двох виходам на двигун постійного струму (використовується один вихід). Передбачено два виходи ЕЧСР на дисплей і два виходи на телетайпи. В ЕЧСР надходить дискретна інформація про стан ряду пристроїв (апаратури): - про режими роботи АРМ-5С; - про наявність технологічних обмежень на блоці; - про роботу захистів на відключення блоку від мережі; - про відключене положення вимикача напруги генератора або вимикача мережі 330 кВ; - про відключене положення автомата в ланцюгах трансформаторів напруги генератора; - про посадку стопорних клапанів турбіни. У ЕЧСР надходить аналогова інформація про стан ряду пристроїв: - від АС і схеми ручного припасування частоти обертання ротора ТГ; - напруги і струми статора генератора від трансформаторів струму і трансформаторів напруги. ЕЧСР видає в УВС наступну інформацію: Таблиця 2.2 Аналогові сигнали
Таблиця 2.3 Дискретні сигнали
2.5.9 Короткий опис основної апаратури ЕЧСР ЕЧСР реалізована на мікрозасобах керуючої обчислювальної техніки типу МСУВТ-В7, що представляє собою процесорний набір, виконаний на мікросхемах серії К580 і включає в себе пристрої ПМВ01, МВ01, АВВ01, УСМ вбудований пульт оператора КЛ-03 і блок електроживлення БП02. В передній частині мікропроцесорного блоку (БМ) встановлений пульт оператора, що відкидається на шарнірах, з'єднаний кабелем через роз’єм з пристроєм на друкованому вузлі. Друковані вузли (плати) вставляються і витягаються після відкидання пульта. На задній стороні БМ розміщені: - роз’єми живлення; - клеми логічної землі; - клеми захисної землі; На бічних стінках блоків розташовані вікна для проходу сполучних кабелів, вентиляційні жалюзі і блок вентиляторів. Мікропроцесорні блоки є пристроями, що здійснюють механічні й електричні зв'язки як між собою так і між пристроями на друкованих вузлах, що вставляються в них. Електричні зв'язки здійснюються за допомогою роз’ємного з'єднання між штирями, запаяними в об'єднавчій платі, і пружинними ламелями, розташованими на друкованому вузлі. Механічне закріплення здійснюється в кожусі несучої конструкції, на якій закріплені інші елементи блоку. Для забезпечення установки вузлів блок забезпечений направляючими з розташованими на їхніх кінцях отворами, у які входять вилки важелів друкованих вузлів. Плата центрального процесора ПМВ01 складається з 8-ми розрядного однокристального процесора 8085 з 16-ти розрядною адресною шиною, що дозволяє прямо адресувати 64К пам'яті. На центральній платі розміщається 16К оперативної пам'яті оперативного запам'ятовуючого пристрою (ОЗП) і 16К перепрограмувальної постійної пам'яті перепрограмувального запам'ятовуючого пристрою (ППЗП). У ППЗП плати ПМВ01 розміщений резидентний монітор, що займає 4К пам'яті і полегшує завантаження, відладку і виконання програм. Команди монітора здійснюють введення і виведення інформації, читання і запис шістнадцяткових цифр, виконання сегментів програми, виклик і зміна вмісту пам'яті, виклик і зміна вмісту регістрів процесора, реалізує кроковий режим виконання команд. Команда монітора і результуюча інформація можуть відображатися на дисплеї чи телетайпі, з'єднаними через адаптер з послідовним програмувальним інтерфейсом вводу-виводу. Арифметичний розширник являє собою 16-ти розрядний периферійний процесор з мікропрограмним керуванням. Він призначений для швидкого виконання арифметичних операцій і забезпечує швидкість виконання складних арифметичних операцій на порядок вище, ніж при виконанні їх програмним способом. Операції арифметичного розширника виконуються самостійно і не вимагають при цьому витрат часу центрального процесора. Плата розширника пам'яті і вводу-виводу МВ01 призначена для розширення системної оперативної і постійної програмувальної і перепрограмувальної пам'яті, вводу-виводу та переривання. Пристрій містить оперативну пам'ять ємністю 16К, роз’єми для постійної програмувальної і перепрограмувальної пам'яті ємністю 4,8 або 16К, у який можуть встановлюватися корпуса програмувальних ПЗП чи перепрограмувальних ПЗП, що стираються ультрафіолетовим опроміненням, 48 ліній послідовного інтерфейсу вводу-виводу, програмувальний послідовний інтерфейс вводу-виводу, контролер переривання на вісім входів і інтегральний таймер. Плата аналогового вводу-виводу АВВ01 являє собою закінчену підсистему вводу-виводу аналогових сигналів, призначену для зв'язку з джерелами аналогової інформації. Пристрій реалізує основні функції, властиві системам збору аналогових сигналів, а також функції, зв'язані з видачею аналогових сигналів. До складу пристрою АВВ01 входять аналого-цифровий і два цифро-аналогових перетворювачі (АЦП і ЦАП) з відповідними схемами керування і робочими регістрами. До складу БМ входять дві плати АВВ01. АЦП має на вході комутатор аналогових сигналів, що забезпечує прийом сигналів по 32-м однопровідним чи по 16-ти двохпровідним каналам. АЦП перетворює сигнали напругою 0–5В в десятирозрядний двійковий код. Початок перетворення може імітуватися програмно чи від зовнішнього сигналу. Можливі наступні режими роботи АЦП: - однократне опитування довільного каналу; - безупинне опитування одного каналу; - автоматичне сканування заданої групи каналів; - режим роботи АЦП визначається вмістом регістра команд. Цифро-аналогові перетворювачі здійснюють перетворення 10-ти розрядного двійкового коду в сигнали напруги. Діапазон вихідної напруги ЦАП установлюється за допомогою провідних з'єднань на платі і можуть бути рівними 0–10 В і 0–5 В. Вбудований пульт оператора мікроЕОМ використовується для введення та індикації даних, налагодження програм, виконання ряду сервісних функцій. Можливий обмін інформацією між ЕОМ і оператором використовується для налагодження ЕЧСР, тестування і поліпшення умов експлуатації. Допоміжна функція відображення і введення інформації в ЕОМ виконується програмно-апаратними засобами. В складі МСУВТ В7 як вбудований пульт оператора використовується плата КЛ-03, що має 16 семисегментних індикатори, вісім світлодіодних сигналізаторів і псевдосенсорну клавіатуру. Таблиці розшифровки кнопок пульта ЕОМ приведені в технічному описі математичного забезпечення ЕЧСР. ОАИ.402.023.ТЕ1. Зв'язок ЕОМ із КЛ-03 забезпечуються через 24 лінії послідовного інтерфейсу плати центрального процесора. Пульт дозволяє проводити роботу в сімох режимах, що забезпечується програмою PULT. Нижче розглянуті найбільш вживані при експлуатації ЕЧСР перші два режими. Режим «0». У цьому режимі забезпечується відображення на пульті параметрів режиму роботи ЕЧСР у відсотках від номінального значення. Для переходу з пульта в режим «0» необхідно послідовно натиснути кнопки клавіатури «РЕЖИМ» і «0». При цьому на індикаторах зліва на право послідовно відображається активна потужність генератора і частота обертання ротора турбоагрегату у відсотках від номінального значення, номер параметра і на останньому індикаторі номер режиму. Частота має номер параметра 27, при наборі будь-якого іншого номера параметра його величина виводиться на індикацію. Потужність вививодиться на індикацію в режимі «0» постійно. Параметри представлені восьмеричними значеннями. У режимі «0» ключ блоку керування й індикації ЕЧСР «ПРОГР.-ІНД.» повинен знаходитись в положенні «ІНД.». Режим «1». Для переходу з пульта в режим «1» ключ «ПРОГР.-ІНД.» необхідно встановити в положення «ПРОГР.» і послідовно натиснути кнопки «РЕЖИМ» і «1». Пульт при цьому переходить в режим набору адреси пам'яті. Після набору потрібної адреси кнопками «0» – «F» він відображається ліворуч на індикаторах. Для одержання відображення вмісту по даній адресі натискається кнопка» ЧТ1» (при відображенні одного байта) чи кнопка «ЧТ2» (при відображенні двох байтів). Вміст адреси при цьому з'являється на індикаторах відразу за відображенням його адреси. Після натискання однієї з двох кнопок «ЧИТАННЯ» пульт переходить в режим набору даних. Спроба зміни даних в постійній пам'яті викликає індикацію символу помилки. По завершенню набору даних вони відображаються праворуч від вмісту адреси.
Пристрій зв'язку УСМ забезпечує можливість двостороннього зв'язку (дуплексного) з наступними апаратами: - телеграфний апарат типу РОТА-80 (РОТА-76, РОТА-6); - алфавітно-цифровий дисплей з вбудованим пристроєм телеграфного сполучення; - касетний магнітофон для магнітного запису (два виходи запису, один вхід читання). Блок вторинного живлення БП02 складається з двох напівблоків живлення БВП1. Призначений для перетворення напруги первинної мережі перемінного струму в стабілізовані рівні напруги постійного струму, забезпечує однофазною перемінною напругою живлення 24В, 50Гц вентилятори мікроЕОМ. У конструктивному відношенні блок живлення являє собою стандартний корпус, що відповідає конструктиву МСУВТ В7, у якому розміщені два блоки живлення БВП1. Кожен такий блок забезпечує живленням одну мікроЕОМ і має лицьовий пульт керування з елементами світлової індикації й органами ручного управління, що забезпечують зручність експлуатації і діагностики. На задній стінці блоку вторинного живлення встановлені: 1. роз’єм для підключення напруги живильної мережі; 2. вихідний роз’єм для підключення навантаження; 3. роз’єм інтерфейсу живлення; 4. роз’єм дистанційного керування; 5. контрольні гнізда для виміру вихідних напруг; 6. вивід схемної (логічної) землі; 7. вивід заземлення (електрично з'єднаний з каркасом); 8. запобіжник в колі підключення силового трансформатора; 9. запобіжник в колі формування службового живлення. В кожному блоці ББЖ1 присутні канали стабілізованих напруг: «+5 В», «+12 В»,» – 12 В»,» – 5 В». Передбачені також: - можливість плавного регулювання вихідних стабілізованих напруг у діапазоні не менш 10% від номінального значення; - ступінчата зміна вихідних стабілізованих напруг на 5% від номінального значення; - захист від зміни вихідних стабілізованих напруг, регульований в межах 5–20% від номінального значення (перша ступінь захисту); - швидкодіючий тиристорний захист від перевищення напруги по всіх каналах при зміні вихідної напруги +20–25% від номінального; - захист стабілізаторів напруги від токових навантажень у діапазоні 1,2 – 1,5 від номінального значення і коротких замикань у навантаженні. На лицьовій панелі БВП1 розташовані наступні органи керування: 1. магнітний ключ «РОБОТА» – ручний режим керування можливий тільки при вставленому в гніздо ключі; 2. тумблер «БП» включення і відключення блоку живлення; 3. плавне регулювання по всіх каналах і заданому режимі (резистори «РЕГУЛЮВАННЯ»); 4. перемикачі «ВИМ. ЖИВ.» східчастої зміни кожного номіналу напруги 5%; крім того, на лицьовому пульті розташована наступна світлова індикація (світлодіоди) станів БВП1: - підключення мережі до блоку живлення – «МЕРЕЖА»; - сигнал вихідного стану – «ВИХ.»; - ручний режим роботи – «РОБ».; - включений стан блоку живлення – «НОМ» (чотири світлодіода стабілізованної напруги в нoміналі); - наявність оперативної напруги +5 В – «ОПЕР.ЖИВ.»; - зміна стабілізованих напруг в заданих межах 5% від номіналу – «ВИМ.» (чотири світлодіода); - перегрів навколишнього середовища в зоні силових елементів «ПЕР. ЖИВ.». Пристрій програмування (програматор) підключається до магістралі послідовного інтерфейсу вводу-виводу через роз’єм Х7 вузла ПМВ. За допомогою підключеного до МСУВ В7 программатора можна виконати наступні операції: - програмування ППЗУ; - читання вмісту кристала в ОЗУ ЕОМ; - формування масиву по парності; - порівняння вмісту кристала з пам'яттю ЕОМ. Використання програматора скорочує час налагодження ЕЧСР, дозволяє оперативно вносити зміни в програмне забезпечення. Робота оператора з пультом ЕОМ КЛ-03 і програматором у режимі програмування «8» забезпечується програмою «PULT», розміщеної в ПЗУ МСУВТ В7. Перехід пульта в режим «8» здійснюється натисканням кнопок «РЕЖИМ» і «8». При цьому на індикатори 0 – 3 викидається початкова адреса ініціалізації «0000» і пульт готовий до набору нової адреси. Можливі два варіанти: 1. необхідно записати новий кристал пам'яті. Для цього набирається початкова адреса масиву програмування в пам'яті ЕОМ; 2. необхідно записати інформацію з кристала в пам'ять ЕОМ і тоді набирається початкова адреса масиву запису в пам'ять ЕОМ. Після набору потрібної адреси кристал ППЗУ встановлюється в роз’єм на програматорі, натискається кнопка «ЗАП» і починається програмування, при цьому загоряється на програматорі світлодіод, що сигналізує про наявність напруги 25, 75В. Програмування ведеться по черзі для кожної комірки пам'яті з перевіркою записаної інформації. При невідповідності записаної і зчитаної інформації викидається повідомлення про помилку на пульт у виді адреси помилки на індикаторах 0 – 3 і двох байтів інформації на індикаторах 6; 7 і 9; 10. У цьому випадку потрібно порівняти значення в пам'яті ЕОМ і значення яке записалося в кристал. Якщо число в комірці ППЗП виявляється менше, то подальше програмування неможливе, якщо більше, то можливе продовження програмування. Подальше програмування запускається натисканням кнопки «ЗАП». Про продовження програмування сигналізує світлодіод. Для зчитування інформації з кристала набирається початкова адреса масиву запису в ОЗП і натискається кнопка «ЧИТАННЯ». Попередньо кристал встановлюється в роз’єм програматора. Читання ведеться 10 сек. По закінченню цього часу в комірках адреси 0 – 3 з'являється початкова адреса на наступних двох кілобайтах програмування. Приклад: початкова адреса програмування «0000», адреса закінчення програмування «0800». При формуванні масиву по парності порядок операцій має інший характер. Один кристал контролю по парності контролює ППЗП плати ПМВ і тримає під своїм контролем область у 16 кілобайт. Першою на індикаторах 0 – 3 набирається адреса. Наприклад: «9000» розташованого в ОЗУ ЕОМ формованого масиву по парності. Далі натискається кнопка «АДРЕСА» і висвітлюється друга початкова адреса на індикаторах 5 – 8 формування масиву по парності ППЗП: для вузла ПМВ – «0000». Запуск програми формування масиву по парності здійснюється кнопкою «ФОРМУВАННЯ», і в плині 5 сек. масив заповнюється інформацією. Запис в кристал парності встановленому на програматорі здійснюється так, як указувалося вище. При закінченні налагоджувальних робіт за допомогою програматора, останній відключається від роз’єма Х7 вузла ПМВ МСУВТ – В7. 2.5.10 Засоби вводу і виводу аналогової інформації Аналогова інформація надходить на вхід ЕЧСР у виді уніфікованих сигналів 0–5мА постійного струму за винятком сигналів від датчика частоти обертання, а також сигналів від трансформаторів напруги генератора. Для настроювання вхідних аналогових каналів використовуються шунти, встановлені на платі, до яких підводяться вхідні сигнали. Для узгодження вхідних сигналів із входами ЕОМ у ЕЧСР застосовуються субблоки аналогової розв'язки САР. Інформація, що вимагає підвищеної надійності, надходить на входи двох САР. Виводи обох САР вводяться в АЦП двох мікро-ЕОМ. Кожна ЕОМ програмними засобами контролює збіг виходу двох САР і, у випадку неприпустимої неузгодженості, що свідчить про несправність одного із САР, переходить на виконання відповідного алгоритму. Інформація, що не вимагає підвищеної надійності надходить через загальні САР на входи обох ЕОМ. Вивід аналогових сигналів здійснюється через машинні цифроаналогові перетворювачі ЦАП (чотири сигнали), а інша основна частина вихідної інформації в цифровому виді надходить з ЕОМ на субблоки ЦАП, де перетворюється в аналогові сигнали. З виходів усіх ЦАП сигнали надходять через субблок аналогового комутатора САК, що пропускає сигнали працюючої машини і не пропускає сигнали резервної, на вихідні САР і субблоки токових перетворювачів СТП, за винятком сигналів ЕГП. Сигнали керування ЕГП подаються на вхід субблока вихідного підсилювача ЕГП (СВП ЕГП). Для контролю вихідних аналогових сигналів використовуються САР контролю й аналогові мультиплексори. При програмному виявленні (через САР контролю) в ЕОМ формується сигнал, що підключає вихід відповідного ЦАП через мультиплексор на додатковий вхід АЦП. Якщо при цьому неузгодженість зберігається, то несправний ЦАП і ЕОМ видає відповідний сигнал. Якщо неузгодженість зникне, то несправний САР, і алгоритм подальшої роботи визначається призначенням несправного каналу. Вихідна аналогова інформація видається з ЕЧСР з виходів субблока СТП у виді уніфікованих токових сигналів (0–5) мА при Рн = 2,5 кОм. З виходів СВУ ЕГП сигнал надходить у виді токового сигналу 1 А при Рн = (24 – 30) Ом (використовується один вихід на ЕГП). Дискретна інформація надходить на вхід ЕЧСР у вигляді зміни стану «сухого» контакту. Ці контакти повинні мати комутуючу здатність сигналів напругою постійного струму 220 В і струмом 0,1 А при активно-індуктивному навантаженні. У ЕЧСР в якості комутуючої напруги використовується напруга постійного струму 220В і 24В. Для введення дискретних сигналів в мікро-ЕОМ використовуються субблоки вхідних сигналів СВС на вхідну (комутуючу) напругу 220B, 24В постійного струму і два субблоки розширники введення дискретних сигналів СР1. Для підвищення надійності субблоки СВС дублюються, від кожного СВС інформація надходить через СР1 в обидві ЕОМ. При подальшому програмному аналізі приймається, що при різному стані СВС, що сприймає ту саму інформацію, несправний той з них, що не змінив свого стану. Вихідна дискретна інформація виводиться з ЕОМ через розширювачі виводу дискретних сигналів СР2 на субблоки комутації реле СКР, що мають на виході «сухий» контакт, з'єднаний із клемником шафи ЕЧСР. У СКР надходять також сигнали керування від субблока СКС, що пропускають інформацію тільки включеної в роботу ЕОМ. Для контролю ланцюгів виводу дискретних сигналів служать субблоки СРЛ; що підводять на вхід ЕОМ вихідну дискретну інформацію і відключають відповідний канал при його несправності. Сигнал управління ЕЧСР на електродвигун МУТ виводиться з послідовного інтерфейсу ЕОМ і у виді логічних сигналів керування «ЗМЕНШИТИ, ДОДАТИ» і надходить на вхід субблока підсилювача МУТ (СВУ МКТ). На виході СВУ МУТ одержує імпульсну напругу тієї чи іншої полярності величиною (36 – 40) В. Тривалість імпульсу на виході СВУ МКТ залежить від тривалості дії логічного сигналу керування на його вході. 2.5.11 Органи відображення стану ЕЧСР Касета блоку керування й індикації БКІ містить у собі субблоки призначені для керування настроювання та індикації стану режимів і несправностей апаратури ЕЧСР. До складу БКІ входять: субблок керування СК, субблок індикації СІ і субблок перемикачів СП. Субблок керування призначений для керування, контролю і переключень в ЕЧСР. Тумблери ЕОМ-1 і ЕОМ-2 служать для примусового виводу з роботи однієї мікро-ЕОМ і сполучених з нею пристроїв зв'язку з об'єктом ПЗО. Тумблер «ПУЛЬТ» з положенням «ПРОГР.-ІНД.» призначений для переводу пультів обох ЕОМ з режиму «ІНДИКАЦІЇ» у режим «ПРОГРАМУВАННЯ» для проведення діалогу між оператором машини і самої ЕОМ. Крім того, на лицьовій панелі СУ знаходяться контрольні гнізда виходів ЦАП друкованих плат АВВ01 обох мікро-ЕОМ і контрольні гнізда по ШИМ кожної ЕОМ. Субблок індикації СІ служить для індикації стану і несправності обох ЕОМ і апаратури ЕЧСР. Індикація виконана на світлодіодах і відображає наступні стани: «ВКЛ.» – ЕЧСР включена в роботу; «НЕСИПРАВ.» – несправність в ЕЧСР; «ОТКАЗ» – несправні обидві ЕОМ; «РАБОТА 1» – ведуча ЕОМ1; «РАБОТА 2» – ведуча ЕОМ2; «ОТКЛЮЧ.ЭГП» – відключений вплив на ЕГП; «ОТКЛЮЧ.МУТ» – відключений вплив на МКТ; «ОТКЛЮЧ.ПЗ» – відключений вплив на ЕВПЗ; «ШИМ 1 >» – на МКТ йде сигнал «ДОДАТИ» «ШИМ 1 <» – на МКТ йде сигнал «ЗМЕНШИТИ». Сигналізація «ШИМ 2» не використовується. Субблок перемикачів СП призначений для збереження і введення в пам'ять інформації про настроєчні коефіцієнти. В постійній пам'яті ЕОМ для кожного настроєчного коефіцієнта відведена зона, в яку занесені всі значення даного коефіцієнта. За допомогою перемикачів задається номер необхідного значення коефіцієнта. Як перемикачі застосовані кнопкові перемикачі на чотири (табл. 2.4) і вісім (табл. 2.5) положень з відповідними комбінаціями кнопок. Таблиця 2.4
Таблиця 2.5
Субблок СКС призначений для визначення стану готовності основної і резервної ЕОМ, реалізації логіки їхнього включення в контур керування, сигналізації стану пристроїв зв'язку з об'єктом. Сигнали стану по кожній мікро-ЕОМ (помилка звернення «ЗВЕР.», контроль по парності – «ПАР.», циклічна помилка – «ЦКЛ.», помилка аналогова – «АНЛ.», помилка арифметична – «АРФ.», неготовність – «НГТ.»), а також сигнали про відмовлення відповідних блоків безперебійного живлення, блоків живлення мікро-ЕОМ і стабілізаторів напруги групуються окремо. Крім того, у СКС наявні окремі входи по контролю стану УСО загальних для обох мікро-ЕОМ. Усі ці сигнали про несправності потім об’єднуються в загальний логічний сигнал несправності ЕЧСР (світлодіод «НЕСПР.» субблока індикації СІ) чи сигнал про аварію ЕЧСР-М (світлодіод «ВІДМОВЛЕННЯ» субблока індикації СІ). З появою несправності в ЕЧСР загоряється також відповідний світлодіод СКС. В СКС присутня логічна схема, що забезпечує формування керуючих сигналів про справність ЕОМ (мікро-ЕОМ, що включена в контур керування). Схема настроєна таким чином, що при виникненні несправності ведучої мікро-ЕОМ відбувається автоматичне переключення на резервну мікро-ЕОМ і автоматичне відновлення керування від першої ЕОМ, при усуненні в ній несправності. При відмовленні обох ЕОМ загоряється світлодіод «ВІДМОВЛЕННЯ» субблока індикації СІ. Пульт оператора ЕОМ виконує наступні основні функції по відображенню стану ЕЧСР: - розшифровка режимів роботи ЕЧСР, причини переходу в той чи інший режим; - індикація несправності окремих елементів ЕЧСР з точною вказівкою несправності елемента (ЕОМ, субблок, СН і т.д.); - індикація параметра по тиску свіжої пари; - відображення стану кожного з каналів ЕЧСР з розшифровкою значень заданих параметрів (коефіцієнтів, постійних чи часу вихідних величин); - відображення величин аналогових сигналів на вході ЕЧСР; - відображення величин аналогових сигналів на виході ЕЧСР; - відображення дискретної інформації, що надходить в ЕЧСР і яка видається ЕЧСР в інші пристрої; - ручне керування електродвигуном МКТ. Світлодіоди пульта оператора виконують наступні функції: - «ЖИВЛЕННЯ» – вказує про наявність напруги живлення +5В в блоці мікросхеми; - «ЗУПИНКА» – вказує на вихід мікро-ЕОМ з процесу керування; - «ЧЕКАННЯ» – вказує на спільний режим роботи мікро-ЕОМ із дисплеєм по програмі «МОНІТОР»; - «КЛАВШИ.» – режим обробки запиту переривання при натиснутій клавіші пульта; - «ПРМ» – завершення обробки (прийому) запиту переривання, викликаного натисканням кнопки пульта; - «ЗПРТ» – блокування (заборона) запиту переривання від дешифруємих кнопок видається в ряді випадків при керуванні об'єктом у визначені моменти часу, натискання дешифруємої кнопки при включеному індикаторі. ЗПРТ приводить лише до включення індикатора «КЛАВШИ.», підтвердження про прийом коду кнопки (загоряння індикатора «ПРМ») не надходить; - «N» – ЕЧСР працює в режимі регулювання потужності; - «P» – ЕЧСР працює в режимі регулювання тиску; - «F» – ЕЧСР працює в режимі регулювання частоти обертання (на блоці N1 ХАЕС не використовується): - «Н» – режим регулювання по положенню РК (на АЕС не використовується); - ЗАБОРОНА «У» – заборона дії ЕЧСР на «зменшити»; - ЗАБОРОНА «П» – заборона дії ЕЧСР на «додати»; - «Iегп >= 50%» – струм у ЕГП перевищує 50% номінального значення і припустиму тривалість за часом; - «Рмін» – працює регулятор мінімального тиску. 2.6 Робота ЕЧСР в різних режимах роботи енергоблоку 2.6.1 Режими роботи ЕЧСР В залежності від режиму роботи енергоблоку оператор блокового щита керування (БЩУ) встановлює наступні режими роботи ЕЧСР: I – режим дистанційного керування навантаженням турбіни при відключених контурах регулювання, які впливають на двигун МКТ. В цьому режимі ЕЧСР по командах «зменшити» чи «додати» забезпечує дистанційне керування двигуном МКТ. Команда «зменшити» означає що МКТ буде впливати на регулюючі клапана турбіни вбік їхнього закриття для зниження потужності турбіни. II – режим автоматичного керування клапанами турбіни в процесі автоматичного пуску турбіни. III – режим регулювання потужності і тиску пари перед турбіною чи положення регулювальних клапанів; IV – режим дистанційного керування навантаженням турбіни при включеному захисному регуляторі тиску свіжої пари. Переключення режимів виробляється спеціальним перемикачем, встановленому на блоковому щиті керування. Перехід в режим I для взводу стопорних клапанів при пуску турбіни виробляється автоматично з режиму II – при цьому в ЕЧСР відключаються контури регулювання (з наступним їхнім включенням без контролю з боку оператора). У всіх перерахованих режимах швидкодіючі канали нормально включені, тому що по цих каналах здійснюється протирозгінний захист турбіни Переключення ЕЧСР з одного режиму в інший, а також включення в автоматичні режими II і III здійснюється під контролем оператора енергоблоку (після переводу перемикача БЩУ в положення, які відповідають режимам I і IV). 2.6.2 Робота ЕЧСР у нормальних режимах енергоблоку У нормальних режимах енергоблоку ЕЧСР виконує функції турбінного регулятора блокової частини системи регулювання АРЧМ АЕС. В аварійних і післяаварійних режимах енергосистеми в ЕЧСР працює також канал початкової корекції нерівномірності (ПКН), і, якщо спрацюють відповідні пускові органи, канали релейної форсировки (РФ), попереднього захисту (ПЗ) і диференциатора (ДИФ). Ці сигнали поліпшують динамічні характеристики системи регулювання турбіни і сприяють підвищенню динамічної стійкості турбоагрегату. При аваріях на енергоблоці (різного роду ушкодженнях устаткування, що приводять до скидання потужності), відмовленні системи регулювання надходження пари в циліндри турбіни в аварійних умовах через нещільності клапанів свіжої пари, промперегріву, коли може значно збільшитися частота обертання ротора турбіни, ЕЧСР забезпечує протирозгінний захист турбіни по каналах релейної форсировки, диференциатора, попереднього захисту. Ці канали впливають на систему регулювання турбіни через ЕГП і електромагніти попереднього захисту і регулювальних клапанів. 2.7 Робота АСР при експерементальному відключенні енергоблоку від мережі Суть даного експеременту полягає в перевірці роботи АСР у випадку спрацювання сигналу релейної форсировки (або автоматичного від’єднання енергоблоку від мережі). РФ включається в роботу по сигналу спрацьовування захистів на відключення генератора, по сигналу відключення генератора від мережі або відключеному положенню вимикачів 330 кв.При роботі РФ ШКУ ЕЧСР видає на ЕГП керуючий сигнал на закриття РК турбіни. Сигнал має форму імпульсу з експонентним заднім фронтомдив. мал. 2.3.Амплітуда імпульсу з максимальною величиною струму ЕГП 4 нв забезпечує максимальну швидкість переміщення РК на закриття, а постійна часу загасання вибирається таким чином, щоб забезпечити кращу якість переходу до сталого режиму. Дія РФ однократна. Параметри імпульсу РФ (А0 , Т, Т0 ) повинні задаватися за допомогою ЕОМ.
Рис. 2.3. Імпульс релейної форсировки Задачею АСР в такому випадку було: 1. не допустити зростання частоти обертання вала турбіни. 2. швидко знизити потужність енергоблоку до рівня власних витрат. Результатом даного експеременту є графічна залежність (рис 2.4) РИ. З даної графічної залежності видно, що де-який час значення таких параметрів, як частота обертання вала турбіни (F), потужність генератора (Nел) та струм ЕГП (Іегп) знаходились в межах, що відповідають нормальному режиму роботи енергоблока і були сталими: F=3000 об/хв; Nел=980 МВт; Іегп=0 мА;
Рис. 2.4. Перехідні процеси в системі, при зниженні потужності енергоблоку до рівня власних потреб При від’єднанні енергоблоку від мережі в момент часу t=8.5c, спостерігається швидке зростання частоти обертання вала турбіни F=3171 об/хв, що, відповідно до норм експлуатації турбіни є не бажаним процесом для її роботи. В цьому випадку ЕЧСР видає електричний сигнал рівний –946 мА на вхід ЕГП, що приводить до швидкого прикриття регулюючих клапанів турбіни та поступового зменшення частоти обертання вала турбіни. Рівень власних потреб станції складає від 30 до 65 мВт, в даному випадку АСР намагається тримати це значення на рівні 35 мВт. Висновки: Процес регулювання роботи турбіни є досить складним. Від якості регулювання напряму залежить КПД енергоблоку. Використання систем автоматичного регулювання дозволяє достатньо легко здійснювати цей процес. Відповідно до правил технічної експлуатації електричних станцій і мереж одним з основних техніко-економічних показників електричної станції є кількість виробленої електроенергії і відпущеного тепла. Кількість виробленої електроенергії прямо залежить від електричної потужності турбіни. ЕЧСР, будучи регулятором турбіни регулює рівень електричної потужності, з чого випливає що від стабільної роботи ЕЧСР залежить кількість виробленої електричної енергії та безпека енергоблоку. 3. Функціональна будова ЕЧСРЕЧСР функціонально ділиться на два основних контура автоматичного управління: · ПКУ (повільнодіючий контур управління); · ШКУ (швидкодіючий контур управління); Крім ПКУ та ШКУ в склад ЕЧСР входить схема ДУ (дистанційного управління), яка функціонує незалежно від автоматичних контурів управління. 3.1 Робота швидкодіючого контуру керування турбіною В даному каналі керування формується вплив на ЕГП з метою забезпечення протирозгінного захисту турбіни, підвищення її приємистості, та роботи енергоблоку в аварійних і післяаварійних режимах роботи енергосистеми. Керування ЕГП здійснюється через вихідний аналоговий підсилювач потужності ЕЧСР, на вхід якого подається сума впливів, сформованих по наступним функціональним каналам: - релейної форсировки (РФ); - диференціатора (ДИФ); - корекції початкової нерівномірності (ПКН); - швидкодіючого післяаварійного керування потужністю (ПАУ); - попереднього захисту (ПЗ); - імпульсного розвантаження в аварійних режимах роботи енергоблоку (АІР). Крім того можна виділити канал вимірювання потужності генератора і канал всережимного вимірювання частоти обертання валу турбіни з видачею аналогового і ряду дискретних сигналів. Канал релейної форсировки (РФ) призначений для подачі в систему регулювання сигналу, що форсує, на закриття регулювальних клапанів при відключенні генератора від мережі. Подача імпульсу виробляється від блок-контактів вимикачів генератора і від релейного захисту, що діє на відключення вимикачів генератора. Канал диференціатора (ДИФ) призначений для подачі сигналу, що закриває регулюючі клапана турбіни з появою позитивного кутового прискорення ротора, яке свідчить про велике миттєве скидання навантаження генератора. Диференціатор включається в роботу при підвищенні частоти обертання вище 103% wном і наявності прискорення обертання ротора турбіни.Диференціатор забезпечує протирозгынний захист турбіни видачею на ЕГП керуючого сигналу, пропорційного прискоренню ротора турбіни:Iдиф. = K (dw/dt – Уст dw/dt), де dw/dt – прискорення ротора турбіни; Уст dw/dt – уставка спрацьовування; К – коефіцієнт підсилення. Датчиком служить електричний датчик частоти обертання ротора. Сигнал датчика перетвориться в диференціаторі і функціональному перетворювачі. Наявна можливість зміни коефіцієнта підсилення по прискоренню ротора (крутості характеристики) і величини прискорення, при якій диференціатор вступає в роботу. Канал корекції початкової нерівномірності (ПКН) призначений для поліпшення приємистості турбіни з метою компенсації шкідливого впливу на приємистість великої кількості пари, акумульованої в промперегріві. Вихідний сигнал каналу ПКН утворюється різницею сигналів від датчика електричної потужності і датчика тиску пари в промперегріві. Знаки сигналів від датчиків обрані таким чином, щоб збільшення потужності приводило до відкриття регулювальних клапанів свіжої пари, а збільшення тиску приводило до закриття цих клапанів. При зміні споживання потужності в енергосистемі регулювання турбіною здійснює перестановку регулювальних клапанів в положення, при якому потужність турбіни відповідає новій споживаній потужності. Однак потужність турбіни при зміні частоти буде швидко мінятися на величину потужності ЦВТ, а потужність ЦНТ через наявність великого об’єму промперегріву буде мінятися повільно в міру зміни тиску в промперегріві, тобто початкова нерівномірність регулювання (нерівномірність, коли тиск у промперегріві можна вважати практично постійним) буде велика. Для зменшення початкової нерівномірності при зміні потужності генератора в каналі ПКН виробляється сигнал вбік привідкриття чи призакриття регулювальних клапанів ЦВТ таким чином, щоб зміною потужності ЦВТ короткочасно компенсувати відставання в зміні потужності ЦНТ. З наступною зміною тиску в промперегріві (що свідчить про зміну потужності, яка виробляється в ЦНТ), сигнал каналу ПКН буде зменшуватися й у статиці дорівнюватиме нулю. При навантаженнях нижче 40% кожен вхід каналу ПКН (потужність і тиск) має постійне значення, рівне значенню відповідного датчика при навантаженні 40%, тому вхідний сигнал коректора при навантаженнях нижче 40% дорівнює нулю незалежно від співвідношення між навантаженням і тиском промперегріву. Вихідний сигнал ПКН вбік закриття клапанів обмежений величиною, що допускає зміну положення клапанів лише на 20–30%. Це виконується з метою зменшення зміни середньої потужності турбіни при великих аварійних хитаннях в енергосистемі. Обмеження знімається при відключенні генератора від мережі (контакти ВГ), при підвищенні частоти обертання вище 103% і по сигналам пристроїв протиаварійної автоматики енергосистеми. Канал швидкодіючого управління потужністю в післяаварійних режимах (ПАУ) призначений для обмеження потужності турбіни до заданої величини в післяаварійних режимах роботи лінії електропередач чи до рівня технологічних обмежень і включається по сигналах станційних пристроїв протиаварійної автоматики (ПА) або технологічної автоматики блоку (ТА). ПАУ1 – 70% Nном. ПАУ2 – 60% Nном. ПАУ3 – 50% Nном. ПАУ видає спрямований на переміщення клапанів турбіни багаторазово посилений сигнал перевищення поточної потужності турбіни над величиною заданої потужності, виробленої в залежності від типу аварії пристроями ПА чи ТА. В каналі присутній динамічний контур для поліпшення стійкості регулювання. Канал попереднього захисту (ПЗ) функціонально є частиною системи захисту турбіни від розгону. По каналу ПЗ в систему регулювання і захисту подається сигнал, який форсує, на закриття стопорних і регулювальних клапанів турбіни у випадку, якщо за якимись причинами при скиданні навантаження частота обертання перевищить заданий рівень, що залежить від поточного значення першої похідної частоти обертання. Уставка спрацьовування ПЗ формується відповідно до закону:wср. = wср.о. – K dw/ dt, де wср.о. = 113% wном – уставка спрацьовування ПЗ по частоті обертання без врахування прискорення; dw/ dt – прискорення ротора турбіни; К – коефіцієнт підсилення. Чим вище перша похідна, тим нижче заданий рівень спрацювання ПЗ по частоті обертання. Якщо при скиданні навантаження система регулювання функціонує правильно, то під час перехідного процесу поточна частота обертання завжди виявиться нижче заданої і спрацювання попереднього захисту не відбудеться. При відмовленні системи регулювання і скиданні навантаження поточне значення першої похідної буде високим у всьому діапазоні підвищених частот обертання, що викликає спрацювання ПЗ. У цьому випадку канал ПЗ подасть сигнал на електромагнітний вимикач попереднього захисту, при спрацюванні якого закриваються всі регулюючі і стопорні клапани турбіни, а при зникненні сигналу ПЗ забезпечується послідовне відкриття спочатку стопорних, а потім регулювальних клапанів. Завдяки попередньому захисту у випадку скидання навантаження з відключенням генератора від мережі і відмовленні системи регулювання запобігається підвищення частоти обертання понад 120%. При роботі попереднього захисту сигнал про закриття стопорних клапанів турбіни видається з витримкою часу 5 с, достатньої для відкриття стопорних клапанів при нормальній роботі системи регулювання після спрацювання попереднього захисту. Канал аварійного імпульсного розвантаження (АІР) забезпечує можливість швидкого зниження потужності турбіни з наступним її відновленням до вихідного рівня. Імпульсне аварійне розвантаження турбіни здійснюється по одній із трьох команд загальстанційної системи протиаварійної автоматики від яких залежить глибина розвантаження: АІР1 – 50% Nн; АІР2 – 30% Nн; АІР3 – 0% Nн; Керування РК турбіни здійснюється подачею на ЕГП керуючого токового імпульсу за формою аналогічного РФ (див. Рис. 2.3). Тривалість прямокутної частини імпульсу (Т), амплітуди (А и А0 ) і тривалість загасаючої частини імпульсу (Т0 ) повинні задаватися окремо для АІР1, АІР2, АІР3. Ініціативні команди від ПА надходять в ЕЧСР імпульсами тривалістю не менше 100 мс. При надходженні одночасно декількох команд АІР, ЕЧСР повинна відпрацьовувати команду на більш глибоке розвантаження. Загальна швидкодія системи регулювання турбіни, з урахуванням дії ЕЧСР забезпечує максимальне підвищення швидкості обертання після миттєвого скидання навантаження генератора – не більше 107% від номінальної частоти обертання. Робота повільнодіючого контуру керування турбіною. Регулятор потужності і тиску (РПТ) забезпечує можливість керування турбіною шляхом впливу на двигун МКТ. Відповідно до положення розміщеного на БЩУ перемикача вибору режимів (ПР) чи відповідно до команд автоматичних пристроїв забезпечуються наступні режими роботи РПТ і керування двигуном МКТ: - режим дистанційного керування МКТ (А1); - режим регулювання частоти обертання, положення регулювальних клапанів і потужності турбіни при пуску (А2); - режим регулювання потужності (А3); - режим регулювання тиску свіжої пари (А4). Відповідно до регульованого параметра можна виділити наступні функціональні контури регулювання в блоці РПТ: - контур регулювання потужності; - контур регулювання тиску (КРТ); - контур регулювання частоти обертання (КРЧО). Елементи живлення і дистанційного керування двигуном входять до складу ЕЧСР. У режимах регулювання А2 …А4 керування двигуном МКТ здійснюється через широтно-імпульсний перетворювач і підсилювач потужності. При цьому реалізується Пі-закон регулювання з автоматичною зміною параметрів настроювання, здійснюваним в залежності від того, в який з контурів регулювання (тиску, частоти обертання чи потужності) знаходиться в роботі. В закон формування керуючого впливу на МКТ введені блокування на «додати» і «зменшити», що діють при наявності на енергоблоці технологічних обмежень. Вхідними сигналами РПТ є: - сигнал, пропорційний електричній потужності генератора (від вимірювача потужності ЕЧСР); - сигнал задання потужності, що надходить з обмежувача темпу задання (ОТЗ); - сигнали, пропорційні частоті обертання турбіни і її відхиленню від номінального значення; - сигнали від автомата пуску турбіни; - сигнал, пропорційний тиску свіжої пари; - сигнал, пропорційний керуючому тиску в гідравлічній частині системи регулювання. При режимі А1 дистанційного керування двигуном МКТ контури регулювання РМД відключаються. У режимі керування А2 РПТ використовується як додатковий орган автомата пуску. Відпрацювування команд автомата пуску здійснюється за допомогою інтегруючих входів, один з яких змінює задане значення частоти обертання турбіни відносно «грубо» у широкому діапазоні частот, розташованому близько 3000 об/хв. Переключення з одного входу на іншій здійснюється автоматично після досягнення частоти обертання 3000 об/хв. Присутній також третій інтегруючий вхід, який використовується для самобалансування РМД при його відключенні від МКТ з метою наступного підключення без «поштовху» потужності на турбіні. З цією же метою додатково передбачається: – витримка часу (0,3 – 0,5 с) при подачі сигналу на включення РПТ; – дозвіл на включення РПТ тільки у випадку відсутності його вихідного сигналу протягом 5 – 7 с. Після включення РПТ у роботу забезпечується зникнення з заданою швидкістю сигналу самобалансування. В режимі А3 регулювання потужності забезпечується стабілізація потужності турбоагрегату на рівні, заданому оператором, і автоматичний перехід з одного рівня потужності на іншій у темпі, що допускається обмежником темпу задання. Регулювання потужності здійснюється в залежності від величини розбалансу фактичної і заданої потужності. При цьому також використовуються наступні коректуючі впливи: - коректуючий вплив по частоті обертання – забезпечує можливість регулювання потужності у відповідності із статичною характеристикою регулювання «потужність – частота обертання», причому передбачена можливість зміни нерівномірності регулювання від 2,5 до 6% ступінями по 0,5%; - коректуючі впливи по тиску свіжої пари і положенню регулювальних клапанів турбіни – забезпечують можливість поліпшення динамічних характеристик регулювання парогенератора; коректуючий вплив з виходу каналу ПАУ швидкодіючої частини ЕЧСР – дозволяє прискорити відпрацювання заданого значення потужності повільнодіючим контуром і поліпшити перехідний процес встановлення заданої потужності. В положенні перемикача режимів А4 забезпечується обмеження тиску свіжої пари на рівні не нижче його мінімально припустимого значення, з можливістю переключення на режим регулювання номінального тиску свіжої пари (регулювання «до себе») при відключенні регулятора парогенератора чи виникненні технологічних обмежень. Контури регулювання частоти і потужності при цьому відключаються. При регулюванні частоти і потужності в режимах А2 і А3 контур регулювання тиску працює в режимі «очікування», запобігаючи зниженню тиску нижче заданого значення. Це забезпечується за допомогою автоматичної зміни уставки завдання регулятору тиску і за допомогою елемента виділення мінімуму. Обмежувач темпу завдання забезпечує обмеження темпу завдання зміни навантаження енергоблоку в режимі автоматичного регулювання А3 у регулювальному діапазоні навантажень. При цьому зміни потужності обмежуються як по величині, так і по швидкості. Введення обмежень по величині зв'язано, в основному, з вичерпанням регулювального діапазону енергоблоку (чи наявністю обмежень по положенню регулювальних клапанів), а також виникненням технологічних обмежень на енергоблоці. Обмеження по швидкості зміни потужності на режимах нормального регулювання може вводитися вручну за допомогою встановленого на БЩУ задавача. Обмеження по швидкості зміни вводяться також автоматично в залежності від поточного термонапруженого стану турбіни. Крім того, передбачається прийом сигналів від зовнішніх пристроїв, що встановлюють, зокрема, кінцевий рівень завдання потужності, заданий темп зміни потужності, верхнє і нижнє значення регулювального діапазону енергоблоку, а також сигналів від АРЧМ і загальстанційної ЕОМ, що відповідають неплановій та економічній складовим завдання потужності. ОТЗ містить у собі канал формування завдання і канал відпрацьювання й обмеження завдання потужності. Канал формування завдання здійснює перетворення і виділення сигналу завдання з вводом в ЕЧСР по роздільних входах сигналів від наступних зовнішніх пристроїв: - загальноблочних давачів, що визначають рівень кінцевого значення потужності і темп зміни потужності; - регулюючих пристроїв АРЧМ; - загальностанційної ЕОМ, оснащеної засобами рішення задачі економічного розподілу навантажень між енергоблоками; - пристроїв протиаварійної автоматики; - автомата пуску турбіни; - регулятора навантаження парогенератора. Для забезпечення нормальних режимів роботи турбоагрегату за графіком передбачена зміна завдання потужності в регулювальному діапазоні навантажень з визначеною, фіксованою швидкістю. Швидкість зміни завдання і рівень кінцевої потужності встановлюються оператором за допомогою зовнішніх давачів. Передбачене також блокування змін завдання у відповідну сторону при виникненні технологічних обмежень (у тому числі і по термічному стану турбіни), при вичерпанні регулювального діапазону, а також у післяаварійних режимах, зв'язаних зі спрацюванням каналу ПАУ, відхиленням частоти за задані межі. Підключення ОТЗ для відпрацювування завдань від автомата пуску, пристроїв протиаварійної автоматики супроводжується відключенням основного контуру завдання потужності в нормальних режимах. При цьому найбільший пріоритет мають команди пристроїв протиаварійної автоматики, а потім автомата пуску. Наступне підключення основного контуру завдання потужності здійснюється «безударно», із плавним переходом до рівня, що передує відключенню. Вихідний контур ОТЗ являє собою систему, що стежить, і забезпечує відпрацювання й обмеження вхідних сигналів. Відпрацьовування вхідного сигналу при відсутності обмежень здійснюється досить швидко (40с на нерівномірність). При виникненні обмежень відстеження припиняється аж до моменту усунення обмежень. Зокрема, якщо обмеження обумовлюються термонапруженим станом турбіни, то стала швидкість відпрацювання завдання буде відповідати підтримці цих обмежень на рівні гранично припустимих значень. Вихідний сигнал ОТЗ вводиться як сигнал завдання в регулятор потужності і тиску ЕЧСР. Сумуючись із сигналом корекції по частоті, він виводиться також в аналоговому вигляді (5 мА постійного струму при навантаженні не більше 500 Ом) у зовнішні ланцюги як завдання енергоблоку (в РПГ). Канал контролю прогріву турбіни (УКП) призначений для проведення вимірів режиму роботи турбіни в темпі, що допускається тепловим станом турбіни. При цьому в залежності від величини і знака цих сигналів виробляються команди, які або дозволяють зміну режиму роботи турбіни з граничною швидкістю МКТ, або обмежують швидкість зміни режиму. При автоматичній зміні навантаження в регулювальному діапазоні обмеження вводяться за допомогою команд, що припиняють процес зміни завдання потужності з виходу ОТЗ. Припинення здійснюється при підвищенні показника σ, що побічно характеризує рівень термонапруженого стану ЦВТ турбіни, понад значення, що допускаються, відповідним режимом планового регулювання потужності (σпл ± ) і режимом непланового регулювання (σнпл ± ). Відповідні швидкості зміни завдання планової і непланової потужності складають 2%/хв і 3%/хв. При підвищенні понад значення, що допускаються, d± () різниці температур, що більш точно характеризує рівень термонапруженого стану ЦВТ, вводяться команди, що забороняють переміщення МКТ контуром регулювання потужності у відповідну сторону. Цим забезпечується облік обмежень по швидкості прогріву ЦВТ, що задаються звичайно інструкцією з експлуатації турбіни. При дистанційному керуванні турбоустановкою ЕЧСР за допомогою зовнішніх засобів візуального контролю дозволяє оператору вести зміни потужності енергоблоку в темпі, обмеженому умовами прогріву турбіни. Для виконання цих функцій в складі вихідних пристроїв ЕЧСР передбачене виведення трьох аналогових уніфікованих сигналів на керуючу обчислювальну систему. Один із сигналів відповідає фактичній потужності (N), два інших – значенням потужності, що дозволяються, вбік збільшення і зменшення (N+ і N-). Відхилення фактичної потужності від значень, що дозволяються, визначають діапазон, що дозволяється, для швидких і безпечних змін потужності на даний момент часу. 4. Структура програмного забезпеченняСтруктура математичного програмного забезпечення обумовлена функціональним призначенням ЕЧСР і вимогами, які пред’являються до систем керування потужністю великих парових турбін у нормальних, аварійних і післяаварійних режимах. Блок-схема математичного забезпечення приведена на мал. 4.1.
Рис. 4.1 Блок-схема математичного забезпечення Перший програмний блок складають програми початкового пуску: «ПУСК», «START». Програма «ПУСК» забезпечує вибір режиму роботи: «MONITOR» або системи ЕЧСР «START». Вибір здійснюється по положенню ключа I, розташованого на субблоці керування. Програма формує вихідні дані в масивах ОЗУ (обнулення робочих областей ОЗУ, підготовка службової таблиці для контролерів переривань) і віддає керування одній з вище зазначених програм. При роботі з програмою «MONITOR» через дисплей чи телетайп організується діалоговий режим «оператор-ЕОМ». «MONITOR» дозволяє реалізувати де-які функції «редактора при налагодженні програм, а також забезпечує можливість нагромадження інформації на магнітній стрічці побутового магнітофона. При передачі керування програмі «START» здійснюється запуск системи програмного забезпечення ЕЧСР. Для цього в програмі «START» проводиться програмне настроювання мікро-ЕОМ (установка режимів і ініціалізація контролерів, таймерів інтерфейсу усіх вузлів ЕОМ). Попередньо повинно бути здійснено оперативне настроювання всіх плат ЕОМ за наявною методикою. Крім того, у програмі «START» проводиться тестування ОЗУ і вузлів ЕОМ. При виявленні несправності встановлюється режим «до оператора» з індикацією стану (відмовлення) на пульті ЕОМ. При відсутності збоїв, керування віддається програмному блоку вимірювання періоду сигналу індукторного тахогенератора (ТГІ). Програми блоку вимірювання періоду є програмами що мають вищий пріоритет стосовно всіх програм, крім програми, що фіксує порушення циклічності роботи «ТМР». У субблоці перетворювача частоти (СПЧ) виробляються імпульси в момент переходу напруги ТГІ через «0». По передньому фронту цих імпульсів ініціюється вимога на переривання по 4-му рівні контролера і запускається програма «CLOCK2», що фіксує початок відліку часу Т. По задньому фронту імпульсу СПЧ ініціюється вимога на переривання по 3-му рівню контролера, що обумовлює роботу програми «CLOCKIN» або «CLOCKIL». При пуску до синхронізації включена програма «CLOCKIL», після синхронізації – «CLOCKIH», що забезпечує, за рахунок використання таймерів з різною тактовою частотою, більш високу точність виміру часу Т. У програмах «CLOCKIL» і «CLOCKIH» виробляється «зчитування на лету» і запам'ятовування стану таймера. Далі програма «CHETII», обробляє величини (N1 і N2 ) двох наступних вимірів «CLOCKI», формує величину, пропорційну часу Т(N2 -N1 =k*T). Програмний блок швидкодіючого контуру керування забезпечує формування впливів по швидкодіючих каналах керування потужністю турбоагрегату. Блок містить у собі програми вводу-виводу інформації, функціональні програми, програми контролю і діагностики. Програма введення аналогових сигналів «INASP» забезпечує зчитування інформації з чотирьох каналів і узгодження масштабів прийнятого сигналу з установленою машинною величиною. Програма введення дискретних сигналів «INSEC» обслуговує 16 каналів дискретної інформації. Програма виводу аналогової інформації «OUTSP» формує керуючий вплив через підсилювач СВУ ЕГП на гідравлічну систему регулювання турбіни. При цьому здійснюється масштабне узгодження числового коду з параметрами керуючого сигналу. Програми введення «INAN1M» і «INAN2M» забезпечують введення і масштабування сигналів від датчиків аналогової інформації, а також контрольних сигналів з виходу ЕЧСР. Програма виводу аналогової інформації «OUTAN» здійснює масштабне узгодження і керування зовнішніми цифро-аналоговими перетворювачами (ЦАП). Керування ведеться через порти рівнобіжного інтерфейсу плати ПСВ01. Програма виводу дискретної інформації «DIOUT» через порти рівнобіжного інтерфейсу плати ПСВ01 і вихідні мультиплексори СР2 керує реле (СКР), що забезпечує формування дискретних команд. Програма «FICMAC» аналогічно програмі «SICMAC» виробляє керуючі команди для алгоритмічної перебудови МКУ. Програма «FORDIN», використовуючи інформаційні масиви програм: «SICMAC» і «FICMAC», а також масив IC, формує масив вихідних керуючих сигналів «DIN», що обробляється програмою «DIOUT». Програми контролю забезпечують підвищення надійності функціонування ЕЧСР, здійснюючи тестування ЕОМ і супутнього УСО. Контроль здійснюється з використанням програмно-апаратних засобів системи ЕЧСР. В ЕОМ контролюється працездатність ОЗП плат ПМВ01, МВ01 шляхом запису, зчитування і порівняння визначених кодів. Для перевірки плати ПСВ01 встановлюється визначений режим плати (множення) і контролюється результат. Названі операції проводяться програмою «TEST», що включається в програмний блок початкового пуску, і блок програм нерегламентованого циклу. Крім того здійснюється контроль плат АВВ01 і ПСВ01 за максимальним часом виконання операцій. Для АВВ01 – це час зчитування інформації з одного каналу, для ПСВ01 час виконання операції множення чи ділення. Реалізується часовий контроль програмою (ТМР), що обслуговує таймер 5, який ініциалізує переривання по 3-му рівні контролера переривань при перевищенні встановленого часу виконання операцій, а також часу роботи програм БКУ і МКУ. Програма ТМР сполучена з програмним файлом «TEST». При порушенні тимчасового циклу відбувається переключення на резервну ЕОМ, а несправна система переходить у режим діагностики «d». У цьому режимі функціонує тільки програма «USOCON», що забезпечує вивід інформації про тип відмовлення на індикатори пульта ЕОМ. У системі задіяні також формовані в ЕОМ сигнали контролю по парності і помилці звертання. Програма контролю вхідних аналогових сигналів забезпечує виявлення несправного каналу і перехід на зчитування інформації зі справного каналу, для дубльованих каналів, і відключення каналу для одинарних. Виявлення несправності супроводжується відповідною індикацією і записом в інформаційний масив. Програма контролю вхідних дискретних сигналів, використовуючи міжмашину магістраль обміну інформацією, виявляє канал, що відмовив, фіксує його стан в інформаційному масиві. Програма контролю вихідних аналогових сигналів «CONTR» здійснює порівняння числових кодів відповідних вихідних сигналів з кодами контрольного масиву (DAN02) аналогової інформації для тих же сигналів. У результаті порівняння виявляється місце відмовлення: у системі ЦАП чи в субблоках САР і СТП. Інформація про несправність заноситься в масив. Програма контролю вихідних дискретних сигналів сполучена з програмним файлом «DIOUT» і дозволяє фіксувати стан контактів усіх вихідних реле. Програмою виробляється порівняння інформації на виході ЕОМ і інформації, що вводиться через мультиплексор СРЛ, про стан контактів СКР. Результати керування фіксуються в інформаційному масиві. Програма «USOCON» узагальнює інформацію всіх програм контролю і формує команди на зміну алгоритму керування в залежності від стану системи, а також готує дані по діагностиці для виводу на пульт ЕОМ і субблок контролю СКС. При цьому програмою фіксуються відмовлення, як у системі УСО, та к і в вузлах мікро-ЕОМ. По факту відмовлення в системі власного УСО ЕОМ або у вузлах самої ЕОМ забезпечується переключення на резервну мікроЕОМ через СКС і переведення ЕОМ у режим діагностики. У режимі діагностики в цикл включена тільки програма «PULT» і програма виводу на пульт індикації на пульт ЕОМ «INOCON». Вивід інформації на пульт здійснюється по факту установки оператором з пульта прапорадіагностики (FLAG+36H=0FFH). Сервісні програми зібрані у файлі «PULT» і обслуговують діалоговий режим «оператор-ЕОМ». Введення команд і індикація здійснюються за допомогою пульта мікро-ЕОМ. При цьому реалізуються наступні режими: 1) індикація і зміна вмісту пам'яті ЕОМ; 2) індикація і зміна стану портів ЕОМ; 3) індикація параметрів обчислювального процесу у відсотках і абсолютних одиницях; 4) запис перехідних процесів двох параметрів в ОЗП ЕОМ; 5) переміщення і порівняння масивів в ОЗП й ін. Блок програм нерегламентованого циклу. Блок складають програми, що не вимагають високої швидкодії. Ці програми організовані в цикл, що перериваються всіма, описаними вище програмними блоками. Програма введення настроєчних коефіцієнтів забезпечує обслуговуючому персоналу можливість робити підстроювання коефіцієнтів системи регулювання за допомогою кнопкового пульта, розміщеного в субблоці перемикачів СП. Програма «TEST» і її призначення розглянуті вище. Програми контролю теплового стану турбіни «POKZPR» і «NAGSPR» забезпечують контроль температурних напружень турбіни й обчислення припустимого діапазону зміни потужності турбоагрегату. Бібліотека підпрограм складається з програм, що реалізують найбільш часто повторювані функції. 5. Розробка програмного субмодуля контролю струму ЕГП 5.1 Розробка алгоритму контролю струму ЕГП Програмний модуль контролю струму ЕГП входить до складу програмного забезпечення швидкодіючого контуру керування. Його призначенням є безупинний контроль значення струму ЕГП. Оскільки струм ЕГП є вихідним аналоговим сигналом, то для його контролю необхідно реалізувати схему зворотного зв'язку між виходом каналу ЕГП і обчислювальною машиною.
Рис. 5.1 Блок-схема алгоритму контролю струму ЕГП Алгоритм контролю струму ЕГП повинен забезпечувати відключення каналу при появі струму, непідтвердженого вхідними вимогами, такими як спрацювання каналу релейного форсування, диференціатора, попереднього захисту блоку (команда РТА 3). Алгоритм контролю струму ЕГП складається з наступних кроків: 1. Виробляється перевірка контрольного струму ЕГП на знак. Значення знаку струму ЕГП зберігається в інформаційному масиві «DUOTC», порядковий номер комірки в масиві – «3», тобто адреса комірки позначається як «DOUTC+3». У випадку позитивного знака в дану комірку буде записаний код «00H», у випадку негативного знака буде записаний код «0FFH». 2. Якщо знак струму ЕГП позитивний, то порівнюємо його з уставкою «+75 МА», у випадку негативного знака робимо порівняння з уставкою «-75 МА». Значення струму ЕГП зберігається в інформаційному масиві «DUOTC» за адресою «DOUTC+2». 3. У випадку перевищення струмом значення уставки, виробляється перевірка чим викликана поява струму ЕГП. Перевірка виробляється зчитуванням з інформаційних масивів кодів, що сигналізують про спрацювання команд РФ, ДИФ, РТА3. Коди для релейного форсування і диференціатора зберігаються в інформаційному масиві «IC», по адресах «IC+84» для «РФ» і «IC+12» для «ДИФ» відповідно. Код для команди «РТА3» зберігається у інформаційному масиві «SEC» за адресою «SEC+12». Ознакою спрацьовування каналу є код «0FFH», у противному випадку в комірці буде знаходитися код «00H». Перевірка виробляється в наступному порядку: а) перевіряється спрацювання каналу «релейної форсировки»; б) перевіряється поява режиму «РОТА3»; в) перевіряється спрацьовування каналу «диференціатора». 4. Якщо спрацював, який-небудь з каналів, то виробляється запис у масив найважливіших параметрів турбіни, таких як потужність турбіни, частота обертання, тиск свіжої пари в головному паровому колекторі і т.д. При цьому також визначається величина неузгодженості (розбіжності) між струмом ЕГП і контрольним струмом ЕГП. У випадку розбіжності вище визначеного значення, відключається канал ЕГП (якщо машина ведуча). 5. Якщо поява струму ЕГП не викликана спрацьовуванням РФ, ДИФ, РТА3, то відключається канал ЕГП записом в інформаційний масив «IC» коду «0FFH» за адресою «IC+132». Програма написана мовою асемблера, тому що дана мова програмування дозволяє генерувати високоефективний код при мінімальному його розмірі. 5.2 Лістінг програми контролю струму ЕГП На основі вище приведеного алгоритму розроблена блок-схема самої програми (рис. 5.2).
Рисунок 5.2 Блок-схема програми контролю струму ЕГП Лістінг програми контролю струму ЕГП приведений в таблиці 5.1 Таблиця 5.1 Лістінг програми контролю струму ЕГП
6. Економічне обґрунтування розробкиВідповідно до правил технічної експлуатації електричних станцій і мереж одним з основних техніко-економічних показників електричної станції є кількість виробленої електроенергії і відпущеного тепла. Кількість виробленої електроенергії прямо залежить від електричної потужності турбіни. ЕЧСР, будучи регулятором турбіни регулює рівень електричної потужності, з чого випливає що від стабільної роботи ЕЧСР залежить кількість виробленої електричної енергії. При порушеннях умов нормальної експлуатації ЕЧСР (приведені вище), на виході каналу ЕГП може з'явитися несанкціонований струм, що не підтверджується вхідними умовами (релейне форсування, диференціатор і т.д.). З появою струму ЕГП можуть закритися регулюючі клапана. Закриття регулювальних клапанів приведе до підвищення тиску свіжої пари в головному паровому колекторі і автоматична система регулювання потужності реактора знизить його потужність до рівня, при якому нормалізується тиск свіжої пари в головному паровому колекторі. Зниження потужності реактора прямо пропорційне ступеню закриття регулювальних клапанів і отже струму ЕГП. Максимальне значення несанкціонованого струму ЕГП дорівнює 75 мА. Цього досить для того, щоб знизити потужність турбіни, і отже реакторної установки, на 30% (700 мВт). Тому темою даного дипломного проекту є розробка програмного субмодуля, що повинен беззупинно контролювати струм ЕГП і аналізувати чи існують умови, необхідні для появи даного струму. З появою несанкціонованого струму ЕГП (тобто струму, що не викликаний умовами, що вимагають його появи), канал ЕГП повинен відключатися. Розрахуємо економічний ефект від упровадження даної розробки. За умовами на обмеження швидкості набору потужності реакторною установкою, при рівні потужності вище 40% від номінальної, швидкість набору потужності складає 0.3% Nном / хв (3 мВт/хв) від номінальної. Розрахуємо час, який необхідно для того, щоб реакторна установка вийшла з рівня потужності 700 мВт на номінальний рівень потужності – 1000 мВт.
При роботі на номінальній потужності, за час рівний T, енергоблок виробить кількість електроенергії, рівне:
При послідовному наборі потужності з рівня 700 мВт до 1000 мВт, енергоблок виробить кількість електроенергії, рівне:
Втрати електричної енергії (недовиробіток електричної енергії) складуть:
Розрахуємо збитки, що понесе АЕС при недовиробітку електричної енергії:
де N – кількість недовиробленої електричної енергії, кВт*год; Р – відпускна ціна електроенергії, коп/кВт*год; S – собівартість електричної енергії, коп/кВт*год.
Отже, впровадження даної розробки дозволяє уникнути розвантаження блоку, при якому відбуваються економічні втрати, які складають 28259 гривень та забезпечується ядерна безпека блоку, що для АЕС є першочерговим завданням порівняно з його економічною ефективністю. 7. Охорона праці 7.1 Організація та управління охороною праці на ВП «ХАЕС»Положення про охорону праці на ВП «ХАЕС» розроблене на підставі Закону України «Про охорону праці» замість раніше діючих «Положеннь про систему керування охороною праці на АЕС», «Положення про навчання, інструктаж і перевірку знань працівників АЕС з охороні праці». Охорона праці – це система правових, соціально-економічних, організаційно-технічних, санітарно-гігієнічних і лікувально-профілактичних заходів і засобів спрямованих на збереження здоров'я і працездатності людини в процесі праці. Єдина система організації роботи з охорони праці і техніки безпеки базується на основних принципах державної політики в області охорони праці: – пріоритету життя і здоров'я персоналу стосовно результатів виробничої діяльності АЕС; – повної відповідальності керівників станції і керівників структурних підрозділів за створення безпечних і нешкідливих умов праці; – соціального захисту персоналу, повного відшкодування збитків особам, що потерпіли внаслідок нещасних випадків на виробництві та в результаті професійних захворювань; – використання економічних методів керування охороною праці, що сприяє створенню безпечних і нешкідливих умов праці; – створення умов праці на робочому місці в повній відповідності з вимогами нормативних актів про охорону праці. До нормативних актів про охорону праці відносяться; правила, стандарти, норми, положення, інструкції й інші документи, яким надана сила правових норм, обов'язкових для виконання (ст. ЗЗ Закону «Про охорону праці»). Впровадження єдиної системи організації роботи з охорони праці і техніки безпеки передбачає: – приведення роботи з охорони праці до визначеної системи з обов'язковою активною участю в цій роботі всього персоналу підприємства; – створення умов, при яких забезпечується не тільки своєчасне усунення порушень, але і їхнє попередження; – участь у профілактичній роботі з попередження виробничого травматизму; постійний контроль з боку всіх ІТП станції за дотриманням працюючих правил по охороні праці і виробничої санітарії; – організацію планування, систематичний облік і контроль по показниках проведеної профілактичної роботи з охорони праці, а також аналіз і щомісячна оцінка цієї роботи в кожному структурному підрозділі; – матеріальне стимулювання колективів структурних підрозділів у досягненні високого рівня в профілактичній роботі з охорони праці за рахунок засобів, які централізовано надаються для цих цілей керівництвом станції засобів з «Фонду охорони праці». – забезпечення безпеки виробничого устаткування, виробничих процесів, безпеки будинків і споруджень, нормалізацію санітарно-гігієнічних умов праці, оптимальних режимів праці і відпочинку, забезпечення працівників засобами індивідуального захисту, організацію лікувально-профілактичного і санітарно-побутового обслуговування. Навчання, інструктажі і перевірка знань з питань охорони праці персоналу повинна бути організована відповідно до «Положення про роботу з персоналом НАЕК «Енергоатом» №00.00252.0700» і «Типовим Положенням про навчання з питань охорони праці», введеним в дію наказом Державного нагляду з охорони праці від 17.02 99 року №27. Персонал перевіряюється на знання тих нормативних актів про охорону праці, дотримання яких входить у їхній обов'язок, визначені посадовими інструкціями чи ЕТКС. Допуск до роботи осіб, що не пройшли навчання і перевірку знань по охороні праці, забороняється. (Підстава – Кодекс законів про працю України ст. 46, затверджений 19.01.95 р.) Відповідно до положення про трьохступеневий контроль (Додаток 12) на АЕС проводяться три ступіні контролю за станом охорони праці: – перша ступінь контролю стану охорони праці проводиться щодня безпосереднім керівником робіт (майстром, бригадиром НСЦ) і оформляється в журналі першої ступіні контролю; – друга ступінь контролю стану охорони праці проводиться щотижня начальником ділянки, цеху служби з метою оцінки ефективності роботи першої ступіні, ролі безпосередніх керівників у забезпеченні безпеки праці й оформляється в журналі другої ступіні контролю; – третя ступінь контролю стану охорони праці проводиться щомісяця в день ВІД, очолюється першим керівником підприємства. За результатами третьої ступіні контролю стану охорони праці видається наказ. Нещасні випадки на виробництві повинні розслідуватися відповідно до «Положення про розслідування й облік нещасних випадків, професійних захворювань і аварій на підприємствах, в установах і організаціях».Затвердженим Кабінетом Міністрів України Постановою №923 від 17 червня 1998 р. Суспільний контроль за дотриманням законодавства про охорону праці здійснюють: – професійні союзи в особі виборних органів і представників; – трудові колективи через обраних ними уповноважених (ст. 46 закону України «Про охорону праці»). Матеріальне заохочення персоналу за досягнуті успіхи в області охорони праці здійснюється з фонду оплати праці. Загальне керівництво роботою по охороні праці і ТБ на АЕС здійснює генеральний директор. Безпосереднє керівництво організаційно-технічною роботою по створенню безпечних і здорових умов праці на АЕС, здійснює заступник генерального директора по ядерній, радіаційній і технічній безпеці. Дотримання вимог Положення про СУОТ є посадовим обов'язком усього персоналу, Знання Положення і його виконання повинне враховуватися при атестації ІТП. Дія «Положення» поширюється на всі структурні підрозділи АЕС. Тема дійсного дипломного проекту: «Розробка програмного модуля контролю струму ЕГП для мікропроцесорної системи керування роботою турбіни енергоблоку з реактором ВВЕР-1000». Приймаючи до уваги тему дипломного проекту в розділі розглянуті питання забезпечення електробезпечності, пожежної і радіаційної безпеки на АЕС. 7.2 Технічні рішення по радіаційній безпеці При експлуатації атомної станції відбувається утворення радіоактивних і нерадіоактивних хімічних речовин (відходів). Радіоактивні відходи неможливо знешкодити звичайним шляхом. Усі вони підлягають відповідній обробці і похованню [1]. Рішення даної проблеми лежить у зменшенні кількості відходів (аж до повної їх ліквідації) або максимальна утилізація, правильне збереження відходів та правильне поводження з ними. Головна умова існування і подальшого розвитку атомної енергетики: безпека здоров'я персоналу і населення, що проживає в прилеглих районах. 7.2.1 Джерела радіаційної небезпеки на АЕС Основні джерела іонізуючого випромінювання на АЕС: 1. нейтронні і g-випромінювання активної зони реактора; 2. радіоактивні гази та аерозолі, що утворюються в процесі розпаду 3. радіоактивного палива; 4. продукти корозії матеріалів устаткування і трубопроводів першого контуру, а також матеріалів активної зони, що активуються, беручи участь в циркуляції теплоносія через активну зону; 5. власна активність теплоносія; 6. радіоактивні гази та аерозолі в повітрі технологічних приміщень. Основне радіаційно-небезпечне устаткування: реактор, внутрішньокорпусні пристрої, активний теплоносій, басейн витримки і перевантаження, відпрацьоване паливо, трубопроводи та устаткування 1-го контуру (ГЦН, ПГ, КТ, СВО), системи доспалювання водню та спецгазоочистки, фільтри вентиляційних систем реакторного відділення, сховища рідких і твердих радіоактивних відходів, системи спецводоочистки спецкорпуса. Джерелом нейтронів є працюючий реактор. Під дією нейтронів в реакторі відбувається активація теплоносія, конструкційних матеріалів, а також продуктів корозії устаткування і трубопроводів. При розпаді урану в реакторі утворюються осколкові продукти розпаду. При цьому утворюються радіоактивні ізотопи, що є джерелами g-, b – та нейтронного випромінювання. Джерела газо-аерозольної активності, забруднення приміщень та устаткування – теплоносій 1-го контуру, при протічках якого, у випадку порушення герметичності устаткування та трубопроводів або при здійсненні ремонтних робіт, в повітрі приміщень з'являються радіоактивні гази, йод, аерозолі, а поверхні приміщень та устаткування забруднюються радіоактивними речовинами. Внесок у дозу a-випромінювачів при нормальній експлуатації ЯППУ малий, тому що вплив таких випромінювачів на персонал практично виключається конструкцією тепловиділяючих елементів, реактора і біологічного захисту. 7.2.2 Біологічний захист Захистом від іонізуючих випромінювань (ІВ) активної зони є біологічний захист реактора. Він забезпечує зниження щільності потоку нейтронного і g-випромінювань до значень, що забезпечують в приміщеннях АЕС потужність дози, регламентовану санітарними правилами проектування і експлуатації АЕС – СП-АЕС-79. Параметри захисту такі, що гранично допустима доза (ГДД) опромінення персоналу (осіб категорії А) не перевищує 2 бер в рік [2]. Захист від випромінювань також знижує щільність потоку випромінювань на конструкційні матеріали, зменшує радіаційне тепловиділення в конструкційних матеріалах і матеріалах захисту до припустимих значень. Основними матеріалами для захисту обрані бетон, залізобетон, спеціальний бетон, чавунний дріб, сталь, вода. Устаткування реакторної установки ВВЕР-1000 розміщаємо в захисній оболонці. Захисна оболонка являє собою циліндр з плоским днищем та сферичним куполом з монолітного попередньо напруженого залізобетону з внутрішнім геометичним облицюванням сталевими листами товщиною 8 мм. В центрі захисної оболонки розташована циліндрична шахта реактора, що складається з шару спеціального бетону товщиною 65 см (внутрішній шар шахти), і шару звичайного бетону товщиною 3 м (зовнішній шар). Шахта реактора з'єднується з корпусом реактора на рівні верхнього фланця бетонною консоллю товщиною 1 м, а в районі нижніх патрубків у просторі між корпусом і шахтою розміщені спеціальні захисні блоки із засипкою з чавунного дробу, піску, карбіду бора. Між біологічним захистом і корпусом реактора нижче зони патрубків розташовуємо теплову ізоляцію (тепловий екран), набрану зі сталевих листів загальною товщиною 120 мм. Зверху шахта реактора перекрита захисним ковпаком зі сталі товщиною 2,5 см і бетону 12,5 см. До шахти реактора примикають бокси ПГ і ГЦН. Трубопроводи і кабелі, що зв'язують розташоване всередині оболонки устаткування реакторної оболонки з зовнішнім устаткуванням, проходять через спеціальні герметичні проходки. Для проходу персоналу передбачені основний і аварійний шлюзи. Вантажі транспортуються через люк, що герметично ущільнюється. Зовнішній діаметр оболонки 45 м, висота 76 м. Захисна оболонка служить біологічним захистом реакторного контуру. 7.2.3 Захист від радіоактивних газів та аерозолей Радіоактивні гази та аерозолі утворюються в процесі розпаду радіоактивного палива. Їх вихід у зовнішнє середовище можливий внаслідок порушення герметичності ТВЕЛ. Герметичність ТВЕЛ забезпечується наступними конструкційними рішеннями: оболонка ТВЕЛ, що являє собою трубку з цирконієвого сплаву зовнішнім діаметром 9,1 мм, герметизируется з торців спеціальними сталевими наконечниками. Наконечники з'єднуються з цирконієвою оболонкою аргонодуговим зварюванням; Для контролю герметичності оболонки ТВЕЛа його внутрішня порожнина заповнюється інертним газом з невеликим надлишковим тиском; Між оболонкою і сердечником ТВЕЛа передбачений зазор товщиною 0,05–0,1 см для компенсації температурних розширень, тому що температура сердечника значно вище температури оболонки; Для скупчення газоподібних продуктів розпаду залишає вільні торцеві об’єми. Центральний отвір і простір під оболонкою служить додатковою ємністю для газових продуктів розпаду, які накопичуються. 2.4 Зниження радіоактивності теплоносія реакторного контуру Радіоактивність теплоносія 1-го контуру обумовлюється проникненням в нього благородних газів та продуктів розпаду радіоактивного палива при порушенні герметичності ТВЕЛів, змивом радіоактивних забруднень з поверхні ТВЕЛів, радіолізом теплоносія і наведеною активністю природних домішок і продуктів корозії конструкційних матеріалів, що містяться в теплоносії. По ОПБ-88 питома активність водяного теплоносія реакторного контуру не повинна перевищувати 3,7х106 Бк/кг, а активність води парогенераторного контуру – 3,7 Бк/кг. Ріст активності теплоносія в процесі експлуатації АЕС погіршує радіаційну обстановку на станції. З метою зменшення радіоактивності теплоносія проводимо байпасну очистку і вибираємо раціональний водяний режим. Байпасна очистка першого контуру призначена для безупинного очищення теплоносія від шкідливих домішок. Постійну байпасну очистку в реакторному контурі здійснюють на установці спецводоочистки СВО-1. Запобігання виходу продуктів розпаду ядерного палива в теплоносії забезпечується герметичністю ТВЕЛів. ТВЕЛи піддаються багаторазовій перевірці на герметичність як на заводі виробнику, так і при їх експлуатації на АЕС. Раціональний водяний режим, що знижує радіоактивність теплоносія реакторного контуру – це режим, що припиняє або істотно зменшує інтенсивність фізико-хімічних процесів, що приводять до активації теплоносія. До останніх насамперед відносяться корозія матеріалів реакторного контуру та активація різних домішок в теплоносії. 7.2.5 Зонування приміщень, вентиляція, знешкодження радіоактивних аерозолей Відповідно до ОСП-72/87 і СП АС-88 приміщення АЕС поділяємо на дві зони: 1-зона вільного режиму, де можливий радіаційний вплив на працюючих, не перевищує припустимих рівнів непрофесійного опромінення (0,5 бер/рік) (адміністративно-службові приміщення, їдальні, майстерні по ремонту не забрудненого радіонуклідами устаткування та ін.); 2-зона строго режиму, де можливий вплив на працюючих зовнішнього випромінювання, наявність радіоактивних газо-аерозолей в повітрі і забруднення устаткування та приміщень радіоактивними речовинами. В зоні строго режиму виділяються три групи приміщень: I – ті, що необслуговуються – бокси, камери та інші герметичні приміщення реакторного контуру. В них, при роботі реактора, перебування персоналу не допускається; II – ті, що напівобслуговуються – приміщення обслуговування устаткування при його розробці, тимчасового збереження відходів та ін. В них, при працюючому устаткуванні, допускається короткочасне перебування персоналу; III – ті, що обслуговуються – щитові, операторські, центральний зал. У них допускається постійне перебування персоналу. Між приміщеннями II і III груп розміщені саншлюзи, а між приміщеннями зони строго і вільного режимів – санпропускники. Знижуємо активність аерозолей, радіонуклідів йоду, інертних радіоактивних газів (ІРГ) до припустимих значень за допомогою очищення газо-аерозольних викидів АЕС. Оскільки радіоактивні ізотопи йоду в повітрі, що очищається, присутні в різних агрегатних і хімічних формах (аерозолі, молекули, органічні сполуки), то для уловлювання йоду застосовуємо наступні фільтри: 1. аерозольні фільтри для йоду в аерозольній формі; 2. вугільні не імпрегніровані фільтри для молекулярного йоду; 3. вугільні імпрегніровані фільтри для органічних сполук йоду. До газоподібних радіоактивних відходів відносяться інертні радіоактивні гази (ІРГ), аэрозоли, що утворяться в результаті розпаду палива, які виходять в теплоносій 1-го контуру через нещільності в ТВЕЛах та в повітря приміщень через негерметичне устаткування. Під терміном ІРГ приймається будь-яка суміш інертних радіоактивних газів-ізотопів: аргону, криптону, ксенону. 7.2.6 Системи локалізації аварій Локалізація та обмеження наслідків аварій, імовірність яких цілком реальна, досягається як за рахунок віддалення АЕС від населених пунктів, так і технічних засобів. Системи локалізації розраховуються на максимальну проектну аварію (МПА). Для реакторів ВВЕР МПА є раптовий розрив трубопроводу максимального діаметра в головному циркуляційному контурі (ГЦК). МПА супроводжується різким погіршенням теплообміну, витіканням теплоносія в реакторне приміщення і підвищенням тиску в ньому. При цьому, якщо не забезпечити надійне розхолодження активної зони, відбувається розгерметизація ТВЕЛів і вихід радіоактивних продуктів поділу в теплоносій. Підвищення тиску під захисною оболонкою може привести до її руйнування і виходу радіоактивних продуктів (вода, пара, гази) в навколишнє середовище. Для забезпечення локалізації та обмеження наслідків аварій, реакторна установка обладнана: 1. Системою аварійного охолодження зони (САОЗ). САОЗ складається з пасивної та активної систем. Система пасивного вприскування складається з чотирьох гідроакумуляторів заповнених водою з присадкою борної кислоти. Система активного вприскування містить в собі: а) насоси низького тиску; б) насоси низького тиску; в) баки аварійного запасу борированой води; 2. Системою аварійного розхолодження і тривалого відводу залишкового тепловиділення; 3. Захистом від підвищення тиску. Система містить в собі запобіжні клапани, що служать для захисту устаткування АЕС від перевищення тиску при аваріях. Такими клапанами оснащений компенсатор об’єму і його барботер, а також парові контури парогенераторів. В другому контурі використовуються швидкодіючі редукційні установки для скидання чистої пари в конденсатори турбін і атмосферу; 4. Системою локалізації наслідків аварій. Система містить в собі: а) гермооболочку, що запобігає попаданню радіоактивних продуктів (вода, пара, гази) в навколишнє середовище; б) спринклерні установки, що конденсують пар, який накопичується під оболонкою, зменшуючи тим самим тиск під оболонкою і запобігаючи її руйнуванню. 7.2.7 Радіаційний контроль Розрізняють наступні функції системи РК: а) Радіаційний контроль стану захисних бар'єрів: Вимірювання активності теплоносія I-го контуру або об'ємної активності групи радіонуклідів, що характеризують герметичність оболонок ТВЕЛів; Вимірювання активності технологічних середовищ, зв'язаних з устаткуванням I-го контуру і характеризуючих його герметичність (парогенератори, теплообмінники та ін.); Вимірювання об'ємної активності радіонуклідів і потужності дози g-випромінювання в захисній оболонці і на можливих шляхах виходу радіоактивності з неї, що характеризують герметичність I-го контуру в межах гермооболочки, а також щільність самої гермооболочки; Вимірювання об'ємної активності радіонуклідів в технологічних середовищах, в повітрі вентиляційних систем, потужності дози g-випромінювання на території промплощадки. б) Радіаційний технологічний контроль: Вимірювання об'ємної активності технологічних середовищ, в тому числі до і після фільтрів спецводоочистки, вентиляції і спецгазоочистки; в) Радіаційний дозиметричний контроль: Вимірювання потужності дози g-випромінювання в приміщеннях, що обслуговуються, в приміщеннях, що напівобслуговуються, та на промплощадці АЕС; Вимірювання об'ємної активності аерозолей, ізотопів йоду, інертних радіоактивних газів в приміщеннях, що обслуговуються і в приміщеннях, що напівобслуговуються; Вимірюванняі щільності потоку b-випромінювання в приміщеннях, що обслуговуються, приміщеннях що напівобслуговуються і на промплощадці АЕС. г) Радіаційний контроль за нерозповсюдженням радіоактивності за допомогою стаціонарних і переносних засобів вимірювання: Вимірювання рівня забруднення радіоактивними речовинами виробничих приміщень і устаткування, шкірних покривів, взуття, виробничого одягу, засобів індивідуального захисту персоналу і використовуваних транспортних засобів при перетинанні ними границі ЗСР; Вимірювання рівня забруднення радіоактивними речовинами (потужність дози g-випромінювання) особистого одягу і взуття персоналу при перетинанні їми границі території АЕС; Вимірювання рівня забруднення радіоактивними речовинами (потужність дози g-випромінювання) транспортних засобів і вантажів при перетинанні ними границі території АЕС. д) Радіаційний контроль навколишнього середовища: Вимірювання активності і радіонуклідного складу організованого викиду в атмосферу аерозолей, ізотопів йоду, інертних радіоактивних газів. У вентиляційних трубах АЕС здійснюється вимірювання концентрацій радіоактивних речовин і сумарного викиду ІРГ, радіоактивного йоду і довгоживучих ізотопів аерозолей, вимірювання об'ємної активності і радіонуклідного складу викидів та рідких радіоактивних відходів; Вимір активності і радіонуклідного складу твердих радіоактивних відходів; Вимірювання активності і радіонуклідного складу витоку радіоактивних речовин; Вимірювання потужності дози g-випромінювання і річної дози на місцевості в санітарно захисній зоні та зоні спостереження; Вимірювання об'ємної активності приземного повітря; Визначення погодних умов в районі розташування АЕС. е) Організація індивідуального дозиметричного контролю. Індивідуальний дозиметричний контроль опромінення персоналу робіт передбачає: Вимірювання потужності дози зовнішнього гама, нейтронного випромінювання; Вимірювання концентрації радіонуклідів в повітрі робочої зони; Вимірювання вмісту радіоактивних речовин в організмі. Вимірювання доз зовнішнього гама опромінення індивідуальними дозиметрами; Вимірювання доз зовнішнього нейтронного опромінення. 7.3 Електробезпека Електробезпека – це система організаційних заходів і технічних засобів, що забезпечують захист людей від шкідливого і небезпечного впливу електричного струму, електричної дуги, електромагнітного поля та статичної електрики. На АЕС з ВВЕР-1000 передбачені наступні мережі електропостачання споживачів власних потреб: Мережа 380/220В, 50Гц із заземленою нейтраллю надійного живлення споживачів першої групи, що терплять перерву в живленні на час не більше ніж долі секунди; Мережі 220, 110, 48, 24В постійного струму для живлення першої групи споживачів; Мережі 6кВ з ізольованою нейтраллю та 380/220В, 50Гц з заземленою нейтраллю надійного живлення другої групи споживачів, що терплять перерву в живленні на час від 15с до декількох хвилин; Мережі 6кВ з ізольованою нейтралью та 380/220В, 50Гц з ізольованою нейтралью для живлення третьої групи споживачів, які не пред'являють особливих вимог. Більшість приміщень реакторного відділення і машинного залу відносяться до «особливо небезпечних». Небезпека ураження електрострумом пов'язана з рядом факторів: підвищене тепловиділення устаткування; підвищена вологість; можливість одночасного дотику людини до трубопроводів, іншого металевого устаткування, що мають контакт з землею, і до металевих корпусів електродвигунів, електричних зборок, яків в результаті ушкодження ізоляції можуть потрапити під напругу. В залежності від умов, що підвищують чи знижують небезпеку поразки струмом людини, по ПУЕ приміщення поділяються на три категорії: II – приміщення з підвищеною небезпекою, що характеризуються наявністю в них однієї з наступних умов: вогкістю, високою температурою, струмопровідними підлогами, можливістю одночасного дотику до металевих елементів технологічного устаткування, які мають з'єднання з землею. III – особливонебезпечні приміщення, що характеризуються наявністю високої відносної вологості (близької до 100%) або хімічно активного середовища, негативнодіючих на ізоляцію устаткування, чи одночасною наявністю двох чи більше умов, що відповідають приміщенням з підвищеною небезпекою. I – приміщення, в яких відсутні усі вищевказані умови. 7.3.1 Технічні рішення по запобіганню електротравматизма від дотику до нормально струмопровідних частин Техрішення, спрямовані на запобігання дотиків людини до нормально струмопровідних частин або на зменшення струму, що проходить через людину у випадку контакту. Електробезпека забезпечується відповідною конструкцією електроустановок, застосуванням технічних способів і засобів захисту, організаційними і технічними заходами [3,4]. Конструкція електроустановок повинна відповідати умовам їхньої експлуатації і забезпечувати захист персоналу від контакту з струмопровідними і рухомими частинами, а обладнання від попадання всередину сторонніх твердих предметів та води. До цих техрішень відносяться: 1) Огородження струмопровідних частин ширмами; 2) Струмопровідні частини розміщують в шафах, що закриваються та камерах; 3) Застосування прихованої проводки, кабелі прокладають в спеціальних жолобах, які додатково ізолюються один від одного розчином алебастру; 4) Освітлювальні лампи знаходяться на висоті 2,5 метра; 5) Застосування пониженоїнапруги (лініяпереносного освітлення, обладнана спеціальними розетками-12В). В центральному залі, в приреакторних приміщеннях під час ремонту обладнання з метою забезпечення електробезпеки обслуговуючого та ремонтного персоналу, використовуються інструменти та електроосвітлення напругою 42В; 6) В середині та ззовні електроустановок передбачені попереджувальні знаки, а також наявні блокировки безпеки, які відключають напругу зі струмопровідних частин; 7) Весь персонал, обслуговуючий електроустановки, оснащений індивідуальними засобами захисту: гумові рукавиці, гумові галоші, коврики та ізольований інструмент; 8) Експлуатація електроустановок допускається при Rізол ³ 0,5 кОм/В (провіряється періодично, контроль ізоляції); 9) Корпуса електроустановок ізольовані від струмопровідних частин та заземлені; 10) Передбачено застосування спеціальних захисних пристроїв: ізолюючі штанги, кліщі та ін.; 11) До обслуговування електроустановок допускаються особи старші 18 років, які мають допуск з атестацією (переатестацією). 7.3.2 Технічні рішення по запобіганню электротравматизму при переході напруги на нормально неструмоведучі частини. Технічним рішенням, спрямованим на запобігання электротравматизма при аварійному режимі роботи електроустановок є застосування захисного заземлення і зануления [3,4,5]. 7.3.2.1 Захисне заземлення Відповідно до ДСТУ 12.1.009–76 захисним заземленням називається примусове електричне з'єднання з землею або її еквівалентом металевих неструмоведучих частин, що можуть виявитися під напругою. На АЕС захисне заземлення використовують споживачі власних потреб: 1. Першої групи, що живляться від мереж 220В та 110В постійного струму; 2. Другої групи, що живляться від мереж 6кВ з ізольованою нейтраллю; 3. Третьої групи, що живляться від мереж 6кВ з ізольованою нейтраллю та 380/220В, 50 Гц з ізольованою нейтраллю. Заземлення виконують за контурною схемою. Споживачі приєднують до внутрішнього контуру заземлення (всередині приміщення), що в свою чергу з'єднаний із зовнішнім контуром (навколо будинку). 7.3.2.2 Розрахунок захисного заземлення В даному розділі магістерскої роботи необхідно розрахувати заземлюючий пристрій для заземлення електродвигуна при наступних вихідних даних: грунт – суглинок з питомим електричним опором r = 100 Ом·м; в якості заземлювачів прийнято сталеві труби діаметром d = 70 мм і довжиною l = 3,5 м, розміщені вертикально і з’єднані зварюванням сталевою штабою 35· 4 мм; потужність електродвигуна U=7 кВт, n = 1500 хв-1 ; потужність трансформатора 150 кВ·А, допустимий по нормах опір заземлюючого пристрою [ r3 ] < = 6 Ом. Розрахунок: Визначаємо опір одиночного вертикального заземлювача Rв, по формулі:
де t – відстань від середини заземлювача до поверхні ґрунту, м; l, d – довжина і діаметр стержневого заземлювача, м. Розрахунковий питомий опір ґрунту
де y – коефіцієнт сезонності, який враховує можливість підвищення опору ґрунту на протязі року. Приймаємо y = 1.7, для першої кліматичної зони, тоді
Визначаємо опір сталевої штаби, яка з’єднує стержневі заземлювачі
де l – довжина полоси, м; d=0.5b (b – ширина полоси, рівна 0.08 м ). Визначаємо розрахунковий питомий опір ґрунту rрозр при використанні з’єднувальної штаби у вигляді горизонтального електрода довжиною 50 м. При довжині полоси 50 м, y ¢ =5.9 , тоді r ¢ розр = r · y = 100·5.9 = 590 Ом·м
Визначаємо орієнтовне число n одиночних стержневих заземлювачів по формулі
де
Приймаємо розміщення вертикальних заземлювачів по контуру з відстанню між суміжними заземлювачами рівною 2l. По табличним даним знайдемо дійсні значення коефіцієнтів використання Визначаємо необхідне число вертикальних заземлювачів
Визначаємо загальний розрахунковий опір заземлюючого пристрою R з врахуванням з’єднувальної штаби
Правильно розрахований заземлюючий пристрій повинен відповідати умові R<=[r3]. Розрахунок виконано вірно, так як 3.7 < 6. 7.3.2.3 Занулення Відповідно до ДСТУ 12.1.009–76 зануленням називається примусове електричне з'єднання з нульовим захисним провідником металевих неструмоведучих частин, що можуть виявитися під напругою. Занулення застосовується в трифазній мережі з заземленою нейтраллю напругою до 1000 В. В даному випадку (для АЕС) це мережа 380/220 В, 50 Гц із заземленою нейтраллю надійного живлення споживачів першої групи. У такій мережі нейтраль джерела струму (генератора чи трансформатора) приєднана до заземлювача за допомогою заземлювального. Цей заземлювач розташовується поблизу джерела живленя або (в окремих випадках) біля стіни будинку, в якому він знаходиться. 7.3.3 Технічні рішення по системі електрозахисних засобів Електрозахисними засобами називаються переносні вироби, що служать для захисту людей, які працюють з електроустановками від ураження електричним струмом, від впливу електричної дуги та електромагнітного поля. По своєму призначенню засоби захисту людей умовно розділені на ізолюючі, обгороджуючі та допоміжні [3; 4]. Ізолюючі засоби захисту призначені для ізоляції людини від частин електроустановок, що знаходяться під напругою і від землі і поділяються на: 1. Основні ізолюючі засоби, що мають ізоляцію, яка витримує працюючу напругу електроустановки (ізолюючі штанги, кліщі, діелектричні рукавички та ін.); 2. Додаткові ізолюючі засоби, що мають недостатні ізолюючі властивості і призначені для посилення захисної дії засобів (діелектричні галоші, коврики, ізолюючі підставки). Обгороджуючі ахисні засоби призначені для тимчасового огородження струмоведучих частин, які знаходяться під напругою (щити, бар'єри, обгороджувальні клітки). Допоміжні захисні засоби служать для захисту персоналу від випадкового падіння з висоти (запобіжні пояси), для забезпечення безпечного підьому на висоту (сходи), для захисту персоналу від світлових, теплових, механічних і хімічних впливів електричного струму (захисні окуляри, рукавиці та ін.). 7.4 Пожежна безпека Пожежна безпека – стан об'єкта, при якому з заданою імовірністю виключається можливість пожежі, або забезпечуються умови для його виявлення, обмеження переміщення пожежі, захист людей і матеріальних цінностей. До факторів, що становлять пожежну небезпеку на блоці з реактором ВВЕР-1000, відносяться: 1. Електропроводка; 2. Мастильне господарство; 3. Система охолодження електрогенератора (охолодження воднем); 4. Дизельгенераторна станція; 5. Ацителен-киснева підстанція. А також інші об'єкти, на яких присутні: горючі речовини, окислювач і джерело пожежі. Джерела пожеж: вибухи газу, коротке замикання електричних кабелів, попадання масла на гарячі ділянки обладнання, помилки персоналу при поводженні з вогнем в процесі ремонтних робіт, перевірок системи. Поява водню в системі АЕС з реактором ВВЕР-1000 обумовлена розкладанням води під дією опромінення. Показники пожежонебезпечних горючих газів та рідин, які використовуються на АЕС, приведені в табл. 7.1. Таблиця 7.1 – Показники вибухо – та пожежонебезпечних горючих газів та рідин на АЕС
На підставі пожежних властивостей матеріалів і речовин, що застосовуються на виробництві, з урахуванням їх кількості, розмірів виробничих приміщень і особливостей технічного процесу, визначають категорію приміщень по вибухо-пожежній та пожежній небезпеці, а також клас зон приміщень і зовнішніх установок. Категорія і класи приміщень АЕС представлені в таблиці 7.2 Таблиця 7.2. Ступінь вогнестійкості приміщень по СНіП2.01.02. – 85
7.4.1 Технічні рішення системи запобігання пожеж Tехнічні рішення системи запобігання пожеж обумовлені наявністю горючих речовин, окислювачів і джерел пожеж. Для запобігання пожеж необхідно не допустити утворення горючої суміші (або горючої речовини, або окислювача), або джерела запалення. Дані технічні рішення прийняті на підставі [6]. В головному корпусі забороняється розміщення приміщень категорій А, Б та В. В електротехнічних приміщеннях і приміщеннях систем безпеки не допускається прокладка трубопроводів з гарячим середовищем. З метою запобігання неконтрольованого витоку масла в аварійних ситуаціях, прорізи машинного відділення повинні мати бортики висотою не менш 10 см. Напірні маслопроводи виконувати з безшовних труб. Баки аварійного зливу масла з турбогенераторів і інших ємностей знаходяться поза головним корпусом. Злив масла здійснюється за 15 хвилин. На зливальній магістралі передбачені дві засувки, одна з яких опломбована у відкритому положенні. Через приміщення мазуто- і маслогосподарства не допускається прокладка трубопроводів з киснем, ацетиленом та ін. горючими газами. Маслонаповнені трансформатори розташовувати на відстані не менше 10 м від стін ГК, в яких є віконні прорізи, а зовнішні евакуаційні сходи – на відстані не менш 20 м від цих трансформаторів чи інших електротехнічних пристроїв. Кабелі прокладати на відстані більше 1 м від нагрітих поверхонь або захищають екранами з незгоряємих матеріалів. Прокладка кабелів паралельно мазутопроводам, газопроводам та іншим трубопроводам з горючими рідинами не допускається. Концентрацію горючих газів підтримувати поза межами їхнього загоряння, шляхом вентиляції виробничих приміщень. Для герметичної зони встановити витяжну вентиляційну систему герметичних приміщень. На маслосистемах виконати трубопроводи аварійного дренування масла. Діаметр зливних трубопроводів повинен забезпечувати злив масла в аварійну ємність за 15 хвилин; Для організованого відводу і допалювання водню, який утворюється в теплоносії I-го контуру, використовувати систему допалювання водню. Склади дизельного палива, маслогосподарства, масловмісні трансформатори забезпечити пристроями громовідводу. Маслопроводи прокладати осторонь від гарячих джерел, або відгороджуватися від них спеціальними коробами. Застосувати системи охолодження підшипників (запобігання загоряння масла). Застосовувати запобіжники для запобігання запалення електропроводки. Все електричне обладнання і металеві частини металоконструкцій надійно заземлити. 7.4.2 Технічні рішення системи протипожежного захисту Технічні рішення системи протипожежного захисту спрямовані на обмеження поширення пожеж, захист людей і матеріальних цінностей від пожеж, на створення умов для швидкої ліквідації пожеж, і являють собою наступні технічні рішення. 1. Функції протипожежних перешкод виконують обгороджувальні та несучі конструкції з межею вогнестійкості не менше 1,5 години згідно «Протипожежних норм проектування АЕС». 2. Зливи дизельного палива розташовувати на відстані 20 м від стін головного корпусу. 3. Для збереження міцності несучих металоконструкцій і перекриттів машинних залів використовувати мастійку. 4. Кабелі систем пожежної сигналізації і пожежегасіння прокласти поза приміщеннями, які захищаються цими системами. 5.В протяжних кабельних спорудженнях організувати перемички з негорючого матеріалу через кожні 50 м з межею вогнестійкості не менше 0,75 години. 6.В металевих кабельних коробах через кожні 30 м на горизонтальних ділянках і через 20 м на вертикальних встановити вогнезагороджувальні пояса. 7.В приміщеннях щитів керування горючі кабелі в коробах і панелях покривати вогнезахисним шаром. 8. Організувати у всіх будинках евакуаційні виходи не менше двох на поверсі. 9.В системах пожежної сигналізації на АЕС використовувати автоматичні пожежні оповіщувачі: НДФ-1 іонізаційні димові; ДИП-1 і ДИП-2 димові; ДПП-1 датчики максимальної дії; контактні; РИД-6 димові радіаційні. Як прийомні пристрої використовуються пульти пожежної сигналізації ППС-1, ППС-3, РУПИ-1; 10. Для локалізації невеликого загоряння застосовувати первинні засоби пожежегасіння ОУ-2, ОИ-5, ОУ-8, ОХП-10, ОПС-10, ОВП-5, УП-1М. 11. Передбачити автоматичні установки пожежегасіння дренчерного типу. 12. Використовувати систему пожежегасіння до складу якої входять: – трубопроводи з водою під тиском, система дренчерів (в приміщеннях з підвищеною пожежною небезпекою); – сухотруб, система спринклерів; – пожежні крани, гідранти (розташовані на сходових клітках і в приміщеннях з підвищеною пожежною небезпекою). Вид, кількість та розміщення засобів пожежогасіння по об’єктах АЕС відповідають «Правилам пожежної безпеки України». Висновок Відповідно до правил технічної експлуатації електричних станцій і мереж одним з основних техніко-економічних показників електричної станції є кількість виробленої електроенергії і відпущеного тепла. Кількість виробленої електроенергії прямо залежить від електричної потужності турбіни. ЕЧСР, будучи регулятором турбіни регулює рівень електричної потужності, з чого випливає що від стабільної роботи ЕЧСР залежить кількість виробленої електричної енергії. При порушеннях умов нормальної експлуатації ЕЧСР, на виході каналу ЕГП може з'явитися несанкціонований струм, що не підтверджується вхідними умовами (релейне форсування, диференціатор і т.д.). З появою струму ЕГП можуть закритися регулюючі клапана. Закриття регулювальних клапанів приведе до підвищення тиску свіжої пари в головному паровому колекторі і автоматична система регулювання потужності реактора знизить його потужність до рівня, при якому нормалізується тиск свіжої пари в головному паровому колекторі. Зниження потужності реактора прямо пропорційно ступеню закриття регулювальних клапанів і отже струму ЕГП. Максимальне значення несанкціонованого струму ЕГП дорівнює 75 мА. Цього досить для того, щоб знизити потужність турбіни, і отже реакторної установки, на 30% (700 мВт). Для вирішення цієї проблеми в даній роботі запропонована програма контролю струму електрогідравлічного перетворювача, що беззупинно контролює струм ЕГП і аналізує чи існують умови, необхідні для появи даного струму. З появою несанкціонованого струму ЕГП (тобто струму, що не викликаний умовами, які вимагають його появи), канал ЕГП відключається. Отже, впровадження даної розробки дозволяє уникнути розвантаження блоку, при якому відбуваються економічні втрати, в розмірі 28259 гривень та забезпечується ядерна безпека енергоблоку, що для АЕС є першочерговим завданням порівняно з його економічною ефективністю. 1. Воскобойников В.В. Устройство и обслуживание оборудования. АЭС, – М: Высш.шк., 1991. – 304 с.:ил. 2. Ганчев Б.Г, Калишевский Л.Л., Р.С. Демешев и др. Ядерные энергетические установки. М.: Энергоатомиздат, 1990–629 с.: ил. a. Маргулова Т.Х. Атомные электрические станции. – 4-е изд., перераб. и доп. М.: Высшая школа, 1984–304 с. 3. Инструкция по эксплуатации реакторной установки энергоблока №1ХАЭС 1.РЦ.0061.ИЭ 4. Ядерные энергетические установки, под редакцией Н.А. Доллежаля, Москва Энергоатомиздат, 1990. 5. «Электронная часть системы регулирования турбогенератора (ЭЧ СРТ) К-1000–60\3000 БЛОК №1,2» Инструкция по эксплуатации. 0.ЦА.0503.ИЭ-04 6. Электронная часть системы регулирования турбоустановки ТУ.У 33.3–143155500–012–2001 7. Основные санитарные правила работы с радиоактивными веществами ОСПУ-97. 8. Нормы радиационной безопасности Украины НРБУ-97. 9. ГОСТ12.1.019–79 ССБТ. Электробезопасность. Общие требования и номенклатура видов защиты. 10. ДНАОП 1.1.10–1.01–97 Правила безопасной эксплуатации электроустановок. 11. СНиП 2.01.12–85. – Строительные нормы и правила. Противопжарные нормы проектирования зданий и сооружений.-М.:Стройиздат, 1986. – 535 с. 12. ГОСТ12.1.004–85.ССБТ. Пожарная безопасность, общие требования.-М.:Госкомстандарт СССР, 1985. – 48 с. 13. Противопожарные нормы проектирования АЭС. ВСН 01–87.-М.:Минэнерго, 1987. – 26 с. |
|||||||||||||||||||||||||||||||||||||||||||||||||||||||||||||||||||||||||||||||||||||||||||||||||||||||||||||||||||||||||||||||||||||||||||||||||||||||||||||||||||||||||||||||||||||||||||||||||||||||||||||||||||||||||||||||||||||||||||||||||||||||||||||||||||||||||||||||||||||||||||||||||||||||||||||||||||||||||||||||||||||||||||||||||||||||||||||||||||||||||||||||||||||||||||||||||||||||||||||||||||||||||||||||||||||||||||||||||||||||||||||||||||||||||||||||||||||||||||||||||||||||||||||||||||||||||||||||||||||||||||||||||||||||||||||||||||||||||||||||||||||||||||||||||||||||||||||||||||||||||||||||||||||||||||||||||||||||||||||||||||||||||||||||||||||||||||||||||||||||||||||||||||||||||||||||||||||||||||||||||||||||||||||||||||||||||||||||||||||||||||||||||||||||||||||||||||||||||||||||||||||||||||||||||||||||||||||||||||||||||||||||||||||||||||||||||||||||||||||||||||||||||||||||||||||||||||||||||||||||||||||||||||||||||||||||||||||||||||||||||||||||||||||||||||||||||||||||||||||||










,