Реферат: Тепловые методы НК
|
Название: Тепловые методы НК Раздел: Рефераты по физике Тип: реферат |
БЕЛОРУССКИЙ ГОСУДАРСТВЕННЫЙ УНИВЕРСИТЕТ ИНФОРМАТИКИ И РАДИОЭЛЕКТРОНИКИ Кафедра ЭТТ РЕФЕРАТ На тему: «Тепловые методы НК» МИНСК, 2008 В зависимости от назначения и области применения тепловой НК разделяют на тепловую дефектоскопию, бесконтактную пирометрию и тепловидение. Объектами тепловой дефектоскопии являются дефектные структуры, содержащие трещины, пустоты, поры, раковины, места непровара, непроклея, плохой тепло- и электроизоляции, неоднородности состава, посторонние примеси, места термического и усталостного перенапряжения и др. дефекты. Методы тепловой дефектоскопии предусматривают качественный контроль тепловой неоднородности контролируемых объектов. Методы бесконтактной пирометрии используют для количественного измерения температуры различных объектов и процессов. Тепловидение - это относительно новое направление в технике теплового НК, использующее различные средства визуализации тепловых полей и изображений. Тепловизионные системы могут быть использованы как для целей тепловой дефектоскопии, так и для целей бесконтактной пирометрии. Классификация и модели тепловой дефектоскопииВ основе всех тепловых методов дефектоскопии лежит связь между тепловым потоком от объекта и неоднородностью температурного распределения на его поверхности, которая возникает при наличии дефектов в исследуемом объекте. В зависимости от наличия или отсутствия внешнего источника энергии различают активный и пассивный способы тепловой дефектоскопии. Активные способы предназначены для обнаружения дефектов типа нарушения сплошности, изменений в структуре и физико-химических свойствах объектов. Такие дефекты обычно называют пассивными, т.е. не выделяющими тепла. Пассивные способы пригодны для контроля тепловых режимов и обнаружения активных дефектов, т.е. наиболее интенсивно выделяющих тепловую энергию. В зависимости от взаимного расположения источника нагрева, термочувтвительного элемента и объекта контроля а также последовательности контрольных операций различают односторонний, двухсторонний, комбинированный (таб.1), синхронный и несинхронный способы теплового неразрушающего контроля. Кроме этого способы теплового контроля делят на статические и динамические. В этом случае определяющим фактором является зависимость температуры объекта от времени. Таблица 1. Классификация способов теплового контроля
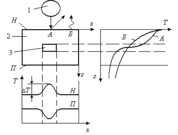
В задачах теплового контроля обычно исследуют поверхностные температурные поля объектов. Определение внутренних температур, как правило, затруднительно из-за непрозрачности объектов для ИК-излучения. Однако внутренние температурные неоднородности, характеризующие дефектность изделий, можно определить в численном виде с помощью моделирования их на ЭВМ. Наличие дефектов приводит к локальному или интегральному искажению температурного поля, характерного для данного изделия. Это выражается в появлении перепадов температуры. Пространственно-временная функция этих перепадов определяется температурой тела, условиями его теплообмена с окружающей средой, геометрическими и теплофизическими характеристиками объекта контроля и самих дефектов, а также временем в динамическом режиме. Модель активного теплового контроля при обнаружении пассивных дефектов представлена на рис.1. Активный контроль предусматривает наличие источника энергии, которым обычно являются лазерный пучок света, электронный луч или какой-либо другой источник с подвижным локальным воздействием в случае синхронного контроля или интегральный источник (ИК-лампа, электроплитка) для несинхронного контроля. Внутренний дефект в многослойном изделии оказывает значительное сопротивление тепловому потоку, который распространяясь в глубь изделия обтекает дефект по окружающим слоям основного материала. При этом имеет место накопление тепла в слое до дефекта и его недостаток в слое за ним, что проявляется в локальном повышении температуры на нагреваемой поверхности «Н» и понижении на противоположной нагреву поверхности «П». Иногда говорят, что дефект отражает тепловой поток на поверхность Н и затеняет его на поверхности П.
Рис. 1. Модель активного теплового контроля пассивных дефектов: 1 - источник энергии; 2 - контролируемый объект; 3 - дефект; А – точка локального нагрева; Б - излучающая точка нагреваемой поверхности; X - направление сканирования источника энергии с локальным воздействием; Н - нагреваемая поверхность; Z - направление вглубь образца; П - противоположная поверхность; Т – температура Примером пассивного контроля также являются ситуации, когда дефект в силу тех или иных причин сам по себе имеет аномальную по сравнению с основным материалом температуру, проявляясь на поверхности чаще всего в виде статического температурного перепада одного знака. В электронной технике такая модель используется для дефектов типа пробоя, короткого замыкания, обрыва, изменения номинала или энергетического режима, утечки тока или тепла, а также при выходе из строя отдельных элементов (ИС, резисторов, транзисторов и т.п.). В пассивном тепловом контроле при обнаружении активных дефектов (рис.2) температура объекта вследствие определённых технологических или функциональных причин превышает температуру окружающей среды, и обнаружение дефекта возможно из-за интегрального различия теплофизических характеристик в месте дефекта и вне его. Как правило, в этом случае более эффективен динамический режим контроля, поскольку при статическом режиме значительны эффекты растекания тепла вокруг дефекта.
Рис. 2. Модель пассивного теплового контроля активных дефектов: 1 - контролируемый объект; 2 - дефект; XY - плоскость поверхности объекта; А и Б - точки поверхности объекта Оптическая пирометрияЛюбое тело с температурой, отличной от абсолютного нуля, является источником теплового излучения, обусловленного энергетическими переходами электронов и вращательно-колебательным движением молекул. При анализе излучения различных объектов используют понятие абсолютно чёрного тела (АЧТ), или идеального излучателя, который обладает способностью только излучать собственную энергию или поглощать ее из окружающего пространства. Отражать или пропускать электромагнитную энергию АЧТ не способно. Спектральное распределение плотности излучения АЧТ r(T) было впервые в общей форме описано Планком на основе квантовомеханических представлений о дискретном характере электромагнитного излучения:
где - длина волны, T - абсолютная температура, C1, C2 - пирометрические постоянные C1 = 3,7415*10-16 Вт*м2 ; C2 = 1,4388*10-2 м*K . Если член exp(C2/T)>>1, то формула Планка приводится в выражение
которое известно как закон излучения Вина. ПриT<3000 мкм*K эта формула даёт погрешность в пределах 1%. При больших значенияхT формула Планка может быть преобразована в формулу Рэлея-Джинса:
ПриT >7,8*10 мкм*K погрешность расчётов по этой формуле не более 1%. На графиках спектральной плотности излучения АЧТ (рис. 3) можно видеть, что увеличение температуры приводит не только к увеличению спектральной плотности излучения r, но и сопровождается изменением спектрального состава излучения. Смещение максимума спектральной плотности в область более коротких длин волн происходит согласно закону смещения Вина: maxT = 2898 мкм*K, где max - длина волны, на которой наблюдается максимум излучения. Интегрируя формулу Планка в пределах от=0 до =, получим выражение для суммарной по спектру плотности излучения АЧТ (закон Стефана-Больцмана): R(T) = T 4Вт/м , где =5,67*10 Вт/м*K - постоянная Стефана-Больцмана.
Рис. 3. Спектры излучения АЧТ АЧТ - научная абстракция, в природе такое тело не существует. Для реальных же тел описанные выше законы излучения не применимы, так как распределения плотностей излучения по спектру у реальных тел и у АЧТ различны. Особенно это характерно для газов, которые излучают в сравнительно узких полосах спектра. Однако у большинства твёрдых тел с шероховатыми поверхностями, особенно у диэлектриков и окислов металлов, полупроводников, распределение энергии по спектру имеет такой же характер, как и у АЧТ. Такие тела называют серыми. Они характеризуются тем, что отношение спектральных плотностей излучения этих тел к спектральной плотности излучения АЧТ при той же температуре, называемое коэффициентом излучения (или излучательной способностью), не зависит от длины волны.
Строго говоря, серых тел в природе не существует. Так, например, у многих металлов коэффициент излучения значительно уменьшается при увеличении длины волны, а у диэлектриков, наоборот, увеличивается. Но в ограниченных спектральных диапазонах многие тела с достаточной точностью можно считать серыми. Введение понятия «серого тела» расширяет возможности практического использования закона Стефана-Больцмана, который для серого излучателя принимает вид R(T) = 0T 4 , Коэффициент излучения является безразмерным и характеризует долю суммарного по спектру излучения данного материала по отношению к излучению АЧТ при той же температуре. Если рассматривают не суммарное излучение, а излучение в узкой области спектра, то коэффициент излучения называют спектральным и обозначают. Закон излучения Планка с учётом спектрального коэффициента излучения запишется в виде:
Для АЧТ=0=1; для серого тела=0<1. Одним из основных законов теплового излучения является закон Киргоффа = , где -коэффициент поглощения излучения. Из этого закона следует, что любое тело излучает в тех участках спектра, где оно интенсивно поглощает. Все реальные физические тела характеризуются также коэффициентом отраженияи коэффициентом пропускания. В общем случае для тела, частично пропускающего и отражающего излучение, + + = 1 . В задачах теплового НК для непрозрачных тел (=0) можно считать, что ==1- . Последнее соотношение часто используется в оптической пирометрии для определения поправки к измеряемой температуре или компенсации влияния коэффициента излучения на измеряемую температуру. В пирометрии обычно пользуются тремя условными температурами, отличающимися между собой и от истинной температуры тела на величину поправки, зависящую от излучательной способности этого тела. Радиационная температура (или температура полного излучения) измеряется радиационным пирометром, у которого преобразователь излучения в электрический сигнал чувствителен в широком диапазоне спектра. Сигнал на выходе этого преобразователя описывается законом Стефана-Больцмана. При этом, радиационной температурой считается такая температура реального объекта, которая равна радиационной температуре АЧТ, обладающего такой же плотностью излучения, как и реальный объект.
Вывод: так как коэффициент полного излучения реальных объектов0
всегда <1, то и радиационная температура реальных объектов Tрвсегда меньше их истинной температуры<TиТ.е., если измеряется температура реального объекта радиационным пирометром, прокалиброванным по эталонному излучению АЧТ, то результат измерения нужно несколько увеличить, чтобы правильно оценить истинную температуру исследуемого реального объекта. Поправочный коэффициент, на который нужно умножить результат измерения радиационной температуры, равен Яркостная температура измеряется пирометром излучения в очень узкой полосе спектра с эффективной длиной волны ЭФ и тоже всегда меньше истинной температуры реального объекта. Электрический сигнал на выходе этого пирометра описывается законом Планка.
Цветовая температура (или температура спектральных отношений) определяется по результату отношения спектральных плотностей излучения объекта для различных длин волн. Т.е. это такая температура АЧТ, при которой отношение спектральных плотностей излучения АЧТ на двух участках спектра с эффективными длинами вол 1 и 2 равно отношению спектральных плотностей излучения реального объекта на этих же участках спектра.
Соотношение между цветовой и истинной температурами записывается в следующем виде:
где L = 12/(1-2). Из последнего выражения видно, что соотношение между Tцв и Tи может быть различным и зависит от соотношения между и . В частности, если>(как у металлов), то Tцв>TИ, если же < (как у диэлектриков), то Tцв<TИ (это справедливо при2>1, когда L<0). Для серых объектов, когда= , Tцв=TИ - это является главным преимуществом измерения цветовой температуры серых объектов по их оптическому излучению, а также многих не серых объектов, спектральный коэффициент излучения которых мало изменяется в диапазоне спектра, в котором производятся измерения. Приборы теплового контроляТепловой контроль согласно ГОСТ 23483-79 основан на взаимодействии теплового поля объекта с термометрическими чувствительными элементами (термопарой, фотоприёмником, жидкокристаллическим термоиндикатором и т.д.) и преобразовании параметров поля (интенсивности, температурного градиента и др.) в параметры электрического или другого сигнала и передаче его на регистрирующий прибор. В зависимости от способа измерения температуры контролируемых объектов с помощью термочувствительных элементов методы и приборы теплового контроля разделяют на два класса: контактные и бесконтактные (табл. 2). Наиболее распространёнными в настоящее время контактными измерителями температуры, используемыми при оценке тепловых полей, являются: термопары, металлические и полупроводниковые сопротивления, термоиндикаторы. Термопарами можно измерить температуру лишь в относительно небольшом количестве заранее выбранных точек, и, следовательно, трудно определить области перегрева и локальные зоны резкого изменения тепловых потоков. При измерении температуры микроминиатюрных электронных компонентов устройства, служащие для осуществления теплового контакта термоприёмника с контролируемым микрообъектом, могут сильно исказить его тепловое поле вследствие оттока тепла по термоэлектронам. Термопары и термосопротивления обладают значительной тепловой инерцией, приводящей к появлению динамической погрешности (при измерении быстроменяющихся тепловых полей). Несовершенство контактных методов и трудности реализации этих методов для ряда задач сделали необходимым развитие методов бесконтактного измерения параметров тепловых полей. Методы бесконтактного измерения температуры тел по их тепловому излучению называют методами пирометрии излучения. Средства измерений температуры тел по тепловому излучению принято называть пирометрами излучения (рис.5 - 8). Пирометры применяются для измерения температур в очень широком температурном интервале - от отрицательных температур (-40оС) до 6000оС и выше (рис.9).
Рис. 5. Схемы яркостного визуального пирометра с исчезающей нитью
Рис. 6. Схема яркостного фотоэлектрического пирометра АПИР-С
Рис. 7. Схема пирометра спектральных отношений В современной практике теплового контроля кроме пирометров излучения, позволяющих измерять температуру в какой-либо одной точке контролируемого объекта, используются приборы, позволяющие исследовать тепловые распределения одновременно по всей поверхности этого объекта. Такие приборы называют тепловизорами. В основе работы всех приборов бесконтактной пирометрии лежат законы теплового излучения.
Рис. 9. Диапазон температур, регистрируемых контактными и бесконтактными приборами теплового контроля ЛИТЕРАТУРА 1. Давыдов П. С. Техническая диагностика радиоэлектронных устройств и систем. - М.:Радио и связь, 2000. - 256 с. 2. Ермолов И.Н., Останин Ю.Я. Методы и средства неразрушающего контроля качества: Учеб. пособие для инженерно-техн. спец. вузов.-М.: Высшая школа, 2002. - 368 с. 3. Технические средства диагностирования: Справочник / Под общ. ред. В.В.Клюева. - М.: Машиностроение, 2005. - 672 с. 4. Приборы для неразрушающего контроля материалов и изделий. - Справочник. В 2-х кн./ Под ред. В.В.Клюева - М.: Машиностроение, 2006. 5. Ж.Госсорг. Инфракрасная термография. Основы, техника, применение: Пер. с франц. – М. Мир, 2005. – 416 с. |



,
, 
.
.

,




