Дипломная работа: Элегазовый генераторный выключатель 10 кВ, 63 кА, 8000 А
|
Название: Элегазовый генераторный выключатель 10 кВ, 63 кА, 8000 А Раздел: Рефераты по физике Тип: дипломная работа | ||||||||||||||||||||||||||||||||||||||||||||||||||||||||||||||||||||||||||||||||||||||||||||||||||||||||||||||||||||||||||||||||||||||||||||||||||||||||||||||||||||||||||||||||||||||||||||||||||||||||||||||||||||||||||||||||||||||||||||||||||||||||||||||||||||||||||||||||||||||||||||||||||||||||||||||||||||||||||||||||||||||||||||||||||||||||||||||||||||||||||||||||||||||||||||||||||||||||||||||||||||||||||||||||||||||||||||||||||||||||||||||||||||||||||||||||||||||||||||
Санкт-Петербургский государственный политехнический университет Электромеханический факультет Кафедра электрических и электронных аппаратов Работа допущена к защите Зав. кафедрой Г.Н.Александров «___» __________2007 г. ВЫПУСКНАЯ РАБОТА БАКАЛАВРА Тема: Элегазовый генераторный выключатель 10кВ, 63кА,8000А Направление: Выполнил студент гр. 4025/1 (подпись) Д.К.Климачев Руководитель, к.т.н., проф. (подпись) Е.Н.Тонконогов Рецензент (подпись) В.А.Соснин Санкт-Петербург 2007 г. СОДЕРЖАНИЕ Введение Глава 1. Анализ конструкций генераторных выключателей 1.1 Основные параметры генераторных выключателей 1.2 Схемы применения генераторных выключателей 1.3 Токоведущая система и система контактов 1.4 Параметры современных генераторных выключателей Выводы Глава 2. Взаимодействие выключателя с сетью 2.1. Анализ переходного восстанавливающего напряжения 2.2. Расчет переходного восстанавливающего напряжения 2.3. Анализ влияния малых индуктивных токов 2.4. Анализ влияния сквозных токов короткого замыкания Выводы Глава 3. Расчёт и оптимизация дугогасительного устройства элегазового генераторного выключателя 3.1 Конструкция и принцип работы дугогасительного устройства 3.2 Математическая модель и расчет параметров выключателя Выводы Глава 4. Расчёт и оптимизация приводного устройства элегазового генераторного выключателя 4.1 Анализ начального режима разгона гидропривод 4.2.Анализ торможения гидропривода 4.3. Расчет трогания и торможения гидропривод Выводы Заключение Список литературы ПРИЛОЖЕНИЕ 1. Текст программы расчета ДУ и графики результатов расчета ПРИЛОЖЕНИЕ 2. Свойства элегаза Введение В связи с необходимостью повышения номинальных параметров и надежности высоковольтного коммутационного оборудования для атомных электростанций необходима разработка современных генераторных выключателей на повышенные параметры. Генераторными выключателями (ГВ) обычно называются выключатели на номинальный ток 3150А и более и на напряжение 10—36 кВ. Они предназначены для оперативнойи аварийной коммутации нагрузочных токов и токов короткого замыкания (к.з.) в трехфазных цепях переменного тока на генераторном напряжении. Те генераторные выключатели, которые не предназначены для аварийного отключения токов к.з., называются выключателями нагрузки. Проблема применения ГВ на электростанциях весьма сложна. На ранней стадии развития энергетики генератор электростанции соединялся с повышающим трансформатором или сборными шинами генераторного напряжения. Вырабатываемая генераторами электроэнергия выдавалась через повышающий трансформатор в сеть 110 или 220 кВ. При этом ГВ не применялись. Такой принцип конструирования распределительного устройства (РУ) использовался примерно до второй половины 60-х годов. К концу 60-ых, началу 70-ых годов мощность турбогенераторов возросла до 500 МВт и более. Вырабатываемая этими генераторами энергия стала выдаваться в сети с напряжением 330—500 кВ. Для облегчения эксплуатационного разграничения функций производства (машинный агрегат) и передачи (подстанция) энергии, а также получения существенного технико-экономического эффекта появилась целесообразность применения ГВ. По этим же причинам при реконструкции электростанций, работавших ранее без ГВ, предусматривается установка этих выключателей. Сегодня широко используется установка генераторных выключателей между генератором и стороной низкого напряжения повышающего трансформатора, т.к. это обеспечивает лучшую защиту от перенапряжений. Одна из основных причин установки таких выключателей – улучшенная защита, которую он обеспечивает как для генератора, так и для повышающего трансформатора от повреждений от токов короткого замыкания, разбаланса нагрузки и несогласования фаз. Однако, установка выключателя между генератором и повышающим трансформатором тем не менее оказывает влияние на тип и величину возникающих перенапряжений. Возникает вопрос о возникновении перенапряжений, инициированных выключателем в течение операций коммутации и в отключенном состоянии. Совре менный генераторный выключатель должен выполнять множество различных функций, к которым относятся: • синхронизация генератора с основной энергетической системой • отделение генератора от энергетической системы • отключение токов нагрузки (с величиной, доходящей до уровня тока полной нагрузки генератора) • отключение тока короткого замыкания, независимо от того, произошло оно на стороне энергосистемы или на стороне генератора • прерывание тока при выходе из синхронизма (при сдвигах по фазе до 180°). Таким образом, применение ГВ влияет на технический уровень применяемых схем собственных нужд станции, обеспечивает существенное повышение надежности работы блоков и электростанции в целом. Глава 1. Анализ конструкций генераторных выключателей 1.1 Основные параметры генераторных выключателей Генераторные выключатели, устанавливаемые в цепях генераторов энергоблоков (генератор-трансформатор, укрупненных электрических блоках - несколько генераторов - трансформатор), осуществляют следующие функции: - оперативные: включение, отключение генератора с рабочими токами; отключение ненагруженного трансформатора; отключение генератора в режиме синхронного двигателя, т.е. обеспечивают процессы пуска, останова агрегатов; - защитные отключение токов КЗ в генераторе, трансформаторе и в цепях генераторного напряжения; включение на токи КЗ и отключение; включение в условиях противофазы; отключение в условиях рассогласования фаз вплоть до противофазы при ошибочной синхронизации или при выпадении генератора из синхронизма. К характеристикам генераторных выключателей, предназначенных для работы в эксплуатации, предъявляются более высокие требования, чем к силовым выключателям на средние классы напряжения. Проблема применения ГВ на электростанциях весьма сложна. На ранней стадии развития энергетики генератор электростанции соединялся с повышающим трансформатором или сборными шинами генераторного напряжения. Вырабатываемая генераторами электроэнергия выдавалась через повышающий трансформатор в сеть 110 или 220 кВ. При этом ГВ не применялись. Такой принцип конструирования распределительного устройства (РУ) использовался примерно до второй половины 60-х годов. К концу 60-ых, началу 70-ых годов мощность турбогенераторов возросла до 500 МВт и более. Вырабатываемая этими генераторами энергия стала выдаваться в сети с напряжением 330—500 кВ. Для облегчения эксплуатационного разграничения функций производства (машинный агрегат) и передачи (подстанция) энергии, а также получения существенного технико-экономического эффекта появилась целесообразность применения ГВ. По этим же причинам при реконструкции электростанций, работавших ранее без ГВ, предусматривается установка этих выключателей. Сегодня широко используется установка генераторных выключателей между генератором и стороной низкого напряжения повышающего трансформатора, т.к. это обеспечивает лучшую защиту от перенапряжений. Одна из основных причин установки таких выключателей – улучшенная защита, которую он обеспечивает как для генератора, так и для повышающего трансформатора от повреждений от токов короткого замыкания, разбаланса нагрузки и несогласования фаз. Однако, установка выключателя между генератором и повышающим трансформатором тем не менее оказывает влияние на тип и величину возникающих перенапряжений. Возникает вопрос о возникновении перенапряжений, инициированных выключателем в течение операций коммутации и в отключенном состоянии. Существуют публикации о перенапряжениях, возникающих на высоковольтной стороне повышающих трансформаторов. Такие перенапряжения возникают, например, из-за воздействия молнии, быстрого срабатывания разъединителя, токов намагничивания. Есть также сведения о перенапряжениях, появляющихся на стороне генератора и другого оборудования, подключающегося к шине генератора. Особо выделяют перенапряжения, возникающие на низковольтной стороне повышающего трансформатора на электростанции, оснащенной генераторным выключателем. Различают: 1. Кратковременные перенапряжения 2. Коммутационные перенапряжения 3. Переходные перенапряжения, проходящие через повышающий трансформатор. На большинстве электростанций повышающий трансформатор защищен ограничителями перенапряжения. Эти ограничители не могут во всех случаях обеспечить достаточную защиту от перенапряжений оборудования на низковольтной стороне и могут понадобиться дополнительные меры для защиты шины генератора и оборудования, подключенного к ней. Последствия использования генераторного выключателя на подстанции при нормальных и аварийных режимах показаны в табл.1.1. Таблица 1.1. Последствия использования генераторного выключателя: нормальный режим и режим аварийного отключения
1 Величина пускового тока может быть снижена синхронизированным отключением 2 Использовать информацию относительно предотвращения феррорезонанса на стороне низкого напряжения повышающего трансформатора. 3 Относится только к элегазовым генераторным выключателям, т.к. воздушные и вакуумные выключатели могут вызвать большие перенапряжения. Одним из основных параметров, определяющих выбор выключателя, является номинальный ток отключения (Iо ном), обеспечивающий выполнение защитных функций. Как правило, при выборе выключателя принимается условие отключение максимального тока КЗ, протекающего через выключатель. Требования к номинальному току и току отключения генераторного выключателя зависят от того, в каких генераторных цепях он установлен и какие оперативные и защитные функции на него возлагаются. Примерные современные и прогнозируемые величины номинальных токов и токов к.з. приведены в табл.1.2.[4]. Номинальное напряжение должно быть в пределах 16-30 кВ. Класс изоляции генераторных выключателей обычно устанавливается один на все номинальные напряжения – 24 или 36 кВ. Номинальный ток в пределах 12-50 кА. Номинальный ток отключения, в зависимости от защитных функций, от номинального тока генератора до 400 кА. Таблица 1.2.
Ток динамической стойкости и ток включения от 270 до 1000 кА (амплитуда). В дальнейшем предполагается работа генераторных выключателей в режиме АПВ. Установка ГВ в цепях генераторов имеет следующие основные преимущества: 1. Достигается существенное повышение надежности эксплуатации, так как при аварийных отключениях генератора обеспечивается непрерывность питания системы собственных нужд 6—10 кВ. Без ГВ любое отключение генератора, в том числе и по режимным условиям, должно сопровождаться переключением ТСН с рабочего на резервный ТСН. Это существенно снижает надежность работы энергоблоков и электростанции в целом. 2. Обеспечивается возможность синхронизации генератора с сетью посредством ГВ, а не высоковольтными выключателями, установленными за повышающим трансформатором. 3. Обеспечивается возможность отключения генераторов по режимным условиям посредством генераторных выключателей, не затрагивая схем и высоковольтного оборудования открытого распределительного устройства (ОРУ) повышенного напряжения. 4. Представляется возможным применять более экономичные схемы электрических соединений с использованием укрупненных трансформаторов и с попарным присоединением турбогенераторов к ОРУ повышенного напряжения. 5. Обеспечивается возможность применения рабочих и резервных ТСН одинаковой мощности, что приводит к снижению токов к.з. В ряде случаев, например для тепловых электростанций с турбогенераторами мощностью 320 МВт, обеспечивается возможность применения более дешевых серий КРУ с меньшими токами отключения. 6. При наличии на электростанции более двух генераторов согласно нормам технологического проектирования ТЭС допускается установка одного резервного ТСН. Без ГВ требуется установка двух ТСН, что увеличивает стоимость и усложняет схему питания системы собственных нужд станции. 1.2 Схемы применения генераторных выключателей Выбор типа и места установки ГВ определяется схемой и режимом работы блока электростанции, а также способом питания и ответственностью системы собственных нужд. При чисто блочной схеме выдачи мощности (генератор Г—повышающий трансформатор ПТ) генераторный выключатель в ряде случаев можно не устанавливать, а выполнение необходимых коммутационных операций возложить на коммутационный аппарат со стороны высшего напряжения. На рис. 1.2 показана схема соединения генератора с повышающим трансформатором без ГВ [5].
Рис.1.2. Схема блока генератор - повышающий трансформатор без генераторного выключателя Питание системы собственных нужд блока в нормальных условиях обеспечивается через выключатель высшего напряжения (В1). В случае планового или аварийного отключения блока питание системы собственных нужд автоматически переключается с трансформатора собственных нужд ТСН1 на ТСН2 через выключатели В2, ВЗ и В4. Во время строительства и ввода в эксплуатацию станции питание ее системы собственных нужд также осуществляется от общестанционного ТСН2. При повреждении ТСН1 ток к.з., текущий от генератора через место повреждения в ТСН1, отключается на стороне высшего напряжения выключателем В1. За счет большой энергии, выделяемой в ТСН1 при повреждении, бак его может быть разрушен до отключения тока к.з. выключателем В1. Для защиты от повреждений в системе собственных нужд генератора Г и ПТ применяется ГВ (рис. 1.3).
Рис.1.3.
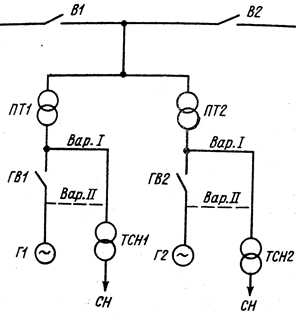
Для схем с укрупненными электрическими блоками на ГЭС (рис.1.4 – 1.6) токи КЗ от системы и других генераторов через выключатель превышают токи КЗ от генератора в 3-6 раз. Установка ГВ в схеме блока Г—ПТ уменьшает перегрузки генератора и ТСН при несимметричных к.з. в сети высшего напряжения и при неправильной синхронизации. Это связано с тем, что выключатели на стороне высшего напряжения имеют обычно меньшее время отключения по сравнению со временем отключения ГВ. Поэтому при повреждении в цепи ГВ сначала отключается выключатель В1 па стороне высшего напряжения, а затем ГВ. ТСН коммутируется выключателем В2 схемы собственных нужд. Защита от повреждений в ПТ или ТСН может осуществляться либо с помощью ГВ, либо снятием возбуждения с генератора. Применение ГВ в данном случае предпочтительно, так как позволяет сократить продолжительность тока к.з. с 4—5 с до 0,06—0,1 с. При этом на несколько порядков уменьшается выделяемая энергия, пропорциональная Имеются решения, когда по указанным причинам в цепи генератора установлен выключатель нагрузки - аппарат, рассчитанный на выполнение только оперативных функций выключателя, а защитные функции возложены на выключатель ВН. Это облегчает условия работы выключателя ВН и управления агрегатом. Как показывают расчеты, указанные решения недостаточны для защиты трансформатора при внутренних КЗ, так как продолжительность тока КЗ при отсутствии выключателя определяется временем гашения поля генератора, которое составляет порядка 1,5 с. Такое время подпитки дуги КЗ в трансформаторе приводит к разрушению бака, возгоранию масла и обмоток трансформатора. Отечественный и зарубежный опыт это подтверждает, после такой аварии трансформатор не восстанавливается. При наличии выключателя в цепи генератора ток КЗ прерывается за 0,05-0,1 с. В этом случае, как показывает практика, разрушение бака трансформатора не происходит и поврежденный трансформатор восстанавливается. Поэтому установку в цепи генератора выключателя, обеспечивающего отключение тока КЗ от генератора, следует считать обязательной и это будет соответствовать ГОСТ 12.1.010 "Взрывобезопасность. Общие требования." Пункт 2.6 "Предотвращение возникновения источника инициирования взрыва должно быть обеспечено: ...применением быстродействующих средств защитного отключения возможных электрических источников инициирования взрыва." Что касается отключения тока КЗ от системы, то как показывает практика, оно может быть возложено на выключатель ВН, при этом время воздействия на оборудование тока подпитки КЗ от энергосистем будет снижено, а ощутимых последствий по снижению надежности из-за перевода питания сети собственных нужд на резервный трансформатор не ожидается. Применение ТСН на станциях выполняется по схемам с верхней (вариант I) и нижней (вариант II) перемычкой (рис. 1.7). Особенности упомянутых схем хорошо иллюстрируются в схеме объединенного блока. При повреждении ТСН1 или ТСН2 в схеме с верхней перемычкой необходимо отключать весь блок. При повреждении ТСН1 или ТСН2 в схеме с нижней перемычкой ГВ1 или ГВ2 соответственно отключают аварийно только один блок из двух. Оба варианта по надежности и затратам практически равноценны. Выбор схемы включения ТСН определяется ответственностью системы собственных нужд. В связи с этим на АЭС предпочтение отдается схеме с нижней перемычкой.
Рис.1.7. Упрощенная схема электростанции с двумя повышающими трансформаторами. Имеются и другие схемы, в которых применение ГВ обеспечивают высокую гибкость, надежность системы и экономическую эффективность. Так, в схеме объединенных и укрупненных блоков применяется чередование схем с верхней и нижней перемычками. Ряд отечественных и зарубежных станций с крупными блоками для повышения надежности питания системы собственныхнужд комплектуется дополнительным резервным дизель-генераторным источником питания. Для схем с генераторными выключателями, обеспечивающими отключение токов КЗ только от генераторов, необходимо применение соответствующей логики действия электрических защит. Проведенные предварительные проработки показывают, что изменения в логике действия защит будут в основном касаться дифференциальных защит генератора, блочного трансформатора и блока. Дифференциальная защита генератора и дифференциальная защита блока должны сначала действовать на отключение выключателя ВН в укрупненных электрических блоках и на отключение выключателей неповрежденных цепей генераторов. После отключения указанных выключателей должен отключаться выключатель поврежденной цепи, затем должен включаться выключатель ВН для восстановления питания собственных нужд, а в укрупненных электрических блоках могут включаться в сеть генераторы с неповрежденными цепями. Дифференциальная защита блочного трансформатора должна действовать одновременно на отключение выключателя ВН и выключателя генератора поврежденной цепи. В зону действия дифференциальной защиты генератора следует включать генераторный выключатель. 1.3 Токоведущая система и система контактов Выпускаемые промышленностью ГВ имеют различные электрические схемы. Рассмотрим основные из них, поясняющие принцип работы ГВ. Наиболее простая схема (рис. 1.8, а) содержит главные 1 и дугогасительные 2 контакты. Для этой схемы в отключенном положении выключателя контакты 2 всегда разомкнуты. Включение выключателя выполняют либо главными контактами 1 (контакты 2 при этом могут оставаться в разомкнутом состоянии или замыкаться после замыкания контактов 1), либо дугогасительными контактами 2, после которых замыкают главные контакты 1. Порядок оперирования при отключении: размыкаются контакты 1, ток из главной цепи переходит в цепь контактов 2, а затем размыкаются контакты 2. Если во включенном положении контакты 2 разомкнуты, то по команде на отключение выключателя до начала размыкания контактов 1 замыкаются контакты 2 (только на время оперирования). После этого отключение происходит, как описано выше.
Рис.1.8. Основные электрические схемы генераторных выключателей. В схеме рис. 1.8, б при включенном положении выключателя контакты 1, 2 и 3 замкнуты. Обязательным элементом такого выключателя является отделитель 3. Порядок оперирования при отключении: размыкаются контакты 1, после этого — контакты 2 и затем уже без тока размыкаются контакты 3, после чего замыкаются контакты 2. Контакты 2, размыкающиеся только на время оперирования, принято называть импульсными. Включение осуществляется либо главными контактами 1, либо контактами отделителя 3. Схемы рис. 1.8, а и б обычно применяются при Iо.ном , не большем 100 кА. Электрическая схема ГВ с Iо.ном , большим 100 кА, приведена на рис. 1.8,в. По сравнению с описанными выше схемами она снабжена шунтирующим резистором 4 и вспомогательным контактом 5. Включение ГВ осуществляется либо контактом 1, либо контактом 3. Отключение отличается тем, что после размыкания дугогасительных контактов 2 ток переходит в цепь резистора 4, ограничивается им, а затем прерывается вспомогательным контактом 5. [5]. Одним из основных недостатков ГВ является проблема переброса тока из главной токоведущей цепи в цепь дугогасительных контактов. Так как генераторное напряжение не велико, а мощность большая, то возникают большие токи. При перебросе 95% тока должно быть отправлено в дугогасительную цепь, что вызывает большое возмущение в системе. За счет этого возмущения возникает, так называемая дуга переброса, что приводит к оплавлению контактов. Так как ГВ являются выключателями на большие токи, то возникает проблема с контактными системами. Происходит оплавление, сваривание контактов, что приводит к отказу аппарата при отключении. Решением является использование контактов из тугоплавких материалов (кирита); использование нескольких ярусов контактов в токоведущей системе с целью последовательного переброса тока из большего контура в меньший, что уменьшает индуктивность и облегчает условия переброса, при которых не возникает дуга переброса. Необычное решение этой проблемы реализовано в выключателе НЕ фирмы «АВВ» на напряжение 24кВ, отключаемый ток до 100кА, номинальный ток 12кА. На рис. 1.9 изображена схема его дугогасительного устройства.
Рис. 1.9. Дугогасительное устройство генераторного выключателя НЕ «АВВ» I - вводы; 2 – катушка магнитного дутья; 3 – неподвижный дугогасительный контакт, он же металлическое дугогасительное сопло; 4 – подвижной дугогасительный контакт, он же – второе сопло; 5 – главный неподвижный контакт; 6 – главный мостиковый контакт; 7 - изоляторы; 8 – компрессионный поршень; 9 – изоляционный вал-тяга; 10 – камера высокого давления; При отключении производится перемещение детали, которая выполняет одновременно функции Главного и дугогаситепьного контакта, дугогасительного сопла и компрессионного поршня. Сначала размыкаются главные контакты 5 и 6, потом дугогаситепьные 3 и 4. Внутри неподвижного соплообразного дугогаситепьного контакта помещена катушка магнитного дутья 2. При размыкании контактов дуга приходит в движение в магнитном поле и перекачивает газ в камеру высокого давления. Благодаря этому снижается эрозия и разрушение дугогасительных контактов. В случае, когда приходится отключать малый ток, небольшое давление в этой камере создается с помощью компрессионного поршня. Также при отключении присутствует большое значение апериодической составляющей. На примере французкого генераторного выключателя FKG2S 24кВ, 63кА на рис. 1.10 видно что ток не проходит через ноль.
Рис. 1.10 Ток короткого замыкания с апериодической составляющей На рис. 1.11,1.12 показано отключение дуги выключателем FKG2S за 18.4 мс, напряжение на дуге достигает 4.8 кВ в момент отключения.
Рис. 1.11. Осциллограммы тока Рис. 1.12. Напряжение на дуге в короткого замыкания и напряжения момент отключения. Благодаря запасу давления газа за счет энергии дуги и эффекта автогенерации выключатель FKG2S успешно гасит дугу при повторном проходе тока через ноль. Это дает возможность отключать токи с большой постоянной времени апериодической составляющей. В качестве примера отключения можно рассмотреть отключение генераторного блока 800 МВт выключателем нагрузки КАГ-24 [7]. Выключатель нагрузки КАГ-24 имеет четыре контакта, размыкающихся в определенной последовательности. Схема контактов полюса выключателя нагрузки КАГ-24 показана на рис. 1.10. При отключении генератора сначала начинает расходиться главный токоведущий контакт выключателя нагрузки 1. Через 20 - 30 мс после начала расхождения главного токоведущего контакта начинает отключаться основной дугогасительный контакт 2. Еще через 20 - 30 мс начинает расходиться вспомогательный дугогасительный контакт 3, последовательно с которым включен резистор 140 Ом. К этому времени должно произойти отключение тока основным дугогасительным контактом. Ток генератора, ограниченный резистором, окончательно гасится вспомогательными дугогасительными контактами. Затем отключаются контакты отделителя 4.
Рис. 1.10 Схема контактов выключателя нагрузки КАГ-24: I - главный токоведущий контакт; 2 - контакт основной дугогасительной камеры; 3 - контакт вспомогательной дугогасительной камеры; 4 - контакт отделителя Ни в одном из случаев отказов выключателя нагрузки КАГ-24 повреждений его дугогасительных камер не было. Все повреждения отмечались только в камере главных токоведущих контактов. Эти контакты размыкаются без напряжения на них, поскольку в начале расхождения контактов они шунтированы замкнутыми контактами основной дугогасительной камеры. Отключение тока нагрузки дугогасительными камерами происходит при еще не полностью разошедшихся главных токоведущих контактах. Камера главных токоведущих контактов не имеет дутья. Все эти обстоятельства требуют определения выдерживаемого напряжения главных токоведущих контактов в процессе коммутаций. Осциллограммы токов и напряжений генератора в момент отключения показаны на рис. 1.11.
Рис. 1.11. Осциллограммы токов и напряжений в процессе отключения КАГ-24 НВГРЭС с применением РОМ Из рис. 1.11 видно, что до отключения амплитуды фазных токов генератора составляли 450 - 470 А при амплитуде фазного напряжения 18,6 кВ. Приблизительно за два периода до отключения выключателя нагрузки амплитуды токов возрастают до 3,5 кА, а амплитуда фазного напряжения несколько снижается (до 18,2 кВ). Такое увеличение тока связано, видимо, с работой автомата гашения поля и переходом генератора из режима синхронного двигателя в режим асинхронного электродвигателя, в результате чего генератор набирает нагрузку (до 90 Мвар) Ток отключения, измеряемый через трансформатор тока, практически воспроизводит ток отключения основной дугогасительной камерой, поскольку ток, отключаемый вспомогательной дугогасительной камерой, несоизмеримо меньше и воспринимается на осциллограмме как нулевая линия. В зависимости от времени подачи импульса на автомат гашения поля отключение выключателем нагрузки генератора может происходить как при достаточно малом токе, так и при большом. Для выяснения влияния отключаемого тока на восстанавливающееся напряжение были проведены расчеты по общепринятой методике. Программа расчета учитывала параметры всех основных элементов схемы генераторного присоединения: генератор (индуктивность Ld " и эквивалентная емкость Соэ ); блочный трансформатор (индуктивность рассеяния с учетом ее уменьшения при высоких частотах и эквивалентная емкость на землю с учетом емкости между обмотками ВН и НН); емкости оборудования генераторного блока на стороне 24 кВ. Основные результаты расчетов при отключении генераторного блока 800 МВт в двигательном режиме приведены далее (числитель - восстанавливающееся напряжение на контактах основной дугогасительной камеры, знаменатель - вспомогательной).
Расчеты показывают, что восстанавливающиеся напряжения при отключении генераторного блока в двигательном режиме, хотя и зависят от отключаемого тока (500 или 3500 А), но существенно ниже нормируемой величины ПВН (переходного восстанавливающегося напряжения). Следует, однако, учитывать, что расчеты проводились для отключения токов при естественном переходе его через нуль. Мощное дутье в дугогасительных камерах, которое рассчитано на отключение номинального тока нагрузки (24 кА), существенно меньшая амплитуда отключаемых токов с применением РОМ по сравнению с номинальным током не позволяют исключить возможность среза тока. Расчеты показывают, что срез тока 90 А дополнительной дугогасительной камерой (амплитуда тока, отключаемая дополнительной дугогасительной камерой в рассматриваемом режиме) может увеличить перенапряжения на контактах выключателя нагрузки до 18 кВ, что ниже нормированной величины ПВН 24,5 кВ. Если отключение генератора происходит до повышения токов, т.е. при токах до 500 А, то снижается ток, отключаемый вспомогательной дугогасительной камерой, до 10 - 20 А. Срез таких токов не приводит к перенапряжениям выше 5 кВ. Меньшие отключаемые токи могут сократить время гашения дуги дугогасительными камерами. В этом случае расстояния между главными токоведущими контактами уменьшаются по сравнению с таковыми при гашении номинального тока, а следовательно, отключение может происходить при более низком значении межконтактной электрической прочности. 1.4 Параметры современных генераторных выключателей Элегазовый выключатель с двумя ступенями давления изготовляется японской фирмой Mitsubishi на напряжение 24 и 36 кВ, номинальные токи 16кА при естественном охлаждении и 36 кА при обдуве воздухом совместно с токопроводом пофазно-экранированного шинопровода. Давление элегаза 1,5/0,3 МПа. Он может применяться как выключатель на ГАЭС и ГЭС с генераторами до 300 МВА, на ТЭС и АЭС он может применяться как генераторный выключатель нагрузки, или как генераторный выключатель с ограниченной мощностью отключения отключающий только ток к.з. генератора мощностью до1000 МВА. Достоинством этого выключателя является относительная бесшумность в работе и допустимость большого количества отключений номинального тока (16кА – 1000 раз). Недостатком являются относительная сложность конструкции, наличие компрессора (для рекомпрессии элегаза), значительно осложненная процедура ревизии и ремонта, заключающаяся в необходимости откачки элегаза, затрудненности доступа к токоведущим деталям при ревизии и ремонте и необходимости осушки внутренней поверхности кожуха и элегаза перед повторным вводом в эксплуатацию. Масса полюса выключателя в два раза превышает массу полюса выключателя Brown, Boveri на такие же параметры. Фирма Brown, Boveri (Швейцария) начала выпускать мощные генераторные выключатели серии DR с 1969 г. Благодаря постоянно проводимым исследованиям и опытно-конструкторским работам номинальный ток выключателей серии DR доведен до 50000 А, а ток отключения до 250 кА. Токи от 10 до 50 кА охватывает 7 типоисполнений. Главная токоведущая система выключателя и отделителя состоит из подвижного контакта, выполненного в виде медной трубы, и неподвижных контактов в виде розетки, содержащей около 200 посеребренных, подпружиненных контактных пальцев. Это основное типоисполнение при естественном охлаждении обеспечивает номинальный ток 10 кА при частоте 60 Гц и 11 кА при частоте 50 Гц. При установке выключателя в пофазно-экранированный продольно-продуваемый шинопровод, когда выключатель обдувается тем же потоком воздуха, что и шинопровод, номинальный ток выключателя увеличивается до 20 кА. Номинальный ток 24 кА достигается охлаждением токоведущего контура деионизированной проточной водой. Если выключатель установлен в продольно-продуваемый шинопровод, то его номинальный ток достигает 34 кА. У выключателей на номинальные токи 40 и 45 кА, кроме водяного охлаждения токоведущих частей, охлаждается также и кожух. Номинальный ток 50 кА обеспечивается, если выключатель водяного охлаждения смонтирован в продольно-продуваемом шинопроводе. Все контакты главной токоведущей цепи имеют надежное серебряное покрытие, поэтому максимальное превышение температуры нагрева принято равным 65 Допустимы кратковременные температуры нагрева до 150 Характеристики, присвоенные выключателям серии DR, были подтверждены типовыми испытаниями. Испытания на механическую стойкость проводились 5000 циклами ВО при нагретой контактной системе до предельно допустимой по нормам температуре. Фирма Mitsubishi разработала генераторный выключатель тип 20-SFW-110.В табл.1.3. приведены основные параметры выключателя [4]. Таблица 1.3.
Выключатель прошел все предусмотренные нормами виды типовых испытаний. При испытании на нагрев оболочка выключателя выполняла роль «обратного» провода. При длительной нагрузке током 16 кА и естественном охлаждении наибольшее превышение температуры контактных деталей было равно 44 Возможность отключения токов с большой апериодической составляющей, когда ток в одной из фаз не переходит через нулевое значение, было проверено расчетным путем, при том в расчет были введены величины падения напряжения на дуге, полученные экспериментальным путем (порядка 9 мОм при отключаемом токе 110 кА и 25 мОм при токе 60 кА). Большое внимание при исследованиях было уделено коммутационному ресурсу контактов. В условиях эксплуатации выключателей на ГАЭС дважды в сутки происходит переключение с генераторного на двигательный режим, причем по условиям работы гидротурбин при этом практически должен отключаться номинальный ток 16 кА. Поскольку по техническим условиям ревизия и смена контактов должна осуществляться не чаще, чем один раз в три года, то ресурс контактов должен обеспечить не менее 365*2*3=2200 отключений до ревизии. Для подтверждения этого требования было проведено 1000 отключений в однофазном режиме тока 16,3 кА при длительности горения дуги 0,65-0,75 периода. В процессе испытаний была установлена минимальная длительность горения дуги 0,2-0,35 периода. Технические характеристики элегазовых генераторных выключателей, выпускаемых компанией АББ представлены в табл.1.4 и табл. 1.5. Конструкции выключателей и их основные размеры показаны на рис.1.17 – 1.19.
Рис 1.17. Генераторный выключатель типа HEK 1 – трансформатор тока, 2 – заземлитель, 3 – силовой выключатель, 4 – разъединитель, 5 – корпус выключателя. Таблица 1.4. Технические данные выключателя типа HEK/HEI.
1 только для варианта с разъединителем 2 номинальный ток соответствует окружающей температуре мах 40о С. 3 Температура для токоведущей части выключателя: для проводников 90 о С;
Рис 1.18. Генераторный выключатель типа НЕК с встраиваемым заземлителем и трансформатором тока в баковом исполнении. 1 – трансформатор тока, 2 – заземлитель, 3 – силовой выключатель, 4 – привод силового выключателя, 5 – разъединитель, 6 – бак высокого давления, 7 – компрессор, 8 – блок управления, 9 – окно для ремонта, 10 – предохранительные окна. Таблица 1.5. Монтажные параметры для генераторного выключателя типа НЕК, мм.
1 Возможны другие размеры 2 После установки 3 Зависит от расстояния между фазами
Рис 1.19. Схема генераторного выключателя типа HG в баковом исполнении с встраиваемыми трансформатором тока и трансформатором напряжения. 1 – дугогасительная камера, 2 – привод, 3 – портал, 4 – камера (бак), 5 – блок управления, 6 – шина заземления, 7 – заземлительный выход для корпуса, 8 – подножник, 9 – механический указатель положения, 10 – основной токоподвод, 11 – трансформатор напряжения, 12 – трансформатор тока электромагнитный. Таблица 1.6. Технические данные для генераторных выключателей типа HG.
1 Номинальный ток соответствует окружающей температуре мах 40о С.Температура для токоведущей части выключателя: для проводников 90 о С; Для выявления областей больших токов и больших потерь, а также степени ограничения тока на разных частотах под влиянием поверхностного эффекта был проведен двумерный конечно-элементный анализ распределения тока в отдельных компонентах. Для повышения точности модели итерационный процесс подкреплялся физической проверкой результатов, что позволило в конечном итоге найти оптимальное поперечное сечение проводника и идеальное распределение тепловых нагрузок в конструкции. Ребра специальной конструкции, расположенные вокруг корпуса выключателя, увеличивают площадь его поверхности, способствуя тем самым максимальной теплоотдаче. Принудительное воздушное охлаждение, улучшающее конвективный теплообмен, позволяет повысить номинальный ток с 24 кА (при естественном охлаждении) до 38 кА. Выводы В данной главе рассмотрены особенности конструкции генераторных выключателей и преимущества установки их в генераторных цепях. При анализе отключаемых токов генераторных выключателей на различные классы напряжения при протекании токов к.з. от генератора и от системы выяснено, что современные генераторные включатели на напряжение 16-30 кВ способны отключить токи к.з. до 275кА . На основании этого были рассмотрены основные схемы включения ГВ на подстанциях. Приведены параметры и конструкции элегазовых генераторных выключателей ведущих зарубежных фирм. На основе чего можно говорить об актуальности проектирования элегазового генераторного выключателя 10кВ, 63кА, 8000А. Глава 2. Взаимодействие выключателя с сетью 2.1 Анализ переходного восстанавливающего напряжения При отключении короткого замыкания любого вида на контактах выключателя после погасания дуги восстанавливается переходное напряжение, обусловленное собственными параметрами сети в месте установки выключателя. Формы ПВН в реальных сетях могут быть обобщены и заданы в виде огибающих, определяемых двумя параметрами: напряжением
Рис. 2.1. Номинальные характеристики ПВН, определяемого двумя параметрами 1 – условная граничная линия ПВН; 2 – линия запаздывания ПВН (параллельная граничной линии) Параметры ПВН определяются следующими соотношениями:
для выключателей с
где Для выключателей с Значения Номинальные характеристики ПВН для генераторных выключателей приведены в табл. 2.1 Таблица 2.1 Номинальные характеристики генераторных выключателей
2.2 Расчет переходного восстанавливающего напряжения По данным табл. 2.1
Находим:
По полученным данным строим характеристику ПВН (рис. 2.2)
Рис. 2.2. Характеристика переходного восстанавливающего напряжения 1 – условная граничная линия ПВН; 2 – линия запаздывания ПВН; 3 - кривая реального ПВН 2.3 Анализ влияния малых индуктивных токов При отключении малых токов, дуга, как правило, подвергающаяся интенсивному воздействию дугогасящего вещества, может погаснуть ранее момента перехода отключаемого тока через нулевое значение. Это явление, называемое обычно срезом тока, возникает чаще всего при отключении токов намагничивания холостых трансформаторов или реакторов, составляющих единицы-десятки ампер. Физическая картина рассматриваемого явления может быть проанализирована в расчетной схеме рис.2.1,а. В этой схеме
Рис. 2.3. Стилизованные осциллограммы тока и напряжения (б) в схеме замещения (а) Срез тока, как правило, происходящий на ниспадающей части отключаемого синусоидального тока (рис.2.3,б), обусловлен возбуждением высокочастотных колебаний в контуре
где Из выражения (2.5) следует
где Стилизованные осциллограммы отключаемого тока и напряжений показаны на рис. 2.3,б. Со стороны источника также возникает высокочастотный процесс Повышение коммутационного ресурса комбинированных генераторных выключателей может быть достигнуто путем применения вакуумных дугогасительных камер, характеризующихся нестабильностью горения дуги при малых отключаемых токах. Ток среза в этих камерах колеблется в диапазоне 5…30 А. Согласно экспериментальным данным ток среза зависит не только от типа дугогасительного устройства, но и от величины емкости, шунтирующей выключатель
( где Явление среза тока является актуальным не только для элегазовых выключателей. Одним из способов решения это проблемы является установка ограничителей перенапряжения, по обе стороны от выключателя. 2.4 Анализ влияния сквозных токов короткого замыкания Стойкость аппарата при сквозных токах к.з. определяет его способность противостоять механическим и тепловым воздействиям, возникающим при прохождении этих токов через включенный аппарат. Стойкость аппарата характеризуется наибольшим пиком (электродинамическая стоимость) Учитывая сказанное, параметр В качестве примера в табл.2.2 приведены параметры выпускаемых в настоящее время в РФ и фирмами "ABB High voltage Technologies" и "GEC ALSTHOM" выключателей, которые выбраны отдельно с привязкой к токам КЗ от системы и к току КЗ от генератора, последние отмечены знаком *. Таблица 2.2
ОАО, ЭА, С-П - ОАО высоковольтного оборудования, С-Петербург; ОАО, ЭА, Н-Т - ОАО "Нижнетуринский электроаппаратный завод"; ABB - "ABBHigh Voltage Technologies"; G - A - "GEC ALSTHOM" Из табл.2.2 видно, что Исполнение выключателей с повышенной электродинамической и термической стойкостью предусматривается пп. 3.5.1, 3.5.2 ГОСТ 687 "Выключатели переменного тока на напряжение свыше 1000 В. Общие технические условия". Анализ конструкций современных выключателей показывает, что эти требования выполнимы, у ряда выключателей Повышение требований к электродинамической и термической стойкости для существующего ряда генераторных выключателей и доработка выпускаемых выключателей до уровня, отвечающего этим требованиям, позволит применять один и тот же аппарат в электрических схемах с разными значениями токов КЗ. Выводы В данной главе рассмотрено взаимодействие выключателя с сетью. По данным ГОСТ Р 52565-2006 была рассчитана и построена характеристика переходного восстанавливающегося напряжения для 100% к.з. Рассмотрено отключение малых индуктивных токов, при этом возможен срез тока, который приводит к перенапряжениям. Была проанализирована стойкость при сквозных токах к.з. Причем, если выключатель обеспечивает отключение только токов к.з от генератора(порядка 100кА), то коэффициент электродинамической стойкости должен превышать стандартное значение 2,5 в 1,05-3 раза для обеспечения электродинамической стойкости выключателей к токам к.з. от системы. Глава 3. Расчёт и оптимизация дугогасительного устройства элегазового генераторного выключателя При электродуговом размыкании в дугогасителе происходит сложный комплекс взаимосвязанных физических процессов: - изменение межконтактного промежутка (или длины дуги) при горении и погасании дуги; - горение электрической дуги в течение полупериода тока при взаимодействии на неё окружающей среды; - изменение физико-химического состава и состояния дугогасящей среды в области размыкания; - образование потоков газообразных или жидких дугогасящих сред (газ, газопаровая смесь, масло) в рабочих объёмах и каналах дугогасителя на отдельных стадиях электродугового размыкания; - изменение давления, температуры дугогасящей среды; - изменение характеристик магнитного потока внешнего магнитного поля, воздействующего на дугу; - распад остаточного ствола и нарастание электрической прочности межконтактного промежутка при одновременном воздействии на него восстанавливающегося напряжения. Ход и взаимное сочетание этих процессов характеризуют основные функциональные свойства дугогасителя, в частности его дугогасящую способность. С другой стороны, физические свойства дугогасителя зависят от принципа его действия, выбранных конструктивных форм, геометрических параметров главных элементов и от исходных и расчётных характеристик. В задачу расчёта дугогасительного устройства входит определение по заданным исходным данным оптимальных параметров и рабочих характеристик дугогасителя, основанного на том или ином принципе гашения дуги. Полученные расчётные данные могут служить основой для детальной разработки конструкции дугогасителя. Кроме того, полученные данные необходимы как исходные данные для расчёта и конструирования других узлов выключателя. 3.1 Конструкция и принцип работы дугогасительного устройства Рассмотрим дугогасительное устройство генераторного газонаполненного выключателя. На рис. 3.1. изображено дугогасительное устройство высоковольтного газонаполненного автокомпрессионного выключателя. Дугогасительное устройство содержит главные неподвижный 1 и подвижный 2 контакты, подвижной дугогасительный контакт 3, неподвижный поршень 4, неподвижный дугогасительный контакт 5, изоляционное сопло 6, Г - образную цилиндрическую изоляционную втулку 7, внутренняя поверхность которой образует с внешней цилиндрической поверхностью подвижного дугогасительного контакта 3 камеру автодутья, при этом втулка 7 ограничивает внутренней оконечностью с диаметром в полость автогенерации в пространстве вверх по потоку, а внешней поверхностью камеру автогенерации, образованную в теле изоляционного сопла, и соединенную с надпоршневым объемом камеры сжатия каналом 8, образованным внутренней цилиндрической поверхностью изоляционного сопла и внешней цилиндрической поверхностью Г-образной цилиндрической изоляционной втулки. Камера сжатия находится между подвижной системой выключателя, включающей в себя изоляционное сопло 6, главный подвижной контакт 2, жестко связанный с подвижным дугогасительным контактом 3 и штоком привода, и неподвижным поршнем 4.
Рис. 3.1. Дугогасительное устройство элегазового генераторного выключателя Дугогасительное устройство генераторного газонаполненного выключателя работает следующим образом: Отключение: При подаче команды на отключение перемещается подвижная система выключателя с главным подвижным контактом 2, подвижным дугогасительным контактом 3 и изоляционным соплом 6 справа на лево. Сначала размыкаются главные контакты 1,2, затем ток перебрасывается в зону контактирования дугогасительных контактов неподвижного 5 и подвижного 3. По мере движения подвижной системы выключателя относительно неподвижного поршня 4 происходит сжатие элегаза в камере сжатия. После размыкания дугогасительных контактов 3 и 5 электрическая дуга горит в полости автогенерации между дугогасительными контактами 3 и 5 во внутренней поверхности изоляционного сопла 6. В полости автогенерации за счет энергии излучения, воздействующей на внутреннюю поверхность изоляционного сопла 6 и внутреннюю поверхность как оконечности Г - образной цилиндрической изоляционной втулки 7, так и внутреннюю изоляционную поверхность камеры автодутья, а также на внутреннюю поверхность камеры автогенерации, возникает значительный эффект автогенерации, связанный с абляцией изоляционных стенок и возникновением массового расхода паровой фазы, что приводит к повышению давления в межконтактном промежутке и расходному эффекту ограничивающего доступ дугогасящей среды в межконтактный промежуток в максимуме отключаемого тока. В момент перехода тока через нуль обеспечивается восстановление потока газа из камеры сжатия через канал 8, и далее через сопло подвижного дугогасительного контакта 3 и изоляционное сопло 6 в общий объем выключателя с повышенным массовым расходом дугогасящей среды, что повышает эффективность дугогашения. Включение: При включении выключателя вначале имеется контактирование подвижного дугогасительного контакта 3 с дугогасительным контактом 5, а затем главных контактов 1,2. Характерной особенностью автокомпрессионных элегазовых выключателей является взаимная связь механических и термогазодинамических дуговых процессов при выполнении операции отключения. Для повышения отключающей способности и уменьшения времени срабатывания при отключении, а также уменьшения габаритов дугогасительного устройства необходимо определить влияние параметров выключателя на его динамические характеристики. При проектировании автокомпрессионного элегазового генераторного выключателя задачу оптимизации можно представить как поиск параметров элегазового выключателя, обеспечивающих малое время отключения при заданном токе отключения, скорости восстановления напряжения на контактах. 3.2 Математическая модель и расчет параметров выключателя Для оценки эффективности сформулируем критерий оптимизации:
Рис. 3.2. Схема математической модели Баланс энергий в системе (см. рис. 3.2) выглядит следующим образом:
где: Внутреннюю энергию газа можно расписать через температуру и теплоемкость газа при постоянном объеме
Также используются уравнения состояния рабочей среды, расхода газа через сопло, а также уравнения движения подвижной системы ЭВ. Эти уравнения имеют вид [1, стр. 77,3.6]
где Подставим в (3.6.) уравнение (3.2.), а также
С учетом соотношений
Получим
В уравнении (3.7) раскроем дифференциал
Используя соотношение
C учетом Окончательно система примет вид
Распределения
Рис. 3.3. Распределение Далее математическая модель преобразуется к безразмерному виду путем выражения через базисные величины.
На первом этапе проектирования расчёт дугогасительного устройства будем рассматривать относительно следующих обобщенных параметров [2]:
Рассчитаем характеристики элегазового выключателя при следующих исходных данных:
Максимальный отключаемый ток – амплитуда номинального тока отключения, равный:
Для элегазового выключателя относительные оптимальные расстояния между расстоянием вверх по потоку z0 (расстояние между горловинами металлического и изоляционного сопла) и диаметром сопла в определяются соотношением:
Исходя из того, что обычно z0 лежит в пределах 1,5-2,0 см принимаем
Тогда диаметр дуги вычисляется по формуле:
где
В связи с экономической выгодой необходимо обеспечить повышение давления в камере при неизменных параметрах выключателя. Этого можно достичь уменьшением размера сопла, т.е. за счет эффекта автогенерации. Таким образом, диаметр металлического сопла выбирается равным 1,1
Тогда диаметр изоляционного сопла:
Сечение сопел:
Суммарное сечение сопел (эффективное):
Находим обобщённые параметры для номинального режима. Выбираем
Зная объем, можем найти площадь поршня
и диаметр поршня
Тогда
По зависимостям
Зная обобщенные параметры можно вычислить среднее давление в камере сжатия, время срабатывания и время движения подвижной системы на контрольном участке хода:
Вычисляем среднее значение давления в камере сжатия
и время движения подвижной системы на контрольном участке хода
Площадь сечения сопла при частичной блокировке электрической дугой
В этом случае обобщенный параметр
По зависимостям
Таким образом, получаем:
Для приближенных расчетов предельной отключающей способности ДУ при dU/dt>1,5 кВ/мкс можно использовать формулу [6]:
где
где Так как Таким образом, предельная отключающая способность данного выключателя:
Для определения предельной отключающей способности следует провести корректировку давления в камере по результатам эксперимента. Для уточнения параметров конструкции были произведены численные расчеты, результаты которых представлены на рис. 3.5., рис. 3.6.
Рис. 3.5. Результаты численного расчета пневмомеханических характеристик: 1 - ход контактов, 2 - изменение скорости, 3 - изменение давления, 4 – температура, 5 – активное сечение сопел
Рис. 3.6. Результаты численного расчета пневмомеханических характеристик (закупорка сопла 63кА): 1 - ход контактов, 2 - изменение скорости, 3 - изменение давления, 4 – температура, 5 – активное сечение сопел Анализ диаграмм выявил большое влияние энергии дуги на процесс отключения. При отключении номинального тока (12кА) средняя скорость на контрольном участке (12 мс) 11,1 м/с, среднее давление 2,08 МПа. Однако при 63 кА происходит закупорка сопла средняя скорость падает и составляет 6,4 м/с, за счет энергии дуги среднее давление растет, на первом участке (12мс) составляет 4,2Мпа, на втором (9мс) 1,46 МПа, а скорость 2,56 м/с. В численных расчетах были использованы зависимости Rг и Кг от температуры, а также введен коэффициент сжимаемости. Это позволило повысить точность расчетов т.к. после 1400К эти коэффициенты уже не постоянны. На примере рис. 3.6. видно что температура в ДУ достигает 23390К, поэтому было необходимо ввести поправки этих коэффициентов от температуры. Полные времена хода поршня составили 23мс и 33мс соответственно при токах 12кА и 63кА. Это говорит об осложнении процесса гашения при предельных токах. Таким образом, предельная отключающая способность данного выключателя после численных расчетов на ЭВМ:
Графики численных расчетов, исходные данные и текст программы представлены в Приложении 1. Выводы Задачей данной главы являлось определение динамических характеристик ДУ проектируемого выключателя. В рамках этого была произведена разработка пневмомеханической модели ДУ, то есть была разработана система нелинейных дифференциальных уравнений. Решение данной системы предполагает использование численных методов. По данной системе производился расчет обобщенных динамических характеристик проектируемого элегазового генераторного выключателя. Численный расчет с помощью программы на языке FORTRAN. Отключающая способность при численных расчетах оказалась выше чем в предварительных и составила 0,2 кВ/мкс. Рассчитанные параметры дугогасительного устройства: диаметр поршня Глава 4. Расчёт и оптимизация приводного устройства элегазового генераторного выключателяВ соответствии с расчетом дугогасительного устройства, приведенного в гл.3 для обеспечения времени срабатывания, хода контактов при отключении необходимо разработать мощный гидропривод. В качестве базовой конструкции примем конструкцию гидравлического приводного устройства с торможением «по пути». Гидравлические привода элегазовых выключателей предназначены для быстрого включения и отключения контактов высоковольтных выключателей. Привода должны обладать относительно высокой мощностью, так как им необходимо как совершать работу по переводу контактов выключателя из одного положения в другое,обеспечивая при этом скорость их перемещения при отключении, так и производить при отключении работу по сжатию элегаза в цилиндрах дугогасительных устройств с целью создания потока элегаза, направленного в зону горения электрической дуги. Такому требованию в полной мере удовлетворяют гидравлические приводные устройства, имеющие малые занимаемые объемы, малую массу, гибкое регулирование динамических характеристик. Известны гидромеханические приводы, в которых в качестве носителя запасенной энергии для создания высокого давления рабочей жидкости используются следующие аккумуляторы запасенной энергии: -пневмогидроаккумуляторы высокого давления; -пневмогидроаккумуляторы низкого давления; -аккумулятор энергии, запасаемой в пакете сжатых пружин. Пневмогидроаккумулятор низкого давления представляет собой сильфон, герметично закрытый с торцов крышками, заполненный сжатым газом, давление которого значительно ниже давления рабочей жидкости в гидроцилиндре. Привод, в котором в качестве системы накопления энергии, или аккумулятора, используется сжимаемый пакет тарельчатых пружин, действует следующим образом: накопленная энергия сжатого пакета тарельчатых пружин передается в гидравлическую систему рабочей жидкости в гидроцилиндр привода. Гидропривод работает на использовании энергии сжатого газа (азота), находящегося в двух энергоблоках. Рассмотрим схему ГУ, представленную на рис. 4.1. в исходном положении пневмогидроаккумулятор 1 постоянно связан с полостями При подачи сигнала на электромагнит ЭМ гидроклапана 2а полости Одновременно жидкость из пневмогидроаккумулятора поступает в объем А по напорной гидроцепи а – б. Под действием усилия
Рис. 4.1. Схема гидравлического устройства Обычно объем пневмогидроаккумулятора достаточно велик, чтобы обеспечить стабильность 4.1 Анализ начального режима разгона ГУ Быстродействие ГУ на начальном этапе движения поршня зависит от выбора схемы ГУ, исходных параметров и конструктивных размеров ГУ. Уравнение движения выглядит следующим образом:
где
где Установившаяся скорость поршня:
где Эквивалентная длина трубопровода:
где Масса жидкости приведенная к рабочей площади поршня:
где Время разгона поршня
где 4.2 Анализ торможения гидропривода В высокоскоростных ГУ электрических аппаратов используется торможение «по пути», когда по ходу поршня тормозной хвостовик на поршне ГУ или тормозная втулка уменьшает проходное сечение окна в тормозном устройстве. Местное гидравлическое сопротивление увеличивается, и в результате повышения давления жидкости в объеме сжатия скорость поршня уменьшается. Изменение щели окна на этапе торможения вызывает увеличение потерь давления. Среднее давление на этапе торможения
Рекомендуемое значение не должно превышать где Путь торможения:
Длина хвостовика:
где Время торможения:
Геометрическое сечение начальной щели:
Геометрическое сечение начальной щели:
где Геометрическое сечение профильной части, для
4.3 Расчет трогания и торможения гидропривода Определить время разгона поршня ГУ на ход Определим площадь поршня
и площадь штока
Зная которые определяем рабочую площадь поршня:
Проходное сечение отверстия клапана КП
Установившаяся скорость поршня
Будем считать только потери давления в клапане КП и примем, что течение жидкости через него турбулентное, а коэффициент трения
Масса жидкости, приведенная к рабочей площади поршня
Время разгона поршня на
Определить путь торможения, время торможения и основные размеры хвостовика для ГУ при равнозамедленном движении. Установившаяся скорость перед этапом торможения Максимальное допустимое давление в объеме сжатия
Путь торможения
Время торможения
Принимая цилиндрическую часть хвостовика
Сечение и диаметр начальной щели (x=0)
Сечение и диаметр начальной щели(
Сечение и диаметр профильной части
Выводы Гидравлические приводные устройства являются наиболее мощными, энергоемкими приводными устройствами, от других приводных устройств отличаются малым объемом и массой, гибким регулированием динамических характеристик. Как правило, ГУ применяют в наиболее ответственных силовых выключателях. Определены следующие размеры и параметры ГУ: Рабочую площадь поршня Время разгона: Заключение В данной работе был рассмотрен элегазовый генераторный выключатель 10 кВ и ток отключения 63 кА. Дан краткий обзор конструкции, целесообразности производства и особенности эксплуатации этих выключателей. Рассмотрены их достоинства и недостатки. Элегазовые выключатели обладают значительными преимуществами, перед воздушными, такими как меньшие габариты и количество деталей, меньше интенсивность отказов, больше межремонтный срок и срок службы. Проанализировано взаимодействие выключателя с сетью. Были рассмотрены параметры перехдного восстанавливающегося напряжения для 100% к.з. Была проанализирована стойкость при сквозных токах к.з., а также рассмотрено отключение малых индуктивных токов. В третьей главе рассмотрено дугогасительное устройство выключателя, а также принцип работы. На основании исходных данных произведен предварительный расчет времени срабатывания выключателя и давление в камере сжатия. Разработана математическая модель дугогасительного устройства. Произведен численный расчет параметров на ЭВМ. Время срабатывания 23-25 мс. В четвертой главе произведен расчет гидравлического приводного устройства с торможением «по пути». Определены геометрические размеры основных элементов, время разгона 7,9 мс и время торможения 4,3 мс. Результаты расчета и анализа показывают, что элегазовые генераторные выключатели имеют большую перспективу использования в России. В этом случае примером являются зарубежные фирмы, которые с успехом создают и используют элегазовые генераторные выключатели во всем мире. Список литературы 1.Электрические аппараты высокого напряжения. Учебное пособие для вузов. Под редакцией Г.Н. Александрова. – Л.: Энергоатомиздат. Ленингр. Отд-ние, 1989.-344с. 2.Проектирование электрических аппаратов. Учебник для вузов. Под редакцией Г.Н. Александрова. - Л.: Энергоатомиздат. Ленингр. Отд-ние, 1985.-448с. 3.Теория электрических аппаратов. Учебник для вузов. Под редакцией проф. Г.Н. Александрова. 2-е изд., перераб. и доп. СПб.: Изд-во СПбГТУ, 2000. 540с. 4.Коммутационные аппараты для главных цепей генераторов. Бронштейн А.М. - ВНИИ информации, 1982. 5. Генераторные выключатели и аппаратные комплексы высокого напряжения. Н.М. Адоньев, В.В. Афанасьев, А.Ш. Локш. – СПб.:Энергоатомиздат: С-Петербургское отд-ние 1992.-160с. 6. Электрические аппараты высокого напряжения с элегазовой изоляцией. Под редакцией Ю.И. Вишневского. – СПб.: Энергоатомиздат. СПб. отд.-ние 2002.-728с. 7. «Условия отключения генераторного блока 800 МВт выключателем нагрузки КАГ-24» Журавлев С. В., инж., КузьмичеваК.И., канд. техн. Наук. ОАО Тюменьэнерго - Научно-исследовательский институт электроэнергетики (ВНИИЭ). – Электрические станции. Энергопрогресс. №2 2004г. 8. ГОСТ 525665-2006 Выключатели переменного тока на напряжение от 3 до 750 кВ. Общие технические условия. – Стандартинформ, 2007.-67с. 9. Каталог фирмы Multi-Contact (№6), 2002. 10. Воздушные выключатели. В.В. Афанасьев, Ю.И. Вишневский. – Л.: Энергоатомиздат. Ленингр. Отд-ние, 1981.-384с 11. О коммутации тока при размыкании одной из двух параллельных цепей электрических аппаратов. Кандидат техн. наук Н. Н. НИКИФОРОВСКИЙ -Электричество №12, 1959. 12. Электрические аппараты управления. Таев И.С. – Высшая школа: Москва 1984г. 13. Генераторные выключатели в цепи мощных энергоблоков и требования, предъявляемые к ним ЗОРИН Л.М. (ОАО «Гидропроект»), ПОДЪЯЧЕВ В.Н. (ОАО «Институт Энергосетьпроект»),ШЛЕЙФМАН И.Л. (АББ Электроинжиниринг) - «ЭЛЕКТРОТЕХНИКА» № 11/03. Приложение 1. Текст программы расчета ДУ и графики результатов расчета. INTEGER*2 npoint/10000/,ncurv/5/,k3,i REAL,ALLOCATABLE:: XARR(:),YARR(:,:) REAL,ALLOCATABLE:: XARR1(:),YARR1(:,:) REAL delenx/1.3/,deleny/1.3/,alfa/0/,alfa2/1/,w/314/,fi/0.0/,t,AMax LOGICAL*1 poligrf/.FALSE./ DIMENSION Y(4),DY(4) DIMENSION XOD(10),SILA(10) DIMENSION XD(10),SSLA(10),TEMP(20),TEMP2(20),CP(20),RO(20),TEMP3(20),zh(20) COMMON P0,P,S,S1,V,AM,AL,U,SS,ALX,alfa,alfa2,XOD,SILA,XD,SSLA,alx1,ALK,TEMP,CP,TEMP2,RO,CPVUX,ROVUX,TEMP3,zh,h common /comA/ w,AMax NAMELIST/DATA/S,S1,V,P0,AM,AK2,AL,R,AMax,U,alx1,ALX,ALK,Y,XOD,SILA,XD,SSLA NAMELIST/DATA2/TEMP,CP,TEMP2,RO,TEMP3,zh OPEN(1,FILE='aa52.inp') READ(1,NML=DATA) READ(1,NML=DATA2) WRITE(*,NML=DATA) WRITE(*,NML=DATA2) ALLOCATE ( XARR(npoint),YARR(NCURV,npoint),STAT=I) ALLOCATE ( XARR1(npoint),YARR1(NCURV,npoint),STAT=I) IF (I.NE.0) STOP'error' K3=0 OPEN(3,FILE='results.txt') X=0. 99 CONTINUE Ht=0.0001 K3=K3+1 CALL RKYT(Y,Ht,X,DY) WRITE(*,*) 'X=',X,'Y=',Y XARR(K3)=X YARR(1,K3)=-Y(1) YARR(2,K3)=Y(2) YARR(3,K3)=Y(3) YARR(4,K3)=Y(4) YARR(5,K3)=-SS XARR1(K3)=Y(4) YARR1(1,K3)=Y(3)/(Y(4)*h*ROVUX) YARR1(2,K3)=CPVUX/(CPVUX-Y(3)/(Y(4)*h*ROVUX)) YARR1(3,K3)=0 YARR1(4,K3)=0 YARR1(5,K3)=0 WRITE(3,15)X,Y(1),Y(2),Y(3),Y(4),P,SS,CPVUX,ROVUX 15 FORMAT(2X,G12.4,8(2X,G8.3)) IF(Y(1)>=ALK)then CALL EGRAFIC (K3,XARR,NCURV,YARR,DELENX,DELENY,poligrf) CALL EGRAFIC (K3,XARR1,5,YARR1,DELENX,DELENY,poligrf) STOP endif goto 99 END SUBROUTINE FN(Y,X,DY) DIMENSION Y(4),DY(4) DIMENSION XOD(10),SILA(10) DIMENSION XD(10),SSLA(10),TEMP(20),TEMP2(20),CP(20),RO(20),TEMP3(20),zh(20) COMMON P0,P,S,S1,V,AM,AL,U,SS,ALX,alfa,alfa2,XOD,SILA,XD,SSLA,alx1,ALK,TEMP,CP,TEMP2,RO,CPVUX,ROVUX,TEMP3,zh,h Z=0. CALL LINAP(10,Y(1),XOD,SILA,P) CALL LINAP(10,Y(1),XD,SSLA,SS) CALL LINAP(20,Y(4),TEMP,CP,CPVUX) CALL LINAP(20,Y(4),TEMP2,RO,ROVUX) CALL LINAP(20,Y(4),TEMP3,zh,h) IF(P0/Y(3)>=0.59)then Z=SQRT(abs(2.*(CPVUX/(CPVUX-Y(3)/(Y(4)*h*ROVUX)))/(((CPVUX/(CPVUX-Y(3)/(Y(4)*h*ROVUX)))-1)*(Y(3)/(Y(4)*h*ROVUX))*Y(4))*((P0/Y(3))**(2./(CPVUX/(CPVUX-Y(3)/(Y(4)*h*ROVUX))))-(P0/Y(3))**(((CPVUX/(CPVUX-Y(3)/(Y(4)*h*ROVUX)))+1)/(CPVUX/(CPVUX-Y(3)/(Y(4)*h*ROVUX))))))) RAS=SS*Y(3)*Z else Z=SQRT(abs(2.*(CPVUX/(CPVUX-Y(3)/(Y(4)*h*ROVUX)))/(((CPVUX/(CPVUX-Y(3)/(Y(4)*h*ROVUX)))+1)*(Y(3)/(Y(4)*h*ROVUX))*Y(4))*(2./((CPVUX/(CPVUX-Y(3)/(Y(4)*h*ROVUX)))+1))**(2./((CPVUX/(CPVUX-Y(3)/(Y(4)*h*ROVUX)))-1)))) RAS=SS*Y(3)*Z endif IF(Y(1)<ALX)then B1=0. else B1=1. endif DY(1)=Y(2) DY(2)=(P-S*(Y(3)-P0))/AM DY(3)=((CPVUX/(CPVUX-Y(3)/(Y(4)*h*ROVUX)))/(S*(AL-Y(1))))*((1-1/(CPVUX/(CPVUX-Y(3)/(Y(4)*h*ROVUX))))*AD(Y(1))*(B1*B2*(5000.*(Y(1)-ALX)/1.0))*abs(AI(X))+Y(3)*S*DY(1)-(Y(3)/(Y(4)*h*ROVUX))*RAS*B1*Y(4)) DY(4)=(-DY(1)*Y(4)/(AL-Y(1))+DY(3)*Y(4)/Y(3)+(Y(3)/(Y(4)*h*ROVUX))*Y(4)*Y(4)*B1*RAS/(Y(3)*S*(AL-Y(1)))) RETURN END SUBROUTINE RKYT(Y,H,X,DY) DIMENSION Y(4),DY(4),AA(4),S(4),D(4) AA(1)=Y(1) AA(2)=Y(2) AA(3)=Y(3) AA(4)=Y(4) CALL FN(Y,X,DY) DO 3 I=1,4 S(I)=H*DY(I) D(I)=S(I) 3 Y(I)=AA(I)+S(I)/2. X=X+H/2. CALL FN(Y,X,DY) DO 4 I=1,4 S(I)=H*DY(I) D(I)=D(I)+2.*S(I) 4 Y(I)=AA(I)+S(I)/2. CALL FN(Y,X,DY) DO 5 I=1,4 S(I)=H*DY(I) D(I)=D(I)+2.*S(I) 5 Y(I)=AA(I)+S(I) X=X+H/2. CALL FN(Y,X,DY) DO 6 I=1,4 Y(I)=AA(I)+(D(I)+H*DY(I))/6. 6 AA(I)=Y(I) RETURN END SUBROUTINE LINAP(N,U,X,Y,ZN) DIMENSION X(N),Y(N) I=N-1 IF(U.GE.X(N)) GO TO 20 I=1 IF(U.LE.X(1)) GO TO 20 J=N+1 10 K=(I+J)/2 IF(U.LT.X(K)) J=K IF(U.GE.X(K)) I=K IF(J.GT.I+1) GO TO 10 20 CONTINUE UU=ABS(U) ZNAKU=SIGN(1.0,U) DX=UU-X(I) ZN=Y(I)+DX*(Y(I+1)-Y(I))/(X(I+1)-X(I)) ZN=SIGN(ZN,ZNAKU) RETURN END REAL FUNCTION AI(t) REAL w,t,AMax common /comA/ w,AMax COMMON P0,P,S,S1 AI=AMax*sin(w*t+S1) END REAL FUNCTION AD(t) COMMON P0,P,S,S1,V,AM,AL,U,SS,ALX REAL t if(t>ALX)then AD=0.4*SQRT(SQRT((t-ALX)/ALX)) else AD=0.0 endif END Исходныеданные: &data S=0.043 S1=0.5 P0=7.E05 AM=100. AL=0.21 AMax=12000. ALX=.100 ALK=0.199 Y=0.0,0.0,7.E05,293.0 XOD=.00,.02,.04,.06,.08,.10,.12,.14,.16,.20 SILA=90000.,90000.,90000.,90000.,90000.,90000.,90000.,70000.,30000.,10000. XD=.00,.02,.04,.06,.08,.10,.11,.14,.16,.20 SSLA=.0000,.0000,.0000,0.00E-00,0.00E-00,2.12E-03,2.12E-03,4.4E-03,4.4E-03,4.4E-03 / &data2 TEMP=300.,500.,1000.,1700.,2300.,3000.,4000.,6000.,8000.,10000.,12000.,14000.,16000.,18000.,20000.,22000.,26000.,30000.,35000.,40000. CP=138.1,175.5,245.6,335.6,662.0,978.0,1418.0,1965.0,2227.0,2387.0,2575.,2797.,3006.,3304.,3714.,4180.,5030.,5650.,6110.,6910. TEMP2=300.,500.,1000.,1700.,2300.,3000.,4000.,6000.,8000.,10000.,12000.,14000.,16000.,18000.,20000.,22000.,26000.,30000.,35000.,40000. RO=93.76,56.16,28.48,15.26,4.21,1.972,1.068,0.679,0.508,0.401,0.325,0.267,0.220,0.179,0.142,0.113,0.082,0.066,0.053,0.04 TEMP3=300.,500.,1000.,1700.,2300.,3000.,4000.,6000.,8000.,10000.,12000.,14000.,16000.,18000.,20000.,22000.,26000.,30000.,35000.,40000. zh=1.,1.,1.,1.098,2.94,4.814,6.665,6.989,7.015,7.096,7.306,7.634,8.086,8.866,10.065,11.42,13.31,14.26,15.3,17.4 /
Рис. П1.1. Результаты численного расчета пневмомеханических характеристик (12kA): 1 - ход контактов, 2 - изменение скорости, 3 - изменение давления, 4 – температура, 5 – активное сечение сопел
Рис.П1.2. Распределения газодинамических функций (12kA): 1 – Rг(Т), 2 – Кг(Т)
Рис.П1.3. Результаты численного расчета пневмомеханических характеристик (63kA): 1 - ход контактов, 2 - изменение скорости, 3 - изменение давления, 4 – температура, 5 – активное сечение сопел
Рис.1.4. Распределения газодинамических функций (100kA): 1 – Rг(Т), 2 – Кг(Т) Приложение 2. Свойства элегаза Наиболее распространёнными изоляционными, дугогасительными и охлаждающими средами, которые применяются в электротехническом оборудовании, является минеральное масло и воздух. Газы по сравнению с маслом и твёрдыми изоляционными материалами имеют определённые преимущества, главные из которых - ничтожнейшая проводимость и практическое отсутствие диэлектрических потерь, независимость в однородном поле электрической прочности от частоты, неповреждённость газовой изоляции заметным остаточным изменениям и малая загрязнённость под действием дуги и короны. Электрическая прочность газовой изоляции в однородных или слабо неоднородных полях увеличивается с ростом давления и при определённых условиях может превысить электрическую прочность трансформаторного масла, фарфора и высокого вакуума. Для упрощения конструкций оборудования с газовой изоляцией желательно, чтобы необходимая электрическая прочность была обеспечена при сравнительно небольшом избыточном давлении. Однако при применении газа в электротехническом оборудовании, помимо изоляционных, необходимо учитывать и другие свойства газов, а именно: сам газ и продукты его разложения не должны быть токсичными; газ должен быть химически нейтрален по отношению к применённым в устройстве материалам; газ должен иметь низкую температуру сжижения, чтобы его можно было использовать при повышенных давлениях и требуемых по условиям эксплуатации температурах; газ должен обладать хорошей теплоотводящей способностью; диссоциация газа должна быть незначительной; газ должен быть пожаро- и взрывобезопасным; газ должен быть легкодоступным и недорогим. При использовании газа в коммутационных аппаратах необходимо, кроме того, чтобы газ обладал хорошей дугогасительной способностью. С точки зрения доступности воздух имеет неоспоримое преимущество по сравнению со всеми другими газами, однако по совокупности требований он не всегда приемлем. Некоторые газы и пары обладают значительно более высокой электрической прочностью, чем воздух. Однако лишь некоторые из них удовлетворяют требованиям, предъявляемым к электрической изоляции. Так, многие вещества в обычных условиях находятся в жидком состоянии, как, например, Единственным газом, наиболее полно удовлетворяющим поставленным требованиям, является элегаз. Чистый газообразный элегаз совершенно безвреден, химически не активен,поэтому в обычных эксплуатационных условиях он не действует ни на какие материалы, применяемые в аппаратостроении, обладает повышенной теплоотводящей способностью и является очень хорошей дугогасительной средой, позволяющей производить отключение очень больших токов при больших скоростях восстановления напряжения. Низкие температуры сжижения и сублимации дают возможность при обычных условиях эксплуатировать элегазовые аппараты без специального подогрева. Элегаз не горит и не поддерживает горения, следовательно, элегазовые аппараты являются взрыво- и пожаробезопасными. Элегаз — нетоксичное, стойкое, химически инертное, негорючее соединение, не имеющее цвета, запаха и вкуса. При нормальных условиях (20 °С и 1 бар) - это тяжелый газ. Однако с понижением температуры и повышением давления он сжижается. Границей между газообразной и жидкой фазами является кривая конденсации, на которой происходит резкий скачок плотности элегаза (рис. П2.1.). При температуре t=45,56 °C и давлении р=37,7 бар (критическая
Рис. П2.1. — Фазовая диаграмма состояния элегаза (давление абсолютное). Кривые равновесия фаз: ОК - жидкость - пар (газ), линия парообразования (конденсации); ОА -твердое тело — пар, линия сублимации; ОВ - твердое тело - жидкость, линия плавления. Характерные точки диаграммы: К - критическая точка: O - тройная точка: точка) граница между газом и жидкостью стирается и элегаз находится в парообразном состоянии. При снижении температуры до минус 50,8 °С и давлении 2,25 бар элегаз может находиться в трех агрегатных состояниях - газ, жидкость, лед. Эта точка называется тройной. При температуре ниже минус 50,8 °С элегаз из газообразного состояния переходит в твердое, минуя жидкую фазу, и наоборот (кривая АО). При нормальном давлении возгонка элегаза из твердого в газообразное состояние происходит при температуре минус 62,8 °С. Пунктиром ОВ обозначена предполагаемая граница между твердой и жидкой фазами. Диаграмма состояния элегаза исследовалась многими авторами и фирмами в основном экспериментальными методами. Расхождения между данными различных источников достаточно велики и увеличиваются при низких температурах, особенно вблизи кривой конденсации, что связано с точностью проведения эксперимента и степенью очистки элегаза от примесей. Элегаз - это очень стойкий и инертный газ, который при нормальных условиях не вступает в реакцию ни с одним веществом, с которым контактирует, не растворяется в воде. Это тяжелый газ, его молекулярный вес - 146,0 г/моль (21,95 % серы и 78,05 % фтора). Структура молекулы восьмигранная с шестью атомами фтора в вершинах, связи в молекуле - ковалентные, диаметр молекулы - 4,77 Электроотрицательность молекул равна сумме потенциала ионизации и сродства к электрону. Сродство к электрону у молекулы SF6 имеет положительный знак, благодаря чему свободный электрон, попавший в поле молекулы элегаза, захватывается ею и образуется устойчивый отрицательный ион. Благодаря положительному сродству молекулы SF6 к электрону и устойчивости получившегося отрицательного иона объясняется высокая электрическая прочность элегаза по сравнению с другими газами, например азотом или воздухом. На рисунке П2.2 приведены зависимости пробивного напряжения для трансформаторного масла, элегаза и воздуха.
Рис. П2.2. – Пробивное напряжение трансформаторного масла, воздуха и Как видно, электрическая прочность элегаза при давлении 3 бара (кг/см ) примерно в 2,5 раза выше, чем для воздуха, и равняется электрической прочности трансформаторного масла. Поэтому габариты элегазового оборудования более чем на порядок ниже габаритов воздушного оборудования такого же класса напряжения. Это позволяет создать закрытые подстанции, снабженные комплектными распределительными устройствами с элегазовой изоляцией (КРУЭ), которые занимают на порядок меньшую площадь, чем открытые подстанции с воздушными выключателями. Также подстанции являются незаменимы для больших густонаселенных городов и оборонных объектов. Под воздействием электрических разрядов происходит разложение элегаза с образованием свободного фтора, газообразных и твёрдых фторидов, многие из которых весьма токсичны. Одним из необходимых условий возможности использования того или иного соединения в электрических аппаратах является его химическая инертность. Оно не должно вступать в реакцию ни с каким материалом, применяемым в электроаппаратостроении. Чистый элегаз при обычных условиях удовлетворяет этому требованию, несмотря на то, что в состав его молекулы входит фтор, являющийся одним из наиболее активных химических элементов. По химической инертности чистый элегаз при нормальных условиях сравним с азотом или даже инертными газами. Строение молекулы и её энергетическое состояние определяют высокую стабильность элегаза. Хотя теплопроводность и теплоемкость элегаза ниже, чем у воздуха, однако общие теплопередающие свойства в несколько раз выше благодаря более высокой плотности. Объемный критический расход для элегаза в 2,3 раза меньше, чем для воздуха, благодаря этому в значительной степени стало возможным создание мощных автопневматических элегазовых выключателей. Таким образом, высокая электрическая прочность, имеющая значительно меньший разброс пробивного напряжения ( В соответствии с международными нормами состав элегаза для использования в высоковольтном оборудовании должен быть не хуже приводимых ниже норм, а именно: SF6 >99,9 % по массе; O2 ; N2 ; воздух >500 ррм по массе; СF4 >500 ррм по массе; вода >15 ррм по массе минеральные масла >10 ррм по массе кислотность в пересчёте на HF >0,3 ррм по массе; гидролизуемые фториды в пересчёте на HF >0,3 ррм по массе; Технические условия на отечественный элегаз повышенной чистоты ТУ-6-02-1249-83 практически соответствуют указанным нормам. Изготовленный по этим ТУ элегаз называется товарным и может быть использован как показали разработки НИИВА в любом элегазовом высоковольтном оборудовании вплоть до 1150 кВ на переменном токе и до 1500 кВ на постоянном токе. Его производителями являются Пермский химический комбинат и Кирово-Чепецкий химкомбинат (Россия). Стоимость элегаза сравнительно не высока. В производстве элегаза на заводе “Галоген” (завод Пермь) стоимость его составляет 122 руб./кг. |
||||||||||||||||||||||||||||||||||||||||||||||||||||||||||||||||||||||||||||||||||||||||||||||||||||||||||||||||||||||||||||||||||||||||||||||||||||||||||||||||||||||||||||||||||||||||||||||||||||||||||||||||||||||||||||||||||||||||||||||||||||||||||||||||||||||||||||||||||||||||||||||||||||||||||||||||||||||||||||||||||||||||||||||||||||||||||||||||||||||||||||||||||||||||||||||||||||||||||||||||||||||||||||||||||||||||||||||||||||||||||||||||||||||||||||||||||||||||||||



















, (2.2)

обмена энергии определяемый относительно небольшой энергией, запасенной в индуктивности источника
:

;
, при
, при
- коэффициент адиабаты.
(3.8)
(3.9)
(3.10)
(3.11)
(3.12)
(3.14)

, при
, при 

,
,
, где
, 
;
.
,
м

, то из формулы находим объём камеры сжатия:

м.
;
. 

,
кВ/мкс

кВ/мкс
, (4.1)
, (4.3)
, (4.4)
, (4.5)
, (4.6)
(4.7)
(4.8)
(4.10)
(4.11)
, (4.12)
(4.13)



м.
кг.
м.
м.
м.
м.




