Реферат: Электродинамические и электромагнитные измерительные приборы
|
Название: Электродинамические и электромагнитные измерительные приборы Раздел: Рефераты по физике Тип: реферат | ||||||||||
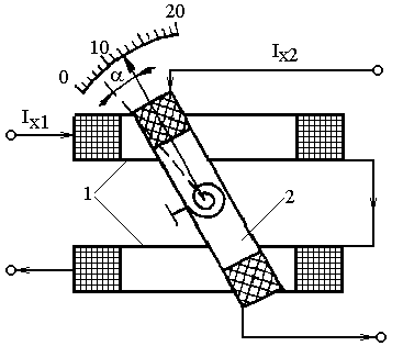
Министерство образования Республики Беларусь Учреждение образования БЕЛОРУССКИЙ ГОСУДАРСТВЕННЫЙ УНИВЕРСИТЕТ ИНФОРМАТИКИ И РАДИОЭЛЕКТРОНИКИ Кафедра метрологии и стандартизации РЕФЕРАТ на тему: «ЭЛЕКТРОДИНАМИЧЕСКИЕ И ЭЛЕКТРОМАГНИТНЫЕ ИЗМЕРИТЕЛЬНЫЕ ПРИБОРЫ» МИНСК, 2008 1 Электродинамические измерительные приборы Самыми точными среди других подгрупп электромеханических преобразователей, применяемых в цепях переменном тока, являются электродинамические преобразователи. В настоящее время многие из них выпускаются с классами точности 0.05 и сохраняют свои показания при переходе с постоянного тока на переменный. Наиболее широкое применение электродинамические преобразователи находят в качестве ваттметров постоянного и переменного тока, амперметров постоянного и переменного токов, фазометров, частотомеров и фарадометров. Принцип действия электродинамических преобразователей основан на взаимодействии магнитных полей токов, протекающих по неподвижной и подвижной катушкам (или системам катушек). Электродинамический преобразователь, конструкция которого и схема соединения катушек приведены на рисунке 1,а,б соответственно, включает в себя в общем случае систему неподвижных и подвижных катушек, отсчетное устройство, упругие элементы у преобразователей с механическим противодействующим моментом, успокоитель и средства защиты от внешних магнитных полей.
Рисунок 1 – Электродинамический преобразователь Неподвижные катушки 1, как правило, выполняют из двух секций, разнесенных в пространстве. Это создает конструктивные удобства при размещении подвижной части и, кроме того, позволяет изменением расстояния между секциями изменять конфигурацию магнитного поля, что используется для линеаризации функции преобразования преобразователя. Выполняются неподвижные катушки, как правило, из медного провода. Подвижная катушка 2 выполняется из медного или алюминиевого провода и размещается внутри неподвижной. Токопроводящими проводниками подвижной катушки служат упругие элементы (спиральные пружины 3), создающие механический противодействующий момент, или безмоментные проводники в логометрах. По форме катушки выполняют круглыми или прямоугольными. Первые из них более технологичны в производстве и имеют добротность на 15 - 20 % выше по сравнению с прямоугольными. Это повышает чувствительность преобразователя. Прямоугольные же катушки используются с целью уменьшения размеров прибора. Наиболее широкое распространение в практике электрических измерений нашли электродинамические амперметры и вольтметры переменного тока, ваттметры постоянного и переменного тока и, реже, фазометры, частотомеры и фарадометры. Амперметры. В электродинамических амперметрах используются последовательное и параллельное включения подвижной 2 и неподвижной 1 катушек. Последовательное включение катушек (рисунок 2,а) применяется в амперметрах, предназначенных для измерения малых (до 0,5 А) токов. В этом случае токи I1 и I2 в неподвижной и подвижной катушках равны между собой и фазовый сдвиг между ними j равен нулю, т.е. cosj = 1. Выражение для уравнения шкалы для такого амперметра запишется следующим образом:
Шкала прибора в принципе является квадратичной, однако путем соответствующего выбора формы, размеров и взаимного расположения катушек можно добиться такого закона изменения взаимной индуктивности М1,2 при изменении угла поворота подвижной части α, что на участке шкалы начиная с 15 – 20 % от ее верхнего предела она будет иметь практически линейный характер.
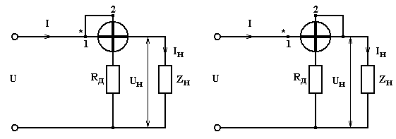
Рисунок 2 – Амперметры на основе электродинамических преобразователей Ваттметры. В электродинамических ваттметрах подвижная и неподвижная катушки включаются независимо друг от друга (рисунок 3).
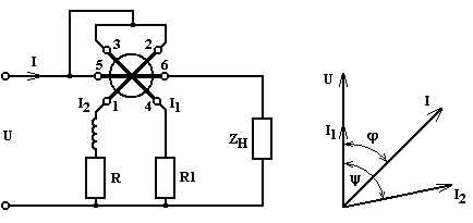
Рисунок 3 – Ваттметры на основе электродинамического преобразователя Фазометры. Электродинамические фазометры создаются на базе логометрического преобразователя. Электрическая схема фазометра показана на рисунке 4,а. Неподвижная катушка 5-6 преобразователя образует последовательную (токовую) цепь прибора. Подвижные катушки 1-2 и 3-4 образуют параллельную цепь. Последовательно с подвижной катушкой 3-4 включен резистор R1, имеющего активное сопротивление, а последовательно с катушкой 1-2 - комплексное индуктивное сопротивление, образованное резистором R и индуктивностью L . При такой схеме включения фазометра и индуктивном характере нагрузки ZH векторная диаграмма фазометра будет соответствовать рисунку 4,б.
Рисунок 4 – Фазометр на основе электродинамического преобразователя Электродинамические фазометры позволяют измерять фазовые сдвиги в пределах от 0 до 180° (чаще градуируются от плюс 90 до минус 90° с нулем в середине шкалы). Промышленностью выпускаются фазометры с классами точности до 0,1. Достаточно высокая точность их обеспечивается благодаря достоинствам, присущим электродинамическим преобразователям. Основными недостатками рассмотренных фазометров является то, что они могут работать на фиксированных частотах и напряжениях. Изменение напряжения Uтребует изменения элементов схемы фазометра Rи R1 (для выполнения условия I1 = I2), а значит, и характер шкалы прибора при этом изменится. Изменение частоты также приводит к изменению характера шкалы из-за изменения реактивного сопротивления цепи катушки 1-2, а значит, и соотношения токов I1 и I2. 2 Электромагнитные измерительные приборы Отличительной особенностью электромагнитных приборов, обусловливающей их широкое применение для измерений в цепях переменного и постоянного токов в качестве щитовых амперметров и вольтметров, являются их высокие эксплуатационные качества: простота конструкции, низкая стоимость, высокая надежность, устойчивость к электрическим перегрузкам, широкий диапазон измеряемых величин. Основным недостатком этих приборов является невысокая точность (отечественные электромагнитные приборы выпускаются с классами точности до 0,5). Все электромагнитные приборы в зависимости от конструктивного исполнения и характера движения их подвижной части могут быть разделены на резонансные и нерезонансные. Каждая из этих групп приборов в свою очередь делится на две подгруппы: поляризованные и неполяризованные (в поляризованных приборах кроме намагничивающей катушки используются постоянные магниты). Так как резонансные электромагнитные приборы в настоящее время используются очень редко, то в настоящем пособии они не рассматриваются. Здесь рассмотрены лишь неполяризованные нерезонансные электромагнитные преобразователи, наиболее широко применяемые в электроизмерительной технике. Основу этих приборов составляют электромагнитные измерительные механизмы, отличающиеся как по конструктивному исполнению, так и по своим свойствам и параметрам. Принцип действия всех электромагнитных преобразователей основан на взаимодействии магнитного поля тока, протекающего в катушке, с ферромагнитным сердечником. Электромагнитные ИП могут быть выполнены так, что в результате взаимодействия магнитного поля катушки с током и ферромагнитного сердечника последний будет намагничиваться одноименно с другим неподвижным сердечником и отталкиваться от него (так называемые преобразователи отталкивающего действия), или же таким образом, что в результате воздействия магнитного поля катушки с током на ферромагнитный сердечник он будет втягиваться в магнитное поле катушки (преобразователь втяжного действия). Все конструктивные разновидности электромагнитных ИП можно свести к двум основным типам (рисунок 5).
Рисунок 5 – Электромагнитные измерительные преобразователи Преобразователи с плоской катушкой (рисунок 5,а) состоят из катушки 2, в магнитном поле которой находится ферромагнитный сердечник 1 в форме усеченного диска или язычка, эксцентрически закрепленный на оси подвижной части. При протекании по катушке тока ферромагнитный сердечник втягивается в магнитный зазор катушки, поворачивая при этом ось 3 с закрепленным на ней успокоителем 4 и стрелку 5 в сторону увеличения показаний. Регулировка угла отклонения подвижной части осуществляется с помощью магнитного шунта 6. Преобразователи с плоской катушкой менее технологичны в изготовлении, чем механизмы с круглой катушкой, однако они обладают повышенной чувствительностью, меньшими габаритами и массой. Преобразователи с круглой катушкой (рисунок 5,б) состоят из катушки 1, подвижного 2 и неподвижного 3 ферромагнитных сердечников, форма которых определяется необходимостью получения требуемого характера шкалы преобразователя. При протекании по катушке тока подвижный и неподвижный сердечники намагничиваются одноименно. Подвижный сердечник отталкивается от неподвижного, поворачиваясь вместе с осью 4 и закрепленной на ней стрелкой 6. Причем сила отталкивания оказывается прямо пропорциональной значению тока, протекающего по катушке. Противодействующий момент создается с помощью спиральной пружины 5. Успокоение подвижной части осуществляется воздушным (крыльчатым) успокоителем, состоящим из закрытой камеры 7 и легкого алюминиевого крыла 8, жестко связанного с осью 4 подвижной части. Достоинством таких преобразователей является их простота, высокая технологичность изготовления и возможность получения требуемого характера шкалы (за счет выбора формы сердечников. Конструктивно сердечники могут быть цилиндрическими, призматическими или иметь другую форму). Чувствительность таких преобразователей оказывается ниже, чем у преобразователей с плоской катушкой. Из проведенного рассмотрения можно сделать некоторые выводы о свойствах, достоинствах и недостатках электромагнитных преобразователей: - электромагнитные преобразователи могут применяться для измерений в цепях как постоянного, так и переменного токов, так как направление отклонения подвижной части не зависит от направления тока в обмотке. При применении их для измерений в цепях переменного тока они измеряют среднеквадратические значения тока или напряжения; - точность электромагнитных преобразователей сравнительно невысокая вследствие влияния потерь в сердечниках (на гистерезис и вихревые токи), внешних магнитных полей, температуры окружающей среды и частоты измеряемых электрических величин; - чувствительность электромагнитных преобразователей за исключением преобразователей с замкнутым магнитопроводом невысока, следовательно, собственное потребление мощности от источников преобразуемых сигналов у них довольно значительное; - функция преобразования электромагнитных преобразователей по своему характеру является квадратичной, однако соответствующим выбором формы и местом расположения сердечника, т.е. закона изменения индуктивности при изменении угла поворота подвижной части, можно получить практически равномерную шкалу на участке от 20 до 100 % от ее верхнего предела; - электромагнитные преобразователи наиболее просты по своей конструкции, имеют низкую стоимость и надежны в работе; - электромагнитные преобразователи способны выдерживать длительные электрические перегрузки, так как токоподводящими элементами у них являются медные проводники соответствующего сечения, а не упругие элементы, создающие противодействующий момент МПР и первыми выходящие из строя при перегрузках в преобразователях других групп; - диапазон рабочих частот для электромагнитных преобразователей ограничен сверху частотами порядка нескольких десятков килогерц из-за возникновения большой частотной погрешности на высоких частотах вследствие влияния вихревых токов в сердечнике и других металлических деталей преобразователя, а также вследствие изменения индуктивного сопротивления катушки при изменении частоты. Для уменьшения дополнительных частотных погрешностей сердечники и магнитопроводы электромагнитных преобразователей выполняются из магнитомягких материалов с высоким удельным сопротивлением (пермаллоев). Существуют также электромагнитные логометрические преобразователи, которые применяются в фазометрах, частотомерах, фарадометрах и т.п. Их основные свойства аналогичны свойствам преобразователей с механическим противодействующим моментом. Электромагнитные приборы находят широкое применение в практике электрических измерений главным образом в виде различных щитовых и лабораторных амперметров и вольтметров переменного тока. Кроме того, на базе логометрических преобразователей создаются фазометры, частотомеры и фарадометры. Амперметры. Электромагнитные амперметры образуются путем непосредственного последовательного включения преобразователя в цепь измеряемого тока. Они используются для измерения сравнительно небольших токов, так как при больших токах сильное влияние на показания приборов оказывают магнитные поля токопроводящих проходов. Щитовые амперметры, как правило, изготавливаются однопредельными. Лабораторные приборы могут иметь несколько пределов измерений, которые изменяются путей секционирования обмотки катушки и включения секций последовательно или параллельно. Для расширения пределов измерения амперметров на большие токи используются измерительные трансформаторы тока. Вольтметры. Вольтметры образуются путем последовательного включения электромагнитного преобразователя и добавочного резистора RД. При этом для уменьшения температурной погрешности из-за изменения сопротивления цепи протекания измеряемого тока отношение сопротивления добавочного резистора RД, выполняемого обычно из манганина, к сопротивлению медного провода катушки не должно быть меньше определенного значения, задаваемого допустимой температурной погрешностью. Поэтому в вольтметрах, предназначенных для измерения малых напряжений, приходится уменьшать сопротивление катушки за счет уменьшения числа ее витков, что ведет к снижению чувствительности приборов. Для избежания этого, расширение пределов измерения вольтметров в сторону малых напряжений осуществляется, как правило, не за счет изменения RД, а путем секционирования катушек и перехода с последовательного включения секций на параллельное. Расширение пределов измерений в сторону больших напряжений осуществляется до 600 В с помощью добавочных резисторов, а на более высокие напряжения - с помощью измерительных трансформаторов напряжения. Из-за различного характера частотной зависимости добавочного сопротивления RД и сопротивления катушки у вольтметров могут появляться дополнительные (по сравнению с амперметрами) частотные погрешности. Электромагнитные фазометры, частотомеры и фарадометры на базе логометрических преобразователей сколько-нибудь широкого применения в электроизмерительной технике не получили и поэтому в данном пособии не рассматриваются. ЛИТЕРАТУРА 1 Метрология и электрорадиоизмерения в телекоммуникационных системах: Учебник для ВУЗов. Нефедов В. И. и др.; Под ред. Нефедова В.И. - М.: Высш. шк., 2001. 2 Елизаров А.С. Электрорадиоизмерения - Мн.: Выш.шк., 2006. 3 У. Болтон. Справочник инженера-метролога. М. Додэка 2002.-386 с (пер. с англ.). 4 Дерябина М. Ю., Основы измерений. Учебное пособие. Мн., БГУИР, 2001. 5 Резин В.Т., Кострикин А.М. Метрология и измерения. Генераторные измерительные преобразователи. Методическое пособие. Мн., БГУИР, 2004. 6 Архипенко А. Г., Белошицкий А. П., Ляльков С. В. Метрология, стандартизация и сертификация. Учеб. пособие. Ч.2. Основы стандартизации. Мн.: БГУИР, 2007. 7 М. Тули. Справочное пособие по цифровой электронике. - М. Энерго-атомиздат, 2000. (пер. с англ.). 8 Электрические измерения /Под ред. А. В. Фремке и Е. М. Душина. - Л.: Энергия, 2000. 9 Левшина Е.С., Новицкий П.В. Электрические измерения физических величин. Измерительные преобразователи. - Л.: Энергоатомиздат, 2003. |


. (1)



