Контрольная работа: Электродинамические усилия в электрических аппаратах
|
Название: Электродинамические усилия в электрических аппаратах Раздел: Рефераты по физике Тип: контрольная работа |
Электродинамические усилия в электрических аппаратах Содержание 1. Основные понятия.......................................................................................... 2 Возникновение электродинамических сил........................................................ 2 Направление действия силы.............................................................................. 3 2. Методы расчета электродинамических сил.................................................. 4 Первый метод..................................................................................................... 4 Второй метод..................................................................................................... 6 3. Электродинамические силы между параллельными проводниками.................................................................................................... 8 Бесконечной длины............................................................................................ 8 Конечной длины................................................................................................ 9 Неравной длины.............................................................................................. 10 4. Электродинамические силы между взаимно перпендикулярными проводниками............................................................... 15 5. Электродинамические силы в кольцевом витке и между кольцевыми витками........................................................................................ 17 Для одного витка............................................................................................. 17 Для нескольких витков.................................................................................... 18 6. Электродинамические силы в проводниках переменного сечения.............................................................................................................. 20 7. Силы взаимодействия между проводником с током и ферромагнитной массой.................................................................................. 21 Вблизи ферромагнитной массы...................................................................... 21 Внутри ферромагнитной массы...................................................................... 22 8. Электродинамические силы при переменном токе.................................... 24 При однофазном токе...................................................................................... 24 При расположении проводников в одной плоскости.................................... 26 При расположении проводников правильным треугольником.................... 28 1. Основные понятияДействие электродинамических сил на аппараты При нормальных эксплуатационных условиях электродинамические силы, как правило, малы и не вызывают каких-либо деформаций, а тем более поломок деталей в аппаратах. Однако при коротких замыканиях эти силы достигают весьма больших значений и могут вызвать деформацию или разрушение не только отдельных деталей, но и всего аппарата. Это обстоятельство требует проведения расчета аппарата (или отдельных его узлов) на электродинамическую устойчивость, т.е. на способность выдержать без повреждений прохождение наибольшего возможного в эксплуатационных условиях (или заданного) тока короткого замыкания. Такой расчет тем более необходим ввиду того, что с целью получения минимальных габаритов в аппаратах стремятся располагать токоведущие части как можно ближе друг к другу. Так как переменный ток при отсутствии апериодической составляющей отличается от постоянного изменением силы тока и направлением изменяющихся по синусоидальному закону, то и электродинамическая сила будет иметь переменное значение. Для упрощения рассмотрим электродинамические силы, возникающие в различных частях электрического аппарата при постоянном токе. Далее, оценим их влияние на электрический аппарат в различных ситуациях при трехфазном переменном токе. Возникновение электродинамических силОбтекаемый током i прямолинейный проводник длиной l (рис. 1), расположенный в магнитном поле с индукцией В , испытывает механическую силу
где β - угол между направлением вектора магнитной индукции и направлением тока в проводнике.
Рис. 1. Для системы из нескольких обтекаемых током проводников можно всегда представить, что любой из этих проводников расположен в магнитном поле, созданном токами других проводников, и соответствующим образом взаимодействует с этим полем, т. е. между проводниками, охваченными общим магнитным потоком, всегда возникают механические силы. Эти силы называются электродинамическими. Аналогичные силы возникают между проводником, обтекаемым током, и ферромагнитной массой. Направление действия силыНаправление действия силы определяется «правилом левой руки». Направление действия силы может быть также определено из следующего общего положения: силы, действующие в контуре с током, стремятся изменить конфигурацию контура так, чтобы охватываемый контуром магнитный поток увеличился. Удобным для определения направления действия электродинамической силы является метод, предложенный академиком В.Ф. Миткевичем, основанный на представлении бокового распора и тяжения магнитных линий.
Рисуют и накладывают друг на друга картины магнитных полей, создаваемых током каждого из проводников. Благодаря боковому распору магнитных силовых линий сила, действующая на проводник, направлена в сторону, где поле ослаблено (рис. 2). 2. Методы расчета электродинамических силРасчет электродинамических сил ведется обычно либо на основании закона взаимодействия проводника с током и магнитным полем (первый метод), либо по изменению запаса магнитной энергии системы (второй метод). Первый метод
Расчет электродинамических сил на основании закона взаимодействия проводника с током и магнитным полем. Возьмем систему из двух произвольно расположенных проводников 1 и 2 (рис. 3), обтекаемых токами i 1 и i 2 . Напряженность магнитного поля, создаваемого элементом dy проводника 2 в месте расположения элемента dx проводника 1 , будет
где α — угол между вектором ρ и направлением тока по элементу dy . Весь проводник 2 создает в месте расположения элемента dx напряженность магнитного поля
Элементарная сила, действующая на элемент dx , обтекаемый током i1
где ρ — угол между вектором магнитной индукции В = μ0 Hdx и вектором тока i 1 ; μ0 — магнитная проницаемость воздуха. Полную силу F взаимодействия между проводниками 1 и 2 получим после интегрирования dFdx по всей длине проводника 1 :
Считая токи i 1 и i 2 неизменными по всей длине проводника, уравнение (5) можно переписать в виде произведения членов:
Первый член этого выражения зависит только от значений токов. Второй член зависит только от взаимного геометрического расположения проводников и представляет собой безразмерную величину. Эту величину часто называют коэффициентом контура, который обозначим буквой с. Тогда
т.е. сила взаимодействия между двумя проводниками, обтекаемыми токами i 1 и i 2 , пропорциональна произведению этих токов (квадрату тока при i 1 = i 2 ) и зависит от геометрии проводников. Подставив в уравнение (7) значение μ0 = 4π10-7 и вычисляя силу в ньютонах, получим
Второй методРасчет электродинамических сил по изменению запаса электромагнитной энергии контуров. Электромагнитное поле вокруг проводников и контуров с током обладает определенным запасом энергии. Электромагнитная энергия контура, обтекаемого током i ,
Электромагнитная энергия двух контуров, обтекаемых токами i 1 и i 2 ,
где L 1 , L 2 — индуктивности контуров; М — взаимная индуктивность контуров. Всякая деформация контура (изменение расположения отдельных его элементов или частей) или изменение взаиморасположения контуров приводят к изменению запаса электромагнитной энергии. При этом работа сил в любой системе равна изменению запаса энергии этой системы:
здесь dW — изменение запаса энергии системы при деформации системы в направлении х под действием силы F . На указанном законе (11) и основан второй метод определения электродинамических сил в контурах. Электродинамическая сила в контуре или между контурами, действующая в направлении х, равна скорости изменения запаса энергии системы при деформации ее в том же направлении:
Согласно сказанному электродинамическая сила в контуре, обтекаемом током i ,
а электродинамическая сила между двумя взаимосвязанными контурами с токами i1 и i2 будет
3. Электродинамические силы между параллельными проводникамиБесконечной длиныВозьмем два параллельных круглых проводника 1 и 2 (рис. 4), расположенных в одной плоскости на расстоянии друг от друга и обтекаемых токами i1 и i2 . Расчет будем производить первым методом. Проделав все операции аналогично выражениям (2) — (8) и учитывая, что sin β = 1, так как проводники расположены в одной плоскости, и вектор индукции в данном случае перпендикулярен этой плоскости (β=90°), получим
где
Выразим подынтегральные переменные второго интеграла через одну из переменных, а именно через угол α. Примем за начало координат элемент dy и направление токов, совпадающее с положительным направлением координат. В этом случае текущая координата
Подставив полученные выражения в уравнение (15) и считая, что проводник 2 распространяется от — ∞ до + ∞, чему соответствует изменение угла α от π до 0, получим
Очевидно, если проводник 1 (l 1 ), так же как и проводник 2 , распространяется до ±∞, то с будет стремиться к бесконечности. Конечной длиныЕсли проводник 1 имеет конечную длину, то
Согласно выражению (8) сила, действующая на проводник 1 , равна
Уравнение (19) определяет силу взаимодействия между двумя проводниками, один из которых бесконечно длинен, а второй имеет конечную длину l и расположен симметрично относительно первого. В случае, когда оба проводника будут иметь конечную длину l , пределы интегрирования для выражения (17) будут уже не от π до 0, а от α 2 до α 1 (см. штриховые линии на рис. 4) и сила взаимодействия между двумя круглыми проводниками конечной и равной длины определится уравнением
В уравнении (20) множитель перед скобками представляет собой силу взаимодействия между двумя проводниками, один из которых имеет бесконечную длину. Обозначим эту силу через F ∞ . Коэффициент, заключенный в скобках, представляет собой величину, меньшую единицы. При α/1< 0,2 (в практике, как правило, α/1<< 0,2) величиной ( α/ l )2 по отношению к единице можно пренебречь. Тогда уравнение (20) примет вид (21)
Неравной длиныВ практике весьма часто проводники имеют неравную длину. Силу взаимодействия между такими проводниками можно найти изложенным выше способом, производя интегрирование каждый раз в соответствующих пределах. Можно эту задачу решить, применив уравнение (20).
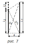
На рис. 5 приведены два проводника неравной длины l 1 и l 2 , расположенные друг от друга на расстоянии а и обтекаемые токами i 1 и i 2 . Нарастим проводник l 2 на отрезок l 3 до длины, равной l 1 .Проводник l 1 можем также представить состоящим из двух отрезков l 2 и l 3 . Тогда можем написать, что сила взаимодействия между проводниками длиной l 1 и l 2 ( F l 1 l 2 ) равна сумме сил взаимодействия между двумя проводниками l 2 одинаковой длины ( F l 2 l 2 ) и двумя проводниками длиной l 2 и l 3 ( F l 2 l 3 ) :
Аналогично можно написать
Сложив уравнения (22) и (23), получим
Таким образом, сила взаимодействия между двумя проводниками неравной длины выражается через силу взаимодействия проводников равной длины:
При этом l 1 и l 2 — величины заданные, а l 3 = l 1 - l 2 . Сила взаимодействия между круглыми параллельными проводниками может быть также определена по изменению запаса электромагнитной энергии. Первый случай — оба проводника принадлежат к одной системе. Индуктивность системы из двух параллельных проводников радиусом r и длиной l , находящихся на расстоянии а, при условии, что l >> а, определяется формулой
Нас интересует сила, действующая в направлении а. Согласно выражению (13)
из уравнения (26)
тогда
Из выражения (28) видно, что результат получился таким же, как и при определении этих сил, первым методом. Второй случай — проводники принадлежат к двум различным системам, при этом сами системы не претерпевают деформации. Взаимная индуктивность между двумя проводниками длиной l , находящимися друг от друга на расстоянии а, при условии, что l >> а , определяется формулой
Согласно формуле (13) сила, действующая в направлении а,
где
так как сами системы не претерпевают деформации, а из выражения (29)
Тогда
т.е. результат, как и следовало, получился тот же.
Для двух параллельных проводников, расположенных с любым сдвигом, Г.Б. Холявский получил удобную для расчета коэффициента контура формулу, основанную на геометрической интерпретации приведенных выше уравнений. Величина
а согласно уравнению (25) для проводников неравной длины (рис. 7)
т.е. коэффициент контура равен разности суммарных диагоналей и боковых сторон четырехугольника (прямоугольник, трапеция, параллелограмм), построенного на данных отрезках проводников, деленной на его высоту. Для проводников прямоугольного сечения (шин) следует вводить поправочный коэффициент — коэффициент формы k ф , зависящий от размеров проводников и расстояний между ними: 4. Электродинамические силы между взаимно перпендикулярными проводниками
На рис. 8 и 9 приведены часто встречающиеся в аппаратах формы перпендикулярно расположенных проводников, например в рубильниках, мостиковых контактных системах и многих других аппаратах и узлах. Произведя расчеты, аналогичные предыдущим (первый метод), получим следующие выражения для сил, действующих на проводник 1 по рис.8
и при h конечном
по рис. 9 сила будет соответственно в два раза большей:
Моменты относительно точки О, действующие на проводник 1 ( h →∞), по рис. 8:
Момент относительно точки О , действующий на половину проводника 1 (рис. 9),
5. Электродинамические силы в кольцевом витке и между кольцевыми виткамиДля одного витка
В кольцевом витке (рис. 10) с током i возникают радиальные силы fR , стремящиеся увеличить его периметр, т.е. разорвать виток. Если считать, что сечение проводника не деформируется, то согласно выражению (13) общая радиальная сила, действующая на виток, будет
На единицу длины витка приходится сила
Для того чтобы найти силу FR , стремящуюся разорвать виток, необходимо проинтегрировать проекции радиальных сил, действующих на четверти витка. На элемент окружности витка Rd φ действует сила fR Rd φ, проекция которой на ось х равна fR Rd φ cosφ , откуда
Для витка круглого сечения при R >> r
и
Аналогично для витка прямоугольного сечения
и
Для нескольких витковПриведенные формулы для электродинамических сил применимы не только к одному витку, но и к обмоткам с любым числом витков п, занимающим данное сечение. В этом случае за значение тока следует принимать суммарное значение тока всех витков i =ni в .
В катушках аппаратов, кроме сил, действующих внутри каждого витка, будут существовать электродинамические силы между витками. Между витками (рис. 11а), если считать, что токи в них направлены одинаково, возникает сила притяжения F . Силу F можно представить как результирующую двух составляющих, а именно силы Fy , стремящейся притянуть витки друг к другу, и силы Fx , стремящейся один из витков (при одинаково направленных токах — виток с меньшим диаметром) растянуть, а другой виток (в данном случае виток большего диаметра) — сжать. Таким образом, в одном из витков сила Fx будет складываться с силой FR , а в другом — вычитаться из нее. Значения составляющих силы взаимодействия между двумя витками определяются уравнениями:
где c = R 2 - R 1 ; R 2 > R 1 . Зависимости Fx и Fy от расстояния между витками представлены на рис. 11, б и в . 6. Электродинамические силы в проводниках переменного сечения
В проводнике силы взаимодействия отдельных линий тока с собственным магнитным полем проводника направлены перпендикулярно линиям тока. При неизменном сечении проводника все линии тока параллельны и силы не имеют осевой составляющей (в цилиндрическом проводнике они направлены по радиусу: F = Fr на рис. 12). При изменении сечения проводника линии тока искривляются, и кроме поперечной Fr появляется продольная составляющая Fl стремящаяся разорвать место перехода вдоль оси проводника. Эта сила всегда направлена в сторону большего сечения и равна
Формула справедлива для любого перехода. 7. Силы взаимодействия между проводником с током и ферромагнитной массойВблизи ферромагнитной массыВблизи ферромагнитной массы магнитное поле вокруг проводника с током (рис 13) искажается, магнитные силовые линии стремятся замкнуться по массе и возникают силы, стремящиеся притянуть проводник к этой массе.
Значение силы притяжения может быть определено из следующих соображений. Заменим ферромагнитную массу вторым проводником с током того же направления, расположенным на таком же расстоянии от границы раздела сред. Картина поля при этом не нарушится, так как одновременно с удвоением длины магнитной силовой линии удвоилась и магнитодвижущая сила (2i вместо i ), т.е. такая замена вполне правомерна. Силы взаимодействия между двумя параллельными проводниками подсчитываются по уравнениям (19) и (20). Только в данном случае вместо расстояния а надо брать 2а, т.е.
Следует при этом помнить, что приведенные рассуждения полностью справедливы при бесконечно большой проницаемости магнитных силовых линий в ферромагнитной массе по отношению к их проницаемости в воздухе. Фактически с учетом магнитного сопротивления массы и насыщения силы будут несколько меньшими. Внутри ферромагнитной массы
Если проводник с током находится внутри ферромагнитной массы (рис. 14), то те же силы будут отталкивать его от границы раздела. Картина поля, а следовательно, и сила взаимодействия будут такими, как если бы за пределами ферромагнитной массы на таком же расстоянии был расположен проводник с таким же током, но обратного направления. Значение силы определяется тем же уравнением (50).
Аналогичные силы притяжения будет испытывать проводник, расположенный в щели постоянного (рис. 15) или переменного (рис. 16) сечения в ферромагнитной массе. Без учета насыщения
где l - длина щели (перпендикулярно плоскости чертежа); δ и δХ — ширина щели в месте расположения проводника. В щели постоянного сечения сила, затягивающая проводник вглубь, будет неизменной, а в щели переменного сечения — переменной, возрастающей по мере сужения щели.
Уравнение (51) относится к проводнику, расположенному в щели строго симметрично, когда сила действует по оси х. Однако если проводник окажется смещенным с оси симметрии, то силы притяжения его к противоположным стенкам (по оси у) окажутся неравными. Проводник будет перемещаться по какой-то кривой, показанной штриховой линией, определяемой двумя переменными составляющими сил Fx и Fy . 8. Электродинамические силы при переменном токеПри однофазном токеРассмотрим силы, действующие между параллельными проводниками, сначала при однофазном токе. Согласно выражению (15) электродинамические силы При переменном токе i = Im sinωt сила
Т.е. сила меняется с частотой, в два раза большей частоты тока (рис. 17). Силу f
можно представить как сумму двух составляющих: постоянной В расчетах учитывается максимальное значение силы
Из уравнения (53) видно, что при переменном однофазном токе максимальное значение электродинамической силы при одном и том же значении тока (действующем) оказывается в два раза большим, чем при постоянном.
При переменном токе следует иметь в виду еще одно весьма важное обстоятельство. В отличие от постоянного тока, при котором максимальное значение тока короткого замыкания равно его установившемуся значению I уст (если пренебречь изменением сопротивления за счет нагрева), при переменном токе в зависимости от момента короткого замыкания первая амплитуда ударного тока I уд max может существенно превосходить амплитудное значение установившегося тока короткого замыкания (рис. 18):
Максимальное усилие, на которое следует в таком случае рассчитывать устройство, будет
т.е. при равном значении установившегося тока короткого замыкания при переменном токе электродинамическая сила может быть почти в 6,5 раза большей, чем при постоянном токе. При трехфазной сети токи в фазах будут сдвинуты на 120 электрических градусов:
При расположении проводников в одной плоскости
Рассмотрим случай, когда проводники расположены в одной плоскости (рис. 19). Проводник 1 будет взаимодействовать с проводниками 2 и 3. Пусть сила взаимодействия между проводниками 1 и 2 при единице тока равна F 12 , а между проводниками 1 и 3 — F 13 . Токи в фазах равны. Тогда полная сила, действующая на проводник 1 , определится выражением
В отличие от однофазного тока при трехфазном токе сила меняется не только во времени, но и по знаку. При положительных значениях sin2ωt и cos2ωt получим силу, притягивающую проводник 1 к двум другим. При отрицательных значениях sin2ωt и cos2ωt получим силу, отталкивающую проводник 1 от двух других.
Проводники обычно располагаются на равном расстоянии друг от друга. В таком случае F 13 = 0,5F 12 , и тогда в установившемся режиме (рис. 20) максимальная притягивающая сила
а максимальная отталкивающая сила
Силы, действующие на проводник 3, будут такими же, как и силы, действующие на проводник 1 , но обратными по направлению. Усилия, действующие на средний проводник, F 2 определятся уравнениями, аналогичными предыдущим. Если принять силу взаимодействия при единице тока между проводниками 2 и 3 равной F 23 а между проводниками 2 и 1 -равной F21 = F12 то при равных токах и равных расстояниях между проводниками F 23 = F 21 = F 12 и максимальная сила, действующая на средний проводник, определится из уравнения
Таким образом, при расположении проводников в одной плоскости сила, действующая на средний проводник, оказывается большей, чем сила, действующая на крайний проводник. С учетом переходной составляющей, возникающей в момент короткого замыкания, максимальные силы будут большими, чем приведенные выше. Максимальное отталкивающее усилие будет при коротком замыкании в момент φ =-15° и составит
Притягивающая сила при φ =-15° будет близка к нулю. Максимум притягивающей силы имеет место при коротком замыкании в момент φ =75°:
Значение отталкивающей силы при φ = 75° составит 0,75F 12 . Изменение сил во времени при φ = -15° (кривая 1) и φ = 75° (кривая 2) в переходном режиме короткого замыкания приведено на рис. 21. При расположении проводников правильным треугольникомРассмотрим еще один случай, когда провода трехфазной цепи расположены правильным треугольником. Определим силы, действующие на проводник 1 . Сила взаимодействия между проводниками 1 и 2 ( Fl 2 ) будет направлена по прямой I, а сила взаимодействия между проводниками 1 и 3 (F13 ) — по прямой II. Каждая из сил будет переменной во времени, а общая сила (F1 ), полученная путем геометрического сложения переменных по значению сил Fl 2 и Fl 3 , будет переменной не только во времени, но и по направлению. Изменение полученной силы F 1 по направлению и по значению может быть охарактеризовано вектором ОА, конец которого будет скользить по окружности, как это показано на рис. 22:
Проекция силы на ось х всегда направлена в одну сторону. Знак ± в уравнении (62) означает, что для 2ωt>180° следует брать знак минус. Изменение силы во времени не связано с изменением знака. Каждый из двух других проводников испытывает такие же силы, но с соответствующим сдвигом во времени и пространстве. С учетом ударного тока максимум силы получается при условии φ = 0, и сила меняется по закону
Знак минус следует брать для всех отрицательных значений sinωt/2. Направление и значение силы для любого момента времени определяется вектором ОА, скользящим по кривой (рис. 23) и отложенным под углом ωt/2 к оси ординат. В трехфазной сети могут быть однофазные, двухфазные и трехфазные короткие замыкания, но так как токоведущие части должны противостоять электродинамическим силам при любом виде короткого замыкания, то, следовательно, расчет надо вести на тот вид короткого замыкания, при котором силы получаются большими. При двухфазном коротком замыкании электродинамические силы получаются большими, чем при трехфазном, если предположить, что ударный ток в обоих случаях одинаков. Практически ударный ток при двухфазном коротком замыкании меньше, чем при трехфазном. Поэтому расчет токов короткого замыкания рекомендуется вести всегда на случай трехфазного короткого замыкания. Расчет ведется на максимальное усилие, получаемое при ударном токе. Однако, учитывая, что сила переменна и ее максимум существует очень короткое время, для допустимых напряжений в материале берут большие значения, чем при постоянно действующей силе. |



(6)
(17)
. (20)



(34)
(36)
(42)











