Дипломная работа: Электроснабжение фермы КРС на 800 голов в ОАО "Петелино" Ялуторовского района Тюменской области с обеспечением нормативных условий надежности
|
Название: Электроснабжение фермы КРС на 800 голов в ОАО "Петелино" Ялуторовского района Тюменской области с обеспечением нормативных условий надежности Раздел: Рефераты по физике Тип: дипломная работа | ||||||||||||||||||||||||||||||||||||||||||||||||||||||||||||||||||||||||||||||||||||||||||||||||||||||||||||||||||||||||||||||||||||||||||||||||||||||||||||||||||||||||||||||||||||||||||||||||||||||||||||||||||||||||||||||||||||||||||||||||||||||||||||||||||||||||||||||||||||||||||||||||||||||||||||||||||||||||||||||||||||||||||||||||||||||||||||||||||||||||||||||||||||||||||||||||||||||||||||||||||||||||||||||||||||||||||||||||||||||||||||||||||||||||||||||||||||||||||||||||||||||||||||||||||||||||||||||||||||||||||||||||||||||||||||||||||||||||||||||||||||||||||||||||||||||||||||||||||||||||||||||||||||||||||||||||||||||||||||||||||||||||||||||||||||||||||||||||||||||||||||||||||||||||||||||||||||||||||||||||||||||||||||||||||||||||||||||||||||||||||||||||||||||||||||||||||||||||||||||||||||||||||||||||||||||||||||||||||||||||||||||||||||||||||||||
Содержание Введение 1 Анализ хозяйственной деятельности 2 Расчет электрических нагрузок 3 Выбор трансформатора 10/0,4 кВ, обеспечение уровней надежности и выбор резервного источника питания 3.1 Выбор трансформатора 10/0,4кВи резервного источника питания. 3.2 Повышение надежности электроснабжения 3.3 Показ надежности элементов систем электроснабжения 3.4 Выбор резервного источника питания 3.5 Выбор оптимальной величины регулируемой надбавки трансформатора 3.6 Подключение автоматизированного ДЭС 4 Разработка однолинейной системы электроснабжения 5 Выбор сечения проводов ВЛ-10 кВ 6 Расчет токов короткого замыкания 7 Выбор защитной аппаратуры трансформаторов 10/0,4 8 Расчет защиты отходящей линии 10 кВ на ПС 110/10 кВ (МТЗ) 9 Расчет и выбор компенсации реактивной мощности на ПС 10/0,4 кВ 10 Безопасность жизнедеятельности 10.1 Состояние безопасности труда в хозяйстве 10.2 Общие меры при работе с КТП 10.3 Мероприятия по пожарной безопасности 10.4 Расчет заземляющего контура 11 Расчет экономической эффективности Заключение Список литературы Введение В связи с тем, что строительство сельских электрических сетей к настоящему времени можно считать практически завершенным, важнейшими задачами на современном этапе является обеспечение качества электроэнергии у сельских потребителей и бесперебойность их электроснабжения с наибольшей экономичностью. Правила устройства электроустановок (ПУЭ) делят все потребители электрической энергии с точки зрения необходимости обеспечения надежности их электроснабжения на три категории. К первой относятся электроприемники, нарушение электроснабжения, которых влечет за собой опасность для жизни людей, наносит значительный ущерб народному хозяйству, вызывает повреждения оборудования, массовый брак продукции, расстройства сложных технологических процессов. По ПУЭ электроприемники первой категории должны обеспечиваться электроэнергией от двух независимых источников питания, и перерывы в их электроснабжении допускаются на время необходимое для автоматического включения резервного питания. Следует отметить, что при сравнительно небольших мощностях сельских потребителей первой категории в качестве резервного источника их питания вполне могут использоваться резервные электростанции. Известно, что в любой, самой совершенной по качеству оборудования электрической системе в процессе ее эксплуатации неизбежно возникают различные повреждения. Причины аварии в электроустановках разнообразны, но чаще всего они возникают вследствие несвоевременного выявления и устранения дефектов оборудования, низкокачественного монтажа, низкого уровня эксплуатации. Часто аварии являются следствием влияния на электроустановки атмосферных перенапряжений. Надежность электроснабжения характеризуется количеством и длительностью отключений и соответственно перерывами в подаче электроэнергии потребителям. Очевидно, что при современном уровне электрификации, вообще и сельского хозяйства в частности, перерывы в электроснабжении влекут за собой определенные потери в производстве и наносят материальный ущерб. Совершенствуя схему электроснабжения, а следовательно, увеличивая капитальные расходы на ее эксплуатацию, можно сокращать недоотпуск электроэнергии потребителям и соответственно уменьшать наносимый им материальный ущерб. 1. Анализ хозяйственной деятельности Совхоз «Петелино» организован в 1968 году. В 1993 году совхоз «Петелино» был реорганизован в ОАО «Петелино», а в 2005 году в СПК «Петелино». Землепользование хозяйства расположено в 90 километрах от областного центра города Тюмень и 15 км отгорода Ялуторовск. Сообщение, с которым осуществляется по федеральной автодорогеТюмень-Омск и автодороге Ярковского тракта. СПК «Петелино» расположено в лесостепной зоне с резко -континентальным климатом. Его основные черты: резкие колебания температуры в течение года, суровая и холодная зима, теплое, но короткое лето, дождливые осень и весна. Средняя температура в июле: от 32 ° С до 38° С, январе: от - 27° С до 36° С. Годовое количество осадков: 300- 400 мм. Особенностью распределения осадков - меньше в период весеннего сева, а больше летом и осенью, когда идет уборка урожая. Поэтому уборку урожая следует проводить в короткие сроки. Среднегодовая сила ветра не превышает 4 метров в секунду. Последние весенние заморозки прекращаются в конце мая, а первые осенние начинаются во - второй декаде сентября. Безморозный период составляет 110-125 дней. Климатические условия вполне пригодны для возделывания сельскохозяйственных культур. Рельеф территории хозяйства в основном равнинный, частями занят озерами и болотами. В целом рельеф способствует обработке почвы и к применению на ней сельскохозяйственной техники. На территории имеются деревья, преобладают в основном; березы, осины. Из полукустарников; черемуха, тальник. Из кустарников; шиповник, смородина. А также из луговой растительности встречаются травы; репей, клевер, осот и другие. Общая земельная площадь составляла на конец 2005 года- 12965 га., из них: пашня- 4897 га; сенокосы- 33 12 га; пастбища- 1436 га. Поголовье скота состоит из: крупного рогатого скота- 1663 головы; свиньи- 725 гол.; лошади- 50 гол. СПК «Петелино» специализируется на производстве зерновых и зернобобовых культур, молока, КРС и свиней. Главным является молочная отрасль с развитым зерновым и мясным производством. Размеры сельскохозяйственного предприятия и его организация структура влияют на внедрение современной техники, организации труда, уровень себестоимости продукции. Прямыми показателями размера предприятия принято считать - объемы производства валовой и товарной продукции, зависящие от размера и качества сельскохозяйственных угодий, поголовья скота, объема основных производственных фондов, трудовых ресурсов и рациональное их применение. Таблица 1 – Размер хозяйства
Проанализировав данные в целом по хозяйству, можно сказать, что хозяйство является крупное, динамично развивающее сельскохозяйственное предприятие. Основной показатель (стоимость валовой сельскохозяйственной продукции) в 2005 году по сравнению с 2003 годом увеличился в целом по хозяйству на 51%, в том числе в растениеводстве на 55% и животноводстве на 48%. Также увеличилась на 51% и стоимость реализуемой продукции. Существенно, на 38%, возросла стоимость основных средств производства, несколько увеличилась и поголовье скота (на 3%). В связи с ростом основных средств, более полной механизации производства уменьшилось число работников на 1%. Следовательно, хозяйство развивается преимущественно на интенсивной основе. Товарная продукция - это, реализованная часть валовой продукции. Размер и структура товарной продукции являются основными показателями, определяющими специализацию предприятия, главные и дополнительные отрасли. Таблица 2 – Размер и структура товарной продукции
На основании этих данных можно сделать следующий вывод, что хозяйство имеет животноводческое направление. Главной отраслью является молочное скотоводство, так как реализация молока занимает в структуре товарной продукции наибольший удельный вес – 68%, дополнительная - зерновое производство, производство мяса КРС и мяса свиней. Специализация - это преимущественное развитие той или иной отрасли, группы взаимосвязанных отраслей, превращение их в товарные отрасли, которые определяют производственное направление сельскохозяйственного предприятия. К специализированным относятся предприятия с удельным весом основной продукции в общей сумме стоимости товарной продукции не менее 50%. Для оценки уровня (глубины) специализации производства рассчитывают коэффициент специализации (Ксп). Значение коэффициента специализации может колебаться от 0 до 1. Уровень коэффициента менее 0,2 свидетельствует об слабовыраженной, от 0,2 до 0,4 - о средней, от 0,4 до 0,6 -о высокой и свыше 0,6 - об углубленной специализации. Таблица 3 – Расчет коэффициента специализации
Ксп в 2004 году - 100 / 218 - 0,46 Ксп в 2005 году = 100/ 194 = 0,52 Уовень коэффициента специализации в 2005 году составил - 0,52. Высокий уровень коэффициент специализации обусловлен тем, что СПК «Петелино» имеет одну главную отрасль - молочную и две дополнительные, это мясная и зерновая. В целом хозяйство специализируется на производстве молока. Основным ресурсом сельского хозяйства является земля, которая выступает в сельском хозяйстве в качестве средства и предмета туда одновременно. В состав общей земельной площади включают всю территорию, закрепленную за сельскохозяйственным предприятием, которая подразделяется на две основные группы-земли сельскохозяйственного назначения и несельскохозяйственного назначения. Таблица 4 – Состав и структура сельскохозяйственных угодий
Проанализировав структуру земельных угодий можно сделать вывод, что в отчетном году в составе земель сельскохозяйственного назначения наибольшую площадь занимают пашни 4897 га и сенокосы 3312 га. Это связано с тем, что хозяйство имеет животноводческое направление. Площадь пашни увеличилась по сравнению с базисным годом на 21%. Увеличение площади пашни произошло за счет освоения площадей залежей. Однако площадь сельскохозяйственных земель в целом на протяжении последних трех не менялась. Площадь несельскохозяйственных угодий сократилась на 2745 га., или на 13%. Земельная площадь сократилась на 3% и составила 12965 га в отчетном году. Трудовые ресурсы - это основной элемент производительных сил общества, совокупность людей обладающих способностью трудиться. Трудовые ресурсы сельского хозяйства имеют свои особенности; их возрастной состав выше, чем в других отраслях, низкий процент наличия специалистов по сравнению с другими отраслями, в силу сезонности трудовые ресурсы в течение года используются неравномерно. Таблица 5 – Анализ обеспеченности рабочей силой
Из выше представленных данных можно сделать следующий вывод. На протяжении последних двух лет численность рабочих в целом по хозяйству остается на одном уровне, но в 2005 году по сравнению с 2003 годом численность рабочих сократилась на три работника, это на 1%. Сокращение штата работников произошло в сфере основной деятельности. Это среди сезонных работников на 44% и служащих - 6%. Увеличение работников произошло среди работников занятых в подсобных промышленных предприятиях - на 9%. В целом хозяйство исходя из проведенного анализа обеспечено собственными трудовыми ресурсами. Производительность труда - это способность конкретного труда создавать определенное количество продукции в единицу рабочего времени, рост производительности труда является основным источником увеличения производства валовой продукции и решающим условием дальнейшего развития производства. Таблица 6 – Уровень производительности труда
В 2005 году, по сравнению с 2003 годом, увеличился объем произведенной сельскохозяйственной продукции при сокращении затрат на производстве продукции чел-час. Так произведено валовой продукции на одного среднегодового работника и на 1 чел.-час возросло на 54%. Оба показателя характеризуют рост производительности труда. Кроме того, производительность труда в растениеводстве выше, чем в животноводстве: на 1 чел-час в растениеводстве в отчетном году произведено продукции больше по сравнению с базисным годом на 176 рубля, или на 76%. Затраты труда в отчетном году на один центнер продукции снизились. На мясо крупного рогатого скота с 23,8 чел-час в 2003 году до 23,4 чел-час в 2005 году, или на 21%, на зерно - 17%, молоко - 8%. Самым трудоемким является - мясо крупно рогатого скота, а менее трудоемким - зерно. Показатель роста производительности труда в хозяйстве и снижение затрат труда на производство единицы продукции (снижение трудоемкости) говорит о повышении производительности труда. Основными факторами роста производительности являются; технический прогресс (механизация, автоматизация, модернизация), повышение урожайности и продуктивности, квалификация кадров. Все это приведет к снижению затрат времени и увеличению валовой продукции. А правильная организация процесса производства сокращает потери рабочего времени. Для обобщающей характеристики эффективности использования основных средств анализируют показатель фондорентабельности. Об уровне интенсивности использования основных производственных фондов можно судить по величине фондоотдачи и фондоемкости. Таблица 7 - Обеспеченность и эффективность использования основных производственных фондов
Среднегодовая стоимость основных производственных фондов в 2005 году увеличилась на 38% по сравнению с 2003 годом и составила - 45 619 т.р. В 2005 году на 1 га. сельскохозяйственных угодий приходилось 4,46 тыс. руб. основных фондов, на одного работника -215 тыс. руб. Для получения одного рубля валовой продукции основным фондом было затрачено 0,95 руб., что на 9% меньше чем в 2003 году, а получило по 1,06 руб. от каждого затраченного рубля основным фондом. В целом же показатели выросли по сравнению с 2003 годом, так, например фондовооруженность на 40%, фондообеспеченность на 38%. Эти увеличения связаны с увеличением стоимости основных производственных фондов и с сокращением численности работников. В целом уровень рентабельности основных фондов вырос с 6% до 16%. Следовательно, хозяйство эффективно распоряжается своими основными средствами. Основными путями повышения использования производственных основных средств являются: рост уровня фондообеспеченности предприятий, совершенствование средств труда, внедрение прогрессивных технологий возделывания и уборки сельскохозяйственных культур и обслуживания животных. Урожайность сельскохозяйственных культур - это основной фактор, который определяет объем производства продукции растениеводства. На урожайность влияют такие факторы как природно-климатические условия, качественное и количественное выполнение плана различных видов работ, предусмотренных технологией возделывания отдельных культур и применение, направленных на рост урожайности сельскохозяйственных культур о повышение качества продукции. Не даром есть такая особенность земли: при правильном использовании земля не изнашивается, а наоборот, повышает свое плодородие, отчего выход валовой продукции увеличивается. Таблица 8 - Урожайность сельскохозяйственных культур, ц./га
Анализируя выше представленные данные урожайности сельскохозяйственных культур можно сделать вывод, что по зерновым и зернобобовым культурам наблюдается снижение урожайности. Урожайность яровых зерновых с 2003 года по 2005 года снизилась с 19,8 ц./га до 17 ц./га (на 14%). Урожайность зернобобовых снизилась почти в два раза и составила 9,8 ц./га. Увеличение урожайности наблюдается лишь у многолетних трав и кукурузы на силос. Для увеличения урожайности необходимо увеличивать плодородие почв за счет внесения удобрений, внедрять прогрессивные технологии возделывания и уборки сельскохозяйственных культур, проведение сева в оптимальные сроки, использовать семена более урожайных сортов культур. Продуктивность животных определяется количеством продукции, полученной от одной головы. Продуктивность животных зависит от уровня кормления, качества кормов, породного состава стада, доли яловых животных. Основными источниками резервов увеличения производства продукции в животноводстве являются рост поголовья и продуктивности животных. Таблица 9 - Продуктивность сельскохозяйственных животных
Анализ данных продуктивности животных показывает, что кормовая база и уровень кормления в СПК «Петелино» довольно высок, потому что происходит увеличение среднегодового удоя на 1 фуражную корову и среднесуточного прироста КРС и свиней. В 2005 году среднегодовой удой составил 4442 кг., а в 2003 году 3542 кг., что превышает на 20% по сравнению с 2003 годом. Среднесуточный прирост живой массы КРС и свиней в 2005 году по сравнению с базисным годом увеличился на 6%. Росту продуктивности содействует хорошие условия содержания животных, надлежащий уход, правильный режим кормления и поения, добросовестное отношение работников к своему делу. Себестоимость сельскохозяйственной продукции - это затраты предприятия в денежной форме на производство и реализацию единицы продукции. Иными словами, она показывает, во что обходится предприятию производство того или иного продукта. В себестоимости отражается уровень организации и технологии производства, уровень урожайности культур и продуктивности животных и т.д. На базе себестоимости определяются и непосредственно зависят от ее размеров такие важнейшие показатели как прибыль и уровень рентабельности. Себестоимость продукции животноводства зависит от двух основных факторов - продуктивности скота и затрат на его содержание. Чем ниже затраты на одну голову и выше продуктивность, тем меньше себестоимость единицы продукции. Таблица 10 - Себестоимость 1 ц. основных видов продукции, руб.
Анализируя выше представленные данные по себестоимости можно сделать вывод, что себестоимость в хозяйстве растет по всем видам продукции. В целом себестоимость зерновых и зернобобовых увеличилась с 2003 года по 2005 год на 54%. Это связано с не урожайностью зерновых культур и ростом затрат на их производство. Себестоимость мяса КРС в 2003 году составляла 3537 рублей, тогда как в 2005 году она уже составила 4832 рублей, так если рост составил 37%. Себестоимость 1 центнера молока и 1 центнера мяса свиней увеличились на 32%. Рост себестоимости связан с увеличением затрат на содержание скота. Основные пути снижения себестоимости являются: увеличение объема производства продукции сокращение затрат на ее производство за счет повышения уровня производительности труда, экономного использования материальных ресурсов, сокращения непроизводственных расходов, потерь. Важнейшей категорий рыночной экономики, к которой мы переходим, считается «прибыль». Эффективность того или иного способа и сферы приложения капитала характеризуют показателем рентабельности: ее отношением к сумме затрат на производстве. Экономическое содержание прибыли состоит в том, что выручка от продажи произведенной продукции или выполненных услуг больше затрат на них и позволяет возобновить производство в расширенном масштабе. Рентабельность- это отношение выручки, полученной от реализации продукции к полной ее себестоимости Прибыль и рентабельность являются одними из важнейших показателей деятельности предприятия, которые представлены в таблице 1.11. Таблица 11 – Финансовые результаты
Подводя итог по прибыльности и уровню рентабельности можно судить о том, что два последние года в хозяйственной деятельности произошли большие перемены. То, что еще год назад было рентабельным производить в хозяйстве, то в отчетном году от их производства хозяйство понесла убытки. Так наиболее прибыльной в 2005 году является отрасль животноводства. В результате деятельности хозяйства в отрасли животноводстве получена прибыль на сумму - 3076 тыс. руб. Уровень рентабельности составил - 14%, в том числе в результате производства молока рентабельность составила -35%. Производство мяса свиней который приносил еще год назад убыток на сумму 85 тыс. руб. в год и являлся нерентабельным, то уже в отчетном году уровень рентабельности составил - 2%. А производство мяса КРС, как и год назад, принес убыток на сумму - 1632 тыс. руб., уровень окупаемости составил - 71%. Так если выручка полученная от реализации продукции не покрывает все затраты на производстве и реализацию продукции и не образует сверх того накоплений. Отрасль растениеводство в отчетном году оказалась нерентабельной, так как себестоимость на ее продукцию оказалась выше, чем цена реализация на эту продукцию, так если убыток по отрасли составил - 64 тыс. руб., уровень окупаемости - 98%. (в 2004 году уровень рентабельности составлял 43,4%). В целом же по хозяйству уровень рентабельности на протяжении последних двух лет 2004 и 2005 составляет -12%. Что означает, что хозяйство получило дополнительно 0,13 руб. от каждого затраченного рубля. Для увеличения суммы прибыли от деятельности хозяйства и уровня рентабельности в целом по хозяйству нужно повысить рентабельность продукции, особенно тех, от которых хозяйство несет убыток. Для этого нужно снижать себестоимость продукции за счет повышения производительности труда и повышения урожайности сельскохозяйственных культур и продуктивности животных при сокращении затрат на ее производство. 2. Расчет электрических нагрузок Расчет электронагрузок проводят в соответствии с нормативными данными. При определении электрических нагрузок проектируемых подстанций; дизельных электростанций должны быть учтены все потребители электроэнергии, расположенные в зоне электроснабжения. Расчет электронагрузок в сетях 0,4 кВ проводится путем суммирования расчетных нагрузок на вводе. Максимальные расчетные мощности на участках сетей 0,4 кВ определяем с учетом коэффициентов одновременности. Если нагрузки однотипных потребителей отличаются по величине более чем в 4 раза, то расчетные нагрузки определяем табличным методом и большей нагрузки прибавляют добавку мен6ьшей. Определяем активную нагрузку для
где К0 – коэффициент одновременности [Л - ] Рgi , Рв i – дневная и вечерняя активная нагрузка на вводе, кВт. Определяем реактивную нагрузку maxдневную и вечернюю
где Qgi , Qв i – дневная и вечерняя реактивная нагрузки на вводе кВ. Суммарная активная нагрузка на вводе
где Рg наиб ., Рвнаиб – наибольшая дневная и вечерняя нагрузка из всех слагаемых нагрузок потребителей, ∆Pgi , ∆Рв i – дополнительная и наибольшая нагрузки активная и реактивная нагрузки, по таблице суммирования, [Л-] Таблица 12 – Таблица нагрузок на вводе для фермы КРС на 800 голов
Расчет кормоцеха: Ррас. = К0 ∙ Рgi = 1 ∙ 90 = 90 кВт Ррас.в = К0 ∙ Рв i = 1 ∙ 100 = 100 кВт Реактивная нагрузка: Q. g = К0 ∙ Qgi = 1 ∙ 80 = 80 кВт Qв = К0 ∙ Qв i = 1 ∙ 90 = 90 кВт Расчет фермы КРС на 400 голов: Рg = 2 ∙ 0,89 ∙ 60 = 102 кВт Рв = 2 ∙ 0,89 ∙ 80 = 136 кВт Qg = 2 ∙ 0,85 ∙ 35 = 60 кВар Qв = 2 ∙ 0,85 ∙ 40 = 68 кВар Расчет котельной: Рg = 1 ∙ 55 = 55 кВт Рв = 1 ∙ 60 = 60 кВт Qg = 1 ∙ 35 = 35 кВар Qв = 1 ∙ 35 = 35 кВар Суммарная активная нагрузка: Рg = 102 + 90 + 55 = 247 кВт Рв = 136 + 100 + 60 + 4 = 300 кВт Суммарная реактивная нагрузка: Qg = 60 + 80 + 35 = 175 кВар Qв = 68 + 90 + 31 = 189 кВар В связи с тем, что преобладает вечерняя нагрузка, то расчеты ведем по вечернему максимуму. Определяем коэффициент мощности:
где Рв – активная расчетная мощность, кВт. Sв – полная мощность, кВар Определяем полную расчетную мощность
3. Выбор трансформатора 10/0,4 кВ, обеспечение уровней надежности и выбор резервного источника питания 3.1. Выбор силового трансформатора 10/0,4 кВ и резервного источника питания Номинальную мощность трансформатора для ПС 10/0,4 кВ выбираем по экономии интервалов нагрузок, в зависимости от полной расчетной наличия автономных источников для обеспечения нормативных уровней надежности электроснабжения сельскохозяйственных потребителей. Выбор установки трансформатора для одного и двух ТП производится по условиям их работы, исходя из условия
где Sнт – номинальная трансформатора, кВа, – полная расчетная мощность, кВ
Принимаем мощность силового трансформатора 10/0,4 кВ Sнт = 400 кВ ≥ Sрасч т.п. =354,6 кВ. Технические характеристики силового трансформатора ТМ-400 приведены в таблице 3.1 Таблица 13 – Технические данные силового трансформатора ТМ-400
Принятые номинальные мощности трансформаторов проверяем по условиям их работе в нормальном режиме эксплуатации – по дополнительным систематическим нагрузкам, а в послеаварийном режиме – по допустимым аварийным перегрузкам. Для нормального режима эксплуатации подстанции мощность трансформатора проверяется по условию
где Кс – коэффициент допустимой систематической нагрузки трансформатора для значений среднесуточных температур расчетного сезона при t - 15° Кс – 0,93.
Условие выполняется. Потери энергии в трансформаторе
Где ∆Рх – потери Х.Х. в трансформаторе, кВт, ∆Рк – потери к.з. в трансформаторе, кВт, Τ – время потерь, ч.
3.2. Выбор оптимальной величины регулируемой надбавки трансформатора Для выбора оптимальной величины надбавки составляется таблица отклонения напряжения. Из таблицы выясняется, есть ли необходимость в принятии дополнительных технических средств для поддержания напряжения у потребителей в допустимых пределах. Потеря напряжения в линии 10 кВ:
Составляем таблицу отклонения напряжения. Таблица 14 – Отклонения напряжения
Допустимые напряжения в линии 0,4 кВ:
Потери напряжения в наружной сети:
Отклонения напряжения на вводе потребителя при 25% нагрузки
Уровень напряжения на шинах 10 кВ ПС 110/10 кВ: При 100% нагрузке составляет 5%, При 25% - равен 0. Отклонение напряжения у потребителя недолжно превышать при 100% нагрузке
При 25% нагрузке Потери напряжения в трансформаторе 10/0,4 кВ составляют : При 100% нагрузке потеря напряжения - -2,3%, надбавка – 5%, надбавка регулируемая - -2,5%. 3.3 Повышение надежности электроснабжения В настоящее время около 4,5 млн км воздушных линий напряжением 0,38—110 кВ (около 75% общей протяженности) обеспечивают электроэнергией сельских потребителей. Сельские сети всегда отличались более низкой надежностью по сравнению с коммунальными, промышленными и т. д. Это объясняется их спецификой, например большей открытостью для повреждений, связанных с атмосферными перенапряжениями. Потребитель на селе отключается в среднем 6 раз в году, причем длительность одного отключения может доходить до 6—10 часов. До 80% этих отключений происходит из-за отказов в сетях 10 кВ [6]. Перерывы в электроснабжении приводят к расстройству технологических процессов, снижению продуктивности животных, а иногда заболеванию и даже гибели птицы, животных и растений. Проблема повышения надежности является комплексной. Она включает в себя ряд технических и организационно-технических мероприятий. К техническим мероприятиям относятся: - автоматическое резервирование линий, трансформаторов; - применение резервных источников энергии; - автоматическое секционирование линий; - применение более надежных конструкций проводов, опор, изоляторов и т. д; - применение устройств автоматики, телемеханики; - сокращение радиуса распределительных сетей; - применение кабельных линий 0,38—10 кВ вместо воздушных. В качестве организационно-технических мероприятий используются диспетчеризация, оперативно-выездные бригады, приборы для отыскания повреждений и др. Современные требования к надежности создали новый подход к проектированию схем сельских потребителей электроснабжения. Эти разработки проводятся в основном институтом «Сельэнергопроект» (приводятся ниже). Общие положения В настоящее время схема электроснабжения сельских потребителей должна удовлетворять требованиям пропускной способности, качества и надежности. Согласно ГОСТ 27.002—83 надежность — это свойство объекта или технологического устройства выполнять заданные функции, сохраняя во времени значения установленных эксплуатационных показателей в заданных пределах, соответствующих заданным режимам и условиям использования, технического обслуживания, ремонтов. Надежность — сложное свойство, включающее в себя безотказность, долговечность, ремонтопригодность и сохранность. В соответствии с этим определением под надежностью электроснабжения понимается свойство электротехнической установки, участка сети и энергосистемы в целом обеспечивать в нормальных условиях эксплуатации бесперебойное электроснабжение потребителей электрической энергией нормированного качества и в необходимом количестве. В начальный период электрификации сельского хозяйства в качестве источников энергии использовались мелкие ГЭС и ТЭС, которые работали некруглосуточно, имели простои. В то время были электрифицированы только отдельные процессы, и перерыв в электроснабжении потребителей не вызывал у них большого материального ущерба. Выбор схем электроснабжения производился по минимуму капитальных вложений. Все сельские потребители относились к третьей категории по условию надежности, их можно было в любое время отключать, и материальной ответственности энергосистема за это не несла. По мере внедрения комплексной электрификации производства возросла производительность труда, сократилась численность обслуживающего персонала. Строительство современных предприятий по выработке продукции на промышленной основе резко повысило требования к надежности. Надежность электроснабжения определяется принятой схемой электроснабжения, надежностью используемого в ней энергетического оборудования и электротехнических установок и уровнем их эксплуатации. Надежность схем электроснабжения является категорией технико-экономической, так как перерывы в электроснабжении наносят значительный материальный ущерб. С другой стороны, обеспечение определенного уровня надежности сопряжено с затратами материальных и финансовых средств. 3.4Показатели надежности элементов систем электроснабжения Система электроснабжения всегда находится в одном из состояний — работоспособности или отказа. Отказ — событие, заключающееся в частичной или полной утрате работоспособности, вызванное повреждением или неисправностью оборудования. Надежность установки определяется не только частотой отказов, но и скоростью восстановления основных и резервных элементов. Все технические изделия подразделяются на изделия однократного и многократного использования. Изделия однократного использования, например изолятор, после отказа заменяются новыми. Изделия многократного использования ремонтируются, их работоспособность восстанавливается. Отказ и восстановление — два противоположных случайных события. Отрезки времени между этими событиями являются случайными величинами, которые характеризуют вероятность отказа. Процесс функционирования можно представить как последовательность интервалов работоспособности, чередующихся с интервалами простоя. Показателями надежности элементов или системы называют величины, с помощью которых количественно оценивают надежность. Различают основные и дополнительные показатели надежности. Согласно ГОСТ 27002—83 основными показателями надежности ремонтируемых изделий многократного пользования являются: 1) параметр потока отказов (или удельная повреждаемость, частота отказов); 2) среднее время восстановления. Параметр потока отказов
где ni (Δt) — число вышедших из строя элементов i-го типа оборудования за время (Δt); ni — число элементов оборудования, находящихся в эксплуатации. Для воздушных линий параметр ω часто приводят к длине линии 100 км. Среднее время восстановления — это математическое ожидание длительности одного аварийного простоя
где n — число отказов; τi ав — время восстановления каждого i-го отказа. Зная основные показатели надежности ω и τi ав можно определить время простоя схемы электроснабжения или ее элемента, а по нему — надежность работы установки. Дополнительные показатели надежности системы электроснабжения — наработка на отказ, коэффициент готовности, коэффициент вынужденного простоя, вероятность безотказной работы, могут быть найдены по величине ω и τi ав . Перерывы электроснабжения сельскохозяйственных предприятий приводят к потерям продукции и материальному ущербу У: У = к ∙ Ц ∙ ΔП (4.3) где ΔП — объем теряемой продукции; Ц —цена единиц продукции; к— коэффициент, учитывающий затраты при гибели животных. Однако оценка ущерба по данной формуле затруднительна, т.к. ущерб часто отказывается неопределенными факторами. Удобнее пользоваться удельными величинами ущербов на 1 кВт·ч недоотпущенной энергии предприятию или на одну голову животных за час перерыва. Удельный ущерб сельскохозяйственного предприятия на 1 кВт·ч
где У — определяется по формуле (4.3); ΔW — количество недоотпущенной энергии; определяется по средней мощности и времени простоя. Степень ущерба зависит от вида предприятия, его размеров, технологии, возраста животных, погодных условий. При отключении молочных ферм и комплексов снижаются удои, продуктивность животных из-за нарушения режима кормления, поения и параметров микроклимата. На предприятиях по откорму свиней и крупного рогатого скота снижаются привесы по тем же причинам. Категроии сельскохозяйственных потребителей по условиям надежности электроснабжения. В зависимости от величины удельного ущерба все сельские потребители разделяются на три категории. К первой категории относятся потребители, нарушение электроснабжения которых влечет за собой значительный материальный ущерб вследствие массовой порчи продукции, серьезного расстройства технологического процесса, а также гибели животных. К потребителям I категории относятся: 1. Животноводческие комплексы и фермы: - по производству молока на 400 и более коров; - по выращиванию и откорму молодняка КРС на 5 тыс. и более голов в год; - по выращиванию нетелей на 3 тыс. и более скотомест; - площадки по откорму КРС 5 тыс. и более свиней в год; - комплексы по выращиванию и откорму 12 тыс. и более свиней в год. 2. Птицефабрики: - по производству яиц с содержанием 100 тыс. и более кур-несушек; - мясного направления по выращиванию 1 млн и более бройлеров в год; - по выращиванию племенного стада кур на 25 тыс. и более голов, а также гусей, уток, индеек 10 тыс. и более. К потребителям II категории относятся: - животноводческие и птицеводческие фермы с меньшей производственной мощностью, чем для I категории; - тепличные комбинаты и рассадочные комплексы; - кормоприготовительные заводы и отдельные цехи при механизированном приготовлении и раздаче кормов; - картофелехранилища емкостью более 500 т с холодоснабжением и активной вентиляцией; - холодильники для хранения фруктов емкостью более 600 т; - инкубационные цехи рыбоводческих хозяйств и ферм. Электроприемники сельских потребителей по надежности подразделяются на I, II* и II категории. К I категории относятся ответственные приемники птицефабрик. Практически все, за исключением раздачи кормов, сбора яиц, освещения, склада кормов и уборки помета в птичниках. К приемникам II* категории относят ответственные приемники птицеферм, системы доения, рабочего освещения в доильных залах и в родильных отделениях, системы локального обогрева и облучения телят, системы промывки молокопроводов и подогрева воды на комплексах и фермах молочного направления. На свинокомплексах к приемникам II* категории относятся отопление и вентиляция. Во всех группах приемников к этой категории относятся установки пожаротушения, а также котельные с котлами высокого и среднего давления. Остальные электроприемники относятся ко II категории. Все остальные сельскохозяйственные потребители и приемники относятся к III категории. Требования к надежности электроснабжения несельскохозяйственных потребителей, присоединенных к сельским сетям, устанавливаются ведомственными документами. Способы выбора схем электроснабжения с учетом надежности Выбор схемы электроснабжения с учетом надежности может производиться следующими методами. По уравнению полных приведенных затрат с учетом ущерба Зпр = Ен К+И+У, (3.9) где Ен =0,12 — нормативный коэффициент; К — капиталовложения в схему, руб. И — издержки на эксплуатацию, руб. И = Иам +Иобс + ИΔ W , (3.10) где Иам — издержки на амортизацию (определяется в % от капиталовложений), % Иобс — издержки на обслуживание (определяется по числу условных единиц), руб. ИΔ W —издержки на покрытие потерь электроэнергии, руб. У — ущерб от недоотпуска электроэнергии схемы, руб. Преимущество этого метода заключается в стройном логическом обосновании результатов. Недостатки: большая трудоемкость и низкая точность расчета в связи с тем, что ущерб точно определить сложно. Более простым методом является выбор схем по анализу уровня надежности их Р и сопоставление их с нормируемыми. Если у всех схем Р>Рнорм , то принимается к исполнению схема с минимумом капиталовложений. В третьей методике нормируется мера ненадежности схемы q<qнорм , но так как q — величина малого порядка, вместо нее используют время отключения τ<τнорм . В соответствии с указаниями [15] электроприемники и потребители I категории должны обеспечиваться электроэнергией от двух независимых источников питания, и перерыв их электроснабжения при исчезновении напряжения от одного из источников питания может быть допущен лишь на время автоматического восстановления питания (ω1 =0; τ1 =0). В зоне централизованного электроснабжения вторым источником питания должна служить резервная линия от независимого источника питания или другой секции шин 10 кВ. Для удаленных потребителей вторым может быть автономный источник резервного электропитания при технико-экономическом обосновании. Для электроприемников II* категории, не допускающей перерыва более 0,5 часа, ωII (τ<0,5ч) = 2,5 отказа/год, т.е. не более 1,25 часа в год. Для остальных электроприемников и потребителей II категории устанавливаются два нормативных показателя надежности: частота отказов с длительностью перерыва не более 4 часов ωII (τ< 4)= 2,3 отказа/год; частота отказов от 4 до 10 часов ωII (4< τ <10 ч) =0,1 отказа/год — для потребителей с расчетной нагрузкой 120 кВт и более; ωII (4< τ <10 ч) = 0,2 отказа/год — для потребителей с расчетной нагрузкой менее 120 кВт. Максимальное время отключения их составляет соответственно 10,2 или 11,2 ч/год. Для электроприемников и потребителей третьей категории допускается не более 3 отказов по 24 часа: ωIII (τ < 24 ч) = 3 отказа/год, или не более 72 ч/год. Фактическое время отключения сети должно быть меньше допустимого. С целью повышения технологичности проектирования, т.е. сокращения времени, непосредственный расчет показателей надежности не производится. Рекомендуемый выбор состава, объема и мест установки средств повышения надежности (СПН) обеспечивает это условие. 3.5 Выбор резервного источника питания Резервный источник предусматривается для обеспечения надежности электроснабжения. При этом, согласно ПУЭ, резервный источник является обязательным для электроснабжения потребителей первой категории, где перерыв в электроснабжении недопустим. В проектируемом объекте на шинах ТП №2237 подключен потребитель первой категории. В качестве резервного источника предлагается использовать дизельную электростанцию (ДЭС). Установка автономных источников резервного питания (АИР) должна предусматриваться для резервного питания электроприемников, а также для II * категории. В качестве АИР могут быть использованы стационарные или передвижные дизельные электростанции (ДЭС), а также резервные источники электропитания с приводом от трактора (РИПТ). Выбор количества агрегатов АИР и их мощности производится по расчетной нагрузке электроприемников I и II * категории с учетом режима их работы в соответствии с таблицей 8.2. Тип АИР, его мощность, место установки и способ подключения к сети 0,38 кВ решаются в проекте. Применение АИР должно быть независимым от наличия сетевого резерва. Использование ДЭС как резервного источника питания Промышленность выпускает достаточно большое количество передвижных и стационарных ДЭС, которые можно использовать в качестве резервных. Основной элемент передвижных и стационарных ДЭС — дизель–генератор, собранный на общей сварной раме. Первичный двигатель — дизель и генератор обычно соединены между собой жесткой муфтой. Станции оснащают синхронными генераторами с машинной или статической системой возбуждения. В первом случае генератор постоянного тока, используемый в качестве возбудителя, соединяют с валом основного генератора текстропной (ременной) передачей или фланцем. Мощность возбудителя обычно составляет 1,5 ... 2,5 % номинальной мощности синхронного генератора. Во втором случае система возбуждения, состоящая из статических (неподвижных) элементов — силового трансформатора, выпрямителей и т. д., преобразует переменный ток на выводах генератора в постоянный для питания обмотки возбуждения и регулирования напряжения генератора. В состав оборудования ДЭС входят также: системы охлаждения дизеля с насосами, баками и трубопроводами; системы питания топливом дизеля с топливными баками, насосами и трубопроводами; системы смазки дизеля с масляными баками, масляными радиаторами, насосами и маслопроводами; системы запуска дизеля с электрическим стартером, аккумуляторной батареей и зарядным генератором или воздушными баллонами, компрессором, пусковыми клапанами и трубопроводами; системы подогрева дизеля с подогревателями, лампами и змеевиками для подогрева, отопительно–вентиляционными установками; щиты управления, защиты и сигнализации, щиты распределения электроэнергии от станции к потребителю, аккумуляторная батарея с выпрямителями для ее подзаряда, которая служит для запуска дизеля и питания постоянным током схем управления, сигнализации, цепей возбуждения. По конструктивному исполнению ДЭС разделяют на стационарные и передвижные.
Рис. 3.1 Дизельная электростанция типа АСДА–250 Стационарные станции предназначены для работы в закрытых помещениях с температурой окружающего воздуха от 4–8 до +40 °С. Помещения для стационарных станций должны быть огнестойкими, иметь приточную вентиляцию и отопительную систему. Все основное и вспомогательное оборудование размещают так, чтобы обеспечить к нему доступ, а также иметь место для ремонтной зоны (для выемки при ремонте поршней, датчиков, расчленения дизеля и т. д.). Дизель–генератор устанавливают на бетонный горизонтальный фундамент, который для предотвращения резонансных колебаний не должен быть связан со стенами здания и фундаментами других агрегатов. На рисунке 4.3 показан общий вид стационарной ДЭС типа АСДА–250 (без щита управления). Для нормальной эксплуатации помещение станции, кроме естественного освещения, оборудуется искусственным, а также своим защитным заземлением. Шкафы и панели управления, сигнализации, защиты и распределения электроэнергии устанавливают так, чтобы обеспечить свободный доступ к аппаратуре и возможность наблюдения за кабелями, Передвижные станции предназначены для работы на открытом воздухе при температуре от —50 до 40 °С, они должны иметь защиту от атмосферных воздействий и обеспечивать работу в условиях вибрации и тряски. Размещают их на автомобильном прицепе, в кузове автомобиля или в закрытом вагоне. Передвижные станции следует использовать в первую очередь для сокращения продолжительности перерывов в электроснабжении при ремонтах, реконструкции или плановых отключениях электрических сетей. Их применение целесообразно в тех случаях, когда длина сети невелика, а вероятная продолжительность восстановления участков сети относительно большая. При нарушениях работы магистральных участков электрических линий передвижную электростанцию целесообразно подключать через передвижную подстанцию (их обычно устанавливают на двухосном автомобильном прицепе) к неповрежденному участку линии напряжением 10 кВ или непосредственно к шинам 0,38 кВ ТП. При нарушениях работы линий 0,38 кВ электростанцию подключают к распределительным щитам потребителя. По уровню автоматизации различают станции первой, второй и третьей степеней автоматизации. Первая степень обеспечивает автоматическое поддержание номинального режима работы (в том числе без обслуживания и наблюдения не менее 4 ч) после пуска и принятия нагрузки дизель–электрическими агрегатами. При этом обеспечиваются аварийно–предупредительная сигнализация и защита, а также автоматический подзаряд стартерных аккумуляторных батарей и автоматическое наполнение топливных баков. Вторая степень автоматизации включает автоматику первой степени и устройства для дистанционного и автоматического управления дизель–электрическими агрегатами — пуск, синхронизация при параллельной работе, принятие нагрузки, останов, контроль за работой, поддержание неработающего дизеля в прогретом состоянии. При этом обеспечивается срок необслуживаемой работы не менее 16 ч для агрегатов мощностью до 100 кВт и 24 ч свыше 100 кВт. Третья степень автоматизации включает автоматику второй степени и дополнительные устройства для управления дизель–электрическими агрегатами — пополнение топливных и масляных баков, подзаряд всех аккумуляторных батарей и пополнение воздушных баллонов, заданное распределение активных и реактивных нагрузок при параллельной работе, управление вспомогательными агрегатами. При этом срок необслуживаемой работы не менее 150 ч для агрегатов мощностью до 100 кВт и 240 ч свыше 100 кВт. ДЭС второй и третьей степеней автоматизации имеют также аварийно–предупредительную сигнализацию при достижении предельных значений температуры воды, масла, воздуха, давления масла, расхода и уровня жидкости, частоты вращения и т. д. В зависимости от мощности и типа генератора и степени автоматизации станции применяют различные типы щитов управления и распределения энергии, предназначенные для управления, контроля за работой, защиты, включения на параллельную работу и распределения электроэнергии станции. Мощность ДЭС выбирают по максимальной нагрузке станции Рма x . При этом общая мощность выбранных агрегатов должна быть больше Рмах . Перегрузка агрегатов автономно работающей электростанции по мощности недопустима, так как влечет за собой снижение частоты переменного тока. Номинальная мощность генераторов Рэ должна быть больше максимальной нагрузки генераторов электростанции Рмах или равняться ей:
Поэтому мощность ДЭС будет: Рэ = 400 кВт ≥ Рmax 300 кВт. Окончательно выбираем мощность и марку ДЭС – АСД-400. Правила технической эксплуатации рекомендуют при непрерывной работе дизеля свыше 24 ч снижать нагрузку для четырехтактного дизеля до 90 %, а двухтактного —до 85 %. В основу выбора числа агрегатов Zр дизельной электрической станции положены экономические соображения. Мощность агрегата не должна более чем в 2 раза превышать минимальную нагрузку суточного графика. Число агрегатов (округляемое до целого) определяют по формуле n = Pmax /(0,9∙Pэ ) (3.11) Для нашей расчетной ТП №2237 с максимальной нагрузкой Pmax = 300 кВт количество дизельных электростанций АСДА–400 n = 3.6Подключение автоматизированного ДЭС
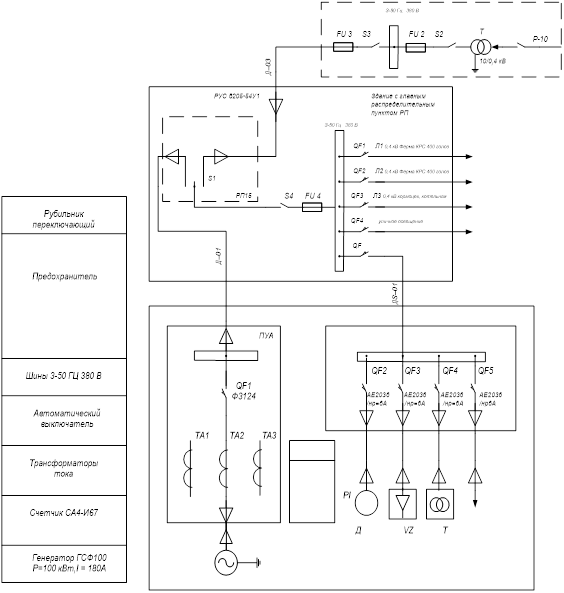
Рис. 3.2 Схема соединений генератора автоматизированной ДЭС Обмотка статора G выполнена также, как у других генераторов ДЭС. У ротора явно выраженные полюса. На нем размещена обмотка возбуждения GL генератора, получающего питание от статистической системы. Ток в обмотке возбуждения регулируется шунтовым реостатом R2. В цепь возбуждения включен резистор RV гашения магнитного поля генератора. Сопротивление дишунтируется при отключении генератора системной защиты, а также для включения генератора на параллельную работу – методом самосинхронизации. На рисунке 2.1. показаны не все обмотки системы возбуждения и регулирования напряжения генератора. Обмотка силового трансформатора Т (у генераторов ЕСС-5 она уложена в пазы статора вместе с основной обмоткой G) и трехфазный выпрямитель UZ – это силовая цепь питания обмотки возбуждения. При вращении ротора за счет остаточного магнетизма в его полюсах и в стали статора образуется начальная ЭДС в обмотках G и Т, но она недостаточна для того, чтобы открылся выпрямитель UZ. Поэтому начальное возбуждение создается подачей импульса тока в обмотку возбуждения по цепи GB от аккумулятора или с помощью резонансовой системы, магнитно связанной с системой возбуждения. Обмотка ТV используется в блоке регулятора возбуждения, который на схеме не показан. Он подключен к выводам GB. Включение генератора и его защита от внешних КЗ осуществляется автоматическим выключателем QF. Для питания измерительных приборов установлены трансформаторы тока ТА! – ТА3; вольтметр PV и частометр PF подключаются непосредственно к генераторному напряжению. Точность синхронизации контролируют лампами III. Для управления генератором и распределения нагрузки установлен специальный щит. 4. Разработка однолинейной схемы электроснабжения Электрической схемой главных соединений предусматривается автоматическая работа электроагрегата на электрическую сеть напряжением 380 В.. Параллельная работа ДЭС с основным источником централизованного электроснабжения не допускается. Типовым проектом предусматривается четыре варианта электрических схем связи ДЭС с сетью напряжением 380 В централизованного электроснабжения. При выборе варианта следует учитывать проектируемую или существующую схему внутри площадочных сетей 380 В, расположение резервных потребителей на объекте, место расположения ТП 10/0,4 кВ, организацию обслуживания сетей 380 В на объекте. Ниже представлена однолинейная схема из одного варианта схемы электрических соединений ДЭС и связи электроагрегата с сетью 380 В группы резервных потребителей с распределительным пунктом. Состав схемы: Т – трансформатор 10/0,4 кВ, S2 – рубильник, FU – плавкий предохранитель, Шины 0,4 кВ, Д – кабельная вставка, S1 – переключающий рубильник, QF – автоматический выключатель, ТА – трансформатор тока, PI – счетчик электрический, G – генератор.
Рис. 4.1 Схема электрических соединений ДЭС. Помещение ДЭС располагают вблизи производственного помещения с вводным РП. Этот вариант обеспечивает как групповое, так и индивидуальное резервирование ответственных приемников. Электроагрегат подключает к шинам 0,4 кВ РП через распределительное устройство Д1 с переключающим рубильником 1. Устройство Д1 устанавливают в в помещении распределительного пункта РП Щит собственных нужд ДS подключен к РП. В нормальном режиме работы питание основных потребителей осуществляется от внешнего источника электроснабжения – трансформаторной ПС через переключающий рубильник и распределительный пункт РП. Рукоятка рубильника S1 устанавливается в положении «Q» - «включена сеть». В аварийном режиме работы при исчезновении напряжения от ТП запускают (вручную) Электроагрегат. Рукоятку рубильника S1 устанавливают в положении «S» - «включена ДЭС». Электрическая схема КТП 10/0,4 кВ мощностью 400 кВ состоит: из разъединителя 10 кВ РЛНД с заземляющими ножами, установленного на ближайшей опоре линии 10 кВ; вентильных разрядников для защиты оборудования от атмосферных и коммутационных перенапряжений на стороне 10 кВ и предохранителей, установленных в одном устройстве высшего напряжения, обеспечивающих защиту трансформатора от многофазных КЗ. Предохранители соединены соответственно с проходными изоляторами и силовым трансформатором. Остальная аппаратура размещается в нижнем отсеке (шкафу), т.е. РУ 0,4 кВ. На вводе РУ 0,4 кВ установлены рубильник, вентильные разрядники для защиты от перенапряжений на стороне 0,4 кВ, трансформаторы тока, питающие счетчики активной энергии и трансформаторного тока, к которым подключено тепловое реле, обеспечивающее защиту силового трансформатора от перегрузки. Включение, отключение и защита отходящих линий 0,4 кВ от КЗ и перегрузки осуществляется автоматическими выключателями. При этом для защиты линий от однофазных КЗ в нулевых проводах ВЛ 0,4 кВ установлены токовые реле. 5. Выбор сечения проводов ВЛ-10 кВ Электрический расчет линии 10 кВ производится с целью выбора марки Ии сечения провода и определение потерь напряжения и энергии. Сечение проводов выбирается нагрузки с учетом надежности. Выбираемое сечение проводов проводится: по допустимому нагреву.
по потере напряжения
Определяем рабочий ток линии
Где Sрасч – расчетная полная мощность, кВа, Uном – номинальное напряжение, кВ. Питание потребительских ПС10/0,4 кВ осуществляется от одной линии. ∑S = SТП = 354,6 кВа.
Сечение провода определяется по экономической плотности тока.
где jэк – экономическая плотность тока, А/мм2 . jэк = 1,1 А/мм2 []
Согласно ПУЭ для III климатического района по гололеду принимаем провод АС сечение провода должно быть не менее 50 мм2 . Выбираем провод АС-50. Iдоп = 210 А. Iдоп = 210 А > Ipmax = 20?5 А. Условие выполнено. Рассчитываем потери напряжения в линии
где Рр , Qр – мощности активная и реактивная, Вт,
Х0 – реактивное сопротивление линии, Ом/км, Х0 = 0,40 Ом/км. [] R0 – активное сопротивление линии, Ом/км. R0 = 0,60 Ом/км. []
∆Uдоп = - 6% ≥ 1,28%. Определяем потери электроэнергии на линии.
где Ipmax – рабочий ток линии,А R0 – активное сопротивление линии, Ом/км, τ – время максимальных потерь, час, τ = 1450 час. [].
Потери энергии в линии, %.
где Wгод – годовое потребление энергии. Wгод = Ррасч ∙Тmax . Тmax – время использования максимальной мощности. Тmax = 2700 час.
Потеря энергии в трансформаторе, %.
где ∆Wт – потеря энергии в трансформаторе. []
Рассчитаем линию 0,4 кВ. Разбиваем нагрузку не две линии. Линия 1, 3 - Линия 2 - Расчет линии 0,4 кВ ведем методом интервалов. Определим эквивалентную мощность: Sэквив1 = Sр1 ∙Кд (5.9) Где Кд – коэффициент динамики роста. Кд = 0,7 []. Sэквив1 = 152∙0,7=106,4 кВа Sэквив2 = 203,8∙0,7=143 кВа. Выбираем провод А-50. 6. Расчет токов КЗ Расчет токов короткого замыкания необходим для выбора аппаратуры и проверки элементов электроустановок на электродинамическую и термическую устойчивость, проектирования и наладки релейной защиты. Расчет токов КЗ начинаем с выбора расчетной схемы, на которой указывается марки проводов и их сечение, длина линий, силовые трансформаторы их мощность. На расчетную схему наносим точки КЗ.
Рис. 6.1 Расчетная схема замещения На схеме замещения указываются индуктивные и реактивные сопротивления основных элементов системы, линии, трансформаторов. На схеме расставляются точки КЗ. Расчет ведем методом именнованных единиц. Принимаем базисное напряжение средненоминальное напряжение одной ступени Uб = 10,5 кВ.
Рис. 6.2 Схема замещения Определяем сопротивление схемы замещения. Сопротивление системы.
ХС = 1, где Сопротивление линии активное.
Сопротивление реактивное.
где R0, X0 – активное и реактивное сопротивление линии, Ом/км.
Uном – номинальное напряжение, кВ. Сопротивление трансформатора.
где Рк – потери КЗ в трансформаторе, кВт. Uк – напряжение КЗ, %, SНТ – номинальная мощность трансформатора, кВ, UН – номинальное напряжение, кВ. Результирующее сопротивление до точек КЗ.
Трехфазный ток КЗ.
Ток двухфазного КЗ.
Ударные токи КЗ.
Где Куд – коэффициент ударности. [] Мощность КЗ.
где ZQ – сопротивление контактов, принимаем ZQ = 15 Ом. Сопротивление линии 10 кВ.
Расчет точки К-1. Определяем сопротивление трансформатора.
Трехфазный ток КЗ.
Двухфазный ток КЗ.
Мгновенное значение ударного тока КЗ.
Определяем сопротивление линии 0,4 кВ для провода А-50. Хл1
= Х0
Rл1
= R0
Хл2
= Х Rл2
= R0
Результирующее сопротивление.
Трех фазные токи в точках К-2, К-3, К-4. Точка К-2
Точка КЗ
7. Выбор защитной аппаратуры трансформаторов 10/0,4 кВ Защита трансформатора 10/0,4 кВ. Силовые трансформаторы со стороны высокого напряжения защищаются предохранителями ПК-10. Условия выбора плавких предохранителей:
где Uнпред , Uнсети – номинальное напряжение предохранителя, сети, кВ. Iнпл.вст – номинальный ток плавленой вставки, а
Iнт – номинальный ток трансформатора, А. Определяем номинальный ток трансформатора.
По номинальному току трансформатора выбираем плавную вставку, обеспечивающую отстройку от бросков намагничивающего тока трансформатора. Iв = (2…3) ∙Iнт Iв = (2…3)∙32 = 46…69 А Принимаем Iв = 50 А. []. Определяем расчетный ток КЗ с учетом коэффициента трансформации.
Где, Кн – коэффициент надежности. Кн = 1,3 [] Кт – коэффициент трансформации.
По амперсекундной характеристике округляем время переключения плавной вставки. Zв = 0,75 с. []. Определяем допустимое время протекания тока КЗ по трансформатору. tд = 900/К2 где
tд = 900/15,82 = 3,6 с. Так как tв = 0,75 с. < tд = 3,6 с., то термическая устойчивость трансформатора будет обеспечена. 8. Расчет защиты линии 10 кВ Линия напряжением 10 кВ защищается от токов КЗ с помощью максимальной токовой защиты (МТЗ) и токовой отсечкой (ТО) с действием на отключение защиты выполняется на реле типа РТВ РТМ или РТ-85. Ток срабатывания защиты. Определяем по условиям: 1. при отстройке от рабочего максимального тока
2. по условию селиктивности где Кн , Кз , Кв – коэффициенты надежности, самозапуска, возврата.
Кн – 1,2 Кв – 0,8 Кз – 1,1 для всех видов реле. Рабочий максимальный ток линии.
Выбираем трансформатор тока типа ТПЛ-10-0,5/Р по условию номинального тока первичной обмотки трансформатора тока.[]
По шкале номинальных токов выбираем Iн = 30А. Коэффициент трансформации тока Ктт = 30/5 = 6. Ток срабатывания реле
где Ксх = 1 – коэффициент схемы для «неполной звезды»
Принимаем ток уставки реле РТВ-IVIур = 10 А. Действительное значение тока срабатывания защиты:
Определяем чувствительность защиты в основной зоне.
где Iк – ток КЗ в точке К – 1.
Чувствительность обеспечена. Защита линии 0,4 кВ. Линия 0,4 кВ защищает от токов КЗ воздушными автоматическими выключателями. Условия выбора автоматических выключателей:
где UH а , UH У – номинальные напряжения автомата, установки, кВ. Iа , IHP , IРЭ – номинальный ток автомата, теплового расцепителя, электромагнитного расцепителя, А.
Линия №1.
Расчетный ток линии.
Выбираем автомат серии А3724Б: IH а = 250А, IHP =250A, Iпр . откл = 74кА, IH Э = 10∙IНР = 10∙250 = 2500 А. Аналогично рассчитываем линию №3.Рассчитываем ток линии №2
Выбираем автомат А3734: IH а = 400А, IHP =400A, Iпр . откл = 100кА, IH Э = 4000 А. Определим чувствительность защиты.Максимальный ток расцепителя IHP =250A, IHP =400A. Определяем коэффициент чувствительности защиты.
Чувствительность обеспечена. 9. Расчет и выбор компенсации реактивной мощности по ПС 10/0,4 к В Компенсация реактивной мощности или повышение коэффициента мощности (cosφ) имеет большое значение. Повышение cosφ или уменьшение реактивной мощности снижает потери активной мощности и повышает напряжение. На тех участках, где потребление реактивной мощности увеличивается, потери активной мощности тоже увеличиваются, а напряжение снижается. На тех участках, где потребление реактивной мощности увеличивается, увеличивается пропускная способность электроснабжения, и создаются возможности применения проводов меньших сечений при перегрузке той же активной мощности.Мероприятия, проводимые по компенсации реактивной мощности электроустановки: 1. не требующие применения компенсирующих устройств (переключения статорных обмоток асинхронных двигателей с треугольника на звезду, устранения режима работы асинхронных двигателей без нагрузки и т.д); 2. мероприятия, связанные с применением компенсирующих устройств статических конденсаторов, синхронных двигателей. Статические конденсаторы изготавливают из определенного числа секций, которые в зависимости от рабочего напряжения, рассчитанной величины реактивной мощности соединенной между собой параллельно, последовательно или параллельно-последлвательно.Соединение трехфазных конденсаторов в треугольник. Напряжение конденсаторов соответствует номинальному напряжению сети. Разъединение конденсаторов осуществляется автоматически после каждого отключения батареи от сети.При естественном коэффициенте мощности (cosφ) на подстанции 10/0,4 кВ менее 0,95 рекомендуется компенсация реактивной мощности, так как рассчитанный коэффициент мощности cosφ = 0,85, то необходимо установка конденсаторных батарей.Определяем величину реактивной мощности, которую необходимо компенсировать до cosφ = 0,95. QК = Qест – 0,33Р (9.1) где Qест – естественная (до компенсации) реактивная мощность, Qест = 189 кВ.Р – активная мощность, Р = 300 кВт. QК = 189– 0,33∙300 = 90 кВар. Выбираем мощность конденсаторных батарей QБ , по условию: QК ≤ QБ ≤ Qест (9.2) Принимаем номинальную мощность конденсаторных батарей на U = 0,4 кВ, QБ = 150 кВар Определяем некомпенсированную реактивную мощность: Q = Qест – QБ (9.3) Q = 189 – 150 = 39 кВар. Рассчитываем полную нагрузку ТП с учетом компенсации:
Коэффициент мощности после компенсации cosφ = P/S = 300/302,5 = 0,99. Условия выполнены. 10. Безопасность труда 10.1 Состояние безопасности труда в хозяйстве Уровень производственного травматизма оценивается на основании статистического материала предприятия. Результаты статистического анализа приведены в таблице 9.1. Проанализируем производственный травматизм в хозяйстве за 3 года с помощью двух показателей: коэффициента частоты и коэффициента тяжести несчастных случаев. Коэффициент частоты исчисляется на 1000 человек списочного состава работающих и выражает число несчастных случаев на 1000 работающих за отчетный период на предприятии. Коэффициент тяжести выражает среднее число дней нетрудоспособности, приходящихся на один несчастный случай в отчетном периоде. Таблица 15– Распределение коэффициентов частоты и тяжести травматизма за 3 год
Из таблицы видно , что за последнее время число несчастных случаев не сокращается. Причинами травматизма являлись: неисправность оборудования , низкая квалификация обслуживающего персонала , нарушение технологического процесса , использование рабочих не по специальности. Для дальнейшего снижения травматизма необходимо проводить проверку знаний техники безопасности, повышать дисциплину труда. 10.2 Общие меры при работе с КТП 1.КТП относится к электроустановкам напряжения выше 1000 В. При их обслуживании необходимо соблюдать действующие правила техники безопасности, предусмотренные для установок напряжения выше 1000 В, а также выполнять указания настоящей инструкции, инструкции по эксплуатации трансформаторов и аппаратуры, входящей в комплект КТП. 2. Обслуживающий персонал должен: - иметь специальную подготовку, обеспечивающую правильную и безопасную эксплуатацию электроустановок, - твердо знать и точно выполнять требования настоящей инструкции, - свободно разбираться в том, какие элементы должны быть отключены в период ремонтных работ, уметь найти в натуре все эти элементы и выполнять меры безопасности. Предусмотренные Правилами техники безопасности при эксплуатации электроустановок потребителей и настоящей инструкцией, - знать правила оказания первой помощи пострадавшему от действия электрического тока и уметь практически оказать первую помощь, - уметь организовать на месте безопасное производство работ и вести надзор за работающими. 3. Все лица, не имеющие непосредственно отношения к обслуживанию КТП, допускаются к ней только в сопровождении и под ответственным наблюдением назначенного для этого лица. 4. Обслуживающий персонал должен понимать, что: - после исчезновения напряжения на установке оно может быть восстановлено без предупреждения, как при нормальной эксплуатации, так и в аварийных случаях. Поэтому при исчезновении напряжения запрещается производить какие-либо работы, касаться токоведущих частей, не обеспечив необходимых мер безопасности, - при открывании панели, закрытии распределительного устройства со стороны низшего напряжения на аппаратах напряжение не снимается. 5. Если к трансформаторам тока не подключена нагрузка, то их вторичные обмотки должны быть закорочены. 6. Для выполнения операций управления КТП при температуре окружающей среды, превышающий 40°С, следует пользоваться средствами индивидуальной защиты рук. 7. С целью исключения поражения электрическим током обслуживающего персонала все ремонтные работы и работы, связанные с монтажом и демонтажем аппаратуры в РУНН, должны проводиться при полностью обесточенной КТП, т.е. при отключенном разъединителе ВН. Организации, эксплуатирующие КТП, обеспечивают обслуживающий персонал всеми необходимыми защитными средствами и средствами оказания первой помощи, предусмотренными Правилами техники безопасности при эксплуатации электроустановок потребителей. При реконструкции подстанции 10/0,4 кВ мы руководствуемся нормами СНиП. Проезжая автодорогу выполняют крупнощебеночным покрытием, переходная дорога на расстоянии 3,5 м до места установки трансформатора . Подстанцию ограждают сплошной сетчатой оградой высотой 1,5 м. Территорию подстанции благоустраивают путем засевания травами . Обслуживание подстанции осуществляют без постоянного дежурного персонала. В связи с этим, согласно нормам технологического проектирования сетей водопровода и канализации не предусмотрены. Воду доставляют передвижными средствами. 10.3 Мероприятия по пожарной безопасности Территории сельскохозяйственного предприятия содержат в чистоте и систематически очищаться от горючих отходов. Ко всем зданиям и сооружениям обеспечивают свободный доступ. Проезды и подъезды к зданиям и водоисточникам , а так же подступы к пожарному инвентарю и оборудованию должны быть всегда свободными. Противопожарные резервы между зданиями не используют под складирование грубых кормов, каких- либо материалов и оборудования, для стоянки автотранспорта, тракторов, комбайнов и другой техники. При размещении ферм и других сельскохозяйственных объектов вблизи лесов хвойных пород , между строениями и лесными массивами создают на весенне-летний пожароопасный период защитные противопожарные полосы, устраиваемые с помощью бульдозеров , лугов и других почвообрабатывающих орудий. В местах хранения и применения огнеопасных жидкостей и горючих материалов , обработки и хранения сельскохозяйственных продуктов , в животноводческих и других производственных помещениях курение строго запрещается. Курить можно только в специально отведенных местах , отмеченных надписями “ Место для курения “ , оборудованных урнами или бочками с водой. Необходимая защищенность оборудования пожаро или взрывоопасных зонах , вытекает из необходимости применения несгораемых покрытий кабельных каналов и отражается следующими требованиями : 1. Пожарная опасность электроустановок обусловлена наличием в применяемом электрооборудовании горючих изоляционных материалов. Горючей является изоляция обмоток электрических машин , трансформаторов , различных электромагнитов , проводов. 2. Электрические машины и аппараты , применяемые в электроустановках , обеспечивают как необходимую степень защиты их изоляции от вредного действия окружающей среды , так и достаточную безопасность в отношении пожара или взрыва вследствие какой - либо неисправности. 3. При открытой прокладке провода и кабеля в местах, где возможны механические их повреждения, дополнительно защищают (стальной трубой, металлическим уголком , швеллером). 4. В местах пересечения незащищенных изолированных проводов и прокладки их через сгораемые конструкции прокладывают дополнительную изоляцию. В качестве меры против распространения начавшегося пожара применяют общие или местные противопожарные преграды. Общие противопожарные преграды , разделяющие здания по вертикали или горизонтали на отдельные отсеки , представляют собой противопожарную стену и перекрытия , выполняемые из несгораемых материалов ( кирпича , железобетона ). 5. Для предотвращения растекания масла и предотвращения пожара при повреждениях трансформаторов выполняют маслоприемники, маслоотводы и маслосборники. Объем маслоприемника должен быть рассчитан на одновременный прием 100% масла , содержащегося в корпусе трансформатора. Габариты маслоприемника выступают за габариты единичного электрооборудования не менее , чем на 0,6 м при массе масла до 2т ; не менее 1м при массе от 2..10т . При проектировании учитывают , что по условиям пожарной безопасности подстанция распологают на расстоянии не менее 3м от зданий с первого по третей степени огнестойкости и 5 м от зданий четвертой и пятой степени огнестойкости. 10.4 Расчет заземляющего контура ТП 10 / 0,4 кВ Исходные данные: ρизм – 102 Омм, ρизм - удельное сопротивление грунта.
где Климатическая зона по температуре III, глубина заложения 0,8 м. Решение: 1. Определяем расчетное сопротивление грунта для вертикального заземления.
Где Кс – коэффициент азонности для в.з – 1,65. [] К1 – коэффициент, учитывающий сопротивление земли в момент его измерения, К1 = 1,0
2. Определяем сопротивление в заземления
где hср – средняя глубина заложения, hср = 3/2 + 0,8 = 2,3 м.
Согласно ПУЭ сопротивление повторного заземления устройства не должно превышать 10 Ом, ρ = 100 Ом и ниже, если сопротивление выше 10 Ом, то допускается принимать. 3. В дальнейшем для расчетов принимаем наименьшее их этих значений. 4. Определяем общее сопротивление всех повторных заземлений, для этого условно принимаем количество повторных заземлений 6.
5. Определяем расчетное сопротивление заземления нейтрале трансформатора:
где rЗ – сопротивление заземляющих устройств до 1000 Ом, по ПУО не более 4Ом. rЗ = 4 Ом. Согласно ПУЭ сопротивление заземляющего устройства при присоединении к типу оборудования не должно превышать 10 Ом. Следовательно для дальнейшего расчета принимаем 8 Ом. []. 6. Определяем теоретическое число стержней:
Принимаем четное число вертикального заземления – 8 шт. и располагаем в грунте на расстоянии друг от друга 3 м. Длина полосы связи
7. Определяем сопротивление полосы связи при горизонтальном заземлении.
Определим расчетное сопротивление для горизонтального заземления;
Кс = 5,5 – коэффициент сезонности для горизонтального заземления. d = 0,04, h = 0,8. Принимаем коэффициенты экранирования с учетом количества стержней и длины самого стержня. ηв = 0,58, η = 0,45. [] 8.Определяем действительное число стержней
Следовательно, к монтажу необходимо принять четное число стержней 12 шт. 9.Опаределяем действительное сопротивление искусственного заземления
7<10 Ом 10.Определение заземляющего устройства с учетом повторных заземлений нулевого провода.
Условие по напряжению выполнено. 11. Расчет экономической эффективности В данном разделе определяем количество материалов и оборудования для строительства линии электропередач, ПС 10/0,4 кВ. Расчеты ведем без учета линии 0,4 кВ. Составляем спецификацию на основное оборудование и материалы. Таблица 11.1 – Спецификация на основное оборудование и материалы
Определяем капитальные тарифы на сооружение ВЛ-10 кВ, ТП 10/0,4. Таблица 11.2 - Капитальные затраты на сооружение ВЛ-10 кВ, ТП 10/0,4
Определяем ежегодные издержки на электропередачу. Uг = Uа + Uп + Uэ (11.1) где UQ – издержки на амортизацию, т. Руб., Uп – издержки на покрытие потерь энергопередачи, т. Руб., Uэ – издержки на эксплуатацию и техническое обслуживание, т.руб. Определяем издержки на амортизацию.
где РQ – норма амортизационных отчислений, %. РQ =6,4%. [] К – капиталовложения, т.руб.
Определяем издержки на покрытие потерь электрической энергии.
Где ∆WЛ-10 , ∆WТП – потери энергии в линии 10 кВ и ТП 10/0,4 кВ. β – стоимость 1 кВч потерть электроэнергии . Принимаем β = 117 коп/кВч. Uп = 1,17∙5484+1,17∙17177,5∙=26,514 т.руб./кВтч. Издержки на эксплуатацию, включающие расходы на заработную плату персонала и текущий ремонт:
Где N – число условных единиц. Γ – 28 т.руб. – затраты на обслуживание одной условной единицы. Таблица 11.3 – Нормы удельных единиц по обслуживанию элементов электросетей
UЭ = 2∙12,5 = 0,350 т.руб. Переданная за год электроэнергия: WГ = РР ∙τmax = 300 2700 = 810000 кВч/год. Определяем годовые издержки: UГ = 0,35 + 26,514 + 1068,80 + 1095,700 т.руб. Определяем себестоимость электроэнергии:
Себестоимость 1 кВт/час составила 1,35 рублей. Заключение Данный дипломный проект выполнен на тему «Электроснабжение фермы КРС на 800 голов в ОАО «Петелино» Ялуторовского района Тюменской области с обеспечением нормативных условий надежности». В пояснительной записке отражены вопросы эксплуатации электроустановок и развития электроэнергетики. В первом разделе идет анализ хозяйственной деятельности ОАО «Петелино». Здесь рассмотрены природно-климатические условия хозяйства. Произведены расчеты: экономических показателей деятельности предприятия: - показатели, характеризующие размер хозяйства: - рассмотрены состав и структура товарной; - уровень обеспеченности трудовыми ресурсами; - использование годового фонда рабочего времени. В расчетной части произведен расчет энергетических нагрузок, которые сведены в таблицу нагрузок на вводе потребителей: две фермы КРС на 400 голов, кормоцех, котельная, освещение, а также произведен выбор силового трансформатора 10/0,4 кВ и резервного источника питания. В качестве резервного источника питания выбрана дизельная электростанция АСДА0-400, так как для электроснабжения потребителей II категории согласно ПУЭ, где перерыв в электроснабжении допустима на время выключения резервного источника питания, которая предусматривается, как для обеспечения надежности электроснабжения. Так же разработан вариант однолинейной схемы электроснабжения, где предусматривается автономная работа электроагрегата на электрическую сеть напряжением 380 В. В схеме показаны: ТП 10/0,4 кВ, РП с переключающимся рубильником, пункт управления агрегатом и щит собственных нужд. Далее был произведен выбор сечением проводов ВЛ-10кВ и ВЛ- 0,4 кВ; рассчитаны токи КЗ, где были выбраны: расчетная схема и схема замещения, и определена точка опасности К1, так как в этой точке сосредотачиваются все нагрузки и преобразования электрической энергии. В разделе выбора компенсации реактивной мощности предусмотрена установка конденсаторных батарей. В экономической части диплома приведены расчеты на сооружение линии ВЛ-10 кВ, ТП 10/0,4 и рассчитана себестоимость 1 кВт/час, которая составила 1,35 рублей. В разделе безопасность жизнедеятельности - рассматривает организацию работы по охране труда на предприятии, анализ травматизма и профзаболеваний на предприятии за последние три года, защитные меры в электроустановках, расчет заземляющего устройства трансформаторной подстанции. В этом разделе также освещены вопросы общих требований по пожарной безопасности, производственной санитарии. Завершает пояснительную записку девятый раздел - список литературных источников, использовавшихся при работе над дипломным проектом. Список литературы 1. Банников А.Г и др. Основы экологии и охраны окружающей среды. - М.: Колос, 1996 – 311. 2. Будзуко И.А. Практикум по электроснабжению сельского хозяйства. – М.: 1982 – 318 с. 3. Будзуко И.А. Электроснабжение сельского хозяйства – М.: Агропромиздат, 1990 – 496 с. 4. Инструкция по выбору установленной мощности ПС 35/10, 10/0,4 кВ в сетях сельскохозяйственного назначения РУН. - М.: Сельэнергопроект, 1987 20 с. 5. Качанов И.Л. Курсовое и дипломное проектирование. М.: 1990 – 351 с. 6. Коструба С.И. Эксплуатация зазаемления сельскохозяйственных установок. - М.: 1989 – 134 с. 7. Методические указания к курсовому проекту «Электроснабжение сельского населенного пункта. – И.: 1990 – 55 с. 8. Мякинин Е.Г. Методические указания по комплектации реактивной мощности в сельских электрических сетях. – М.: 1991 – 20 с. 9. Нотограмма для определения тока КЗ однофазного тока в сетях 380 – 220 В. РУМ.; Сельхозэнергопроект; 1981 - 12 с. 10. Прусс В.Л., Тисленко В.В. Повышение надежности сельскохозяйственных сетей. Л.: 1989 – 205 с. 11. ПУЭМ, М.: Л. Энергия, 1986 – 64 с. 12. Руководящие материалы по проектированию электроснабжения сельского хозяйства (РУН). – М.: Сельэнергопроект, 1981 – 63 с. 13. Руководящие материалы по проектированию электроснабжения. - М.: Сельэнергопроект, 1981 – 40 с. 14. Санлин Л.А. Использование источников энергии в сельскохозяйственном производства – И.: 1994 – 147 c. 15. Степанов А.Д., Антипов К.М. Справочная книжка энергетика. –М.: Энергопромиздат, 1987 – 568 с. 16. Электроснабжение сельского хозяйчтва. – 2-е издание, перераб. и доп. – М.: Колос, 1994 – 288 с. 17. Правила пожарной безопасности для энергитических предприятий. – Ч.: 1995. – 130 с. 18. Методические указания к разделу «Безопасность труда» в дипломных работах и проектах. – Ч.: 1994 – 28 с. 19. Луковников А.В. «Охрана труда» 4-е издание. – М.: Колос, 1978 – 352 с. |
||||||||||||||||||||||||||||||||||||||||||||||||||||||||||||||||||||||||||||||||||||||||||||||||||||||||||||||||||||||||||||||||||||||||||||||||||||||||||||||||||||||||||||||||||||||||||||||||||||||||||||||||||||||||||||||||||||||||||||||||||||||||||||||||||||||||||||||||||||||||||||||||||||||||||||||||||||||||||||||||||||||||||||||||||||||||||||||||||||||||||||||||||||||||||||||||||||||||||||||||||||||||||||||||||||||||||||||||||||||||||||||||||||||||||||||||||||||||||||||||||||||||||||||||||||||||||||||||||||||||||||||||||||||||||||||||||||||||||||||||||||||||||||||||||||||||||||||||||||||||||||||||||||||||||||||||||||||||||||||||||||||||||||||||||||||||||||||||||||||||||||||||||||||||||||||||||||||||||||||||||||||||||||||||||||||||||||||||||||||||||||||||||||||||||||||||||||||||||||||||||||||||||||||||||||||||||||||||||||||||||||||||||||||||||||||
(3.6)
(3.7)



(6.2)
(6.3)
(6.7)
(7.1)
(8.6)

(10.2)
(10.8)