Реферат: Мікропроцесорна система вимірювання рівня рідини
|
Название: Мікропроцесорна система вимірювання рівня рідини Раздел: Рефераты по физике Тип: реферат |
МІНІСТЕРСТВО ОСВІТИ І НАУКИ УКРАЇНИ Вінницький національний технічний університет Інститут автоматики, електроніки та комп’ютерних систем управління Кафедра МПА МІКРОПРОЦЕСОРНА СИСТЕМА ВИМІРЮВАННЯ РІВНЯ РІДИНИ Вінниця – 2007 ЗМІСТ Вступ 1. Аналіз методів та засобів вимірювання рівня рідини 1.1 Поплавкові та буйкові рівнеміри 1.2 Ємнісні рівнеміри Висновки Список використаних літературних джерел ВСТУП Вимірювання фізичних величин – основа наукових експериментів, комплексних випробувань і вимірювань в усіх сферах людської діяльності. Метою будь-якого вимірювання є формулювання висновку про стан фрагменту дійсності, що спостерігається, тобто формування деякого об’єктивного образу цієї дійсності на основі вимірювальної інформації, одержаної в результаті експерименту. В останні десятиліття все більшого поширення набувають цифрові засоби вимірювальної техніки (ЗВТ), що поступово витісняють з вжитку аналогові вимірювальні прилади. Цифровими називаються такі вимірювальні прилади, в яких вимірювальна величина автоматично в результаті квантування, дискретизації, цифрового кодування і відповідних обчислень постає у вигляді коду, що виражає значення цієї величини. Поширення цифрових ЗВТ зумовлено рядом переваг цих засобів, порівняно з аналоговими вимірювальними приладами. До цих переваг відносяться: висока точність вимірювання; надійність; дуже висока швидкодія суттєве зменшення похибки вимірювання, за рахунок відсутності суб’єктивної похибки, автоматичної калібровки, зменшення випадкової похибки внаслідок усереднення результатів вимірювання тощо. Окрім того вихідним сигналом цифрових ЗВТ є кодовий сигнал, зручний для цифрової обробки, а також запам’ятовування та передачі на персональний ЕОМ для подальшої обробки інформації. Таким чином без використання цифрових засобів вимірювання було б неможливо створити складні інформаційно-вимірювальні системи та автоматизувати виробничі процеси; здійснити повну автоматизацію складних процедур прямих, непрямих, сукупних і сумісних вимірювань тощо. І хоча цифрові ЗВТ також мають певні недоліки - порівняно високу вартість і складність досягнення високих показників одночасно для всіх характеристик, наприклад, при високій швидкодії втрачаємо в точності і навпаки, - але все ж таки їх значення важко переоцінити. 1 АНАЛІЗ МЕТОДІВ ТА ЗАСОБІВ ВИМІРЮВАННЯ РІВНЯ РІДИНИ Безупинні технологічні процеси в різноманітних галузях промисловості часто потребують постійного автоматичного контролю кількості накопиченого матеріалу, сировини, рідин і газів. Контроль рівня часто має також важливе значення і для безаварійної роботи устаткування. Наприклад, на водневих станціях зниження рівня підживлення електролізерів може послужити причиною серйозної аварії; на теплових електростанціях зниження і підвищення заданих рівнів води в барабані казана призводить до руйнації лопаток турбін, перегорянню кип'ятильних труб. За принципом вимірювання рівноміри діляться на такі основні групи: поплавкові і буйкові, мембранні, диференціальні манометри, ємнісні, радіолокаційні. По своїй конструкції рівноміри можуть мати шкальні і безшкальні датчики, що працюють із самописними і регулюючими повторними приладами. За допомогою таких приладів здійснюється автоматичний контроль і регулювання рівня рідин і сипучих матеріалів, а також звукова і світлова сигналізації підвищення або зниження рівня контрольованого середовища. Прилади вимірювання рівня в залежності від категорії вибухозахищеності можуть бути використані тільки відповідно до їх паспортних даних й інструкцій заводів-виготовлювачів. У вибухобезпечних виробництвах повинні використовуватися для вимірювання і сигналізації рівнів легкозаймистих і горючих рідин і середовищ пневматичні і ємнісні вибухозахищенні прилади. Відповідно до чинних правил ПВВРЕ (правила виготовлення вибухозахищеного електроустаткування), вибухозахищені прилади всіх типів (рівня, тиску, витрат, температури, газового аналізу і т.д.) мають індекс ВЗГ (вибухозахищені, герметичні). Індекс, що має вид дробу, відливають на кришці датчика приладу: ВЗГ/метан, ВЗГ/сірчаний ефір, ВЗГ/водень. Чисельник дробу показує вибухозахищене виконання датчика, а знаменник - робоче середовище, у якому допускається експлуатація приладу. 1.1 ПОПЛАВКОВІ ТА БУЙКОВІ РІВНЕМІРИ Поплавкові і буйкові прилади відносять до найбільш простих приладів вимірювання рівня. Принцип дії поплавкових приладів заснований на використанні виштовхувальної сили, яка діє на занурене в рідину тіло.
Рисунок 1.1. Поплавкові пристрої вимірювання рівня: а) – тросовий , б) – ричажний з поплавковою камерою Найбільш простим типом поплавкових приладів є прилади тросового типу (Рисунок 1.1, а). Поплавець 4 через гнучкий трос 2 пов'язаний з обертовим шківом 1. Для зрівноважування всієї системи на кінці троса закріплена противага 5. Зі зміною рівня контрольованої рідини відбувається переміщення поплавця і троса. Для сигналізації мінімального і максимального рівнів на тросі встановлюють два обмежувачі рівня З, що при досягненні заданого рівня перекидають коромисло 7, що призводить до переключення сигнальних електричних контактів 6. Переміщенням обмежувачів рівня можна змінювати діапазон сигналізації поплавкового приладу. На рисунку 1.1, б показаний поплавковий прилад з одним важелем 2, що з'єднує поплавець 1 із контрольним устроєм 3. Прилади тросового типу не можна застосовувати в резервуарах, що знаходяться під надлишковим тиском, при низьких температурах і у вибухо і пожежонебезпечних рідинах. Принцип дії буйкового приладу показаний на рисунку 1.2.
Рисунок 1.2. Буйковий прилад вимірювання рівня Сталевий циліндричний буй 8 підвішений на кінці важеля 7, що пов'язаний із пружньою трубкою 6. Під дією буя до пружньої трубки додається момент , що деформує, при цьому маса буя вибирається так, щоб він не випливав при повному його зануренні в рідину. З підвищенням рівня рідини збільшується глибина занурення буя і за рахунок збільшення виштовхувальної сили, зменшується його маса, що викликає пропорційне зменшення кута закручування пружньої трубки 6 і сталевого стержня 5, закріпленого всередині трубки. На протилежному кінці стержня 5 установлена заслінка 4 пневмопристрою що відхиляється щодо сопла 3 на той же кут. Пневмопристрій 2 посилює мале кутове переміщення заслінки в пропорційну зміну тиску стиснутого повітря, контрольованого спеціальним манометром 1, шкала якого переградуйована в рівень. Покажчик рівня УДУ-5 призначений для контролю рівня рідини у закритих і відкритих ємностях висотою до 12 м. Покажчик має датчик, повторний і сигналізуючий пристрій.
Рисунок 1.3. Покажчик рівня УДУ-5: а) – схема приладу, б) – загальний вигляд приладу з дистанційною приставкою На рисунку 1.3, а подана схема покажчика рівня УДУ 5. Металевий поплавець 9 знаходиться на поверхні контрольованої рідини. При зміні рівня рідини поплівець переміщається по направляючим 7, що жорстко закріплені на днищі робочої ємності. Натяжним пристроєм 6 забезпечується необхідний натяг направляючих. Поплавець сполучений із сталевою перфорованою стрічкою 8, що через направляючі ролики 4, 5 змотується з барабана 1 відлікового механізму 3 або намотується на барабан. Зубцюватий шків 2 забезпечує надійне зчеплення перфорованої стрічки. Відліковий механізм 1 приладу УДУ-5 із дистанційною приставкою (рисунок 1.3, б) являє собою десятковий лічильник із трьома цифровими барабанами й одним диском, ціна поділки якого дорівнює 1 мм. Повна ємність лічильника дорівнює 99 999 мм, проте через конструктивні особливості прилад може використовуватися для вимірювання рівнів тільки до 12 000 мм. До спеціального фланця відлікового механізму і кріпиться потенціометрична приставка 2 для дистанційної передачі показів і сигналізації граничних значень рівнів. Приставка являє собою пристрій, що перетворює кут повороту барабана в електричний сигнал. При зміні положення поплавця рівноміра переміщаються щітки дистанційної приставки, що змінюють значення опору. Опір, змінюваний у залежності від рівня контрольованої рідини, вимірюється електронним мостом. Приставка має щітки «метрів» і «сантиметрів». Комплектно з приладом УДУ-5 випускається пульт контролю і сигналізації ПКС, що має дві модифікації: для щитового і настільного монтажу. На панелі пульта встановлений електронний автоматичний міст типу ЗМВ, шкала якого переградуйована в метри і сантиметри. Там же розміщені сигнальні лампи граничних рівнів, перемикачі діапазонів «метри» і «сантиметри», тумблери і ключі керування світлової і звукової сигналізацій. У залежності від модифікації пульт ПКС може контролювати 10-20 резервуарів, що мають покажчики рівня типу УДУ-5.
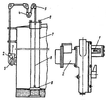
Рисунок 1.4.: а) - індикатор рівня типу ДИУ, б) - датчик рівня типу ДИУ Дистанційний індикатор рівня типу ДИУ (рисунок 1.4,а) використовується для автоматичного контролю і регулювання рівня рідини в посудинах, що працюють під тиском до 32 МПа (320 кгс/см2). У залежності від модифікації індикатор типу ДИУ застосовується для вимірювання рівня в межах 0-1600 мм. Прилад має вибухозахисне виконання і складається з індикатора рівня буйкового типу, електричного датчика з диференційно-трансформаторною схемою і повторним електронним приладом. На рисунку 1.4,б показаний датчик типу ДИУ. Буй 3, вміщений у корпус, має циліндричну форму і знаходиться в рідині, що вимірюється. При зміні рівня рідини буй змінює ступінь занурення і дещо переміщується у вертикальному напрямку. Протидіюча пружина 2 під дією різниці маси буя і сили, що виштовхує, деформується. Деформація залежить від коефіцієнта жорсткості пружини і межі рівня, що вимірюється. Сердечник 1 електричного датчика жорстко зв'язаний із буйком, при зміні рівня рідини переміщується щодо обмоток І і ІІ у межах 5-30 мм у залежності від рівня, що вимірюється. Обмотка І живиться напругою змінного струму. При переміщенні сердечника на затискачах 5-4 вторинних обмоток під дією магнітного потоку первинної обмотки з’являється е.р.с, розмір якої вимірюється електронним приладом і залежить від положення сердечника 1. Таким чином, між рівнем і розміром е.р.с. існує визначена залежність, використовуючи яку можна відградудуювати шкалу вторинного приладу в рівень контрольованої рідини. Сигналізатор рівня типу СУ являє собою поплавкове підйомне безкамерне реле рівня. Прилад призначається для контролю рівня неагресивних вибухонебезпечних рідин у діапазоні 20-150 мм. Схема приладу показаний на рисунку 1.5:
Рисунок 1.5. Сигналізатор рівня типу СУ-4 Поплавець 1, що знаходиться на поверхні контрольованої рідини, через тягу 2 і направляючу 4 може вільно переміщатися щодо осі 3. При зміні рівня рідини поплавець змінює своє положення і переміщає повідець 5 щодо осі. При цьому тяга 6, сполучена з повідцем, що повертає важіль 7, який жорстко зв'язаний із повертаючим валиком. На валику за допомогою спеціальних тримачів укріплені два перемикачі 8, що у залежності від рівня можуть замикати або розмикати свої контакти в колі світлової і звукової сигналізацій рівнів контрольованої рідини. Буйкові рівнеміри з пневмовиходом УБ-П і з електричним виходом УБ-3 використовують для безупинного вимірюванняу рівня рідин (рисунок 1.6, а).
Рисунок 1.6. Рівнемір буйковий типу УБ-П : а) – загальний вигляд: 1 – пневмоперетворювач, 2 – датчик, 3 – рухома опора; б) – схема приладу: 1 – пружина коректора нуля, 2 – Т-подібний важіль, 3 – рухома опора, 4 – пневмореле, 5 – сопло, 6 – заслонка, 7 – Г-подібний важіль, 8 – сильфон зворотнього зв’язку, 9 – вантаж-противага, 10 - датчик Рівноміри застосовують у комплекті з вторинними приладами, регуляторами, що працюють із вихідними стандартними пневматичними сигналами 20-100 кПа (0,2-1,0 кгс/см2) або електричним струмовим сигналом 0-5 А. Принцип дії приладів типу УБ-П заснований на пневматичній силовій компенсації (рисунок 1.6, б). Зміна рівня рідини перетворюється на чутливому елементі (буї) 10 вимірювального блока в пропорційне зусилля, що автоматично врівноважується зусиллям сильфона зворотнього зв'язку 8. Це зусилля, що забезпечується тиском стиснутого повітря, є також вихідним сигналом рівноміра. Пристрій буйкового рівноміра з пневмовиходом типу УБ-П аналогічний описаному вище манометру з пневмовиходом типу МС-П. При зміні рівня, що вимірюється, відбувається невеличке переміщення підйомної системи передатного механізму і пов'язаної з важелем 2 заслінки 6 щодо сопла 5. Виникаючий тиск у лінії сопла надходить у пневмореле 4 і сильфон зворотнього зв'язку 8. Чутливим елементом рівнеміра являється сталевий буйок 10. При вимірюванні рівнів рідин вище 1,6 м буй виготовляють складним, що збирається з частин. Буй підвішується до кінця Г-подібного важеля 7. Початкова маса буя врівноважується спеціальним вантажем 9. 1.2 ЄМНІСНІ РІВНЕМІРИ В даний час перспективними приладами вимірювання рівня електропровідних і неелектропровідних матеріалів є ємнісні прилади. У цих приладах у якості чутливого елемента використовується електрична ємність, утворена спеціальним робочим електродом і металевою поверхнею стінки резервуара, між якими знаходиться вимірююче середовище. Електрична ємність плоского конденсатора рівна:
де S- площа кожного електрода; d- відстань між електродами, При вимірюванні рівня неелектропровідних матеріалів змінюється Ємнісні прилади вимірювання рівня можна розбити на дві основні групи: мостові і резонансні. В мостових приладах електрична ємність, утворена датчиком-електродом і поверхнею резервуара, включається в одне з плечей моста. При зміні рівня змінюється ємність датчика, це викликає розбаланс моста і на виході з'являється напруга, що вимірюється вторинним електронним приладом, відградуйованим в одиницях контрольованого рівня. У резонансних приладах електрична ємність включається паралельно з індуктивністю, створюючи резонансний контур, що живиться від високочастотного генератора. Контур настроєний на резонанс частоти генератора, що живить, при початковій ємності датчика, який відповідає наявності або відсутності середовища, що вимірюється на заданому рівні. Із зміною рівня змінюється ємність датчика, що призводить до зміни частоти контуру і порушенню умови резонансу, тобто до зриву резонансу. При резонансі опір контуру мінімальний, при зриві резонансу опір контуру різко збільшується. На принципі зміни опору контуру при зміні контрольованого рівня будуються електронні схеми ємнісних рівномірів. Ємнісні прилади мають високу чутливість, велику швидкодію, малі габарити. У якості електродів у залежності від середовища, що вимірюється застосовують датчики з покриттям із полівінілхлорида, фторопласта і т.д. У результаті такого покриття прилади можуть використовуватися в агресивних середовищах, де застосування контактних датчиків практично неможливо. Електронний ємнісний індикатор рівня типу ЕІУ-2 використовується для безупинного дистанційного вимірювання рівня рідких і сипучих електропровідних і діелектричних середовищ. Індикатор має датчик, електронний, блок і вторинний прилад, що реєструє. Межі вимірювання приладу в залежності від типу датчика кладають 1-20 м. При зміні контрольованого рівня змінюється ємність датчика в індуктивно-ємнісному мості, що складається з обмоток, трансформатора і конденсаторів. Внаслідок цього порушується початкова рівновага моста і на виході моста з'являється сигнал розбалансу, пропорційний контрольованому рівню. Цей сигнал надходить на базу емітерного перетворювача, потім на підсилювальний і вихідний транзисторні каскади. Прилад, що відображає значення, (міліамперметр м-325) включений у емітерне коло вихідного каскаду. Вихідна напруга, що вимірюється на резисторі, у залежності від контрольованого рівня коливається в межах 0-100 м. Підстроювання чутливості на початку шкали здійснюється за допомогою підібраного конденсатора С9, наприкінці шкали - потенціометром. Вимірювальний міст приладу живиться від генератора синусоїдальних коливань з частотою 100 кГц. У якості генератора використовується транзистор із схемою LС-контура. Для дистанційної передачі показів до затискачів підключають вторинний електронний потенціометр із вхідним сигналом 0-100 м. Крім індикаторів ЗИУ, що дозволяють безпосередньо вимірювати контрольований рівень, застосовують також електронні прилади, призначені тільки для автоматичної сигналізації заданих рівнів. До таких приладів відносять електронний сигналізатор рівня ЗСУ і малогабаритний сигналізатор рівня МЕСУ(рисунок 1.7). Електронний блок приладу МЕСУ має вибухозахищене виконання ВЗГ, тому може використовуватися для автоматичного контролю і сигналізації рівнів легкозаймистих і горючих рідин категорії ЗГ (по правилах ПИВРЗ). Силовий блок не призначений для установки у вибухонебезпечних помешканнях, а також роботи в умовах вібрації і трясіння. За допомогою таких приладів можна здійснювати світлову і звукову сигналізації контрольованих рівнів, а також підтримувати постійний рівень середовища автоматичним підживленням резервуара робочою рідиною. Прилади складаються із силового й електронного блоків із ємнісним датчиком. Силовий блок складається з трансформатора, призначеного для живлення електронного блока, вентиля, призначеного для живлення анодного ланцюга лампи типу 6Н16Б, У анодний ланцюг лампи включене електромеханічне реле типу МК. У-48. Електронний блок містить у собі генератор високої частоти і ємнісний датчик, що представляє собою електрод, покритий ізоляційним матеріалом-фторопластом. Якщо рівень нижче заданої межі, то ємність датчика менше критичної і прилад генерує високочастотні коливання. При цьому струм в анодному ланцюзі лампи і реле мінімальний. При досягненні середовищем заданого контрольованого рівня різко змінюється ємність датчика, відбувається зрив високочастотних коливань генератора, різко зростає анодний струм і струм у котушці реле, що переключає свої контакти в ланцюзі сигналізації. Прилад настроюють на робочому резервуарі, при цьому оцінкою правильної роботи приладу є запалювання сигнальної лампи при дотику датчика з контрольованим середовищем. Ємність СЗ є підібраною ємністю контуру. Існує багато конструктивних різновидів ємнісних рівнемірів, основні відмінності яких визначаються ступенем електропровідності досліджуваної речовини. У рівнемірах для електропровідних рідин один з електродів покривають ізоляційним матеріалом, для неелектропровідних електроди не ізолюються. Нагадаємо, що електропровідними вважають рідини з питомим електричним опором р<10 Ом м та діелектричною проникністю є<1. Як у рівнемірах для електропровідних, так і для неелектропровідних рідин електроди перетворювачів можуть бути виконані у вигляді стержнів, плоских пластин чи циліндрів. Другим електродом може бути металева стінка посудини з досліджуваною речовиною. Найпростішою та найпоширенішою є конструкція коаксіатьного перетворювача (рисунок 1.2.1, а). Перетворювач складається з внутрішнього 1 та зовнішнього 2 циліндричних електродів, взаємне розміщення яких зафіксоване прохідними ізоляторами 3. Він міститься в резервуарі 4 з досліджуваною рідиною. Якщо резервуар рідиною не заповнений, то ємність між електродами перетворювача
де
Рисунок 1.2.1. Ємнісні перетворювачі рівня рідини Після заповнення резервуара до рівня Н ємність зміниться до значення
Наведений вираз є спрощеною функцією перетворення ємнісного перетворювача неелектропровідної рідини. Еквівалентна ємність такого перетворювача є сумою трьох з'єднаних паралельно ємностей. Якщо діелектричну проникність досліджуваного середовища можна вважати сталою, інформативною є лише третя складова еквівалентної ємності. Оскільки перші дві складові є неінформативними, то для збільшення чутливості ємнісного перетворювача повинна бути передбачена їх схемна компенсація. Необхідно також відзначити, що в реальних умовах Оскільки простір над досліджуваною рідиною завжди буде забруднений парами досліджуваної речовини, а його діелектрична проникність буде відрізнятись від є повітря, то для зменшення впливу зміни діелектричної проникності повітря в ємнісних перетворювачах застосовують другий компенсацій ний конденсатор 4, розміщеним над робочим кондекнсатором. В ємнісних перетворювачах рівня електропровідних рідин один із електродів виконається у вигляді ізольованого стержня, іншим можуть служити металеві стінки резервуара, а для неметалевих резервуарів - неізольований циліндр, що охоплює металевий ізольований стержень. На рисунку 1.2.2, показаний ємнісний перетворювач рівня рідини, виконаний у вигляді стержня І, покритого шаром ізоляції 2 і поміщеного в металевий резервуар. 3. Еквівалентна ємність такого перетворювача дорівнюватиме
Рисунок 1.2.2 Ємнісний перетворювач рівня електропровідних рідин де Складові
де Нехтуючи товщиною ізоляції електрода щодо його радіуса
Тоді спрощений вираз для еквівалентної ємності перетворювача після відповідних перетворень набере вигляд:
Порівнюючи вирази для функцій перетворення перетворювачів рівнів неелектропровідних та електропровідних рідин, можна констатувати, що вони є подібними і при реалізації останніх виникають аналогічні проблеми, зв'язані зі зміною Ємнісні рівнеміри характеризуються порівняно низькою вартістю, простотою, зручністю монтажу в резервуарі. Їх перевагою є можливість їх використання в широкому діапазоні температур. До недоліків належить непридатність для вимірювань рівнів в'язких рідин, рідин, що кристалізуються, випадають в осад. Їх недоліком є також висока чутливість до зміни електричних властивостей досліджуваної рідини, зміни ємності між дротами лінії, що з'єднує перетворювач з вторинною _ппаратурою. Зведена похибка звичайних ємнісних рівнемірів становить 2…..5%. ВИСНОВКИ Отже, спираючись на всі подані вище вище матеріали самим оптимальним методом вимірювання є метод, оснований на використанні ємнісних перетворювачів. Такі перетворювачі відносно недорогі, мають широкий діапазон вимірювань і невелику похибку вимірювання, можуть використовуватись в різних середовищах. СПИСОК ВИКОРИСТАНИХ ЛІТЕРАТУРНИХ ДЖЕРЕЛ 1. Поджаренко В.А., Кухарчук В.В. Метрологические основы компьютерно-измерительной техники. – К.: УМК ВО, 1989. – 216 с. 2. Поджаренко В.О., Кухарчук В.В. Вимірювання і комп’ютерно-вимірювальна техніка. – К.: УМК ВО, 1991. – 240 с. 3. Циделко В.Д. Проектирование микропроцессорных измерительных приборов и систем. – К.: Техніка, 1984. – 244 с. 4. Полішко С.П., Трубенок О.Д. Точність засобів вимірювання. – К.: Вища школа, 1992. – 173с. 5. Циделко В.Д. Проектирование микропроцессорных измерительных приборов и систем. – К.: Техніка, 1984. – 244 с. 6. Цапенко М.П. Измерительные информационные системы: Структуры и алгоритмы, системотехническое проектирование. – М.: Энергоатомиздат, 1985. 7. Кузьмин И.В. Оценка эффективности и оптимизации автоматических систем контроля и управления. – М.: Советское радио, 1971. |










