Дипломная работа: Модель синхронного генератора в фазных координатах
|
Название: Модель синхронного генератора в фазных координатах Раздел: Рефераты по физике Тип: дипломная работа |
МОиН Украины Национальный технический университет “Харьковский политехнический институт” Кафедра электрических станций Расчётное задание по курсу: “Математическое моделирование” на тему: “Модель синхронного генератора в фазных координатах” Выполнил: ст. гр. Э-51аАбашкина О.С. Сербиненко М.С. Бабенков А.А. Шаповал О. Проверил: доц. Пискурёв М.Ф. Харьков 2005 Общие понятия и определения в математическом моделировании Модель – некоторый объект, с помощью которого исследуются свойства оригинала и находящегося во взаимозначном соответствии с ним и более доступном для изучения.Моделирование – исследование свойств объекта методом изучения свойств другого объекта находящегося в определённом соответствии с первым объектом и более удобным для исследования. Под “моделью” понимают некоторые технические устройства, процесс, схемы замещения, мысленные образы, математические формулы. Модель должна удовлетворять 3 условиям: 1. достоверно отображать некоторые свойства оригинала подлежащие изучению; 2. должно быть определённое соответствие, т.е. правила позволяющие осуществить переход от свойств модели к оригиналу и наоборот; 3. должна быть наглядной, простой и доступной для изучения. Виды моделей: 1) Структурная. Показывает структуру объекта и взаимную связь между элементами этого объекта; 2) Модели прямой аналогии. В них процессы совпадают с процессами оригинала. 3) Физические модели. Они имеют одну и ту же физическую природу с оригиналом. 4) Математические модели, которые имеют одинаковое математическое описание с оригиналом. Эти модели бывают аналоговые и цифровые. Основные допущения при составлении математической модели синхронного генератора 1. Не учитывается магнитное насыщение генератора. 2. В воздушном зазоре машины действуют намагничивающие силы только первой гармоники. Следовательно, ЭДС синхронного генератора – синусоидальный. 3. Не учитываются потери на перемагничивание. 4. Считают, что обмотки статора выполнены симметрично, а ротор генератора симметричен относительно осей в и q. 5. Все демпферные обмотки по оси в заменены одной демпферной обмоткой аналогичной по оси q. 6. При исследовании электромагнитных переходных процессов не учитывают изменение вращения скорости генератора. Математическая модель синхронного генератора в фазных координатах При составлении этой модели, в целях упрощения, не будем учитывать демпферные обмотки. Следовательно, уравнение баланса напряжений имеет вид: Уравнение статора: Уравнение ротора:
где
где Система уравнений 1 после подставления в неё значений из уравнений 2 превращается в систему из 4 дифференциальных уравнений с переменными коэффициентами, т.к. практически все индуктивности и взаимоиндуктивности – переменные величины, т.е. являются функцией времени (вращение ротора генератора) за исключением индуктивной обмотки возбуждения.
Эти коэффициенты оказываются непостоянными из-за электрической и магнитной несимметрии ротора генератора. Т. о. система уравнений 1 и 2 позволяет смоделировать процессы в СГ в фазных координатах в режиме ХХ. Чтобы смоделировать СГ в нагруженном режиме или в режиме КЗ необходимо добавить систему уравнений, позволяющую найти токи в обмотках статора и ротора. Т. о. систему уравнений 1 дополненную системой уравнений 2 и уравнениями внешней цепи генератора будут представлять собой математическую модель СГ в фазных координатах. Реализация модели синхронного генератора в фазных координатах С целью упрощения модели представим её в виде 9 суперблоков. Первый суперблок моделирует переменные коэффициенты в уравнения для определения потокосцепления. Суперблоки 2,3,4,5 моделируют потокосцепление, 6,7,8 - фазное напряжение, 9-й – ток в обмотках возбуждения. Первый суперблок в свою очередь состоит из подблоков. Первые три моделируют постоянные коэффициенты Порядок выполнения работы I. Реализация первого суперблока 1. При реализации модели СГ в первую очередь необходимо смоделировать постоянные коэффициенты Первый подблок имеет следующую реализацию:
Рис.1 – Первый подблок первого суперблока, моделирующий Реализация второго подблока:
Рис.2 – Второй подблок первого суперблока, моделирующий Реализация третьего подблока:
Рис.3 – Третий подблок первого суперблока, моделирующий Каждый из трёх подблоков представляем в виде субблоков. Для этого: а) выделяем подблок; б) с помощью правой кнопки мыши находим операцию “Createsubsystem”; в) образуем субблок; г) обозначаем входящие и выходящие параметры. 2. Моделирование индуктивностей
где
Рис. 4 – Модель
Рис. 5 – Четвертый подблок первого суперблока, моделирующий 3. Моделирование взаимоиндуктивностей между фазами
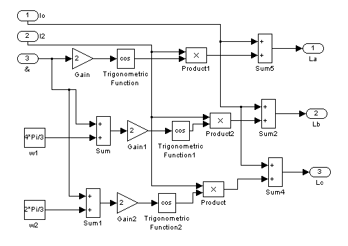
Рис. 6 – Пятый подблок первого суперблока, моделирующий 4. Моделирование взаимоиндуктивностей между обмоткой возбуждения и фазными обмотками
Рис. 7 – Шестой подблок первого суперблока, моделирующий 4. Каждый из подблоков преобразуем в субблок аналогично первым трём подблокам, при этом соединяя одноимённые входы и выходы подблоков.
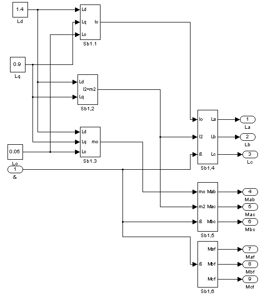
Рис. 8 – Содержимое первого суперблока 6. Образуем первый суперблок (Sb1).
Рис. 9 – Первый суперблок (Sb1) II. Реализация 2 - 5 суперблоков Согласно системе уравнений (2) моделируем потокосцепления, связанные с соответствующими обмотками.
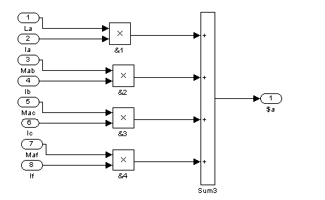
Рис. 10 – Второй суперблок (Sb2)
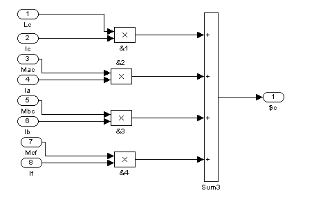
Рис. 11 – Третий суперблок (Sb3)
Рис. 12 – Четвертый суперблок (Sb4)
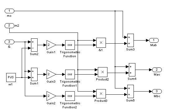
Рис. 13 – Пятый суперблок (Sb5) Преобразуем суперблоки Sb2 - Sb5 в субблоки. III. Реализация 6 – 8 суперблоков Согласно системе уравнений (1) моделируем фазные напряжения в обмотках статора.
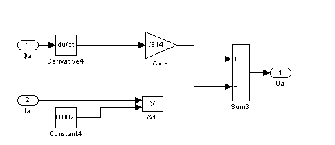
Рис. 14 – Шестой суперблок, моделирующий напряжение фазы А (Sb6)
Рис. 15 – Седьмой суперблок, моделирующий напряжение фазы В (Sb7)
Рис. 16 – Восьмой суперблок, моделирующий напряжение фазы С (Sb8)IV . Реализация девятого суперблока Согласно той же системе уравнений (1) моделируем ток в обмотке возбуждения.
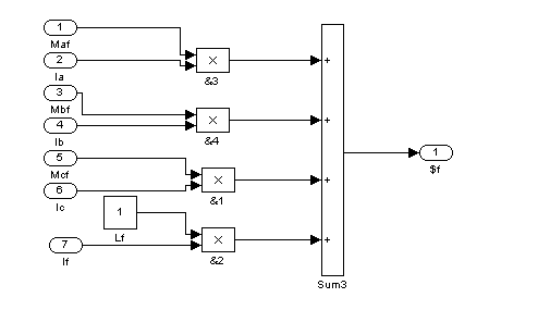
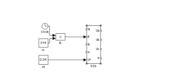
Рис. 17 – Девятый суперблок, моделирующий ток в обмотке возбуждения (Sb9) Преобразуем каждый из суперблоков в субблоки и соединяем их одноимённые входы и выходы с предыдущими блоками. Затем аналогичным образом получим суперсуперблок (SSb), на вход которого подаём
Рис. 18 – Содержимое SSb
Рис. 19 – Суперсуперблок SSb V . Модель СГ в режиме ХХ Подключив осциллографы к соответствующим выходам SSb, будем наблюдать изменение фазных напряжений и тока в обмотке возбуждения СГ в режиме ХХ. С помощью
Рис. 20 – Модель СГ в режиме ХХ |




















объединяем фазные напряжения для просмотра в одной системе координат. Т.к. в данной модели фазные токи равны 0, то это модель СГ в режиме ХХ.