Лабораторная работа: Неразветвлённая электрическая цепь с одним переменным сопротивлением
|
Название: Неразветвлённая электрическая цепь с одним переменным сопротивлением Раздел: Рефераты по физике Тип: лабораторная работа | ||||||||||||||||||||||||||||||||||||||||||||||||||||||||||||||||||||||||||||||||||||||
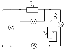
Лабораторная работа 4 Тема : " Неразветвлённая электрическая цепь с одним переменным сопротивлением" Цель: Исследовать изменение токов, напряжений, мощность, КПД в неразветвлённой цепи при изменении одного из двух сопротивлений. Ознакомиться с режимами работы эл. цепи: холостым ходом и коротким замыканием. Порядок выполнения работы. 1. Собрать схему.
Рисунок 1. – Неразветвлённая эл. цепь с одним параллельным сопротивлением. Таблица 1. – Приборы и оборудование
Таблица 2. – Результаты исследования цепи
R0 =0,01 Ом;
Контрольные вопросы 1. Схема замещения составляется для облегчения расчёта эл. цепи, т.е. схема, отображающая свойства цепи при определённых условиях. 2. Сила тока прямо пропорциональна ЭДС и обратно пропорциональна сумме сопротивлений двух резисторов, и обозначается: I = E /R1 +R2 +R0 ; I = E /R1 +R2 . 3. Номинальный режим. Рабочий режим – это режим, при котором характеристики могут отклоняться. Режим холостого хода – R, I0, U=E. Режим короткого замыкания – R0, I=E/R+R0 . 4. Если сила тока увеличится, то U1 -увеличивается, U2 -уменьшается. 5. При увеличении R2 – увеличивается на нём падение напряжения U2 , U=U1 +U2 U1 =U-U2 , т.е. U1 -уменьшается. 6. Если R2 – уменьшается, то I – увеличивается. 7. При увеличении I – увеличивается P и P1 . 8. При увеличении I – уменьшается P2 . 9. При уменьшении R2 – уменьшается КПД. |
||||||||||||||||||||||||||||||||||||||||||||||||||||||||||||||||||||||||||||||||||||||




