Реферат: Карбування металів як один з давніх видів народного декоративно-прикладного мистецтва України
|
Название: Карбування металів як один з давніх видів народного декоративно-прикладного мистецтва України Раздел: Рефераты по культуре и искусству Тип: реферат |
Реферат „Карбування металів як один з давніх видів народного декоративно-прикладного мистецтва України” Що означає поняття "карбування металів"? Під "карбуванням" розуміють спосіб художньої обробки металу, коли за допомогою інструменту та обладнання на плоскій поверхні листа чи об'ємного виробу вибивають, видавлюють, надрізають або вирубують рельєфне зображення композиції. Вивчало художню обробку металів, започаткування якої сягає глибини тисячоліть й яка відображає етапи розпитку культури різних народів, ряд дослідників. Перші відомості про виникнення досконалої техніки обробки металів, зокрема карбування, в народів, що мешкали на території України, наводить І.Засецька в книзі "Золоті прикраси гуннськоїдоби". Автор відзначає, що в Ермітажі експонується багато виробів із золота, серед яких є роботи майстрів скіфського і сарматського періодів. Поруч з роботами грецьких майстрів виділяються різноколірні вироби гуннської епохи (золоті прикраси одягу й головних уборів, багата кінська збруя тощо). У музеї зберігаються бляшки із зображенням обличчя людини. Знайдені вони були в домовині біля с. Новогригор'ївка Запорізької області в 1884 році Д. Самоквасовим. Далі автор наводить технологію художньої обробки металу, впровадження якої на українських землях сягає глибини тисячоліть. Користувалися нею не тільки давні майстри, вона й донині має широке поширення. Полягає вона в нанесенні орнаменту різцем або карбувальником на бронзову основу або відливанні його разом з основою, та наступним відтискуванням на золотому покритті. Цс свідчить про те. що техніка обробки металів тисненням (нині її називають "басма") була відома нашим пращурам ще в V ст. до нашої ери. Стародавні майстри прагнули створювати не тільки корисні предмети, а й прикрашали їх різними орнаментами. Вироби гунських ювелірів прикрашалися філігранним або штампованим орнаментом. Основними елементами орнаментів були "мотузочка", "плетінка", або "косичка", "рубчик", "трикутник", "ромбик", "пірамідка". Дослідники, детально проаналізувавши карбовані вироби скіфського періоду, ототожнюють їх не тільки з досягненнями металообробки, а й з відбиттям духовного сприйняття довкілля і тогочасних культурних уявлень на поверхнях металевих виробів. Вони також звертають увагу на те, що вироби майстрів скіфського періоду, які були знайдені на території України поблизу села Мала Перещепина на Пол тавщині, на Дніпропетровщині, Херсонщині, в Криму, зберігаються не на рідній землі, а в російському Ермітажі. Протягом тисячоліть мистецтво не відокремлювалося в самостійну сферу духовного життя людини. Багато пам'яток художньої творчості, особливо на ранніх етапах історичного розвитку, були матеріальним втіленням в ідеологію суспільних відносин, маючи в одних племен і пародії» магічне, обрядове, в інших — міфологічне, легендарне значення. Однак, показані у своєму історичному контексті, И01111 відображають етапи великого безперервного шляху естетичного сприйняття людиною довкі-чля, свідчать про її багату духовну культуру. Внесок у розвиток мистецтва карбування металів скіфських майстрів, які жили на території сучасної України ще в VII—IV ст. до н.е., засвідчує А.Хворосіов. Детальними дослідженнями виробів майстрів скіфського періоду (VII—111 ст. до н.е.) займався В.Петренко. У своїй монографії, присвяченій класифікації прикрас відповідно до основних етапів історії життя скіфів, автор наводить зразки жіночих прикрас (сережки, браслети), виконані на площинних пластинах з елементами кар-бування. На них зображені стилізовані тварини, рослини, міфологічні герої тощо. А. Хазанов вивчав твори, що " експонуються в різних музеях, навів велику кількість прикладів щодо різноманітних карбованих виробів, які було знайдено в похованнях скіфів, що мешкали на території Україні в V ст. до н.е. Б. Мозолевський у книзі "Товста могила" навів та описав зразки знайдених прикрас коней (вуздечкових нащічників, нагрудників тощо), виконаних технікою площинно-рельєфного карбування. Користуючись різними прийомами, стародавні майстри вміло втілювали в метал стилізовані рисунки тварин і птахів. Хоча на території України поодинокі металеві вироби з'явилися ще в трипильську добу, проте розквіт карбування ювелірних виробів і різних речей декоративного призначення припадає на період Київської Русі. Центри художньої металообробки на той час існували не тільки в Києві, Чернігові, Галичі, а й у невеликих містах і селах. Значний відтин часу основним матеріалом для виготовлення карбованих речей стародавнім майстрам слугували золото та срібло. Ці метали привертали їхню увагу тим, що їх не тільки легко обробляти, а вироби з них мають привабливий вигляд і можуть зберігатися в первісному вигляді довгі роки. На відміну від класичного середньовічного карбування, де основним матеріалом було золото та срібло, сучасні художники ижііііаіоіь ііекоіитовні матеріали ( мідь, латунь, алюміній, покрівельне залізо). Отже, вже в стародавні часи не тільки ма-'теріал визначав цінність виробу. Для різних народів і часів була характерна своя техніка карбування. Історик, мистецтвознавець і майстер-карбувальник А. Хворостов, роблячи історичний огляд техніки, матеріалів, прийомів, інструменту, які використовувалися для художньої обробки металів, зазначає, що вже в домонгольській Русі було відомо кілька різновидів карбувальних робіт: площинні, рельєфні композиції, а також візерунки, виконані особливою, орнаментально-пуансонною технікою. Про поширення рельєфної техніки карбування говориться в працях багатьох інших авторів, які займаються вивченням карбування металів. Не підлягають сумніву й ви значені А. Хворостовим етапи розвитку декоративно-прикладного мистецтва карбування слов'янських народів. Аналізуючи знайдені археологами скарби і вироби, можна уявити техніку, якою користувалися майстри-карбувальники, визначити призначення речі, а також інструмент, яким користувався майстер при її виготовленні. Так, на півночі Київської Русі в IX—Х століттях користувалися ііу.ііісоновою технікою карбування, за допомогою якої на тонкому листовому металі створювали різні візерунки, орнаменти. Матеріалом для цих виробів слугували срібло та золото, інструментом — різні пуансони, на боковій частині яких було зображені трикутники, кола тощо. А. Хворостов, описуючи роботи стародавніх майстрів, акцептує увагу на тому, що нерідко серед давньоруських виробів можна зустріти досить складні візерунки з преривчастих ліній, виконаних особливим пуансоном — зубчастим колесом з 24 поділками. Серед знахідок око-ва турового рогу з так званої "Чорної могили" — високого кургану в районі Чернігова (X ст.). На золотистому тлі чітко проступають фігури людей, птахів, різних казкових страховиськ. На початку Х ст. на Русі широкого поширення набув пло-щингю-рельєфнцгі спосіб карбування, який у першій половині XI ст. замінили басмовим тисненням. Наприкінці XI — на початку XII ст. з'являються вироби, виконані об'ємним способом карбування. Декоративно-прикладне мистецтво живе й розвивається разом з народом, ідеологією, політикою, мистецтвом і культурою. Як і люди, воно народжу є'гься, вдосконалюється, змінюється, а іноді й вмирає. Значного удару зазнало вітчизняне мистецтво художньої обробки металів під час монголо-татарської навали. Деякі способи обробки металів зникли разом з майстрами назавжди. Наприкінці XVI — на початку XVII ст. мистецтво карбування знову розквітає й широко поширюється в місцях поселення слов'ян. Так, Л. Суха та інші автори, досліджуючи металеві вироби українців зі Східних Карпат та з інших районів України відзначають, що художня обробка металу в XIX ст. була поширена на Полтавщині (Зіньків), Чернігівщині (Ніжин, Березне), Харківщині (Охтирка, Ста-робільськ, Волчанськ, Верхній Солтів), Катеринослапщині (Бо-гуслав, Василівка, Верхнє, В'язо-вок) та в районі Східних Карпат (села Криворівня, Голови, Селятин, Устерики, Путила, Розтоки). Цсіі напрямок народного промислу виник у зв'язку з потребами сільського населення і тісно пов'язаний з його побутом. Незважаючи на суто побутове призначення, ці ви-роон ііражаіоть багатством асортименту, тнорчою фантазією, декоративністю і досконалістю; вони свідчать про велике творче обдарування і винахідливість народних майстрів, про високо розпинуте нідчуття краси. Металеві вироби, виготов-лювані тогочасними майстрами мали здебільшого утилітарне при значення. А це не завжди давало можливість передавати через карбовані витвори, красу оточуючої природи, відображати різні події в суспільному житті, створювати сюжети на міфологічну і релігійну тематику. Майстри,які займалися виготовленням мідних виробів, намагалися надати металу пластичної краси та образності, але головна увага зосереджувалася на практичній і функціональній зручності кожної. К. Корнилович, досліджуючії вироби майстрів-карбувальників, які працювали в XVI—XVII ст., зробив такі висновки: 1. Майстри не робили суттєвої різниці в оформленні "мирських" і "церковних речей". 2. Карбуванки в XVI — першій половині XVII ст. виконувалися невисокими за рельєфом і створювали відчуття площинності, були сухуваті, з чіткими контурами. 3. У другій половині XVII ст. карбуванки стають місцями високорельєфними, з м'якими обрисами орнаменту, який будується на живописних ефектах із світотіньовими контрастами, прагненням до фактурного зображення деталей рослинного візерунка. Одним із різновидів художньої обробки металів можна вважати медальєрне мистецтво. В наших краях медалі як пам'ятні значки чи нагороди з'явилися в XIV ст. Спочатку їх виготовляли технікою лиття, а з XVII ст. — технікою карбування. Виготовляючи медалі, майстри зображували на них міфологічні сюжети, вдавалися до різних алегорій, символів. З розвитком медальєрного мистецтва поступово почав змінюватися не тільки зовнішній вигляд медалей, а й їх оформлення. У того ж А. Хворостова дізнаємося, що художня обробка металу, в тому числі і карбування, досягли завершеності в Україні в XVIII ст. Досить назвати найбагатші за орнаментом оклади для багатоярусних різьблених іконостасів в соборах і храмах Києва і Львова. Серед українських майстрів XVIII ст. славилися своїми роботами П. Волох, 3. Завадов-ський, 1. Равич. Їхні карбівки із срібла відрізнялися віртуозністю виконання, розкішними візерунками, багатством фантазії і в той же час спокоєм і виваженістю композиційних елементів. Однією з найдавніших професій в Україні було золотарство, яке посідало почесне місце серед інших видів ремесел. Ювелірне мистецтво розвивалося як цехова спеціальність у містах Києві, Чернігові, Львові, Кам'янці-Подільскому, а як народне ремесло було поширене по невеличких містечках Придніпров'я й особливо Лівобережжя. В українському золотарстві багато майстрів володіло площинно-рельєфною і рельєфною манерами виконня, що стали домінуючими з другої половини ХУП-ХУШ ст. На той час карбований рельєф почали застосовувати не тільки для рослинних орнаментів, а й для сюжетних композицій, про що свідчать унікальні музейні колекції. Це багато оздоблена кар-бованим орнаментом зброя, предмети побуту і культові речі, жіночі і чоловічі прикраси: шийні гривни, діадеми, сережки, браслети, намиста, підвіски, нашивки на одяг тощо. Вироби українських золотарів у XVI—XIX ст. грунтувалися і розвивалися на народних традиціях, вони відзначалися високими мистецькими якостями, вишуканістю форм, чудовим декоративним оздобленням, реалістичністю трактування сюжетних композицій. Все це свідчить про велику обдарованість і талановитість наших предків. Описуючи інструменти та обладнання, якими користувалися тогочасні золотарі, автор вказує на те, що кожен майстер мав великий набір пуансонів, які відрізнялись один від одного формою й розміром робочої частини. Щоб при користуванні срібло не ламалося, виріб клали на пружний м'який матеріал, звичайно то був вар, який наливали по вінця в спеціальну чавунну чашу в формі півкулі, або користувалися свинцевою подушкою. О. Ковальчук, перераховуючи українські традиційні народні ремесла й описуючи ковальську справу, зазначає, що майстрам були відомі й інші види обробки благородних і кольорових металів: карбування, тиснення, штампування, чернь, зернь, слань. Вироби давніх українських магістрів прикрашають найвідоміші музейні колекції світу і засвідчують високий рівень ремісничої культури українського народу. Але не всі з перерахованих видів художньої обробки металів знаіішли поширення серед україисі.ких майстрів-кар-бувальиикіи. Так, зокрема, М. Петренко підкреслює, щ(^ техніка черні її українському золотарстві широкого застосування не -іііаііііі.иі. Нею користувалися лише деякі майстри в XVIII ст. — І. Білецький, Я. Зи-нов'єв, 1. Равич, К. Чижевський. Прикладом і;ісіосуваііня техніки черні українськими майстрами-золотарями служить виконаний на дні тарілки герб архімандрита Киї ио-Печорської лаври Іно-кентія Сепютовича, який правив монасіирем у 1715—1719 рр. Про вміння українців художньо обробляти метали і прикрашати карбованими виробами спій одяг, зброю, кінську збрую свідчать і дослідження літературних джерел іноземного походження, які провела Л. Суха. Зокрема, вона згаду» Ф. Гакке, якиіі у 1791—1793 рр. за дорученням австрійського уряду іянічаи природні багатства Східних Карпат. Він описує кілька видій латунних виробів: хрестики, иіиііиі жіночі прикраси "згарди", чепраги тощо. В Україні із золота і срібла майстри-карбувальники виготовляли хатній дорогий посуд (тарілки, кубки, чаші), церковний посуд, хрести, прикраси для ікон і церковних книжок. Золотарство, яке ввібрало в себе традиції давньоруського ювелірного мистецтва і знайшло подальший розвиток у XVI—XIX ст., відіграло велику роль у розвитку української культури. З кінця XIX до середини XX ст. бурхливий розвиток промислового виробництва дещо загальмував розвиток ручної обробки кольорових та чорних металів, зокрема технікою карбування. З кінця 60-х років XX ст. через усвідомлення суспільної вартості цього виду декоративно-прикладного мистецтва були створені передумови для відродження та розвитку карбування металів. У наш час карбування металів є однією з поширених ланок цілої гами різноманітних видів декора'гивно-^ прикладного мистецтва. Художні вироби з листового металу, оброблені технікою карбування, широко використовуються в оформленні інтер'єрів приміщень, вони є майже в кожній людській оселі, їх використовують у побуті й експонують у численних експозиціях. Нині в Україні високого художнього і технічного рівня ло-сягли ювеліри-карбувальники Київського творчо-виробничого об'єднання "Художник", Дніпропетровського, Запорізького, Кримського, Миколаївського та Чернівецького художньо-виробничих комбінатів і Житомирської, Рівненської, Ялтинської художньо-виробничих . майстерень. Своєрідними на-• ціональними осередками ювелірного мистецтва є Київ, Дніпропетровськ, Запоріжжя, Львів, Рівне та Сімферополь. Матеріалом для виготовлення карбованих речей служать як метали, так і різні сплави. Придатність для виготовлення карбованих виробів зумовлюють його технологічні і декоративні властивості. Сучасні майстри-карбувальники широко використовують мідь — м'який метал оранжево-червоного кольору. Сплав міді з цинком має назву латунь. Колір його залежить від вмісту цінку. Латунь часто застосовують не тільки для карбування, а ще й для інкрустації. До менш уживаних металів, з якими працюють майстри-карбувальники, належать срібло, сталь, алюміній. Широко застосовуються різноманітні технічні прийоми обробки листових металів. Серед найпоширеніших з карбування в холодному або розігрітому стані по готовій формі та на дерев'яних, гумових або свинцевих подушках. Техніку карбування використовують і як засіб подальшого оздоблення литих виробів, бо при литті відбувається заповнення попередньо підготовлених форм, а готовий відлив часто додатково доробляють. Крім лиття, для художньої обробки металів майстри декоративно-прикладного мистецтва використовують техніку гравірування та хімічного протравлювання, за допомогою яких вони, користуючись ріжучим інструментом (штихелем) при гравіруванні або кислотами та лугами при протравлюванні, виконують різного роду зображення т;і пі-ісрунки. У сучасних карбованих виробах українських майстрів домінує декорат.івне оздоблення їхніх робіт. Кольорові метали завдяки своїм властивостям дають можливість втілювати найрізноманітніші за стилем творчі задуми — від невеликих настінних прикрас до монументальних скульптур. Відродження і збереження народних традицій обробки металів технікою карбування — справа державної ваги. Значну роль в її становленні і зміцненні відіграють комбінати і творчо-виробничі підприємства, провідні народні майстри-карбувальники, які працюють в осередках народних художніх промислів. Так, традиції гуцульського декоративного оздоблення карбованих виробів продовжують майстри найбільшої в Закарпатській області Мукачівської фабрики художніх виробів, що була заснована 1968 року. Нині на ній працює 1350 чоловік, серед яких виділяються вироби Л. Бабуша, О. Федора, О. Маркевича, П. Мондика, Г. Гона-ка, рисунки для карбівок художника Н. Федака. Поруч з ними в Закарпатській області плідно працюють майстри Берегівської деревообробної фабрики, яка має цех художніх промислів, Ужгородської текстиль-но-галантереііної фабрики, до виробничого асортименту якої входять вироби з металу технікою карбування. Найбільшим в Україні промисловим підприємством, що в економічній діяльності спирається на народні види декоративно-прикладного мистецтва, зокрема карбування та гравіювання металів, є Ялтинське виробниче об'єднання "Таврія", що знаходиться в Кримській області і нараховує 1626 працівників. Виготовленням творів декоративно-прикладного мистецтва як супутної продукції займається багато заводів і фабрик України. До провідних підприємств, зайнятих цим виробництвом, належать Запорізький ти-тано-магнієний та художньо-виробничий комбінати, на яких й широкому асортименті виготовляються різноманітні декоративні вироби із застосуванням традиційних прийомів обробки металу; Джурівський хімз.пюд. Коломийський лісокомбінат і цех допоміжних про-м и елі і! "Надиірнянський" у м. Надвірне Івано-Франківської області, де працює чимало досвідчених майстрів-карбувальників; фабрика сувенірно-подарункових виробів у м. Черкасах, Чернівецька фабрика художньо-сувенірних виробів "Буковина", що випускає карбовані плакетки і панно з латуні, різблені шкатулки з металевими карбованими накладками; Одеський творчо-експериментальний комбінат; Хмельницький хімзавод, де організовано ділянку з виготовлення сувенірів з листової міді та латуні. Технікою карбування користуються при оздоблення виробів з металу на ряді заводів Вінниці, Кіровограда, Хмельницького. Для багатьох карбованих виробів, виконаних українськими майстрами-карбувальниками, характерне романтичне, піднесенне звучання, вдале композиційне рішення, технічна довершеність. Запорукою подальшого розвитку декоративно-прикладного мистецтва є звертання до народних традицій художньої обробки металів технікою карбування, їх вивчення і творче відродження в сучасних умовах. У м. Чернігові створюються умови для розвитку і поширення різних видів декоративно-прикладного мистецтва. Заради цього було відкрито постійно діючу виставку-продаж виробів народних майстрів, яка має назву "Зелений світ". На виставці представлено широкий асортимент товарів декоративно-ужиткового призначення. Головною вимогою до поданих на виставку художньо оздоблених карбованих виробів є домінація в них народного стилю з елементами традиційного поліського декорування деталей композиції. Мистецтво карбування не стоїть на місці. Воно вбирає в себе сучасні досягнення науки й техніки. Останнім часом з'явилися нові технічні засоби обробки металів (ультразвук, елек-троерозія), завдяки яким стало можливим створення зображення на найтвердіших металах і сплавах. Ці вироби оздоблюють вакуумним напилюванням з металів, що робить їх привабливими, своєрідними, надає більшої міцності. Всі ці досягнення науки широко використовуються різними підприємствами, зайнятими виготовленням товарів декоративно-ужиткового призначення. Використовуючи нові досягнення в галузі науки і техніки, майстри при роботі над художніми виробами намагаються скоротити час на їх виготовлення й дуже часто вдаються до використання штампів, спрощення конструкційних форм. Важко не погодитися з висновками Н. Черкасової, яка стверджує, що це небезпечний шлях, бо він може призвести до втрати місцевих стилістичних особливостей у виробах традиційного промислу. На основі довготривалого дослідження автор із сумом визнає, що традиції мистецтва карбування металів поступово втрачаються. Ручну обробку металів вважають надто дорогою, тому перевага віддається штампуванню. Проте ручне мистецтво вміщує в собі неповторність. що грунтується на віртуозності, і навіть нескладні рухи майстра не можуть бути точно відтворені машиною. Серед передумов, що стимулюватимуть розвиток народного декоративно-прикладного мистецтва с створення спеціалізованих навчальних закладів, які мають посісти провідне місце в його популяризації. Але, па жаль, з сумом доводиться констатувати той факт, що н Україні на цей час працює лише кілька художніх-промислових навчальних закладів, її яких учні навчаються художньої обробки металів. Це Вижпицькс училище прикладного мистецтва (Чернівецька область). Львівське училище прикладного мистецтва ім. І. Труша, Ужгородське училище прикладного мистецтва та Косіиський технікум народних художніх промислів ім. В. Касіяна (м. Косів Івано-Франківської області) і Київський художньо-промисловий технікум. Результати проведеного аналізу літературних джерел дають можливість зробити висновок, що мистецтво карбування металів, що бере свій початок за багато тисячоліть до нашої ери і пройшло довготривале випробування часом, нині відроджується в багатьох регіонах України. Із стародавніх часів люди прагнули прикрасити себе і свій одяг виробами з металу. Вже тоді, виготовляючи зброю, хатнє начиння, одяг, вони прагнули створити їх красивими, оздооити декоративними елементами з використанням рослинних, тваринних та геометричних орнаментів тощо. Дуже часто ці рисунки мали відповідну культову символіку. Такі вироби органічно поєднували в собі культове й ужиткове призначення художньо зроблених карбівок. І пінії стародавні орнаментальні мотиви широко використовуються у виробах майстрів декоративно-прикладного мистец'і и;і, відтворюючи^ вірування наших далеких пращурів, що населяли територію України. Хоча творчий процес — явище суто індивідуальне, народні майстри ц своїй роботі протягом сторіч використовували секрети майстерності багатьох інших митців, національний орнамент, прийоми роботи, що передавалися з роду в рід. Завдяки цьому вироби сучасних майстрів-карбувальників зберігають ясні пропорції, строгий ритм орнаменту, пластику сюжету, декоративність елементів композиції, притаманні кращим зразкам народної творчості. Завдання майстра — видобути з матеріал;» всі його пластичні і декоративні можливості:^ виявити м'якість і податливість одних мста;іііі, жорсткість інших, використати багатство фактури, блиск, красу звичайного кольору. Кожний із сучасних художників-карбувальників володіє широким набором технічних прийомів — відпалювання паяльною лампою, окислювання, травлення, наведення патини тощо. Характер і сюжетна тематика карбованих виробів майстрів різних народів підкреслюють національну своєрідність їхніх виробів і відображають національну самосвідомість у карбованих творах. Все це дає змогу стверджувати, що розвиток декоративно-прикладного мистецтва, а саме карбування металів, яке тісно зв'язане з культурою українського народу, спроможне здійснити вплив на формування національної самосвідомості підростаючого покоління. Неповторність карбованого виробу полягає в тому, що майстри, спираючись на глибинні народні джерела, спроможні не сліпо копіювати вже готові твори, а не виходячи за межі народних традицій, всіляко використовувати різноманітні альтернативні варіанти художньої обробки коштовних, кольорових та чорних металів та їх оздоблення. Це дає можливість створювати неповторні карбівки, які розкривають індивідуальність кожного окремого митця й поєднується з багатовіковими традиціями українського народу. Умовою функціювання народного мистецтва виступає передусім ручна праця, що дає змогу втілювати технологічні прийоми і створювати свій стиль, який відрізняється від робіт інших майстрів. Карбівки виконані вручну, мають значно більшу цінність, ніж репродуковані машиною вироби, створені художником і потім виготовлені у величезній кількості. Минуле і сучасне мистецтво карбування чинить великий вплив на розвиток культури українського народу, сприяє формуванню естетичного і художнього смаку, процесу творчого мислення людей. Отож зробимо висновок: карбування металів як один з видів декоративно-прикладного мистецтва має багатовікову історію й тісно зв'язане національною психологією і культурою. Навчання старшокласників карбування по металу Навчальна програма. В умовах становлення незалежної Української держави виникає потреба поліпшення підготовки молоді до трудової діяльності. Велику роль у цьому мають відігравати заняття різними видами декоративно-прикладного мистецтва, які поєднують у собі промислові технології та ручну працю. Вони стимулюють фізичний і розумовий розвиток, виховують художній смак дітей, підвищують інтерес до національної історії та культури. Особливе місце в системі «а-родних ремесел, які вивчаються в школі, посідає художнє карбування по металу. Цей вид прикладного мистецтва, маючи велике освітнє й виховне значення, може культитуватися в кожній школі, бо він не вимагає складного обладнання. Під час занять школярі засвоюватимуть не лише специфічні трудові операції карбування, а й вдосконалюватимуть уміння працювати столярним і слюсарним інструментами, краще оволодіють працею на токарному і фрезерному верстатах та іншому обладнанні. Крім того, в процесі карбування виробів виникає можливість встановлення органічного взаємоз'язку між шкільними предметами — фізикою, хімією, кресленням, малюванням, історією та працею. Пропонована програма призначена для організації трудового навчання учнів 10—11-х класів за профілем «Карбувальник». Вона охоплює всі відомі способи карбування і передбачає вивчення як теоретичних аспектів цього виду декоративно-прикладного мистецтва, так і виконання широкого спектру лабораторно-практичних і практичних робіт. При цьому найбільша увага приділена таким традиційним видам карбування, як площинно-рельєфне і рельєфне. Програмою передбачається виготовлення учнями робочого інструменту та виконання комплексних практичних робіт за власною тематикою чи замовленнями підприємств, торговельних організацій. З урахуванням місцевих можливостей вчителі, які проводитимуть заняття за цією програмою, можуть самостійно встановлювати кількість і характер практичних занять, а також тематику комплексних практичних робіт учнів. Деякі загальні питання з організації занять. Декоративно-прикладне мистецтво має значний вплив на духовний розвиток учнів, становлення їхньої особистості і творче розв'язання питань, що стоятимуть перед учнями в процесі трудової діяльності. Заняття карбуванням повинні плануватися так, аби на уроках учні якнайбільше займалися практичною роботою. На теорію має відводитися не більше 25% часу. Робити екскурси в історію, знайомити з новими технологічними прийомами, навчати правил безпечної праці слід під час виготовлення виробу. Викладаючи, вчитель має непомітно підвести учнів до свідомого самовираження, виховувати в них патріотичне ставлення до української історії, культури. Трудове навчання учнів у сукупності з іншими предметами, що вивчаються в школі, спрямоване на формування ділових якостей учнів, необхідних в умовах зростаючої вимогливості до якості продукції, її художньої привабливості та конкурентно-спроможності. Заняття карбуванням суттєво стимулюють розвиток інтересів і здібностей учнів, їх ініціативу і самостійність при виборі сюжету й способу обробки листового металу. Художній смак і творчі здібності особистості не розвинуться самі собою, їх потрібно виховувати повсякчас у процесі трудової діяльності. Неформальний підхід до організації і проведення занять, пошук оптимальних форм і методів роботи, індивідуалізація навчання, диференційований підхід до навчання дозволять учням оволодіти досить складним і цікавим видом декоративно-прикладного мистецтва — карбуванням. Учитель має заздалегідь підібрати потрібну літературу, наочні посібники й технічні засоби навчання, які допоможуть йому в роботі. Показ карбованих робіт, зроблених на виставках і в музеях слайдів, підсилять пізнавальну діяльність учнів і допомагатимуть їм краще засвоїти теоретичні знання. Таблиці з правил безпеки та організації робочого місця, технологічні картки, стенди з роботами учнів тощо допоможуть учням у засвоєнні програмного матеріалу. Заняття карбуванням вимагають від учителя їх планування і правильної організації. На перших порах учням важко виконувати складні технологічні операції, тому краще починати знайомство з мистецтвом карбування з таких простих видів, як ме-талопластика і площинно-рельєфне та рельєфне карбування. Поступово, в міру набуття учнями необхідних умінь і навичок завдання ускладнюють, стимулюючи зацікавленість і творче самовираження учнів. Заняття слід починати з перевірки теоретичних знань, виконання учнями попередніх практичних завдань і повідомлення мети нового заняття. Якщо це лабораторно-практична робота — нагадати правила техніки безпеки, особливості виконання окремих операцій, а також правила користування інструментом. У процесі роботи слід правильно використовувати обладнання, наприклад, при термічній обробці.Займатися карбуванням в умовах шкільної майстерні нескладно, бо не потрібні спеціальні верстати, громіздке обладнання, складна хімічна обробка тощо. Для карбування потрібні слюсарні столи, які с в кожній майстерні, молоток, киянка, че-кани та інший простий інструмент, який учні разом з учителем можуть виготовити самостійно.За час навчання учні виконують контрольні завдання, що допомагають учителю визначити рівень засвоєння ними навчального матеріалу та необхідних умінь і навичок роботи з інструментом, уміння художньо обробляти й естетично оформляти готовий виріб, дотримуватися техніки безпеки. Вчитель повинен уміти оцінювати поетапне виконання операцій, пов'язаних з виготовленням карбованого виробу. Після вивчення кожної окремої теми і виконання учнями практичної роботи доцільно оцінити їхні знання з таких напрямів: 1. Підготовка листового металу за етапами: розмітка заготовки; вирізання бляшки потрібного розміру; обробка задирки після різання; термічна обробка — відпалювання; вирівнювання листа киянкою або дерев'яним бруском; зняття окалини за допомогою хімічних речовин, змиття водою і просушування. Оцінюється: час виконання операції та якість виконання робіт (за рівністю вирізаних бокових ліній, наявністю необробле-них задирок, чистотою і рівністю поверхні листа). 2. Підготовка рисунка: за малюнком, наданим учителем; за власним малюнком; з використанням готового стилізованого рисунка. Оцінюється: час виконання, поєднання сюжету з матеріалом пластини і композиція твору за допомогою стилізованих зображень. 3. Підготовка поверхні металу і переведення на неї рисунка: зняття з поверхні листа металу жирового шару за допомогою реактивів; нанесення, якщо це необхідно, шару фарби на бляшку і закріплення на ній паперового листа і рисунком: фіксація рисунка на металі нітролаком або обведення його ри-сувалкою, карбувальником-давильником чи обробка канфарни-ком. Оцінюється: час виконання, чіткість переведених ліній (наявність усіх деталей рисунка, рівність і глибини рисок, залишених рису вал кою або карбувальниками). Виконання роботи, пов'язаної з карбуванням по металу та подальшою художньою обробкою готовою виробу,— процес творчий, і учні можуть застосовувати різні прийоми для створення задуманої ними композиції, а критерії, за якими буде оцінюватися їхня робота, на наш погляд, такі: * плавність лінії суцільної або нанесеної за допомогою рисок чи точок, рівномірність її ширини і глибини при обведенні рисунка: відхилення по ширині близько 1,0 мм — «відмінно»; від 1,0 мм до 2,0 мм — «добре»; від 2,0 мм до 3,0 мм — «задовільно»; більше 3,0 мм — «незадовільно»; відхилення по глибині близько 0,5 мм — «відмінно»; від 0,5 мм до 1,0 мм — «добре»; від 1,0 мм до 1,5 мм — «задовільно»; більше 1,5 мм — «незадовільно». при обробці випуклих деталей композиції звертають увагу на те, щоб на випуклій поверхні не залишалися сліди від руху чекана і на пластині не було розривів металу, а при просічно-му карбуванні були оброблені напилком усі задирки, при художній обробці виробу оцінюють те, як висвітлені виступаючі деталі, як вони відшліфовані і вкриті патинуючою плівкою або лаком, при оздобленні карбованого виробу зважають на те, чи гармонійно поєднується основа з патинуючою плівкою на поверхні металу, чи вирівняна і закріплена пластина. 4. Контроль за роботою учнів. При виконанні будь-яких технологічних операцій учитель повинен аналізувати роботу учнів як у цілому, так і поетапно, вказувати недоліки, виявляти шляхи їх подолання, настроювати учнів на самоконтроль і контроль своїх товаришів.
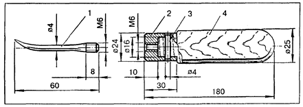
Рис. 1. Інструменти для металопластики: а, б — чекани-давильники «утюжки»; в — штихель; г — стека; д, ж — шпатель; к — чекан-пуансон. 5. Порядок виставлення оцінки за роботу. Оцінювання робіт учнів може здійснюватися як самим учителем у процесі їх виконання і по завершенні, так і разом з учнями, враховуючи час, витрачений на виготовлення виробу, правильність виконання технологічних операцій, художнє оздоблення. Виготовлення інструментів-чеканів Наведемо орієнтовний варіант виготовлення інструментів-чека-нівдля занять металопластикою, що мають різну форму бойової частини й одну спільну ручку {рис. 1, 2). Технологія виготовлення чека-нів-давильників в умовах шкільної майстерні нескладна. Для їх виготовлення знадобляться: токарний і заточний верстати, слюсарні лещата, напилки, молоток, наждачний папір, муфельна піч, стальний прут довжиною 60 мм і діаметром 6 мм і стальний прут діаметром 20—25 мм, дерев'яний брус довжиною 18—20 см і перерізом 2,5 х 2,5 см з деревини твердої породи (клен, дуб, бук, береза), шматок алюмінієвого дроту для заклепок довжиною 35 мм і діаметром 3—4 мм. Виготовлення чекана-давиль-ника відбувається в такій послідовності: 1. Виготовлення дерев'яної ручки Довжина ручки (4, рис. 2) дорівнює 18—20 см, її діаметр — 20—25 мм. Після виготовлення ручки її обробляють таким чином: з того боку, на який буде надіватися металева втулка (2), знімать шар деревини до діаметра 16— 18 мм на довжину 20 мм, інший торець округлюють і ручку після ретельної обробки наждачним папером вкривають лаком. 2. Виготовлення металевої втулки Із сталевого прута діаметром 20—25 мм на токарному верстаті знімають шар металу до діаметра ' 19—24 мм на довжину ЗО мм. Свердлом діаметром 16 мм свердлять втулку (2) на глибину 20— 25 мм, після чого її відрізають, торцюють і нарізають в ній різьбу М6, а також роблять отвір для заклепки (3) діаметром 3 (4) мм. 3. Чиютонлсння змінних чеканій Для полегшення обробки ста-левиїо прута, арматури або дюбеля треба провести термічну обробку заготовки — відпускання металу, яке полягає в тому, що метал спочатку нагрівають у муфельній печі до температури 500—600 "С, а потім повільно охолоджують його на повітрі, що робить метал м'яким і податливим. На токарному верстаті зніма-' ють шар металу до потрібного розміру. Наприклад, штихель (1) роблять довжиною 60 мм, з однієї сторони проточують до діаметра 6 мм на довжину 8 мм, а потім обробляють заготовку до діаметра 4 мм, знімають її і продовжують обробку на заточному верстаті або обпилюють напилком, закріпивши заготовку в слюсарних лещатах, поки робоча частина не матиме плавний перехід до діаметра 1 мм на кінці чекана. Потрібну форму карбувальнику придають молотком. Бойова частина чекана повинна мати гладку робочу поверхню. Досягти цього можна, обробивши її надфілями, відполірувавши дрібним наждачним папером і відшліфувавши пастою ГОІ на повстяному кругу.
Рис. 2. Ручкя для змінних чеканів-давильників; 1— чекан-штихель; 2 — втулка; 3 — заклепка; 4 — дерев'яна ручка. Таким чеканом, якщо не зробити термічної обробки (загартування) карбувальника, не можна буде довго користуватися, бо він швидко стане непридатним до роботи. Щоб загартувати карбувальник, його нагрівають у муфельній печі до температури близької до 800 °С до виникнення на поверхні металу яскраво-червоного кольору, а потім різко охолоджують метал, зануривши інструмент у воду або масло. Діаметр чекана-давильника у частині, де нарізана різьба, невеликий, а метал після загартування хоч і став твердим, став також і дуже ламким. Отож, щоб інструмент під час роботи не зламався і метал не був крихким, його знову нагрівають у муфельній печі до температури 200—220 °С до виникнення на поверхні металу яскраво-жовтого кольору і повільно охолоджують чекан на повітрі. Під час термічної обробки на поверхні заготовки може утворитися окалина, тому після охолодження металу бойову частину карбувальника ще раз ретельно відполіровують. Чекани-давильники, що мають спільну ручку, не займають багато місця, їх зручно зберігати, на їх виготовлення не потрібно багато матеріалу, проте при користуванні ними виникають певні незручності, пов'язані із 'їх заміною, особливо якщо потрібно часто використовувати в роботі різні карбувальники. На рисунку 2 зображені чека-ни-давильники, які мають окрему ручку. Хоча на їх виготовлення -знадобиться трохи більше часу і вони займуть більше місця на робочому столі, користуватися ними значно зручніше. Перед початком роботи вчитель повинен звернути увагу учнів на правильність тримання в руці інструмента, положення рук учня та інструмента при роботі та натискування на нього, аби лінії на поверхні металу були однакової глибини. |

