Лабораторная работа: Моделирование пассивных и активных фильтров
|
Название: Моделирование пассивных и активных фильтров Раздел: Рефераты по коммуникации и связи Тип: лабораторная работа | |||||||||||||||||||||||||||||||||||
| Министерство образования и науки Украины Моделирование пассивных и активных фильтров
ЦЕЛЬ РАБОТЫ Пользуясь программной средой Electronics Workbench смоделировать: пассивные фильтры низкой частоты (ФНЧ), однозвенные и двухзвенные; пассивные фильтры высокой частоты (ФВЧ), однозвенные и двухзвенные; полосовой и режекторный фильтры (ППФ); активный ФНЧ на ОУ; активный ФВЧ на ОУ; полосовой фильтр активного типа. С помощью программы FilterLab построить АЧХ и ФЧХ, смоделировать электрические схемы для фильтров Баттерворта и Чебышева. ХОД РАБОТЫ 1. Параметры элементов однозвенного пассивного ФНЧ рассчитываются, исходя из требуемой частоты среза f0
и принятого волнового сопротивления р. В рассматриваемом примере имеем при f0
= 10 000 Гц и
Рисунок 1 - Пассивный фильтр низкой частоты (ФНЧ), однозвенный. В случае двухзвенного фильтра по сравнению с однозвенным, удается получить характеристику с более крутым фронтом.
Рисунок 2 - Пассивный фильтр низкой частоты (ФНЧ), двухзвенный. 2. Параметры элементов однозвенного ФВЧ рассчитываются, исходя из требуемой частоты среза f0
и принятого волнового сопротивления р. В рассматриваемом примере имеем при f0
= 300 Гц и
Рисунок 3 - Пассивный фильтр высокой частоты (ФВЧ), однозвенный. В случае двухзвенного фильтра, по сравнению с однозвенным, удается получить характеристику с более крутым фронтом.
Рисунок 4 - Пассивный фильтр высокой частоты (ФВЧ), двухзвенный. 3. Параметры элементов двухконтурного полосового фильтра рассчитываются, исходя из центральной частоты фильтра f0 . При С = 1000*10-9 Ф и L = 0,25 мкГн имеем:
Далее резонансные частоты контуров раздвигаются, для чего емкость одного увеличивается на 1-2 %, другого - уменьшается. Чем шире должна быть получена полоса пропускания фильтра, тем больше это изменение емкости.
Рисунок 5 - Полосовой фильтр. 4. Параметры элементов трехконтурного режекторного фильтра, как и в предыдущем случае, рассчитываются исходя из центральной частоты фильтра f0 . В рассматриваемом случае центральная частота f0 = 0.32 МГц.
Рисунок 6 - Режекторный фильтр. 5. Комплексный коэффициент активного ФНЧ 1-го порядка определяется выражением:
для модуля коэффициента передачи имеем:
где Т = R2 C2 - постоянная времени фильтра.
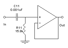
Рисунок 7 - Активный ФНЧ на ОУ. 6. для модуля коэффициента передачи активного ФВЧ имеем
где Т = R1 C1 - постоянная времени фильтра.
Рисунок 8 - Активный ФВЧ на ОУ. 7. Комплексный коэффициент активного фильтра 2-го порядка определяется выражением:
Проводимости равны: Y1
= g1
= 1/R1
, Y2
= g2
= 1/R2
, Y3
= j При данных величинах для модуля комплексного коэффициент передачи равен:
Рисунок 9- Полосовой фильтр активного типа. АЧХ и ФЧХ для ФНЧ 1-го порядка Баттерворта и Чебышева:
Рисунок 9- АЧХ и ФЧХ. Электрическая схема:
Рисунок 10 - Электрическая схема. АЧХ и ФЧХ для ФНЧ 2-го порядка Баттерворта и Чебышева:
Рисунок 11- АЧХ и ФЧХ. Электрическая схема:
Рисунок 12 - Электрическая схема. 8. АЧХ и ФЧХ для ФВЧ 1-го порядка Баттерворта и Чебышева: Рисунок 13 - АЧХ и ФЧХ.
Рисунок 14 - Электрическая схема АЧХ и ФЧХ для ФВЧ 2-го порядка Баттерворта и Чебышева:
Рисунок 15 - АЧХ и ФЧХ. Электрическая схема:
Рисунок 16 - Электрическая схема Таблица 1.1- Расчет фильтров 2-го порядка при f=150 KHz
Выводы В ходе лабораторной работы мы ознакомились со схемотехническими особенностями различных типов фильтров. Определили то, что АЧХ фильтра должна приближаться к идеальной, а затухания, вносимые им, быть минимальными. Пассивные фильтры вносят большие затухания по сравнению с активными фильтрами, однако имеют простоту в схемотехническом решении и расчёте составляющих его деталей. Данные типы фильтров нашли широкое применение в широкополосных усилителях и акустике, которые имеют раздельные тракты НЧ, СЧ, ВЧ. |
мкГн,
мкФ.



МГц.














