Курсовая работа: Моделювання відеопідсилювача
|
Название: Моделювання відеопідсилювача Раздел: Рефераты по коммуникации и связи Тип: курсовая работа | ||||||||||||||||||||||||||||||||||||||||||||||||||||||||||||||||||||||||||||
| Міністерство освіти і науки України Житомирський державний технологічний університет Кафедра РТ і Т Група РТ – 12 Курсовий проект з предмету “ Пристрої підсилення сигналів ” Варіант 21
Виконав: Ліпатов І.І. Перевірив: Бенедицький В.Б. Житомир 2010 Зміст 1. Технічне завдання 2. Введення 3. Визначення числа каскадів 4. Вибір транзисторів по частоті, струму і напрузі 5. Розрахунок вихідного каскада 6. Розрахунок проміжного каскада 7. Розрахунок вхідного каскада 8. Моделювання розробленої схеми в Micro-Cap 10. Вибір потужності резисторів і номінального ряду 11. Специфікація 12. Висновок 13. Список використаної літератури 14. Схема електрична принципова Технічне завдання. 1. Спроектувати і розрахувати електричну принципову схему відеопідсилювача з подальшим моделюванням розробленої схеми в САПР Micro-Cap. 2. Реалізацію всього підсилювача виконати на сучасних біполярних і польових транзисторах. Таблиця 1.
Um 2 , В – амплітуда імпульсу напруги на навантаженні; Um 1 , мВ – амплітуда імпульсу напруги на виході підсилювача; tи , мкс – тривалість імпульсу; F, кГц – частота повторення імпульсів; tу , мкс – час встановлення; А,% - спад плоскої вершини імпульсу; S,% - викид перехідної характеристики; tmin, °С – мінімальна температура навколишнього середовища; tmax, °С – максимальна температура навколишнього середовища; Rвх , кОм – вхідний опір підсилювача; Rс , кОм – вихідний опір джерела сигналу; Пвх, +/– - полярність імпульсу вхідного сигналу; Пвих, +/– - полярність імпульсу вихідного сигнал. Імпульсні підсилювачі знайшли широке застосування. Особливо широко вони застосовуються в радіотехнічних пристрої, в системах автоматики, в приладах експериментальної фізики, у вимірювальних приладах. Проектування УУ - багатофакторний процес, багато в чому залежний від інтуїції, знань і досвіду розробника. Ця обставина викликає певні труднощі в початкуючих розробників, до яких, власне, і відносяться студенти. Ці труднощі посилюються ще і тим, що учбова література по курсовому проектуванню УУ в значній мірі застаріла, містить багато спірних моментів і взаємовиключних виводів. Залежно від завдань на імпульсні підсилювачі накладаються різні вимоги, яким вони повинні відповідати. Тому підсилювачі можуть розрізнятися між собою як по елементній базі, особливостям схеми, так і по конструкції. Проте існує загальна методика, якої слід дотримуватися при проектуванні підсилювачів. Завданням представленого проекту є відшукання найбільш простого і надійного рішення. Для імпульсного підсилювача застосовують спеціальні транзистори, що мають високу граничну частоту. Такі транзистори називаються високочастотними. Сигнал, проходячи через підсилювач, зазнає спотворення, унаслідок чого форма сигналу на виході підсилювача відрізняється від форми сигналу на його вході. Спотворення, що вносяться підсилювачем, зручно оцінювати по зміні форми прямокутного імпульсу, поданого на вхід підсилювача. мал. 1а, показаний імпульс прямокутної форми, прикладений до входу підсилювача, а на мал. 1б - спотворений імпульс, яким він представляється після проходження через підсилювач на його вихідних затисках (у загальному випадку до завдання курсової). Визначення числа каскадів. Розрахуємо необхідну смугу пропускання підсилювача для формування даного імпульсу.
З урахуванням коефіцієнта передачі вхідному ланцюгу коефіцієнт посилення визначиться як:
Орієнтовно число каскадів можна визначити вважаючи, що всі каскади з однаковим
Ще один параметр по якому ми вибираємо кількість каскадів, це полярність вхідного і вихідного сигналу. В нашому завданні полярності різні, якщо схеми включення будуть із спільним емітером, то їх кількість повинна бути не парною. Отже будемо використовувати три каскади. Вибір транзисторів по частоті, струму і напрузі Вибір типу біполярного транзистора для вихідного каскаду і каскадів попередньою підсилення здійснюється по трьом основним параметрам -граничной частоті ( і максимально допустимій напрузі коллектор-ємітер ( 1) Для граничної частоти транзистора повинна виконуватися умова:
В нашому завданні
2) Для максимально допустимого струму колектора транзистора повинна виконуватися умова:
3) Для максимально допустимої напруги колектор-емітер транзистора повинна виконуватися умова:
Цим вимогам повністю відповідає транзистор 2N4400. Параметри транзистора приведені в таблиці.
Розрахунок вихідного каскада Вихідний каскад виберемо із спільним емітером, тому що в цього каскада найбільший коефіцієнт підсилення. Кінцевий каскад буде без термостабілізації, тому що це знизить коефіцієнт підсилення, а нам це не бажано. Реалізацію кінцевого каскада виконав по загальній схемі каскада підсилювача разом з конденсатором, який для нашого підсилювача є навантаженням, і резистором, який підключимо паралельно навантаженню, щоб зменшити час заднього фронта імпульсу, і підберемо опір цього резистора так, щоб забезпечити потрібний коефіцієнт підсилення і зменшити час встановлення імпульсу. Вибір необхідного значення напруги джерела живлення Еж . Напруга на навантаженні із завдання повинна бути 1В. Отже враховуючи падіння напруги на навантаженні і падіння напруги на колектор-емітер, напругу живлення ми виберемо із рекомендованого ряду:
Найоптимальнішим варіантом для нас є значення Вибір режиму транзистора Наш підсилювач буде підсилювати сигнал однієї полярності тому виведемо його робочу точку в клас В, в цього класу КПД приблизно дорівнює 75%. Коефіцієнт підсилення всього підсилювача дорівнює 135. На першому каскаді великого підсилення ми не отримаємо, бо там великий вхідний опір, на другому каскаді ми введемо термостабілізацію, яка зменшить коефіцієнт підсилення, а на третьому можна зробити максимальне підсилення. Тому коефіцієнти підсилення ми розподілимо наступним чином: вхідний каскад
Мал. №2. Схема вихідного каскада.
Мал. №3. Вихідні характеристики транзистора.
Мал. №4. Вхідні характеристики транзистора. По вхідним и вихідним характеристикам транзистора визначаємо:
В нашого підсилювача навантаженням є конденсатор, тому щоб зменшити час заднього фронта імпульсу підключимо паралельно резистор, підібравши його опір так щоб забезпечити потрібний коефіцієнт підсилення і зменшити час встановлення імпульсу.
У транзистора 2N4400
Резистори будемо вибирати із номінального ряду Е96:
Розрахуємо значення ємностей перехідних конденсаторів , величина ємностей конденсаторів розраховується із умови, що при збільшені ємнісного опору на 50% на нижній граничній частоті напруга на виході повинна становити приблизно 90% вхідної. Виходячи з цього значення ємностей конденсаторів розраховуються за формулою:
Після обчислень отримав такі значення R9, R10 і R11:
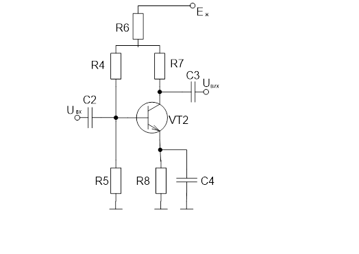
Розрахунок проміжного каскада У проміжний каскад ми введемо термостабілізацію по струму і напрузі, використаємо схему із спільним емітером. Схеми каскаду із загальним емітером дуже чутлива до змін температури, оскільки положення точки спокою на прямій навантаження визначається параметрами транзистора, які залежать від температури. До колекторного переходу ; коефіцієнт посилення по струму ; напруга на переході емітер - база. Зміна вказаних параметрів транзистора в діапазоні температури викликає зсув робочої точки спокою на прямій навантаження, що може привести до лінійних спотворень або навіть відсічення вихідного сигналу підсилювача. Тому при роботі транзисторних підсилювачів в широкому діапазоні температур необхідно прийняти заходи по забезпеченню стабільності точки спокою. Найширше використовується негативний зворотний зв'язок по постійному току або напрузі. На мал. 5 приведена схема з ОЕ, в якій стабільність робочої точкі забезпечується за допомогою резистора Для виключення зворотного зв'язку по змінному струму резистор Термостабілізацію ми будемо робити тільки на другому каскаді, тому що на першому коефіцієнт підсилення малий і мало впливає на роботу схеми. На останньому каскаді ми не можемо зробити термостабілізацію, бо зменшиться коефіцієнт підсилення, а зменшення коефіцієнта підсилення на другому каскаді ми компенсуємо на третьому. Вибір режиму транзистора
По входным и выходным характеристикам транзистора определяем:
Мал. №5. Схема проміжного каскада, виконана по схемі зі спільним емітером. Обрахунок термостабілізації: Виберемо напругу емітера Потім розрахуємо Напруга емітера Струм дільника Напруга живлення розраховується по формулі:
Розрахунок величин резисторів проводиться по наступних формулах:
Резистор R6 виберемо таким самим як і R8=100 Ом, щоб падіння напруги на них було однаковим і не зменшити коефіцієнт підсилення. Резистори будемо вибирати із номінального ряду Е96:
Розрахуємо значення ємності перехідного конденсатора , величина ємностей конденсаторів розраховується із умови, що при збільшені ємнісного опору на 50% на нижній граничній частоті напруга на виході повинна становити приблизно 90% вхідної. Виходячи з цього значення ємностей конденсаторів розраховуються за формулою:
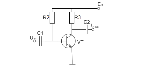
Розрахунок вхідного каскада Опір джерела сигналу 0.5 КОм, тому великого підсилення зробити ми не зможемо і термостабілізацію уводити ми не будемо, щоб не зменшити коефіцієнт підсилення. Схему включення ми виберемо із спільним емітером, така схема є підсилювачем потужності і вихідний опір буде меншим за вхідний. Вибір режиму транзистора
По входным и выходным характеристикам транзистора определяем:
Мал. №6. Cхема вхідного каскада.
Резистори будемо вибирати із номінального ряду Е96:
Розрахуємо значення ємностей перехідних конденсаторів , величина ємностей конденсаторів розраховується із умови, що при збільшені ємнісного опору на 50% на нижній граничній частоті напруга на виході повинна становити приблизно 90% вхідної. Виходячи з цього, значення ємностей конденсаторів розраховуються за формулою:
В завданні вхідний опір підсилювача повинен бути більше 1кОм:
Моделювання розробленої схеми в САПР Micro-Cap. Завантаження системи MicroCAP здійснюється стандартними засобами Windows. Для завантаження слід знайти в меню "Пуск" рядок з ім'ям MicroCAP і клацнути по ній мишею. Якщо на робочому столі Windows є ярлик запуску MicroCAP, то для завантаження системи слід двічі клацнути мишею по ярлику в швидкому темпі. Після завантаження MicroCAP виберемо в меню джерело імпульсної напруги і введемо наступні параметри:
Мал. №7. Моделювання джерела імпульсної напруги Зібравши схему у MicroCAP, вона буде мати вигляд:
Мал. №8. Електрична принципова схема підсилювача, зібрана в САПР MicroCAP Дослідимо функціонування схеми за нормальних умов:
Мал. №9. Моделювання схеми підсилювача по перехідним процесам Порівняємо функціонування схеми із завданням на курсове проектування: Час встановлення:
В завданні час встановлення повинен бути меншим ніж Амплітуда імпульсу напруги на навантаженні:
В завданні Амплітуда імпульсу напруги на вході підсилювача:
Спад плоскої вершини імпульсу:
В завданні Викид перехідної характеристики:
Дослідження термостабілізації: Виміряємо амплітуду при
Виміряємо амплітуду при
Амплітуда напруги спокою:
тобто схема має цілком прийнятну стабілізацію. Вибір потужності резисторів і номінального ряду Після моделювання схеми ми можемо побачити які струми течуть через резистори і визначити їх потужність. Через R10 і R3 течуть найбільший струм:
Для забезпечення надійності візьмемо для них потужність 0.5 Вт. На інших резисторах потужність не перевищує 0.25 Вт. Для зображення електричної принципової схеми використовував ряд номінальних опорів Е96. Висновок: В даному курсовому проекті я розробив імпульсний підсилювач з використанням транзисторів 2N4400, який має технічні характеристики: - коефіцієнт посилення 97 дб; - опір генератора 0.5 КОм; - опір навантаження 15 Ом; - напруга живлення 5 В. В даній роботі мені потрібно було спроектувати імпульсний підсилювач. Спочатку я спроектував схему підсилювача в САПР Micro-Cap. Після проектування я приступив до розрахунків, а саме, розрахував кінцевий, проміжний і перший каскади. Знайшов номінали резисторів та конденсаторів, а також за заданим мені варіантом вибрав транзистор, що підходить цим параметрам. Для перевірки правильності розрахунку імпульсного підсилювача підставив номінали елементів в складену раніше схему в програмі Micro-Cap і промоделював цю схему. Отримані після моделювання параметри порівняв з початковими даними і дійшов висновку, що вони задовільняють задану мені умову. Використана література: 1. Варшавер Б.А., Расчет и проектирование импульсных усилителей: Учеб. пособие для вузов – М.: Висш. шк. 1975о. – 288с. 2.Королев В.Г., Электронные устройства автоматики: Учеб. пособие. – 2-е изд., перераб. И доп. – М.: Высш. шк. 1991р. – 256с. 3. Усатенко С.Т., Каченюк Т.К., Выполнение электрических схем по ЕСКД: Справочник. – М.: Издательство стандартов, 1989р. – 325с.
|














